土液塑限联合测定试验记录
- 格式:xls
- 大小:31.50 KB
- 文档页数:1
31245图4-1锥式液限仪(单位:mm ) 1-锥身;2-手柄;3-平衡装置;4-试杯;5-底座实验三 液限和塑限试验实验人: 学号:一、概述粘性土的状态随着含水率的变化而变化,当含水率不同时,粘性土可分别处于固态、半固态、可塑状态及流动状态,粘性土从一种状态转到另一种状态的分界含水率称为界限含水率。
土从流动状态转到可塑状态的界限含水率称为液限L w ;土从可塑状态转到半固体状态的界限含水率称为塑限p w ;土由半固体状态不断蒸发水分,则体积逐渐缩小,直到体积不再缩小时的界限含水率称为缩限s w 。
土的塑性指数p I 是指液限与塑限的差值,由于塑性指数在一定程度上综合反映了影响粘性土特征的各种重要因素,因此,粘性土常按塑性指数进行分类。
界限含水率试验要求土的颗粒粒径小于0.5mm ,且有机质含量不超过5%,且宜采用天然含水率试样,但也可采用风干试样,当试样含有粒径大于0.5mm 的土粒或杂质时,应过0.5mm 的筛。
二、液限试验液限是区分粘性土可塑状态和流动状态的界限含水率,测定土的液限主要有圆锥仪法、碟式仪法等试验方法,也可采用液塑限联合测定法测定土的液限。
这里介绍圆锥仪液限试验。
圆锥仪液限试验圆锥仪液限试验就是将质量为76g 圆锥仪轻放在试样的表面,使其在自重作用下沉入土中,若圆锥体经过5s 恰好沉入土中10mm 深度,此时试样的含水率就是液限。
1、仪器设备(1)圆锥液限仪(图4-1),主要有三个部分:①质量为76g 且带有平衡装置的圆锥,锤角30°,高25mm ,距锥尖10mm 处有环状刻度;②用金属材料或有机玻璃制成的试样杯,直径不小于40mm ,高度不小于20mm ;③硬木或金属制成的平稳底座;(2)称量200g 、最小分度值0.01g 的天平; (3)烘箱、干燥器;(4)铝制称量盒、调土刀、小刀、毛玻璃板、滴管、吹风机、孔径为0.5mm 标准筛、研体等设备。
2、操作步骤(1)选取具有代表性的天然含水率土样或风干土样,若土中含有较多大于0.5mm 的颗粒或夹有多量的杂物时,应将土样风干后用带橡皮头的研杵研碎或用木棒在橡皮板上压碎,然后再过0.5mm 的筛。
液限塑限联合测定报告一、实验目的本实验旨在通过液限、塑限实验,了解土壤的物理力学性质,并学习如何进行液限、塑限的测定及其相关数据的处理。
二、实验仪器与材料仪器:液限仪、塑限仪、烘箱、天平。
材料:本实验所用土样为粉土。
三、实验步骤1. 液限实验(1)取适量干土样,使其含水率达到可塑状态。
(2)将土样放入液限仪的滑块上,滚动调整液压顶杆使土样受到35次敲击后出现指压沟。
(3)确定初始高稠土样的含水量。
(4)调节液压顶杆使土样被打成团。
(5)每隔10次敲击,用爪子取一个小球,放在平板上推拉,直到两端接近170mm时,球断裂,记录液压顶杆移动的距离。
(6)在液限实验中,人手操作的影响很大,应多次取样,并取平均值。
(1)按照液限实验的方法,制备合适的土样。
(2)将土样放入塑限器的模具中,打平压实,露出边沿。
(3)从侧面将模具慢慢打开,去掉边沿,转动模具使土样分离,取出土样。
(4)将土样放入烘箱中,烘干,称重,记录重量。
(5)计算塑限值。
四、实验结果样品编号 | 液限值 | 含水率-|-|-1 | 37 | 25.8%2 | 35 | 27.4%3 | 36 | 26.6%4 | 36 | 26.4%平均值 | 36 | 26.5%2. 塑限实验结果如下:五、实验分析及讨论1. 液限是指土壤在特定情况下失去流动性的含水率,液限值越小,土壤的流动性越好。
2. 塑限是指土壤在可塑性状态下受约束形变的最大程度,塑限值越大,土壤的可塑性越高。
3. 本次实验结果表明,粉土的液限值比较一致,塑限值较为均匀。
4. 液限、塑限测试需要严格控制实验条件,如操作者对实验结果的影响,土样制备的条件等。
六、结论本次实验通过液限、塑限实验对粉土样品的物理力学性质进行了测试,得出了液限值和塑限值。
结果表明,粉土的液限值比较一致,塑限值较为均匀。
实验报告实验名称:液塑限联合测定法课程名称:土力学与地基基础院系部: 经济与管理学院专业班级:工管1001 学生姓名:武二康学号:**********同组人:崔永伟龙宏希管艳飞李石然实验台号:指导教师:王俊奇成绩:实验日期:2012.10.03华北电力大学一、实验目的及要求:细土粒由于含水量不同,分别处于流动状态、可塑状态、半固体状态、固体状态。
液限是细土粒呈可塑状态的上限含水量,塑限是细土粒呈现可塑状态的下限含水量。
本实验测定细粒土的液限和塑限含水量,用作计算土的塑性指数和液性指数,作为对土性质和地基承载力的评价依据。
二、仪器用具:三、实验原理对含水率不同的土样进行液塑限联合测定仪的实验,然后分别测定各个土样的含水量。
将数据体现在锥入深度h和含水量w关系图上,图中下沉深度为10mm的点所对应的含水量为液限,下沉深度为2mm的点所对应的含水量为液限。
四、实验方法与步骤:1、将准备好的土样不少于200g分别放入三个调土碗中,加入不同数量的蒸馏水,土样的含水量分别控制在液限、略大于液限和二者的中间状态,用调土刀调匀。
2、将制备好的一种土样用调土刀调匀,分层密实地填入试样杯中,使空气逸出。
试杯装满后,刮成与杯边齐平。
3、将装好的试样杯放在支座上,手持锥尖在刚好接触土样时松手使锥杆自由落下,待下沉稳定后记录下沉深度。
4、改变锥尖与土体的接触位置,重复试验2次,记下数据。
5、取另外两种土样,重复2、3、4过程,记录数据。
6、将实验过后的三土样分别转移到称量碗中,用电子秤测定其净重,记录数据。
7、将三个称量碗分别放入烘箱中,设定温度时间进行脱水。
8、两小时后,取出各土样再次称量净重,记录数据。
五、实验结果与数据处理:由该趋势图估得塑限为29%,液限为49.5%六、讨论与结论该实验在进行锥杆下落和下落步骤测量时由于人工操作,误差会很大,影响实验结果。
七、实验打印输出结果:。
实验项目一液限、塑限试验试验目的:细粒土(粒径小于0.5mm,并且有机质含量不超过试样总质量5%的土)由于含水率不同,分别处于流动状态,可塑状态、半固体状态和固体状态。
液限是细粒土呈可塑状态的上限含水率,塑限是细粒土呈可塑状态的下限含水率。
本试验是测定细粒土的液限和塑限含水率,用于计算土的塑性指数和液性指数,为划分土的工程类别和确定土的状态提供依据。
试验方法:1、含水率:采用烘干法测定;2、液、塑限:采用液、塑限联合测定法测定。
试验指导书:液、塑限试验——液、塑限联合测定法一、目的细粒土由于含水率不同,分别处于流动状态,可塑状态、半固体状态和固体状态。
液限是细粒土呈可塑状态的上限含水率,塑限是细粒土呈可塑状态的下限含水率。
本试验是测定细粒土的液限和塑限含水率,用作计算土的塑性指标和液性指数,以划分土的工程类别和确定土的状态。
二、试验方法1、含水率:采用烘干法测定。
将土在105℃~110℃下烘至恒量,所失去的水质量与干土质量的比值,即为土的含水率,用百分比表示。
2、液、塑限:采用液、塑限联合测定法测定。
用光电式液限、塑限联合测定仪(见图1-1)测定土在三种不同含水率时的圆锥入土深度,在双对数坐标纸上绘成圆锥入土深度与含水率的关系直线。
在直线上查得圆锥入土深度为17mm(水利规范、土工试验方法国标GB/T50123-1999)或10mm(建筑地基基础设计规范)处相应含水率为液限,入土深度为2mm处的相应含水率为塑限。
三、仪器设备1、光电式液限、塑限联合测定仪(图1-1),由装有透明光学微分尺的圆锥仪、电磁铁、显示屏、控制开关和试样杯组成。
圆锥质量76克,锥角30度,光学微分尺精确分度为0.1mm。
试样杯:内径不小于40mm,杯高不小于30mm。
2、天平,称量200g,最小分度值0.01g。
3、其它:烘箱、铝盒、调土刀、刮土刀、蒸馏水滴瓶、凡士林等。
四、试验步骤1、本次试验原则上应采用天然含水率的土样进行,也允许用风干土制备土样,土样过0.5mm 筛后,喷洒配制一定含水率的土样,然后装入密闭玻璃广口瓶内,润湿一昼夜备用(土样制备工作实验室已预先做好)。
土的液塑限联合测定试验记录入土深度要求摘要:一、液塑限联合测定试验简介二、液塑限联合测定试验中入土深度的要求1.100克锥入深度要求2.76克锥入深度要求3.液限标准与入土深度的关系三、液塑限联合测定试验的应用与意义正文:一、液塑限联合测定试验简介液塑限联合测定试验是一种用于测定土壤物理性质的试验方法,通过该试验可以得到土壤的液限、塑限等参数,为工程建设提供重要的土壤性质依据。
试验中,液限是指土壤在一定压力下,从液态向塑态转变的界限含水率;塑限是指土壤在一定压力下,从塑态向固态转变的界限含水率。
二、液塑限联合测定试验中入土深度的要求在液塑限联合测定试验中,入土深度的要求对于试验结果的准确性具有重要意义。
根据试验规定,100克锥和76克锥的入土深度要求如下:1.100克锥入深度要求:在试验过程中,100克锥的入土深度分别为3~4mm、7~9mm和25mm。
这三个深度分别对应土样的液限、塑限和界限含水率。
2.76克锥入深度要求:76克锥的入土深度为3~4mm。
这个深度主要用于测定土样的液限。
3.液限标准与入土深度的关系:在液塑限联合测定试验中,以入土深度25mm作为液限标准。
当土样的液限达到这个标准时,说明土壤处于液态状态。
三、液塑限联合测定试验的应用与意义液塑限联合测定试验在工程建设、土地资源调查、地质灾害防治等领域具有广泛的应用。
通过试验得到的土壤液限、塑限等参数,可以用于评估土壤的工程特性、确定基础设计和施工方案、防范地质灾害等。
此外,试验结果还可以为土壤改良和治理提供依据,为农业、水利、环保等领域提供有益信息。
总之,液塑限联合测定试验作为一种重要的土壤物理性质测试方法,对于工程建设和土壤资源管理具有重要意义。
试验中入土深度的要求,为保证试验结果的准确性提供了重要保障。
文章题目:土的液塑限联合测定试验记录入土深度要求一、背景介绍土的液塑限联合测定试验是用来确定土壤的液态限和塑态限的试验方法。
这个试验对于工程领域的土壤工程、基础设施建设、建筑工程等都具有重要的意义。
其中,入土深度是指试验过程中将土壤样品置于试验设备中的深度。
不同的土壤类型和实验要求,要求的入土深度也有所不同。
二、入土深度的意义1.保证试验结果的准确性入土深度的选择直接影响着试验结果的准确性。
如果入土深度选择不当,可能会导致试验结果偏差较大。
根据不同土壤类型和试验要求,选择适当的入土深度显得尤为重要。
2.满足工程实际需求入土深度的选取应当能够真实地反映工程现场土壤的特性。
只有这样,试验结果才能符合工程实际需求,对工程建设有实际指导意义。
三、不同土壤类型的入土深度要求1.粉土和粘土对于粉土和粘土等土壤,入土深度一般要求在样品高度的1.25~2倍。
在进行试验时,应当将土样均匀地压实,并在规定的入土深度内进行试验。
2.砂土对于砂土来说,入土深度一般要求在样品高度的1.5~2倍。
由于砂土颗粒较大,因此在进行试验时需要特别注意入土深度的选择和操作方式。
3.其它特殊土壤对于其它特殊土壤(如有机质土壤、填埋土等),入土深度的选择应当根据具体情况进行合理的调整。
四、个人观点在进行土的液塑限联合测定试验时,入土深度的选择应当充分考虑土壤类型、工程实际需求以及试验准确性。
只有这样,才能得出符合实际情况的试验结果,为工程建设提供可靠的依据。
五、总结合理选择入土深度是土的液塑限联合测定试验中关键的一环。
不同土壤类型和试验要求对入土深度都有着具体的要求,操作时应当严格按照要求进行。
只有在操作规范、入土深度选取合理的情况下,才能获得准确可靠的试验结果。
六、参考资料1.《土的工程特性和应用》2.《土力学》教材3.《土工测试方法规范》通过以上对土的液塑限联合测定试验记录入土深度要求的文章撰写,您可以更深入地了解相关试验的操作要求和意义。
土的液塑限联合测定试验记录入土深度要求摘要:一、液塑限联合测定试验介绍1.试验目的2.试验方法二、试验记录中入土深度要求1.入土深度对试验结果的影响2.液塑限联合测定试验中入土深度的要求三、提出现场试验中应注意的问题1.试验操作注意事项2.入土深度的控制正文:一、液塑限联合测定试验介绍液塑限联合测定试验是一种常用于测定土壤液限和塑限的试验方法。
该方法通过测量土壤在不同含水量下的圆锥入土深度,来确定土壤的液限和塑限。
这种试验方法可以有效地评估土壤的工程性质,为土壤改良和工程设计提供重要依据。
2.试验方法液塑限联合测定试验主要采用圆锥贯入法。
试验中,首先将一定量的土样装入试验杯中,然后通过调节试验杯内的含水量,使土样的含水量达到试验要求。
接着,将装有土样的试验杯放置在试验仪上,通过圆锥贯入土样,测量圆锥入土深度。
根据圆锥入土深度和土样的含水量,可以计算出土样的液限和塑限。
二、试验记录中入土深度要求1.入土深度对试验结果的影响入土深度是液塑限联合测定试验中的一个重要参数。
入土深度的大小直接影响到试验结果的准确性。
如果入土深度过大或过小,都会导致试验结果的偏差。
因此,在试验过程中,需要严格控制圆锥的入土深度。
2.液塑限联合测定试验中入土深度的要求根据液塑限联合测定试验的要求,圆锥贯入土样时的入土深度应满足一定的要求。
一般来说,入土深度要求为圆锥直径的1/3到1/2。
在实际操作中,可以通过测量圆锥贯入土样时的入土深度,来判断是否满足试验要求。
如果入土深度不符合要求,需要重新进行试验,以确保试验结果的准确性。
三、提出现场试验中应注意的问题1.试验操作注意事项在进行液塑限联合测定试验时,操作人员需要严格按照试验步骤进行操作。
在圆锥贯入土样时,应注意控制贯入速度,避免过快或过慢的贯入速度对试验结果产生影响。
此外,还需要注意圆锥贯入土样时的角度,确保圆锥的尖端与土样表面紧密接触,以保证试验结果的准确性。
2.入土深度的控制入土深度是液塑限联合测定试验中的一个关键参数。
土的液塑限联合测定试验记录入土深度要求(一)土的液塑限联合测定试验记录入土深度要求要求概述为了评估土壤的液塑限指标,通常需要进行液塑限联合测定试验。
在试验过程中,记录入土深度是一项关键要求。
这项要求旨在确保试验数据的准确性和可比性,从而为土壤的工程性质提供可靠的评估依据。
要求解释说明1.入土深度记录的目的是为了确保试验数据能够代表土壤的整体特性。
由于土壤的物理性质可能会在不同深度上有所差异,因此只记录试验时的表层数据是不足以全面评估土壤性质的。
–例子:在某个工程项目中,为了评估场地土壤的液塑限指标,需要进行液塑限联合测定试验。
根据相关规定,试验时需要将试验工具嵌入土壤中,直至达到规定的入土深度。
该入土深度可根据具体项目要求而定,一般而言需要超过土壤表层的10%至20%深度。
2.入土深度记录应该与试验数据一同保存,并在试验报告中进行说明。
这样可以使后续的数据分析和工程设计人员了解试验数据的来源和可靠性。
–例子:在试验记录中,需清楚标明试验的具体入土深度以及深度的测量方法。
同时,在试验报告中也应明确指出土壤样品的采集位置和入土深度,以及这些数据对土壤性质评估的影响。
3.文字描述或者图示都可以用于记录入土深度,并且应该尽量准确地反映试验现场的实际情况。
–例子:在试验记录中,可以用文字描述入土深度,例如“试验工具嵌入土壤的深度为30cm”。
另外,也可以使用图示来说明具体的入土深度,例如在试验记录中附上一张指示试验工具入土深度的示意图。
总结土的液塑限联合测定试验记录入土深度要求是为了保证试验数据的准确性和可比性。
合理记录入土深度可以全面评估土壤性质,为工程设计提供可靠依据。
记录应与试验数据一同保存,并在试验报告中进行说明,以提高数据的可靠性和可追溯性。
一、实验目的1. 确定土壤的液限和塑限,了解土壤的基本性质。
2. 掌握液限和塑限的测定方法,为后续土壤工程设计和施工提供依据。
二、实验原理液限和塑限是表征土壤液塑性状态的指标,是土壤分类和工程应用的重要参数。
液限是指土壤由可塑状态转变为流动状态的界限含水率,塑限是指土壤由半固态转变为可塑状态的界限含水率。
根据卡萨格兰德(Casagrande)的液塑限联合测定法,通过测定土壤在不同含水率下的塑性指数,确定液限和塑限。
三、实验仪器与材料1. 仪器:液塑限联合测定仪、称量瓶、干燥箱、烘箱、温度计、玻璃棒等。
2. 材料:土壤样品。
四、实验步骤1. 将土壤样品风干,并过筛(筛孔尺寸为2mm)。
2. 将过筛后的土壤样品放入烘箱中,在105℃下烘干至恒重。
3. 取适量烘干后的土壤样品,放入称量瓶中,准确称量。
4. 将称量后的土壤样品放入液塑限联合测定仪中,按照以下步骤进行实验:a. 调整仪器,使其处于水平状态。
b. 将土壤样品放入测定筒中,轻轻振动使其均匀分布。
c. 用玻璃棒将土壤样品刮平,使其表面光滑。
d. 向测定筒中加入蒸馏水,使土壤样品含水量逐渐增加。
e. 观察土壤样品的状态变化,记录土壤由可塑状态转变为流动状态时的含水率,即液限。
f. 继续向测定筒中加入蒸馏水,使土壤样品含水量继续增加。
g. 观察土壤样品的状态变化,记录土壤由半固态转变为可塑状态时的含水率,即塑限。
5. 重复上述步骤,进行多次实验,求取液限和塑限的平均值。
五、实验结果与分析1. 实验数据:| 试验次数 | 液限(%) | 塑限(%) || -------- | -------- | -------- || 1 | 30 | 20 || 2 | 29 | 19 || 3 | 30 | 20 || 平均值 | 30 | 20 |2. 结果分析:根据实验结果,土壤样品的液限为30%,塑限为20%。
该土壤属于粘土类土壤,具有较高的塑性指数,适宜用于建筑工程、水利工程等领域。
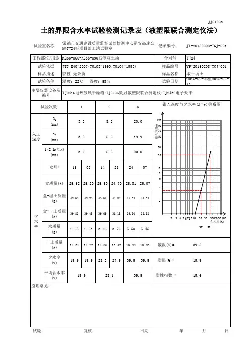
液塑限联合测定试验记录承包单位:白乌、满芒公路C标中铁股份工程项目部合同号:C标监理单位:白乌、满芒公路第三驻地办沈阳方正建设监理有限公司试验日期: D-001 试验序号 1 2 3入土深度h1 4.83 11.13 19.34 h2 5.45 11.53 21.29 (h1+ h2)/2 5.14 11.33 20.32含水量(%)盒号(g) 1 2 3 4 5 6盒+湿土质量(g) 38.63 40.42 38.63 40.42 82.99 80.82盒+干土质量(g) 31.77 30.05 34.59 35.97 74.93 70.84盒质量(g) 16.56 15.78 16.30 15.76 44.82 33.42水质量(g) 2.83 2.61 4.04 4.45 8.06 9.98干土质量(g) 15.21 14.27 18.29 20.21 30.11 37.42 液限Wl=25.5含水量(g) 18.61 18.29 22.09 22.02 26.77 26.67 塑限Wp=18.2平均含水量(g) 18.5 22.06 26.7 塑性指数Ip= 7.3 取样地点:3#坑试验:计算:复核:液塑限联合测定试验记录承包单位:白乌、满芒公路C标中铁股份工程项目部合同号:C标监理单位:白乌、满芒公路第三驻地办沈阳方正建设监理有限公司试验日期: D-001 试验序号 1 2 3入土深度h1 4.63 10.21 17.04 h2 4.62 10.11 16.93 (h1+ h2)/2 4.5 10.2 17.0含水量(%)盒号(g) 1 7 9 10 5 2盒+湿土质量(g) 39.62 41.73 37.04 33.27 34.15 39.38盒+干土质量(g) 35.84 37.56 32.37 29.35 30.83 34.72盒质量(g) 16.16 16.28 11.10 11.72 16.16 16.39水质量(g) 3.78 4.17 4.67 3.92 3.61 4.66干土质量(g) 19.68 21.28 21.27 17.63 14.73 18.43 液限Wl=24.9含水量(g) 19.21 19.60 21.96 22.23 24.51 25.28 塑限Wp=16.8平均含水量(g) 19.4 22.1 24.9 塑性指数Ip= 8.1 取样地点:K65+400试验:计算:复核:液塑限联合测定试验记录承包单位:白乌、满芒公路C标中铁股份工程项目部合同号:C标监理单位:白乌、满芒公路第三驻地办沈阳方正建设监理有限公司试验日期: D-001 试验序号 1 2 3入土深度h1 4.13 9.93 16.87 h2 4.44 9.72 17.27 (h1+ h2)/2 4.3 9.8 17.1含水量(%)盒号(g) 1 5 2 4 9 8盒+湿土质量(g) 26.78 31.78 38.60 34.17 40.04 38.55盒+干土质量(g) 24.02 28.16 34.35 30.58 34.94 33.77盒质量(g) 11.10 11.28 17.17 16.12 16.16 15.98水质量(g) 2.76 3.62 4.25 3.59 5.10 4.78干土质量(g) 12.92 16.88 17.18 14.46 18.78 17.79 液限Wl=26.9含水量(g) 21.36 21.45 24.74 24.83 27.16 26.87 塑限Wp=19.5平均含水量(g) 21.4 24.8 27.0 塑性指数Ip= 7.4 取样地点:K65+550试验:计算:复核:液塑限联合测定试验记录承包单位:白乌、满芒公路C标中铁股份工程项目部合同号:C标监理单位:白乌、满芒公路第三驻地办沈阳方正建设监理有限公司试验日期: D-001 试验序号 1 2 3入土深度h1 3.14 9.47 17.27 h2 3.25 9.52 17.10 (h1+ h2)/2 3.2 9.5 17.2含水量(%)盒号(g) 10 5 2 4 9 8盒+湿土质量(g) 45.15 47.87 33.87 34.72 33.61 38.13盒+干土质量(g) 41.12 43.25 29.92 30.63 30.44 34.08盒质量(g) 17.16 16.03 11.10 11.17 17.12 16.93水质量(g) 4.03 4.62 3.95 4.09 3.17 4.05干土质量(g) 23.96 27.22 18.82 19.46 13.32 17.15 液限Wl=23.0含水量(g) 16.82 16.91 20.99 21.02 23.80 23.62 塑限Wp=15.7平均含水量(g) 16.9 21.0 23.7 塑性指数Ip= 7.3 取样地点:K64+800试验:计算:复核:液塑限联合测定试验记录承包单位:白乌、满芒公路C标中铁股份工程项目部合同号:C标监理单位:白乌、满芒公路第三驻地办沈阳方正建设监理有限公司试验日期: D-001 试验序号 1 2 3入土深度h1 4.37 10.47 17.25 h2 4.21 10.51 17.32 (h1+ h2)/2 4.3 10.5 17.3含水量(%)盒号(g) 3 4 9 10 5 2盒+湿土质量(g) 36.74 36.05 39.84 38.61 34.36 30.31盒+干土质量(g) 32.71 32.09 35.67 34.73 29.75 26.54盒质量(g) 11.17 11.10 16.65 17.17 10.98 11.12水质量(g) 4.03 3.96 4.17 3.88 4.61 3.77干土质量(g) 21.54 20.99 19.02 17.56 18.77 15.42 液限Wl=24.2含水量(g) 18.71 18.87 21.92 22.10 24.56 24.45 塑限Wp=16.5平均含水量(g) 18.8 22.0 24.5 塑性指数Ip= 7.7 取样地点:K70+400试验:计算:复核:液塑限联合测定试验记录承包单位:白乌、满芒公路C标中铁股份工程项目部合同号:C标监理单位:白乌、满芒公路第三驻地办沈阳方正建设监理有限公司试验日期: D-001 试验序号 1 2 3入土深度h1 3.17 10.79 17.94 h2 3.04 10.63 18.10 (h1+ h2)/2 3.1 10.7 18.0含水量(%)盒号(g) 1 2 3 4 5 6盒+湿土质量(g) 32.05 55.65 39.14 38.64 37.77 36.95盒+干土质量(g) 28.88 49.08 34.97 34.72 33.59 32.86盒质量(g) 11.10 12.09 16.17 17.09 16.89 16.48水质量(g) 3.17 6.57 4.17 3.92 4.18 4.09干土质量(g) 17.78 36.99 18.80 17.63 16.70 16.38 液限Wl=24.3含水量(g) 17.83 17.76 22.18 22.23 25.03 24.97 塑限Wp=16.5平均含水量(g) 17.8 22.2 25.0 塑性指数Ip= 7.8 取样地点:K63+900试验:计算:复核:液塑限联合测定试验记录承包单位:白乌、满芒公路C标中铁股份工程项目部合同号:C标监理单位:白乌、满芒公路第三驻地办沈阳方正建设监理有限公司试验日期: D-001 试验序号 1 2 3入土深度h1 3.25 11.09 18.13 h2 3.17 10.97 18.29 (h1+ h2)/2 3.2 11.0 18.2含水量(%)盒号(g) 7 5 3 1 6 8盒+湿土质量(g) 35.74 43.09 36.09 37.23 36.84 38.22盒+干土质量(g) 32.57 38.81 32.40 33.31 32.67 33.59盒质量(g) 16.10 16.48 17.17 16.92 16.89 16.03水质量(g) 3.17 4.28 3.67 3.92 4.17 4.63干土质量(g) 16.47 22.33 15.23 16.39 15.78 17.56 液限Wl=25.9含水量(g) 19.25 19.17 24.10 23.92 26.43 26.37 塑限Wp=17.7平均含水量(g) 19.2 24.0 26.4 塑性指数Ip= 8.2 取样地点:K61+100试验:计算:复核:液塑限联合测定试验记录承包单位:白乌、满芒公路C标中铁股份工程项目部合同号:C标监理单位:白乌、满芒公路第三驻地办沈阳方正建设监理有限公司试验日期: D-001 试验序号 1 2 3入土深度h1 3.52 11.03 18.09 h2 3.08 10.97 17.92 (h1+ h2)/2 3.3 11.0 18.0含水量(%)盒号(g) 7 9 10 2 1 3盒+湿土质量(g) 36.04 38.66 35.54 36.47 41.38 39.10盒+干土质量(g) 32.81 34.96 31.69 32.56 36.08 34.30盒质量(g) 16.72 16.93 16.47 17.11 16.83 17.32水质量(g) 3.23 3.70 3.85 3.91 5.30 4.72干土质量(g) 16.09 18.03 15.22 15.45 19.25 17.06 液限Wl=27.3含水量(g) 20.07 20.52 25.30 25.31 27.53 27.67 塑限Wp=18.5平均含水量(g) 20.3 25.3 27.6 塑性指数Ip= 8.8 取样地点:K70+400试验:计算:复核:液塑限联合测定试验记录承包单位:白乌、满芒公路C标中铁股份工程项目部合同号:C标监理单位:白乌、满芒公路第三驻地办沈阳方正建设监理有限公司试验日期: D-001 试验序号 1 2 3入土深度h1 3.37 10.82 17.48 h2 3.43 10.34 17.54 (h1+ h2)/2 3.4 10.6 17.5含水量(%)盒号(g) 1 5 10 3 2 9盒+湿土质量(g) 37.92 38.92 37.83 37.35 41.20 38.71盒+干土质量(g) 34.50 35.40 33.70 33.27 36.16 33.99盒质量(g) 16.81 17.13 16.54 16.34 19.09 16.23水质量(g) 3.42 3.52 4.13 4.08 5.04 4.72干土质量(g) 17.69 18.27 17.16 16.93 19.07 17.76 液限Wl=26.2含水量(g) 19.33 19.27 24.07 24.10 26.43 26.58 塑限Wp=17.6平均含水量(g) 19.3 24.1 26.5 塑性指数Ip= 8.6 取样地点:K69+700试验:计算:复核:液塑限联合测定试验记录承包单位:白乌、满芒公路C标中铁股份工程项目部合同号:C标监理单位:白乌、满芒公路第三驻地办沈阳方正建设监理有限公司试验日期: D-001 试验序号 1 2 3入土深度h1 3.44 11.47 18.09 h2 3.52 11.52 17.92 (h1+ h2)/2 3.5 11.5 18.0含水量(%)盒号(g) 5 7 9 2 1 13盒+湿土质量(g) 34.62 34.16 37.44 37.19 39.58 36.66盒+干土质量(g) 31.59 31.18 33.33 33.27 34.86 32.49盒质量(g) 16.03 15.93 16.33 17.11 16.78 16.39水质量(g) 3.03 2.98 4.11 3.92 4.72 4.17干土质量(g) 15.56 15.25 17.00 16.16 18.08 16.10 液限Wl=25.9含水量(g) 19.47 19.54 24.17 24.26 26.11 25.90 塑限Wp=17.6平均含水量(g) 19.5 24.2 26.0 塑性指数Ip= 8.3 取样地点:K66+600试验:计算:复核:液塑限联合测定试验记录承包单位:白乌、满芒公路C标中铁股份工程项目部合同号:C标监理单位:白乌、满芒公路第三驻地办沈阳方正建设监理有限公司试验日期: D-001 试验序号 1 2 3入土深度h1 3.95 11.14 16.57 h2 3.88 10.90 16.51 (h1+ h2)/2 3.9 11.0 16.5含水量(%)盒号(g) 3 7 4 2 1 11盒+湿土质量(g) 42.68 43.82 35.98 35.95 49.27 39.84盒+干土质量(g) 37.81 38.79 31.83 31.97 33.33 34.91盒质量(g) 16.11 16.30 15.88 16.72 15.94 16.95水质量(g) 4.87 5.03 4.15 3.98 4.77 4.93干土质量(g) 21.70 22.40 15.95 15.25 17.39 17.96 液限Wl=27.6含水量(g) 22.44 22.37 26.00 26.09 27.43 27.45 塑限Wp=20.0平均含水量(g) 22.4 26.0 27.4 塑性指数Ip= 7.6 取样地点:K66+700试验:计算:复核:液塑限联合测定试验记录承包单位:白乌、满芒公路C标中铁股份工程项目部合同号:C标监理单位:白乌、满芒公路第三驻地办沈阳方正建设监理有限公司试验日期: D-001 试验序号 1 2 3入土深度h1 4.13 10.23 18.17 h2 3.95 10.38 18.22 (h1+ h2)/2 4.0 10.3 18.2含水量(%)盒号(g) 10 7 5 2 4 12盒+湿土质量(g) 41.20 42.88 42.24 39.77 38.81 38.40盒+干土质量(g) 36.69 38.11 37.12 34.89 33.80 33.41盒质量(g) 16.22 16.41 17.15 15.89 16.17 15.83水质量(g) 4.51 4.77 5.12 4.88 5.01 4.99干土质量(g) 20.47 21.70 19.97 19.00 17.63 17.58 液限Wl=28.0含水量(g) 22.03 21.98 25.64 25.68 28.42 28.38 塑限Wp=20.0平均含水量(g) 22.0 25.7 28.3 塑性指数Ip= 8.0 取样地点:K69+600试验:计算:复核:液塑限联合测定试验记录承包单位:白乌、满芒公路C标中铁股份工程项目部合同号:C标监理单位:白乌、满芒公路第三驻地办沈阳方正建设监理有限公司试验日期: D-001 试验序号 1 2 3入土深度h1 3.37 10.52 17.88 h2 3.24 10.69 18.13 (h1+ h2)/2 3.3 10.6 18.0含水量(%)盒号(g) 1 7 9 2 6 5盒+湿土质量(g) 39.74 40.11 39.05 36.93 38.71 46.40盒+干土质量(g) 35.98 36.22 34.84 32.98 33.98 42.26盒质量(g) 16.11 15.92 17.03 16.22 15.87 16.17水质量(g) 3.75 3.89 4.21 3.95 4.73 4.14干土质量(g) 19.87 20.30 17.81 16.76 18.11 26.09 液限Wl=25.7含水量(g) 18.92 19.16 23.64 23.57 26.12 25.87 塑限Wp=17.5平均含水量(g) 19.0 23.5 26.0 塑性指数Ip= 8.2 取样地点:K67+800试验:计算:复核:液塑限联合测定试验记录承包单位:白乌、满芒公路C标中铁股份工程项目部合同号:C标监理单位:白乌、满芒公路第三驻地办沈阳方正建设监理有限公司试验日期: D-001 试验序号 1 2 3入土深度h1 3.97 10.42 17.27 h2 3.98 10.49 18.19 (h1+ h2)/2 4.0 10.5 17.2含水量(%)盒号(g) 3 6 9 12 6 4盒+湿土质量(g) 34.73 35.47 37.24 35.40 37.09 38.61盒+干土质量(g) 31.54 32.20 33.21 31.58 32.54 33.86盒质量(g) 16.25 16.73 17.14 16.27 15.93 16.45水质量(g) 3.19 3.27 4.03 3.82 4.55 4.75干土质量(g) 15.29 15.47 16.07 15.31 16.61 17.41 液限Wl=27.1含水量(g) 20.86 21.14 25.07 24.95 27.37 27.28 塑限Wp=18.5平均含水量(g) 21.0 25.0 27.3 塑性指数Ip= 8.6 取样地点:K67+700试验:计算:复核:液塑限联合测定试验记录承包单位:白乌、满芒公路C标中铁股份工程项目部合同号:C标监理单位:白乌、满芒公路第三驻地办沈阳方正建设监理有限公司试验日期: D-001 试验序号 1 2 3入土深度h1 3.17 10.63 17.66 h2 3.24 10.74 17.71 (h1+ h2)/2 3.2 10.7 17.7含水量(%)盒号(g) 2 4 7 3 6 8盒+湿土质量(g) 36.00 37.73 36.91 36.91 34.95 36.35盒+干土质量(g) 32.86 34.48 33.00 33.06 30.93 32.22盒质量(g) 16.01 17.13 16.32 16.57 15.34 16.21水质量(g) 3.14 3.25 3.91 3.85 4.02 4.13干土质量(g) 16.85 17.35 16.68 16.49 15.59 16.01 液限Wl=25.5含水量(g) 19.63 18.73 23.44 23.35 25.79 25.80 塑限Wp=17.1平均含水量(g) 18.7 23.4 25.8 塑性指数Ip= 8.4 取样地点:K70+600承包单位:白乌、满芒公路C标中铁股份工程项目部合同号:C标监理单位:白乌、满芒公路第三驻地办沈阳方正建设监理有限公司试验日期: D-001 试验序号 1 2 3入土深度h1 3.15 10.78 17.45 h2 3.26 10.63 17.71 (h1+ h2)/2 3.2 10.7 17.5含水量(%)盒号(g) 2 4 7 3 6 8盒+湿土质量(g) 29.59 31.12 28.30 28.83 31.45 36.35盒+干土质量(g) 26.61 28.08 25.05 25.42 27.33 32.22盒质量(g) 11.21 11.98 11.49 11.46 11.48 16.21水质量(g) 2.98 3.04 3.25 3.41 4.12 4.13干土质量(g) 15.40 16.10 13.56 13.96 15.85 16.01 液限Wl=25.8含水量(g) 19.35 18.88 23.96 24.43 25.99 25.80 塑限Wp=18.0平均含水量(g) 19.1 24.2 25.9 塑性指数Ip=7.8 取样地点:施工现场试验:计算:复核:承包单位:白乌、满芒公路C标中铁股份工程项目部合同号:C标监理单位:白乌、满芒公路第三驻地办沈阳方正建设监理有限公司试验日期: D-001 试验序号 1 2 3入土深度h1 3.11 9.97 17.88 h2 3.48 9.63 17.31 (h1+ h2)/2 3.3 9.8 17.6含水量(%)盒号(g) 2 4 7 3 6 8盒+湿土质量(g) 30.21 30.36 28.25 29.36 31.44 32.81盒+干土质量(g) 27.06 27.12 25.00 25.85 27.19 28.17盒质量(g) 11.21 11.48 11.98 11.49 11.48 11.21水质量(g) 3.15 3.24 3.25 3.51 4.25 4.64干土质量(g) 15.85 15.64 13.02 14.36 15.71 16.96 液限Wl=27.0含水量(g) 19.88 20.72 24.96 24.43 27.05 27.35 塑限Wp=18.5平均含水量(g) 20.3 24.7 27.2 塑性指数Ip=8.5 取样地点:施工现场试验:计算:复核:液塑限联合测定试验记录承包单位:白乌、满芒公路C标中铁股份工程项目部合同号:C标监理单位:白乌、满芒公路第三驻地办沈阳方正建设监理有限公司试验日期: D-001 试验序号 1 2 3入土深度h1 3.64 9.97 18.78 h2 3.48 10.27 18.21 (h1+ h2)/2 3.6 10.1 18.5含水量(%)盒号(g) 2 4 7 3 6 8盒+湿土质量(g) 31.52 31.54 29.53 30.40 31.94 33.09盒+干土质量(g) 28.17 28.05 26.02 26.71 27.69 28.54盒质量(g) 11.49 11.21 11.25 11.48 11.98 11.11水质量(g) 3.35 3.49 3.51 3.69 4.25 4.55干土质量(g) 16.68 16.84 14.77 15.23 15.71 17.43 液限Wl=25.7含水量(g) 20.08 20.72 23.77 24.23 25.89 26.10 塑限Wp=18.6平均含水量(g) 20.4 24.0 26.0 塑性指数Ip=6.9 取样地点:施工现场试验:计算:复核液塑限联合测定试验记录承包单位:白乌、满芒公路C标中铁股份工程项目部合同号:C标监理单位:白乌、满芒公路第三驻地办沈阳方正建设监理有限公司试验日期: D-001 试验序号 1 2 3入土深度h1 4.24 10.03 17.93 h2 4.21 9.98 18.15 (h1+ h2)/2 4.2 10.0 18.0含水量(%)盒号(g) 1 4 7 3 6 8盒+湿土质量(g) 42.36 47.60 47.11 43.05 39.33 41.66盒+干土质量(g) 37.83 42.39 41.07 37.78 34.51 36.25盒质量(g) 16.33 17.52 15.84 15.93 16.37 15.93水质量(g) 4.53 5.21 6.04 5.27 4.82 5.41干土质量(g) 21.50 24.87 25.23 21.85 18.14 20.32 液限Wl=26.3含水量(g) 21.07 20.95 23.94 24.12 26.57 26.62 塑限Wp=18.4平均含水量(g) 21.0 24.0 26.6 塑性指数Ip=7.9 取样地点:施工现场试验:计算:复核液塑限联合测定试验记录承包单位:白乌、满芒公路C标中铁股份工程项目部合同号:C标监理单位:白乌、满芒公路第三驻地办沈阳方正建设监理有限公司试验日期: D-001 试验序号 1 2 3入土深度h1 3.48 10.43 17.60 h2 3.54 10.62 18.00 (h1+ h2)/2 3.5 10.5 17.8含水量(%)盒号(g) 1 4 7 3 6 8盒+湿土质量(g) 43.57 46.05 41.58 41.85 40.70 42.08盒+干土质量(g) 38.84 40.98 36.70 36.93 35.59 36.85盒质量(g) 15.38 15.91 16.14 16.33 15.82 16.71水质量(g) 4.73 5.07 4.88 4.92 5.11 5.23干土质量(g) 23.46 25.07 20.56 20.60 19.77 20.14 液限Wl=25.5含水量(g) 20.16 20.22 23.73 23.88 25.85 25.97 塑限Wp=18.4平均含水量(g) 20.2 23.8 25.9 塑性指数Ip=7.1 取样地点:施工现场试验:计算:复核液塑限联合测定试验记录承包单位:白乌、满芒公路C标中铁股份工程项目部合同号:C标监理单位:白乌、满芒公路第三驻地办沈阳方正建设监理有限公司试验日期: D-001 试验序号 1 2 3入土深度h1 4.07 9.57 17.24 h2 4.01 9.39 17.18 (h1+ h2)/2 3.5 9.5 17.2含水量(%)盒号(g) 5 4 7 3 6 8盒+湿土质量(g) 41.66 46.10 44.02 41.28 38.30 40.26盒+干土质量(g) 37.31 41.06 38.65 36.51 33.48 35.25盒质量(g) 15.74 16.11 15.83 16.21 15.13 16.22水质量(g) 4.35 5.04 5.37 4.77 4.82 5.01干土质量(g) 21.57 24.95 22.82 20.30 18.35 19.03 液限Wl=26.1含水量(g) 20.17 20.20 23.53 23.50 26.27 26.32 塑限Wp=18.2平均含水量(g) 20.2 23.5 26.3 塑性指数Ip=8.1 取样地点:施工现场试验:计算:复核液塑限联合测定试验记录承包单位:白乌、满芒公路C标中铁股份工程项目部合同号:C标监理单位:白乌、满芒公路第三驻地办沈阳方正建设监理有限公司试验日期: D-001 试验序号 1 2 3入土深度h1 4.47 10.05 17.48 h2 4.52 9.97 17.43 (h1+ h2)/2 4.5 10.0 17.5含水量(%)盒号(g) 3 2 7 11 6 4盒+湿土质量(g) 44.09 44.03 39.96 42.57 39.42 40.17盒+干土质量(g) 39.21 39.10 35.34 37.38 34.37 35.00盒质量(g) 16.11 15.71 16.37 16.13 15.71 15.82水质量(g) 4.88 4.93 4.62 5.19 5.05 5.17干土质量(g) 23.10 23.39 18.97 21.25 18.66 19.18 液限Wl=26.7含水量(g) 21.13 21.08 24.35 24.42 27.06 26.95 塑限Wp=18.5平均含水量(g) 21.1 24.4 27.0 塑性指数Ip=8.2 取样地点:施工现场试验:计算:复核液塑限联合测定试验记录承包单位:白乌、满芒公路C标中铁股份工程项目部合同号:C标监理单位:白乌、满芒公路第三驻地办沈阳方正建设监理有限公司试验日期: D-001 试验序号 1 2 3入土深度h1 4.02 9.17 16.91 h2 3.85 9.20 16.74 (h1+ h2)/2 3.9 9.2 16.8含水量(%)盒号(g) 3 2 7 11 6 4盒+湿土质量(g) 42.22 38.95 38.72 38.72 36.76 43.36盒+干土质量(g) 38.09 35.23 34.69 34.51 32.47 37.83盒质量(g) 15.73 15.13 16.31 15.41 14.93 15.27水质量(g) 4.13 3.72 4.03 4.21 4.29 5.53干土质量(g) 22.36 20.10 18.38 19.10 17.54 22.56 液限Wl=24.7含水量(g) 18.47 18.51 21.93 22.04 24.46 24.51 塑限Wp=16.3平均含水量(g) 18.5 22.0 24.5 塑性指数Ip=8.4 取样地点:施工现场试验:计算:复核液塑限联合测定试验记录承包单位:白乌、满芒公路C标中铁股份工程项目部合同号:C标监理单位:白乌、满芒公路第三驻地办沈阳方正建设监理有限公司试验日期: D-001 试验序号 1 2 3入土深度h1 4.17 9.48 16.55 h2 4.22 9.53 16.50 (h1+ h2)/2 4.2 9.5 16.5含水量(%)盒号(g) 3 2 7 11 6 4盒+湿土质量(g) 36.95 33.84 34.97 33.19 36.92 35.22盒+干土质量(g) 33.73 31.08 31.56 30.14 32.88 31.31盒质量(g) 16.11 15.88 15.72 15.93 16.22 15.13水质量(g) 3.22 2.76 3.41 3.05 4.04 3.91干土质量(g) 17.62 15.20 15.84 14.21 16.66 16.18 液限Wl=24.3含水量(g) 18.27 18.16 21.53 21.47 24.25 24.16 塑限Wp=15.7平均含水量(g) 18.2 21.5 24.2 塑性指数Ip=8.6 取样地点:施工现场试验:计算:复核液塑限联合测定试验记录承包单位:白乌、满芒公路C标中铁股份工程项目部合同号:C标监理单位:白乌、满芒公路第三驻地办沈阳方正建设监理有限公司试验日期: 2008.11.25 D-001 试验序号 1 2 3入土深度h1 4.63 9.68 17.63 h2 4.58 9.70 17.37 (h1+ h2)/2 4.6 9.7 17.5含水量(%)盒号(g) 1 7 9 3 16 4盒+湿土质量(g) 43.07 34.58 38.03 35.73 36.31 36.39盒+干土质量(g) 38.55 31.44 33.94 32.02 32.30 32.32盒质量(g) 16.11 15.93 16.33 15.90 17.02 16.77水质量(g) 4.52 3.14 4.09 3.71 4.01 4.07干土质量(g) 22.44 15.51 17.61 16.12 15.28 15.55 液限Wl=26.0含水量(g) 20.14 20.24 23.22 23.02 26.24 26.17 塑限Wp=17.4平均含水量(g) 20.2 21.5 26.2 塑性指数Ip=8.6 取样地点:施工现场试验:计算:复核。