室内消火栓系统安装工程检验批
- 格式:doc
- 大小:98.50 KB
- 文档页数:15
A—4之阳早格格创做
室内消火栓系统拆置报验申请表
工程称呼:门源县国税局员工周转房工程编号:
由启包单位挖写,经监理审批后,修造单位、启包单位、监理单位各存档.
室内消火栓系统拆置工程考验批品量查支记录表
A—4
室内消火栓系统拆置报验申请表
工程称呼:门源县国税局员工周转房工程编号:
由启包单位挖写,经监理审批后,修造单位、启包单位、监理单位各存档.
室内消火栓系统拆置工程考验批品量查支记录表
A—4
室内消火栓系统拆置报验申请表
工程称呼:门源县国税局员工周转房工程编号:
由启包单位挖写,经监理审批后,修造单位、启包单位、监理单位各存档.
室内消火栓系统拆置工程考验批品量查支记录表
GB50242-2002
A—4
室内消火栓系统拆置报验申请表
工程称呼:门源县国税局员工周转房工程编号:
由启包单位挖写,经监理审批后,修造单位、启包单位、监理单位各存
档.
室内消火栓系统拆置工程考验批品量查支记录表。
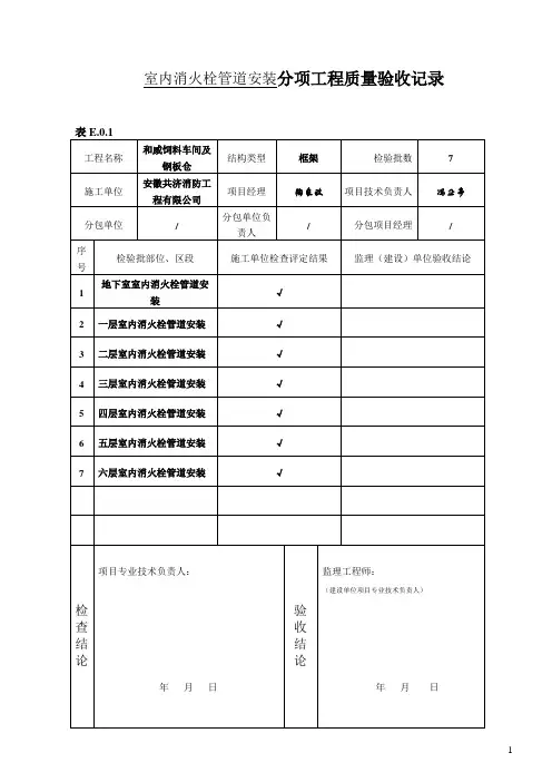
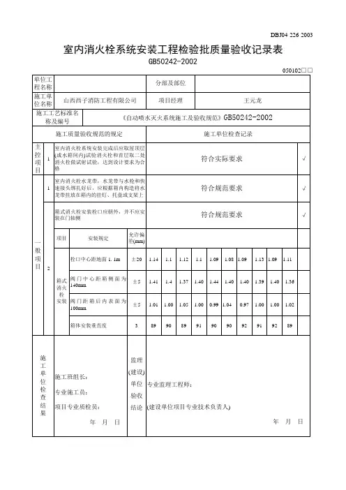
表C117室内消火栓系统安装工程检验批质量验收记录表GB50242-2002编号:05-01-C117-1工程名称......和平小区01号分项工程名称室内消火栓系统安装验收部位总承包单位......建筑公司项目经理---专业工长专业承包单位项目经理施工班长施工执行标准名称及编号施工质量验收规范规定施工单位检查评定记录监理(建设)单位验收记录主控项目1室内消火栓试射试验设计要求一般项目1室内消火栓水龙带在箱内安放第4.3.2条2栓口朝外,并不应安装在门轴侧栓口中心距地面1.1m允许偏差±20mm 阀门中心距箱侧面允许偏差140mm距箱后内表面100mm允许偏差±5消火栓箱体安装的垂直度允许偏差3施工单位检查评定结果:质量检查员:年月日监理或建设单位验收结论:监理工程师或建设单位项目专业技术负责人:年月日室内消火栓系统安装工程检验批质量验收记录表一、说明:此表作为《室内消火栓系统安装工程检验批报验申请表》的附件,由施工单位自检合格后填写,报项目监理机构申请验收。
二、规范要点:第4.3.1条:室内消火栓系统安装完成后应取屋顶层(或水箱间内)试验消火栓,首层取二处消火栓做试射试验,达到设计要求为合格。
第4.3.2条:安装消火栓水龙带,水龙带与水枪和快速接头绑扎好后应根据箱内构造将水龙带挂放在箱内的挂钉、托盘或支架上。
第4.3.3条:箱式消火栓安装栓口应朝外,不可安装在门轴侧。
三、监督与检查:1、现场巡视要点:(1)检查所用工程材料等是否符合设计要求。
(2)对消防栓安装试射要进行旁站,并填写旁站记录。
2、对不符合设计要求的项目,通知施工单位整改,直至监理复验合格。
四、质量验收:1、检验方法:检查产品质量合格证和消防栓安装试射记录。
2、验收合格标准:(1)质量控制资料齐全。
(2)主控项目全部合格,一般项目满足规范要求。
402。
室内消火栓系统安装工程检验批质量验收记录
强制性条文
3.3.3地下室或地下构筑物外墙有管道穿过的,应采取防水措施。
对有严格防水要求的建筑物,必须采用柔性防水套管;
3.3.16各种承压管道系统和设备应做水压试验,非承压管道系统和
设备应做灌水试验。
4.1.2给水管道必须采用与管材相适应的管件。
生活给水系统所涉
及的材料必须达到饮用水卫生标准。
4.1.3
主控项目
4.3.1室内消火栓系统安装完成后应取屋顶层(或水箱间内)试验消
火栓和首层取二处消火栓做试射试验,达到设计要求为合格。
检验方法:实地试射检查。
一般项目
4.3.2安装消火栓水龙带与水枪和快速接头绑扎好后,应根据箱内构
造将水龙带挂放在箱内的挂钉、托盘或支架上。
检验方法:观察检查。
4.3.3箱式消火栓的安装应符合下列规定:
1、栓口应朝外,并不应安装在门轴侧。
2、栓口中心距地面为1.1m,允许偏差+20 m m。
3、阀门中心距箱侧面为140m m,允许偏差+100 m m,允许偏差
+5 m m.。
4、消火栓箱体安装的垂直度允许偏差为3 m m.
检验方法:观察和尺量检查。
室内消火栓系统安装工程检验批质量验收记录室内消火栓系统安装工程检验批质量验收记录室内消火栓系统安装工程检验批质量验收记录室内消火栓系统安装工程检验批质量验收记录室内消火栓系统安装工程检验批质量验收记录室内消火栓系统安装工程检验批质量验收记录室内消火栓系统安装工程检验批质量验收记录室内消火栓系统安装工程检验批质量验收记录室内消火栓系统安装工程检验批质量验收记录K2MG-E《专业技术人员绩效管理与业务能力提升》练习与答案室内消火栓系统安装工程检验批质量验收记录室内消火栓系统安装工程检验批质量验收记录室内消火栓系统安装工程检验批质量验收记录室内消火栓系统安装工程检验批质量验收记录室内消火栓系统安装工程检验批质量验收记录室内消火栓系统安装工程检验批质量验收记录室内消火栓系统安装工程检验批质量验收记录室内消火栓系统安装工程检验批质量验收记录K2MG-E《专业技术人员绩效管理与业务能力提升》练习与答案室内消火栓系统安装工程检验批质量验收记录室内消火栓系统安装工程检验批质量验收记录室内消火栓系统安装工程检验批质量验收记录室内消火栓系统安装工程检验批质量验收记录室内消火栓系统安装工程检验批质量验收记录室内消火栓系统安装工程检验批质量验收记录室内消火栓系统安装工程检验批质量验收记录室内消火栓系统安装工程检验批质量验收记录(GB50242-2002)表4.3 编号:050102009室内消火栓系统安装工程检验批质量验收记录室内消火栓系统安装工程检验批质量验收记录室内消火栓系统安装工程检验批质量验收记录室内消火栓系统安装工程检验批质量验收记录室内消火栓系统安装工程检验批质量验收记录室内消火栓系统安装工程检验批质量验收记录室内消火栓系统安装工程检验批质量验收记录室内消火栓系统安装工程检验批质量验收记录K2MG-E《专业技术人员绩效管理与业务能力提升》练习与答案室内消火栓系统安装工程检验批质量验收记录室内消火栓系统安装工程检验批质量验收记录室内消火栓系统安装工程检验批质量验收记录室内消火栓系统安装工程检验批质量验收记录室内消火栓系统安装工程检验批质量验收记录室内消火栓系统安装工程检验批质量验收记录室内消火栓系统安装工程检验批质量验收记录室内消火栓系统安装工程检验批质量验收记录K2MG-E《专业技术人员绩效管理与业务能力提升》练习与答案室内消火栓系统安装工程检验批质量验收记录室内消火栓系统安装工程检验批质量验收记录室内消火栓系统安装工程检验批质量验收记录世上没有一件工作不辛苦,没有一处人事不复杂。
050102主控项目1设计要求1第4.3.2条第4.3.3条±20mm
3mm
室内消火栓系统安装工程检验批质量验收记录表
GB50242-2002
单位(子单位)工程名称
绝缘漆仓库分部(子分部)工程名称
建筑给排水验收部位绝缘漆仓库消火栓系统分包单位
分 包项目经理施工单位
安徽大海消防工程有限责任公司马鞍山分公司项目经理史海宏室内消火栓试射试验室内消火栓水龙带在箱内
安放
施工执行标准名称及编号
施工质量验收规范的规定
施工单位检查评定记录监理(建设)单位验收记录
栓口朝外,并不应安装在
门轴侧
栓口中心距地面1.1m 允许
偏差消火栓箱体安装的垂直度
允许偏差专业监理工程师:
主控项目、一般项目全部合格,符合设计及施工规范规定要求。
项目专业质量检查员: 年 月 日
专业工长(施工员)施工班组长
监理(建设)单位
验 收 结 论
施 工 单 位
检查评定结果
阀门中心距箱侧140mm ,距箱后内表面100mm ,允许偏差(建设单位项目专业技术负责人): 年 月 日一般项目2
±5mm。
.
A—4
室内消火栓系统安装报验申请表工程名称:门源县国税局职工周转房工程编号:
由承包单位填写,经监理审批后,建设单位、承包单位、监理单位各存档。
室内消火栓系统安装工程检验批质量验收记录表
GB50242-2002
A—4
室内消火栓系统安装报验申请表工程名称:门源县国税局职工周转房工程编号:
由承包单位填写,经监理审批后,建设单位、承包单位、监理单位各存档。
室内消火栓系统安装工程检验批质量验收记录表
GB50242-2002
A—4
室内消火栓系统安装报验申请表工程名称:门源县国税局职工周转房工程编号:
由承包单位填写,经监理审批后,建设单位、承包单位、监理单位各存档。
室内消火栓系统安装工程检验批质量验收记录表
GB50242-2002
A—4
室内消火栓系统安装报验申请表
工程名称:门源县国税局职工周转房工程编号:
由承包单位填写,经监理审批后,建设单位、承包单位、监理单位各存档。
室内消火栓系统安装工程检验批质量验收记录表
GB50242-2002
050102
感谢您的支持与配合,我们会努力把内容做得更好!。