五星酒店热水方案参考
- 格式:docx
- 大小:29.16 KB
- 文档页数:16
酒店热水设计方案一、需求分析首先,需要对酒店的规模、客房数量、入住率、用水高峰时段等进行详细的调研和分析。
例如,一家拥有 200 间客房的酒店,平均每间客房入住 15 人,每人每天的热水使用量约为 80 100 升,那么酒店每天的热水需求量大约在 24000 30000 升。
同时,要考虑酒店的功能区域,如餐厅、健身房、游泳池、洗衣房等对热水的特殊需求。
比如餐厅厨房可能需要大量高温热水用于清洗餐具,游泳池需要恒温热水保持水温舒适。
二、热源选择常见的热源有太阳能、燃气锅炉、电锅炉、空气能热泵等。
太阳能热水器节能环保,但受天气影响较大,需要配备辅助热源以保证稳定供应。
燃气锅炉加热速度快,成本相对较低,但存在一定的安全隐患和环境污染。
电锅炉使用方便,但运行成本较高。
空气能热泵高效节能,但初始投资较大。
综合考虑,对于较大规模的酒店,可以采用空气能热泵与燃气锅炉相结合的方式。
在天气良好时,主要依靠空气能热泵提供热水;在天气不佳或用水高峰时,启动燃气锅炉作为补充。
三、储水设备根据酒店的热水需求量,选择合适容量的储水箱。
一般来说,储水箱的容量应能满足酒店在用水低谷时段制备的热水,能够供应高峰时段的使用。
储水箱的材质也很重要,常见的有不锈钢和搪瓷两种。
不锈钢水箱耐腐蚀、强度高,但价格相对较高;搪瓷水箱成本较低,但需要注意搪瓷层的质量,以防破损导致生锈。
四、热水循环系统为了保证客人打开水龙头就能迅速获得热水,减少水资源浪费,需要设计合理的热水循环系统。
可以采用定时循环或温度控制循环的方式。
定时循环即在特定时间段内启动循环泵,使热水在管道中循环;温度控制循环则是当管道中的水温低于设定值时,自动启动循环泵。
同时,要合理规划管道布局,减少管道长度和弯头,降低热量损失和水流阻力。
五、控制系统一个智能化的控制系统能够实现热水系统的自动化运行,提高效率和稳定性。
控制系统应能够监测水温、水位、压力等参数,根据实际情况自动控制热源设备和循环泵的运行。
酒店热水解决方案酒店热水是酒店运营中一个至关重要的环节,直接关系到客户的入住体验和满意度。
为了提供稳定、高效、安全的热水供应,酒店需要制定一套科学合理的热水解决方案。
本文将详细介绍酒店热水解决方案的标准格式,并提供一些参考数据和建议。
一、热水需求分析在制定热水解决方案之前,首先需要对酒店的热水需求进行分析。
这包括以下几个方面的考虑:1.1 酒店规模和房间数量根据酒店的规模和房间数量,确定热水供应的总量和分配方式。
普通来说,酒店房间数量越多,热水需求量也就越大。
1.2 客房类型和设施不同类型的客房对热水的需求也不同。
例如,高级套房可能需要更大容量的热水供应,而普通客房则相对较少。
此外,酒店还需考虑是否提供浴缸、按摩浴缸等附加设施,这些设施也会对热水需求产生影响。
1.3 餐饮服务和会议活动酒店的餐饮服务和会议活动通常也需要大量的热水供应,包括洗碗、清洁、冲茶等方面。
因此,这些需求也需要考虑在内。
二、热水供应系统设计根据热水需求分析的结果,酒店可以开始设计热水供应系统。
以下是一些常见的设计要点:2.1 热水供应方式常见的热水供应方式包括集中供暖、分散供暖和太阳能热水供应等。
根据酒店的实际情况和预算,选择适合的供应方式。
2.2 热水设备选择根据热水需求量和供应方式,选择合适的热水设备,例如燃气热水锅炉、电热水器、太阳能热水器等。
需要考虑设备的容量、效率、安全性等因素。
2.3 管道布局和维护设计热水供应系统时,需要合理规划热水管道的布局,确保热水能够顺畅流动到各个使用点。
此外,还需要考虑管道的维护和保养,以确保系统的长期稳定运行。
2.4 热水储存和循环如果酒店的热水需求量较大,可以考虑设置热水储存和循环系统,以提高热水供应的效率和稳定性。
这可以通过安装热水储存罐和循环泵等设备来实现。
三、热水安全和节能措施除了满足热水需求,酒店还应关注热水安全和节能方面的考虑。
以下是一些常见的安全和节能措施:3.1 安全阀和温控装置在热水供应系统中,应安装安全阀和温控装置,以确保热水供应的安全性。
酒店热水设计方案一、设计依据1、《建筑给水排水设计规范》GB 50015-20032、气象参数(1)冬季空调计算干球温度: 3.5 ℃(2)极端最低温度: -4.2 ℃(3)每年日平均温度≤ 8℃天的天数: 29 天二、热水用水量序号用水点概况合计用水量( L)用水房间用水指标1会议 150 人3L/ 人450 2不加浴缸客房 105 间120L/ 人25200 3加浴缸客房 19 间500L/ 间9500 4足疗间 42 床位100L/ 床位4200 5SPA间 2 间1000L/ 间2000 6餐饮 +厨房( 200 人)20L/ 人4000共计最大日用水量: 45.35T/ 天( 60℃)49.5T/ 天( 55℃)三、热泵设计1、冷水水温计算温度: 5℃2、每天最大需求制热量:49.5T x 1000 x 50 / 860 = 2878kw3、每天加热时间按12 小时计算,每小时所需热量:2878 / 12 =240kw4、10HP热泵配置数量: 240kw / 41kw = 5.85 台(配置 6 台,单台制热量41kw)不同环境温度热泵运行概况环境温度(℃)热泵制热量( kw)每天最大运行时间( h)154111.77301602221.85、电辅加热按热泵制热量40%配置, 240kw x 0.4 =96kw ,配 100KW电加热。
四、保温水箱容量设计1、最大日用水量: 49.5T (55℃)2、高峰用水时间: 4 小时3、高峰时期总用水量: 4 x k x 49.5 / 24 = 46T(55℃)(k=5.61)4、水箱容量 = 高峰时期总用水量–高峰时期热泵产水量=39T (水箱 40T)五、热泵热水系统设计1、采用高温制热循环式热泵热水系统(1)直热补水:补进水箱的水温恒定,水箱水温变化相对较小(2)循环恒温:水箱水温降低时,循环加热六、热水供水系统设计1、系统分区楼层自然水压( m)加压扬程(m)备注1181011.5914.915屋顶变频泵818.4721.9625.4528.9自然压力432.4(2.5~3.5 公斤之间)屋顶回水泵335.9240.1均是洗手面盆145.7不设减压2、供水方式(1)7~11 层自然压力不足,设置一套变频供水系统,变频供水泵组设置在屋顶。
酒店热水工程方案1. 引言本文档旨在为酒店热水工程提供一种解决方案。
热水在酒店的日常运营中起着重要的作用,涉及到客房的洗浴、餐饮的加热等多个方面。
因此,一个高效可靠的热水系统对于酒店的正常运营至关重要。
2. 工程概述根据酒店规模和使用需求,我们设计了以下热水工程方案:•酒店总用水量预估:XXXm³/天•酒店总客房数目:XXX间•酒店餐饮设施:XXX个基于以上数据,我们提出了以下的热水工程方案。
3. 热水供应系统设计3.1 主供热水系统酒店主供热水系统需要稳定可靠,并能满足酒店各个区域的需求。
我们建议采用以下设备和方案:•热水主供系统采用集中供热的方式,通过集中供热设备(如热水锅炉)加热水并分配到各个供热终端。
•锅炉的选择应根据酒店的具体需求,并确保能够满足最基本的热水供应。
•锅炉应设置合适的温度和压力保护装置,以确保系统的安全运行。
•推荐使用高效节能的热水循环系统,减少能源消耗和热水的浪费。
3.2 热水管道设计热水管道连接主供热水系统和各个供热终端,需要满足以下要求:•根据各个供热终端的用水量估算管道尺寸和流量。
•使用防腐蚀、耐高温的材料,如不锈钢。
•确保管道的保温性能,减少能量损失。
•根据酒店楼层结构和布局,设计合理的管道走向和分支,确保热水能够顺畅供应到各个终端。
3.3 热水终端设计根据酒店的使用需求,我们需要在各个区域安装合适的热水终端设备,如洗手盆、浴缸、淋浴、餐饮设备等。
以下是一些建议:•使用节能的热水器设备,以减少能源消耗。
•根据实际需求合理安排热水器的容量和数量。
•确保热水终端设备的正常运行,定期维护和检查。
4. 安全保护措施为了保障酒店热水工程的安全运行,我们建议采取以下安全措施:•安装火灾、漏电等安全监测和报警系统。
•定期检查和维护锅炉和热水系统设备。
•建立应急预案和应对措施,以应对突发情况。
•培训酒店员工,提高他们对热水工程设备的操作和维护意识。
5. 结论本文档提供了一种针对酒店热水工程的解决方案,包括主供热水系统设计、热水管道设计、热水终端设计以及安全保护措施。
酒店热水解决方案在酒店运营中,提供稳定可靠的热水供应是非常重要的。
为了满足客人的需求并提供舒适的住宿体验,酒店需要制定一套完善的热水解决方案。
本文将详细介绍酒店热水解决方案的标准格式,包括热水设备的选择、安装和维护等方面。
1. 酒店热水需求分析首先,酒店需要进行热水需求分析,以确定所需的热水供应量。
这可以通过考虑酒店的客房数量、餐厅、会议室、健身房、游泳池等设施的热水使用量来确定。
根据这些数据,可以计算出每天所需的热水总量和最大热水峰值。
2. 热水设备选择根据热水需求分析的结果,酒店可以选择适合的热水设备。
常见的热水设备包括热水锅炉、热水储存罐和热水循环系统。
热水锅炉是热水供应的核心设备,可以根据需求选择适当的型号和容量。
热水储存罐可以储存大量热水,以满足热水峰值需求。
热水循环系统可以减少客房等远离热水源的地方的等待时间,提高客户满意度。
3. 热水设备安装热水设备的安装需要专业的技术人员进行操作。
首先,需要选择合适的安装位置,确保设备的稳定和安全。
然后,按照设备的安装要求进行管道连接和电气接线。
在安装过程中,需要确保设备的正常运行和安全性能。
安装完成后,还需要进行设备的调试和测试,以确保热水供应的稳定和可靠。
4. 热水设备维护为了确保热水设备的长期稳定运行,酒店需要制定相应的维护计划。
维护计划包括定期检查、清洁和保养设备,以及及时修复设备故障。
定期检查可以发现潜在的问题并进行预防性维护。
清洁和保养可以延长设备的使用寿命并提高效率。
对于设备故障,酒店需要建立紧急维修机制,以确保故障能够及时修复,避免对客人的影响。
5. 热水节能措施为了降低能源消耗和减少运营成本,酒店可以采取一些热水节能措施。
例如,安装节能型的热水设备,提高设备的热效率;优化热水管道的设计,减少热量损失;使用智能控制系统,根据需求调整热水供应;推广客房节水设备,减少热水使用量等。
这些措施可以有效地降低热水能源消耗,减少对环境的影响。
酒店热水解决方案引言概述:在酒店行业中,提供稳定可靠的热水供应是至关重要的。
无论是为客人提供舒适的浴室体验,还是为餐饮部门提供洗涤设备的热水,酒店都需要一个有效的热水解决方案。
本文将介绍五个部分的酒店热水解决方案,分别涵盖热水供应系统、热水储存设备、热水循环系统、热水节能技术以及热水安全措施。
一、热水供应系统:1.1 燃气热水锅炉:酒店可以选择安装燃气热水锅炉来满足热水需求。
这种锅炉通过燃烧燃气产生热能,将水加热到所需温度。
它具有快速加热、节能环保的特点,并且适用于大规模热水供应。
1.2 电热水器:对于小型酒店或者需要分散供热的场所,电热水器是一种常见的选择。
它可以根据需要加热水,并且具有安全可靠、体积小巧的优势。
1.3 太阳能热水系统:为了实现绿色环保的热水供应,酒店可以考虑安装太阳能热水系统。
这种系统利用太阳能将水加热到所需温度,既节能又环保。
二、热水储存设备:2.1 热水储罐:酒店需要一个容量适当的热水储罐来存储加热后的热水。
热水储罐可以根据需要选择不同的容量,并且应该具备良好的保温性能,以确保热水的温度不易下降。
2.2 热水循环泵:为了提供快速的热水供应,酒店可以安装热水循环泵。
这种泵可以将热水从储罐中循环到各个热水供应点,减少客人等待热水的时间。
2.3 智能热水储存系统:一些现代化的酒店采用智能热水储存系统来管理热水供应。
这种系统可以根据客人的需求和酒店的负荷情况智能地控制热水的供应,提高热水使用效率。
三、热水循环系统:3.1 管道绝缘:为了减少热水在输送过程中的能量损失,酒店应该对热水输送管道进行绝缘处理。
这样可以减少热量的散失,提高热水的传输效率。
3.2 定时循环:在酒店的热水循环系统中,可以设置定时循环以避免热水长时间停留在管道中而造成能量浪费。
通过合理设置定时循环,可以在客人需要热水时提供及时的供应。
3.3 智能循环控制:一些先进的酒店采用智能循环控制系统来管理热水循环。
这种系统可以根据客人的使用情况和酒店的负荷情况智能地控制热水的循环,提高热水使用效率。
酒店热水解决方案一、背景介绍酒店作为人们出行、旅游、商务活动的重要场所,提供舒适的住宿环境对于客户来说至关重要。
其中,热水供应是酒店住宿体验中不可或缺的一部分。
因此,为了满足客户对热水的需求,酒店需要提供可靠、高效的热水解决方案。
二、需求分析1. 稳定可靠:酒店热水供应系统需要具备稳定可靠的特性,确保客房、餐厅、洗浴中心等区域的热水供应不受影响。
2. 高效节能:酒店需要考虑热水供应系统的能源消耗,采用高效节能的技术,降低运营成本。
3. 安全环保:热水供应系统应符合相关的安全标准,确保供水水质符合卫生要求,同时减少对环境的污染。
三、解决方案1. 热水供应系统设计:a. 锅炉系统:酒店可以选择使用燃气锅炉、电锅炉或太阳能热水系统等作为热水供应的主要设备。
根据酒店规模和热水需求量,合理选择锅炉的规格和数量。
b. 热水循环系统:为了减少客房等需要热水的区域等待热水的时间,可以建立热水循环系统,通过管道循环供应热水,提高供水效率。
c. 智能控制系统:采用智能控制系统可以实现对热水供应的精确控制,根据客房入住情况和时间段等因素,合理调整热水供应的温度和流量,达到节能的目的。
2. 热水设备选型:a. 锅炉:选择具备高效节能特性的锅炉设备,如采用先进的燃烧技术、热能回收技术等,提高热能利用率,降低能源消耗。
b. 热水循环泵:选用高效的热水循环泵,确保热水能够迅速供应到各个区域,减少等待时间和能源浪费。
c. 管道材料:选择耐高温、耐压的管道材料,确保热水供应系统的安全可靠性。
3. 水质处理:a. 酒店热水供应系统需要进行水质处理,以确保供水水质符合卫生要求。
可以采用过滤、软化、杀菌等处理方式,保证客户用水的安全性。
b. 定期检测和维护:对热水供应系统进行定期的水质检测,及时清洗和维护设备,防止水质问题对客户健康造成影响。
四、效果评估1. 稳定供水:通过采用稳定可靠的热水供应系统,确保客房、餐厅、洗浴中心等区域的热水供应不受影响,提升客户满意度。
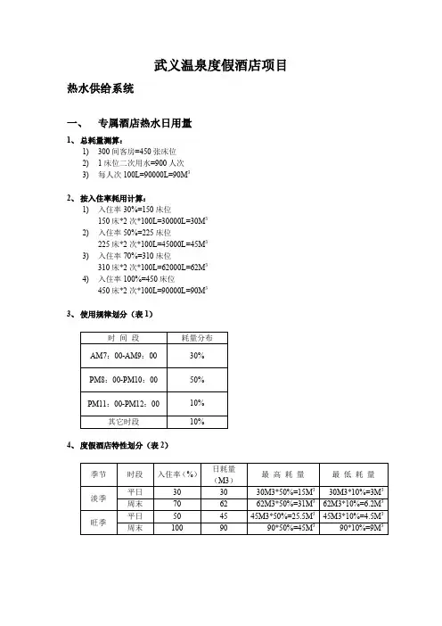
武义温泉度假酒店项目热水供给系统一、专属酒店热水日用量1、总耗量测算:1)300间客房=450张床位2)1床位二次用水=900人次3)每人次100L=90000L=90M32、按入住率耗用计算:1)入住率30%=150床位150床*2次*100L=30000L=30M32)入住率50%=225床位225床*2次*100L=45000L=45M33)入住率70%=310床位310床*2次*100L=62000L=62M34)入住率100%=450床位450床*2次*100L=90000L=90M33、使用规律划分(表1)4、度假酒店特性划分(表2)二、温泉公园淋浴日用量1、总耗量测算:1)日入园6000人次2)每人淋浴二次=12000次3)每次60L=720000L=720M32、入园率耗用计算:1)入园率10%=600人600人*2次*60L=72000L=72M32)入园率30%=1800人1800人*2次*60L=216000L=216M33)入园率50%=3000人3000人*2次*60L=360000L=360M34)入园率100%=6000人6000人*2次*60L=720000L=720M3 3、入园规律划分(表3)4、泡汤特性划分(表4)三、系统配置建议1、引入表2数据计算,酒店区域高峰时耗水量20M3/H。
2、引入表4数据计算,公园区域高峰时耗水量100M3/H。
3、恒压、恒温输送泵组:1)酒店16M3/H 2台2)公园32M3/H 3台16M3/H 1台3)扬程参考地形及管网走向选型4、加热设备:1)综合设备能效比及预测案场将来营运态势考量,建议采用4T燃煤蒸汽锅炉2台,换热采用汽水混合方式。
单台产水量53M3/H,水温提升48℃(12℃-60℃),满负荷产水量106/H 。
2)4T燃煤蒸汽锅炉主要参数:额定蒸发量4T/H 燃煤量769/KG 额定出口蒸汽压力1.25MPA 额定出口蒸汽温度194℃。
酒店热水设计方案一、设计依据1、《建筑给水排水设计规范》GB 50015-20032、气象参数(1)冬季空调计算干球温度:3.5℃(2)极端最低温度:-4.2℃(3)每年日平均温度≤8℃天的天数:29天二、热水用水量三、热泵设计1、冷水水温计算温度:5℃2、每天最大需求制热量:49.5T x 1000 x 50 / 860 = 2878kw3、每天加热时间按12小时计算,每小时所需热量:2878 / 12 =240kw4、10HP热泵配置数量:240kw / 41kw = 5.85台(配置6台,单台制热量41kw)不同环境温度热泵运行概况5、电辅加热按热泵制热量40%配置,240kw x 0.4 =96kw,配100KW电加热。
四、保温水箱容量设计1、最大日用水量:49.5T(55℃)2、高峰用水时间:4小时3、高峰时期总用水量:4 x k x 49.5 / 24 = 46T(55℃)(k=5.61)4、水箱容量 = 高峰时期总用水量–高峰时期热泵产水量 =39T (水箱40T)五、热泵热水系统设计1、采用高温制热循环式热泵热水系统(1)直热补水:补进水箱的水温恒定,水箱水温变化相对较小(2)循环恒温:水箱水温降低时,循环加热六、热水供水系统设计1、系统分区2、供水方式(1)7~11层自然压力不足,设置一套变频供水系统,变频供水泵组设置在屋顶。
回水管设置在每个用水点,全程同程回水。
屋面设置电磁阀控制,温度控制回水。
(2)1~6层采用自然压力供水,3~6层自然压力保持在2.5~3.5公斤之间。
1~2层用水点均是洗手面盆,压力稍大,不影响使用,不设减压系统。
屋顶设置回水泵,温度控制回水。
七、冷水给水系统1、冷水用水定额:500L/床位(含热水)2、屋顶冷水箱容量按最大日用水量25%设计:124间 x 2 x 500 x 0.25 = 30T3、地下室储水箱容积:100T4、用水点供水系统和分区方式,按热水方式设计,保证用水点压力平衡。
酒店热水解决方案标题:酒店热水解决方案引言概述:随着人们对生活品质要求的提高,酒店业务的发展越来越受到关注。
作为酒店的基本需求之一,热水供应在提升客户满意度和酒店形象上起着重要作用。
本文将介绍酒店热水解决方案,包括供热系统、热水设备、能源管理和热水安全等四个方面。
一、供热系统1.1 供热系统的选择:酒店的供热系统应根据酒店规模和需求来选择,常见的供热系统包括集中供热和分户供热。
集中供热适用于大型酒店,能够集中管理供热设备和热水管道,提高供热效率。
分户供热适用于小型酒店,每个房间都有独立的供热设备,能够根据需求灵活调节供热温度。
1.2 供热管道的设计:供热管道的设计需要考虑供热范围、管道材料和保温措施。
供热范围应覆盖整个酒店,包括客房、浴室和公共区域。
管道材料应选择耐高温和耐压力的材料,如不锈钢或铜管。
保温措施可以采用保温材料包裹管道,减少热量损失,提高供热效果。
1.3 供热设备的选型:供热设备的选型应根据酒店的需求和能源情况来确定。
常见的供热设备包括锅炉、热泵和太阳能热水器。
锅炉适用于大型酒店,能够提供大量的热水供应。
热泵和太阳能热水器适用于小型酒店,能够利用可再生能源进行供热,节约能源成本。
二、热水设备2.1 热水储存设备:酒店需要合适的热水储存设备来满足客户的需求。
常见的热水储存设备包括热水罐和热水器。
热水罐适用于大型酒店,能够储存大量的热水,并通过管道供应到各个房间。
热水器适用于小型酒店,每个房间都有独立的热水器,能够根据需求进行热水供应。
2.2 热水循环系统:为了提高客户用水的便利性和节约水资源,酒店可以安装热水循环系统。
热水循环系统可以将冷水从热水器输送到用水点,减少客户等待热水的时间。
同时,通过安装定时器和温度控制器,可以实现热水的定时供应和温度调节。
2.3 热水节水措施:酒店可以采取一些节水措施来降低热水的使用量。
例如,安装节水淋浴头和水龙头,减少热水的流量。
同时,酒店可以设置合理的热水温度,避免浪费热水资源。
五星级酒店热水温度标准
五星级酒店热水温度标准通常是为了确保客人的舒适和安全而设定的。
热水温度的标准可能会因地区、酒店的具体规定以及当地的法律法规而有所不同。
然而,一般来说,五星级酒店的热水温度标准会有以下考虑因素。
1.舒适度:热水温度通常设置在客人感到舒适的范围内,这通常是在37°C到40°C之间。
2.安全性:为了避免烫伤,热水温度不应过高。
许多酒店会将热水温度限制在大约50°C到60°C,特别是对于儿童和老年人使用的设施。
3.节能:热水温度的设置还应考虑能源效率,以减少能源消耗并降低运营成本。
4.季节和气候:在冬季或气候较冷的地区,热水温度可能会设置得更高一些,以提供更舒适的体验。
5.客人偏好:有些酒店可能会提供多种温度选择,以满足不同客人的偏好。
6.法规遵守:酒店必须遵守当地关于热水供应的温度标准和安全规定。
在实际操作中,五星级酒店通常会通过专业的热水系统设计和维护,确保热水温度的稳定性和安全性。
这些系统可能包括温度控制系统、热交换器、储能设备等,以实现高效
节能和个性化服务。
酒店还可能配备温度计或显示屏,以便客人可以直观地看到热水温度。
某五星级酒店热水改造工程技术要求为了提高酒店的服务质量和客户满意度,某五星级酒店计划对其热水供应系统进行改造。
本文将介绍该酒店热水改造工程的技术要求。
项目背景该酒店目前的热水供应系统存在以下问题:温度不稳定、供水压力不够、热水水质不达标等,严重影响了客户对该酒店的评价。
因此,该酒店决定对热水供应系统进行改造,提高客户满意度。
工程范围该工程的范围包括:热水生产设备更新、管道系统更新、水质处理设备更新等。
技术指标热水供应温度为了保证客人的舒适度和安全性,热水供应温度应该在55℃-60℃之间。
热水供应压力热水供应压力应该稳定在0.3MPa以上,以保证客人用水流畅。
可靠性新的热水供应系统应该保证连续工作24小时不间断,以满足客人的需求。
能耗改造后的热水供应系统的能耗应该比现有系统降低10%以上。
管道安装采用高质量材料安装管道系统,使用超声波和压力测试系统进行严格检测并保证质量合格。
水质处理热水系统应该安装适当的水质处理设备,以保证客人用水安全。
工程实施设计设计过程中应充分考虑工程的实际情况和技术要求,确保方案的可行性。
施工施工过程中应按照设计方案进行,使用符合质量要求的材料和设备,遵守现场安全规定和环保要求。
施工人员应该持有相应的资质证书和经验。
质量保证工程完成后,应进行必要的质量检测工作,确保工程质量符合技术要求和设计要求,保证客户满意度。
本文介绍了某五星级酒店热水改造工程的技术要求,包括热水供应温度、热水供应压力、可靠性、能耗、管道安装和水质处理等。
只有在遵守这些技术要求的前提下,新系统才能满足客户需求,提高客户满意度。
在工程实施过程中,需要严格按照设计方案和质量要求进行施工和质量保证工作,确保工程质量达标。
五星级酒店蒸汽用量估算
一.生活热水
客房400间,床位按照400X1.5=600
热水用量:顾客:600X160升/床位·天=96000升=96立方服务员:50X50升/人·天=2500升=2.5立方
合计:98.5立方(98500Kg)
冬天自来水平均温度按照5度计算,热水供水温度按照45度计算合计热量值:Q=4.2X98500X(45-5)=16548000KJ =4597KWH 二.空调用水
冬天采暖按照60W/M2计算,建筑面积4.2万平米,供暖时间16小时
冬天采暖热量用量:42000X60X16/1000=40320KWH
以上两项合计:44917KWH
1.按照制热量为1920KW酒店蒸汽量为每小时4吨(数据来
自远大中央空调选项比较)可得:
酒店每天蒸汽用量:93.5吨2.按照在青岛地区作采暖估算时,一般地可按每吨过热蒸汽供1.2万平方米建筑(数据来自网络),可得:酒店每天蒸汽用量:62.4吨。
五星酒店热水方案(参考)N=698×1.05/(13.5×18)=3 台初选NERS-G5 3台2.水箱的选择由于宾馆为全天侯供水,水箱容量需满足最高峰用水量,本方案选取水箱总容量12吨。
3.机组循环水泵的选择机组、水箱拟置于同一个平面,3台机组共用一台循环泵。
水泵:扬程:约15m;流量:15m3/h。
则建议选用南方特泵:TD50-15/2 1台,单台功率1.5KW。
五、系统说明由于热泵加热储水需要一个时间过程,所以系统设置储水箱进行储水,以供系统大量用水时使用。
方案设计选用1个12吨的开式水箱进行加热储水。
系统设置3台NERS-G5机组提供热源, 1个12立方的保温水箱来储存热水。
考虑到单水箱循环式系统存在混水及水温不稳定的情况,本方案设计采用双温控补水的方式,以达到热水箱中始终是高温恒定的热水,不管系统是否在补水,用户都有大量的热水使用,且水温恒定。
“双温控”的方式即采用温度和水位多点采样,然后将采样的讯号送入电脑主板,由电脑主板集中分析,准确判断什么时候该补水,什么时候补少量水的一种补水控制方式。
通过这种方式控制补水,可使机组始终运行在一个平稳的状态下,机组的寿命可得到延长,能效得到提高。
储存在水箱中的热水通过给水泵压入各个管网末段使用。
为了更好地节约水资源,提供供水的舒适性,建议在热水管网中再设置回水系统,当热水管网中的水温降低时,可将管网中的冷水压入水箱进行加热使用。
本方案设计机械回水系统一套。
六、系统基本配置:七、系统构成及主要设备材料选择及说明1)热泵主机(四大件):压缩机:采用美国谷轮高温涡旋式热泵专用压缩机,具有耐高温高压,效率高,低噪音等特点。
膨胀阀:采用美国艾可热力膨胀阀,该膨胀阀可灵活选择制冷量,能在宽广的蒸发温度范围内进行稳定和精确的控制。
四通换相阀:采用日本兰柯四通换相阀,该产品具有控制灵活,使用寿命长的特点。
冷凝器:采用纽恩泰自主研发的热泵专用高效换热器,换热效率更高,是普通套管换热器的1.3倍,热损失量更小,且便于清洗,不易堵塞。
一、工程概况项目为盐城五星宾馆生活热水系统。
宾馆共4层,84间客房,根据贵方要求,设计热水量12吨/天。
基本气象:盐城属于亚热带向暖温带过渡地带,且海洋性暖湿季风气候明显。
气候温和、四季分明、日照充足、冷暖有常、雨量适中。
年平均气温13.9-14.5℃。
夏季日平均气温约25℃,冬季日平均气温约3℃。
二、设计原则及依据●满足贵方全天候供热需求;●盐城地区气象资料;●工程安装过程中不影响其它建筑设施;●工程安装受力要求设计合理、耐用,美观规范,便于维护管理。
●系统运行稳定可靠、操作使用方便。
设计标准依据:1)GB50015-2003《建筑给水排水设计规范》2)GB5749-85《生活饮用水卫生标准》3)ISBN7-112-04145-7《给水排水设计手册》4)GB50242-2002《采暖与卫生工程施工及验收规范》5)JGJ/T16-92《民用建筑电气设计规范》6)其余按照国家关于热力供应、钢结构、工艺管道、容器制造、保温绝热、防腐等的有关规范要求进行设计和施工,以确保系统工程质量。
三、热负荷计算:根据确定的用热水量即可得出12T冷水从5℃(以冬季工况计)温升到55℃时共需要的热量为:Q=C·M·△T=12×1000×(55-5)=600000Kcal=698kWC-------水的比热容,1Kcal/kg·℃M-------水的质量,kg△T------温升,℃四、主机及辅助设备选型1.主机选型热泵选型温度:环境温度5℃热水加热时间:18h热损耗系数:1.05初选纽恩泰空气源热泵热水机组NERS-G5(NERS-G5的额定制热量为19.7kw/h。
环境温度5℃,冷水进水温度5℃时的制热量约为13.5kw/h。
),运行时间18小时满足需求,则所需台数:N=698×1.05/(13.5×18)=3台初选NERS-G53台2.水箱的选择由于宾馆为全天侯供水,水箱容量需满足最高峰用水量,本方案选取水箱总容量12吨。
3.机组循环水泵的选择机组、水箱拟置于同一个平面,3台机组共用一台循环泵。
水泵:扬程:约15m;流量:15m3/h。
则建议选用南方特泵:TD50-15/21台,单台功率1.5KW。
五、系统说明由于热泵加热储水需要一个时间过程,所以系统设置储水箱进行储水,以供系统大量用水时使用。
方案设计选用1个12吨的开式水箱进行加热储水。
系统设置3台NERS-G5机组提供热源,1个12立方的保温水箱来储存热水。
考虑到单水箱循环式系统存在混水及水温不稳定的情况,本方案设计采用双温控补水的方式,以达到热水箱中始终是高温恒定的热水,不管系统是否在补水,用户都有大量的热水使用,且水温恒定。
“双温控”的方式即采用温度和水位多点采样,然后将采样的讯号送入电脑主板,由电脑主板集中分析,准确判断什么时候该补水,什么时候补少量水的一种补水控制方式。
通过这种方式控制补水,可使机组始终运行在一个平稳的状态下,机组的寿命可得到延长,能效得到提高。
储存在水箱中的热水通过给水泵压入各个管网末段使用。
为了更好地节约水资源,提供供水的舒适性,建议在热水管网中再设置回水系统,当热水管网中的水温降低时,可将管网中的冷水压入水箱进行加热使用。
本方案设计机械回水系统一套。
六、系统基本配置:七、系统构成及主要设备材料选择及说明1)热泵主机(四大件):压缩机:采用美国谷轮高温涡旋式热泵专用压缩机,具有耐高温高压,效率高,低噪音等特点。
膨胀阀:采用美国艾可热力膨胀阀,该膨胀阀可灵活选择制冷量,能在宽广的蒸发温度范围内进行稳定和精确的控制。
四通换相阀:采用日本兰柯四通换相阀,该产品具有控制灵活,使用寿命长的特点。
冷凝器:采用纽恩泰自主研发的热泵专用高效换热器,换热效率更高,是普通套管换热器的1.3倍,热损失量更小,且便于清洗,不易堵塞。
蒸发器:采用热交换为A1级亲水加厚波纹铝箔换热翅片、内螺纹铜管换热器。
其特点是单位蒸发面积增大,换热效率更高。
2)循环泵:系统循环泵全部选用南方特泵,与其它水泵相比,其特点是:噪音低,性能稳定,节能性好,可确保居住环境的安宁。
3)循环管道:为减少流体阻力和热量损失,保证系统热效率,所有供热水管道、热泵循环管道采用PPR或热镀锌钢管。
该产品比普通管材更能保障生活热水的卫生及系统的寿命。
4)中央系统控制:为使整个供热系统在各种条件下均处于高效率、低能耗的合理运作状态,系统中配备微电脑全自动控制系统,该项控制系统具有以下特点:智能化全自动控制;采用DTS集显集控,无须专人管理。
该控制器设定方便、数字显示精确、控制可靠、切换灵活。
运行高效、耗能低。
具备电源缺相和电流过载自动保护、漏电保护等完备的功能。
5)水箱:采用不锈钢sus304水箱,聚氨脂发泡保温,保温层厚度5cm。
保温效果好,温降每天不超过4︒C~6︒C。
八、施工工艺说明:1、保温说明:热水管道内层保温采用优质EPS定型管壳,厚度δ≥20mm,外包优质不锈铝合金板,达到国标图集98R418《管道及设备保温》要求。
保温水箱采用304不锈钢制作内胆,中间采用聚氨脂发泡保温,厚度δ≥50mm,外包装厚度δ=0.2mm优质不锈钢,水箱水温日降≤4℃,达到国标GB/T4272-1992要求。
3、承载能力说明:天面楼层活动荷载一般为200Kg/m2,每个梁柱承载力应不小于10吨。
置于楼面承重梁柱结合位置,并设置工字钢底座加强分散其重量,满足楼面梁柱承载能力。
系统基础着重于耐用性和牢固性,钢筋混凝土反梁防水埋扎,达到防10级台风能力,抗震防裂度为9度。
4、防雷说明:在《建筑物防雷设计规范》中的第3.2条规定凸出屋面高于避雷带的金属物件应与屋面防雷装置连接。
本设计:热泵、管道、水箱等所有金属部件均用ф10镀锌元钢焊接后连成一个整体,并与屋面建筑避雷带连接,所有焊接长度不小于园钢直径的9倍,焊接口防锈防腐采用刷防锈漆二道,银漆一道。
5、环保说明:系统所选用材料均符合国家环保要求,对人和环境均无害。
系统水质在循环加热过程中,大部分沉淀物及污泥杂物在重力作用下沉降在水箱底部,可通过定期排污清洗排出,对环境无任何影响。
热水系统各泵、电气元件在运行过程中所产生的噪声远远低于生活区环境噪声排放国家标准。
6、消防说明:系统全部构件采用阻燃或难燃材料制作,屋面热泵设备、水箱、管道等分布,在考虑到安全、美观,同时亦留有消防通道。
7、系统保护说明:系统设计漏电保护、短路保护、过流保护等全面安全保护装置,故障自检装置,保证系统安全运行,无任何危险隐患,性能可靠,先进实用。
8、系统自动控制说明:热泵热水系统自动控制装置的合理与科学与否,是关系到系统能否合理运行,能否将保温水箱的热水合理供应到热水终端,能否做到最大限度减少运行故障的关键。
我公司在这方面有几点做得较好,受到广大用户赞誉。
一是电气设计科学,由具有资质的专业人员设计和制作;二是电气元件选用质量优秀产品;三是所有控制部分设置故障自检功能,既让用户准确知道故障所在,又便于维修;四是在设置自动控制的同时增加人工控制功能,便于在自动控制有故障时尚可人工控制保证系统正常运行(全套中央热水系统和辅助系统可由用户选购采用PLC编程微电脑控制)方便管理。
9、系统寿命说明:本系统热泵、储热水箱、管道、水泵、自动控制装置等设备、备件均采用国优或进口优质材料制作,热泵热水系统主体使用寿命设计为15年,但是热水系统的一些电器部分如:交流接触器、热继电器、电磁阀等的寿命则不一定能长达15年,其间有可能维修更换。
九、系统总体性能指标系统保证住宅的最大热水需求,并达到最佳节能效果。
热泵供热系统使用寿命10~15年;自控单元温度测控精度优于±1℃,温度测控范围0~100摄氏度;系统设施防风能力不小于8级;正常情况下,系统供热与电采暖及热水供应相比,全年可节约能耗70%以上;热水箱有良好保温效果,温降每天不超过4︒C~6︒C。
十、供热系统运行费用对比(以平均每天使用12吨水计)运行所需燃料=总耗热量/(燃料燃烧值×热效率)1.冬季120天(平均气温2℃)运行费用:生活热水总负荷(即全天制取所需热水所需热量):Q=C·M·△T =12×1000×(55-5)=600000Kcal根据以上计算,则冬季120天的运行费用为:燃油锅炉:370×120=4.44万元电锅炉:661×120=7.93万元燃气锅炉:434×120=5.21万元纽恩泰热泵224×120=2.69万元2.春秋季120天(平均气温15℃)运行费用:生活热水总负荷(即全天制取所需热水所需热量):Q=C·M·△T =12×1000×(55-15)=480000Kcal根据以上计算,则春秋季120天的运行费用为:燃油锅炉:295×120=3.54万元电锅炉:529×120=6.35万元燃气锅炉:350×120=4.2万元纽恩泰热泵:136×120=1.63万元3.夏季120天(平均气温25℃)运行费用:生活热水总负荷(即全天制取所需热水所需热量):Q=C·M·△T =12×1000×(55-25)=360000Kcal根据以上计算,则夏季120天的运行费用为:燃油锅炉:220×120=2.64万元电锅炉:397×120=4.76万元燃气锅炉:266×120=3.19万元纽恩泰热泵:90×120=1.08万元全年运行费用:燃油锅炉:4.44+3.54+2.64=10.62万元电锅炉:7.93+6.35+4.76=19.04万元燃气锅炉:5.21+4.2+3.19=12.6万元纽恩泰热泵:2.69+1.63+1.08=5.4万元十一、报价表注:1、以上报价只含屋面主机部分工程,不包含室内热水管道;2、以上报价包含税金。
十二、产品介绍1、纽恩泰空气源热泵产品简介:纽恩泰空气源热泵机组是全球闻名的空气源热泵专业制造商—新加坡新能源集团在中国大陆投资设立的独资公司生产,专业研究开发制造高科技节能热泵产品,走过了与热泵产品同步发展的三十多年生产历史,产品技术源于热泵产品的发源地美国。
企业和品牌是全球热泵行业着名的国际型企业和全球性品牌,生产技术全球领先,产品在新加坡、美国、日本、韩国、澳大利亚、欧洲等全球100多个国家地区被广泛使用。
3000多个服务机构遍布全球每一个市场,强大完善的售后服务网络和工程技术支持体系,保障了每一个消费者的投资利益得到根本性的保证。
二00五年以来,公司投巨资打造中国市场,在广州、昆明建起生产规模和能力跃居中国大陆前三强的生产基地。