《四川省建设工程工程量清单计价定额》2015定额说明
- 格式:doc
- 大小:318.51 KB
- 文档页数:47
2015四川清单计价定额章节说明(word版本)LT《四川省建设工程工程量清单计价定额》2015Table of Contents1. 四川省2015定额说明 (12)1.1 总说明 (12)1.2 房屋建筑与装饰工程 (23)1.2.1 A 土石方工程 (29)1.2.2 B 地基处理与边坡支护工程. 341.2.3 C 桩基工程 (37)1.2.4 D 砌筑工程 (40)1.2.5 E 混凝土及钢筋混凝土工程. 461.2.6 F 金属结构工程 (54)1.2.7 G 木结构工程 (57)1.2.8 H 门窗工程 (59)1.2.9 J 屋面及防水工程 (63)1.2.10 K 保温、隔热、防腐工程.. 661.2.11 L 楼地面 (69)1.2.12 M 墙柱面工程 (72)1.2.13 N 天棚工程 (76)1.2.14 P 油漆、涂料、裱糊工程.. 791.2.15 Q 其他工程 (85)1.2.16 R 拆除工程 (87)1.2.17 S 措施项目 (91)1.3 仿古建筑工程 (100)1.4.2.10 B.10 汽轮发电机辅助设备安装 (214)1.4.2.11 B.11 汽轮发电机附属设备安装 (217)1.4.2.12 B.12 卸煤设备安装 219 1.4.2.13 B.13 煤场机械设备安装 (221)1.4.2.14 B.14 碎煤设备安装 222 1.4.2.15 B.15 上煤设备安装 223 1.4.2.16 B.16 水力冲渣、冲灰设备安装 (226)1.4.2.17 B.17 化学水预处理系统设备安装 (228)1.4.2.18 B.18 锅炉补给水除盐系统设备安装 (229)1.4.2.19 B.19 凝结水处理系统设备安装 (231)1.4.2.20 B.20 循环水处理系统设备安装 (232)1.4.2.21 B.21 给水、炉水校正处理系统设备安装 (233)1.4.2.22 B.22 低压锅炉本体设备安装 (234)1.4.2.23 B.23 低压锅炉附属及辅助设备安装 (240)1.4.3 C 静置设备与工艺金属结构制作安装工程 (244)1.4.3.1 C.1 静置设备制作.. 2451.4.3.2 C.2 静置设备安装.. 2491.4.3.3 C.3 工业炉安装 (255)1.4.3.4 C.4 金属油罐制作安装 (259)1.4.3.5 C.5 球形罐组对安装2631.4.3.6 C.6 气柜制作、安装2651.4.3.7 C.7 工艺金属结构制作、安装 (266)1.4.3.8 C.8 铝制、铸铁、非金属设备安装 (269)1.4.3.9 C.9 撬块安装 (271)1.4.3.10 C.10 无损检验 (272)1.4.3.11 C.11 其他项目 (274)1.4.4 D 电气设备安装工程 (276)1.4.4.1 D.1 变压器安装 (280)1.4.4.2 D.2 配电装置安装. 2811.4.4.3 D.3 母线安装 (283)1.4.4.4 D.4 控制设备及低压电器安装 (286)1.4.4.5 D.5 蓄电池安装 (289)1.4.4.6 D.6 电机检查接线及调试 (290)1.4.4.7 D.7 滑触线装置安装2921.4.4.8 D.8 电缆安装 (294)1.4.4.9 D.9 防雷及接地装置 2981.4.4.10 D.10 10kV以下架空配电线路 (301)1.4.4.11 D.11 配管、配线.. 3061.4.4.12 D.12 照明器具安装 3101.4.4.13 D.13 附属工程 (316)1.4.4.14 D.14 电气调整试验 317 1.4.5 E 建筑智能化系统设备安装工程 (326)1.4.5.1 E.1 计算机应用、网络系统工程 (328)1.4.5.2 E.2 综合布线系统工程 (329)1.4.5.3 E.3 建筑设备自动化系统工程 (331)1.4.5.4 E.4 有线电视、卫星接收系统工程 (332)1.4.5.5 E.5 音频、视频系统工程 (333)1.4.5.6 E.6 安全防范系统工程 (334)1.4.6 F 自动化控制仪表安装工程 3351.4.6.1 F.1 过程检测仪表. 3371.4.6.2 F.2 显示及调节控制仪表 (340)1.4.6.3 F.3 执行仪表 (341)1.4.6.4 F.4 机械量仪表 (343)1.4.6.5 F.5 过程分析和物性检测仪表 (345)1.4.6.6 F.6 仪表回路模拟试验 (347)1.4.6.7 F.7 安全监测及报警装置 (348)1.4.6.8 F.8 工业计算机安装与调试 (351)1.4.6.9 F.9 仪表管路敷设. 3551.4.6.10 F.10 仪表盘、箱、柜及附件安装 (356)1.4.6.11 F.11 仪表附件安装 358 1.4.7 G 通风空调工程 (361)1.4.7.1 G.1 通风及空调设备及部件制作安装 (363)1.4.7.2 G.2 通风管道制作安装 (366)1.4.7.3 G.3 通风管道部件制作安装 (369)1.4.7.4 G.4 通风工程检测、调试 (372)1.4.8 H 工业管道工程 (373)1.4.8.1 H.1 低压管道 (379)1.4.8.2 H.2 中压管道 (381)1.4.8.3 H.3 高压管道 (382)1.4.8.4 H.4 低压管件 (383)1.4.8.5 H.5 中压管件 (384)1.4.8.6 H.6 高压管件 (385)1.4.8.7 H.7 低压阀门 (386)1.4.8.8 H.8 中压阀门 (387)1.4.8.9 H.9 高压阀门 (388)1.4.8.10 H.10 低压法兰 (389)1.4.8.11 H.11 中压法兰 (390)1.4.8.12 H.12 高压法兰 (391)1.4.8.13 H.13 板卷管制作. 3921.4.8.14 H.14 管件制作 (392)1.4.8.15 H.15 管架制作安装3931.4.8.16 H.16 管材表面及焊缝无损探伤 (394)1.4.8.17 H.17 其他项目制作安装 (395)1.4.8.18 H 附录 (397)1.4.9 J 消防工程 (414)1.4.9.1 J.1水灭火系统 (416)1.4.9.2 J.2气体灭火系统.. 4201.4.9.3 J.3泡沫灭火系统.. 4221.4.9.4 J.4管道支架制作安装 (423)1.4.9.5 J.5火灾自动报警系统 (424)1.4.9.6 J.6消防系统调试.. 426 1.4.10 K 给排水、采暖、燃气工程4281.4.10.1 K.1 给排水 ?采暖 ?燃气管道 (430)1.4.10.2 K.2 管道支架制作安装 (433)1.4.10.3 K.3 管道附件 (434)1.4.10.4 K.4 卫生器具 (436)1.4.10.5 K.5 供暖器具 (437)1.4.10.6 K.6采暖 ?给排水设备 (439)1.4.10.7 K.7燃气器具及其他4401.4.10.8 K.8医疗气体设备及附件 (441)1.4.10.9 K.9 辅助项目 (443)1.4.10.10 K 附录 (444)1.4.11 L 通信设备及线路工程 (449)1.4.11.1 L.1 移动通信设备工程 (451)1.4.11.2 L.2 通信线路工程. 453 1.4.12 M 刷油、防腐蚀、绝热工程4541.4.12.1 M.1除锈工程 (459)1.4.12.2 M.2 刷油工程 (460)1.4.12.3 M.3 防腐蚀涂料工程4611.4.12.4 M.4 手工糊衬玻璃钢工程 (462)1.4.12.5 M.5 橡胶板及塑料板衬里工程 (463)1.4.12.6 M.6 衬铅及搪铅工程4631.4.12.7 M.7 喷镀( 涂 )工程4641.4.12.8 M.8 耐酸砖 ?板衬里工程 (465)1.4.12.9 M.9 绝热工程 (465)1.4.12.10 M.10 管道补口补伤工程 (467)1.4.12.11 M.11 阴极保护及牺牲阳极 (468)1.4.12.12 M 附录 (469)1.4.13 N 措施项目 (496)1.4.13.1 N.1 专业措施 (500)1.5 市政工程 (505)1.5.1 A 土石方工程 (508)1.5.2 B 道路工程 (514)1.5.3 C 桥涵护岸工程 (520)1.5.4 D 隧道工程 (524)1.5.5 E 管网工程 (525)1.5.6 F 水处理工程 (536)1.5.7 G 生活垃圾处理工程 (543)1.5.8 H 路灯工程 (544)1.5.9 J 钢筋工程 (552)1.5.10 K 拆除工程 (555)1.5.11 L 措施项目 (556)1.6 园林绿化工程 (563)1.6.1 A 绿化工程 (564)1.6.2 B 园路、园桥工程 (567)1.6.3 C 园林景观工程 (571)1.6.4 D 措施项目 (577)1.7 构筑物工程 (578)1.7.1 A 混凝土构筑物工程 (579)1.7.2 B 砌体构筑物工程 (584)1.7.3 C 措施项目 (585)1.8 爆破工程 (587)1.8.1 A 露天爆破工程 (588)1.8.2 B 地下爆破工程 (590)1.8.3 C 硐室爆破工程 (590)1.8.4 D 拆除爆破工程 (591)1.8.5 E 水下爆破工程 (591)1.8.6 F 挖装运工程 (591)1.8.7 G 措施项目 (592)1.9 城市轨道交通工程 (592)1.9.1 A 路基、围护结构及地基处理工程 (594)1.9.2 B 高架桥工程 (597)1.9.3 C 地下区间工程 (606)1.9.4 D 地下结构工程 (610)1.9.5 E 轨道工程 (612)1.9.6 F 通信工程 (616)1.9.7 G 信号工程 (627)1.9.8 H 供电工程 (632)1.9.9 J 智能与控制系统安装工程 6381.9.10 K 机电设备安装工程 (641)1.9.11 L车辆基地工艺设备 (642)1.9.12 M 拆除工程 (643)1.9.13 N 措施项目 (643)1.10 房屋建筑维修与加固工程 (647)1.10.1 A 土石方工程 (650)1.10.2 B 砖石工程 (652)1.10.3 C 混凝土及钢筋混凝土工程6551.10.4 D 木结构工程 (659)1.10.5 E 金属构件 (662)1.10.6 F 屋面及防水、保温工程. 6631.10.7 G 装饰工程 (666)1.10.8 H 维修加固措施 (672)1.11 建筑安装工程费用 (675)1.12 附录一施工机械台班费用定额.. 689 1.13 附录二混凝土及砂浆配合比 (691)1. 四川省2015定额说明Caution: Some letters were intendedly removed from the document because It was created by TRIAL version of Softany CHM to DOC converter. To get rid of this, please purchase the product.1.1 总说明一、编制依据2015年《程工程量清单计价定额》(以下简称本定额),是与中华人民共和国国家标准《建设工程工程量清GB50500-2013以及《房屋建筑与装饰工程工程量计算规范》GB50854-2古建筑工程工程量计算规范》GB50855-2013、《通用安装工程工程量计算规范》GB5013、《市政工程工程量计算规范》GB50857-2013、《园林绿化工程工程量计算50858-2013、《构筑物工程工程量计算规范》GB50860-2013、《城市轨道量计算规范》GB50861-2013、《爆破工程工程量计算规范》GB50862-2013称“13规范”)相配套,依据住房和城乡建设部令第16号《建筑工程施工发包与承包计价管理乡建设部、财政部关于印发《建筑安装工程费用项目组成》的通知(建标[2013]44号)筑工程基础定额》GJD-101-95、《全国统一建筑装饰装修工程消耗量定额》GY2002、《全国统一安装工程基础定额》GJD208-2006、《全国统一市政工程预算定额-301~308-1999、《全国统一施工机械台班费用编制规则》、2009年《四川省建设单计价定额》、2008年《四川省房屋建筑抗震加固工程计价定额》以及现行国家相关产品标准、工质量验收规范和安全操作规程进行编制。
2015年《四川省建设工程工程量清单计价定额——建筑安装工程费用》说明及费用计算2015年《四川省建设工程工程量清单计价定额——建筑安装工程费用》说明及费用计算说明一、建筑安装工程费用项目组成建筑安装工程费由分部分项工程费、措施项目费、其他项目费、规费、税金组成,分部分项工程费、措施项目费、其他项目费包含人工费、材料费、施工机具使用费、企业管理费和利润。
二、费用说明(一)分部分项工程费分部分项工程费是指各专业工程的分部分项工程应予列支的各项费用。
1.专业工程:是指按现行国家计量规范划分的房屋建筑与装饰工程、仿古建筑工程、通用安装工程、市政工程、园林绿化工程、矿山工程、构筑物工程、城市轨道交通工程、爆破工程等各类工程。
2.分部分项工程:指按现行国家计量规范对各专业工程划分的项目。
如房屋建筑与装饰工程的土石方工程、地基处理与基坑支护工程、桩基工程、混凝土及钢筋混凝土工程等。
(二)措施项目费措施项目费是指为完成建设工程施工,发生于该工程施工前和施工过程中的技术、生活、安全、环境保护等方面的费用。
措施项目费分为总价措施项目费和单价措施项目费。
1.总价措施项目费(1)安全文明施工费环境保护费:是指施工现场为达到环保部门要求所需要的各项费用。
?文明施工费:是指施工现场文明施工所需要的各项费用。
安全施工费:是指施工现场安全施工所需要的各项费用。
临时设施费:是指施工企业为进行建设工程施工所必须搭设的生活和生产用的临时建筑物、构筑物和其他临时设施费用。
包括临时设施的搭设、维修、拆除、清运或摊销费等。
除本定额另有规定外,安全文明施工费中的环境保护费、文明施工费、安全施工费、临时设施费计价按《四川省建设工程安全文明施工费计价管理办法》实施管理。
(2)夜间施工增加费:是指因夜间施工所发生的夜班补助费、夜间施工降效、夜间施工照明设备摊销及照明用电等费用。
(3)二次搬运费:是指因施工场地条件限制而发生的材料、构配件、半成品等一次运输不能到达堆放地点,必须进行二次或多次搬运所发生的费用。
2015年《四川省建设工程工程量清单计价定额——建筑安装工程费用》说明及费用计算说明一、建筑安装工程费用项目组成建筑安装工程费由分部分项工程费、措施项目费、其他项目费、规费、税金组成,分部分项工程费、措施项目费、其他项目费包含人工费、材料费、施工机具使用费、企业管理费和利润。
二、费用说明(一)分部分项工程费分部分项工程费是指各专业工程的分部分项工程应予列支的各项费用。
1.专业工程:是指按现行国家计量规范划分的房屋建筑与装饰工程、仿古建筑工程、通用安装工程、市政工程、园林绿化工程、矿山工程、构筑物工程、城市轨道交通工程、爆破工程等各类工程。
2.分部分项工程:指按现行国家计量规范对各专业工程划分的项目。
如房屋建筑与装饰工程的土石方工程、地基处理与基坑支护工程、桩基工程、混凝土及钢筋混凝土工程等。
(二)措施项目费措施项目费是指为完成建设工程施工,发生于该工程施工前和施工过程中的技术、生活、安全、环境保护等方面的费用。
措施项目费分为总价措施项目费和单价措施项目费。
1.总价措施项目费(1)安全文明施工费①环境保护费:是指施工现场为达到环保部门要求所需要的各项费用。
②文明施工费:是指施工现场文明施工所需要的各项费用。
③安全施工费:是指施工现场安全施工所需要的各项费用。
④临时设施费:是指施工企业为进行建设工程施工所必须搭设的生活和生产用的临时建筑物、构筑物和其他临时设施费用。
包括临时设施的搭设、维修、拆除、清运或摊销费等。
除本定额另有规定外,安全文明施工费中的环境保护费、文明施工费、安全施工费、临时设施费计价按《四川省建设工程安全文明施工费计价管理办法》实施管理。
(2)夜间施工增加费:是指因夜间施工所发生的夜班补助费、夜间施工降效、夜间施工照明设备摊销及照明用电等费用。
(3)二次搬运费:是指因施工场地条件限制而发生的材料、构配件、半成品等一次运输不能到达堆放地点,必须进行二次或多次搬运所发生的费用。
(4)冬雨季施工增加费:是指在冬季或雨季施工需增加的临时设施、防滑、排除雨雪,人工及施工机械效率降低等费用。
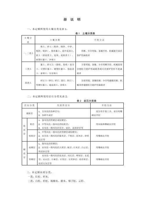
册说明一、本定额所使用土壤分类见表1。
二、本定额所使用岩石分类见表2。
三、本定额木材分类:一类:红松、杉木。
二类:白松、杉松、杨柳木、椴木、樟子松、云杉。
三类:青松、水曲柳、黄花松、秋子木、马尾松、榆木、柏木、樟木、苦练子、梓木、楠木、槐木、黄菠萝、椿木。
四类:柞木(稠木、青杠)、檀木、色木、红木、荔木、柚木、麻栗木、桦木。
四、本定额的混凝土和砂浆是按过筛净砂编制的,各地应将过筛人工费和损耗纳入材料预算价格,定额考虑了砂的膨胀率。
因质量要求现场过筛的人工费及筛砂损耗已包括在定额内,不另计算。
五、本定额的混凝土和砂浆强度等级,如设计要求与定额不同时,允许按附录换算,但定额中各种配合比的材料用量不得调整。
六、本定额的混凝土和砂浆是按中(细)砂、特细砂编制,计算时应按实际使用砂的种类分别套用相应定额项目。
七、本定额现浇混凝土构件是按现场搅拌非泵送编制的,商品混凝土以成品基价(含泵送费)的形式表现。
若现浇混凝土构件使用商品混凝土,按工程所在地工程造价站规定,对商品混凝土价差进行单项价差调整。
八、本定额预拌砂浆项目是按干混砂浆编制的,干混砂浆以成品基价的形式表现。
各地应按工程所在地工程造价站规定,对干混砂浆价差进行调整。
九、建筑材料、成品、半成品(除按成品编制项目外)从现场仓库、堆放地点、加工地点至操作地点的水平运输,已综合考虑在定额内,但垂直运输机械费应按“措施项目”另行计算。
十、本定额项目中未考虑高层建筑施工增加的费用,发生时,按“超高施工增加”定额项目执行。
十一、本定额在执行中如遇缺项,可按其他册相应定额项目执行。
若仍缺项,由甲乙双方编制临时性定额,报工程所在地造价站审批,并报省工程造价总站备案。
十二、本册未编制的构筑物工程按2015年《四川省建设工程工程量清单计价定额——构筑物工程》册相应项目执行;石方爆破工程按2015年《四川省建设工程工程量清单计价定额——爆破工程》册相应项目执行。
建筑面积计算规则一、建筑物的建筑面积应按自然层外墙结构外围水平面积之和计算。
《四川省建设工程工程量清单计价定额》通用安装工程定额说明(专业措施)N措施项目分册说明专业措施项目工程量清单外,以下项目分别在各册编制说明中及国家相关规定?N.1专业措施说明一?金属抱杆安装?拆除与移位,设备吊耳制作与安装,设备胎具制作安装与拆除等项目,不论使用何种施工方法,定额不得调整? 二?金属抱杆定额项目的说明:1.抱杆安装?拆除,按单金属抱杆考虑,如采用双金属抱杆时,每座抱杆均乘以系数0.95;2.主抱杆安装?拆除项目中不包括灵机抱杆的安装?拆除,如加设灵机时,应另执行相应的子目;3.金属抱杆的选用:(1)根据设备吊装重量与吊装高度,按照本定额规定的范围选用金属抱杆;(2)金属抱杆规格的选定,应以审批后的施工组织设计(或施工方案)为依据;(3)金属抱杆的选用以抱杆起重量为依据,金属抱杆的高度只作参考,不作为取定的依据?4.金属抱杆的台次使用费是综合取定的,按下表规定计算:抱杆台次使用费5.金属抱杆的安装?拆除,不论采用哪种施工方案,均不得调整;定额内不包括拖拉坑埋设;6.抱杆台次使用费包括了抱杆本体的设计?制造和试验,卷扬机?索具等的折旧摊销,抱杆停滞期间的维护?保养?配件?附件的更换等费用,并已扣除了抱杆的残值回收;7.每套装置在施工期间,每座抱杆最多只能计算三次台次使用费;8.吊耳构造形式与选用的材料,是根据其荷载要求综合取定的?若实际吊耳选用与定额取定不同时,不得调整?三?胎具与加固项目的说明:1.主材用量是按摊销量进入本定额的;2.筒体卷弧胎具是按设备筒体重量综合取定,不得调整;3.设备组装(划分为分片与分段组装)胎具是指组装的手段措施,包括组装时的加固措施,不论采用何种施工方法,不得调整;4.胎具及加固件的子目中,均已综合了重复利用和材料回收率,不得调整?四?组装平台是按摊销量进入本定额的,主要材料按15次周转使用计算?平台面积每增减10m2时,应按最接近的子目进行增减调整?五?球罐组装胎具及球罐焊接防护棚内的钢材用量已将回收值从项目内扣除,不再考虑摊销?六?油罐的胎具未包括在罐本体制作内,已按摊销量分别列有项目?胎具均能重复使用,因此每套胎具的制作是按一个工地同一时期安装同结构?同容量的台数一次摊入,并规定胎具的周转次数,即同一工地建造的同结构?同容量的台数如在周转使用次数范围以内,按配置一套计算,批量超过周转使用次数范围时,可增加计算一套?胎具的周转使用次数详见下表:工程量计算规则1.金属抱杆的安装?拆除?移位及抱杆台次使用费均按单金属抱杆,以“座”为计量单位?如采用双金属抱杆时,应按规定进行调整?2.金属抱杆每安装?拆除一次,可计取一次台次使用费?同一规格的金属抱杆在一个装置内最多只能计算三次台次使用费?3.金属抱杆水平位移的次数应以审批后的施工组织设计为计算依据,水平移位的距离可按设备平面布置图测算,每移位15m计算一次水平移位(不足15m的按15m计算),当移位距离累计达到或等于60m时,按新立一座抱杆计算,移位次数应为(n-1)次?一次移位距离大于或等于60m时,在计算新立一座抱杆后,不再执行移位定额?4.金属抱杆水平移位距离累计达到或超过60m及一次移位达到或超过60m,均应分别按新立一座抱杆计算台次使用费,但不再计算辅助抱杆台次使用费?5.拖拉坑挖埋的计算,应根据承受能力,按审批后的施工组织设计以“个”为计量单位,土方量?钢丝绳及绳卡等用量不得调整?若实际采用的埋件与定额取定的不同时,埋件材料费可以换算,其余不得调整?6.吊耳的数量以审批后的施工方案为依据,按荷载能力以“个”为计量单位?7.封头压制胎具按胎具直径以“每个封头”为计量单位,即每制作一个封头,计算一次胎具?铸造胎具适用于整体封头压制,焊接胎具适用于分片封头压制?8.筒体卷弧胎具按每台制作设备扣除外部附件的金属重量,以“t”为计量单位?9.浮头式热交换器试压胎具,根据热交换器设备直径以“台”为计量单位?10.设备分段组装胎具及设备分片组装胎具均按设备金属重量范围以“台”为计量单位?11.设备组装及吊装加固,根据审批后的施工方案以“t”为计量单位?12.现场组装平台的铺设和拆除应根据批准的施工组织设计,按其搭设方式,以“座”为计量单位?13.胎具应区别油罐不同构造?施工方法和规格,以“座”?“套”为计量单位?14.油罐胎具的摊销次数和临时加固件材料摊销量,是根据施工实际综合测算,并考虑了材料的回收利用取定的,不得调整?15.球罐组装胎具制作?安装与拆除,应根据不同规格,以“台”为计量单位?16.球罐焊接防护棚制作?安装与拆除,应按防护棚的构造形式和球罐不同容积,以“台”为计量单位,并考虑了防护棚的回收利用率?17.气柜组装胎具制作?安装与拆除,应根据气柜结构形式和不同容积,以“座”为计量单位?18.螺旋式气柜轨道煨弯胎具制作,以“套”为计量单位?本定额是以单套胎具考虑的,如根据施工图需要制作多套胎具时,其工程量按公式:1+0.6(N-1)计算?19.气柜型钢煨弯胎具制作以“套”为计量单位?本定额是以单套胎具考虑的,如需要制作多套胎具时,其工程量按公式:1+0.4×(N-1)计算?20.气柜充水?气密?快速升降试验,应根据气柜结构形式和不同容积,以“座”为计量单位,并包括临时水管线的敷设?拆除和材料摊销量?21.型钢圈煨制胎具,应根据胎具规格,以“个”为计量单位?。
2015《四川省建设工程工程量清单计价定额》建筑安装工程费及附录附录附录一施工机械台班费用定额说明一、本定额是根据建设部建标〔2001〕196 号文颁发的《全国统一施工机械台班费用编制规则》,并结合四川省实际情况和现行价格进行编制的。
二、本定额由下列费用组成:(一)折旧费:指机械设备在规定的使用期限内,陆续收回其原值的费用。
(二)大修理费:指机械设备按规定的大修间隔台班进行必要的大修理,以恢复机械正常功能所需的费用。
(三)经常修理费:指机械设备除大修以外的各级保养和临时故障排除所需的费用。
包括为保障机械设备正常运转所需替换的设备、随机配备的工具附具的摊销和维护费用,机械运转及日常保养所需润滑与擦拭的材料费用以及机械停滞期间的维护保养费用等。
(四)安拆费及场外运费:安拆费是指施工机械在现场进行安装拆卸所需人工、材料、机械和试运转费用以及机械辅助设施的折旧、搭设、拆除等费用;场外运费是指施工机械整体或分体自停放地点运至施工现场或由一施工地点运至另一施工地点所发生的运距W 25km的运输、装卸、辅助材料等费用。
工地间移动较为频繁的小型机械及部分中型机械的安拆费和场外运费已计入台班单价。
移动有一定难度的特、大型(包括少数中型)机械的安拆费和场外运费单独计算,具体计算范围及办法见本说明第三条。
单独计算的安拆费和场外运费未包括辅助设施摊销费。
辅助设施摊销费包括基础、底座、固定锚桩、行走轨道枕木等的折旧费及其搭设、拆除费用,其费用按相关定额及有关规定计算。
不需安装、拆卸且自身又能开行的机械,其场外运费按其开行时间乘以其台班单价计算。
(五)人工费:指机上司机(司炉)及其他操作人员所发生的费用。
(六)燃料动力费:指施工机械在运转施工作业所消耗的固体燃料(煤、木材)、液体燃料(汽油、柴油)及水、电等。
(七)其他费用:包括车船使用税及保险费。
车船使用税是指施工机械按照四川省有关规定应缴纳的车船使用税。
保险费是指施工机械按照国家规定应缴纳的保险费。
《四川省建设⼯程⼯程量清单计价定额》2015定额说明--市政⼯程《四川省建设⼯程⼯程量清单计价定额》市政⼯程定额说明市政⼯程册说明⼀、本定额的混凝⼟和砂浆是按过筛净砂编制的,各地应将过筛⼈⼯费和损耗纳⼊材料预算价格,定额已考虑了砂的膨胀率,因质量要求现场过筛的⼈⼯费及筛砂损耗已包括在定额内,不另计算。
⼆、本定额的混凝⼟和砂浆强度等级,如设计要求与定额不同时,允许按附录换算,但定额中各种配合⽐的材料⽤量不得调整。
三、本定额现浇构件混凝⼟是按现场搅拌⾮泵送和商品混凝⼟分别编制的,现场搅拌混凝⼟是按中(细)砂、特细砂编制的,计算时应按实际使⽤砂的种类分别套⽤相应定额项⽬,商品混凝⼟以成品基价的形式表现,计算时应对商品混凝⼟价差进⾏单项价差调整。
四、本定额砂浆是按现场拌和和商品⼲混砂浆分别编制的,现场搅拌砂浆是按中(细)砂、特细砂编制的,计算时应按实际使⽤砂的种类分别套⽤相应定额项⽬,商品⼲混砂浆以成品基价的形式表现,计算时应对商品⼲混砂浆价差进⾏单项价差调整。
五、中⼩型机械在25km以内,从甲⼯地(或基地)⾄⼄⼯地的搬迁运输费和场内运输费,已包括在定额内。
六、本定额除各章另有说明者外,建筑材料、成品、半成品从现场仓库、堆放地点、加⼯地点⾄操作地点的⽔平运输,已综合考虑在定额内,不得另⾏计算。
七、地下管线的交叉处理,临时遇到的障碍拆除,施⼯组织设计规定(经建设单位认可)的临时⼯程等,按相应项⽬执⾏,⽆定额项⽬的,按实签证。
⼋、“D隧道⼯程”定额暂未编制。
九、本定额与通⽤安装⼯程册定额执⾏界限如下图所⽰:1.供⽔管道:2.排⽔管道:图例说明:(1)、(2)为⽔源管道;(3)、(4)为总排⽔管道。
(1)、(2)和(3)、(4)若为城市供、排⽔(住宅⼩区除外)管道时,应执⾏市政⼯程相应定额。
3.煤⽓管道:4.油、⽓管道:图例说明:(5)、(6)为油、⽓管道。
(5)、(6)若为城市煤⽓及油、⽓管道(住宅⼩区除外),应执⾏市政⼯程相应定额。
2015年《四川省建设工程工程量清单计价定额—建筑安装工程费用》说明及费用计算建筑安装工程费用项目组成建筑安装工程费由分部分项工程费、措施项目费、其他项目费、规费、税金组成,分部分项工程费、措施项目费、其他项目费包含人工费、材料费、施工机具使用费、企业管理费和利润。
费用说明(一)分部分项工程费分部分项工程费是指各专业工程的分部分项工程应予列支的各项费用。
1.专业工程:是指按现行国家计量规范划分的房屋建筑与装饰工程、仿古建筑工程、通用安装工程、市政工程、园林绿化工程、矿山工程、构筑物工程、城市轨道交通工程、爆破工程等各类工程。
2.分部分项工程:指按现行国家计量规范对各专业工程划分的项目。
如房屋建筑与装饰工程的土石方工程、地基处理与基坑支护工程、桩基工程、混凝土及钢筋混凝土工程等。
(二)措施项目费措施项目费是指为完成建设工程施工,发生于该工程施工前和施工过程中的技术、生活、安全、环境保护等方面的费用。
措施项目费分为总价措施项目费和单价措施项目费。
1.总价措施项目费(1)安全文明施工费①环境保护费:是指施工现场为达到环保部门要求所需要的各项费用。
②文明施工费:是指施工现场文明施工所需要的各项费用。
③安全施工费:是指施工现场安全施工所需要的各项费用。
④临时设施费:是指施工企业为进行建设工程施工所必须搭设的生活和生产用的临时建筑物、构筑物和其他临时设施费用。
包括临时设施的搭设、维修、拆除、清运或摊销费等。
除本定额另有规定外,安全文明施工费中的环境保护费、文明施工费、安全施工费、临时设施费计价按《四川省建设工程安全文明施工费计价管理办法》实施管理。
(2)夜间施工增加费:是指因夜间施工所发生的夜班补助费、夜间施工降效、夜间施工照明设备摊销及照明用电等费用。
(3)二次搬运费:是指因施工场地条件限制而发生的材料、构配件、半成品等一次运输不能到达堆放地点,必须进行二次或多次搬运所发生的费用。
(4)冬雨季施工增加费:是指在冬季或雨季施工需增加的临时设施、防滑、排除雨雪,人工及施工机械效率降低等费用。
2015年《四川省建设工程工程量清单计价定额——建筑安装工程费用》说明及费用计算说明一、建筑安装工程费用项目组成建筑安装工程费由分部分项工程费、措施项目费、其他项目费、规费、税金组成,分部分项工程费、措施项目费、其他项目费包含人工费、材料费、施工机具使用费、企业管理费和利润。
二、费用说明(一)分部分项工程费分部分项工程费是指各专业工程的分部分项工程应予列支的各项费用。
1.专业工程:是指按现行国家计量规范划分的房屋建筑与装饰工程、仿古建筑工程、通用安装工程、市政工程、园林绿化工程、矿山工程、构筑物工程、城市轨道交通工程、爆破工程等各类工程。
2.分部分项工程:指按现行国家计量规范对各专业工程划分的项目。
如房屋建筑与装饰工程的土石方工程、地基处理与基坑支护工程、桩基工程、混凝土及钢筋混凝土工程等。
(二)措施项目费措施项目费是指为完成建设工程施工,发生于该工程施工前和施工过程中的技术、生活、安全、环境保护等方面的费用。
措施项目费分为总价措施项目费和单价措施项目费。
1.总价措施项目费(1)安全文明施工费①环境保护费:是指施工现场为达到环保部门要求所需要的各项费用。
②文明施工费:是指施工现场文明施工所需要的各项费用。
③安全施工费:是指施工现场安全施工所需要的各项费用。
④临时设施费:是指施工企业为进行建设工程施工所必须搭设的生活和生产用的临时建筑物、构筑物和其他临时设施费用。
包括临时设施的搭设、维修、拆除、清运或摊销费等。
除本定额另有规定外,安全文明施工费中的环境保护费、文明施工费、安全施工费、临时设施费计价按《四川省建设工程安全文明施工费计价管理办法》实施管理。
(2)夜间施工增加费:是指因夜间施工所发生的夜班补助费、夜间施工降效、夜间施工照明设备摊销及照明用电等费用。
(3)二次搬运费:是指因施工场地条件限制而发生的材料、构配件、半成品等一次运输不能到达堆放地点,必须进行二次或多次搬运所发生的费用。
(4)冬雨季施工增加费:是指在冬季或雨季施工需增加的临时设施、防滑、排除雨雪,人工及施工机械效率降低等费用。
总说明一、编制依据2015年《四川省建设工程工程量清单计价定额》(以下简称本定额),是与中华人民共和国国家标准《建设工程工程量清单计价规范》GB50500-2013以及《房屋建筑与装饰工程工程量计算规范》GB50854-2013、《仿古建筑工程工程量计算规范》GB50855-2013、《通用安装工程工程量计算规范》GB50856-2013、《市政工程工程量计算规范》GB50857-2013、《园林绿化工程工程量计算规范》GB50858-2013、《构筑物工程工程量计算规范》GB50860-2013、《城市轨道交通工程工程量计算规范》GB50861-2013、《爆破工程工程量计算规范》GB50862-2013等(以下简称“13规范”)相配套,依据住房和城乡建设部令第16号《建筑工程施工发包与承包计价管理办法》、住房和城乡建设部、财政部关于印发《建筑安装工程费用项目组成》的通知(建标[2013]44号)、《全国统一建筑工程基础定额》GJD-101-95、《全国统一建筑装饰装修工程消耗量定额》GYD-901-2002、《全国统一安装工程基础定额》GJD208-2006、《全国统一市政工程预算定额》GYD-301~308-1999、《全国统一施工机械台班费用编制规则》、2009年《四川省建设工程工程量清单计价定额》、2008年《四川省房屋建筑抗震加固工程计价定额》以及现行国家相关产品标准、设计规范、施工质量验收规范和安全操作规程进行编制。
二、适用范围本定额适用于四川省行政区域内的工程建设项目计价,具体专业工程如下:房屋建筑与装饰工程:适用于工业与民用房屋建筑工程以及建筑物和构筑物的装饰、装修工程;仿古建筑工程:适用于传统做法的仿古建筑物、构筑物和纪念性建筑以及现代建筑的仿古部分;通用安装工程:适用于工业与民用安装工程;市政工程:适用于市政建设工程;园林绿化工程:适用于园林绿化工程;构筑物工程:适用于构筑物工程;爆破工程:适用于建筑物、构筑物、基础设施等开挖石方爆破工程;城市轨道交通工程:适用于城市轨道交通的路基、围护结构、高架桥、地下区间、地下结构轨道、通信、信号、供电、智能与控制系统安装、机电设备安装、车辆基地工艺设备以及拆除工程等;房屋建筑维修与加固工程:适用于房屋建筑工程拆换、维修、零星修补、抗震加固工程以及局部改造;建筑安装工程费用:适用于与工程建设项目各专业工程相配套的各项费用;其他项目:适用于与工程建设项目各专业工程相配套的其他项目;规费:适用于与建设工程项目相配套的规费;税金:适用于与建设工程项目相配套的税金;附录一施工机械台班费用定额:适用于与工程建设项目各专业工程相配套的施工机械台班费用单价;附录二混凝土及砂浆配合比:适用于与工程建设项目各专业工程相配套的混凝土及砂浆配合比。
2015《四川省建设工程工程量清单计价定额》构筑物工程说明及计算规则册说明一、构筑物工程量清单计价定额包括:混凝土构筑物工程、砌体构筑物工程、措施项目。
二、本定额的混凝土和砂浆是按过筛净砂编制的,各地应将过筛人工费和损耗纳入材料预算价格,定额考虑了砂的膨胀率。
因质量要求现场过筛的人工费及筛砂损耗已包括在定额内,不另计算。
三、本定额的混凝土和砂浆强度等级,如设计要求与定额不同时,允许按附录换算,但定额中各种配合比的材料用量不得调整。
四、本定额的混凝土是按中砂、特细砂编制的,砂浆是按中(细)砂、特细砂、干混砂浆编制的,计算时应按实际使用砂的种类分别套用相应定额项目。
五、本定额现浇混凝土构件是按现场搅拌非泵送编制的,商品混凝土以成品基价的形式表现。
六、本册中未包括的项目(如挖土、垫层、抹灰、基础、钢筋等),按2015年《四川省建设工程工程量清单计价定额——房屋建筑与装饰工程》册相应项目执行。
七、机械通风冷却塔、双曲线自然通风冷却塔、工业隧道、造粒塔、输送栈桥:本定额未编制,执行专业定额。
八、本定额在执行中如遇缺项,可按2015年《四川省建设工程工程量清单计价定额——房屋建筑与装饰工程》册、2015年《四川省建设工程工程量清单计价定额——市政工程》册、2015年《四川省建设工程工程量清单计价定额——通用安装工程》册相应项目执行。
A 混凝土构筑物工程说明一、一般说明(一)现浇混凝土构件的模板未包括在混凝土捣制项目内,在措施项目中单独列项。
(二)若设计混凝土强度等级和砂石品种等与定额项目不同时,按附录配合比换算。
(三)定额项目中混凝土用量栏内注有“低”字者为低流动性混凝土,无“低”字者为塑性混凝土。
(四)定额中钢筋混凝土烟囱、水塔、筒仓均按滑模施工进行编制。
(五)烟道隔热层项目按照本定额A.6.3“烟囱隔热层”相应项目执行。
(六)沟道(槽)按照2015年《四川省建设工程工程量清单计价定额——房屋建筑与装饰工程》册相应项目执行。
2015《四川省建设工程工程量清单计价定额》爆破工程说明及计算规则
A 露天爆破工程
说明
一、本定额只编制了露天爆破石方工程。
二、爆破石方按类别执行相应定额,岩石分类表见表A-1.。
四、沟槽、基坑、一般石方的划分为:底宽≤7m,底长>3倍底宽为沟槽;底长≤3倍
底宽,底面积≤150m2 的为基坑;超出上述范围则为一般石方。
五、本定额均未包括在地下水位以下施工的排水费用。
工程量计算规则
一、石方爆破:按设计图示尺寸和以体积计算。
二、基坑及沟槽、石方爆破,基础施工时需增加工作面,按施工组织设计规定计算,如无规定时,可按下表规定计算。
表A-3 基础施工所需工作面宽度计算表
四、摊座:按设计要求的范围以面积计算。
F 挖装运工程
说明
石方外运超过10公里时,按市场运输费计价。
工程量计算规则
石方挖运:按设计图示尺寸和有关规定以体积计算。
总说明 一、编制依据 2015年《四川省建设工程工程量清单计价定额》(以下简称本定额),是与中华人民共和国国家标准《建设工程工程量清单计价规范》GB50500-2013以及《房屋建筑与装饰工程工程量计算规范》GB50854-2013、《仿古建筑工程工程量计算规范》GB50855-2013、《通用安装工程工程量计算规范》GB50856-2013、《市政工程工程量计算规范》GB50857-2013、《园林绿化工程工程量计算规范》GB50858-2013、《构筑物工程工程量计算规范》GB50860-2013、《城市轨道交通工程工程量计算规范》GB50861-2013、《爆破工程工程量计算规范》GB50862-2013等(以下简称“13规范”)相配套,依据住房和城乡建设部令第16号《建筑工程施工发包与承包计价管理办法》、住房和城乡建设部、财政部关于印发《建筑安装工程费用项目组成》的通知(建标[2013]44号)、《全国统一建筑工程基础定额》GJD-101-95、《全国统一建筑装饰装修工程消耗量定额》GYD-901-2002、《全国统一安装工程基础定额》GJD208-2006、《全国统一市政工程预算定额》GYD-301~308-1999、《全国统一施工机械台班费用编制规则》、2009年《四川省建设工程工程量清单计价定额》、2008年《四川省房屋建筑抗震加固工程计价定额》以及现行国家相关产品标准、设计规范、施工质量验收规范和安全操作规程进行编制。
二、适用范围
本定额适用于四川省行政区域内的工程建设项目计价,具体专业工程如下: 房屋建筑与装饰工程:适用于工业与民用房屋建筑工程以及建筑物和构筑物的装饰、装修工程; 仿古建筑工程:适用于传统做法的仿古建筑物、构筑物和纪念性建筑以及现代建筑的仿古部分; 通用安装工程:适用于工业与民用安装工程; 市政工程:适用于市政建设工程; 园林绿化工程:适用于园林绿化工程; 构筑物工程:适用于构筑物工程; 爆破工程:适用于建筑物、构筑物、基础设施等开挖石方爆破工程; 城市轨道交通工程:适用于城市轨道交通的路基、围护结构、高架桥、地下区间、地下结构轨道、通信、信号、供电、智能与控制系统安装、机电设备安装、车辆基地工艺设备以及拆除工程等; 房屋建筑维修与加固工程:适用于房屋建筑工程拆换、维修、零星修补、抗震加固工程以及局部改造; 建筑安装工程费用:适用于与工程建设项目各专业工程相配套的各项费用; 其他项目:适用于与工程建设项目各专业工程相配套的其他项目; 规费:适用于与建设工程项目相配套的规费; 税金:适用于与建设工程项目相配套的税金; 附录一施工机械台班费用定额:适用于与工程建设项目各专业工程相配套的施工机械台班费用单价; 附录二混凝土及砂浆配合比:适用于与工程建设项目各专业工程相配套的混凝土及砂浆配合比。 凡使用国有资金投资的建设工程应执行本定额。 三、定额作用
本定额是编审建设工程设计概算、施工图预算、最高投标限价(招标控制价、招标标底)、竣工结算,调解处理工程造价纠纷,鉴定及控制工程造价的依据; 本定额是招标人组合综合单价,衡量投标报价合理性的基础; 本定额是投标人组合综合单价,确定投标报价的参考; 本定额是编制建设工程投资估算指标的基础。
四、消耗量标准
本定额的消耗量标准,是根据国家现行设计标准、施工质量验收规范和安全技术操作规程,以正常的施工条件、合理的施工组织设计、施工工期、施工工艺为基础,结合四川省的施工技术水平和施工机械装备程度进行编制的,它反映了社会的平均水平。因此,除定额允许调整者外,定额中的材料消耗量不得变动,如遇特殊情况,需报经工程所在地工程造价管理部门同意,并报省建设工程造价管理总站备查后方可调整。
五、综合单价
本定额综合单价是指完成一个规定计量单位的分部分项工程项目或措施项目的工程内容所需的人工费、材料和工程设备费、施工机具使用费、综合费(企业管理费和利润)。 (一)人工费: 1.人工费是指按工资总额构成规定,支付给从事建筑安装工程施工的生产工人和附属生产单位工人的各项费用。内容包括: (1)计时工资或计件工资:是指按计时工资标准和工作时间或对已做工作按计件单价支付给个人的劳动报酬。 (2)奖金:是指对超额劳动和增收节支支付给个人的劳动报酬,如节约奖、劳动竞赛奖等。 (3)津贴补贴:是指为了补偿职工特殊或额外的劳动消耗和因其他特殊原因支付给个人的津贴,以及为了保证职工工资水平不受物价影响支付给个人的物价补贴,如流动施工津贴、特殊地区施工津贴、高温(寒)作业临时津贴、高空津贴等。 (4)加班加点工资:是指按规定支付的在法定节假日工作的加班工资和在法定日工作时间外延时工作的加点工资。 (5)特殊情况下支付的工资:是指根据国家法律、法规和政策规定,因病、工伤、产假、计划生育假、婚丧假、事假、探亲假、定期休假、停工学习、执行国家或社会义务等原因按计时工资标准或计量工资标准的一定比例支付的工资。 2.本定额人工工日消耗量包括基本用工、辅助用工、其他用工和机械操作用工。每工日人工单价包括计时工资或计价工资、奖金、津贴补贴、加班加点工资、特殊情况下支付的工资等。综合计算人工单价如下: (1)房屋建筑与装饰工程(建筑工程)、市政工程(不包括市政给水、燃气、给排水机械设备安装、路灯工程)、城市轨道交通工程(建筑工程)、园林绿化工程、房屋建筑维修与加固工程(建筑工程)、爆破工程、构筑物工程:普工人工单价为60元/工日,技工人工单价为85元/工日,混凝土工人工单价为75元/工日。 (2)房屋建筑与装饰工程(装饰装修工程)、房屋建筑维修与加固工程(装饰工程):普工人工单价为60元/工日,抹灰技工为85元/工日,细木工为120元/工日,其他技工为95元/工日。 (3)通用安装工程(包括市政给水、燃气、给排水机械设备安装、路灯工程、城市轨道安装工程及园林绿化工程安装):普工、技工综合为85元/工日。 (二)材料费:是指施工过程中耗费的原材料、辅助材料、构配件、零件、半成品或成品、工程设备的费用。内容包括: 1.材料原价:是指材料、工程设备的出厂价格或商家供应价格。 2.运杂费:是指材料、工程设备自来源地运至工地仓库或指定堆放地点所发生的全部费用。 3.运输损耗费:是指材料在运输装卸过程中不可避免的损耗。 4.采购及保管费:是指为组织采购、供应和保管材料、工程设备的过程中所需要的各项费用,包括采购费、仓储费、工地保管费、仓储损耗。 工程设备是指构成或计划构成永久工程一部分的机电设备、金属结构设备、仪器装置及其他类似的设备和装置。 (三)施工机具使用费:是指施工作业所发生的施工机械、仪器仪表使用费。 1.施工机械使用费:以施工机械台班耗用量乘以施工机械台班单价表示,施工机械台班单价应由下列七项费用组成: (1)折旧费:指施工机械在规定的使用年限内,陆续收回其原值的费用。 (2)大修理费:指施工机械按规定的大修理间隔台班进行必要的大修理,以恢复其正常功能所需的费用。 (3)经常修理费:指施工机械除大修理以外的各级保养和临时故障排除所需的费用。包括为保障机械正常运转所需替换设备与随机配备工具的摊销和维护费用,机械运转中日常保养所需润滑与擦拭的材料费用及机械停滞期间的维护和保养费用等。 (4)安拆费及场外运费:安拆费指施工机械(大型机械除外)在现场进行安装与拆卸所需的人工、材料、机械和试运转费用以及机械辅助设施的折旧、搭设、拆除等费用;场外运费指施工机械整体或分体自停放地点运至施工现场或由一施工地点运至另一施工地点的运输、装卸、辅助材料及架线等费用。 (5)人工费:指机上司机(司炉)和其他操作人员的人工费。 (6)燃料动车费:指施工机械在运转作业中所消耗的各种燃料及水、电等。 (7)税费:指施工机械按照国家规定应缴纳的车船使用税、保险费及年检费等。 2.仪器仪表使用费:是指工程施工所需使用的仪器仪表的摊销及维修费用。 (四)综合费:本定额综合费包括企业管理费和利润。 1.企业管理费:是指建筑安装企业组织施工生产和经营管理所需的费用。内容包括: (1)管理人员工资:是指按规定支付给管理人员的计时工资、奖金、津贴补贴、加班加点工资及特殊情况下支付的工资等。 (2)办公费:是指企业管理办公用的文具、纸张、账表、印刷、邮电、书报、办公软件、现场监控、会议、水电、烧水和集体取暖降温(包括现场临时宿舍取暖降温)等费用。 (3)差旅交通费:是指职工因公出差、调动工作的差旅费、住勤补助费,市内交通费和误餐补助费,职工探亲路费,劳动力招募费,职工退休、退职一次性路费,工伤人员就医路费,工地转移费以及管理部门使用的交通工具的油料、燃料等费用。 (4)固定资产使用费:是指管理和试验部门及附属生产单位使用的属于固定资产的房屋、设备、仪器等的折旧、大修、维修或租赁费。 (5)工具用具使用费:是指企业施工生产和管理使用的不属于固定资产的工具、器具、家具、交通工具和检验、试验、测绘、消防用具等的购置、维修和摊销等。 (6)劳动保险和职工福利费:是指由企业支付的职工退职金、按规定支付给离休干部的经费,集体福利费、夏季防暑降温、冬季取暖补贴、上下班交通补贴等。 (7)劳动保护费:是企业按规定发放的劳动保护用品的支出,如工作服、手套、防暑降温饮料以及在有碍身体健康的环境中施工的保健费用等。 (8)检验试验费:是指施工企业按照有关标准规定,对建筑以及材料、构件和建筑安装物进行一般鉴定、检查所发生的费用,包括自设试验室进行试验所耗用的材料等费用。不包括新结构、新材料的试验费,对构件做破坏性试验及其他特殊要求检验试验的费用和建设单位委托检测机构进行检测的费用,对此类检测发生的费用,由建设单位在工程建设其他费用中列支。但对施工企业提供的具有合格证明的材料进行检测不合格的,该检测费用由施工企业支付。 (9)工会经费:是指企业按《工会法》规定的全部职工工资总额比例计提的工会经费。 (10)职工教育经费:是指按职工工资总额的规定比例计提,企业为职工进行专业技术和职业技能培训,专业技术人员继续教育、职工职业技能鉴定、职业资格认定以及根据需要对职工进行各类文化教育所发生的费用。 (11)财产保险费:是指施工管理用财产、车辆等的保险费用。 (12)财务费:是指企业为施工生产筹集资金或提供预付款担保、履约担保、职工工资支付担保等所发生的各种费用。 (13)税金:是指企业按规定缴纳的房产税、车船使用税、土地使用税、印花税等。 (14)其他:包括技术转让费、技术开发费、投标费、业务招待费、绿化费、广告费、公证费、法律顾问费、审计费、咨询费、保险费等。 2.利润:是指施工企业完成所承包工程获得的盈利。 (五)综合单价调整: 根据原建设部《关于调整工程造价的若干规定》(建标[1991]797号),《建筑工程施工发包与承包计价管理办法》(中华人民共和国住房和城乡建设部令第16号),国家标准《建设工程工程量清单计价规范》GB50500-2013,住房城乡建设部、财政部《关于印发用项目组成>的通知》(建标[2013]44号),原省建委《关于进一步搞好工程造价动态管理的通知》(川建委价发[1994]464号)以及原省建委、省物价局印发的《四川省建设工程造价信息管理办法》(川建委发[2000]0205号)的规定,综合单价的各项内容按以下规定进行调整: 1.人工费调整。本定额取定的人工费作为定额综合单价的基价,各地可根据本地劳动力单价的实际情况,由当地工程造价管理部门测算并附文报省建设工程造价管理总站批准后调整人工费。编制设计概算、施工图预算、最高投标限价(招标控制价、标底)时,人工费按工程造价管理部门发布的人工费调整文件进行调整;编制投标报价时,投标人参照市场价格自主确定人工费调整,但不得低于工程造价管理部门发布的人工费调整标准;编制和办理竣工结算时依据工程造价管理部门的规定及施工合同约定调整人工费。调整的人工费进入综合单价,但不作为计取其他费用的基础。 2.材料费调整。本定额取定的材料价格作为定额综合单价的基价,调整的材料费进入综合单价。在编制设计概算、施工图预算、最高投标限价(招标控制价、标底)时,依据工程造价管理部门发布的工程造价信息确定材料价格并调整材料费,工程造价信息没有发布的材料,参照市场价确定材料价格并调整材料费;编制投标报价时,投标人参照市场价格信息或工程造价管理部门发布的工程造价信息自主确定材料价格并调整材料费;编制和办理竣工结算时依据施工合同约定确认的材料价格调整材料费。 安装工程和市政工程中的给水、燃气、给排水机械设备安装、路灯工程以及城市轨道交通工程的通信、信号、供电、智能与控制系统、机电设备、车辆基地工艺设备以及园林绿化工程中绿地喷灌、喷泉安装等安装工程的计价材料费,由省建设工程造价管理总站根据市场变化情况统一调整。 3.机械费调整。本定额对施工机械使用费以机械费表示,定额注明了机械油料消耗量的项目,油价变化时,机械费中的燃料动力费按照上述“材料费调整”的规定进行调整,并调整相应定额项目的机械费,机械费中除燃料动力费以外的费用调整,由省建设工程造价管理总站根据住房和城乡建设部的规定以及四川省实际进行统一调整。调整的机械费进入综合单价,但不作为计取其