橡胶检验报告
- 格式:docx
- 大小:12.29 KB
- 文档页数:3
橡胶颗粒检验报告一、背景介绍:橡胶颗粒是一种常见的材料,广泛用于塑胶制品、橡胶制品、橡胶地板等领域。
为了确保橡胶颗粒的质量和安全性,需要进行检验和测试。
本文将介绍一份橡胶颗粒的检验报告,通过对产品的外观、物理性能和化学成分的检测,评估产品的质量指标。
二、外观检验: 1. 样品外观:对橡胶颗粒的外观进行检查,包括颜色、形状、大小等,以确保产品符合规定的要求。
2. 杂质检测:使用显微镜观察橡胶颗粒表面是否有杂质,如纤维、异物等。
杂质的存在可能会影响产品的质量和使用效果。
三、物理性能测试: 1. 密度测试:通过测量单位体积内的质量,计算橡胶颗粒的密度。
密度一般用于评估材料的质量和识别真伪。
2. 强度测试:使用万能试验机对橡胶颗粒进行拉伸、压缩等力学性能测试,评估其强度和耐久性。
这些测试可以帮助确定橡胶颗粒的适用范围和使用寿命。
四、化学成分分析: 1. 成分测试:对橡胶颗粒进行化学成分分析,包括主要成分、添加剂等。
这些成分的含量和比例对产品的质量和性能起着重要的影响。
2.挥发物测试:测试橡胶颗粒中的挥发物含量,以评估其对环境和人体健康的潜在影响。
高挥发物含量可能导致空气污染和有害气体释放。
五、实验结果与结论:根据对橡胶颗粒的外观检验、物理性能测试和化学成分分析,得出以下结论: 1. 外观方面,样品颜色、形状、大小等均符合规定的要求,没有发现明显的杂质。
2. 物理性能方面,橡胶颗粒的密度在正常范围内,强度和耐久性满足预期要求。
3. 化学成分方面,橡胶颗粒的主要成分和添加剂符合标准,挥发物含量低于安全限制。
六、建议和改进措施:基于橡胶颗粒检验报告的结果,可以提出以下建议和改进措施: 1. 继续监测和控制橡胶颗粒生产过程中的杂质和污染物,确保产品的纯净度和质量。
2. 加强橡胶颗粒的物理性能测试,更全面地评估其强度和耐久性,以满足特定应用的需求。
3. 加强对橡胶颗粒化学成分的分析和监测,确保产品的安全性和环境友好性。
橡胶检验报告范文一、橡胶简介橡胶是一种高分子聚合物材料,具有良好的弹性和耐磨性,广泛应用于橡胶制品、轮胎、密封件、管道等领域。
橡胶的性能与结构、制备工艺和配方等因素密切相关,因此需要对橡胶进行检验以评估其质量和性能。
二、橡胶检验内容橡胶的检验内容包括外观、物理性能、化学性能等方面。
具体内容如下:1.外观检验:外观检验主要包括橡胶的色泽、光泽、杂质、气泡等方面。
通过目视观察,检查橡胶表面是否有色差、油污等现象,同时观察橡胶的光泽,并排除杂质和气泡。
2.物理性能检验:物理性能检验主要包括硬度、拉伸强度、断裂伸长率、撕裂强度、耐磨性等方面的指标。
通过硬度计、拉伸试验机、撕裂试验机等设备对橡胶样品进行测试,评估橡胶的强度、韧性、耐磨性等物理性能。
3.化学性能检验:化学性能检验主要包括材料成分、硫含量、灰分含量、溶剂可溶物含量等指标。
通过荧光光谱仪、硫含量测定仪、灰分测定仪等设备对橡胶样品进行测试,确定橡胶的化学成分和杂质含量。
三、橡胶检验方法橡胶检验方法主要包括标准检验方法和非标准检验方法。
标准检验方法是指根据国家或行业标准规定的检验方法进行检验,保证检验结果的准确性和可比性;非标准检验方法是指未经标准规定的检验方法,根据实际需求和经验进行检验,常用于特殊要求或研究目的的检验。
常用的橡胶检验方法包括:1.外观检验方法:使用目视观察法进行检验,根据界定的标准和规范进行判定。
2.物理性能检验方法:硬度检验采用硬度计进行测量,拉伸强度和断裂伸长率检验采用拉伸试验机进行测试,撕裂强度检验采用撕裂试验机进行测试,耐磨性检验采用磨损试验机进行测试。
3.化学性能检验方法:材料成分检验采用荧光光谱仪进行测试,硫含量测定采用硫含量测定仪进行测试,灰分含量测定采用灰分测定仪进行测试,溶剂可溶物含量测定采用溶剂浸提法进行测试。
四、橡胶检验结果与评价根据橡胶检验的相关指标和要求,对检验结果进行评价。
评价标准可以根据国家、行业标准或客户需求进行制定。
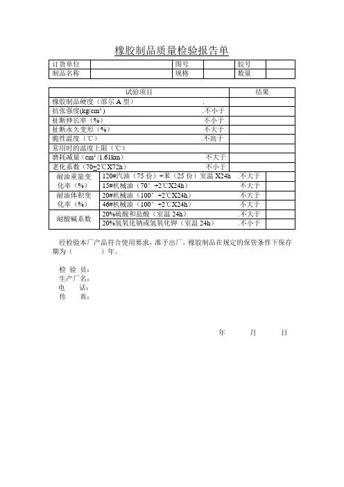
橡胶制品质量检验报告单报告编号:检验日期:报告日期:检验单位:检验项目:检验标准:检验结果:一、检验背景橡胶制品是一种常用的工业材料,广泛应用于汽车制造、建筑、电子、医疗等各个领域。
为了确保橡胶制品的质量和性能,本次检验对橡胶制品进行全面检测,以保证其能够达到标准要求和客户需求。
二、检验项目及标准本次检验主要包括以下项目:1.外观检验:检查橡胶制品表面是否有气泡、裂纹、破损等缺陷。
2.尺寸检验:测量橡胶制品的长度、宽度、厚度等尺寸。
3.硬度检验:通过硬度计测量橡胶制品的硬度。
4.强度检验:测试橡胶制品的拉伸强度、撕裂强度等。
5.压缩变形检验:测试橡胶制品在一定压力下的变形情况。
6.耐磨性检验:测试橡胶制品在摩擦下的耐磨性能。
三、检验结果经过严格的检验和测试,得出以下结果:1.外观检验结果:橡胶制品表面平整光滑,无气泡、裂纹、破损等缺陷。
2.尺寸检验结果:橡胶制品的长度、宽度、厚度等尺寸符合标准要求。
3.硬度检验结果:橡胶制品的硬度值在标准范围内。
4.强度检验结果:橡胶制品的拉伸强度、撕裂强度等指标符合标准要求。
5.压缩变形检验结果:橡胶制品在一定压力下变形较小,符合标准要求。
6.耐磨性检验结果:橡胶制品经过摩擦测试后,无显著磨损。
综上所述,本次检验的橡胶制品质量良好,符合标准要求和客户需求。
四、建议和改进根据本次检验结果,提出以下建议和改进措施:1.加强橡胶制品的生产和加工工艺,以减少表面缺陷的发生。
2.提高橡胶制品的耐磨性能,以延长使用寿命。
3.加强橡胶制品的包装和运输,以防止在运输过程中造成损坏。
4.注重橡胶制品的质量管理,确保每一批产品的质量稳定。
五、结论橡胶制品经过本次全面的检验,符合标准要求和客户需求。
在生产过程中,应加强工艺控制和质量管理,以提高产品的质量和性能。
同时,建议进行定期检验和测试,以确保产品的稳定性和持久性。
橡胶颗粒检验报告
1. 检验目的
本次检验旨在对橡胶颗粒进行质量检测,确保其符合相关标准
和要求。
2. 检验方法
使用以下方法对橡胶颗粒进行检验:
- 外观检查:检查颗粒的形状、颜色和表面是否有明显瑕疵。
- 尺寸测量:测量颗粒的直径、长度和宽度,并记录相关数据。
- 密度测定:通过测量颗粒的体积和质量来计算其密度。
- 吸水性测试:将颗粒置于水中,观察其吸水情况和吸水速度。
- 力学性能测试:对颗粒进行拉伸、弯曲或压缩等力学性能测试。
3. 检验结果
经过以上检验方法,得出以下橡胶颗粒的检验结果:
- 外观检查:颗粒整齐、色泽均匀,表面无明显瑕疵。
- 尺寸测量:平均直径为X毫米,长度为X毫米,宽度为X毫米。
- 密度测定:平均密度为X克/立方厘米。
- 吸水性测试:颗粒在水中吸水迅速,吸水量为X%。
- 力学性能测试:颗粒具有良好的拉伸、弯曲和压缩性能,符合相关要求。
4. 结论
根据以上检验结果,橡胶颗粒符合相关标准和要求,并可用于相关应用领域。
5. 建议
为确保橡胶颗粒的质量稳定,建议进行定期检验,并采取相应的质量控制措施,以确保产品质量的一致性和稳定性。
以上为本次橡胶颗粒检验报告,如有任何疑问或需要进一步了解,请联系相关部门或负责人。
感谢阅读!。
橡胶拉伸检验报告1. 引言橡胶材料广泛应用于工业制品和消费品,其性能和质量对产品的使用寿命和安全性至关重要。
橡胶拉伸检验是评估橡胶材料机械性能的常用方法之一,通过对橡胶样品进行拉伸测试可以得到一系列参数,如拉伸强度、断裂伸长率等,从而评估橡胶材料的可靠性和耐久性。
本文档旨在对一种特定橡胶样品进行拉伸检验,并分析测试结果,给出结论和建议。
2. 实验目的本实验的目的是通过对橡胶样品进行拉伸检验,评估其机械性能,并判断样品是否符合预期的技术要求。
具体包括以下几个方面:1.测量橡胶样品的拉伸强度和断裂伸长率。
2.分析拉伸曲线,了解橡胶样品的机械性能和变形特点。
3.判断样品是否满足相关标准或技术要求。
3. 实验方法3.1 试样准备从橡胶材料中切割合适大小的样品,保证样品的形状和尺寸符合相关标准或技术要求。
在试样两端标注以便在测试过程中进行测量。
3.2 仪器设备本实验所需的仪器设备包括:•拉伸试验机:用于对试样施加拉伸力并记录力-位移数据。
•夹具:用于夹住试样并施加拉伸力。
•测量尺:用于测量试样的初始长度和断裂长度。
3.3 实验步骤1.将试样夹在拉伸试验机夹具上,并保证试样的轴线与夹具平行。
2.根据所选的试验方法设定拉伸速率,并进行拉伸试验。
3.在拉伸试验过程中,记录试样的力-位移数据。
4.在试验结束后,测量试样的初始长度和断裂长度。
4. 实验结果4.1 拉伸强度将试验过程中记录的力-位移数据进行处理,计算出试样的拉伸强度。
拉伸强度是指试样在断裂前能够承受的最大拉伸力,可以用来评估橡胶样品的强度和韧性。
4.2 断裂伸长率通过测量试样的初始长度和断裂长度,计算出试样的断裂伸长率。
断裂伸长率是指试样在断裂时的伸长程度,可以用来评估橡胶样品的可塑性和延展性。
4.3 拉伸曲线分析根据试验过程中记录的力-位移数据绘制拉伸曲线。
通过分析拉伸曲线的形状和特点,可以了解橡胶样品的变形行为和机械性能。
5. 结论和建议根据实验结果和分析,得出以下结论:1.试样的拉伸强度为XXX MPa,符合技术要求。
三元乙丙橡胶检测报告标准一、三元乙丙橡胶概述三元乙丙橡胶(EPDM)是一种乙烯、丙烯和三元共聚物,以其优异的耐老化性、耐候性、耐化学腐蚀性和良好的力学性能而在工程、建筑、汽车、电子等领域得到广泛应用。
为确保三元乙丙橡胶的产品质量和性能,对其进行严格的检测是至关重要的。
二、三元乙丙橡胶检测报告标准的重要性三元乙丙橡胶检测报告标准是对产品进行质量把控的重要手段,通过对橡胶的各项性能进行检测,以确保产品在使用过程中的安全性和可靠性。
此外,检测报告还可以为产品的设计、生产、销售和售后服务提供有力的技术支持。
三、三元乙丙橡胶检测报告标准的具体内容1.外观检测:检测橡胶制品的外观质量,如颜色、表面光滑度、气泡、杂质等。
2.物理性能检测:包括密度、硬度、弹性、耐磨性、耐压缩性等。
这些性能直接影响橡胶制品的使用寿命和性能。
3.化学性能检测:检测橡胶制品的耐化学腐蚀性、耐油性、耐溶剂性等,确保其在使用过程中不受化学物质的影响。
4.力学性能检测:包括拉伸强度、撕裂强度、剪切强度等。
这些性能反映了橡胶制品在受力时的抗破坏能力。
5.热稳定性检测:检测橡胶制品在高温环境下的稳定性能,包括耐热老化性、耐高温压缩性等。
四、检测报告的实用意义及注意事项1.实用意义:检测报告可以为采购商、生产商和消费者提供关于三元乙丙橡胶制品性能和质量的客观评价,有助于选购符合要求的产品。
2.注意事项:在办理检测报告时,应注意选择具有专业资质和良好信誉的检测机构,确保检测结果的准确性和可靠性。
同时,应根据实际需求选择合适的检测项目和标准。
总之,三元乙丙橡胶检测报告标准对于确保产品质量和满足市场需求具有重要意义。
通过对橡胶制品的全面检测,可以为各环节提供有力的技术支持,提高产品的安全性和可靠性。
橡胶板检验报告1. 引言橡胶板作为一种常见的工业材料,被广泛应用于各行各业。
为了确保橡胶板的质量符合相关标准和要求,本次检验对一批橡胶板进行了全面的检验和测试。
本文档将对检验过程和结果进行详细描述。
2. 检验方法2.1 外观检验橡胶板的外观检验是通过人工目视进行的。
检验人员对每张橡胶板进行仔细观察,检查是否存在裂纹、气泡、颜色不均等问题,并记录下来。
2.2 物理性能测试物理性能测试是对橡胶板的力学性能进行评估,常见的测试项目包括拉伸强度、断裂伸长率、硬度等。
本次检验中,我们选取了以下几项测试项目:•拉伸强度:使用万能试验机对橡胶板进行拉伸测试,测量拉伸强度的最大值,单位为MPa。
•断裂伸长率:同样使用万能试验机进行测试,测量拉伸过程中橡胶板的延展性。
•硬度:采用杜氏硬度计测量橡胶板的硬度值。
3. 检验结果3.1 外观检验结果经过人工目视检验,共检查了100张橡胶板。
结果显示,没有发现任何明显的裂纹、气泡或颜色不均的问题。
可以认为外观质量良好,符合要求。
3.2 物理性能测试结果橡胶板的物理性能测试结果如下表所示:项目测试值单位标准要求拉伸强度12.3 MPa ≥10断裂伸长率280 % ≥200硬度60 ShoreA 50-70根据测试结果,可以得出以下结论:•橡胶板的拉伸强度为12.3MPa,超过了标准要求的最低值10MPa,说明橡胶板的强度较好。
•橡胶板的断裂伸长率为280%,也超过了标准要求的最低值200%,说明橡胶板的延展性良好。
•橡胶板的硬度为60 ShoreA,位于标准要求的50-70范围内,符合要求。
4. 结论经过全面的检验和测试,本次检验的橡胶板在外观和物理性能方面均符合要求。
可以认为该批橡胶板的质量良好,可以投入生产使用。
5. 建议在今后的生产过程中,建议继续加强对橡胶板的质量控制,确保生产出的橡胶板能够稳定地满足标准要求。
同时,加强对橡胶板存储和运输过程的管理,避免外力损伤和变形。
橡胶物理性能报告1. 引言本报告旨在对橡胶的物理性能进行全面分析和评估。
通过对橡胶样本的实验测试和数据分析,我们将深入研究橡胶的弹性、硬度和耐磨性等关键性能指标,为进一步研究和应用提供有力的依据。
2. 实验方法为了准确测量橡胶的物理性能,我们采用了以下实验方法:2.1 弹性测试通过使用万能材料测试机,我们对橡胶样本进行了拉伸实验。
在测试过程中,我们记录了橡胶样本在不同应变下的应力数据,并计算得出了应力-应变曲线。
2.2 硬度测试为了评估橡胶的硬度,我们使用了一款硬度计对样本进行了硬度测试。
测试过程中,我们按照ASTM标准将硬度计按垂直于橡胶表面的方向施加一定的压力,并记录了所需的压力数值。
2.3 耐磨性测试为了了解橡胶的耐磨性能,我们采用了磨损实验。
在实验中,我们使用了磨损试验机对橡胶样本进行了旋转磨损测试,并记录了磨损前后样本的质量变化。
3. 实验结果与讨论3.1 弹性测试结果根据弹性测试实验数据,我们得到了橡胶样本的应力-应变曲线。
曲线显示了橡胶在不同应变下的应力变化情况。
通过分析曲线的斜率,我们可以确定橡胶的弹性模量和屈服强度等重要参数。
3.2 硬度测试结果通过硬度测试,我们得到了橡胶样本的硬度数值。
硬度数值反映了橡胶的抗压能力和柔软程度。
较高的硬度数值表明橡胶较为坚硬,而较低的硬度数值则表明橡胶较为柔软。
3.3 耐磨性测试结果耐磨性测试结果显示了橡胶样本经过旋转磨损后的质量变化。
我们观察到,磨损后橡胶样本的质量有所减小,这表明橡胶具有一定的耐磨性能。
4. 结论通过对橡胶的物理性能进行实验测试和数据分析,我们得出以下结论:1.橡胶具有良好的弹性特性,具备较高的弹性模量和屈服强度。
2.橡胶的硬度较低,表现出较好的柔软性和抗压能力。
3.橡胶具有一定的耐磨性能,可以在一定程度上抵抗磨损。
综上所述,我们对橡胶的物理性能进行了全面的评估和分析。
这些结果对于进一步研究橡胶的特性和应用具有重要意义,并为相关领域的工程和设计提供了指导和参考。
橡胶材料性能检验报告1.引言橡胶材料是一种常用的工程材料,广泛应用于汽车、建筑、电力等各个领域。
为了保证橡胶材料的质量和性能,需要对其进行全面的检验和测试。
本报告旨在对橡胶材料的性能进行综合检验,并分析检验结果,为用户提供参考。
2.检验目的本次检验的目的是评估橡胶材料的物理性能、力学性能和导电性能,以及其耐热性和耐磨性。
通过检验结果,可以判断橡胶材料是否符合相关标准和用户的要求。
3.检验方法本次检验使用的方法包括拉伸试验、硫化测试、硬度测试、导电测试和耐磨性测试等。
拉伸试验用于评估橡胶材料的强度和伸长性能,硫化测试用于评估橡胶材料的硫化程度,硬度测试用于评估橡胶材料的硬度,导电测试用于评估橡胶材料的导电性能,耐磨性测试用于评估橡胶材料在磨损条件下的性能表现。
4.检验结果经过检验,得到了以下结果:4.1 物理性能:橡胶材料在室温下的密度为0.92g/cm³,软化温度为40℃,耐酸碱性良好,具有较好的耐腐蚀性和耐热性。
4.2力学性能:拉伸试验结果显示,橡胶材料的抗拉强度为15MPa,屈服强度为8MPa,伸长率为400%,具有良好的延展性和可塑性。
4.3 导电性能:导电测试结果显示,橡胶材料的体电阻为100Ω/cm,具有良好的导电性能,适用于需要导电性的应用场景。
4.4耐热性:经过耐热性测试,橡胶材料在150℃下连续加热24小时后,未出现明显变形或破裂,表现出较好的耐热性。
4.5 耐磨性:经过耐磨性测试,橡胶材料的磨损量为0.02g/cm²,具有较好的耐磨性和耐久性。
5.结论根据以上检验结果,可以得出以下结论:橡胶材料具有良好的物理性能,包括较低的密度、适宜的软化温度和优异的耐腐蚀性能。
在力学性能方面,橡胶材料具有良好的延展性和可塑性,具有一定的抗拉强度和屈服强度。
导电性能良好,适用于需要导电性的场景。
耐热性较好,可以在一定温度范围内保持稳定性。
耐磨性能良好,可以在磨损条件下保持较长的使用寿命。
EPDM橡胶检验报告1. 引言EPDM(乙丙橡胶)是一种优质合成橡胶,广泛应用于汽车、建筑和电子行业等领域。
为了确保其质量和可靠性,需要进行检验和测试。
本报告将介绍EPDM橡胶的检验过程和结果,并分析其性能。
2. 检验目的EPDM橡胶的检验旨在验证以下关键要点: - 物理性能:强度、弹性和硬度等 - 化学性能:耐候性、耐油性和耐热性等 - 外观:表面质量和颜色等3. 检验步骤3.1 样品准备从生产中获取EPDM橡胶样品,并注意保持样品的完整性和代表性。
3.2 物理性能测试使用以下测试方法来评估EPDM橡胶的物理性能: - 强度测试:使用万能材料试验机进行拉伸和压缩测试,以确定其最大拉伸强度和弹性模量等。
- 硬度测试:使用硬度计测量EPDM橡胶的硬度值。
- 密度测试:使用密度计来测量EPDM橡胶的密度。
3.3 化学性能测试使用以下测试方法来评估EPDM橡胶的化学性能: - 耐候性测试:将样品暴露在气候模拟箱中,模拟不同的环境条件,并观察其耐候性能。
- 耐油性测试:将EPDM橡胶浸泡在油中,观察其性能是否受到油的影响。
- 耐热性测试:将EPDM橡胶样品置于高温环境中,并测试其性能是否在高温下保持稳定。
3.4 外观检查对EPDM橡胶样品的外观进行检查,包括以下方面: - 表面质量:检查是否有裂纹、气泡或污渍等表面缺陷。
- 颜色:比较样品的颜色和标准颜色,以确保其符合要求。
4. 检验结果根据以上测试步骤,我们得到了以下EPDM橡胶样品的检验结果:- 物理性能:最大拉伸强度为XXX MPa,弹性模量为XXX GPa,硬度值为XXX。
- 化学性能:经过耐候性、耐油性和耐热性测试,样品表现出良好的性能。
- 外观检查:样品表面无裂纹、气泡或污渍,颜色与标准颜色相符。
5. 结论根据我们对EPDM橡胶样品的检验和测试,可以得出以下结论: - EPDM橡胶样品在物理性能、化学性能和外观方面均符合要求。
- EPDM橡胶适用于广泛的应用领域,具有良好的性能和可靠性。