危险品仓库建设流程图
- 格式:xls
- 大小:25.50 KB
- 文档页数:1
危险品仓库施工流程规划
本文档旨在规划危险品仓库施工的流程,确保施工过程中的安
全性和高效性。
以下为施工流程规划的主要步骤:
1. 前期准备
- 进行危险品仓库施工前的现场勘察和评估工作,确保施工的
可行性。
- 编制详细的施工方案和施工图纸。
- 确保施工所需的危险品仓库建设许可和相关证件的齐全。
2. 施工准备
- 配置专业施工人员和必要的设备。
- 制定安全施工计划,包括事故预防和紧急救援措施。
- 安排危险品仓库施工的时间节点和工期计划。
3. 基础建设
- 按照施工方案进行土地平整和基础建设工作。
- 建设危险品仓库的主体结构,包括围墙、屋顶和通风设施等。
4. 内部设施安装
- 安装危险品仓库所需的专业设备,如温度控制系统、火灾报警系统和通风设备等。
- 整理危险品仓库的布局,放置货架和储存设施。
5. 检测与测试
- 进行危险品仓库内部设施的功能检测和试运行。
- 检查危险品仓库的安全性和符合性,确保其符合相关法律法规和标准要求。
6. 安全培训与验收
- 对危险品仓库施工人员进行安全培训,包括危险品的储存和处理等知识。
- 由相关部门进行验收,核实危险品仓库的安全性和合规性。
7. 完工与移交
- 完成施工并进行相关的整理和清理工作。
- 确定危险品仓库移交的责任方和程序,并完成移交手续。
8. 后期维护与管理
- 建立健全的危险品仓库维护和管理制度,确保其持续运营的安全和高效。
以上为危险品仓库施工流程规划的主要步骤,具体执行过程中需根据实际情况进行调整和补充。
小型危险品仓库手续流程
一、前期准备
1. 明确危险品仓库的位置、面积、容量等基本信息。
2. 按规定准备危险品仓库的设计方案,包括结构、布局、通风、防火、防静电等。
3. 确定仓库将存储的危险品种类及数量,准备安全技术说明书等资料。
4. 选择具有相关资质的危险品仓储企业经营。
二、申请手续
1. 向地方安全生产监督管理部门提出建设危险品仓库的申请。
提供仓库设计方案及资料。
2. 安监部门会组织检查仓库选址及设计方案,必要时要求修改。
3. 安监部门批准后,向工商、税务等部门申请开办仓储企业。
4. 办理组织机构代码证等手续,取得营业执照。
三、建设施工
1. 选择具有资质的施工单位,按批准的设计方案施工。
2. 安监及其他相关部门会对仓库建设进行监督检查。
3. 施工完成后,需要进行安全设施完整性检测。
4. 修订安全技术说明书及各项规章制度。
四、开仓运营
1. 向安监部门申请危险品仓库开仓验收。
2. 安监部门组织检查验收,符合要求后出具开仓许可证明。
3. 向工商部门申请变更登记为危险品仓储企业。
4. 按规定定期进行安全教育和演练,严格操作规程,开展仓储业务。
五、日常监管
1. 接受安监、工商、税务等部门的日常监督检查。
2. 严格执行各项安全生产及仓储操作规定。
3. 定期自查自检,及时整改,如实记录。
4. 每年须向安监部门申报一次安全生产状况。
危险品仓储设施(仓库)建设程序危险品仓储设施(仓库)建设程序一、项目核准(一) 依据法律法规:《国务院关于投资体制改革的决定》(国家发改委2004第20令)《企业投资项目核准暂行办法》(国家发改委2004第19号令)《危险品建设项目安全许可实施办法》(国家安监总局2006第8号令:《中华人民共和国城乡规划法》(国家主席令第2007第74号)(二) 项目核准行政主管部门:辖区发改委或经贸委(三) 项目核准须提交的文件资料:1、项目申请报告及地方政府投资主管部门的意见(发改委)2、城市规划行政主管部门出具的《城市规划意见》《选址意见书》3、国土资源行政主管部门出具的《项目用地预审意见》4、环境保护行政主管部门出具《影响环境评价审批意见》5、建设项目安全条件论证报告和建设项目立项安全审查意见书6、根据法律法规提交的其他文件(交通、电力、水利部门意见等)(四) 项目核准程序:l、申请:建设单位向核准机关(发改委)提交申请报告一式五份。
2、受理:核准机关向申请单位出具《受理通知书》或《不予受理通知书》。
3、审查:文件资料审查评估、专家评议征求相关部门意见。
4、决定:核准机关向申请单位出具《不予核准》或《项目核准文件》。
二、注:1、以划拨方式提供国有土地使用权的建设单位,在项目核准前,向规划主管部门申请《选址意见书》(规划法36、37节)2、以出让方式提供国有土地使用权的建设项目,建设单位与土地主管部门签订土地出让合同,办理《建设用地批准书》。
3、持土地使用有关证明,向规划主管部门申请《建设用地规划许可证》。
三、项目勘察与设计:(一) 依据法律法规:《建设工程勘察与设计管理条例》(国务院2000第293号令)《危险化学晶建设项目许可实施办法》(国家安监总局2006第8号令《中华人民共和国消防法》(国家主席令1998第4号)《中华人民共和国建筑法》(国家主席令1998第91号)(二) 项目勘察设计行政主管部门:建委(三) 编制勘察设计文件依据要求:1、建设工程勘察设计单位资质证书2、项目批准文件(核准许可、立项许可)3、城市规划许可证明4、工程建设强制性标准(含《建筑设计防火规范》GB50016-20065、建设项目安全设施设计专篇6、国家规定建设工程勘察设计深度要求7、国家法律法规规定有关文件(四) 项目勘察设计程序:1、发包与承包(招标与投标)2、勘察与设计方案评标,并确定承包单位,签订勘察设计合同3、编制勘察设计文件(含设计方案、勘察报告、施工图、建设项目安全设施设计专篇等)4、通过《危险化学晶建设项目安全设施设计审查》(颁发意见书)5、向主管部门提出申请,受理后进行审查,最后做出决定。
危险品仓储设施(仓库)建设程序一、项目核准(一) 依据法律法规:《国务院关于投资体制改革的决定》(国家发改委2004第20令)《企业投资项目核准暂行办法》(国家发改委2004第19号令)《危险品建设项目安全许可实施办法》(国家安监总局2006第8号令:《中华人民共和国城乡规划法》(国家主席令第2007第74号)(二) 项目核准行政主管部门:辖区发改委或经贸委(三) 项目核准须提交的文件资料:1项目申请报告及地方政府投资主管部门的意见(发改委)2城市规划行政主管部门出具的《城市规划意见》《选址意见书》3国土资源行政主管部门出具的《项目用地预审意见》4环境保护行政主管部门出具《影响环境评价审批意见》5建设项目安全条件论证报告和建设项目立项安全审查意见书6根据法律法规提交的其他文件(交通、电力、水利部门意见等)(四) 项目核准程序:l申请:建设单位向核准机关(发改委)提交申请报告一式五份。
2受理:核准机关向申请单位出具《受理通知书》或《不予受理通知书》。
3审查:文件资料审查评估、专家评议征求相关部门意见。
4决定:核准机关向申请单位出具《不予核准》或《项目核准文件》。
注:1、以划拨方式提供国有土地使用权的建设单位,在项目核准前,向规划主管部门申请《选址意见书》(规划法36、37节)2、以出让方式提供国有土地使用权的建设项目,建设单位与土地主管部门签订土地出让合同,办理《建设用地批准书》。
3、持土地使用有关证明,向规划主管部门申请《建设用地规划许可证》。
三、项目勘察与设计:(一) 依据法律法规:《建设工程勘察与设计管理条例》(国务院2000第293号令)《危险化学晶建设项目许可实施办法》(国家安监总局2006第8号令《中华人民共和国消防法》(国家主席令1998第4号)《中华人民共和国建筑法》(国家主席令1998第91号)(二) 项目勘察设计行政主管部门:建委(三) 编制勘察设计文件依据要求:1、建设工程勘察设计单位资质证书2、项目批准文件(核准许可、立项许可)3、城市规划许可证明4、工程建设强制性标准(含《建筑设计防火规范》GB50016-20065、建设项目安全设施设计专篇6、国家规定建设工程勘察设计深度要求7、国家法律法规规定有关文件(四) 项目勘察设计程序:1、发包与承包(招标与投标)2、勘察与设计方案评标,并确定承包单位,签订勘察设计合同3、编制勘察设计文件(含设计方案、勘察报告、施工图、建设项目安全设施设计专篇等)4、通过《危险化学晶建设项目安全设施设计审查》(颁发意见书)5、向主管部门提出申请,受理后进行审查,最后做出决定。
仓库管理规定及流程图仓库管理规定及流程图一、仓库管理规定1、仓库是企业物资管理的重要场所,必须妥善保管,确保物资安全、准确、完整。
2、仓库管理人员必须具备高度的责任感和职业道德,严格遵守企业相关规定,确保仓库管理工作的顺利进行。
3、仓库内的物资必须按照规格、品种、用途等分类存放,标识清晰,堆放整齐。
同时,要定期对库存物资进行盘点和清理,确保账物相符。
4、仓库的防火、防盗、防水等安全措施必须到位,严格遵守安全规定,确保仓库安全无患。
5、仓库管理人员在接收和发放物资时,必须严格遵守企业采购和销售规定,确保物资质量和使用效果。
二、仓库管理流程图1、入库流程:采购物资到达→仓库管理人员核对发票、订单、物资质量等信息→物资进入待检区,仓库管理人员进行质量检验→合格的物资进入仓库,管理人员进行登记和标识→不合格的物资退回供应商或进入不良品区。
2、出库流程:销售或生产部门提出物资需求→仓库管理人员核对需求信息→准备所需物资,核对物资质量和数量→物资出库,管理人员进行登记和标识→物资运送到需求部门。
3、库存盘点流程:仓库管理人员制定库存盘点计划→实施盘点,记录实际库存量→对盘点结果进行统计和分析,找出差异原因→调整库存信息,确保账物相符。
三、注意事项1、仓库管理人员在操作过程中,必须注意货物摆放、堆叠、防火、防盗等问题,避免发生安全事故。
2、对于有特殊要求的物资,比如危险品、易燃易爆品等,必须按照专业规定进行存放和保管,确保安全。
3、仓库管理人员应定期检查仓库设备、设施的运行状况,确保其正常运转,避免因设备故障导致物资损坏或安全事故。
四、总结仓库管理规定及流程图是保障企业物资管理规范化和高效化的重要手段。
通过明确规定仓库管理人员的职责、仓库安全防范措施、物资的入库、出库及库存管理流程等,可以确保企业物资的安全、准确和及时供应,提高企业的生产效率和经营效益。
在实际操作过程中,仓库管理人员还需根据企业的实际情况进行灵活调整,不断完善和优化仓库管理规定及流程,以适应企业的发展需求。
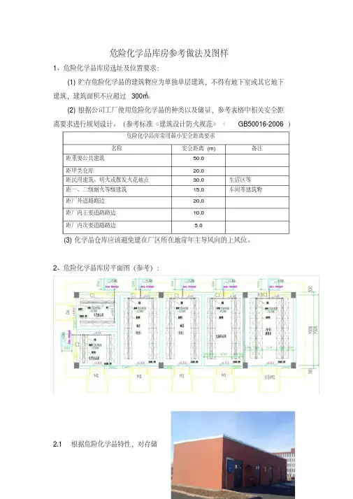
危险化学品库房参考做法及图样1、危险化学品库房选址及位置要求:(1)贮存危险化学品的建筑物应为单独单层建筑,不得有地下室或其它地下建筑,建筑面积不应超过300m2。
(2)根据公司工厂使用危险化学品的种类以及储量,参考表格中相关安全距离要求进行规划设计。
(参考标准《建筑设计防火规范》〈GB50016-2006〉)危险化学品库常用最小安全距离要求名称安全距离(m) 备注距重要公共建筑50.0距甲类仓库20.0距民用建筑、明火或散发火花地点30.0 生活区等距一、二级耐火等级建筑15.0 车间等建筑物距厂外道路路边20.0距厂内主要道路路边10.0距厂内次要道路路边 5.0(3)化学品仓库应该避免建在厂区所在地常年主导风向的上风位。
2、危险化学品库房平面图(参考):2.1 根据危险化学品特性,对存储的危险化学品进行分库、分区、分类贮存。
分库的数量、面积以及存储危险化学品的种类结合各工厂实际使用和存储化学品的种类、存数的数量进行划分。
2.2 危险化学品参考相关标准进行分类(GB6944-86《危险货物分类和品名编号》、GB12268-90《危险货物品名表》、GB13690-92《常用危险化学品分类及标志》),库房划分以及危险化学品储存原则遵从GB 15603-1995《常用危险化学品贮存通则》;各分库的防火、防爆等级按照存放的危险化学品危险分类进行设计。
3、危险化学品库房部分设施的参考做法:3.1 防溢流堤、排液槽和集液池:(1)防溢流堤:在库门口处设置高出50mm的缓坡堤,防止液体化学品从库内外溢到库外;(2)排液槽:在储存货架下四周的地面坡向排液槽,泄漏化学品流向集液槽后排向积液池,防止泄漏化学品扩散至整个库内地面;(3)集液池:容积为1立方米带密封盖板,收集泄漏化学品后根据化学品泄漏事故处理程序由人工清理。
3.2 通风序号参考做法图片1 进风口应设计在墙体的下侧,并做好防鼠设施;进风洞口底边距室外地面300~500mm。
危化品安全设施设计导则学习十一:流程图附图
依据导则要求,流程图附图需要附“工艺流程简图”,这个容易引起专家和编制者之间的争议。
有些人一看“工艺流程简图”,直接就附一张工艺原则流程图,是一张方框图,专家在审的时候什么也看不出来,什么也审不出来当然会不愿意的。
而附工艺流程图确实有一些不方便。
主要的问题就是保密问题。
化工工艺设计中有一些工艺是某些企业的商业秘密,不愿意公布出去,即使是专家签订保密协议,审的专家往往可能是商业上的竞争对手单位的专家,泄露商业秘密的风险很大。
在流程图中会把很多信息显示出来,比如操作温度、压力、流量等信息,这些信息很可能是商业秘密的关键信息,有几个关键信息就足够了。
因为化工单元操作无非就蒸馏、过滤等那几样单元操作,很多设备都是通用设备,所不同的就是操作的组合和操作条件。
审查专家需要详细的图,又有保密的需要,这个矛盾最好的办法就是,单独再绘制图,内容当然要比原则流程图详细,又比详细的流程图简化,删除不必要的信息。
保留那些信息呢?主要是可能存在危险会造成危害的信息。
比如温度特别高或者特别低会造成高温灼烫或低温冻伤要求交代。
如果这些恰恰是需要保护的敏感信息,建议写成范围,最佳的操作条件肯定不会交代了。
既可以保留危险因素的信息,又可以保护商业秘密。
目錄1. 概論第1頁2. 申請手續第2 - 4頁3. 安全規定的一般指引第5 - 7頁4. 附錄附錄甲第8 - 11頁附錄乙第12頁附錄丙第13 - 14頁附錄丁第15 - 20頁附錄戊第21頁1. 概論1.1 引言易燃液體及壓縮氣體是建築地盤常用的物品。
舉例來說,裝修工程經常使用漆油、稀釋劑、假漆及纖維漆。
至於作為工具動力1燃料的電油及柴油,以及用於火燄切割及燒焊的氧氣及乙炔,在建築地盤也很常用。
根據香港法例第295章《危險品條例》第6條,除非獲得消防處處長(主管當局)發出牌照,否則任何人不得在任何處所或地方貯存超過豁免量的危險品。
1.2 目的及適用範圍本指引的目的,是就危險品倉的申請手續,以及設計和建造,提供一般資料,以協助業界領取在建築地盤貯存危險品的牌照。
主管當局在制訂指引時,已考慮到業界的高流動性以及危險品倉僅屬臨時性質的因素。
本指引供總承建商、分包承建商、管理人員、工程師、代理人及安全人員等參考之用,以確保建築地盤的消防安全。
請注意,本指引並不適用於永久性質的危險品倉。
如有疑問,請向消防處危險品課查詢。
1.3 豁免量以下是建築地盤內一些常用危險品及其豁免量:1.4 獲批准的貯槽凡符合《國際海運危險貨物守則》規定而用作運送的標準盛器,一般都可用以貯存易燃液體。
此外,根據香港法例第295B章《危險品(一般)規例》第99A條,所有用以貯存柴油的貯槽,必須獲得消防處處長(主管當局)的批准。
1. 根據香港法例第95F章《消防(消除火警危險)規例》第19(1)條,如任何人為提供第5類危險品以供轉注入汽車的油缸作業務的目的,而在任何沒有獲發有效危險品牌照的處所之內管有此等危險品,即屬違法,可被直接檢控。
2. 申請手續2.1 遞交申請2.1.1 一般事項任何人擬在建築地盤貯存第二或第五類危險品,均須以書面向主管當局申請牌照。
申請須連同兩套圖則及一份書面陳述一併提交。
圖則須盡量按照比例繪製,而陳述書內須列明危險品的性質及類別,以及最高貯存量,並提供下文指定所需的資料。
危险化学品仓库施工方案危险品仓库围墙(暂定高度±0m以上2m)一、围墙基础1、危险品仓库围墙放线。
2、原有地面为混凝土硬化地面,需在放线后对施工放线处混凝土地面破碎开挖,基坑宽400mm、深600mm。
3、基坑填200mm砂夹石垫层4、围墙基础宽400mm 厚200mm、C20素混凝土条形基础。
二、围墙墙砌体1、墙体240砖墙,小红砖砌筑。
2、围墙顶部为宽高360x100的C20钢筋混凝土压顶。
3、围墙砖柱为400x400红砖砌筑。
三、围墙粉刷1、围墙内外墙面20厚1:2水泥砂浆抹灰。
2、墙面刮腻子一遍并打磨找平。
3、墙裙部分采用灰色外墙防水涂料、墙裙以上为白色外墙防水涂料。
四、围墙大门1、大门宽度为4500mm采用钢制双开门。
2、钢制大门两侧立柱,立柱为C25现浇钢筋混凝土柱,高同围墙长400mm宽400mm,两个立柱各设两个200x200预埋件便于钢质门安装。
五、大门坡道1、场地大门口为高压电缆沟,原有电缆沟沟盖板更换为承重沟盖板。
2、场地地面标高高于路面,场地至路面为现浇混凝土坡道,宽6米。
危险品仓库(±0m至女儿墙顶标高5m)一、仓库基础1、房屋基础放线2、房屋位置原有地面为混凝土硬化地面,放线后对施工放线处混凝土地面破碎开挖,基坑宽600mm、深1200mm。
3、基坑填200mm砂夹石垫层。
4、基础宽600mm、厚250mm,C20素混凝土土条形基础。
二、仓库结构1、房屋地圈梁:C25现浇钢筋混凝土梁,宽、高为240x300。
2、房屋构造柱:C25现浇混凝土构造柱,长、宽为240x240。
3、屋顶圈梁:C25钢筋混凝土梁,宽、高为240x300。
4、屋面顶板:C25钢筋混凝土现浇板,厚100mm。
5、墙体门、窗上部过梁:C25现浇钢筋混凝土过梁。
三、房屋墙体1、墙体:240砖墙,小红砖砌筑。
2、沿墙高每隔500mm配置2φ6拉结钢筋与构造柱拉结。
3、女儿墙为240砖墙、高500,压顶为C25钢筋混凝土、100厚。
危险品仓储设施(仓库)建设程序2009-10-29 来源:作者:危险品仓储设施(仓库)建设程序一、项目核准(一) 依据法律法规:《国务院关于投资体制改革的决定》(国家发改委2004第20令)《企业投资项目核准暂行办法》(国家发改委2004第19号令)《危险品建设项目安全许可实施办法》(国家安监总局2006第8号令:《中华人民共和国城乡规划法》(国家主席令第2007第74号)(二) 项目核准行政主管部门:辖区发改委或经贸委(三) 项目核准须提交的文件资料:1、项目申请报告及地方政府投资主管部门的意见(发改委)2、城市规划行政主管部门出具的《城市规划意见》《选址意见书》3、国土资源行政主管部门出具的《项目用地预审意见》4、环境保护行政主管部门出具《影响环境评价审批意见》5、建设项目安全条件论证报告和建设项目立项安全审查意见书6、根据法律法规提交的其他文件(交通、电力、水利部门意见等)(四) 项目核准程序:l、申请:建设单位向核准机关(发改委)提交申请报告一式五份。
2、受理:核准机关向申请单位出具《受理通知书》或《不予受理通知书》。
3、审查:文件资料审查评估、专家评议征求相关部门意见。
4、决定:核准机关向申请单位出具《不予核准》或《项目核准文件》。
二、注:1、以划拨方式提供国有土地使用权的建设单位,在项目核准前,向规划主管部门申请《选址意见书》(规划法36、37节)2、以出让方式提供国有土地使用权的建设项目,建设单位与土地主管部门签订土地出让合同,办理《建设用地批准书》。
3、持土地使用有关证明,向规划主管部门申请《建设用地规划许可证》。
三、项目勘察与设计:(一) 依据法律法规:《建设工程勘察与设计管理条例》(国务院2000第293号令)《危险化学晶建设项目许可实施办法》(国家安监总局2006第8号令《中华人民共和国消防法》(国家主席令1998第4号)《中华人民共和国建筑法》(国家主席令1998第91号)(二) 项目勘察设计行政主管部门:建委(三) 编制勘察设计文件依据要求:1、建设工程勘察设计单位资质证书2、项目批准文件(核准许可、立项许可)3、城市规划许可证明4、工程建设强制性标准(含《建筑设计防火规范》GB50016-20065、建设项目安全设施设计专篇6、国家规定建设工程勘察设计深度要求7、国家法律法规规定有关文件(四) 项目勘察设计程序:1、发包与承包(招标与投标)2、勘察与设计方案评标,并确定承包单位,签订勘察设计合同3、编制勘察设计文件(含设计方案、勘察报告、施工图、建设项目安全设施设计专篇等)4、通过《危险化学晶建设项目安全设施设计审查》(颁发意见书)5、向主管部门提出申请,受理后进行审查,最后做出决定。
页眉内容页脚内容- 4 -爆破作业单位民爆物品储存库(药量≦5吨)库区平面布置图爆破作业单位民用爆炸物品小型储存库平面示意图说明:如果库区建在山沟里,沟宽大于40米,且炸药库前、后、里三面都是高于20米的山体,则可以不建“U ”型防护土堤。
在上图中,值班室为外(出口方向),炸药库为里。
围墙内面积:20*36= 720平方米。
小型民用爆炸物品储存库建筑结构各单元土建施工技术要点1炸药库、雷管库1.1 库房面积:(1)炸药库:最大储存药量3吨以下,4×3m2, 最大储存药量3~5吨,4×5m2。
(2)雷管库:4×3~4m2。
(3)雷管发放间:4×2~3m2。
1.2 库房结构:储存库应为单层建筑,可采用砖墙承重,厚度不小于24cm,屋盖宜为钢筋混凝土结构,厚度不小于12cm,净高度不宜低于3m。
1.3 库门结构:(1)储存库的外层门应为防盗门,内层门应为加金属网的通风栅栏门,栅栏的钢筋直径不小于12mm,间距不小于100mm,两层门均应向外开启;(2)门洞的宽度不宜小于1.5m,高度不宜小于2.0m,1.4 库窗结构:库窗位置应距地面2米以上;库窗尺寸:(宽×高)40cm×30cm;库窗应能向外开启,窗洞上应配置铁栅栏,铁栅栏的钢筋直径不小于12mm,间距不小于100mm,,窗洞上还要加装金属网以防止小动物钻进库房;在窗下勒脚处(距地面30cm左右)宜设置通风孔并装设铁栅栏和金属网。
1.5 库内地面:普通水泥地面;(1)炸药库地面应铺设木板,(2)雷管库地面应在底层铺木板,在木板上铺设导静电橡胶板,且应接地。
1.6 库内墙面上画定高线:炸药库定高线距地面1.8米,雷管库定高线距地面1.6米;1.7 库内地面上画定置线:沿墙周距墙边0.25米。
1.8 门窗洞口宜采用钢筋混凝土过梁,过梁支承长度不应小于250mm。
2 警卫室2.1 建筑面积:一般选3×4m2,够用就行。