电梯轿厢及对重安装工程质量验收记录表
- 格式:xls
- 大小:18.00 KB
- 文档页数:1
表C7-2电梯分项工程质量验收纪录2、当同一分项工程检验批名称不一致时,填写检验批名称。
市建筑工程质量监督站监制电梯安装分项工程质量验收记录表G2 编号:电梯安装工程设备进场质量验收记录表GB50310—2002 0901010109020101电梯安装土建交接质量验收记录表GB50310—2002 0901020109020201电梯驱动主机安装工程质量验收记录表(曳引式或强制式)GB50310-2002 09010301电梯导轨安装工程质量验收记录表(曳引式或强制式)GB50310-2002 0901040109010401电力液压电梯门系统安装质量验收记录表GB50310-2002 0901050109020501电梯轿厢及对重安装工程质量验收记录表GB50310-2002 0901060109020601电梯安全部件安装工程质量验收记录表GB50310-2002 0901070109020701电梯悬挂装置、随行电缆、补尝装置安装工程质量验收记录表GB50310-2002 09010801电梯电气装置安装工程质量验收记录表GB50310-2002 0901090109020901电梯整机安装工程质量验收记录表GB50310-2002 9011001电梯承重梁、起重吊环埋设隐蔽工程检查记录表D3-1 编号:隐检容及示意图:承重梁规格280 数量2根承重墙类型混泥土厚度240 埋设长度210 过墙中心100 梁垫规格1100×240×36焊接情况良好防腐措施封闭梁端封闭型刚焊接、混泥土灌注起重吊环设计载荷2000㎏起重吊环材料规格36混泥土承重梁位置规格合理吊环与钢筋描固尺寸合理圆钢吊环载荷2000㎏检查意见检查合格、同意隐蔽。
2010年月日复检意见年月日参加人员签字建设(监理)单位安装单位技术负责人质检员工长电梯钢丝绳灌注隐蔽工程检查记录表D3-2 编号:工程名称美景瑞园小区号楼隐检项目钢丝绳头灌注操作场地楼顶屋面填写日期2010年月日操作日期2010年月日天气情况气温用火手续正常看火人操作人钢绳用途曳引钢丝绳规格10㎜锥套数共10个隐检容及示意图:检查意见检查合格,同意隐蔽2010年月日复检意见年月日参加人员签字建设(监理)单位安装单位技术负责人质检员工长。
电梯安装竣工验收单电梯安装验收规范GB/T10060-20115 验收检验项目及检验要求5.1 机器设备区间和滑轮间5.1.1 通道通往机器设备区间及滑轮间的通道应符合GB 7588-2003中6.2的要求。
5.1.2 安全空间和维修空间5.1.2.1 机房内电梯驱动主机旋转部件的上方应有不小于0.3 m的铅垂净空距离。
井道内无防护的电梯驱动主机旋转部件上方应有不小于0.3m的铅垂净空距离。
如果该距离小于0.3m,应按照GB 7588-2003中9.7.1 a)的要求提供防护。
5.1.2.2 滑轮间内无花板以下的净高度不应小于1.5m(装有控制柜的滑轮间除外),滑轮上方应有不小于0.3m的铅垂净空距离。
5.1.2.3 在控制柜(屏)、紧急和试验操作屏前应有一块净空面积,该面积:a) 深度:从屏、柜的外表面测量时不小于0.7m;b) 宽度:为0.5 m或柜、屏的全宽,取两者中的大者。
5.1.2.4 为了对运动部件进行维修和检查,在必要的地点以及需要手动紧急操作的地方,应有一块不小于0.5 m×0.6 m的水平净空面积。
5.1.2.5 工作区域的净高度不应小于2.0 m。
通道的净高度不应小于1.8m,这一净高度应从通道区域地面测量到屋顶横粱的下表面。
5.1.3 主开关、照明及其开关5.1.3.1 主开关5.1.3.1.1 每台电梯均应装设能切断除下列供电电路以外该电梯所有供电电路的主开关:a) 轿厢照明和通风(如有);b) 轿顶电源插座;c) 机器设备区间和滑轮间内的照明;d) 机器设备区间和滑轮间内以及底坑内的电源插座;e) 电梯井道照明;f) 报警装置。
5.1.3.1.2 该主开关应设置在a) 机房内,当有机房时;b) 控制柜内,当无机房但控制柜不是安装在井道内时;c) 紧急和试验操作屏上,当控制柜安装在井道内时。
若紧急操作屏和试验操作屏是分立的,此开关应设置在紧急操作屏上。
如果从控制柜处不容易接近主开关,应在控制柜上设置一个满足GB 7588-2003中13.4.2要求的分断开关。
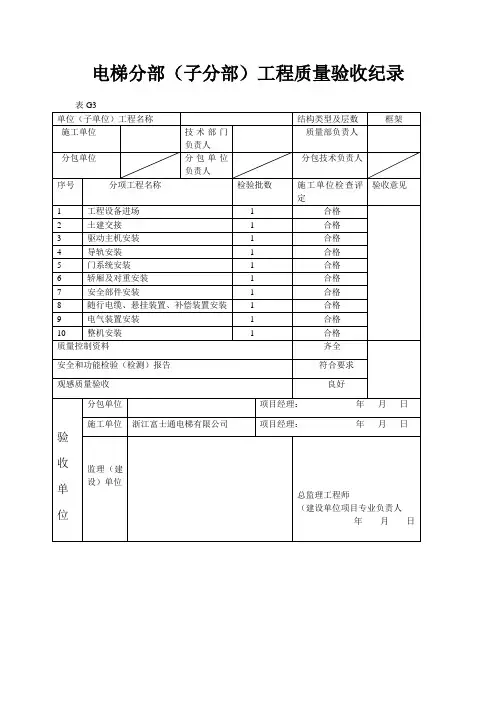
电梯分部(子分部)工程质量验收纪录表G3电梯安装分项工程质量验收记录电梯安装工程设备进场质量验收记录表GB50310—2002 09010101电梯安装土建交接质量验收记录表GB50310—2002 0901020109020201电梯驱动主机安装工程质量验收记录表(曳引式或强制式)GB50310-2002 09010301电梯导轨安装工程质量验收记录表(曳引式或强制式)GB50310-2002 0901040109010401电力液压电梯门系统安装质量验收记录表GB50310-2002 0901050109020501电梯轿厢及对重安装工程质量验收记录表GB50310-2002 0901060109020601电梯安全部件安装工程质量验收记录表GB50310-2002 0901070109020701电梯悬挂装置、随行电缆、补尝装置安装工程质量验收记录表GB50310-2002 09010801电梯电气装置安装工程质量验收记录表GB50310-2002 0901090109020901电梯整机安装工程质量验收记录表GB50310-2002 9011001电梯承重梁、起重吊环埋设隐蔽工程检查记录表D3-1 编号:工程名称美景瑞园小区号楼隐检项目承重梁、起重吊环埋设检查部位机房填写日期2010年月日施工日期2010年月日天气情况气温度隐检内容及示意图:承重梁规格280 数量2根承重墙类型混泥土厚度240 埋设长度210 过墙中心100 梁垫规格1100×240×36焊接情况良好防腐措施封闭梁端封闭型刚焊接、混泥土灌注起重吊环设计载荷2000㎏起重吊环材料规格36混泥土承重梁位置规格合理吊环与钢筋描固尺寸合理圆钢吊环载荷2000㎏检查意见检查合格、同意隐蔽。
2010年月日复检意见年月日参加人员签字建设(监理)单位安装单位技术负责人质检员工长电梯钢丝绳灌注隐蔽工程检查记录表D3-2 编号:工程名称美景瑞园小区号楼隐检项目钢丝绳头灌注操作场地楼顶屋面填写日期2010年月日操作日期2010年月日天气情况气温用火手续正常看火人操作人钢绳用途曳引钢丝绳规格10㎜锥套数共10个隐检内容及示意图:检查意见检查合格,同意隐蔽2010年月日复检意见年月日参加人员签字建设(监理)单位安装单位技术负责人质检员工长。
电梯安装工程设备进场质量验收记录表GB 50310-2002
电梯安装土建交接质量验收记录表GB 50310-2002
电梯驱动主机安装工程质量验收记录表(曳引式或强制式)GB 50310-2002
553 / 17
电梯导轨安装工程质量验收记录表GB 50310-2002
电力液压电梯门系统安装工程质量验收记录表.GB 50310-2002
电梯轿厢及对重安装工程质量验收记录表555 / 17 GB 50310-2002
电梯安全部件安装工程质量验收记录表.
GB 50310-2002
557 / 17
电梯悬挂装置、随行电缆、补偿装置安装工程质量验收记录表GB 50310-2002
电梯电气装置安装工程质量验收记录表.GB 50310-2002
559 / 17
电梯整机安装工程质量验收记录表GB 50310-2002
电梯液压系统安装工程质量验收记录表GB 50310-2002
561 / 17
液压电梯悬挂装置、随行电缆质量验收记录表GB 50310-2002
液压电梯整机安装质量验收记录表GB 50310-2002
563 / 17
自动扶梯、自动人行道设备进场质量验收记录表GB 50310-2002
自动扶梯、自动人行道土建交接检验质量验收记录表GB 50310-2002
565 / 17
自动扶梯、自动人行道整机安装质量验收记录表GB 50310-2002
567 / 17。
电梯安装过程质量检查记录项目名称: 合同编号: 电梯型号: 电梯编号: 安装班组:xxx电梯有限公司第1页共18页土建检测记录单(电梯)日期:设备开箱记录工程名称:合同编号:井道样板架垂线测量检查记录注:墙面基准线L由建筑商提供L=/mm (并联梯时测量)A. B. C. D. E. F. G. H的最小值如下:A = mmB = mmC = mmD = mmE = mmF = mmG = mm H = mm检查人员:—______ 日期:______ _____ 项目负责人复核:—_______ 日期:_________导轨垂直度安装过程质量检查记录说明:1、根据井道直线测量表测得数值,最终确定导轨安装位置。
参考GB1060-93电梯安装验收规范校正导轨。
2、定量项目应填写实测数据。
检查人员:日期:项目负责人复核:日期:电梯曳引机安装过程质量检查记录说明:1、根据GB10060-93电梯安装验收规范检查电梯机组的安装情况。
2、定期项目应填写实测数据。
3、定性项目合格则在相应的栏内打“J”,不合格则空白。
4、无此项目,则在相应栏内打“/”。
检查人员:日期:项目负责人复核:日期:电梯机房安装规范过程检查记录说明:1、根据GB10060-2011电梯安装验收规范检查电梯机房。
2、定期项目应填写实测数据。
3、定性项目合格则在相应的栏内打“J”,不合格则空白。
4、无此项目,则在相应栏内打“/”。
检查人员:日期:项目负责人复核:日期:电梯轿厢及附件安装过程质量检查记录说明:1、根据GB10060-93电梯安装验收规范检查轿厢极其附件的安装情况。
2、定期项目应填写实测数据。
3、定性项目合格则在相应的栏内打“J”,不合格则空白。
4、无此项目,则在相应栏内打“/”。
检查人员:日期:项目负责人复核:日期:电梯对重安装过程质量检查记录说明:1、根据GB10060-93电梯安装验收规范检查电梯对重的安装情况。
2、定期项目应填写实测数据。
施工组织设计(施工方案)报审卡 (4)图纸会审、设计变更、洽商记录汇总表 (5)技术(安全)交底记录 (6)图纸会审记录 (7)设计变更通知单 (8)工程洽商记录 (9)电梯工程施工日志 (10)工程质量事故调查记录 (11)工程质量事故报告书 (12)设备、成品、半成品材料合格证汇总表 (13)设备开箱检查记录 (14)材料、成品、半成品进场检验记录 (15)合格证贴条 (16)复印件(或抄件)贴条 (17)隐蔽工程检查记录 (18)电梯机房、并道测量检查记录 (19)电梯安装样板放线记录 (20)电梯电气装置安装检查记录(一) (21)电梯电气装置安装检查记录(二) (22)电梯电气装置安装检查记录(三) (23)自动扶梯、自动人行道安装与土建交接检查记录 (24)自动扶梯、自动人行道的相邻区域检查记录 (25)自动扶梯、自动人行道电气装置检查记录(一) (26)自动扶梯、自动人行道电气装置检查记录(二) (27)自动扶梯、自动人行道整机安装质量检查记录 (28)绝缘电阻测试记录 (29)接地电阻测试记录 (30)轿厢平层准确度测量记录 (31)电梯层门安全装置检验记录 (32)电梯电气安全装置检验记录 (33)电梯整机功能检验记录 (34)电梯主要功能检验记录 (35)电梯负荷运行试验记录 (36)电梯负荷运行试验曲线图 (37)电梯噪声测试记录 (38)自动扶梯、自动人行道安全装置检验记录(一) (39)自动扶梯、自动人行道安全装置检验记录(二) (40)自动扶梯、自动人行道整机性能、运行试验记录 (41)电梯分部工程质量验收记录 (42)电梯子分部工程质量验收记录 (43)电梯工程质量控制资料核查记录 (44)电梯工程观感质量检查记录 (45)设备进场验收记录 (46)土建交接检验质量验收记录 (47)电力驱动主机、液压电梯液压系统分项工程质量验收记录 (48)门系统分项工程质量验收记录 (50)轿厢、对重(平衡重)分项工程质量验收记录 (51)安全部件分项工程质量验收记录 (52)悬挂装置、随行电缆、补偿装置分项工程质量验收记录 (53)电气装置分项工程质量验收记录 (54)电力驱动曳引式或强制式电梯整机安装验收记录 (55)电力驱动液压电梯整机安装验收记录 (56)自动扶梯、自动人行道整机安装验收记录 (57)电梯工程施工现场质量管理检查记录施工组织设计(施工方案)报审卡图纸会审、设计变更、洽商记录汇总表注:图纸会审、设计变更、洽商记录附后。
电梯分部工程验收记录范本电梯分部工程验收记录范本一、前言电梯作为现代建筑中不可或缺的设备,其安全性和稳定性至关重要。
因此,在电梯分部工程竣工后,进行一次全面的验收是必不可少的。
本文将提供一份电梯分部工程验收记录范本,以供参考。
二、验收人员本次电梯分部工程的验收人员包括:建设单位代表、监理单位代表、设计单位代表、施工单位代表等相关人员。
三、验收内容1. 电梯基础及机房(1)基础是否符合设计要求;(2)机房布局是否合理;(3)机房内设备是否完好;(4)机房内通风系统是否正常运行。
2. 电梯轿厢及门套(1)轿厢内装修是否符合设计要求;(2)轿厢内灯光和音响设备是否正常运行;(3)门套安装是否牢固;(4)门套封闭状态下,门扇与地面之间的缝隙大小是否符合规定。
3. 电梯导轨及配重系统(1)导轨安装是否牢固;(2)导轨垂直度是否符合规定;(3)配重系统是否正常运行;(4)配重系统的重量是否符合设计要求。
4. 电梯驱动系统(1)电梯驱动系统是否正常运行;(2)安全制动器是否牢固可靠;(3)限速器和安全钳是否正常工作;(4)电梯运行时噪音大小是否符合规定。
5. 电气控制系统(1)电气控制箱内部连接线路是否正确、牢固;(2)控制系统的功能是否完好;(3)紧急停车装置是否正常工作;(4)紧急报警装置是否正常工作。
四、验收结果根据上述验收内容,本次电梯分部工程验收结果如下:1. 电梯基础及机房:符合设计要求。
2. 电梯轿厢及门套:轿厢内装修符合设计要求,门套安装牢固,门扇与地面之间的缝隙大小符合规定。
3. 电梯导轨及配重系统:导轨安装牢固,垂直度符合规定,配重系统正常运行,重量符合设计要求。
4. 电梯驱动系统:驱动系统正常运行,安全制动器牢固可靠,限速器和安全钳正常工作,噪音大小符合规定。
5. 电气控制系统:电气控制箱内部连接线路正确、牢固,控制系统功能完好,紧急停车装置和紧急报警装置正常工作。
五、结论本次电梯分部工程验收结果显示,电梯设备符合设计要求并且正常运行。
建筑电梯工程全套检验批检查验收表格项目信息- 项目名称:____________________- 工程地点:____________________- 设计单位:____________________- 施工单位:____________________- 监理单位:____________________一、支撑结构检查- 1.1 电梯井壁、顶棚和墙体的砌筑是否符合规范要求?- 1.2 电梯井道大门的安装是否符合要求?- 1.3 电梯井道通风与排烟系统是否正常?- 1.4 井道照明设施是否齐全并正常工作?- 1.5 井道内是否存在明显的污染和杂物堆放?二、电梯设备检查- 2.1 电梯有无异常声响和震动?- 2.2 电梯门的开闭是否灵活、可靠?- 2.3 电梯的驱动和控制系统是否正常?- 2.4 电梯限速器和安全钳是否正常工作?- 2.5 电梯载重量和速度是否符合设计要求?- 2.6 电梯按钮和指示灯是否齐全并正常工作?- 2.7 电梯轿厢内是否存在明显的损坏和脏污?三、安全措施检查- 3.1 电梯防坠、紧急停车和救援装置是否正常?- 3.2 电梯上下行过程中是否有制动故障或误动作现象?- 3.3 电梯开门和关门过程中是否存在卡人或夹人现象?- 3.4 电梯安装和使用的警示标识是否齐全并清晰可见?四、验收结果- 4.1 检查合格:____项,不合格:____项,待整改:____项(需填写具体整改事项)- 4.2 整改情况:____________________五、检查人员- 5.1 检查人员:____________________- 5.2 检查日期:____________________该表格作为建筑电梯工程的全套检验批检查验收表格,用于记录电梯工程的各个方面检查情况,并填写相应的结果和整改事项。
请按照实际情况进行检查,并在检查完成后记录相关信息。
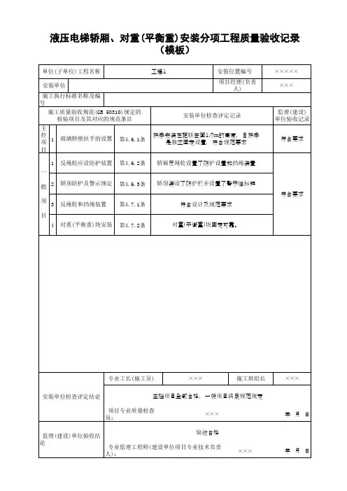
设备开箱检验记录 (3)电梯工程隐蔽验收记录 (4)路线(设备)绝缘电阻测试记录 (5)接地电阻测试记录 (6)电梯工程负荷试验、安全装置检查记录 (7)电梯运行记录 (8)电梯安装工程设备进场质量验收记录表 (9)电梯安装土建交接质量验收记录表 (10)电梯驱动主机安装工程质量验收记录表 (11)电梯导轨安装工程质量验收记录表 (12)电力液压电梯门系统安装工程质量验收记录表 (13)电梯轿厢及对重安装工程质量验收记录表 (14)电梯安全部件安装工程质量验收记录表 (15)电梯悬挂装置、随行电缆、补偿装置安装工程 (16)电梯电气装置安装工程质量验收记录表 (17)电梯整机安装工程质量验收记录表 (18)电梯液压系统安装工程质量验收记录表 (19)液压电梯悬挂装置、随行电缆质量验收记录表 (20)液压电梯整机安装质量验收记录表 (21)自动扶梯、自动人行道设备进场质量验收记录表 (22)自动扶梯、自动人行道土建交接检验质量验收记录表 (23)自动扶梯、自动人行道整机安装质量验收记录表 (24)B-3-1 工程名称建设单位施工单位分项工程名称开箱日期序设备名称规格编号附件外表面状况号名称数量开箱记录:建设(监理) 单位代表设备安电梯装单位供应商代表B-3-2 工程名称隐蔽内容及部位:施工单位检查结果:验收意见专业施工负责人:项目经理:年月日专业监理工程师:(建设单位项目负责人)年月日B-3-3工程名称分项名称额定工作电压试验电压等级单元(层次)回路或者设备编号阻值相别A-B.C.O.地B-A.C.O.地C-A.B.O.地O-地单元(层次)相别阻值回路或者设备编号A-B.C.O 地B-A.C.O.地C-A.B.O.地O-地检查结果:专业技术负责人:验收意见:专业监理工程师(建设单位项目负责人) 建设单位施工单位仪表型号测验人:年月日年月日质检员:B-3-4 工程名称建设单位敷设类别施工单位仪表型号接地类别设计值测试环境温度实测值季节系数检测结果( Ω) 备注测试布置简图: (注明测试点位置方向)检查意见:技术负责人:质检员:测试人:年月日验收意见:专业监理工程师(建设单位项目负责人):年月日B-3-5施工单位工程名称概况检查记录:施工单位项目经理:监理工程师:(建设单位项目负责人)年月日年月日B-3-6工程名称试验项目额梯、医梯和起 分量小于 2000公斤货梯 其它各类梯 各类梯 各类梯各类梯各类梯检查情况:试验时载重试验实际重 量 %(公斤)200150空载50100110 施工单位试验时间(分)额定值实测值101090909030监理工程师:(建设单位项目负责人)检测单位:施工项目经理: 试验人员:额定值试 验 结 果静 载 试验 负 荷试 验 超 载试 验GB50310-2002 B —03— 1090101 090201单位(子单位)工程名称 分部(子分部)工程名称 施工单位 分包单位施工执行标准名称及编号施工质量验收规范的规定随机 文件 必须包括随机 文件 还应 包括 (1)土建布置图(2)产品出厂合格证(3)门锁装置、退速器、安全钳及缓冲器的 型式试验证书复印件 (1)装箱单(2)安装、 使用维护说明 书 (3) 动力和安全电路的第 4.1.1 条 第 5.1.1 条第 4.1.2 条 第 5.1.2 条电气原理图 (4)液压系统原理图设备零部件与装箱单内容相符无明显损坏专业工长(施工员)验收部位 项目经理 分包项目经理监理(建设)单 位验收记录施工班组长施工单位检查评定结果项目专业质量检查员: 年 月 日监理(建设) 单位验收结论专业监理工程师:(建设单位项目专业技术负责人): 年 月 日施工单位检查评定记录设备外观231 1一般 项 目主控 项目GB50310-2002B—03—2090102090202 单位(子单位)工程名称分部(子分部)工程名称施工单位分包单位验收部位项目经理分包项目经理施工执行标准名称及编号施工质量验收规范的规定施工单位检查评定记录监理(建设)单位验收记录主控项目普通项目12312机房内部、井道土建(钢架)结构布置主电源开关井道机房还应符合的规定井道还应符合的规定必须符合电梯土建布置图要求第4.2.2 条第4.2.3 条第4.2.4 条第4.2.5 条专业工长(施工员) 施工班组长施工单位检查评定结果项目专业质量检查员:年月日监理(建设) 单位验收结论专业监理工程师:(建设单位项目专业技术负责人):年月日(曳引式或者强制式) GB50310-2002B —03—3单位(子单位)工程名称分部(子分部)工程名称施工单位分包单位施工执行标准名称及编号施工质量验收规范的规定一 般 项 目1 12 3 45 驱动主机安装主机承重埋设制动器动作、制动间隙驱动主机及其底座与梁安装驱动主机减速箱内油量机房内钢丝绳与楼板孔洞间隙 第 4.3.1 条第 4.3.2 条第 4.3.3 条产品设计要求应在限定范围第 4.3.6 条专业工长(施工员)090103验收部位项目经理分包项目经理监理(建设)单 位验收记录施工班组长施工单位检查评定结果项目专业质量检查员: 年 月 日监理(建设) 单位验收结论专业监理工程师:(建设单位项目专业技术负责人): 年 月 日施工单位检查评定记录主控项目GB50310-2002B —03—4单位(子单位)工程名称 分部(子分部)工程名称 施工单位 分包单位090104 090204验收部位 项目经理 分包项目经理施工执行标准名称及编号监理(建设)单施工质量验收规范的规定 施工单位检查评定记录位验收记录主 1 导轨安装位置 设计要求两 列 导 轨 顶 面 轿厢导轨(mm ) 0~+2 1间的距离偏差 对重导轨(mm ) 0~+32 导轨支架安装 第 4.4.3 条轿厢导轨和设有安全钳的对一 每 列 导 轨 工 作 重导轨≤0.6mm 般 3 面 与 安 装 基 准不设安全钳的对重导轨≤项 线每 5m 偏差值1.0mm目4 轿厢导轨和设有安全钳的第 4.4.5 条对重导轨工作面接头不 设 安 全 钳 对 接头缝隙(mm)≤1.0mm 5重导轨接头 接头台阶(mm)≤0. 15mm专业工长(施工员) 施工班组长施工单位检查评定结果项目专业质量检查员: 年 月 日监理(建设) 单位验收结论专业监理工程师:(建设单位项目专业技术负责人): 年 月 日控项 目GB50310-2002 B —03—5090105 090205单位(子单位)工程名称分部(子分部)工程名称 施工单位 分包单位验收部位 项目经理 分包项目经理施工执行标准名称及编号施工质量验收规范的规定施工单位检查评定记录监理(建设)单 位验收记录123层门地坎至轿厢地坎间距离 偏差层门强迫关门装置 水平滑动门关门开始 1/3 行程 之后,阻挠关门的力第 4.5.1 条必须动作正常≤150N4 层门锁钩动作要求 第 4.5.4 条123 4门刀与层门地坎、 门锁滚轮与 轿厢地坎间隙层门地坎水平度层门地坎应高出装修地面层门指标灯、 盒及各显示安装 门扇及其与周边间隙≥5mm≧2/1000 2~5mm 第 4.5.7 条 第 4.5.8 条专业工长(施工员)施工班组长施工单位检查评定结果项目专业质量检查员: 年 月 日监理(建设) 单位验收结论专业监理工程师:(建设单位项目专业技术负责人): 年 月 日一 般 项 目主 控 项目GB50310-2002B—03—6090106090206 单位(子单位)工程名称分部(子分部)工程名称施工单位分包单位验收部位项目经理分包项目经理施工执行标准名称及编号施工质量验收规范的规定主控项目一般项目11234玻璃轿壁扶手的设置反绳轮应设防护装置轿顶防护及警示规定反绳轮和档绳装置对生(平衡重)块安装第4.6.1 条第4.6.2 条第4.6.3 条第4.7.1 条第4.7.2 条施工单位检查评定记录监理(建设)单位验收记录专业工长(施工员) 施工班组长施工单位检查评定结果项目专业质量检查员:年月日监理(建设) 单位验收结论专业监理工程师:(建设单位项目专业技术负责人):年月日GB50310-2002B —03—7 090107 090207单位(子单位)工程名称分部(子分部)工程名称施工单位分包单位验收部位项目经理分包项目经理施工执行标准名称及编号施工质量验收规范的规定施工单位检查评定记录监理(建设)单 位验收记录121 23 限速器动作速度封记安全钳可调节封记限速器张紧装置安装位置 安全钳与导轨间隙缓冲器撞板中心与缓冲器中 心相关距离及偏差第 4.8.1 条第 4.8.2 条第 4.8.3 条 设计要求第 4.8.5 条4液压缓冲器垂直度及充液量 第 4.8.6 条专业工长(施工员)施工班组长施工单位检查评定结果项目专业质量检查员: 年 月 日监理(建设) 单位验收结论专业监理工程师:(建设单位项目专业技术负责人): 年 月 日主 控项目 一 般 项 目质量验收记录表GB50310-2002B —03—8 090108单位(子单位)工程名称 分部(子分部)工程名称 施工单位 分包单位施工执行标准名称及编号施工质量验收规范的规定绳头组合钢丝绳严禁有死弯轿厢悬挂的二根绳(链)发生异常相 对伸长时,电气安全开关动作可靠 随行电缆严禁打结和波浪扭曲每根钢丝绳张力与平均值偏差不大于 5% 随行电缆的安装规定补偿绳、链、缆等补偿装置的端部应 固定可靠张紧轮、补偿绳张紧的电气安全开关 动作可靠,张紧轮应安防护装置专业工长(施工员)验收部位 项目经理 分包项目经理施工单位检查评定记录第 4.9.1 条 第 5.9.1 条 第 4.9.2 条 第 5.9.2 条第 4.9.3.条第 5.9.3 条 第 4.9.4 条 第 5.9.4 条第 4.9.5 条第 5.9.5 条 第 4.9.6 条 第 5.9.6 条第 4.9.7 条第 4.9.8 条施工班组长监理(建设)单 位验收记录施工单位检查评定结果项目专业质量检查员: 年 月 日监理(建设) 单位验收结论专业监理工程师:(建设单位项目专业技术负责人): 年 月 日4123 42 3 1主 控 项目一般 项 目GB50310-2002B —03—9 090109 090209单位(子单位)工程名称分部(子分部)工程名称施工单位分包单位验收部位项目经理分包项目经理施工执行标准名称及编号施工质量验收规范的规定一 般 项 目1212 345 电气设备接地导体之间、导体对地之间绝 缘电阻主电源开关不应切断的电路 机房和井道内配线 导管、线槽敷设接地支线色标控制柜(屏)的安装位置第 4.10.1 条第 4.10.2 条第 4.10.3 条 第4.10.4条 第 4.10.5 条 应采用黄绿相间的 绝缘导线设计要求专业工长(施工员)监理(建设)单 位验收记录施工班组长施工单位检查评定结果项目专业质量检查员: 年 月 日监理(建设) 单位验收结论专业监理工程师:(建设单位项目专业技术负责人): 年 月 日施工单位检查评定记录主 控 项目GB50310-2002B —03— 10单位(子单位)工程名称分部(子分部)工程名称施工单位分包单位施工执行标准名称及编号施工质量验收规范的规定主 控 项目1234123456安全保护验收限速器安全钳联动试验 层门与轿门试验曳引式电梯曳引能力试验 曳引式电梯平衡系数 试运行试验 噪声检验 平层准确度检验 运行速度检验 观感检查第 4.11.1 条 第 4.11.2 条 第 4.11.3 条 第 4.11.4 条 0.4~0.5 第 4.11.6 条 第 4.11.7 条 第 4.11.8 条 第 4.11.9 条 第 4.11.10 条专业工长(施工员)090110验收部位项目经理分包项目经理监理(建设)单 位验收记录施工班组长施工单位检查评定结果项目专业质量检查员: 年 月 日监理(建设) 单位验收结论专业监理工程师:(建设单位项目专业技术负责人): 年 月 日施工单位检查评定记录一 般 项 目GB50310-2002B—03—11 单位(子单位)工程名称分部(子分部)工程名称施工单位分包单位施工执行标准名称及编号施工质量验收规范的规定主控项目一般项目1123液压泵站及顶升机构安装顶升机构安装缸体垂直度安装坚固严禁>0.4‰第5.3.2 条第5.3.3 条第5.3.4 条液压电路联接液压泵站油位显示显示系统工作压力的压力表专业工长(施工员)090203验收部位项目经理分包项目经理监理(建设)单位验收记录施工班组长施工单位检查评定结果项目专业质量检查员:年月日监理(建设) 单位验收结论专业监理工程师:(建设单位项目专业技术负责人):年月日施工单位检查评定记录GB50310-2002B—03—12 单位(子单位)工程名称分部(子分部)工程名称施工单位分包单位施工执行标准名称及编号施工质量验收规范的规定主控项目一般项目123412绳头组合钢丝绳轿厢悬挂要求随行电缆要求钢丝绳、链条张力随行电缆普通要求第5.9.1 条严禁有死弯第5.9.3 条第5.9.4 条第5.9.5 条第5.9.6 条专业工长(施工员)090208验收部位项目经理分包项目经理监理(建设)单位验收记录施工班组长施工单位检查评定结果项目专业质量检查员:年月日监理(建设) 单位验收结论专业监理工程师:(建设单位项目专业技术负责人):年月日施工单位检查评定记录GB50310-2002B —03— 13单位(子单位)工程名称 分部(子分部)工程名称 施工单位 分包单位090210验收部位项目经理 分包项目经理施工执行标准名称及编号施工质量验收规范的规定施工单位检查评定记录监理(建设)单 位验收记录123 41 23 45 6 78液压电梯的安全保护限速器安全钳联动试验层门与轿车门试验 超载试验 ,当 轿厢 载有 120%额定载荷时液压电 梯严禁启动 运行试验 噪声检验平层准确度检验 运行速度检验额定载重沉降量试验液压泵站溢流阀压力检查 第 5.11.1 条 第 5.11.2 条 第 4.11.3 条第 5.11.4 条第 5.11.5 条 第 5.11.6 条 第 5.11.7 条 第 5.11.8 条 第 5.11.9 条第 5.11.10 条 第 5.11.11 条第 4.11.12 条专业工长(施工员)施工单位检查评定结果项目专业质量检查员: 年 月 日监理(建设) 单位验收结论专业监理工程师:(建设单位项目专业技术负责人): 年 月 日超压静载试验 观感检查施工班组长一 般 项 目主 控 项目GB50310-2002B —03— 14单位(子单位)工程名称 分部(子分部)工程名称 施工单位 分包单位施工执行标准名称及编号施工质量验收规范的规定090301验收部位 项目经理 分包项目经理监理(建设)单 位验收记录必须 提供 的资 料123技术资料随机文件随机文件 还应提供设备零部件 设备外观梯级或者踏板的型式试验报告复印件; 或者胶带的断裂强度证明文件复印件 对公共交通型自动扶梯、自动人行道 应有扶手带的断裂强度证书复印件 土建布置图 产口出厂合格证 装箱单安装、使用维护说明书 动力及安全电路的电气原理图应与装箱单内容相符 不存在明显损坏 专业工长(施工员)施工班组长施工单位检查评定结果项目专业质量检查员: 年 月 日监理(建设)单位验收结论专业监理工程师:(建设单位项目专业技术负责人): 年 月 日施工单位检查评定记录主 控项目一 般 项 目GB50310-2002B —03— 15单位(子单位)工程名称 分部(子分部)工程名称 施工单位 分包单位090302验收部位项目经理 分包项目经理施工执行标准名称及编号施工质量验收规范的规定梯级、踏板或者胶带上空垂 直净高安装前井道周围的栏杆或者 屏隙高度提 升 高 度土建主要尺(mm )寸允许偏差跨度 (mm )设备进场安装前土建单位提供电源零件 与接 地线 应分 开,接地装置电阻施工单位检查评定记录≦2.3m≦1.2m第 6.2.3 条通道和搬运空间 水准基准线标识≧4Ω监理(建设)单 位验收记录专业工长(施工员) 施工班组长施工单位检查评定结果项目专业质量检查员: 年 月 日监理(建设) 单位验收结论专业监理工程师:(建设单位项目专业技术负责人): 年 月 日3422 1 1 主 控 项目一 般 项 目GB50310-2002B —03— 16单位(子单位)工程名称分部(子分部)工程名称施工单位分包单位施工执行标准名称及编号施工质量验收规范的规定12自动住手运行规定 不同回路导线对地绝缘电 阻测量第 6.3.1 条第 6.3.2 条3 电器设备接地 第 4.10.3 条 1 整机安装检查 第 6.3.4 条 2 性能试验 第 6.3.5 条 3 制动试验 第 6.3.6 条 4 电气装置 第 6.3.7 条 5 观感检查 第 6.3.8 条专业工长(施工员)090303验收部位项目经理分包项目经理监理(建设)单 位验收记录施工班组长施工单位检查评定结果项目专业质量检查员: 年 月 日监理(建设) 单位验收结论专业监理工程师:(建设单位项目专业技术负责人): 年 月 日施工单位检查评定记录主控 项 目 一般 项 目。
电梯安装工程各种检测记录-表格检测项目检测标准检测时间检测结果拉绳紧度调整拉绳紧度应在规定范围内。
包装前/运输中/安装调试前。
合格/不合格对重及配重系统1.对重应严格符合设计规定。
2.配重系统应符合规定要求。
安装调试前/调试结束后。
合格/不合格安全钳调试安全钳应能灵活可靠地启动。
安装调试前。
合格/不合格门锁互锁开门时电梯应停运并锁死,关闭门后电梯才能运行。
安装调试前/调试结束后。
合格/不合格门的开关开关门应灵活,门应自动关闭。
安装调试前/调试结束后。
合格/不合格平层度各层平台的平层度应符合要求。
安装调试后。
合格/不合格限速器调校1.限速器应当对超速情况作出及时反应。
2.限速器按规定应定期检验。
安装调试同步进行后。
合格/不合格紧急制停装置紧急制停按钮应能够灵活启动。
安装调试前。
合格/不合格电梯是我们生活中经常使用的交通工具,安全性极为重要。
在电梯安装工程中,各种检测记录都是不可或缺的。
本文是电梯安装工程各种检测记录的表格。
这些记录中包括拉绳紧度调整、对重及配重系统、安全钳调试、门锁互锁、门的开关、平层度、限速器调校和紧急制停装置等各项检测项目及其标准、检测时间和检测结果。
在电梯安装前,就应该进行拉绳紧度调整检测。
检测标准是拉绳紧度应在规定范围内。
检测时间包括包装前、运输中和安装调试前。
检测结果只有合格或不合格。
对重及配重系统的检测标准包括对重应严格符合设计规定以及配重系统应符合规定要求。
检测时间为安装调试前和调试结束后,检测结果为合格或不合格。
安全钳调试是另一项重要的检测。
这里的检测标准是安全钳应能灵活可靠地启动,检测时间为安装调试前,检测结果为合格或不合格。
门锁互锁也是一个必须检测的项目,其检测标准是开门时电梯应停运并锁死,关闭门后电梯才能运行。
检测时间同样包括安装调试前和调试结束后。
检测结果为合格或不合格。
门的开关检测也是必须注意的项目,检测标准为开关门应灵活,门应自动关闭。
检测时间包括安装调试前和调试结束后。
电梯分部工程质量验收记录表电梯工程子分部工程质量验收记录表工程名称:___棚户区改造工程第二安置区19#住宅楼安装地点:大峪沟镇胡家沟村310国道南侧产品合同号/安装合同号:监理(建设)单位:___安装单位:___监理工程师/项目负责人:___序号梯号检验结果分项工程名称1 1# 合格电梯安装设备进场2 合格电梯安装土建交接3 合格电梯驱动主机安装4 合格电梯导轨安装5 合格电梯门系统安装6 合格电梯轿厢及对重安装7 合格电梯安全部件安装8 合格电梯悬挂装置、随行电缆、补偿装置安装9 合格电梯电气装置安装10 合格电梯整机安装验收结论:合格监理(建设)单位(盖章):______项目负责人:___年月日:序号梯号检验结果分项工程名称1 2# 合格电梯安装设备进场2 合格电梯安装土建交接3 合格电梯驱动主机安装4 合格电梯导轨安装5 合格电梯门系统安装6 合格电梯轿厢及对重安装7 合格电梯安全部件安装8 合格电梯悬挂装置、随行电缆、补偿装置安装9 合格电梯电气装置安装10 合格电梯整机安装验收结论:合格监理(建设)单位(盖章):______项目负责人:___年月日:标准要求每扇门齐全可靠,B≤900,开门时间为3.2S。
建设(监理)单位要求门灵活可靠,门宽度在中分和旁开时时间要≤900<B≤1000.质检员要求门灵活可靠,门宽度在1000<B≤1100时。
工长要求门灵活可靠,门宽度在1100<B≤1300时。
检查人员在检查日期时要签字。
电梯层门安全装置检查试验记录显示,___对联锁安全触点、啮合长度、自闭功能、关门阻力、紧急开锁装置、层门坎护脚板等进行了检查,结果均符合安全可靠的标准。
有效期至年月日。
型式试验单位在层站开门时间和关门时间、门扇数、门锁装置制造厂名称等方面进行了测试。
电梯轿厢平层准确度测量记录显示,在不同层站、运行方向和载荷下的测量结果。
空载时,上行和下行的测量结果分别为+2、+4、+3、+3、+2、+4、+2、+2、+4、+2和+4,额定载荷时,上行和下行的测量结果分别为-1、+1、+1、-1、+1、-1、-1、+1、-1、-1和+1.工长和质检员在检查日期时要签字。
电梯分项工程验收记录表一、项目背景为了保障人们安全出行,电梯分项工程的验收是至关重要的。
本次验收记录表是针对某一电梯分项工程进行记录和汇总,以便于及时发现问题、解决问题,保证电梯安全运行。
二、验收人员本次电梯分项工程的验收人员如下:•王工:主要负责电梯的装配和安装工作;•李工:主要负责电梯的电气设备调试工作;•张工:主要负责电梯的检修和维护工作;•周工:主要负责电梯的质量监督和工艺管理工作。
三、验收内容本次的电梯分项工程验收工作主要包括以下内容:•电梯的质量检测;•电梯的运行试验;•电梯的安全检测。
四、验收记录1. 电梯的质量检测检测项目检测结果备注电梯钢丝绳合格电梯钢丝绳接头合格电梯门套合格电梯门轮合格电梯轿厢底坑合格电梯轿厢合格电梯制动器合格电梯限速器合格电梯门锁合格电梯安全触点合格2. 电梯的运行试验检测项目检测结果备注电梯平层准确性合格电梯上行速度合格电梯下行速度合格电梯载重能力合格电梯电气控制系统合格3. 电梯的安全检测检测项目检测结果备注电梯救援设备合格电梯安全门合格电梯压力开关合格电梯挡止装置合格电梯开关量反馈合格五、问题反馈经过前期的检测和测试,发现本次电梯分项工程中存在以下问题:1.电梯门锁存在松动现象,需要及时进行紧固和维护;2.电梯救援设备的使用说明书未放置在明显位置,需要在显眼处标注;3.电梯电气控制系统中存在操作不当导致的故障,需要重新培训安装工。
,本次电梯分项工程验收工作达到了验收标准,但仍存在一些细节问题需要解决。
希望相关工作人员能够尽快处理,确保电梯的安全可靠运行。
六、依据本次电梯分项工程验收的结果,所有检测项目均符合验收标准。
我们相信,经过工作人员的认真细致处理,电梯将会稳定、安全、可靠地运行,为人们出行带来便捷。