挡烟垂壁防火封修一体化施工工法
- 格式:doc
- 大小:1.31 MB
- 文档页数:12
基于自制AB夹具装配式挡烟垂壁安装施工工法1.前言挡烟垂壁的施工安装通常是采用轻钢龙骨封石膏板制作吊墙,再在吊墙上固定玻璃槽,然后安装玻璃。
现有建筑挡烟垂壁安装结构较为繁杂,包含众多较为零碎的部件,安装过程需不同螺栓进行连接固定,并且在安装时通常还需要辅以焊接操作,如此一来,使得安装施工过程较为繁琐、不够简便,其安装施工效率和安装效果都还有待提高。
海凝土结构金属的麽■校图1-1传统挡烟垂壁安装本技术装配式挡烟垂壁有着结构简单、操作便捷、效率高,更节约能源、更环保。
我们系统地分析了传统挡烟垂壁的制作安装工艺,在对结构、功能进行研究,杜绝了现场焊接,全部采用物理连接,把现场制作过程全部转移到工厂加工,现场拼装。
并且设计了AB组合夹具,使玻璃挡烟垂壁与钢架只通过AB组合夹具连接就可以完成安装。
还设计出了骨架与防火布组合拼装,只需要通过不锈钢固定片进行固定即可,工艺简便,安装平整度、密实度精准,可实现快速安装O经查新,本技术具有一定的新颖性,同时申请了2项专利,经总结,形成本工法。
2.工法特点2.0.1研发了AB组合夹板,使玻璃挡烟垂壁与钢架通过AB组合夹具连接就可以完成安装。
2.0.2研发了骨架与防火布组合拼装,只需要通过不锈钢固定片进行固定即可,工艺简便,安装平整度、密实度精准,可实现快速安装。
2.0.3研发了挡烟垂壁安装时玻璃固定件,解决了玻璃在安装时,无法有效定位的问题,减少了人工辅助安装,提高了安装效率。
2.0.4装配式挡烟垂壁有着结构简单、操作便捷、效率高,更节约能源、造价低等特点。
3.适用范围本工法适用于玻璃挡烟垂壁安装工程。
4.工艺原理系统地分析了传统挡烟垂壁的制作安装工艺,在对结构、功能进行研究,杜绝了现场焊接,全部采用物理连接,把现场制作过程全部转移到工厂加工,现场拼装。
吊顶以上隐蔽区域的防火隔墙处理研发了骨架与防火布组合拼装形成单元组件,骨架与防火布组合只需要通过不锈钢固定片进行固定即可,单元组件与挡烟垂壁通过AB组合夹具连接就可以完成安装。
一、工程概况本项目为厂房安装挡烟垂壁工程,旨在提高厂房消防安全水平,保障人员生命财产安全。
挡烟垂壁采用防火布和电动挡烟垂壁两种形式,具体施工方案如下:二、施工准备1. 材料准备:防火布、电动挡烟垂壁、导轨、T字梁、角钢螺栓、防火硅胶布、电机、按钮、控制箱、柔性防火布等。
2. 工具准备:电钻、扳手、螺丝刀、水准仪、经纬仪、标准钢卷尺、垂尺、水平尺、切割机等。
3. 人员准备:施工人员、监理人员、电工、焊工等。
4. 施工场地准备:确保施工场地平整、无障碍物。
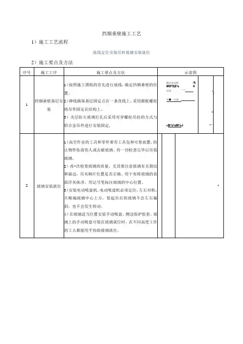
三、施工工艺1. 放线定位:挡烟垂壁定位轴线的测量放线必须与主体结构的主轴线平行或垂直,使用高精度的激光水准仪、经纬仪、配合用标准钢卷尺、垂尺、水平尺等复核。
以确保挡烟垂壁的垂直精度。
2. 上部吊杆安装:检查丝杆和金属膨胀管的牢固,选用的丝杆和金属膨胀管质量要可靠,打孔位置不宜靠近钢筋混凝土构件的边缘,钻孔孔径和深度要符合金属膨胀管厂家的技术规定,孔内灰渣要清吹干净。
每个丝杆安装位置和高度都应严格按照放线定位和设计图纸要求进行。
最主要的是丝杆的中心线必须与铝合金构件中心线相一致,并且椭圆螺孔中心要与设计的吊杆螺栓位置一致。
3. 挡烟垂壁安装就位:待所有吊杆安装完毕后,进行挡烟垂壁吊装。
施工前检查每个工作的人员到位,各种机具工具是否安全正常,安全措施是否可靠。
高空作业的工具和零件要有工具包和可靠防止,防止物件坠落伤人或击破挡烟垂壁。
待一切检查完毕后方可吊装挡烟垂壁。
4. 检查挡烟垂壁质量:在安装过程中,要检查挡烟垂壁的质量,确保其外观无裂纹、缺角、毛刺、涂层不均匀等缺陷,完整清晰牢固设置标牌,标识清楚。
四、施工注意事项1. 严格按照施工方案施工,避免坠物伤人。
2. 对胶封的擦洗切不可使用水或湿布。
3. 在施工过程中,要密切配合监理人员,确保施工质量。
4. 施工完成后,进行隐蔽工程验收,请监理工程师验收签字。
五、施工进度安排1. 施工前期准备:5天2. 施工阶段:15天3. 隐蔽工程验收:3天4. 整体施工周期:23天通过以上施工方案,确保厂房安装挡烟垂壁工程顺利进行,提高厂房消防安全水平,为人员生命财产安全提供有力保障。
挡烟垂壁施工方案一、工程背景及目的现代社会,人们对于室内空气质量的要求越来越高,而室内吸烟是一种严重污染室内空气的行为。
为了改善室内环境,提高人们的生活品质,挡烟垂壁成为了一个重要的设计考虑因素。
挡烟垂壁施工即通过在室内空间中设置带有隔烟功能的隔断,分隔出禁烟区和吸烟区,有效降低烟雾对室内空气的影响。
二、挡烟垂壁设计原则1.阻隔性能:确保挡烟垂壁具有良好的隔烟性能,阻隔烟雾在室内环境中的传播。
2.美观性能:保持挡烟垂壁的整体美观度和与整体室内装饰风格的协调性。
3.易清洁性:挡烟垂壁应易于清洁和维护,防止烟灰和尘埃积聚,影响使用效果。
4.安全性:挡烟垂壁的材料和结构要符合安全标准,避免存在安全隐患。
5.灵活性:设置挡烟垂壁时应灵活考虑不同场景的需求,实现场地空间的合理利用。
1.材料选择挡烟垂壁常用的材料有钢化玻璃、铝合金、石膏板等。
钢化玻璃具有透明度高、抗冲击性好等特点,同时易于清洁和维护;铝合金轻巧且耐用,适合大面积应用;石膏板容易加工、造型多样,可与整体室内装饰相协调。
2.结构设计挡烟垂壁的结构设计应根据具体场地情况和使用需求进行调整。
常见的结构设计包括立面式、分区式、垂直式等。
立面式适合于挡烟垂壁与整个室内空间共同应用的场景;分区式适用于具有一定面积的室内空间,可以有效控制不同区域的烟雾传播;垂直式适用于需要确定明确的禁烟和吸烟区域的场所。
3.连接方式挡烟垂壁的连接方式需要考虑结构的稳定性和整体外观。
常用的连接方式有折叠式、拉杆式、推拉式等。
折叠式连接方式可以根据需要随时调整隔断长度;拉杆式连接方式适合于需要固定和移动的场合;推拉式连接方式适合于需要经常划分区域的场所。
4.前后处理挡烟垂壁的前后处理需要考虑整体装饰效果和使用便利性。
常见的前后处理方式包括环境整体色彩协调、表面装饰处理、照明设计等。
合理的处理方式可以使挡烟垂壁与整体环境融为一体,增加使用的便利性和舒适感。
四、施工流程1.清理施工区域:清除施工区域的杂物和灰尘,确保施工环境清洁。
第1篇一、施工准备1. 材料准备:根据设计要求,准备好防火布、金属骨架、吊杆、膨胀螺丝、螺丝、角钢、防火封堵材料等。
2. 工具准备:准备好电钻、螺丝刀、切割机、扳手、水平尺、钢卷尺等工具。
3. 人员准备:组织施工人员,明确各工种职责,确保施工质量。
二、施工步骤1. 清理现场:将施工区域内的杂物、垃圾清理干净,确保施工环境整洁。
2. 放线定位:根据设计图纸,确定挡烟垂壁的位置,用墨线弹好垂直线,并标出上下吊点位置。
3. 打眼:在吊点位置,使用电钻打孔,孔径略大于膨胀螺丝直径,深度应达到混凝土内部。
4. 安装膨胀螺丝:将膨胀螺丝插入孔内,用扳手拧紧,确保膨胀螺丝固定牢固。
5. 安装金属骨架:将金属骨架吊起,通过膨胀螺丝固定在混凝土上,确保骨架垂直。
6. 固定防火布:将防火布展开,铺在金属骨架上,调整防火布的长度和宽度,使其与骨架贴合。
7. 拉紧防火布:使用螺丝将防火布固定在金属骨架上,确保防火布拉紧,无松弛。
8. 调整垂直度:使用水平尺检查防火布的垂直度,如有偏差,调整螺丝,直至垂直度符合要求。
9. 安装防火封堵:在防火布与墙体、吊顶等部位接缝处,使用防火封堵材料进行封堵,确保无缝隙。
10. 检查验收:对固定布挡烟垂壁进行整体检查,确保安装牢固、垂直度符合要求,无破损、变形等情况。
三、施工注意事项1. 施工过程中,注意保护现场环境,避免对其他设施造成损坏。
2. 安装膨胀螺丝时,确保螺丝紧固牢固,防止脱落。
3. 固定防火布时,注意拉紧,避免松弛,影响挡烟效果。
4. 施工过程中,注意安全,防止高处坠落、触电等事故发生。
5. 施工完成后,对固定布挡烟垂壁进行试运行,确保其正常工作。
四、施工总结固定布挡烟垂壁施工程序严格按照设计要求和施工规范进行,确保施工质量。
在施工过程中,注意安全、环保,提高施工效率,为火灾发生时的人员疏散和灭火救援提供保障。
第2篇一、施工准备1. 材料准备:固定布挡烟垂壁、防火布、膨胀螺丝、拉柳丁、角钢、螺丝、不锈钢等材料。
挡烟垂壁与防火封修一体化施工工法目录1.前言 (1)2.工法特点 (1)2.1工艺简单,可操作性强 (1)2.2设计合理,材料优良,安全可靠 (1)2.3定型化、工具化、一体化施工,工期短 (1)2.4面层美观,装饰性强 (2)3.适用范围 (2)4.工艺原理 (2)5.工艺流程及操作要点 (3)5.1施工工艺流程 (3)5.2操作要点 (4)6.材料与设备 (6)6.1主要材料 (6)6.2主要机具设备 (7)7.质量控制 (7)7.1材料控制 (7)7.2施工质量 (7)7.3质量控制措施 (8)8.安全措施 (8)9.环保措施 (8)10.效益分析 (9)10.1社会效益 (9)10.2经济效益 (9)11.工程实例 (9)1.前言挡烟垂壁作为建筑防火设计的重要设施,能有效阻挡烟雾在建筑顶棚下横向流动,提高在防烟分区内的排烟效果,对保障人民生命财产安全起到积极作用。
随着建筑施工技术的发展和社会的进步,挡烟垂壁施工和验收标准越来越高,但挡烟垂壁施工却一直停留在传统施工工艺阶段。
由于施工方法限制,挡烟垂壁玻璃顶部与结构构件之间留有空隙,且无法通过后期施工进行封修,直接影响消防火效果。
建筑业亟需一种新的挡烟垂壁施工工艺。
挡烟垂壁与防火封修一体化施工工法可有效解决以上施工难题,该施工方法使挡烟垂壁与防火封修施工一体化、工具化、定型化,将挡烟垂壁上部封修与挡烟垂壁同时施工,密封效果良好,挡烟能力增强。
采用的材料不仅满足防火要求,同时具有一定的装饰装修效果,并符合绿色环保的要求。
该工法科学合理,操作简单,易于推广,具有广阔的应用前景。
该工法已申请实用新型专利并获得授权。
2.工法特点挡烟垂壁与防火封修一体化施工工法,在确保防火施工质量的同时,将挡烟垂壁及其上部防火封修施工一体化、定型化、工具化,工艺简单,一次成型,可有效节约工期,易于推广。
同时,所选用的材料在满足防火性能的同时,具有绿色环保、尺寸稳定、使用寿命长的特点,值得推广。
挡烟垂壁施工关键步骤
挡烟垂壁的施工工艺主要包括以下几个关键步骤:
1.放线定位:这是施工的首要步骤。
挡烟垂壁定位轴线的测量放线必须与
主体结构的主轴线平行或垂直,以避免与室内装饰施工产生冲突,导致阴阳角不方正和装饰面不平行等缺陷。
这一步骤需要使用高精度的激光水准仪、经纬仪,配合标准钢卷尺、重锤、水平尺等工具进行复核,以确保挡烟垂壁的垂直精度。
要求上、下中心线偏差小于1~2mm。
2.上部固定件安装:此步骤中,需要检查固定件和膨胀螺栓的牢固性。
选
用的固定件和膨胀螺栓管质量必须可靠,同时钻孔孔径和深度要符合膨胀螺栓厂家的技术规定。
孔内灰渣必须清吹干净。
3.挡烟部件安装就位:首先,检查挡烟部件的质量,特别是要检查是否有
破损,压条位置是否正确。
随后,将挡烟部件移至需安装位置,按照固定件上孔的位置在挡烟部件压条上打孔,并使用螺栓将挡烟部件固定在固定件上。
4.其他部件安装:根据具体的设计要求,可能需要安装防火帘片、防火
板、防火坡以及不锈钢玻璃盖板等部件,以起到防火隔离和保护的作
用。
5.检查与验收:在所有部件安装完成后,需要进行全面的检查和验收。
这
包括打扫卫生,清除表面垃圾,检查挡烟部件以及固定件的安装是否牢固,垂直度是否符合要求。
请注意,以上仅为一般的挡烟垂壁施工工艺流程,具体的施工步骤可能会因项目需求、材料类型、现场条件等因素有所不同。
在实际施工中,应严格遵循相关的施工规范和安全规定,确保施工质量和安全。
挡烟垂壁施工方案一、施工背景在一些特定场所,如酒吧、餐厅、咖啡馆等,由于吸烟的顾客较多,烟雾容易弥漫到整个室内空间,影响到非吸烟者的健康与用餐环境。
为了改善室内空气质量,提供一个清新的用餐环境,需要对室内进行挡烟处理。
挡烟垂壁施工方案是一种常用的方法,本文将介绍该方案的具体施工步骤、材料及工具准备等。
二、施工步骤1. 预备工作在施工之前,需要对施工现场进行准备工作。
首先,清理施工区域的杂物,确保施工区域的整洁。
其次,准备好所需的施工材料和工具,包括挡烟垂壁板、螺丝、电锤、电钻、尺子、扳手等。
2. 测量并标记位置使用尺子和铅笔对需要安装挡烟垂壁的位置进行测量和标记。
根据实际情况确定挡烟垂壁的高度和宽度,并在墙面上标记出安装位置和螺丝孔位置。
3. 安装挡烟垂壁板根据标记的位置使用电钻预先打孔,然后使用螺丝将挡烟垂壁板固定在墙面上。
在安装过程中,需注意板与墙面之间的平整度,确保挡烟垂壁安装牢固。
4. 封边处理安装完成后,对挡烟垂壁的边缘进行封边处理,以提高其美观度和实用性。
可以使用铝合金封边条或者其它合适的封边材料,将挡烟垂壁板的边缘包裹和封闭起来。
5. 确认施工质量在施工完成后,需要对施工质量进行确认。
首先,检查挡烟垂壁板是否安装牢固,没有松动或开裂的现象。
其次,检查挡烟垂壁板与墙面之间的连接处是否紧密,没有缝隙。
最后,进行视觉检查,确保挡烟垂壁板的表面光滑、无明显瑕疵。
三、所需材料和工具准备•挡烟垂壁板:根据实际需求选择合适的材质和尺寸,如玻璃纤维挡烟板、PVC挡烟板等。
•螺丝:用于固定挡烟垂壁板的螺丝,选择合适的螺丝规格和类型。
•电锤:用于打孔的电动工具,选择合适的功率和规格。
•电钻:用于打孔和固定螺丝的工具,选择合适的功率和规格。
•尺子:用于测量挡烟垂壁的尺寸和标记安装位置。
•扳手:用于拧紧螺丝。
四、注意事项•施工前需要对施工现场进行清理和准备工作,确保施工区域整洁。
•在挡烟垂壁板安装过程中,要注意安全防护,佩戴好工作手套和护目镜等个人防护装备。
挡烟垂壁防火板施工方法
嘿,咱今儿就来唠唠挡烟垂壁防火板的施工方法。
你可别小瞧了这挡烟垂壁防火板,它在关键时刻那可是能发挥大作用呢!
咱先得把准备工作做好咯。
就像要去打仗,你不得先把武器弹药准备齐全呀!那得把施工场地清理干净,别到时候这儿有个杂物,那儿有个垃圾的,多碍事呀。
然后呢,把需要的工具都准备好,什么尺子啦、锯子啦、螺丝刀啦等等。
接下来就可以开始安装啦!先量好尺寸,这可得仔细咯,要是尺寸错了,那可就麻烦啦。
就好比你做衣服,尺寸不对,那穿起来能合身吗?然后按照尺寸把防火板裁切好,这裁切的时候也得小心,别裁歪了裁坏了。
然后就到了安装的关键步骤啦。
把防火板小心翼翼地安装到预定的位置上,用螺丝固定好。
这就像是给房子打地基,得稳稳当当的。
安装的时候可别马虎,得确保每一块板都安装得牢固可靠。
安装完之后,还得检查检查呀。
你想想,要是有个地方没安装好,到时候出了问题可咋办?所以得仔仔细细地检查一遍,看看有没有松动的地方,有没有缝隙啥的。
这施工过程中还得注意安全呢!可别为了赶进度就不管不顾啦。
就跟走路一样,你得一步一步稳稳地走,不能着急忙慌的,不然容易摔跤。
你说这挡烟垂壁防火板施工重要不?那当然重要啦!它可是能在火
灾的时候为我们阻挡烟雾,给我们争取逃生的时间呢。
要是施工不好,那不是白搭嘛!
所以啊,大家在进行挡烟垂壁防火板施工的时候,一定要认真仔细,不能有丝毫的马虎。
这可关系到我们的生命财产安全呢!咱可不能拿
这个开玩笑呀!大家说是不是这个理儿?。
挡烟垂壁施工方案挡烟垂壁施工方案1. 引言挡烟垂壁是指在室内空间中,通过建立一道具有隔离效果的垂直墙壁,以分隔不同功能区域,避免烟雾、灰尘和异味的扩散。
它在商业建筑、办公场所和公共场合中广泛应用,既能保障人们的健康,也能提供一个良好的办公环境。
本文档将介绍挡烟垂壁的施工方案。
2. 施工准备在开始施工之前,需要做好以下准备工作:- 调查环境:了解施工场地的结构、周边环境和对挡烟垂壁的需求。
- 测量尺寸:准确测量场地的长度、宽度和高度。
- 确定材料:根据需求选择适合的挡烟垂壁材料,如玻璃、金属或石膏板。
3. 施工步骤步骤一:安装挡烟垂壁支架1. 根据测量结果,确定挡烟垂壁的位置和大小。
2. 使用工具在场地地面上标记出支架的位置,确保支架布置均匀。
3. 在标记的位置上钻孔,将挡烟垂壁支架固定在地面上。
步骤二:搭建挡烟垂壁骨架1. 经过施工评估后,将骨架的尺寸确定下来。
2. 按照尺寸要求,在支架上安装挡烟垂壁骨架。
3. 使用螺丝将骨架牢固地固定在支架上。
步骤三:安装挡烟垂壁材料1. 将挡烟垂壁材料根据需要逐块安装在骨架上。
2. 根据具体材料的特点和要求,选择合适的安装方式,如使用胶水或螺丝固定。
3. 确保每块挡烟垂壁材料之间的连接紧密,并且整个挡烟垂壁的表面平整。
步骤四:装饰和调整1. 挡烟垂壁安装完成后,进行表面处理和装饰。
2. 对挡烟垂壁进行检查,确保安装牢固、表面光滑,没有明显的缺陷和瑕疵。
3. 调整挡烟垂壁的位置和高度,以确保达到预期的隔离和防护效果。
4. 施工注意事项在挡烟垂壁的施工过程中,需要注意以下事项:- 安全第一:施工过程中要注意安全,佩戴好防护装备,确保人身安全。
- 材料选择:根据需要选择合适的挡烟垂壁材料,确保材料质量和环保性能。
- 施工质量:施工过程中要保证质量,确保挡烟垂壁的稳固性和密封性。
- 环境保护:施工结束后,要妥善处理工地垃圾,并对施工区域进行清洁,保护环境。
5. 结论挡烟垂壁是一种重要的隔离装置,能有效地防止烟雾、灰尘和异味的扩散。
挡烟垂壁施工方案注意事项:1.施工过程中严格按照施工方案施工,避免坠物伤人。
2.对胶封的擦洗切不可使用水或湿布。
一、施工工艺:放线定位——上部吊杆安装——玻璃安装——注密封胶——表面清洁和验收二、施工方法:1、放线定位:挡烟垂壁定位轴线的测量放线必须与主体结构的主轴线平行或垂直,以免挡烟垂壁施工和室内装饰施工发生矛盾,造成阴阳角不方正和装饰面不平行等缺陷。
2、上部吊杆安装:注意检查丝杆和金属膨胀管的牢固,选用的丝杆和金属膨胀管质量要可靠,钻孔孔径和深度要符合金属膨胀管厂家的技术规定,孔内灰渣要清吹净。
所有丝杆安装完毕后,应进行隐蔽工程质量验收,请监理工程师验收签字,验收合格后再涂刷防锈漆。
3、玻璃安装:检查玻璃的质量,尤其要注意玻璃有无裂纹和崩边,吊夹铜片位置是否正确。
用干布将玻璃的表面浮灰抹净,用记号笔标注玻璃的中心位置。
安装电动吸盘机。
电动吸盘机必须定位,左右对称,且略偏玻璃中心上方,使起吊后的玻璃不会左右偏斜,也不会发生转动。
在玻璃适当位置安装手动吸盘、侧边保护胶套。
手工或电动将玻璃移近就位位置后,搬运工听从指挥长的命令操作,使玻璃对准位置徐徐靠近。
上层工人要把握好玻璃,防止玻璃在升降移位时碰撞吊顶。
待下层各工位工人都能把握住手动吸盘后,可将拼缝一侧的保护胶套摘去。
使用手动倒链将玻璃徐徐吊高,使玻璃上端略低出上部边框少许。
此时,下部工人要及时将玻璃轻轻拉入槽口,并用木板隔挡,防止与相邻玻璃碰撞。
安装好玻璃吊夹具,将玻璃的孔与铝合金的孔对牢并用对撬螺杆将玻璃和铝构件对穿固定。
4、注密封胶:沿胶缝位置粘贴胶带纸带,防止硅胶污染玻璃。
安排受过训练的专业注胶工施工,注胶时应内外双方同时进行,注胶要匀速、匀厚,不夹气泡。
注胶后用专用工具刮胶,使胶缝呈微凹曲面。
5、表面清洁和验收将玻璃内外表面清洗干净。
再一次检查胶缝并进行必要的修补。
整理施工记录和验收文件,积累经验和资料。
三、质量标准:四、技术措施:1、使用高精度的激光水准仪、经纬仪,配合用标准钢卷尺、重锤、水平尺等对施工放线进行复核。
挡烟垂壁施工技术挡烟垂壁施工技术1. 简介挡烟垂壁施工技术是一种用于建筑空间隔离和防止烟雾传播的先进方法。
本文将详细介绍挡烟垂壁施工技术的原理、施工步骤、施工材料等相关内容。
2. 原理挡烟垂壁施工技术采用的原理是通过构筑垂直于烟雾传播方向的垂直屏障来有效阻止烟雾的扩散,从而在火灾发生时保护空间内的人员和财产安全。
3. 施工步骤3.1 准备工作3.1.1 确定施工区域,进行现场勘测。
3.1.2 确定施工方案,包括屏障类型、尺寸和位置等。
3.1.3 购买所需施工材料和设备。
3.2 施工准备3.2.1 清理施工区域,确保无障碍物和杂物。
3.2.2 安装施工设备,如梯子、脚手架等。
3.3 施工操作3.3.1 安装挡烟屏障的支架,固定在墙壁或屋顶上。
3.3.2 根据设计要求,搭建挡烟屏障的框架结构。
3.3.3 安装玻璃、金属板或防火材料等在挡烟屏障的框架上。
3.3.4 进行施工验收,确保挡烟屏障的质量和效果。
4. 施工材料4.1 屏障支架:一般采用钢材或铝合金材料制作,具有耐高温和抗腐蚀性能。
4.2 屏障材料:可以选择玻璃、金属板或防火材料等作为屏障的构成部分,具有防火和隔热性能。
4.3 固定设备:包括螺栓、螺丝等固定挡烟屏障的设备。
5. 附件本文档所涉及附件如下:附件1:挡烟垂壁施工图纸附件2:挡烟屏障材料清单附件3:挡烟垂壁施工验收报告6. 法律名词及注释本文档所涉及的法律名词及注释如下:1. 建筑空间隔离:指对建筑空间进行有效划分,避免火灾或烟雾蔓延至其他区域,保护人员和财产安全的措施。
2. 烟雾传播:指火灾发生时,烟雾在建筑空间中扩散蔓延的过程。
挡烟垂壁安装施工技术要求、接口处理工艺
(一)安装施工技术要求
1、基本要求
1)挡烟垂壁所用的所有原材料必须符合相应的国家标准或行业标准的规定。
2)挡烟垂壁挡烟部件在(200±15)℃、(25±5)Pa差压时的漏烟量应不大于25m3/(m2.h)。
2、施工工艺流程
预埋件(或¢8镀锌膨胀螺栓)安装→镀锌龙骨架安装→防火材料按设备管线要求位置开孔→防火材料安装、固定→管线开孔位置防火封堵。
3、施工工艺及检验标准
1)挡烟部件与框架的接触部分应密封.
2)挡烟垂壁金属部件表面不允许有裂纹、压坑及明显的凹凸、锤痕、毛刺、空洞等缺陷。
3)挡烟垂壁的挡烟部件必须安装牢固,不可出现留缝、松动现象。
4)挡烟垂壁的挡烟部件不允许出现撕裂、缺角、挖补等缺陷。
5)安装大样:
6)挡烟垂壁的各项指标及检验标准可参照《挡烟垂壁》
GA533-2005标准执行。
(二)接口处理工艺
1)负责挡烟垂壁的施工安装,配合电动电动挡烟垂帘设备安装并做装饰工作,与天花吊顶留缝处理.
2)在有设备和管线穿越时,需要选择一种合适的防火封堵系统,同时也需要考虑设备及管线可能产生的位移的影响,确保不会有荷载施加到挡烟垂壁上。
挡烟垂壁施工方案一、工程概况本工程旨在为某商业综合体安装挡烟垂壁,以提高建筑物的消防安全性能。
挡烟垂壁将安装在关键区域,如疏散楼梯前室、电梯前室等,以有效隔离火灾产生的烟雾。
二、设计依据本施工方案根据《建筑设计防火规范》和《建筑内部装修设计防火规范》等相关国家标准和规范进行设计,确保挡烟垂壁的性能满足法规要求。
三、材料选择1. 挡烟垂壁主体材料应具有良好的耐高温性能,通常采用不燃材料制作,如钢板、无机纤维板等。
2. 所有材料必须符合国家相关标准的要求,并通过专业检测机构的质量检验。
四、施工流程1. 现场勘察:施工前需对安装位置进行详细勘察,确保设计方案的准确性。
2. 材料准备:根据设计要求准备相应的材料和工具。
3. 定位放线:按照设计图纸在施工现场进行精确的定位放线。
4. 支架安装:固定好挡烟垂壁的支架,保证其结构稳固。
5. 垂壁安装:将挡烟垂壁板材安装到支架上,确保连接牢固。
6. 调试检查:安装完成后进行调试,检查垂壁的下垂情况是否符合要求。
7. 质量验收:邀请专业人员对施工质量进行验收,确保达到设计要求。
五、安全措施1. 施工人员必须穿戴好个人防护装备,如安全帽、防护眼镜、防尘口罩等。
2. 施工现场应设置明显的安全警示标志,并采取必要的安全防护措施。
3. 使用电动工具时,应检查电气线路是否安全可靠,避免触电事故的发生。
4. 施工过程中应有专人负责监督,确保施工安全。
六、质量保证1. 严格按照施工图纸和技术规范进行施工。
2. 施工中使用的材料必须有质量合格证明,并由专人负责验收。
3. 施工过程应做好记录,包括材料使用、施工进度、质量检查等信息。
4. 对于发现的问题及时整改,确保工程质量。
七、后期维护1. 定期检查挡烟垂壁的状态,发现问题及时维修或更换。
2. 保持垂壁的清洁,避免积尘影响其性能。
3. 对于活动部件应定期润滑,保证其灵活性。
装配式挡烟垂壁施工工法一、前言装配式挡烟垂壁施工工法是一种用于建筑施工的先进技术,它的主要作用是在建筑楼层之间安装挡烟垂壁,以提高建筑物的防火安全性。
在本文中,将详细介绍该工法的特点、适应范围、工艺原理、施工工艺、劳动组织、机具设备、质量控制、安全措施、经济技术分析以及工程实例。
二、工法特点装配式挡烟垂壁施工工法具有以下特点:1. 节约时间:该工法采用预制构件,可以减少现场施工时间,提高施工效率。
2. 节约成本:由于预制构件的使用,减少了现场加工的需要,从而降低了施工成本。
3. 环保可持续:预制构件的回收利用以及后期的拆卸性质,使得该工法对环境的影响较小,同时也符合可持续发展的要求。
三、适应范围装配式挡烟垂壁施工工法适用于各类建筑工程,特别是大型商业综合体、高层办公楼、医院和酒店等公共建筑。
该工法可以在施工过程中确保建筑物内部的火灾蔓延受到控制,在一定程度上提高了建筑物的安全性。
四、工艺原理装配式挡烟垂壁施工工法的原理是通过预制构件的拼装和安装,形成一个能够抵挡烟雾传播的垂直墙体结构。
具体来说,该工法采用钢骨架结构和防火板材料,通过预制构件的组合和连接,形成一个连续的挡烟垂壁系统。
这种系统可以在火灾发生时,有效地阻止烟雾的蔓延,为人员疏散争取宝贵的时间。
五、施工工艺1. 准备工作:包括测量、设计、预制构件生产和运输等准备工作。
2. 基础施工:进行基础的搭建和安装,确保挡烟垂壁的固定性和稳定性。
3. 构件安装:根据设计要求,对预制构件进行安装,并进行连接和固定。
4. 防火板安装:将防火板材料按照一定的规格和方法安装到预制构件上,形成完整的挡烟垂壁系统。
5. 验收和维护:对施工完成的挡烟垂壁进行验收和维护,保证施工质量和安全性。
六、劳动组织在装配式挡烟垂壁施工工法中,需要合理组织工人的工作,确保施工进度和质量。
工人应按照工艺流程进行协同作业,分工明确、配合默契,提高施工效率。
七、机具设备在装配式挡烟垂壁施工工法中,需要使用一些机具设备来完成施工任务。
挡烟垂壁防火封堵做法
挡烟垂壁防火封堵指的是在建筑结构中设置一道用于隔离烟雾和延缓火势蔓延的屏障,以增加人员疏散时间和减小火灾损失。
根据标准规范,挡烟垂壁屏障的材料必须采用不燃性能较好的建筑材料,如高强度钢板、矿棉板等。
在施工过程中,需根据设计方案要求进行开凿墙面,搭建好挡烟垂壁骨架,将矿棉板焊接或直接固定在骨架上,采用专用胶水紧密粘合或插压固定。
同时,还需要进行完善的防火封堵措施,如在墙面上进行缝隙密封和封堵,以确保挡烟垂壁的防火性能。
在火灾发生时,挡烟垂壁防火封堵能有效隔离烟气和减小火灾蔓延的速度,增加人员疏散时间,在保障人员生命安全的同时,减小火灾损失。
挡烟垂壁简介及施工方法挡烟垂壁和垂帘的主要材料挡烟垂壁、垂帘应采用不燃烧材料制作,目耐火极限不低于0.5h。
用于吊顶以下时,吊顶下沿车站纵向下挂设置的挡烟垂壁选用递明加丝防火玻璃,高度为吊顶下500㎜.当吊顶为镂空吊顶时,吊顶上部的挡烟垂壁应向上延伸至结构粱。
不仅可以满足挡烟防火功能需要,更因其通透性好,挡烟垂壁离地面不应小于2. 3m。
(1)无机纤维防火帘片:安装在装饰吊顶内,有效下降高度应在吊顶下不小于500㎜。
站台中部垂帘下垂高度与沿车站纵向设置的挡烟垂壁底部平齐。
当吊顶为镂空吊顶时,挡烟垂帘上方至结构顶板需用防火布封堵。
用于吊顶以上,为柔性材料,适应吊顶内管线、设备分布及主结构形状。
(2)防火板:用于轨道上方,采用6mm厚复合式钢结构加固,其防火性能高于设计指标,更具备牢固性和安全可靠性。
(3)金属材料:方钢、角钢、扁钢、不锈钢等,用于整体结构拼装、加固、吊装和表面装饰,除不锈钢板外,出厂前均做防锈、防火处理。
(4)标准件系列:吊装用胀栓、射钉等渗入结构内部的加固件,采用优质合格产品。
螺栓、螺母、弹垫等连接紧固件,采用优质镀锌产品,具有防潮、防锈、防腐作用。
防火玻璃横向加固用胶垫、竖向间隙用玻璃胶,使其遇有高温即可融化,以满足防火玻璃高温膨胀时有相应空间。
施工顺序挡烟垂帘垂壁根据设计要求和现场实际情况采取如下施工顺序:搭设脚手架一放线一打眼--上胀栓一焊骨架、吊件一安装骨架、吊件一调整水平、垂直度--安装防火帘片防火板一安装防火玻璃一安装不锈钢玻璃盖板。
注意:挡烟垂壁每档连接处留有的5mm间隙,用透明防火胶粘接,并保证防火玻璃遇高温时有膨胀的空间。
安装下了前应进行现场实地测量,保证下料尺寸合理、准确,均匀分段,夹丝玻璃吊装孔的不为分布也要合理,玻璃上部不锈钢装饰条应有一定强度,不能太软,两块夹丝玻璃板连接处下部应采用不锈钢卡子卡牢。
卡子还可固定、校正两块玻璃板在一条直线上。
增加挡烟垂壁的美观程度。
挡烟垂壁与防火封修一体化施工工法目录1.前言 (1)2.工法特点 (1)2.1工艺简单,可操作性强 (1)2.2设计合理,材料优良,安全可靠 (1)2.3定型化、工具化、一体化施工,工期短 (1)2.4面层美观,装饰性强 (2)3.适用范围 (2)4.工艺原理 (2)5.工艺流程及操作要点 (3)5.1施工工艺流程 (3)5.2操作要点 (4)6.材料与设备 (6)6.1主要材料 (6)6.2主要机具设备 (7)7.质量控制 (7)7.1材料控制 (7)7.2施工质量 (7)7.3质量控制措施 (8)8.安全措施 (8)9.环保措施 (8)10.效益分析 (9)10.1社会效益 (9)10.2经济效益 (9)11.工程实例 (9)1.前言挡烟垂壁作为建筑防火设计的重要设施,能有效阻挡烟雾在建筑顶棚下横向流动,提高在防烟分区内的排烟效果,对保障人民生命财产安全起到积极作用。
随着建筑施工技术的发展和社会的进步,挡烟垂壁施工和验收标准越来越高,但挡烟垂壁施工却一直停留在传统施工工艺阶段。
由于施工方法限制,挡烟垂壁玻璃顶部与结构构件之间留有空隙,且无法通过后期施工进行封修,直接影响消防火效果。
建筑业亟需一种新的挡烟垂壁施工工艺。
挡烟垂壁与防火封修一体化施工工法可有效解决以上施工难题,该施工方法使挡烟垂壁与防火封修施工一体化、工具化、定型化,将挡烟垂壁上部封修与挡烟垂壁同时施工,密封效果良好,挡烟能力增强。
采用的材料不仅满足防火要求,同时具有一定的装饰装修效果,并符合绿色环保的要求。
该工法科学合理,操作简单,易于推广,具有广阔的应用前景。
该工法已申请实用新型专利并获得授权。
2.工法特点挡烟垂壁与防火封修一体化施工工法,在确保防火施工质量的同时,将挡烟垂壁及其上部防火封修施工一体化、定型化、工具化,工艺简单,一次成型,可有效节约工期,易于推广。
同时,所选用的材料在满足防火性能的同时,具有绿色环保、尺寸稳定、使用寿命长的特点,值得推广。
2.1 工艺简单,可操作性强该施工工法主要涉及方钢管的焊接、膨胀螺栓安装、钢管架体及玻璃吊装就位、硅酸盖板固定和玻璃丝棉填充等工序,工艺简单,易于操作。
2.2 设计合理,材料优良,安全可靠挡烟垂壁与防火封修一体化施工采用方钢管作为骨架,骨架和玻璃通过膨胀螺栓及吊链固定于结构之上,骨架内部填充防火玻璃丝棉,表面安装硅酸钙板,,整个架体安全可靠。
所选用硅酸盖板拼缝严密,玻璃丝棉填充后增强挡烟及防火隔断能力,消防效果显著提升。
2.3 一体化、定型化、工具化施工,工期短该工法架体按照实际测量尺寸采用方钢管在地面焊接组装后直接吊装到施工部位,标准层直接定型化加工,可与其他工序穿插施工,不受其他工序影响,可节约工期。
2.4 面层美观,装饰性强由于硅酸钙板表面光滑,色泽均匀,可直接作为成活面层或在其表面直接进行其他涂饰施工,装饰效果好。
硅酸钙板作为一种新型绿色建材,在良好防火性能的基础上独具环保功能,且尺寸稳定、使用寿命长。
3.适用范围本工法适用于大型商场、办公楼等公共建筑,该类建筑一般设计有挡烟垂壁,且消防验收要求严格。
4.工艺原理本工法为挡烟垂壁与防火封修一体化施工工法,是基于挡烟垂壁及其上部封修消防要求,结合工程项目实际条件进行深化设计后,将挡烟垂壁和防火卷帘上部封修作为工具化、整体式施工体系得到的施工方法。
挡烟垂壁及其上部封修架体同时施工,架体内部填充防火玻璃丝棉,表面安装硅酸钙板,施工完成后整体色彩一致、美观,效果良好,满足消防要求。
图4.1-1挡烟垂壁剖面图5.工艺流程及操作要点5.1 施工工艺流程图5.1-1施工工艺流程图5.2 操作要点5.2.1 施工准备1.施工前进行总平面布置和规划,划分施工材料堆场和加工场,制定材料进出场地路线;2.主体结构表面处理污物及凸起物清理,确保结构表面平整;3.确定工程量,结合工程施工安排编制施工进度计划;编制专项施工方案,确定深化设计图纸,组织现场人员进行技术培训和安全技术交底,焊工持证上岗;4.根据施工进度安排组织材料设备进场,分类存放并进行材料复检;5.按照施工方案进行样板施工,并组织技术、工程、质量各专业进行样板验收;5.2.2 放线定位1.挡烟垂壁定位轴线的测量放线必须与主体结构的主轴线平行或垂直,以免挡烟垂壁施工和室内装饰施工发生矛盾,造成阴阳角不方正和装饰面不平行等缺陷;2.根据深化设计排布图纸,确定架体和玻璃吊链与结构连接螺栓的位置,确定膨胀螺栓位置及数量;3.定位采用高精度的激光水准仪、经纬仪,配合用标准钢卷尺、重锤、水平尺等复核,以确保架体的垂直精度,要求上、下中心线偏差小于 1.5mm。
5.2.3 材料加工根据深化设计图纸和现场实测实量结果,现场进行方钢管骨架焊接、防火玻璃打孔及硅酸钙板切割。
5.2.4 架体安装架体在地面焊接完成后即可吊装至安装部位,同时安装玻璃吊链。
架体和吊链与结构之间通过膨胀螺栓连接。
施工时要确保架体、玻璃吊链和金属膨胀螺栓的牢固,选用质量可靠的材料。
施工膨胀螺栓需在结构上打孔,打孔位置不宜靠近钢筋混凝土构件的边缘,钻孔孔径和深度严格按照金属膨胀螺栓厂家的技术规定,并清理孔内灰渣;架体及吊链安装完成并验收合格后涂刷防锈漆。
架体图5.2.4-1架体安装就位5.2.5 防火玻璃安装将加工好的夹层防火玻璃与玻璃吊件固定后,将玻璃吊装至安装部位,玻璃吊件与玻璃吊链连接固定。
玻璃安装就位后,采用激光水准仪对其安装水平度进行测量,通过玻璃吊链调节丝杆调整,确保每块玻璃水平度偏差不超过1mm。
玻璃之间的拼缝用防火胶密封,以确保密封效果。
5.2.6 玻璃丝棉和硅酸盐钙板施工防火玻璃安装完成后,先在架体一侧安装硅酸钙板,在管线穿越部位留出相应尺寸的孔洞。
一侧硅酸盖板安装完成后,在架体内部填充防火玻璃丝棉,填充完成后再封闭另一侧硅酸盖板。
进行防火玻璃丝绵的填充施工时应注意,防火玻璃丝绵有较大蓬松性,应根据设计要求,严格按照厂家及实验结果进行填充,达到饱满、密实的效果。
5.2.7 拼缝及其他部位封堵两侧硅酸盖板安装完成后,将拼缝和与管线、管道交叉部位用防火密封胶密封。
玻璃底面从两侧进行封闭,并在硅酸钙板与玻璃接触部位注防火胶,保证密实效果。
进行注胶时应按照以下要求施工:1.所有注胶部位的玻璃、金属表面以及硅酸盐钙板都用专用清洁剂擦拭干净,不能用湿布和清水擦洗,注胶部位表面必须干燥。
2.注胶前沿胶缝位置粘贴胶带纸带,防止防火胶污染玻璃。
3.注胶时应两侧同时进行,注胶匀速、匀厚,不夹气泡,注胶后用专用工具刮胶,使胶缝呈微凹曲面,胶缝的宽度宜为2mm。
图5.2.7挡烟垂壁侧立面图5.2.8 涂刷防火涂料在施工完成的硅酸盖板表面涂刷两变饰面防火涂料,涂完第一遍后,自然干燥后进行下一层施工,每遍涂刷面不得有漏涂,每平米用量≥500g,达到一级防火标准。
6.材料与设备6.1 主要材料施工使用的主要材料包括:不锈钢方钢管20×40、等边角钢∠40×3、玻璃吊链、金属膨胀螺栓、防火玻璃丝绵、硅酸钙板、防火玻璃、玻璃吊件、耐候硅酮嵌缝防火胶、防火涂料;施工所使用的硅酸钙板、玻璃丝棉等材料耐火极限不低于0.5h。
挡烟垂壁选用双层夹胶防火玻璃,高度为排烟管风口下500mm。
6.2 主要机具设备表6.2-1施工主要机具设备表7.质量控制7.1 材料控制7.1.1方钢管的尺寸及质量标准符合《结构用冷弯空心型钢尺寸、外形、重量及允许偏差》(GB/T6728-2002)的要求;7.1.2膨胀螺栓质量符合膨胀螺栓(JB/ZQ4763-2006)中的质量要求,并有出厂合格证明,进场后进行拉拔试验,严禁使用不合格品;7.1.3硅酸钙板和防火玻璃丝棉必须符合设计规定的耐火极限,材料质量符合《纤维增强硅酸钙板》(JC/T564-2008)和《绝热用岩棉、矿渣棉及其制品》(GB/T11835-2007)的规定,材料有出厂合格证明,进场后进行材料复检,严禁使用不合格品。
7.2 施工质量挡烟垂壁施工质量严格按照《挡烟垂壁》(GA533-2005)执行,由于该规范对挡烟垂壁施工各个环节质量要求不够详尽,在进行质量控制及验收时,同时参考《混凝土结构工程施工质量验收规范》(GB50204-2002(2011版))和《建筑工程施工质量验收统一标准》(GB50300-2001)要求。
7.2.1挡烟垂壁架体安装以主体结构为准,所以挡烟垂壁架体允许偏差以混凝土结构为准,考虑到钢管加工相对混凝土浇筑施工难度小,同时考虑装饰装修的要求,架体截面尺寸允许偏差取-2~+5mm,轴线位置允许偏差取5mm;7.2.2防火玻璃和硅酸钙板在满足防火要求的同时,其施工质量验收按照饰面板的标准进行,并考虑其施工难易程度,立面垂直度允许偏差为1.5mm,表面平整度允许偏差为1mm,拼缝直线度允许偏差为1mm,允许拼缝宽度为1mm。
7.3 质量控制措施7.3.1施工下料前应进行现场实地测量,保证下料尺寸合理、准确,均匀分段;7.3.2硅酸钙板应存放于室内库房,装卸搬运时不得碰撞,搬运板材时,应以双人手持板材的两边竖立搬运,严禁横抬;板材应堆在平整的地面或用专用木托架置于底部,少量散板不能靠墙直立;7.3.3施工过程中严格落实样板引路制度、三检制,样板施工完成后,经施工队伍、项目部验收完成后,通知甲方、监理验收合格后再开展大面积施工;7.3.4加强过程质量监控,每道工序施工完成并验收合格后再进行下道工序施工。
8.安全措施8.1进入施工现场施工作业人员必须佩戴安全帽;8.2施工人员进入现场实行实名制等级管理,工人进场后进行入场安全教育和技术培训,考核合格后再开展施工;8.3特殊工种如焊工、架工需持证上岗;8.4进行高空作业时,操作人员必须佩戴安全带;架设架体和玻璃时,必须确保脚手架稳定,不得晃动,施工时架体周边不得站人;8.5所有电气用具必须安装漏电保护器;8.6所有电缆、插头及连接器确保连接正确,性能良好;8.7当进行电焊或切割工作时,必须使用专用焊帽及适合个人的防护用品;作业后,清理现场,灭绝火种,切断电源,清除焊料余热后,方可离去。
9.环保措施9.1所有加工场地及操作面上,都必须做到工完料尽,场地清,垃圾分类堆放到指定的丢弃场所;9.2施工现场保持良好通风,避免施工作业产生的烟尘对作业人员产生危害;9.3施工作业场地每天下班前进行清理,尤其切割硅酸钙板场地需做好防尘措施,定时洒水;9.4由于切割钢管和硅酸钙板产生大量噪音污染,进行切割作业时应在噪音棚中进行,并配备灭火器材。
10.效益分析10.1社会效益本工法总结的挡烟垂壁与防火封修一体化施工方法,将挡烟垂壁及其上部防火封修作为一体化系统施工,同时很好的解决了防火封修中的技术难题,在增强消防效果的同时,将施工工艺定型化、工具化,具有工期短、易于施工等特点,具有推广价值。