焊接打磨检验标准
- 格式:xls
- 大小:37.00 KB
- 文档页数:2
打磨工作标准
打磨是将工件的毛刺、焊点打磨平整圆滑,无毛刺、锐角等现象。
凹坑损
伤检查挑出修补。
表面要求干净、平整无渣子。
1. 打磨前首先检查焊接处是否有漏焊、虚焊、严重损伤工件表面
等不良情况
2. 工作前穿戴好劳动护具,检查打磨设备、夹具是否良好。
装卸
磨轮、抛光轮必须矫正平衡,紧固可靠。
布轮必须装牢,不准拆除布轮
防护罩。
打磨前必须要开机试转。
3. 更换磨片时必须关闭电源,工件打磨时必须要拿稳、夹牢,精
力集中,用力适当,切记不可用力过猛,要慢慢均匀用力,以免发生打
磨片撞坏撞碎现象。
必要时安装托架,以防工件脱手伤人。
4. 打磨要选择合适的打磨轮,可以提高工作效率,比如焊接疤痕
比较大,可先先使用较粗的砂轮打磨,再根据零件表面要求选择较细的
砂轮打磨。
5. 工件表面焊渣清理,简单除锈。
擦净工件表面灰尘。
6. 焊接焊点要按花形打磨,注意边角和冲孔毛刺打磨到位。
7. 氩弧焊焊接件打磨要磨平焊接部位,不能磨平有缝隙较大不能
正常喷塑件要挑出,采取补焊或打腻子的方式补平。
8. 搬运产品要小心轻放,不能有碰坏、摔坏、摔变形等现象。
9. 先磷化后焊接的件打磨时只打磨焊接区域,保护磷化层,防止
油污、锈蚀。
飞溅的焊渣用砂纸轻轻擦去。
10. 打磨只能在规定的打磨区域内打磨,打磨剩余废磨片集中放置,
保持生产区域内的卫生。
打磨处理过的工件及时进行喷塑前(去油、除
锈、磷化等)处理。
作业标准书部门/生产线名称标准书编号岗位名称附表适用机种制定决裁日批准审核检查制作生产部BIAOZHUN-001 打磨作业□有(张)打磨工郭杰项目1 打磨抛光作业标准作业标准1.仔细了解需打磨抛光部位,做好打磨抛光的顺序2.打磨要按照打磨和抛光时火花飞溅不能飞到机器和人体上的基本原则进行3.准备好各种打磨时必须的工具,备随时取用。
4.佩戴好防护眼镜和手套5.先用粗磨砂轮片进行粗磨6.用细砂轮片进行精磨。
7.安装沙碟进行精细磨。
8.安装尼龙抛光轮进行抛光。
9该打蜡的部位要安装布轮进行打蜡。
10,用碎布把打蜡部位多余的蜡擦拭干净,要求表面光亮,光彩照人。
11.该清洗的部位拿到合理的地方清洗。
清洗后放置到合理的位置等待下一步的工作。
工作内容准备工作和注意事项1.打磨前看焊接部位是否焊接牢固2.打磨时要按照先粗磨后细磨的程序进行3.打磨时注意火花飞溅的部位。
4.打磨前做好防护措施。
5.打磨前准备好各种工具6打磨中各类零部件不能有碰伤和划伤和压痕7.打磨按零部件和焊接件不同打磨工艺进行打磨8打磨后该抛光的抛光,该打蜡的打蜡,最后清洗9打磨后要自检打磨的程度管理、检查项目方法检查频度记录频度管理内容1 检查焊接是否牢固。
目测1次/件1次/件2 检查打磨火花飞溅方向。
测量1次/件1次/件3 检查需打磨件表面保护。
目测1次/件1次/件4 检查打磨顺序。
目测1次/件1次/件5 检查防护措施。
目测1次/件1次/件6 检查打磨后情况。
目测1次/件多次/件7 检查该抛光部位有没有抛光清洗。
目测1次/件1次/件8 检查打磨质量和是否自检和报检。
记录1次/件1次/件9 检查打磨后工具情况和7S情况目测1次/件多次/件工夹具修改履历No修改决裁日理由作成检查审核批准注意点1.必须做好防护。
2..必须理清打磨抛光顺序。
3.必须看火花飞溅方向4.必须自检。
劳保用品。
焊接外观检验标准有哪些
要实施焊接外观检验,必须遵循钣金物件的焊接外观检验标准,它主要包括以下几条:
一、普通焊接:
1、焊缝表面多层焊晶、气孔,棱角打磨达到光滑,无明显折折未焊熔接处。
2、焊缝外形符合焊接技术卡的要求,焊缝宽度正确,低于1.5mm 的焊缝宽度,夹角≤90°,等腰三角形折边角重叠夹角≤45°。
3、熔接表面应无改变厚度,有较强的弹性,完全没有焊熔区。
4、表面应无漏焊、飞溅、滴溅、不良气泡、碳渍和其它缺陷。
5、焊接测试应达到规定的实质要求。
二、特殊焊接:
1、焊缝表面多层焊晶、气孔,棱角打磨达到光滑,无明显折折未焊熔接处。
2、钢板焊接处应无改变厚度,圆角外径和直线宽度符合设计要求。
3、表面应无漏焊、飞溅、滴溅、不良气泡、碳渍和其它缺陷。
4、填充熔焊处,完全无改变厚度,无焊熔区,且表面平滑、有光泽。
5、焊接测试应达到规定的实质要求。
- 1 -。
管道焊接坡口打磨要求1.打磨设备:打磨设备必须完好,并且定期检查维护。
打磨机的转速和刀盘直径要根据工作要求选定,保证打磨效果。
2.打磨材料:打磨材料要使用专用的刷片和砂轮,选择适当的砂粒大小和硬度,以充分去除焊渣和氧化层。
3.打磨坡口:打磨坡口要求坡角饱满,坡底深度一致,坡面光滑,没有明显划痕和凹坑。
对于容易氧化的不锈钢管道,在打磨时要注意保护焊缝,避免轻微凹槽、局部腐蚀和过度打磨。
4.打磨容量:打磨容量要根据管道规格确定。
对于大口径管道,要选用适当的打磨机械设备进行打磨,确保坡口打磨的效果和规范。
5.打磨平整度:打磨后的坡口两端应平整,不得有明显的凹陷或突起。
对于特殊设备管道,如高压管道、高温管道等,打磨后要进行平整度测试,确保达到工程要求。
6.打磨清洁度:打磨完毕后,要对焊缝进行清洁处理,确保没有杂质和焊渣。
可以用空气枪吹净焊缝,或者用棉纱蘸酒精进行清洁。
特别是对于不锈钢管道,要避免铁屑等杂质粘附在焊缝上,以免引起锈蚀。
7.打磨光洁度:打磨后的焊缝表面应平整光滑,没有明显的划痕和磨痕。
可以通过目测和手触检查光洁度,也可以使用光洁度仪进行精确的测试。
8.打磨结束标记:打磨结束后,要对每个焊缝进行标记,包括焊接坡口的编号、打磨人员的签字和日期等信息,以便质检人员进行复查。
在管道焊接坡口打磨过程中,要注意操作安全,戴好防护眼镜、面具和手套,避免操作中的意外伤害。
另外,操作人员要熟悉打磨设备和工艺要求,保证打磨质量符合相关标准和规范。
总之,管道焊接坡口打磨对于管道焊接质量的保证至关重要,要严格按照规范要求进行操作,确保焊接接头的质量和可靠性。
1、目视检测(VT)目视检测,是国内实施的比较少,但在国际上非常重视的无损检测第一阶段首要方法.按照国际惯例,目视检测要先做,以确认不会影响后面的检验,再接着做四大常规检验。
例如BINDT的PCN认证,就有专门的VT1、2、3级考核,更有专门的持证要求。
经过国际级的培训,其VT检测技术会比较专业,而且很受国际机构的重视。
VT常常用于目视检查焊缝,焊缝本身有工艺评定标准,都是可以通过目测和直接测量尺寸来做初步检验,发现咬边等不合格的外观缺陷,就要先打磨或者修整,之后才做xuyu其他深入的仪器检测。
例如焊接件表面和铸件表面较多VT做的比较多,而锻件就很少,并且其检查标准是基本相符的。
2、射线照相法(RT)是指用X射线或γ射线穿透试件,以胶片作为记录信息的器材的无损检测方法,该方法是最基本的,应用最广泛的一种非破坏性检验方法。
1、射线照相检验法的原理:射线能穿透肉眼无法穿透的物质使胶片感光,当X射线或r射线照射胶片时,与普通光线一样,能使胶片乳剂层中的卤化银产生潜影,由于不同密度的物质对射线的吸收系数不同,照射到胶片各处的射线能量也就会产生差异,便可根据暗室处理后的底片各处黑度差来判别缺陷。
2、射线照相法的特点:射线照相法的优点和局限性总结如下:a.可以获得缺陷的直观图像,定性准确,对长度、宽度尺寸的定量也比较准确; b.检测结果有直接记录,可长期保存; c. 对体积型缺陷(气孔、夹渣、夹钨、烧穿、咬边、焊瘤、凹坑等)检出率很高,对面积型缺陷(未焊透、未熔合、裂纹等),如果照相角度不适当,容易漏检;d。
适宜检验厚度较薄的工件而不宜较厚的工件,因为检验厚工件需要高能量的射线设备,而且随着厚度的增加,其检验灵敏度也会下降;e。
适宜检验对接焊缝,不适宜检验角焊缝以及板材、棒材、锻件等; f.对缺陷在工件中厚度方向的位置、尺寸(高度)的确定比较困难;g。
检测成本高、速度慢;h。
具有辐射生物效应,无损检测超声波探伤仪能够杀伤生物细胞,损害生物组织,危及生物器官的正常功能。
焊接工艺评定执行标准一、引言焊接是一种常用的金属连接方法,广泛应用于各个行业。
为了保证焊接质量和安全性,需要对焊接工艺进行评定。
本文将介绍焊接工艺评定的执行标准。
二、标准的制定目的焊接工艺评定的执行标准旨在确保焊接质量符合要求,保障工程安全可靠。
通过标准化的评定程序,可以确保焊接工艺的合理性和可行性,提高焊接效率和质量。
三、评定范围焊接工艺评定的执行标准适用于各种类型的焊接工艺,包括手工焊接、半自动焊接、自动焊接等。
评定范围覆盖了常见的焊接材料和结构形式,包括钢结构、铝合金、不锈钢等。
四、评定程序1.确定评定目标:明确焊接工艺的要求,包括焊接材料、焊接位置、焊接厚度等。
2.制定评定方案:根据评定目标,制定具体的评定方案,包括选择评定样品、确定评定方法等。
3.准备评定样品:根据评定方案,准备符合要求的焊接样品。
4.进行焊接实验:按照评定方案进行焊接实验,记录实验数据和观察结果。
5.评定结果分析:对焊接实验结果进行分析,评估焊接工艺的合理性和可行性。
6.评定报告编写:根据评定结果,编写评定报告,明确评定结论和建议。
五、评定内容焊接工艺评定的执行标准包括以下内容:1.焊接材料的选择:根据焊接要求,选择适当的焊接材料,包括焊丝、焊剂等。
2.焊接参数的确定:确定合适的焊接参数,包括焊接电流、焊接速度等。
3.焊接位置的要求:明确焊接位置的要求,包括焊缝形式、焊接角度等。
4.焊接接头的准备:对待焊接的接头进行准备,包括除去油污、毛刺等。
5.焊接过程的控制:控制焊接过程中的温度、气氛、保护等因素,保证焊接质量。
6.焊接后处理:对焊接后的接头进行处理,包括打磨、清洁等。
六、评定结果和报告焊接工艺评定的执行标准要求对评定结果进行分析和判断。
评定结果可以分为合格和不合格两种情况。
根据评定结果,编写评定报告,明确评定结论和建议。
七、质量控制和监督焊接工艺评定的执行标准强调质量控制和监督。
在焊接工艺评定过程中,需遵循相关的质量管理规范,如ISO 9001等。
钢轨焊后粗磨技术交底
根据&&&应急工程相关设计文件和标准规范,为了保证钢轨焊后粗磨过程中的各项工序操作、质量、安全达到施工规范要求,特编制此技术交底。
一、钢轨焊后打磨作业内容:
1、对焊接接头顶面、侧面工作边和非工作边、轨底、轨底角踏面推瘤后残留的焊瘤进行粗打磨。
2、认真填写《打磨工位质量记录表》。
3、对上道工序及外观进行检查和自检。
二、钢轨焊后打磨技术标准:
1、焊头轨底面的打磨余量为0mm~1mm。
2、焊头轨顶面、侧面工作边和非工作边的打磨余量为0.4mm~0.7mm。
3、轨底脚踏面打磨长度以焊缝为中心向两边各打85mm,宽度为45mm。
打磨粗糙度≤12.5μm。
三、安全质量注意事项:
1、打磨前,检查砂轮机的运转和接地状况,保证砂轮机在使用过程中的正常安全运转。
2、按照砂轮机使用规范手册进行砂轮机的正确使用和保养。
3、打磨时用力适当,不得将轨面打亏,不得因局部过热是打磨面发黑发蓝。
4、沿钢轨纵向打磨,严禁横向打磨。
5、打磨时将砂轮机把持住,砂轮片要与钢轨面接触平稳,不得在钢轨面上跳动。
6、发现因其它因素造成的焊接接头错牙、错位时,可用圆顺的打磨方法修理,保证打磨面的光滑、平顺。
7、保持工作间的整齐清洁和空气流通,佩戴齐全安全防护用品。
焊缝外观检验标准1、目的指导焊工及焊接检验人员工作,确保焊接质量。
2、适用范围本标准适用于钢结构件焊缝外观质量检验(自检和专检)。
3、焊接部外观检查项目3.1 焊接缺陷:3.1.1咬边:由于焊接参数选择不当,或操作工艺不正确,沿焊趾的母材部位产生的沟槽或凹陷。
3.1.2焊缝表面气孔:焊接时,熔池中的气泡在凝固时未能逸出而残留下来形成的空穴叫气孔。
表面气孔指露在表面的气孔。
3.1.3未熔合:熔焊时,焊道与母材之间或焊道与焊道之间,未完全熔化结合的部分;点焊时母材与母材之间未完全熔化结合的部分。
3.1.4未焊透:焊接时接头根部未完全熔透的现象。
3.1.5裂纹:在焊接应力及其它致脆因素共同作用下,焊接接头中局部地区的金属原子结合力遭到破坏而形成的新界面而产生的缝隙,它具有尖锐的缺口和大的长宽比的特征。
3.1.6未焊满:由于填充金属不足,在焊缝表面形成的连续或断续的沟槽。
3.1.7焊瘤:焊接过程中,熔化金属流淌到焊缝之外未熔化的母材上所形成的金属瘤。
3.1.8烧穿:焊接过程中,熔化金属自坡口背面流出,形成穿孔的缺陷。
3.2焊缝形状缺陷:3.2.1焊缝成形差:熔焊时,液态焊缝金属冷凝后形成的焊缝外形叫焊缝成形,焊缝成形差是指焊缝外观上,焊缝高低、宽窄不一,焊缝波纹不整齐甚至没有等。
3.2.2焊脚尺寸:在角焊缝横截面中画出最大等腰三角形中,直角边的长度。
缺陷表现在焊脚尺寸小于设计要求和焊脚尺寸不等(单边)等。
3.2.3余高超差:余高高于要求或低于母材。
3.2.4错边:对接焊缝时两母材不在一平面上。
3.2.5漏焊:要求焊接的焊缝未焊接。
表现在整条焊缝未焊接、整条焊缝部分未焊接、未填满弧坑、焊缝未填满未焊完等。
3.2.6 漏装:结构件中某一个或一个以上的零件未组焊上去。
3.2.7飞溅。
3.2.8电弧擦伤。
3.3 复合缺陷:同一条焊缝或同一条焊缝同一处同时存在两种或两种以上的缺陷。
3.4 焊缝打磨。
焊缝打磨要求:打磨后焊缝符合本检验标准,焊缝圆滑过渡或焊缝与母材圆滑过渡,不允许破坏母材,其余参见《挖机结构件焊缝打磨规定》。
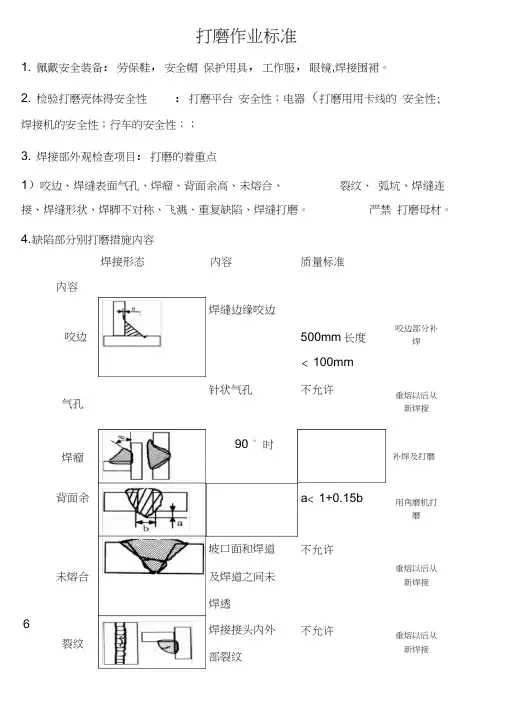
6咬边焊缝边缘咬边500mm长度< 100mm针状气孔不允许气孔焊瘤背面余未熔合裂纹90 ° 时a< 1+0.15b坡口面和焊道及焊道之间未焊透焊接接头内外部裂纹不允许不允许咬边部分补焊重熔以后从新焊接补焊及打磨用角磨机打磨重熔以后从新焊接重熔以后从新焊接打磨作业标准1. 佩戴安全装备:劳保鞋,安全帽保护用具,工作服,眼镜,焊接围裙。
2. 检验打磨壳体得安全性:打磨平台安全性;电器(打磨用用卡线的安全性; 焊接机的安全性;行车的安全性;;3. 焊接部外观检查项目:打磨的着重点1)咬边、焊缝表面气孔、焊瘤、背面余高、未熔合、裂纹、弧坑、焊缝连接、焊缝形状、焊脚不对称、飞溅、重复缺陷、焊缝打磨。
严禁打磨母材。
4. 缺陷部分别打磨措施内容内容焊接形态内容质量标准75.打磨后粗糙度要求:打磨后其表面的粗糙度在Ra6.3〜12.5质检弧坑端部弧坑现象深度在1mm 补焊及打磨以下,a < 1焊缝连 接焊缝最大厚度 a < 2用角磨机打焊缝形 状根部凹陷/焊a-b=0.3+0.05脚不足/凸度a/b-a < 4过大补焊及打磨10焊脚不 对称过大的不对称 焊脚△ Z W1+0.15a允许局部稍重熔以后从 新焊接11飞溅焊接飞溅 不允许全部清除1213重复缺 陷焊缝打 磨2种缺陷的重复弧坑及焊接起始点处的打磨不允许重熔以后从 新焊接局部的打磨 痕迹及凹陷 允许a < 0.5补焊及打磨7编制: 审核: 批准:。
管道坡口打磨标准
管道坡口打磨是确保管道焊接质量的关键步骤,其标准包括:
1. 坡口型式与尺寸:根据管道的材质、壁厚和焊接要求,选择相应的坡口型式(如V型、U型)和尺寸。
通常3mm-10mm的管壁选用V型坡口,而10mm以上的则选用U型坡口。
坡口的角度一般在45度到60度之间,具体角度和间隙尺寸应符合设计或工艺要求。
2. 坡口表面处理:采用机械方法(如管道坡口机)或热加工方法(如等离子弧、氧-乙炔焰)进行加工后,必须清除坡口表面的氧化皮、熔渣及影响接头质量的表面层。
凹凸不平处需打磨平整,确保坡口表明平整且无裂纹、重皮、毛刺等缺陷存在。
3. 坡口检验标准:坡口表面光洁无毛刺、坑洼、氧化皮、锈蚀等杂质;坡口尺寸和形状要符合设计图纸和技术标准的要求;坡口粗糙度应满足工艺要求,以保证管道高效输送和连接的紧密性。
需要注意的是,在实施坡口加工时,还需要考虑到材料的浪费问题,以及切割和打磨的精确性和效率,以优化工作流程并降低成本。
焊缝外观质量检验标准焊缝外观质量检验标准是对焊接工艺的质量进行评估的重要指标。
焊接是一种常见的连接工艺,广泛应用于各种工业领域。
焊接的质量直接影响到产品的使用寿命和安全性,因此,对焊接质量的检验至关重要。
首先,焊缝的外观应该符合标准。
焊缝应该没有裂缝、气孔、夹渣等明显的缺陷。
同时,焊缝的表面应该平整光滑,没有明显的凸起或凹陷。
如果发现这些问题,应该及时进行修补或重新焊接。
其次,焊接应该符合规定的尺寸和形状。
焊缝的宽度、高度、倾斜度等应该符合设计要求。
如果焊缝的尺寸和形状不符合要求,可能会导致焊缝强度不足或者出现应力集中等问题。
另外,焊缝的颜色也是判断焊接质量的一个重要指标。
通常情况下,焊缝的颜色应该均匀一致,没有明显的色差。
如果发现焊缝的颜色不均匀或者出现色差,可能是焊接过程中温度控制不当或者焊接材料不合适。
综上所述,焊缝外观质量检验标准是对焊接质量进行评估的重要指标。
在焊接过程中,应该严格按照标准进行检验,及时发现和处理问题,保证焊接质量。
目录I。
前言II。
焊缝外观质量检验标准3.1 范围3.2 引用文件3.3 术语和定义3.3.1 可视面3.3.2 非可视面3.4 符号5.1 焊缝分类5.2 焊缝质量等级5.3 图样标记6.焊缝外观质量检验规则6.1 检验方法6.2 抽检要求6.3 检验比例7.焊缝外观质量检验项目和要求前言:本文旨在规范焊缝外观质量检验标准,以确保焊接件的质量符合要求。
焊缝外观质量检验标准:3.1 范围:本标准适用于所有焊接件的外观质量检验。
3.2 引用文件:本标准引用的文件包括相关的国家标准和行业标准。
3.3 术语和定义:3.3.1 可视面:指焊接件的外观可以直接观察到的部分。
3.3.2 非可视面:指焊接件的外观无法直接观察到的部分。
3.4 符号:本标准中使用的符号均按照相关标准规定执行。
焊缝分类及质量等级:5.1 焊缝分类:根据焊接件的形状和用途,将焊缝分为对接焊缝和角接焊缝。
焊接送检规范焊接是现代工业中不可或缺的一部分,很多机器和设备的制造都需要进行焊接工艺。
而焊接的质量则直接影响着设备的使用寿命和安全性。
因此,为了保证焊接的质量和稳定性,制定了一系列的送检规范来规范焊接的质量。
首先,焊接送检规范主要包括两大类:检验规范和工艺规范。
检验规范是为了检测焊接的质量,通过对焊接部位进行各种检测手段,来确定焊接的质量是否符合要求。
常见的检测手段有目视检测、X射线检测、超声波检测、磁粉检测等等。
而工艺规范则是为了保证焊接工艺的合理性和稳定性。
工艺规范中包括了焊接前的准备工作、焊接过程中的参数调整以及焊接后的处理工作。
其中,焊接前的准备工作包括清洗、操作人员的培训等多个环节,以确保焊接部位的清洁度和工作人员的技能水平。
焊接过程中的参数调整包括焊接电流、电压、走速等等,这些参数对于焊接部位的质量和稳定性有着至关重要的影响。
焊接后的处理工作则包括打磨、喷漆等等,以使焊接部位看上去更加美观。
其次,焊接送检规范的制定需要遵循一定的原则和标准。
首先是合理性原则,即要在保证焊接质量的基础上,尽可能地减轻操作人员的负担。
其次是科学性原则,即根据焊接工艺特点和设备要求来制定送检规范,保证其科学性和可行性。
最后是可操作性原则,即制定的规范要符合实际操作的需要,易于实施和操作。
最后,作为焊接的操作人员,在进行焊接工艺时,也需要遵守一些基本的规则。
首先是安全第一,必须戴上安全帽、手套、护目镜等个人防护用具,严格按照操作规程进行作业。
其次是注意细节,严格按照焊接规程进行操作,保证每一环节的质量和稳定性。
最后是不断学习和提高,掌握最新的焊接技术和操作方法,提高自身的技能水平。
总之,焊接送检规范对于焊接工艺的质量和稳定性有着至关重要的影响。
操作人员在进行焊接工艺时,也需要遵守一些基本的规则,保证焊接部位的质量和稳定性。
希望我们每个人都能够认真遵守,并不断学习和提高自身的技能水平,为焊接工艺的发展贡献自己的一份力量。
焊接质量检验标准实施时间:2013.6.10版本1.0目录一、目的 (2)二、适用范围 (3)三、定义 (3)四、引用标准 (3)五、焊缝质量分级 (3)六、检验标准 (4)一、目的:指导焊工及焊接检验人员工作,明确检验方法,建立判定标准,确保产品质量。
二、适用范围:本公司三、定义:焊接质量(welding quality)是指焊接产品符合设计技术要求的程度。
焊接质量不仅影响焊接产品的使用性能和寿命,更重要的是影响人身和财产安全;四、引用标准:本标准的尺寸未注单位皆为mm,未注公差按以下国标IT13级执行GB/T1800.3-1998 极限与配合标准公差和基本偏差数值表GB/T1800.4 -1998 极限与配合标准公差等级和孔、轴的极限偏差表GB/1804-2000 一般公差未注公差的线性和角度尺寸的公差未注形位公差按GB/T1184–1996 形状和位置公差未注公差值执行。
五、焊缝质量分级根据缺陷性质和数量将焊缝质量分为4级:Ⅰ级:应无裂纹、未熔合、未焊透和条状夹渣;Ⅱ级:应无裂纹、未熔合和未焊透;Ⅲ级:应无裂纹、未熔合及双面焊或加垫板的单面焊缝中的未焊透,不加垫板的单面焊中的未焊透允许长度按条状夹渣长度Ⅲ级评定(此等级为修理后降级使用);Ⅳ级:焊缝缺陷超过Ⅲ级者(直接判废)。
六、检验标准(单位为mm)1、焊脚尺寸:目测、焊缝检验尺a、图纸标有焊脚尺寸的焊脚公差SPEC+25.0%0.0%(焊脚为10mm时,允许值为10~12.5mm,焊脚尺寸不允许有负公差)b、图纸未注焊脚尺寸:检验方法:目测、焊缝检验规2、咬边:检验方式:目测、深度尺Φ未焊透:检验方式:目测9、弧坑:检验方式:目测弧坑裂纹不允许,需要返修适合图纸中标注的等角焊缝17、焊缝打磨:检验方式:目测、手摸a、图纸中标注的焊缝打磨应满足图纸要求,由于打磨引起的切口打磨过度,母材损伤等,不允许使用b、图纸未注焊缝打磨的对于焊缝打磨,原则上不允许,仅允许为了焊缝返修的焊缝母材的打磨18、一般尺寸公差和形位公差检测方法:游标卡尺、米尺、高度尺、深度尺、直角尺、角度尺a、线性尺寸公差b、角度尺寸公差测量时应采用角度的短边作为基准,其长度可以延长至某特定的基准点,在这种情况下,基准点应标注在图纸上。
公司质量检验制度─焊接质量检验指导书版本:v1.0生效日期:即日起一、目的为公司五金制品在生产过程中的焊接质量检验提供标准和生产检验依据,为质量检验人员提供检验标准和依据,做到工作有标准有依据,保证产品质量满足客户要求。
二、范围适用于我公司所有五金产品焊接的质量检验依据和判断标准。
三、定义1.缺陷等级定义:1.1严重缺陷:焊接后产品品种与生产图纸要求不符,或者焊接后产品无法组装,或者产品组装和无法使用等情况!1.2中等缺陷:焊接后管材有明显缺陷,或者组装后尺寸有较大偏差,或者产品组装后仅能满足基本使用但是在外观、牢固性、平整性等方面有明显缺陷,对公司产品质量信誉造成损伤等情况!1.3次要缺陷:管材表面有明显焊渣、有脱焊、虚焊、漏焊、偏焊等相关情况,或者焊接后尺寸偏差超过规定范围等一系列情况所造成的产品能使用但是影响公司产品质量形象等情况!2.焊接名词:2.1偏焊:焊缝未对准焊接机装配位置;2.2虚焊:焊接后焊接件之间未融合为一体;2.3漏焊:焊道局部未被焊接到;2.4缺焊:未焊到,焊接件匹配位置局部未被焊到、无焊缝;2.5夹渣:焊接后残留在焊缝中的熔渣,如:焊丝、下料后所留毛边、包装纸皮塑料等;2.6焊渣飞溅:焊接或焊缝金属凝固时,焊接金属或填充材料崩溅出来的颗粒;2.7烧穿:焊接熔池塌落导致焊缝内的空洞;2.8过烧:焊接时应电流过大等原因造成管材或铁板等工件过度变形扭曲;2.9满焊:将准备焊在一起的两个工件的所有接触的地方都进行熔焊;2.10点焊:焊件在接头处接触面的个别点上被焊接起来;2.11段焊:一条长焊缝,为了减少焊接变形,把焊缝分为若干段,分段退焊或分段跳焊等,其目的就是为了减少焊接变形;3.尺寸名词:3.1上长度(宽度):工件正常使用时,上表面长度(宽度);3.2中长度(宽度):工件正常使用时,多层架中间段长度(宽度);3.3下长度(宽度):工件正常使用时,工件底部(一般为接触地面部分)的长度(宽度);3.4高度:工件正常使用时,底部(一般为接触地面部分)到上表面的尺寸;3.5上对角线:工件平整摆放后或组装后上表面斜对角长度;3.6下对角线:工件平整摆放后或组装后底部面斜对角长度,也称为落地对角长度;3.7外尺寸R值:工件组装或焊接后,工件形成一个圆形或类型圆形半圆形等形状后的圆半径尺寸;3.8净空(空、空距):指管材与管材、地面、台面、铁板等所标注物之间的内空距离;3.9角度:两个工件所形成夹角的大小;3.10进距(进、内进):指拉杆或铁板、管材相对架子外边面内进距离;3.11外平、内平、上平、下平:管壁与管壁、卡扣、合金件、角铁等焊接后或组装后外、内、上、下表面处在同一平面;3.12居中:工件在另一个工件长度或宽度的中心位置;3.13均分:多个工件并排放时,相邻两个工件的空距一样;3.14扭曲度:相邻两个工件焊接面不共面度;3.15孔距:两个孔中心间的距离四、焊件检验项目及标准1.焊件表面缺陷检验1.1焊接前后表面无凸起或凹陷,毛坯时肉眼可见大于黄豆大小视为有缺陷;1.2焊接前后工件上有裂缝、挤压变形、非需要弯曲变形,毛坯时肉眼可见或者手感明显分辨且长度大于10mm视为有缺陷;备注:(焊工无论材料是否到手前就有缺陷,都应在得到车间订单后自行检验材料缺陷,如缺陷流入下一环节后需返工,焊工需义务配合修正)2.焊件材料规格检验2.1材料型号不符合车间订单上要求(订单未描述以产品常规用为准),如要求用30*60方管实际用料为25*50方管等情况视为有缺陷;2.2材料材质不符合车间订单上要求,如需要用25*50不锈钢实际却用料为25*50碳钢方管等视为有缺陷;2.3材料厚度不符合车间订单上要求,如订单要求壁厚为1.5mm实际用料为1.2mm壁厚管材视为有缺陷;2.4材料尺寸不符合车间订单要求,如订单要求使用脚为690mm长,脚垫15mm高,顶高20mm而实际用脚长680mm脚垫15mm高,顶高30mm所组合而成的架子虽然外观尺寸一直,但是各工件不符合要求视为有缺陷;2.5材料开孔攻丝不符合车间订单要求,如订单要求开孔,实际焊件无开孔或攻丝视为有缺陷;备注:(焊工无论材料是否到手前就有缺陷,都应在得到车间订单后自行检验材料缺陷,如缺陷流入下一环节后需返工,焊工需义务配合修正)3.焊件成型后焊缝检验3.1偏焊检查标准:焊接、打磨后无肉眼可见管材拼缝3.2虚焊检查标准:一个面的对接缝虚焊长度尺寸小于20%总焊接尺寸3.3漏焊、缺焊检查标准:需要焊接却没有焊(参考产品分类焊接细则)3.4夹渣检查标准:焊接后残留在焊缝中的熔渣小于3mm3.5焊渣飞溅检查标准:无明显可以大面积焊渣3.6烧穿检查标准:打磨后无肉眼可见穿孔3.7过烧(变形)检查标准:焊接打磨后725mm高单片脚内缩、外胀小于3mm3.8满焊检查标准:要求满焊且焊缝焊接长度大于95%总长度2.10点焊检查标准:焊点需大于6mm直径圆且无虚焊偏焊2.11段焊(断焊)检查标准:焊接长度大于焊接缝50%以上,且不包括虚焊偏焊尺寸4.焊件成型或组装后尺寸检查4.1长、宽、高、进距、空距检查标准:-2mm~+2mm4.2对角线检查标准:-3mm~+3mm 连体位标准:-5mm~+5mm4.3 R值检查弯管件标准:-3mm~+3mm拼接件标准:-5mm~+5mm4.4角度检查标准:-2°~+2°4.5外、内、上、下平检查标准:-1mm~0mm(副件不可超出主件)4.6扭曲的检查单片脚标准:-2mm~+2mm (例:口子型单片脚三角着地另一只脚不可悬空超过2mm)两片脚标准:-3mm~+3mm (例:1200*600台面架子三脚着地另一只脚不可悬空超过3mm)多排连体、大货架3000长以上标准:-5mm~+5mm4.7孔距检查标准:-1mm~+1mm4.8螺纹、预埋件检查标准:符合订单要求(订单无备注则需符合产品分类焊接细则)4.9流水孔检查(按需检查)标准:圆孔流水孔直径大于5mm,刀锋流水割偷长度大于10mm,非开口件需双边留孔(参考产品分类焊接细则)。
一、拼板焊的焊接检验标准1、检验标准1.1拼板点焊最大直径不超过3mm,1.2点焊不允许熔透,凹坑深度不超过0.5mm1.3拼板焊后尺寸公差要求:a.对角线差不大于2mm。
b.拼板间隙应小于1mm。
c.长短板误差不能大于1.5mm。
高低板误差不能大于0.5mm1.4拼缝两端距离铜垫凹槽边距离>1mm,错边小于0.3mm。
1.5引熄弧板焊缝长度大于10mm。
1.6焊丝干伸长8—12mm;焊缝高度不大于2mm,单条缝宽度差应小于1mm。
1.7焊缝成形后, 焊缝正面宽度4—6mm,高度1—2mm, 焊缝表面没有咬边、气孔、偏焊等缺陷。
2、检验工具及方法采用钢直尺、目视检查、蜡线、直尺二、角柱角件焊的焊接检验标准1、检验标准1.1选定规范参数施焊。
a.角件转角处无断焊。
b.检查装配位置是否正确,控制角柱不能出现“八”字型。
c.检查上下角件有无错装。
d.检查焊接质量,保证角件焊道无缺陷。
e.严格执行首检、抽检制度。
1.2箱外:角柱侧焊脚尺寸5~12mm,角件侧焊脚尺寸3~4mm且不超出角件;箱内:焊脚尺寸5~8mm,且两焊脚尺寸差不超过1mm;焊缝咬边深度不大于0.2mm。
焊缝凸度不超过2mm。
,内侧焊脚高5-7 mm。
1.3焊缝表面均匀、光滑、饱满、纹络细密清晰,不允许有咬边、偏焊等常规缺陷,焊缝不超角件外表面,拐角处焊缝饱满圆滑包角。
1.4飞溅彻底清理干净,无焊接缺陷。
2、检验工具及方法三、前端装框装焊的焊接检验标准1、检验标准1.1前墙板与前端上、下梁的装配尺寸符合图纸要求后点焊,点焊点在波的拐角处,点焊要正,饱满,焊点直径3-5mm.1.2装配前端上梁,保证前端楣板与角件的距离,间隙(不大于3mm)应分中,2、检验工具及方法目视检查、蜡线四、前端焊接的焊接检验标准1、检验标准1.1波纹板焊点须点在凹波位。
避免锤印。
1.2装配线保证小于±2mm。
1.3焊缝表面均匀,不超前上梁、光滑、饱满,高低差≤2mm。
焊缝外观质量检验标准 LG GROUP system office room 【LGA16H-LGYY-LGUA8Q8-LGA162】1.目的指导焊工及焊接检验人员工作,确保焊接质量。
2.适用范围本基准适用于所有安徽山河矿业装备股份有限公司生产的钢结构件焊缝外观检测。
3.焊接部外观检查项目焊接缺陷:咬边:由于焊接参数选择不当,或操作工艺不正确,沿焊趾的母材部位产生的沟槽或凹陷。
焊缝表面气孔:焊接时,熔池中的气泡在凝固时未能逸出而残留下来形成的空穴叫气孔。
表面气孔指露在表面的气孔。
未熔合:熔焊时,焊道与母材之间或焊道与焊道之间,未完全熔化结合的部分;点焊时母材与母材之间未完全熔化结合的部分。
未焊透:焊接时接头根部未完全熔透的现象。
裂纹:在焊接应力及其它致脆因素共同作用下,焊接接头中局部地区的金属原子结合力遭到破坏而形成的新界面而产生的缝隙,它具有尖锐的缺口和大的长宽比的特征。
未焊满:由于填充金属不足,在焊缝表面形成的连续或断续的沟槽。
焊瘤:焊接过程中,熔化金属流淌到焊缝之外未熔化的母材上所形成的金属瘤。
烧穿:焊接过程中,熔化金属自坡口背面流出,形成穿孔的缺陷。
焊缝形状缺陷:焊缝成形差:熔焊时,液态焊缝金属冷凝后形成的焊缝外形叫焊缝成形,焊缝成形差是指焊缝外观上,焊缝高低、宽窄不一,焊缝波纹不整齐甚至没有等。
漏装:结构件中某一个或一个以上的零件未组焊上去。
复合缺陷:同一条焊缝或同一条焊缝同一处同时存在两种或两种以上的缺陷。
焊缝打磨。
焊缝打磨要求:打磨后焊缝符合本检验标准,焊缝圆滑过渡或焊缝与母材圆滑过渡,不允许破坏母材。
4.Ⅰ、Ⅱ级焊缝的划分。
掘进机所有需要超声波探伤的焊缝外观质量按Ⅰ级验收,其它焊缝按二级焊缝验收。
不允许存在Ⅲ、Ⅳ级焊缝,否则返工甚至报废,若报废须由焊接工程师确认。
5.检验方法。
本标准只作为焊接部位外观检查的标准,对焊缝内部质量进行评定时,不适用本标准,焊缝内部质量要跟据相应的其它检查方法评定。