运筹学作业2
- 格式:docx
- 大小:18.47 KB
- 文档页数:5
《运筹学》在线作业二-标准答案
试卷总分:100 得分:100
一、单选题 (共 40 道试题,共 100 分)
1.无后效性是指动态规划各阶段状态变量之间无任何联系.
A.对
B.错
正确答案:B
2.图论中的图不仅反映了研究对象之间的关系,而且是真实图形的写照,因而对图中点与点的相对位置、点与点连线的长短曲直等都要严格注意。
A.对
B.错
正确答案:B
3.对于风险型决策问题,可以用“最大可能法”求解问题,下列说法错误的是()
A.一个事件,其概率越大,发生的可能性就越大
B.对于风险型决策,若自然因素出现的概率为1,而其他自然因素出现的概率为0,则就是确定型决策问题
C.当所有自然因素出现的概率都很小,并且很接近时,可以用“最大可能法”求解
D.当在其所有的自然因素中,有一个自然因素出现的概率比其他自然因素出现的概率大很多,并且他们相应的损益值差别不很大,我们可以用“最大可能法”来处理这个问题
正确答案:C
4.动态规划的最优性原理保证了从某一状态开始的未来决策独立于先前已作出的决策.
A.对
B.错
正确答案:A
5.若线性规划问题的,i,j值同时发生改变,反映到最终单纯形表中,不会出现原问题与对偶问题均为非可行基的情况。
A.对
B.错
正确答案:B
6.在网络图中,关键线路是指各条线路中作业总时间()的一条线路
A.最短
B.中间
C.成本最小
D.最长
正确答案:D。
运筹学作业一、 有如下线性规划问题 Max f(x)=2x1 +3x2 x 1 + 2x 2 ≤ 8 4x 1 ≤ 16 4x 2 ≤ 12 x 1 ,x 2 ≥ 0 1) 用图解法求最优解; 解:线性规划问题为: Max f(x)=2x 1 +3x 2x 1 + 2x 2 ≤ 8 ① 4x 1 ≤ 16 ② 4x 2 ≤ 12 ③ x 1 ≥ 0 ④ x 2 ≥ 0 ⑤1、 以x 1为横坐标、x 2为纵坐标,建立平面坐标系。
然后在该平面坐标系上画出各个约束条件,包括非负约束条件。
(见下图1.1)0 1 2 3 4 5 6 7 8543211x图1.12、 图1.1所示的凸多边形OABCD 即为给定线性规划问题的可行域。
3、 将目标函数f(x)=2x 1 + 3x 2,写成x 2 = -2/3x 1 + 1/3f(x) ⑥令f(x)=0,则上式变为x 2 = -2/3x 1,对应直线见下图1.2的⑥。
图1.24、 观察图1.2将直线⑥平行移动至与凸多边形OABCD 的顶点C 相切时,对应直线⑦,目标函数f(x)取得最大值,此时得最优解,为:x 1 =4,x 2 =2(即C 点的坐标值),目标函数值f(x)=14。
即图1.3所示图1.32) 写出所有基本可行解,并指出它在图解法图中的位置; 解:基本可行解如下:(0,0)、(0,3) 、(2,3) 、(4,2) 、(4,0)分别对应图解法图1.1中凸多边形OABCD 的五个顶点O 、A 、B 、C 、D 。
3) 用QSB 软件求最优解,对C 1,C 2,b 1,b 2进行灵敏度分析,打印出计算结果。
解:1、 QSB 软件求出最优解:灵敏度分析:q 1=1.5,资源1的影子价格为1.5,资源1无剩余; q 2=0.5,资源2的影子价格为0.5,资源2无剩余; q 3=0,资源3的影子价格为0,资源3有剩余; q 1最大,资源1最紧缺。
C 1、C 2:从上面最优解可看到,C 1、C 2为当前值2、3时,x 1、x 2均投入生产,此时保持最优解结构不变的C 1、C 2取值范围为C 1≥1.5(C 2不变时),0≤C 2≤4(C 1不变时)。
《运筹学》在线作业二
运输问题的表上作业法实质上就是求解运输问题的单纯形法。
A:对
B:错
参考选项:A
图论中的图不仅反映了研究对象之间的关系,而且是真实图形的写照,因而对图中点与点的相对位置、点与点连线的长短曲直等都要
严格注意。
A:对
B:错
参考选项:B
下面哪项不是求解“不确定型决策问题”的方法()
A:悲观法
B:期望值法
C:折衷法
D:最小遗憾法
参考选项:B
下例错误的说法是
A:标准型的目标函数是求最大值
B:标准型的目标函数是求最小值
C:标准型的常数项非正
D:标准型的变量一定要非负
参考选项:C
对于一个动态规划问题,应用顺推或者逆推解法可能会得出不同的最优解. A:对
B:错
参考选项:B
排队系统的基本组成部分不包括以下的哪项()
A:输入过程
B:输出过程
C:排队规则
D:服务机构
参考选项:B
在线性规划模型中,没有非负约束的变量称为()
A:多余变量
B:松弛变量
1。
个个个髀1 2 3无 •• • • A B cD第2次作业一、单项选择题(本大题共50分,共25小题,每小题2分)1. 表上作业法的初始基可行解必须有()。
A. m*nTB. m*nC. m*n+lD. m*n+22. 关于产销平衡运输问题叙述错误的是()。
A. 一定存在可行解B. 必有最优解C. 可能存在最优解D. 可用线性规划求解3. 设计好的复杂问题的状态应具备()特点。
A. 必须可知B. 个数不宜过多C. 能传递一定信息D. 满足马尔柯夫性4. 线性规划问题的特点是()。
A. 变量数无约束B. 1个及以上的线性目标函数C. 线性约束均为等式D. 约束条件限制为实际的资源投入量5. 运筹学有针对性地表述()的基本特征。
A. 研究模型B. 系统规律C. 决策变量D. 研究对象6. 图解法的凸集内有()可行解。
7. 解是线性规划的基本解但不满足约束条件,则该问题一定不会()。
A. 无解B. 无可行基解C. 存在至少一个解D. 无最优可行基解8. 机会成本是指实际中的某种()。
A. 丰富资源B. 稀缺资源C. 特定资源D.近似无限资源9.原问题的某一变量约束为紧约束,对偶问题的对应约束条件为()。
A.一定为松约束B.可能为紧约束C.可能为松约束D.可能为松或紧约束10.运筹学能阐明直觉理解到的各种()。
A.对象B.规律C.关系D.知识11.分段隐枚举法对网络图的()进行选择。
A.随机阶段B.非关键阶段阶段C.关键阶段D.每一阶段12.动态规划不包括()。
A.连续确定型B.连续随机型C.离散不定型D.离散随机型13.线性目标函数可以取()。
A.极大化B.极小化C.极值化D.特定化14.整数规划模型在其松弛问题基础上附加了()的约束条件。
A.决策变量非负B.决策变量为整数C.决策变量为正整数D.决策变量部分为整数15.分枝定界法最多增加与原问题决策变量个数()的约束式。
A.少一个B.多一个C.相同D.以上都可能16.原问题的某一变量约束为松约束,对偶问题的对应约束条件为()。
大工22秋《运筹学》在线作业2-辅导资料-答案
试卷总分:100 得分:100
一、单选题 (共 5 道试题,共 40 分)
1.网络图中,每项活动的最晚完成时间等于其所有紧后活动最晚开始时间的( )。
A.最大值
B.最小值
C.平均值
D.总和
【本题-参考-答案】:B
2.截集中一切弧的容量之和称为( )。
A.最大流
B.截量
C.最小截量
D.最大截量
【本题-参考-答案】:B
3.下列有关网络图的说法中,错误的为( )。
A.网络图中所谓路径,就是从始点到终点之间相连节点的序列
B.为了完成整个项目的进度计划,需要找出其中最长的路径,即关键路径
C.关键路径上的活动称为项目的关键活动,是整个项目中的关键环节
D.网络中仅存在一条路径
【本题-参考-答案】:D
4.以下说法中不正确的为( )。
A.完成各个作业需要的时间最长的路线为关键路线
B.关键路线上的作业称为关键作业
C.所有关键作业的总时差为0
D.以上说法均不正确
【本题-参考-答案】:D
5.下列有关图的说法中,错误的为( )。
A.点表示所研究的事物对象
B.边表示事物之间的联系
C.无向图是由点及边所构成的图
D.无环的图称为简单图
【本题-参考-答案】:D
二、判断题 (共 15 道试题,共 60 分)
6.最大流问题是一个特殊的线性规划问题。
【本题-参考-答案】:正确
7.如果一个图由点及边所构成,则称之为有向图。
【本题-参考-答案】:错误。
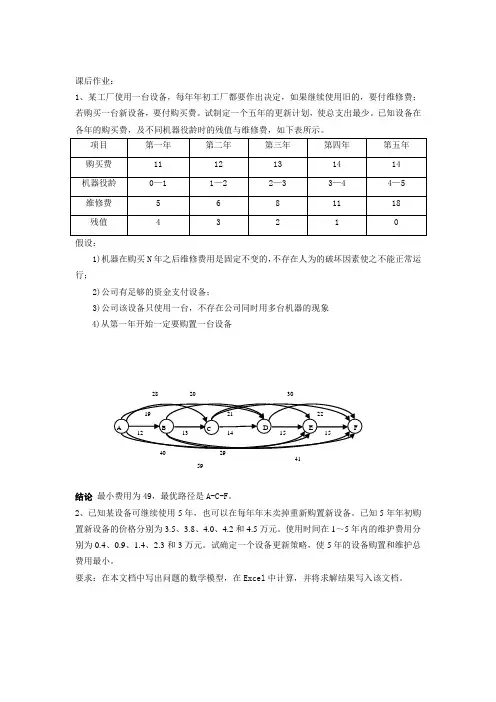
课后作业:1、某工厂使用一台设备,每年年初工厂都要作出决定,如果继续使用旧的,要付维修费;若购买一台新设备,要付购买费。
试制定一个五年的更新计划,使总支出最少。
已知设备在各年的购买费,及不同机器役龄时的残值与维修费,如下表所示。
假设:1)机器在购买N年之后维修费用是固定不变的,不存在人为的破坏因素使之不能正常运行;2)公司有足够的资金支付设备;3)公司该设备只使用一台,不存在公司同时用多台机器的现象4)从第一年开始一定要购置一台设备28 20 30结论最小费用为49,最优路径是A-C-F。
2、已知某设备可继续使用5年,也可以在每年年末卖掉重新购置新设备。
已知5年年初购置新设备的价格分别为3.5、3.8、4.0、4.2和4.5万元。
使用时间在1~5年内的维护费用分别为0.4、0.9、1.4、2.3和3万元。
试确定一个设备更新策略,使5年的设备购置和维护总费用最小。
要求:在本文档中写出问题的数学模型,在Excel中计算,并将求解结果写入该文档。
结论最小费用为11.5,最优路径是A-F。
例:设备更新问题。
某公司使用一台设备,在每年年初,公司就要决定是购买新的设备还是继续使用旧设备。
如果购置新设备,就要支付一定的购置费,当然新设备的维修费用就低。
如果继续使用旧设备,可以省去购置费,但维修费用就高了。
请设计一个五年之内的更新设备的计划,使得五年内购置费用和维修费用总的支付费用最小。
已知:设备每年年初的价格表设备维修费如下表:分析题意,写出收益矩阵表:已知五个自然状态Sj :市场需求量为0个,1000个,2000个,3000个,4000个;设五个方案Ai为:工厂每天生产0个,1000个,2000个,3000个,4000个。
每个方案在不同的自然状态下会有不同的结果,相应的收益值如下表。
(注:每销售1000个产品,收益值为20;未卖出1000个产品,收益值为-10。
)某厂生产的某种产品,每销售一件可盈利50元。
运筹学作业2(第二章部分习题)答案2.1 题 (P . 77) 写出下列线性规划问题的对偶问题:(1)123123123123123m ax 224..34223343500,z x x x s t x x x x x x x x x x x x =++⎧⎪++≥⎪⎪++≤⎨⎪++≤⎪≥≥⎪⎩无约束,;解:根据原—对偶关系表,可得原问题的对偶规划问题为:123123123123123m ax 235..223424334,0,0w y y y s t y y y y y y y y y y y y =++⎧⎪++≤⎪⎪++≤⎨⎪++=⎪≥≤≤⎪⎩(2)1111m in ,1,,,1,,0,1,,;1,,m n ij ij i j n ij ij i j nij ij j j ij z c x c x a i m c x b j nx i m j n====⎧=⎪⎪⎪==⎪⎨⎪⎪==⎪⎪≥==⎪⎩∑∑∑∑ 解:根据原—对偶关系表,可得原问题的对偶规划问题为:11m ax 1,,;1,,m n i i j ji j i j ij i w a u b v u v c i m j n u ==⎧=+⎪⎪⎪+≤⎨⎪==⎪⎪⎩∑∑ j 无约束,v 无约束2.2判断下列说法是否正确,为什么?(1) 如果线性规划的原问题存在可行解,则其对偶问题也一定存在可行解; 答:错。
因为:若线性规划的原问题存在可行解,且其对偶问题有可行解,则原问题和可行问题都将有最优解。
但,现实中肯定有一些问题是无最优解的,故本题说法不对。
例如原问题1212212m ax 31..30,0z x x x x s t x x x =++≥⎧⎪≤⎨⎪≥≥⎩有可行解,但其对偶问题1211212m in 33..10,0w y y y s t y y y y =+≥⎧⎪+≥⎨⎪≤≥⎩无可行解。
(2) 如果线性规划的对偶问题无可行解,则原问题也一定无可行解;答:错,如(1)中的例子。
《运筹学》在线作业二试卷总分:100 得分:100一、单选题1.前一阶段的状态和决策决定了下一阶段的状态,他们之间的关系称为()A. 状态B. 决策C. 状态转移D. 指标函数正确答案:C2.检验运输方案的闭合回路法中,该回路含有()个空格为顶点。
A. 4个B. 2个C. 1个D. 3个正确答案:C3.对于第一类存储模型——进货能力无限,不允许缺货,下列哪项不属于起假设前提条件()A. 假设每种物品的短缺费忽略不计B. 假设需求是连续,均匀的C. 假设当存储降至0时,可以立即得到补充D. 假设全部定货量一次供应正确答案:A4.决策问题都必须具备下面四个条件,下列哪项不是()A. 只有一个明确的决策目标,至少存在一个自然因素B. 至少存在两个可供选择的方案C. 至少一个明确的决策目标,只有存在一个自然因素D. 不同的方案在各种自然因素影响下的损益值可以计算出来正确答案:C5.对于动态规划问题,应用顺推或逆推解法可能会得出不同的最优解。
A. 对B. 错满分:2.5 分正确答案:B6. 若线性规划的原问题有无穷多最优解,则其对偶问题也一定具有无穷多最优解。
A. 对B. 错满分:2.5 分正确答案:A7. 线性规划问题若有最优解,则一定可以在可行域的()上达到。
A. 内点B. 外点C. 极点D. 几何点正确答案:C8. 对于第二类存储模型——进货能力有限,不允许缺货,下列哪项不属于起假设前提条件()A. 需求是连续,均匀的B. 进货是连续,均匀的C. 当存储降至零时,可以立即得到补充D. 每个周期的定货量需要一次性进入存储,一次性满足满分:2.5 分正确答案:D9.一旦一个人工变量在迭代中变为非基变量后,该变量及相应列的数字可以从单纯形表中删除,而不影响计算结果。
A. 对B. 错正确答案:A10.动态规划的最优决策具有如下的性质:无论初始状态与初始决策如何,对于先前决策所形成的状态而言,其以后的所有决策应构成最优策略.A. 对B. 错满分:2.5 分正确答案:A11. 对于风险型决策问题,可以用“最大可能法”求解问题,下列说法错误的是()A. 一个事件,其概率越大,发生的可能性就越大B. 对于风险型决策,若自然因素出现的概率为1,而其他自然因素出现的概率为0,则就是确定型决策问题C. 当所有自然因素出现的概率都很小,并且很接近时,可以用“最大可能法”求解D. 当在其所有的自然因素中,有一个自然因素出现的概率比其他自然因素出现的概率大很多,并且他们相应的损益值差别不很大,我们可以用“最大可能法”来处理这个问题正确答案:C12.分枝定界求解整数规划时 , 分枝问题的最优解不会优于原 ( 上一级 ) 问题的最优解.A. 对B. 错正确答案:A13. 线性规划具有唯一最优解是指A. 最优表中存在常数项为零B. 最优表中非基变量检验数全部非零C. 最优表中存在非基变量的检验数为零D. 可行解集合有界满分:2.5 分正确答案:B14. ABC分类法是对库存的物品采用按()分类的A. 物品质量B. 物品价格C. 物品数量D. 物品产地满分:2.5 分正确答案:B15.线性规划可行域的顶点一定是( )A. 基本可行解B. 非基本解C. 非可行解D. 最优解满分:2.5 分正确答案:A16.求般获得最好经济效益问题是求如何合理安排决策变量(即如何安排生产)使目标函数最大的问题,求最大的目标函数问题,则记为max Z;若是如何安排生产使成本是最小的问题,则记为min Z .A. 对B. 错正确答案:A17.一个无圈的连通图就是()A. 树B. 最小支撑树C. 支撑子图D. 有向图正确答案:A18.m个产地,n个销地的初始调运表中,调运数字应该为()A. m+n个B. m+n --1个C. m×nD. m+n+1个正确答案:B19. 关于运输问题的说法中错误的是()A. 最优运输方案未必唯一B. 必有最优运输方案C. 运输方案的任何调整必会引起总运费的下降D. 修正分配法是一种比较简单的计算改进指数的方法满分:2.5 分正确答案:C20. 下列叙述不属于解决风险决策问题的基本原则的是 ( )A. 最大可能原则B. 渴望水平原则C. 最大最小原则D. 最大原则满分:2.5 分正确答案:C21. 对于同一个目标,决策者“选优”原则不同,导致所选的最优方案的不同,而影响“选优”原则确定的是决策者对各种自然因素出现的可能性的了解程度。
大工14秋《运筹学》在线作业2
单选题判断题
一、单选题(共5 道试题,共40 分。
)
1. 用表上作业法求解运输问题时,当某个非基变量检验数为0,则该问题有()。
A. 多重解
B. 无解
C. 退化解
D. 无穷多最优解
-----------------选择:D
2. 在应用匈牙利法求解任务分配问题时,如果从效率矩阵中每行元素分别减去一个常数,所得新的效率矩阵的任务分配问题的最优解()原问题的最优解。
A. 等价于
B. 不大于
C. 不小于
D. 不一定
-----------------选择:A
3. 求解需求量小于供应量的运输问题时,下列做法中不正确的是()。
A. 虚设一个需求点
B. 令供应点到虚设的需求点的单位运费为0
C. 取虚设的需求点的需求量为恰当值
D. 删去一个供应点
-----------------选择:D
4. 下列叙述中,不属于目标规划模型图解法解题步骤的为()。
A. 作平面直角坐标系
B. 作出目标函数的一族平行线
C. 作出目标约束所在直线,标出偏差方向
D. 按优先级次序,确定满意解
-----------------选择:B
5. 目标规划的目标权系数是定量的概念,数值(),表示该目标越重要。
A. 越大
B. 越小
C. 为0
D. 为负
-----------------选择:A
大工14秋《运筹学》在线作业2
单选题判断题。
运筹学基础习题二答案运筹学基础习题二答案运筹学是一门研究如何做出最佳决策的学科,它涉及到数学、统计学和计算机科学等领域的知识。
在运筹学的学习过程中,习题是非常重要的一部分,通过解答习题可以帮助我们巩固理论知识,提高分析和解决问题的能力。
下面是一些运筹学基础习题的答案,希望对大家的学习有所帮助。
1. 线性规划问题是一种常见的运筹学问题,它的目标是在一组线性约束条件下,找到使目标函数最大或最小的变量值。
解决线性规划问题的方法有很多,其中最常用的是单纯形法。
单纯形法的基本思想是通过迭代计算,逐步接近最优解。
具体步骤如下:- 建立线性规划模型,并将其转化为标准形式。
- 初始化基变量和非基变量,并计算初始基可行解。
- 计算当前基可行解对应的目标函数值,并判断是否为最优解。
- 如果当前基可行解不是最优解,则选择一个非基变量作为入基变量,选择一个基变量作为出基变量,并进行迭代计算,直到找到最优解。
2. 整数规划问题是线性规划问题的扩展,它的变量值必须为整数。
解决整数规划问题的方法有很多,其中最常用的是分支定界法。
分支定界法的基本思想是通过将整数规划问题划分为多个子问题,并逐步缩小解空间,最终找到最优解。
具体步骤如下:- 建立整数规划模型,并将其转化为线性规划模型。
- 初始化问题的上界和下界。
- 选择一个变量进行分支,并根据其取值范围划分为两个子问题。
- 对每个子问题进行求解,更新上界和下界。
- 如果上界等于下界,则找到最优解;否则,选择一个子问题进行分支,继续迭代计算,直到找到最优解。
3. 排队论是运筹学的一个重要分支,它研究的是排队系统中的客户到达、等待和服务的过程。
解决排队论问题的方法有很多,其中最常用的是马尔可夫链方法。
马尔可夫链方法的基本思想是通过构建状态转移矩阵,计算系统的稳态分布,从而得到系统的性能指标。
具体步骤如下:- 确定排队系统的基本参数,包括到达率、服务率和系统容量等。
- 根据排队系统的特点,建立马尔可夫链模型。
地大《运筹学》在线作业二若运输问题的单位运价表的某一行元素分别加上一个常数k,最优调运方案将( )。
A:发生变化B:不发生变化C:A、B都有可能参考选项:B关于图论中图的概念,以下叙述( )正确。
A:图中的有向边表示研究对象,结点表示衔接关系。
B:图中的点表示研究对象,边表示点与点之间的关系。
C:图中任意两点之间必有边。
D:图的边数必定等于点数减1。
参考选项:B如果z。
是某标准型线性规划问题的最优目标函数值,则其对偶问题的最优目标函数值w﹡( )。
A:W﹡=Z﹡B:W﹡≠Z﹡C:W﹡≤Z﹡D:W﹡≥Z﹡参考选项:A所有物资调运问题,应用表上作业法最后均能找到一个 ( )A:可行解B:非可行解C:待改进解D:最优解参考选项:D在线性规划问题的标准形式中,不可能存在的变量是( ) .A:可控变量B:松驰变量C:剩余变量D:人工变量参考选项:D若某个约束方程中含有系数列向量为单位向量的变量,则该约束方程不必再引入 ( )A:松弛变量B:剩余变量C:人工变量D:自由变量参考选项:C线性规划灵敏度分析的主要功能是分析线性规划参数变化对( )的影响。
A:正则性B:可行性C:可行解D:最优解参考选项:D若线性规划问题没有可行解,可行解集是空集,则此问题 ( )A:没有无穷多最优解B:没有最优解C:有无界解D:有无界解参考选项:B在下列整数规划问题中,分枝定界法和割平面法都可以采用的是( ) 。
A:纯整数规划B:混合整数规划C:0—1规划D:线性规划参考选项:A下列关于可行解,基本解,基可行解的说法错误的是___.A:可行解中包含基可行解B:可行解与基本解之间无交集C:线性规划问题有可行解必有基可行解D:满足非负约束条件的基本解为基可行解参考选项:D从起点到终点的最短路线,以下叙述( )不正确。
A:从起点出发的最小权有向边必含在最短路线中。
B:整个图中权最小的有向边必包含在最短路线中。
C:整个图中权最大的有向边可能含在最短路线中D:从起点到终点的最短路线是唯一的。
北京科技大学远程教育学院第二学期 《运筹学(36)》大作业模拟题二专业 班级 学号姓名_ _____1.在下面的数学模型中,属于线性规划模型的为( )⎪⎩⎪⎨⎧≥≤+=0Y ,X 3XY .t .s Y X 4S max .A ⎪⎩⎪⎨⎧≥-≥-+=0Y ,X 1Y X 2.t .s YX 3S min .B ⎪⎩⎪⎨⎧≥≤-+=0Y ,X 2Y X .t .s Y X S max .C 22 ⎪⎩⎪⎨⎧≥≥+=0Y ,X 3Y X .t .s XY 2S min .D2.若线性规划问题的最优解同时在可行解域的两个顶点处达到,那么该线性规划问题最优解为( ) A.两个 B.零个 C.无穷多个 D.有限多个3..求运输问题的解就是求满足要求的( ) A.各供应点到各需求点的运费 B.总运费 C.各供应点到各需求点的运量D.总运量4.关于运输问题的说法中错误..的是( ) A.最优运输方案未必唯一 B.必有最优运输方案C.运输方案的任何调整必会引起总运费的下降D.V ogel 法是一种比较简单的计算方法5.考虑某运输问题,其需求量和供应量相等,且供应点的个数为m ,需求点的个数是n 。
若以西北角法求得其初始运输方案,则该方案中数字格的数目应为( )A.(m+n)个B.(m+n-1)个C.(m-n)个D.(m-n+1)个6.考虑某运输问题,设其总需求量为Q,总供应量为G,且Q<G。
欲将其化为供需平衡的运输问题,则应()A.使诸供应点的供应总量减少G-QB.使诸需求点的需求总量增加G-QC.虚设一个需求量为G-Q的需求点,且任一供应点到该虚设需求点的单位运费为充分大D.虚设一个需求量为G-Q的需求点,且任一供应点到该虚设需求点的单位运费为07.关于线性规划模型的可行解区,叙述正确的为()A.可行解区必有界B.可行解区必然包括原点C.可行解区必是凸的D.可行解区内必有无穷多个点8.关于线性规划问题,叙述正确的为()A.其可行解一定存在B.其最优解一定存在C.其可行解必是最优解D.其最优解若存在,在可行解中必有最优解9.在运输问题中如果总需求量小于总供应量,则求解时应()A.虚设一些供应量B.虚设一个供应点C.根据需求短缺量,虚设多个需求点D.虚设一个需求点10.在线性规划中,设约束方程的个数为m,变量个数为n,m<n时,可以把变量分为基变量和非基变量两部分,基变量的个数为m个,非基变量的个数为( )A.m个 B.n个C.n-m个D.0个二、填空题1..求解运输问题时出现的退化现象是指__ __ 。
大工14春《运筹学》在线作业2一、单选题(共 10 道试题,共 50 分。
)V1. 利用表上作业法求解运输问题时,首先需要(A )。
A. 列出产销平衡表B. 确定初始基可行解C. 求各非基变量的检验数D. 确定换入变量的空格满分:5 分2. 运输问题有(A )个决策变量。
A. m×nB. m+nC. m+n-1D. 2m满分:5 分3. 对于有m个供应点、n个需求点的运输问题的说法不正确的为(D)。
A. 该运输问题中基变量数一般为m+n-1B. 调运方案中有数字的格应为m+n-1个C. 在用最小元素法给出初始方案时,方案表中每填一个数,划去单位运价表中的一行或一列,此时往往出现需要补“0”的情况D. 可以采用闭回路法确定初始调运方案满分:5 分4. 下列说法中正确的是( B)。
A. 对一个动态规划问题,应用顺推或逆推解法可能会得出不同的最优解B. 一个动态规划问题若能用网络表达时,节点代表各阶段的状态值,各条弧代表了可行的方案选择C. 假如一个线性规划问题含有7个变量和4个约束,则用动态规划方法求解时将划分为4个阶段,每个阶段的状态将由一个7维的向量组成D. 以上说法均不正确满分:5 分5. 对于有m项任务分配给m个人去完成的分配问题有(D)个约束条件。
A. mB. m×mC. m+nD. 2m满分:5 分6. 有4个产地5个销地的平衡运输问题模型具有(D)的特征。
A. 9个基变量B. 8个约束C. 20个约束D. 20个决策变量满分:5 分7. 求解需求量小于供应量的运输问题时,下列做法中不正确的是(D)。
A. 虚设一个需求点B. 令供应点到虚设的需求点的单位运费为0C. 取虚设的需求点的需求量为恰当值D. 删去一个供应点满分:5 分8. 运输问题的基变量有(C )。
A. m×n个B. m+n个C. m+n-1个D. 不确定满分:5 分9. 有4个产地5个销地的平衡运输问题模型具有(D)特征。
预付成本(B )
A.随销售量而波动
B.与销售量无关
C.大于计划成本
D.小于计划成本
从带连数长度的连通图中生成的最小支撑树,叙述不正确的是(C)
A.任一连通图生成的各个最小支撑树总长度必相等
B.任一连通图生成的各个最小支撑树连线数必相等
C.任一连通图中具有最短长度的连线必包含在生成的最小支撑树中
D.最小支撑树中可能包括连通图中的最长连线
所谓确定条件下的决策,是指在这种条件下,只存在(A )
A.一种自然状态
B.两种自然状态
C.三种或三种以上自然状态
D.无穷多种自然状态
对于第一类存储模型——进货能力无限,不允许缺货,下列哪项不属于起假设前提条件(A )
A.假设每种物品的短缺费忽略不计
B.假设需求是连续,均匀的
C.假设当存储降至0时,可以立即得到补充
D.假设全部定货量一次供应
连续型动态规划常用求解方法是(B)
A.表格方式
B.公式递推
C.决策树
D.多阶段决策
(B)表示当过程处于某阶段的某个确定状态时,可以作出的选择或决定
A.状态
B.决策
C.状态转移
D.指标函数
设F为固定成本,V为可变成本,V′为单件可变成本,Q为产品产量,C为总成本,则A A.C=F+QV′B.C=F+V′C.C=F+V+QV′D.C=F+QV
关于最大流量问题,叙述正确的是(A)
A.一个流量图的最大流量能力是唯一确定
B.达到最大流量的方案是唯一的
C.一个流量图的最大流量能力不是唯一的
D.n条线路中的最大流量等于这n条线路的流量能力之和
在实际工作中,企业为了保证生产的连续性和均衡性,需要存储一定数量的物资,对于存储方案,下列说法正确的是( C )
A.应尽可能多的存储物资,以零风险保证生产的连续性
B.应尽可能少的存储物资,以降低
库存造成的浪费C.应从多方面考虑,制定最优的存储方案D.以上说法都错误
前一阶段的状态和决策决定了下一阶段的状态,他们之间的关系称为(C)
A.状态
B.决策
C.状态转移
D.指标函数
有6个产地4个销地的平衡运输问题模型具有特征B
A.有10个变量24个约束
B.有24个变量10个约束
C.有24个变量9个约束
D.有9个基变量10个非基变量
下列错误的说法是C
A.标准型的目标函数是求最大值
B.标准型的目标函数是求最小值
C.标准型的常数项非正
D.标准型的变量一定要非负
关于关键线路,说法错误的是( C )
A.在所有线路中,总作业时间最长的线路是关键线路
B.关键线路上的工序如有任何延长,整个任务就会受到影响而延迟
C.关键线路上一定不含虚活动
D.关键线路也叫主要矛盾线
一个连通图中的最小支撑树(B)
A.唯一确定
B.可能不唯一
C.可能不存在
D.一定有多个
互为对偶的两个线性规划问题的解存在关系B
A.原问题无可行解,对偶问题也无可行解
B.对偶问题有可行解,原问题可能无可行解
C.若最优解存在,则最优解相同
D.一个问题无可行解,则另一个问题具有无界解
对于第一类存储模型——进货能力无限,不允许缺货,下列哪项不属于起假设前提条件(A )
A.假设每种物品的短缺费忽略不计
B.假设需求是连续,均匀的
C.假设当存储降至0时,可以立即得到补充
D.假设全部定货量一次供应
从连通图中生成树,以下叙述(B)不正确
A.任一连通图必能生成树
B.任一连通图生成的树必唯一
C.在生成的树中再增加一条线后必含圈
D.任易连通图生成的各个树其线数必相同
m+n-1个变量构成一组基变量的充要条件是B
A.m+n-1个变量恰好构成一个闭回路
B.m+n-1个变量不包含任何闭回路
C.m+n-1个变量中部分变量构成一个闭回路
D.m+n-1个变量对应的系数列向量线性相关
线性规划具有唯一最优解是指B
A.最优表中存在常数项为零
B.最优表中非基变量检验数全部非零
C.最优表中存在非基变量的检验数为零
D.可行解集合有界
预付成本(B )
A.随销售量而波动
B.与销售量无关
C.大于计划成本
D.小于计划成本
有m个产地n个销地的平衡运输问题模型具有特征A
A.有mn个变量m+n个约束…m+n-1个基变量
B.有m+n个变量mn个约束
C.有mn个变量m+n-1约束
D.有m+n-1个基变量,mn-m-n-1个非基变量
()是用来衡量所实现过程优劣的一种数量指标。
D
A.状态
B.决策
C.状态转移
D.指标函数
关于运输问题的说法中错误的是(C )
A.最优运输方案未必唯一
B.必有最优运输方案
C.运输方案的任何调整必会引起总运费的下降
D.修正分配法是一种比较简单的计算改进指数的方法
对于确定型决策问题,下列说法错误的是(C )
A.确定型决策就是指在知道某个自然因素必然发生的前提下所作的决策
B.当计算成本或费用时,“选优”原则是取损益值最小的方案
C.当计算利润或收益时,“选优”原则是取损益值最小的方案
D.确定性决策除了满足一般决策问题的四个条件外,还需要加一个条件:只存在一个确定的自然因素
关于树的概念,叙述不正确的是(D)
A.树中的线数等于点数减1
B.树中再添一条连线后必定含圈
C.树中删去一条连线后不连通
D.树中两点之间的通路可能不唯一
动态规划递推求解的理论基础是(C)最优性原理
A.Saaty
B.Carners
C.Bellman
D.Cooper
离散型动态规划常用求解方法是(A)
A.表格方式
B.公式递推
C.决策树
D.多阶段决策
两点之间带箭头的联线称为(B)
A.边
B.弧
C.图
D.链
关于图的概念,以下叙述(D)不正确
A.图的连线可以有向也可无向
B.图中的连线可以标注权
C.结点数等于连线数的图必含圈
D.结点数等于连线数的图必连通
一个弧上有某种“流转物”流动的有向图称为C
A.图
B.树
C.网络
D.路
线性规划可行域的顶点一定是( A )
A.基本可行解
B.非基本解
C.非可行解
D.最优解
对于第二类存储模型——进货能力有限,不允许缺货,下列哪项不属于起假设前提条件(D )A.需求是连续,均匀的B.进货是连续,均匀的C.当存储降至零时,可以立即得到补充D.每个周期的定货量需要一次性进入存储,一次性满足
某工厂需要往各车间铺设暖气通道,为使总长度最小,应选用(C)
A.最短路线计算法
B.最大流量计算法
C.最小支撑树计算法
D.关键路径法
(A)表示各个阶段开始时所处的自然状况或客观条件。
A.状态
B.决策
C.状态转移
D.指标函数
从起点到终点的最短路线,以下叙述(C)正确
A.从起点出发的最短连线必包含在最短路线中
B.整个图中的最短连线必包含在最短路线中
C.整个图中的最长连线可能包含在最短路线中
D.从起点到终点的最短路线和最短距离都是唯一的
关于图的概念,以下叙述(B)正确
A.图中的连线表示对象,结点表示衔接关系
B.图中点表示对象,连线表示点之间的关系
C.图中任意两点间必有连线
D.图中线数必定等于点数减一
不属于特尔斐法实施程序的是(B )
A.确定课题
B.召开专家座谈会
C.设计咨询表
D.采用统计分析方法
求解最小支撑树的方法不包括(A)
A.最大流
B.破圈法
C.避圈法
D.
广义的企业决策过程应包括四个程序:(1)明确决策项目的目的;(2)在诸可行的方案中进行抉择;(3)寻求可行的方案;(4)对选定的方案经过实施后的结果进行总结评价。
这四个程序在决策过程中出现的先后顺序是(B )
A.(1)(2)(3)(4)
B.(1)(3)(2)(4)
C.(3)(2)(1)(4)
D.(3)(4)(1)(2)
对于同一个目标,决策者“选优”原则不同,导致所选的最优方案的不同,而影响“选优”原则确定的是决策者对各种自然因素出现的可能性的了解程度。
并依此,我们把决策问题分为三类,下列哪项不是(D )
A.确定性决策问题
B.风险型决策问题
C.不确定性决策问题
D.指导性决策问题
决策问题都必须具备下面四个条件,下列哪项不是( C )
A.只有一个明确的决策目标,至少存在一个自然因素
B.至少存在两个可供选择的方案
C.至少一个明确的决策目标,只有存在一个自然因素
D.不同的方案在各种自然因素影响下的损益值可以计算出来
决策是为了达到某个特定的目标,而从各种不同的方案中选取最优方案的活动,我们将决策工作分为三个步骤,下列哪项不属于起基本步骤(B )
A.确定目标
B.分析问题
C.拟定各种可行方案
D.选取最优方案
5.动态规划的理论依据是(A)
A.最优性原理
B.多阶段决策
C.线性规划
D.库存原理。