2018届高三物理二轮复习课时作业:专题六 物理实验6.1 Word版含解析
- 格式:doc
- 大小:389.50 KB
- 文档页数:6
专题六物理实验第一讲力学基础实验1.[如图1是用游标卡尺测量时的刻度图,为20分度游标尺,读数为:__________cm。
图2中螺旋测微器的读数为:________mm。
解析:20分度的游标卡尺,精确度是0.05 mm,游标卡尺的主尺读数为13 mm,游标尺上第15个刻度和主尺上某一刻度对齐,所以游标尺读数为15×0.05 mm=0.75 mm,所以最终读数为:13 mm+0.75 mm=13.75 mm=1.375 cm。
螺旋测微器的固定刻度为0.5 mm,可动刻度为20.0×0.01 mm=0.200 mm,所以最终读数为0.5 mm+0.200 mm=0.700 mm。
答案:1.3750.7002.[考查游标卡尺和螺旋测微器的使用和读数](1)根据单摆周期公式T=2πlg,可以通过实验测量当地的重力加速度。
如图甲所示,将细线的上端固定在铁架台上,下端系一小钢球,就做成了单摆。
用游标卡尺测量小钢球直径,示数如图乙所示,读数为________ mm。
(2)在测定一根粗细均匀合金丝电阻率的实验中,利用螺旋测微器测定合金丝直径的过程如图所示,校零时的读数为________ mm,合金丝的直径为________ mm。
解析:(1)该游标尺为十分度的,根据读数规则可读出小钢球直径大小。
(2)由于螺旋测微器开始起点有误差,估读为0.007 mm,测量后要去掉开始误差。
答案:(1)18.6(2)0.0070.639(0.638~0.640)3.[某同学利用如图所示装置研究小车的匀变速直线运动。
(1)实验中,必须的措施是________。
A.细线必须与长木板平行B.先接通电源再释放小车C.小车的质量远大于钩码的质量D.平衡小车与长木板间的摩擦力(2)他实验时将打点计时器接到频率为50 Hz的交流电源上,得到一条纸带,打出的部分计数点如图所示(每相邻两个计数点间还有4个点,图中未画出)。
限时规范训练(十六)建议用时45分钟,实际用时________1.图甲为多用电表的示意图,现用它测量一个阻值约为20 Ω的电阻,测量步骤如下:(1)调节________,使电表指针对准________(填“电阻”或“电流”)的“0”刻线.(2)将选择开关旋转到“Ω”挡的________位置(填“×1”、“×10”、“×100”或“×1 k”).(3)将红、黑表笔分别插入“+”、“-”插孔,并将两表笔短接,调节________,使电表指针对准________(填“电阻”或“电流”)的“0”刻线.(4)将红、黑表笔分别与待测电阻两端相接触,若电表读数如图乙所示,该电阻的阻值为________Ω.(5)测量完毕,将选择开关旋转到“OFF”位置.解析:(1)将选择开关拨到欧姆挡前,先要进行机械调零.方法是调节机械定位螺丝,使电表指针指在电流等于零的刻线位置.(2)用多用电表测20 Ω的电阻时,要把选择开关旋转到“Ω”挡“×1”的位置.(3)将红、黑表笔短接,进行欧姆调零.调节欧姆调零旋钮,使指针指在“Ω”挡的零刻线上.(4)由乙图读出该电阻的阻值为19 Ω.答案:(1)定位螺丝电流(2)×1(3)欧姆调零旋钮电阻(4)192.在伏安法测电阻的实验中,待测电阻R x约为200 Ω,电压表○V 的内阻约为2 kΩ,电流表○A 的内阻约为10 Ω,测量电路中电流表的连接方式如图(a)或图(b)所示,结果由公式R x=U I计算得出,式中U 与I 分别为电压表和电流表的示数.若将图(a)和图(b)中电路测得的电阻值分别记为R x 1和R x 2,则________(填“R x 1”或“R x 2”)更接近待测电阻的真实值,且测量值R x 1________(填“大于”、“等于”或“小于”)真实值,测量值R x 2________(填“大于”、“等于”或“小于”)真实值.解析:根据串、并联电路的特点解题.根据题意知R x R A >R V R x,电压表的分流作用较显著,故R x 1更接近待测电阻的真实值.图(a)电流表的测量值是真实的,而电压值比真实值大,则R x 1>R x 真,图(b)电压的测量值是真实的,而电流的测量值大于真实值,则R x 2<R x 真.答案:R x 1 大于 小于3.某学习小组探究一小电珠在不同电压下的电功率大小,实验器材如图甲所示,现已完成部分导线的连接.(1)实验要求滑动变阻器的滑片从左到右移动过程中,电流表的示数从零开始逐渐增大,请按此要求用笔画线代替导线在图甲实物接线图中完成余下导线的连接;(2)某次测量,电流表指针偏转如图乙所示,则电流表的示数为__________A ;(3)该小组描绘出的伏安特性曲线如图丙所示,根据图线判断,将__________只相同的小电珠并联后,直接与电动势为3 V 、内阻为1 Ω的电源组成闭合回路,可使小电珠的总功率最大,其总功率的值约为__________ W(保留两位小数).解析:(1)电流表示数要从零开始逐渐增大,滑动变阻器要用分压接法,如图1所示.(2)电流表示数为0.44 A.(3)当外电路的总电阻与电源内阻相等时,电源有最大的输出功率,即小电珠的总功率最大,此时R 外=r =1 Ω,I =ER 外+r =32 A =1.5 A ,U 外=E2=1.5 V ,即每只小电珠两端的电压为1.5 V ,通过图象可知每只小电珠的电流为I 0=0.38 A ,n =II 0≈4(只);通过每只小电珠的电流为I 0,两端电压为U ,根据闭合电路欧姆定律得:U +nI 0r =E ,而U +4I 0=3 V ,U =-4I 0+3 V ,如图2所示,图线的交点纵、横坐标分别为U ≈1.5 V,I 0≈0.38 A,P =UI 0=0.57 W ,P 总=nP =0.57×4 W =2.28 W.图2答案:(1)如图1所示 (2)0.44 (3)4 2.284.新能源汽车是今后汽车发展的主流方向,如图(a)所示为车载动力电池,其技术参数是额定容量约120 Ah ,额定电压约3.3 V ,内阻约0.03 Ω,现有一个用了很长时间已经老化的这种电池,某研究小组想测量这个电池的电动势和内阻,但实验器材仅有一个电流表(量程100 mA 、内阻9 Ω)、一个定值电阻R 0=1Ω、一个电阻箱、一个开关和导线若干,该同学按如图(b)所示电路进行实验,测得的数据如下表所示.(1)的电流表的测量值I 与原电流表的读数I 0的关系为___________________;(2)若利用图象确定电池的电动势和内阻,则应作______(选填“R -I ”或“R -1I”)图象;(3)利用测得的数据在坐标纸上作出适当的图象;(4)由图象可知,该电池的电动势E =________V ,内阻r =________Ω. 解析:(1)根据并联电路的分流公式可知,I R 0I 0=R A R 0=91=9,I R 0=9I 0,即改装后的电流表的测量值为I =I R 0+I 0=10I 0;(2)由闭合电路欧姆定律,可列式E =I (R +r +R 并),R 并=9×19+1=0.9 Ω,要建立关于电流和外电阻的函数关系,则要将其变形为R =E 1I -(r +R 并),要使图线具有线性关系,则应作R -1I图象;(3)如图所示;(4)由图象可得:E =k =14.1-0.95.0-1.0V =3.3 V ,r =1.1 Ω.答案:(1)I =10I 0(2)R -1I(3)如解析图所示 (4)3.3 1.15.某同学要测量一个由均匀新合金材料制成的金属丝的电阻率ρ.(1)该同学用游标卡尺测量金属丝的长度如图甲所示,可知其长度为L =________mm. (2)如图乙所示,用螺旋测微器测金属丝的直径,测量值d =________mm.(3)选用“×10”倍率的电阻挡测量,发现多用电表指针偏转过大,因此需选择“________”倍率的电阻挡(填“×1”或“×100”),并________,再进行正确测量,多用电表的示数如图丙所示,测量结果为R=________Ω.(4)该金属丝电阻率的表达式为ρ=________.(用R、d、L表示)解析:(1)游标卡尺的主尺读数为50 mm,游标尺读数为0.05×3 mm=0.15 mm,所以最终读数为50 mm+0.15 mm=50.15 mm.(2)由题图乙中螺旋测微器的读数可知,金属丝的直径为d=22.8×0.01 mm=0.228 mm(0.226 mm~0.229 mm均可以).(3)用多用电表测量该金属丝的电阻,选用“×10”倍率的电阻挡测量,发现多用电表指针偏转过大,说明所选倍率太大,应换用小倍率进行测量,因此需选择“×1”倍率的电阻挡,并重新进行欧姆调零,再进行测量;由多用电表指针位置可以读出示数为13 Ω,乘以倍率,即可得该金属丝的电阻为13 Ω.(4)金属丝电阻R=ρLS=ρLπ⎝⎛⎭⎪⎫d22,金属丝电阻率的表达式为ρ=πRd24L.答案:(1)50.15 (2)0.228(0.226~0.229均可以)(3)×1重新进行欧姆调零13 (4)πRd2 4L6.某实验小组的同学准备探究某个灯泡的伏安特性曲线,所用器材如下.A.待测小灯泡一只:额定电压为2.5 V,电阻为几欧B.电压表V1:量程为300 mV,内阻约为300 ΩC.电压表V2:量程为15 V,内阻约为6 kΩD.电流表A1:量程为0.6 A,内阻约为0.1 ΩE.电流表A2:量程为300 mA,内阻约为1 ΩF.滑动变阻器R1:最大阻值为200 ΩG.滑动变阻器R2:最大阻值为10 ΩH.定值电阻R0:阻值为2 700 ΩI.电动势为4.5 V的直流电源一个,开关一个,导线若干(1)实验中电压表应选________,电流表应选________,滑动变阻器应选________.(填写器材前的字母代号)(2)请在图甲虚线框中画出该实验的电路图.(3)该小组的同学通过实验作出了小灯泡的伏安特性曲线,如图乙所示,则小灯泡的额定功率为________W;若将小灯泡直接与电动势E=3.0 V,内阻r=7.5 Ω的电源相连,小灯泡的功率为________W.(结果均保留两位有效数字)解析:(1)电压表V1量程太小,电压表V2量程太大,但给了定值电阻,可以采用电压表V1与定值电阻串联的办法增大V1的量程;因为灯泡的额定电压为2.5 V,电阻为几欧,用电流表A1更合适;因为作小灯泡的伏安特性曲线,需要多组数据,滑动变阻器应采用分压接法,应选用便于调节的R2.(2)电路图如图1所示,注意滑动变阻器采用分压式接法,电流表外接,电压表与定值电阻串联.(3)由题图乙可知,额定电压2.5 V对应的电流I=0.44 A,小灯泡的额定功率为P=2.5×0.44 W=1.1 W.若将小灯泡直接与电动势为E=3.0 V,内阻r=7.5 Ω的电源相连,在题图乙中画出电源的伏安特性曲线,如图2所示,两者的交点的纵坐标和横坐标的乘积等于小灯泡的功率,为0.26 W.答案:(1)B D G (2)如图1所示(3)1.1 0.26(0.24~0.28之间均正确)7.(2017·江西南昌二中等联考)用下列器材组装成一个电路,既能测量出电池组的电动势E和内阻r,又能同时描绘小灯泡的伏安特性曲线.A.电压表V1(量程6 V,内阻很大)B .电压表V 2(量程4 V ,内阻很大)C .电流表A(量程3 A ,内阻很小)D .滑动变阻器R (最大阻值10 Ω,额定电流4 A)E .小灯泡(2 A,7 W)F .电池组(电动势E ,内阻r )G .开关一只,导线若干实验时,调节滑动变阻器的阻值,多次测量后发现:若电压表V 1的示数增大,则电压表V 2的示数减小.(1)请将设计的实验电路图在图甲中补充完整.(2)每一次操作后,同时记录电流表A 、电压表V 1和电压表V 2的示数,组成两个坐标点(3.55.5I ,U 1)、(I ,U 2),标到U I 坐标系中,经过多次测量,最后描绘出两条图线,如图乙所示,则电池组的电动势E =________V ,内阻r =________Ω.(结果保留两位有效数字)(3)在U I 坐标中两条图线在P 点相交,此时滑动变阻器连入电路的阻值应为________Ω,电池组的效率为________.解析:(1)伏安法测电源电动势与内阻实验中,电压表测路端电压,电压表示数随滑动变阻器接入电路阻值的增大而增大;描绘小灯泡伏安特性曲线实验中,电流表测流过小灯泡的电流,小灯泡两端电压随滑动变阻器接入电路电阻的增大而减小;由题意知,电压表V 1的示数增大,电压表V 2的示数减小,则V 1测路端电压,V 2测小灯泡两端电压,电路图如图所示.(2)电池组的U I 图象是一条倾斜的直线,由图象可知,电池组电动势E =5.5 V , 电源内阻r =ΔU ΔI =5.5-2.03.5Ω=1.0 Ω.(3)由图乙所示图象可知,两图线的交点纵坐标即小灯泡电压U L =3.5 V ,此时电路电流I =2.0 A ,电池组电动势E =Ir +U L +IR 滑,即5.5 V =2.0 A×1 Ω+3.5 V +2.0 A×R 滑,则R 滑=0.0 Ω; 电池组的效率η=P 出P 总=UI EI =U L E =3.55.5≈64%. 答案:(1)见解析图 (2)5.5 1.0 (3)0.0 64%。
[课时作业](本栏目内容,在学生用书中以独立形式分册装订!)1.(2017·青海省西宁市四校高三上学期联考)某实验小组利用图甲所示的电路测金属丝R x 的电阻率。
(1)请根据图甲,对图乙的实物图进行连线,使滑动变阻器的滑片向右移时,电流表的示数变小。
(2)如图丙所示,利用螺旋测微器测出金属丝的直径d =________。
(3)闭合开关后,将滑动变阻器的滑片调至一合适位置后不动,多次改变金属丝上金属夹的位置,得到几组U 、I 、L (U 为电压表的示数,I 为电流表的示数,L 为金属丝接入电路的长度)的数据,用R =UI 计算出相应的电阻值后作出R -L 图线如图丁所示。
取图线上两个点间数据之差ΔL 和ΔR ,则金属丝的电阻率ρ=________(用题给字母进行表示)。
ρ的测量值________(选填“大于”“等于”或“小于”)真实值。
解析: (1)由题意可知,滑动变阻器的滑片向右移动时,连入电路的阻值变大,故导线应接在滑动变阻器下方的左接线柱上。
(3)根据R =ρL S 可得,ΔR =ρΔL S ,而S =πd 24,代入得ρ=πd 2ΔR4ΔL ;本实验采用电流表的外接法,通过金属丝电流的测量值偏大,故ΔRΔL偏小,ρ的测量值小于真实值。
答案: (1)实物连线如图所示(2)1.650 mm (3)πd 2ΔR4ΔL小于2.某兴趣小组利用图甲所示电路测定一组干电池的内阻r 和一待测电阻的阻值R x 。
已知电池组的电动势约为6 V ,电池组内阻和待测电阻的阻值都约为10 Ω,且不超过10 Ω。
可供选用的实验器材有:A .电流表(量程0~300 mA ,内阻不计)B .电流表(量程0~3 A ,内阻不计)C .电压表(量程0~6 V ,内阻很大)D .电压表(量程0~15 V ,内阻很大)E .滑动变阻器R (阻值0~100 Ω); 开关S 一个,导线若干。
该实验过程如下:(1)在连接电路前,先选择合适的器材,电流表应选用________,电压表应选用________。
实验题标准练(一)满分15分,实战模拟,15分钟拿下高考实验题高分!1.(5分)如图所示,“探究力做功与物体速度变化”的实验装置放置在水平桌面上,两块磁铁分别安装于力传感器和小车对应位置,且同性磁极相对,两挡光片宽均为1cm。
世纪金榜导学号49294269(1)让小车向力传感器方向运动,挡光片a经过光电门传感器时测得此时小车速度v0,同时触发力传感器以及位移传感器工作,磁场力对小车做(选填“正”或“负”)功,挡光片b(a、b间距为5cm)经过光电门时再次测得此时小车的速度v t,同时触发传感器停止工作。
(2)计算机上显示出F-s图象,图象中的即为此过程变力做功W。
(3)某同学测得小车及车上传感器、磁铁等总质量m=0.180kg,v0=0.341m/s, v t=0.301m/s,则小车动能的变化量ΔE k= J(保留两位有效数字),他选取如图所示的选择区域后,计算机自动计算出变力做功W,发现W与ΔE k相差较大,其主要原因是。
【解析】(1)磁铁同性磁极相对,则表现为斥力,磁场力对小车做负功。
(2)功的定义式W=Fscosα,则功对应图象包围的面积。
(3)ΔE k=m-m=-0.0023J,此过程存在各种阻力,位移越大阻力做功越多,误差就越大,所以原因是选取的区域过大。
答案:(1)负(2)图线包围的面积(3)-0.0023 选择区域过大2.(10分)实验室备有下列器材:电流表一个:量程为0~100mA,内阻未知;电阻箱R一个:阻值范围0~999.9Ω;未知电阻R x一个;干电池一节:电动势E =1.5V;开关一个,红黑表笔各一支,导线若干。
(1)某同学利用以上器材测量未知电阻R x的阻值:他先将干电池、电流表、电阻箱和开关用导线串联,将电阻箱调至最大,闭合开关,调节电阻箱的阻值为R1=17.5Ω,读出此时电流表示数I1=75.0mA,再将未知电阻串联接入电路,保持电阻箱的阻值不变,电流表的指针如图甲所示,则未知电阻的阻值为R x=Ω。
2018年高考真题全国卷II理综物理试题解析(解析版)详细答案本文没有明显的格式错误,但是有一些排版不规范的问题。
在第一题的解析中,CD错误应该换行,单独成为一句话,并且需要加上标点符号。
在第二题的解析中,最后一句话应该换行,单独成为一段。
在第三题的解析中,密度公式后面应该加上标点符号。
同时,每段话的语言表达也可以更加简洁明了。
例如,第一题的解析可以改为:“木箱在运动过程中受到拉力和摩擦力的作用,根据动能定理可知,动能等于力做功的大小。
因此,动能小于拉力所做的功,选项A正确。
”1014Hz和1015Hz是指频率的单位,108m·s-1是指光速的大小。
根据光电效应方程,只有当光的频率大于某个最小值时,才能产生光电效应。
根据公式f=Φ/h,其中Φ为金属的逸出功,h为普朗克常量,可以求出锌产生光电效应的最低频率为1015Hz。
在同一平面内有两根平行长导轨,导轨间存在依次相邻的矩形匀强磁场区域,区域宽度均为l,磁感应强度大小相等、方向交替向上向下。
一边长为的正方形金属线框在导轨上向左匀速运动,线框中感应电流i随时间t变化的正确图线可能是D。
在移动过程中,左边导体棒切割产生的电流方向是顺时针,右边切割磁感线产生的电流方向也是顺时针,两根棒切割产生电动势方向相同,因此电流恒定且方向为顺时针。
从第二个矩形区域到第三个矩形区域,左右两根棒切割磁感线产生的电流大小相等,方向相反,所以回路中电流表现为零。
从第三个矩形区域到第四个矩形区域,左边切割产生的电流方向逆时针,右边切割产生的电流方向也是逆时针,所以电流的大小为,方向是逆时针。
当线框再向左运动时,左边切割产生的电流方向顺时针,右边切割产生的电流方向是逆时针,此时回路中电流表现为零,故线圈在运动过程中电流是周期性变化,因此D是正确的选项。
甲、乙两汽车同一条平直公路上同向运动,其速度-时间图像分别如图中甲、乙两条曲线所示。
已知两车在t2时刻并排行驶,下列说法正确的是BD。
实验六验证机械能守恒定律1.实验目的验证机械能守恒定律.2.实验原理(如图1所示)通过实验,求出做自由落体运动物体的重力势能的减少量和相应过程动能的增加量,若二者相等,说明机械能守恒,从而验证机械能守恒定律.图13.实验器材打点计时器、电源、纸带、复写纸、重物、刻度尺、铁架台(带铁夹)、导线两根.4.实验步骤(1)安装器材:将打点计时器固定在铁架台上,用导线将打点计时器与低压电源相连.(2)打纸带用手竖直提起纸带,使重物停靠在打点计时器下方附近,先接通电源,再松开纸带,让重物自由下落,打点计时器就在纸带上打出一系列的点,取下纸带,换上新的纸带重打几条(3~5条)纸带.(3)选纸带:分两种情况说明①若选第1点O到下落到某一点的过程,即用mgh=错误!mv2来验证,应选点迹清晰,且1、2两点间距离小于或接近2 mm的纸带.②用错误!mv B2-错误!mv A2=mgΔh验证时,由于重力势能的相对性,处理纸带时选择适当的点为基准点,这样纸带上打出的第1、2两点间的距离是否小于或接近2 mm就无关紧要了.5.实验结论在误差允许的范围内,自由落体运动过程机械能守恒.1.误差分析(1)测量误差:减小测量误差的方法,一是测下落距离时都从0点量起,一次将各打点对应下落高度测量完,二是多测几次取平均值.(2)系统误差:由于重物和纸带下落过程中要克服阻力做功,故动能的增加量ΔE k=12mv n2必定稍小于重力势能的减少量ΔE p=mgh n,改进办法是调整安装的器材,尽可能地减小阻力.2.注意事项(1)打点计时器要竖直:安装打点计时器时要竖直架稳,使其两限位孔在同一竖直平面内,以减少摩擦阻力.(2)重物应选用质量大、体积小、密度大的材料.(3)应先接通电源,让打点计时器正常工作,后松开纸带让重物下落.(4)测长度,算速度:某时刻的瞬时速度的计算应用v n=错误!,不能用v n=错误!或v n=gt来计算.3.验证方案方案一:利用起始点和第n点计算代入mgh n和错误!mv n2,如果在实验误差允许的范围内,mgh n和错误!mv n2相等,则验证了机械能守恒定律.方案二:任取两点计算(1)任取两点A、B,测出h AB,算出mgh AB。
绝密 ★ 启用前2018年普通高等学校招生全国统一考试仿真卷理科综合能力测试·物理(六)本试卷共16页,38题(含选考题)。
全卷满分300分。
考试用时150分钟。
★祝考试顺利★注意事项:1、答题前,先将自己的姓名、准考证号填写在试题卷和答题卡上,并将准考证号条形码粘贴在答题卡上的指定位置。
用2B 铅笔将答题卡上试卷类型A 后的方框涂黑。
2、选择题的作答:每小题选出答案后,用2B 铅笔把答题卡上对应题目的答案标号涂黑,写在试题卷、草稿纸和答题卡上的非答题区域均无效。
3、非选择题的作答:用签字笔直接答在答题卡上对应的答题区域内。
写在试题卷、草稿纸和答题卡上的非答题区域均无效。
4、选考题的作答:先把所选题目的题号在答题卡上指定的位置用2B 铅笔涂黑。
答案写在答题卡上对应的答题区域内,写在试题卷、草稿纸和答题卡上的非答题区域均无效。
5、考试结束后,请将本试题卷和答题卡一并上交。
可能用到的相对原子质量:H 1 C 12 N 14 O 16 P 31 S 32 Cl 35.5 Mn 55第Ⅰ卷二、选择题:本题共8小题,每题6分,在每小题给出的四个选项中,第14~18题只有一个选项 符合题目要求。
第19~21题有多选项符合题目要求。
全部答对的得6分,选对但不全的得3分,有选错的得0分。
14.下列说法中正确的是A .结合能越大的原子核越稳定B. 232 90Th 经过6次α衰变和4次β衰变后成为 208 82PbC .氢原子从较低能级跃迁到较高能级时,电势能减小D .用绿光或紫光照射某金属发生光电效应时,逸出光电子的最大初动能可能相等 【答案】B【解析】 比结合能越大的原子核越稳定,选项A 错误; 232 90Th 成为 20882Pb 要经过232-2084=6次α衰变和82-(90-6×2)1=4次β衰变,选项B 正确; 氢原子从较低能级跃迁到较高能级时,电场力做负功,电势能增大,选项C 错误; 绿光和紫光的频率不相等,根据光电效应方程可知,用绿光或紫光照射某金属发生光电效应时,逸出光电子的最大初动能不相等,选项D 错误。
专题六 物 理 实 验考情分析 备考策略1.高考对学生实验的考查,主要有以下十四个实验:①研究匀变速直线运动;②探究弹力和弹簧伸长量的关系;③验证力的平行四边形定则;④验证牛顿第二定律;⑤探究动能定理;⑥验证机械能守恒定律;⑦测定金属丝的电阻率(同时练习使用螺旋测微器);⑧描绘小灯泡的伏安特性曲线;⑨测定电源的电动势和内阻;⑩练习使用多用电表;⑪传感器的简单使用;⑫探究单摆的运动、用单摆测定重力加速度;⑬测定玻璃的折射率;⑭用双缝干涉测光的波长。
2.高考除了对课本中原有的学生实验进行考查外,还增加了对演示实验的考查,利用学生所学过的知识,对实验器材或实验方法加以重组,来完成新的实验设计。
1.熟知各种器材的特性和使用方法,如游标卡尺、螺旋测微器、打点计时器、多用电表等。
2.以课本实验为基础,注重复习实验的目的、原理、设计思想、步骤、数据处理方法、注意事项等。
3.把各个实验分门别类,如测量类的实验、验证类的实验、探究类的实验等,找出各个实验的相似点,掌握各类实验的方法。
4.重视创新设计性实验的复习,这类实验往往在课本实验的基础上进行实验方法的创新。
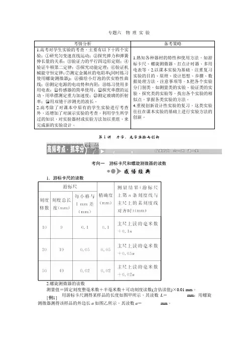
第1讲 力学、光学实验与创新考向一 游标卡尺和螺旋测微器的读数1.游标卡尺的读数2.螺旋测微器的读数测量值=固定刻度整毫米数+半毫米数+可动刻度读数(含估读值)×0.01 mm 。
[例1] 用游标卡尺测得某样品的长度如图甲所示,其读数L =________ mm ;用螺旋测微器测得该样品的外边长a 如图乙所示,其读数a =________ mm 。
[解析]根据游标卡尺的读数方法,样品的长度L=20 mm+3×0.05 mm=20.15 mm。
根据螺旋测微器的读数方法,样品的边长a=1.5 mm+23.0×0.01 mm=1.730 mm。
[答案]20.15 1.730(1.729~1.731均正确)[感悟升华]1.游标卡尺在读数时先确定各尺的分度,把数据转换成以毫米为单位的数据,先读主尺数据,再读游标尺数据,最后两数相加。
2018届高考物理总复习课时训练卷(有答案)
1有一带电荷量为q,重量为G的小球,由两竖直的带电平行板上方自由落下,两板间匀强磁场的磁感应强度为B,方向如图,则小球通过电场、磁场空间时( )
A.一定做曲线运动
B.不可能做曲线运动
C.可能做匀速运动
D.可能做匀加速运动
解析带电小球在下落过程中,速度不断增大,所以其所受洛伦兹力的大小不断变大,而电场力恒定,所以其合力(重力、电场力和洛伦兹力)方向必不在竖直方向上,而是与速度方向有一定夹角,所以带电小球一定做曲线运动.
答案A
2.如图所示,两虚线之间的空间内存在着正交或平行的匀强电场E和匀强磁场B,有一个带正电的小球(电荷量为+q,质量为m)从电磁复合场上方的某一高度处自由落下,那么,带电小球可能沿直线通过的电磁复合场是( )
解析在A图中刚进入复合场时,带电小球受到方向向左的电场力、向右的洛伦兹力、竖直向下的重力,在重力的作用下,小球的速度要变大,洛伦兹力也会变大,所以水平方向受力不可能总是平衡,A选项错误;B图中小球要受到向下的重力、向上的电场力、向外的洛伦兹力,小球要向外偏转,不可能沿直线通过复合场,B选项错误;C图中小球受到向下的重力、向右的洛伦兹力、沿电场方向的电场力,若这三个力的合力正好为0,则小球将沿直线通过复合场,C选项正确;D图中小球只受到向下的重力和向上的电场力,都在竖直方向上,小球可能沿直线通过复合场,D选项正确.
答案CD。
跟踪强化训练(十五)1.(2017·江西六校联考)一探究小组要测量2B 铅笔芯的电阻率,所用的实验器材有:电源E (9 V),铅笔芯(最大阻值约6 Ω),滑动变阻器(最大阻值20 Ω),电流表A(量程为0.3 A ,内阻约为0.5 Ω),电压表V(量程为3 V ,内阻约为1000 Ω),开关S.(1)将虚线框内测量铅笔芯电阻的实验电路图补充完整.(2)实验中,改变连入电路的铅笔芯长度L ,测出对应的电阻值R ,测得的5组实验数据已描点在如图甲所示的R -L 坐标系中,请画出R -L 图线.(3)用螺旋测微器测量铅笔芯的直径.如图乙所示,其读数为________mm.(4)根据画出的R -L 图线及测得的铅笔芯的直径,可求得铅笔芯的电阻率为________Ω·m(保留三位有效数字).[解析] (1)由于待测电阻R x <R A R V ,所以电流表应该用外接法,滑动变阻器采用分压式接法.(3)螺旋测微器的读数为 1 mm +20.0×0.01 mm =1.200 mm.(4)由电阻定律得R =ρL S =ρ4L πd 2,R -L 图线的斜率k =4ρπd 2,解得ρ=3.77×10-5 Ω·m.[答案](1)如图1所示(2)如图2所示(3)1.200(4)3.77×10-52.(2017·天津卷)某探究性学习小组利用如图所示的电路测量电池的电动势和内阻.其中电流表A1的内阻r1=1.0 kΩ,电阻R1=9.0 kΩ,为了方便读数和作图,给电池串联一个R0=3.0 Ω的电阻.(1)按图示电路进行连接后,发现aa′、bb′和cc′三条导线中,混进了一条内部断开的导线.为了确定哪一条导线内部是断开的,将电键S闭合,用多用电表的电压挡先测量a、b′间电压,读数不为零,再测量a、a′间电压,若读数不为零,则一定是________导线断开;若读数为零,则一定是________导线断开.(2)排除故障后,该小组顺利完成实验.通过多次改变滑动变阻器触头位置,得到电流表A1和A2的多组I1、I2数据,作出图象如图.由I1-I2图象得到电池的电动势E=________V,内阻r=________Ω.[解析] (1)用多用电表的电压挡测U ab ′≠0,说明两表笔与电源两极间为通路,问题出在a 、b ′之间的含有电键的电路部分;若U aa ′≠0,说明aa ′导线断路,若U aa ′=0,说明导线bb ′断开.(2)由于I 2≫I 1,故可将I 2视为干路电流,则有I 1(R 1+r 1)=E -I 2(r +R 0)则I 1=E R 1+r 1-r +R 0R 1+r 1·I 2,故从图线的截距和斜率可求得E =1.4 V ,r =0.5 Ω.[答案] (1)aa ′ bb ′ (2)1.4(1.36~1.44均可) 0.5(0.4~0.6均可)3.(2017·山西五校四联)在“描绘小灯泡的伏安特性曲线”的实验中,需要测量一个规格为“2.5 V 0.5 A ”的小灯泡两端的电压和通过它的电流.现有如下器材:A .直流电源(电动势3.0 V ,内阻不计)B .电流表(量程3 A ,内阻约0.1 Ω)C .电流表(量程600 mA ,内阻约2 Ω)D.电压表(量程3 V,内阻约3 kΩ)E.电压表(量程15 V,内阻约15 kΩ)F.滑动变阻器R(最大阻值10 Ω,额定电流1 A)(1)实验中,电流表应选择________;电压表应选择________.(填所选器材前的字母)(2)为了尽可能地减小实验误差,请根据正确选择的器材设计电路并在虚线框中作出该电路图.(3)灯泡的伏安特性曲线如图所示.实验中,若把该小灯泡和一个阻值为9 Ω的定值电阻串联在电动势为3 V、内阻为1 Ω的直流电源上,则小灯泡此时的电阻为________Ω.(结果保留两位有效数字)[解析](1)因灯泡的额定电压为2.5 V,额定电流为0.5 A,因此为保证实验的安全和准确,电压表应选择D,电流表应选择C.(2)本实验要求通过灯泡的电流由零开始逐渐增大,故滑动变阻器采用分压式接法,因灯泡正常发光时电阻为R L=2.50.5Ω=5 Ω,较小,则电流表采用外接法.(3)在灯泡的伏安特性曲线中,作出等效电源(电动势3 V,内阻10 Ω)的I-U图线,由图可知两图线交点坐标为(0.4 V,0.26 A),则灯泡此时电阻为0.4 V0.26 A=1.5 Ω.[答案](1)C D (2)如图所示(3)1.5(1.4~1.6均可)4.某探究小组要尽可能精确地测量电流表的满偏电流,可供选用的器材如下:A.待测电流表(满偏电流I max约为800μA、内阻r1约为100 Ω,表盘刻度均匀、总格数为N)B.电流表(量程为0.6 A、内阻r2=0.1 Ω)C.电压表(量程为3 V、内阻R V=3 kΩ)D.滑动变阻器R(最大阻值为20 Ω)E.电源E(电动势为3 V、内阻r约为1.5 Ω)F.开关S一个,导线若干(1)该小组设计了图甲、图乙两个电路图,其中合理的是________(选填“图甲”或“图乙”).(2)所选合理电路中虚线圈处应接入电表________(选填“B”或“C”).(3)在开关S闭合前,应把滑动变阻器的滑片P置于________端(选填“a”或“b”).(4)在实验中,若所选电表的读数为Z,电流表的指针偏转了n格,则可算出待测电流表的满偏电流I max=________.[解析] (1)由于待测电流表的量程较小,而内阻大于滑动变阻器的最大阻值,为了减小误差,应选用乙电路图.(2)由于两块电流表的量程差距较大,只能选用电压表当电流表使用,故选C.(3)乙电路图中滑动变阻器采用的是分压式接法,在闭合开关前,要求测量电路的分压为零,故滑动变阻器的滑片P 应置于b 端.(4)根据串联电路的特点,可得:Z R V =I max n N ,解得:I max =ZN nR V ⎝ ⎛⎭⎪⎫ZN 3000n 也对. [答案] (1)图乙 (2)C (3)b (4)ZN nR V ⎝ ⎛⎭⎪⎫ZN 3000n 也对 5.指针式多用电表是实验室中常用的测量仪器,请根据要求完成下列问题:(1)在使用多用电表测量时,指针的位置如图甲所示,若选择开关拨至“×10”挡,则测量的结果为________Ω;若选择开关拨至“50 mA”挡,则测量结果为________mA.(2)多用电表测未知电阻阻值的电路如图乙所示,电池的电动势为E、内阻为r,R0为调零电阻,R g为表头内阻,电路中电流I与待测电阻的阻值R x的关系图象如图丙所示,则该图象的函数关系式为______________________.(3)(多选)下列对图丙中的I-R x图线的解释或判断中正确的是________.A.因为函数图线是非线性变化的,所以欧姆表的示数左小右大B.欧姆表调零的实质是通过调节R0使R x=0时电路中的电流I =I gC.测量中,当R x的阻值为图丙中的R2时,指针位于表盘中央位置的左侧D.R x越小,相同的电阻变化量对应的电流变化量越大,所以欧姆表的示数左疏右密[解析](1)根据多用电表的读数规则,若选择开关拨至“×10”挡,按照最上面欧姆表刻度读数,则测量结果为14 Ω×10=140 Ω;若选择开关拨至“50 mA”挡,按照刻度盘上中间刻度读数,且要估读一位,则测量结果为26.0 mA.(2)根据题图乙的电路,由闭合电路欧姆定律,E=I(r+R0+R g+R x),得到电路中电流I与待测电阻的阻值R x的函数关系式为I=Er+R0+R g+R x.(3)由题图乙可知,I=Er+R0+R g+R x,待测电阻最小为零时,电流最大,电流表指针满偏;待测电阻最大为无限大(两表笔断开)时,电流为零,电流表指针在最左侧,所以欧姆表的示数左大右小,最右端刻度为零,最左端刻度为无限大,选项A错误.欧姆表调零的实质是通过调节R0使R x=0时电路中的电流I=I g(满偏电流),选项B正确.测量中,当R x的阻值为题图丙中的R2时,大于中值电阻R1,指针位于表盘中央位置的左侧,选项C正确.R x越小,相同的电阻变化量对应的电流变化量越大,所以欧姆表的示数左密右疏,选项D错误.[答案](1)14026.0(2)I=Er+R0+R g+R x(3)BC6.为了测量某待测电阻R x的阻值(约为30 Ω),有以下器材可供选择,要求测量范围尽可能大.电流表A1(量程0~50 mA,内阻约10 Ω);电流表A2(量程0~3 A,内阻约0.12 Ω);电压表V1(量程0~3 V,内阻约3 kΩ);电压表V2(量程0~15 V,内阻约15 kΩ);电源E(电动势约为3 V,内阻约为0.2 Ω);定值电阻R(20 Ω,允许最大电流1.0 A);滑动变阻器R1(0~10 Ω,允许最大电流2.0 A);滑动变阻器R2(0~1 kΩ,允许最大电流0.5 A);单刀单掷开关S一个,导线若干.(1)电流表应选________,电压表应选________,滑动变阻器应选________.(填字母代号)(2)请画出测量电阻R x的实验电路图.(3)某次测量中,电压表示数为U时电流表示数为I,则计算待测电阻阻值的表达式为R x=________.[解析](1)因电源电动势约为3 V,所以电压表选择量程为0~3V的V1;待测电阻R x的阻值约为30 Ω,流过R x的最大电流为3 V 30 Ω=0.1 A,如果电流表选择A2,指针偏转很小,测量不准确,所以只能选择A1;因实验要求测量范围尽可能大,所以滑动变阻器应接成分压式,选用最大阻值较小的滑动变阻器操作方便、误差小,所以滑动变阻器选R1.(2)因待测电阻的阻值远小于电压表内阻,所以电流表应采用外接法;为了使流过电流表A1的电流不超过其最大测量值50 mA,应给待测电阻串联一个定值电阻,起保护作用,所以实验原理图如图所示.。
课时作业(本栏目内容,在学生用书中以独立形式分册装订!)一、选择题(1~7题为单项选择题,8~11题为多项选择题)1.如图所示,一小车的表面由一光滑水平面和光滑斜面连接而成,其上放一球,球与水平面的接触点为a,与斜面的接触点为b。
当小车和球一起在水平桌面上做直线运动时,下列结论正确的是()A.球在a、b两点处一定都受到支持力B.球在a点一定受到支持力,在b点处一定不受支持力C.球在a点一定受到支持力,在b点处不一定受到支持力D.球在a点处不一定受到支持力,在b点处也不一定受到支持力解析:若球与小车一起水平匀速运动,则球在b处不受支持力作用,若球与小车一起水平向左匀加速运动,则球在a处受到的支持力可能为零,D正确。
答案: D2.2016年“蛟龙”再探深海,前往太平洋、印度洋执行实验性应用航次。
假设深海探测器在执行下潜任务中,探测器最后达到某一恒定的收尾速度。
若探测器质量为m,由于重力作用下潜,探测器的收尾速度为v,探测器受到恒定的浮力F,重力加速度为g,下列说法正确的是()A.探测器达到收尾速度后,合力为向下B.探测器达到收尾速度后,探测器受到的水的阻力为mg-FC.探测器达到收尾速度前,受到的合力可能为零D.无论是达到收尾速度前,还是达到收尾速度后,探测器受到的合力都不能是零解析:探测器达到收尾速度前,受到的合力不可能为零,达到收尾速度后,受到的合力为零,选项A、C、D错误;根据共点力平衡,探测器达到收尾速度后,探测器受到的水的阻力为mg-F,选项B正确。
答案: B3.(2017·惠州市高三第二次调研考试)如图所示,三根相同的绳子末端连接于O点,A、B端固定,C端受一水平力F,当F逐渐增大时(O点位置保持不变),最先断的绳子是()A.OA绳B.OB绳C.OC绳D.三绳同时断解析:对结点O受力分析,受三个绳的拉力,根据平衡条件的推论得,水平和竖直两绳拉力的合力与OA绳的拉力等大反向,作出平行四边形,解得三个绳中OA绳的拉力最大,在水平拉力逐渐增大的过程中,OA绳先达到最大值,故OA绳先断,A项正确。
力学实验1.(2018·全国卷I ·T22) 如图甲,一弹簧上端固定在支架顶端,下端悬挂一托盘;一标尺由游标和主尺构成,主尺竖直固定在弹簧左边;托盘上方固定有一能与游标刻度线正确对齐的装置,简化为图中的指针。
现要测量图甲中弹簧的劲度系数。
当托盘内没有砝码时,搬动游标,使其零刻度线对准指针,此时标尺读数为1.950 cm;当托盘内放有质量为0.100 kg的砝码时,搬动游标,再次使其零刻度线对准指针,标尺示数如图乙所示,其读数为cm。
当地的重力加速度大小为9.80 m/s2,此弹簧的劲度系数为N/m(保留3位有效数字)。
【解析】标尺示数如图乙所示,其读数为37 mm+0.05 mm×15=37.75 mm=3.775 cm;弹簧的伸长量x=3.775 cm-1.950 cm=1.825 cm=0.018 25 m,依照二力平衡有kx=mg,解得k=53.7 N/m。
答案:3.77553.7【易错警示】解答此题常有错误主要有:(1)游标卡尺读数误差,或单位搞错以致错写成37.70。
(2)把重力加速度依照习惯用g=10 m/s2代入计算以致错误。
(3)考虑采用图象法办理实验数据计算劲度系数耽误时间。
2.(2018·全国卷II ·T23)某同学用图甲所示的装置测量木块与木板之间的动摩擦因数。
超出圆滑定滑轮的细线两端分别与木块和弹簧秤相连,滑轮和木块间的细线保持水平,在木块上方放置砝码。
缓慢向左拉动水平放置的木板,当木块和砝码相对桌面静止且木板仍在连续滑动时,弹簧秤的示数即为木块碰到的滑动摩擦力的大小。
某次实验所得数据在表中给出,其中f4的值可从图乙中弹簧秤的示砝码的质量m/kg 0.05 0.10 0.15 0.20 0.25滑动摩擦力f/N 2.15 2.36 2.55 f4 2.93回答以下问题:(1)f4=N。
(2)在图丙的坐标纸上补齐未画出的数据点并绘出f-m图线。
新课标2018年高考理综(物理)高三第二次模拟考试注意事项:1.本试卷分为试题卷(1-12页)和答题卡(1-6页)两部分,共300分,时间150分钟。
2.答题前,考生须将自己的学校、班级、姓名、学号、座号填涂在答题卡指定的位置上。
3.选择题的答案。
用2B 铅笔将答题卡上对应题目的答案标号涂黑,非选择题必须按照题号顺序在答题卡上各题目的答题区域内作答。
超出答题区域或在其他题的答题区域内书写的答案无效;在草稿纸、本试题卷上答题无效。
4.可能用到的相对原子质量:H 1 C 12 O 16 Na 23 Cl 35.5 Cu 64第Ⅰ卷 (选择题,共1 26分)二、选择题(本题共8小题,共计48分。
在每小题给出的四个选项中,14~18小题中只有一个选项正确,19~21小题中有多个选项正确,全部选对得6分,选对但不全的得3分,有选错或不选的得0分)14.如图所示,A 、B 为同一水平线上的两个相同的绕绳轮子。
现按箭头方向以相同的角速度缓慢转动A ,B 使重物C 缓慢上升。
在此过程中绳上的拉力大小变化正确的是A .保持不变B .逐渐减小C .逐渐增大D .先减小后增大15.在离地高h 处,以速度v 0抛出一小球,不计空气阻力,已知h =2032v g。
则小球落地时 间不可能是(已知重力加速度为g )A .0v gB .02v gC .03v gD .04v g 16.一倾角为θ=37°的粗糙斜面与一光滑的半径R =0.9m 的竖直圆轨道相切于P 点,O 点是轨道圆心,轨道上的B 点是最高点,D 点是最低点,C 点是最右的点,斜面上的A 点与B 点等高。
一质量m =1.0kg 的小物块在A 点以沿斜面向下的初速度v 0刚好能在斜面上匀速运动,通过P 点处的小孔进入圆轨道并恰能做完整的圆周运动。
g =10m /s 2,sin37°=0.6,cos37°=0.8。
则下列说法正确的是A .v 0=3m /sB .小物块与斜面间的动摩擦因数μ=0.6C .小物块在D 点时对轨道压力F 0=60 ND .小物块在C 点受到的合外力水平向左17.正方体空心框架ABCD -A 1B 1C 1D 1下表面在水平地面上,将可视为质点的小球从顶点A在∠BAD 所在范围内(包括边界)沿不同的水平方向分别抛出,落点都在△B 1C 1D 1平面内(包括边界)。
[课时作业](本栏目内容,在学生用书中以独立形式分册装订!) 1.在“测金属的电阻率”的实验中,分别用游标卡尺和螺旋测微器测出用金属材料制成的一段圆柱体的长度和横截面的直径如图所示。
则该圆柱体的长度为________mm,横截面的直径为________mm。
解析:根据游标卡尺读数规则,该圆柱体的长度为49 mm+2×0.05 mm=49.10 mm,根据螺旋测微器读数规则,圆柱体横截面的直径为4.5 mm+20.2×0.01 mm=4.702 mm。
答案:49.10 4.7022.(2017·广州市模拟)在“探究求合力的方法”实验中,橡皮条一端固定于A点。
(1)如图1所示,同时使用两只弹簧测力计通过细绳套将橡皮条的另一端拉至O点。
分别记录两个拉力的大小和方向,其中一只弹簧测力计的示数如图所示,则其示数为________N。
(2)关于本实验,下列说法正确的是()A.细绳套尽可能短一些B.橡皮条的伸长量越大越好C.拉两个细绳套时,两拉力夹角越大越好D.拉细绳套时,拉力应尽量与木板平行(3)某同学通过多次实验得出:力的合成遵循平行四边形定则。
图2为根据其中一次实验数据画出的两个力F1、F2的图示,请利用平行四边形定则在图中作出这两个力的合力F合,根据图示可以确定合力大小为________N。
解析:(1)根据弹簧测力计指针的指示可知,其读数为2.6 N;(2)细绳套尽可能长一些,减小力的方向的误差。
故A错误;橡皮条的伸长量不是越大越好,方便作图即可,故B错误;两条细绳的夹角不是越大越好,以方便作平行四边形为宜。
故C错误。
拉细绳套时,橡皮条、细绳套和弹簧测力计平行贴近木板,使得结点所受的几个力在同一平面内,故D正确。
(3)根据力的平行四边形定则画出图象如图所示:根据图象可知,合力大小为F合=7.0 N。
答案:(1)2.6(2)D(3)如解析图所示7.03.如图(a)所示,某实验小组为了测量滑块和长木板斜面间的动摩擦因数,把长木板倾角θ调为30°,在长木板斜面顶端固定一打点计时器。
实验专攻练(六)(时间:15分钟 分值:15分)22.(6分)(2017·抚州市临川一中模拟)在“验证动量守恒定律”的实验中,气垫导轨上放置着带有遮光板的滑块A 、B ,遮光板的宽度相同,测得的质量分别为m 1和m 2.实验中,用细线将两个滑块拉近使轻弹簧压缩,然后烧断细线,轻弹簧将两个滑块弹开,测得它们通过光电门的时间分别为t 1、t 2.(1)图2为甲、乙两同学用螺旋测微器测遮光板宽度d 时所得的不同情景.由该图可知甲同学测得的示数为________mm ,乙同学测得的示数为________mm.(2)用测量的物理量表示动量守恒应满足的关系:________,被压缩弹簧开始贮存的弹性势能E p =________.【解析】 (1)甲图,螺旋测微器的固定刻度读数为3.5 mm ,可动刻度读数为0.01×0.5 mm =0.005 mm ,所以最终读数为3.5 mm +0.005=3.505 mm.乙图,螺旋测微器的固定刻度读数为3 mm ,可动刻度读数为0.01×48.5 mm=0.485 mm.3.485 mm.则应满足的表达式为:0=-m 1v 1+m 2v 2;v 2=d t 2,代入可得:代入可得:E p =m 1d 22t 21+m 2d 22t 22. 【答案】 (1)3.505 3.485(2)m 1d t 1=m 2d t 2 m 1d 22t 21+m 2d 22t 22 23.(9分)[2017·高三第二次全国大联考(新课标卷Ⅱ)]压敏电阻由在压力作用下发生形变进而导致电阻率发生变化的材料组成,为了探究某压敏材料的特性,有人设计了如图3所示的电路,一电源电动势为3 V 、内阻约为1 Ω,两个电流表量程相同均为0.6 A ,一个电流表内阻r 已知,另外一个电流表内阻较小但阻值未知.图3(1)电路图中哪个电流表的内阻r 已知________(选填“A 1”或“A 2”).(2)在某一个压力测试下,两个电流表A 1、A 2的读数分别为I 1和I 2,则压敏电阻的阻值R x =________.(3)经过测试获得压敏电阻的阻值和压力的关系图如图所示,以竖直向下为正方向,则阻值和压力的关系式是________.【导学号:19624272】A 1可作为电压表测量压敏电阻电压,所以A 1的r ,电流为I 2-I 1,所以压敏电阻的阻值R x =I 1r I 2-I 1.(3)R x =16-2F .R x =16-2F本文档仅供文库使用。
【满分:110分时间:90分钟】一、选择题(本大题共12小题,每小题5分,共60分。
在每小题给出的四个选项中, 1~8题只有一项符合题目要求; 9~12题有多项符合题目要求。
全部选对的得5分,选对但不全的得3分,有选错的得0分。
)1.如图所示,固定在地面上的半圆轨道直径ab水平,质点P与半圆轨道的动摩擦因数处处一样,当质点P从a点正上方高H处自由下落,经过轨道后从b点冲出竖直上抛,上升的最大高度为H/2,空气阻力不计.当质点下落再经过轨道a点冲出时,能上升的最大高度h为A.不能从a点冲出半圆轨道B.能从a点冲出半圆轨道,但h < H/2C.能从a点冲出半圆轨道,但h > H/2D.无法确定能否从a点冲出半圆轨道【答案】B【解析】【名师点睛】本题的关键在于知道第二次运动过程中摩擦力做功比第一次小,明确动能定理的应用范围很广,可以求速度、力、功等物理量,特别是可以去求变力功.摩擦力做功使得机械能转化成内能。
2.如图所示为著名的“阿特伍德机”装置示意图。
跨过轻质定滑轮的轻绳两端悬挂两个质量均为M的物块,当左侧物块附上质量为m的小物块时,该物块由静止开始加速下落,下落h 后小物块撞击挡板自动脱离,系统以v匀速运动。
忽略系统一切阻力,重力加速度为g.若测出v,则可完成多个力学实验。
下列关于此次实验的说法,正确的是A.系统放上小物块后,轻绳的张力增加了mgB.可测得当地重力加速度2(2)2M m v gmh+=C.要验证机械能守恒,需验证等式mgh=Mv2,是否成立D.要探究合外力与加速度的关系,需探究2()2vmg M mh=+是否成立【答案】B【解析】【名师点睛】本题是一道信息给予题,认真审题、根据题意获取所需的信息是解题的前提,应用牛顿第二定律、动能定理与运动学公式可以解题;解题时注意研究对象的选择.3.质量为m的汽车,其发动机额定功率为P.当它匀速开上一个倾角为θ的斜坡时,受到的阻力为车重力的k 倍,则车的最大速度为 ( ) A.sin P mg θ B. cos (sin )P mg k θθ+ C. cos P mg θ D. (sin )P mg k θ+ 【答案】D【解析】当牵引力等于阻力时,汽车达到最大速度,汽车匀速运动时,受力平衡,由于汽车是沿倾斜的路面向上行驶的,对汽车受力分析可知,汽车的牵引力F=f+mgsin θ=kmg+mgsin θ=mg(k+sin θ),由功率P=Fv ,所以上坡时的速度:()P P v F mg k sin θ+==,故D 正确.故选D. 【名师点睛】汽车的功率不变,但是在向上运动和向下运动的时候,汽车的受力不一样,牵引力减小了,P=Fv 可知,汽车的速度就会变大,分析清楚汽车的受力的变化情况是解决本题的关键.4.图所示是汽车的牵引力F 和车速v 的倒数1v的关系图线;若汽车的质量为2×103kg ,由静止开始沿平直公路行驶,阻力恒定,最大速度车速为30m/s ,则以下说法正确的是( )A .汽车运动过程中受到的阻力为6×103NB .汽车的额定功率为6×104WC .汽车先做匀加速运动,然后再做匀速直线运动D .汽车做匀加速运动的时间是10s【答案】B【解析】【名师点睛】此题考查学生对物理图线的理解;要能从图像中读出有用的信息,知道图线的函数关系及斜率的物理意义;知道机车启动的两种基本方式.5.如图所示,固定的竖直光滑长杆上套有质量为m 的小圆环,圆环与水平状态的轻质弹簧一端连接。
[课时作业]
(本栏目内容,在学生用书中以独立形式分册装订!) 1.在“测金属的电阻率”的实验中,分别用游标卡尺和螺旋测微器测出用金属材料制成的一段圆柱体的长度和横截面的直径如图所示。
则该圆柱体的长度为________mm,横截面的直径为________mm。
解析:根据游标卡尺读数规则,该圆柱体的长度为49 mm+2×0.05 mm=49.10 mm,根据螺旋测微器读数规则,圆柱体横截面的直径为4.5 mm+20.2×0.01 mm=4.702 mm。
答案:49.10 4.702
2.(2017·广州市模拟)在“探究求合力的方法”实验中,橡皮条一端固定于A点。
(1)如图1所示,同时使用两只弹簧测力计通过细绳套将橡皮条的另一端拉至O点。
分别记录两个拉力的大小和方向,其中一只弹簧测力计的示数如图所示,则其示数为________N。
(2)关于本实验,下列说法正确的是()
A.细绳套尽可能短一些
B.橡皮条的伸长量越大越好
C.拉两个细绳套时,两拉力夹角越大越好
D.拉细绳套时,拉力应尽量与木板平行
(3)某同学通过多次实验得出:力的合成遵循平行四边形定则。
图2为根据其中一次实验数据画出的两个力F1、F2的图示,请利用平行四边形定则在图中作出这两个力的合力F合,根据图示可以确定合力大小为________N。
解析:(1)根据弹簧测力计指针的指示可知,其读数为2.6 N;
(2)细绳套尽可能长一些,减小力的方向的误差。
故A错误;橡皮条的伸长量不是越大越好,方便作图即可,故B错误;两条细绳的夹角不是越大越好,以方便作平行四边形为宜。
故C错误。
拉细绳套时,橡皮条、细绳套和弹簧测力计平行贴近木板,使得结点所受的几个力在同一平面内,故D正确。
(3)根据力的平行四边形定则画出图象如图所示:
根据图象可知,合力大小为F合=7.0 N。
答案:(1)2.6(2)D(3)如解析图所示7.0
3.如图(a)所示,某实验小组为了测量滑块和长木板斜面间的动摩擦因数,把长木板倾角θ调为30°,在长木板斜面顶端固定一打点计时器。
实验中先启动打点计时器电源,再让连接纸带的滑块从斜面的顶端由静止释放,得到多条打点的纸带后,他们选择一条点迹清晰的纸带,如图(b)所示,然后截取纸带中间的一部分,每隔4个点取一个计数点,纸带上标明了各相邻计数点间距离的测量结果。
(1)有同学提出用作图的方法求加速度,他把纸带粘在一张白纸上,建立直角坐标系,横坐标表示位移,纵坐标表示对应点的速度的二次方。
图(c)中给出了b、c、d三条可能作出的图线,你认为正确的是________。
(2)选出正确的图线后,求出直线的斜率k。
设重力加速度是g,请你用k、g和斜面倾角θ表示滑块和长木板斜面间的动摩擦因数,则μ________。
解析:(1)截取纸带中间的一部分处理实验数据,小车的初速度不为零,根据v2-v20=2ax可知v2=2a·x+v20,v2-x图线在纵轴上截距不为零,且截距为小车初速的二次方,所以正确的图线是b。
(2)根据牛顿第二定律得mg sin θ-μmg cos θ=ma,v2-x图线可知k=2a,联立解得μ=
tan θ-k
2g cos θ。
答案:(1)b(2)tan θ-
k
2g cos θ
4.为了探究在质量不变时,物体的加速度与合力的关系,某实验小组设计了如图(a)所示的实验装置,力传感器可以测得细线中的拉力,通过分析与小车相连的纸带上打出的点迹可以得出小车的加速度。
通过改变重物的质量,得出力传感器的数值和对应的加速度数据,可画出小车运动的加速度a和所受拉力F的关系图象。
他们在轨道水平和倾斜的两种情况下分别做了实验,得到了两条a -F图线,如图(b)所示,取g=10 m/s2。
(1)图线________(填“甲”或“乙”)是在轨道左侧抬高成为斜面的情况下得到的。
(2)在用图(a)所示的实验装置探究在质量不变时,物体的加速度与合力的关系实验中,是否需要满足重物的质量远小于小车的质量?
答
:
________________________________________________________________________。
(3)小车的质量m =________kg(保留两位小数);小车在水平轨道上运动所受力与重力的比值μ=________。
解析: (1)由图线甲可知,在力传感器读数为零,即无拉力情况下,小车就已获得了加速度,所以图线甲是在轨道左侧抬高成为斜面的情况下得到的。
(2)力传感器可以测得细线中的拉力,因此不需要满足重物的质量远小于小车质量。
(3)图线乙是在轨道水平的情况下得到的a -F 图线,小车在水平轨道上运动所受阻力F f
=μmg 。
对小车,由牛顿第二定律得F -μmg =ma ,解得a =1m
F -μg ,对照图线乙可知,图线乙的斜率等于小车质量的倒数,1m
=1.5 kg -1,解得m =0.67 kg 。
图线的纵截距等于-μg ,-μg =-3 m/s 2,可得μ=0.3。
答案: (1)甲 (2)不需要 (3)0.67 0.3
5.(2017·江苏卷·10)利用如图甲所示的实验装置探究恒力做功与物体动能变化的关系。
小车的质量为M =200.0 g ,钩码的质量为m =10.0 g ,打点计时器的电源为50 Hz 的交流电。
甲
(1)挂钩码前,为了消除摩擦力的影响,应调节木板右侧的高度,直至向左轻推小车观察到________________________________________________________________________。
(2)挂上钩码,按实验要求打出的一条纸带如图乙所示。
选择某一点为O ,依次每隔4个计时点取一个计数点。
用刻度尺量出相邻计数点间的距离Δx ,记录在纸带上。
计算打出各计数点时小车的速度v ,其中打出计数点“1”时小车的速度v 1=________m/s 。
乙
(3)将钩码的重力视为小车受到的拉力,取g =9.80 m/s 2,利用W =mg Δx 算出拉力对小
车做的功W 。
利用E k =12
M v 2算出小车动能,并求出动能的变化量ΔE k 。
计算结果见下表。
k
丙
(4)实验结果表明,ΔE k 总是略小于W 。
某同学猜想是由于小车所受拉力小于钩码重力造成的。
用题中小车和钩码质量的数据可算出小车受到的实际拉力F =________N 。
解析: (1)完全平衡摩擦力的标志是轻推小车,小车做匀速运动。
(2)两计数点间的时间间隔T =5×0.02 s =0.1 s
v 1=x 022T =(2.06+2.50)×0.012×0.1
m/s =0.228 m/s (3)确定标度,根据给出数据描点。
作图如图所示。
(4)从图线上取两个点(4.5,4.24),(2.15,2.0)
图线的斜率k =4.24-2.04.5-2.15
≈0.953①
又有k =ΔE k ΔW =M v 22mg Δx
② 根据运动学公式有v 2=2a Δx ③
根据牛顿第二定律有
F =Ma ④
由①②③④式解得F ≈0.093 N
答案: (1)小车做匀速运动 (2)0.228 (3)见解析图 (4)0.093。