检表202 土方路基填筑工程施工原始记录
- 格式:docx
- 大小:16.68 KB
- 文档页数:1
单位工程名称、编码单元工程部位桩号:高程: m分部工程名称、编码单元工程量 m3单元工程名称、编码检验日期年月日施工单位名称中国安能建设总公司监理单位名称河南华北水电工程监理有限公司项次检验项目质量标准检查(测)结果主控项目1 土料无不合格土,含水率适中,土质符合设计要求2 填料压实压实度不小于98%(最大干密度: g/cm3)3 接缝处理填筑段连接坡度不陡于1:3,坡面湿润且刨毛4 土块粒径根据压实机具,土块限制在15 cm以内一般项目5 层间结合面表面刨毛20~30mm,无空白、无风干现象,无撒入泥土、砂砾、杂物等,层面湿润均匀,无积水6 铺土厚度允许偏差:0~–50mm碾压试验值: mm实测值(mm)7 铺填边线允许偏差:人工作业+100~+200mm机械作业+100~+300mm自检意见主控检查项目全部符合质量标准,一般检查项目符合质量标准。
主控项目检测点,合格率为 %,一般项目检测点,合格率 % 初检人员签字:年月日单位工程名称、编码单元工程部位桩号:高程: m分部工程名称、编码单元工程量 m3单元工程名称、编码检验日期年月日施工单位名称中国安能建设总公司监理单位名称河南华北水电工程监理有限公司项次检验项目质量标准检查(测)结果主控项目1 土料无不合格土,含水率适中,土质符合设计要求2 填料压实压实度不小于98%(最大干密度: g/cm3)3 接缝处理填筑段连接坡度不陡于1:3,坡面湿润且刨毛4 土块粒径根据压实机具,土块限制在15 cm以内一般项目5 层间结合面表面刨毛20~30mm,无空白、无风干现象,无撒入泥土、砂砾、杂物等,层面湿润均匀,无积水6 铺土厚度允许偏差:0~–50mm碾压试验值: mm实测值(mm)7 铺填边线允许偏差:人工作业+100~+200mm机械作业+100~+300mm自检意见主控检查项目全部符合质量标准,一般检查项目符合质量标准。
主控项目检测点,合格率为 %,一般项目检测点,合格率 % 复检人员签字:年月日单位工程名称、编码单元工程部位桩号:高程: m分部工程名称、编码单元工程量 m3单元工程名称、编码检验日期年月日施工单位名称中国安能建设总公司监理单位名称河南华北水电工程监理有限公司项次检验项目质量标准检查(测)结果主控项目1 土料无不合格土,含水率适中,土质符合设计要求2 填料压实压实度不小于98%(最大干密度: g/cm3)3 接缝处理填筑段连接坡度不陡于1:3,坡面湿润且刨毛4 土块粒径根据压实机具,土块限制在15 cm以内一般项目5 层间结合面表面刨毛20~30mm,无空白、无风干现象,无撒入泥土、砂砾、杂物等,层面湿润均匀,无积水6 铺土厚度允许偏差:0~–50mm碾压试验值: mm实测值(mm)7 铺填边线允许偏差:人工作业+100~+200mm机械作业+100~+300mm自检意见主控检查项目全部符合质量标准,一般检查项目符合质量标准。
土方开挖检验批原始记录范例1. 引言大家好,今天咱们来聊聊土方开挖的检验批原始记录。
说到这儿,很多人可能会觉得这是一件无聊的事儿,实际上啊,这可是建筑工程中非常关键的一个环节。
大家都知道,工地上那一堆一堆的土,别看它普普通通,其实其中蕴藏着不少学问。
就像做菜之前,你得先把食材准备好,土方开挖就像是建筑的“食材准备”,没有这一关,后续的工程可就没法顺利进行啦。
2. 检验批的基本概念2.1 检验批的定义那么,什么是检验批呢?简单来说,就是把一大堆土给分成一个个小批次,每一个批次都是一个检验单元。
听上去可能有点复杂,但实际上就像是你把一个大蛋糕切成几块,每一块都要单独检查一下,看看有没有糖霜掉落或者其他问题。
这一过程就是确保每一块蛋糕都是美味的,土方开挖也是一样,确保每一片土壤都符合标准。
2.2 检验批的作用检验批的作用可不小。
首先,它可以帮助我们快速发现问题。
假如某一批土壤有问题,我们只需要回到那一批,而不是整个工程都得重新来。
其次,它还能提高工作效率。
想象一下,如果一个工地上土方的质量都没问题,检验批记录得当,整个工程进度就会变得顺利得多,不容易被一些小问题拖慢了。
3. 原始记录的内容3.1 记录要点原始记录是检验批的“身份证”,上面得记载清楚每一批次的详细信息。
比如说,你得写明土方开挖的具体位置,挖掘的深度,土质的状态,等等。
这样做的好处是,万一后来出现问题,我们可以很方便地找到根源,像侦探一样追查问题的真相。
原始记录就像是土方的“出生证明”,没有它,一切就变得模糊不清。
3.2 记录格式说到记录格式,这可有点讲究了。
通常,原始记录会包含一些基本的信息,比如检查日期、检验人员的名字、施工单位的名称等。
除此之外,还得有一些具体的数据,比如挖掘的深度是多少,土壤的含水量是多少。
别小看这些数据,它们可都是保证工程质量的关键。
可以说,原始记录就像是一个工程的“健康档案”,详细而全面。
4. 实际操作中的小技巧4.1 记录时的注意事项在实际操作中,记录的准确性可是至关重要的。
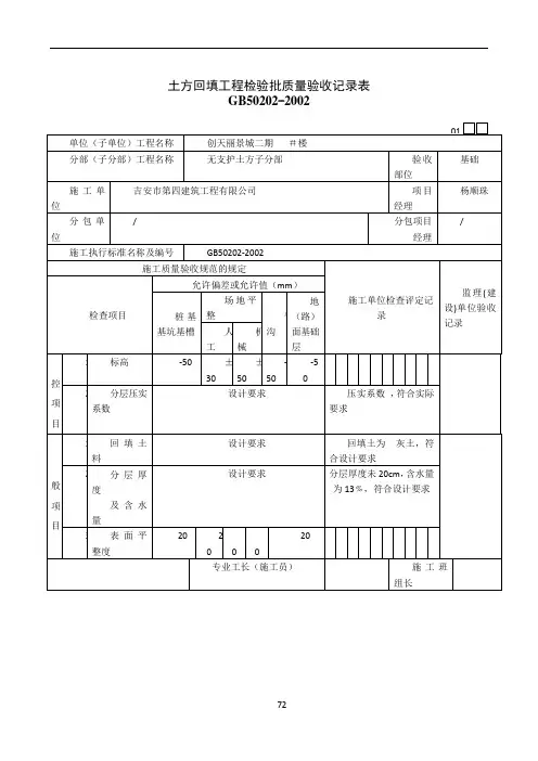
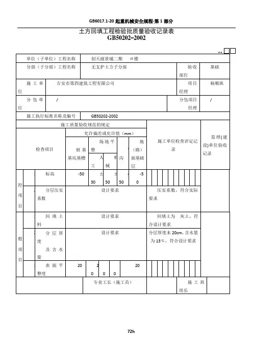
土方回填检验批质量验收记录表
填表说明
主控项目
1、基坑回填必须在结构混凝土的强度达到设计要求及防水层施工后进行,严禁对防水层造成损伤。
检查数量:全数检查
检查方法:观察,检查隐蔽验收检查记录表。
2、基坑应对称回填、分层夯实,压实度应符合设计要求。
检查数量:抽查检查
检查方法:观察,检查压实度报告。
压实遍数应根据土质,压实系数及所用机具确定。
填土施工时的分层厚度及压实度遍数(GB50202-2002第6.3.3条)
一般项目
1、回填时基坑内不得有积水,严禁使用腐植土、冻块、杂土等。
检查数量:全数检查
检查方法:填土料按设计要求验收合格后施工,取样检查或直观鉴别。
2、钢板桩拔出后应及时对桩孔进行灌砂或注浆填充。
检查数量:全数检查
检查方法:观察。
1、允许偏差见下表(GB50202-2002第6.3.4条)。
土方路基填筑工程施工原始记录施工单位:XXXX工程有限公司监理单位:XXXX监理有限公司项目名称:土方路基填筑工程工程地址:XXXXXX工程概况:本土方路基填筑工程位于XXXXX,总用地面积为XXXX平方米,道路总长度为XX千米。
工程起点为XXXX,终点为XXXX,共有XX个路段。
本工程的主要内容是对道路路基进行填筑加固,以提高道路的承载能力和平整度。
施工日期:2024年XX月XX日施工天气:XX℃,多云施工人员:1.施工队长:XXX2.机械操作员:XXX3.劳务工人员:X名施工设备:1.推土机型号:XX2.振动压路机型号:XX1.施工准备阶段:-施工队伍按照施工计划到达现场,按要求进行施工区域的标定,并设立施工警示牌。
-检查施工所需的机械设备,确保其正常运转,并进行必要的维护保养工作。
-抽查劳务工人员的劳动防护用品是否齐全,进行安全教育和交底工作。
2.路基平整工作:-使用推土机对道路路基进行平整,清除路基上的杂物和障碍物。
-推土机进行多次的来回平整,确保路基平整度和纵横坡满足设计要求。
-对路基进行测量和检查,确保达到规定的宽度、高度和坡度要求。
3.路基填筑工作:-使用推土机将填料运送至道路路基,保持填筑面的平整。
-按照设计要求和层均厚的原则进行填筑,每层填筑后进行均匀压实。
-使用振动压路机对填筑层进行多次的压实,确保填筑层的密实度和稳定性。
-对填筑过程中出现的问题进行及时处理,如填筑材料不足、填筑层不平整等情况。
-对填筑层的厚度、平整度进行抽检,确保达到设计要求。
-对压实度进行抽测,记录每次压实工艺参数和结果,确保压实质量合格。
-定期对施工现场进行检查,确保施工现场的秩序和安全。
-对施工过程中发现的问题及时进行整改,并进行记录。
5.安全生产管理:-制定安全生产计划,并组织安全人员对施工现场进行巡查。
-警示标志、警戒线和安全设施设置完善,确保施工现场的安全。
-对劳务工人员进行安全教育和培训,加强施工作业人员的安全意识。
土方回填施工检查记录1土方回填施工检查记录1一、施工单位:________二、工程名称:________三、施工地点:________四、施工日期:________检查对象:检查内容:检查结果:处理意见:五、检查员:_______单位:_______六、施工单位措施情况1.施工单位是否按照设计要求进行回填施工?-是:_______-否:_______如果是,请继续填写以下内容;如果否,请填写处理意见部分。
-压缩土:_______-膨胀土:_______-填方土:_______-其他:_______3.是否按照要求进行分层回填?-是:_______-否:_______如果是,请填写以下内容;如果否,请填写处理意见部分。
4.每层回填土方的厚度和密实度是否符合要求?- 厚度:_______(cm)-密实度:_______(%)如果符合,请说明具体数值;如果不符合,请填写处理意见部分。
5.是否对每层回填土方进行湿润处理?-是:_______-否:_______如果是,请填写以下内容;如果否,请填写处理意见部分。
6.是否按照要求进行振动加固处理?-是:_______-否:_______如果是,请填写以下内容;如果否,请填写处理意见部分。
7.振动加固处理的方式和时间是否符合要求?-时间:_______如果符合,请说明具体方式和时间;如果不符合,请填写处理意见部分。
八、处理意见:1.填方土方不符合设计要求,建议施工单位重新选择填方土方,并进行合适的处理措施。
2.回填土方厚度未达到要求,建议施工单位增加回填土方的厚度,并重新进行密实工作。
3.湿润处理未进行,建议施工单位对回填土方进行适当的湿润处理,以提高土方的密实度。
4.振动加固处理方式和时间不符合要求,建议施工单位根据设计要求进行适当的振动加固处理。
九、检查结果:1.检查结果:-合格:_______-不合格:_______2.不合格原因:_______十、施工单位的整改情况:1.施工单位是否进行了整改?-否:_______2.整改情况说明:_______十一、建设单位意见:建设单位检查意见:_______十二、备注:。
道真至瓮安高速公路清理与掘除现场原始记录承包单位:合同号:注:清理总面积(需注明清理宽度、长度,列出具体计算式)道真至瓮安高速公路拆除工程原始记录承包单位:合同号:注:1、拆除工程要有拆除前、中、后的图像反映,不参与评定;2、拆除总面积或方量要画出简图,标注主要结构部位尺寸,并列出计算式,当该表计算图式附不下时,另加附件;道真至瓮安高速公路挖除非适用材料原始记录承包单位:合同号:DLJ-04贵州公路建设项目道真至瓮安高速公路路堤施工原始记录承包单位:合同号:注:1、压实度每100m范围内至少三点;2、每100m路段挖填交界处或施工段分界处为填表段落。
DLJ-05贵州公路建设项目道真至瓮安高速公路路基填方分层压实资料汇总表承包单位:合同号:施工现场技术负责人:制表:监理员:日期:DLJ-06贵州公路建设项目道真至瓮安高速公路填土(石)路堤现场检查记录承包单位:合同号:施工现场技术负责人:记录:监理员:日期:DLJ-07贵州公路建设项目道真至瓮安高速公路路堑施工原始记录承包单位:合同号:注:1、压实度每100m三点;2、每100m路段挖填交界处或施工段分界处为填表段落道真至瓮安高速公路路槽施工原始记录承包单位:合同号:道真至瓮安高速公路路基边坡坡度检查原始记录承包单位:合同号:施工现场技术负责人:记录:复核:监理员:日期:DLJ-10贵州公路建设项目道真至瓮安高速公路路基宽度检测原始记录承包单位:合同号:道真至瓮安高速公路施工期路基沉降原始记录承包单位:合同号:施工现场技术负责人:记录:监理员:日期:道真至瓮安高速公路侧向位移原始记录承包单位:合同号:施工现场技术负责人:记录:监理员:日期:DLJ-13贵州公路建设项目道真至瓮安高速公路路基填筑高程、宽度、厚度原始记录承包单位:合同号:施工现场技术负责人:记录:监理员:日期:DLJ-14贵州公路建设项目道真至瓮安高速公路回弹弯沉值检测记录承包单位:合同号:施工现场技术负责人:计算:监理员:日期:道真至瓮安高速公路路基、路面压实度检测汇总承包单位:合同号:监理单位:编号:注:1、距路槽顶面高度表示方法:路槽以下为负,路槽以上为正;2、检测方式在备注栏中注明。