盖冒垫片模具设计
- 格式:doc
- 大小:528.00 KB
- 文档页数:45
目录前言 (4)摘要 (5)绪论 (5)产品零件图 (7)1.冲裁工艺设计 (7)1.1 冲压工艺分析 (7)1.2 冲压工艺方案的确定 (8)2. 主要的设计计算2.1 排样方式的确定及其计算方法 (9)2.2 条料宽度,送进步距,导料板间距的计算 (10)2.3 冲压力的计算 (11)2.4 压力中心的计算 (11)2.5 工作零件刃口尺寸的计算 (11)3 .凸、凹模人口尺寸计算的依据和原则3.1 尺寸计算原则 (12)3.2 模具刃口尺寸的计算 (12)4 .模具的总体设计 (19)4.1 模具类型的选择 (15)4.2 定位方式的选择 (15)4.3 卸料方式和出件方式的选择 (15)4.4 推件与顶件装置 (16)4.5 橡胶的选用与计算 (16)4.6 模架及零部件的设计 (19)4.6.1 凹模形状及尺寸的计算 (17)4.6.2 凸模固定板和垫板 (19)4.6.3 凸凹模 (19)4.6.4 凸模的设计 (19)4.6.5 卸料板的设计 (20)4.6.6 卸料螺钉和的选用 (20)4.6.7 紧固件的选择 (20)4.6.8 顶件块的设计 (20)4.6.9模架和模柄的选择 (20)5.其它模具结构零件 (21)6. 选择模架规格 (22)7. 压力机的选用 (23)8. 模具总装图及工作原理 (24)9. 设计总结 (26)10. 感谢信 (27)参考文献 (28)前言冲压技术广泛应用于航空、汽车、电机、家电、通信等行业的零部件的成形的加工。
据国际生产技术协会预测,到本世纪中,机械零部件中60%的粗加工、80%的精加工要有模具来完成加工。
因此,冲压技术对发展生产、增加效益、更新产品等方面具有重要作用。
目前,我国冲压技术与先进工业发达国家相比还相当落后,主要原因是我国在冲压基础理论及成形工艺、模具标准化、模具设计、模具制造工艺及设备等方面与工业发达国家尚有相当大的差距,导致我国模具在寿命、效率、加工精度、生产周期等方面与先进工业发达国家的模具相比差距相当大。
模具毕业设计54盖冒垫片设计五金模具毕业设计五金模具是用于生产五金制品的工具,其设计对于制品的质量和效率都具有重要的影响。
本文以54盖冒垫片设计为例,详细介绍了五金模具毕业设计的过程和要点。
一、设计需求分析1.1产品需求分析冒垫片是一种防尘密封零件,广泛应用于机械设备和仪器仪表中。
本次设计的54盖冒垫片由橡胶材质制成,用于汽车引擎和机械设备的密封件,要求具有耐高温、耐油和耐磨损的特性。
1.2模具需求分析根据产品需求,设计的模具需要满足以下要求:(1)模具结构简单,易于加工和维修。
(2)模具生产周期短,成本低。
(3)模具加工精度高,能够满足产品的质量要求。
(4)模具设计符合工艺要求,能够实现自动化生产。
二、设计过程和要点2.1模具结构设计根据产品样品,分析其结构特点,确定模具的结构形式。
由于冒垫片形状简单,可选用平面模具结构。
同时,根据冒垫片的尺寸要求,确定模具的最小内外径和厚度等关键参数。
2.2模具材料选择模具材料应具备高强度、高硬度、耐磨损和耐腐蚀等特性。
根据模具的工作环境和要求,可以选择优质合金工具钢或耐磨材料作为模具材料。
2.3模具加工工艺设计根据模具的结构和材料特性,设计合理的加工工艺,包括模具的开发、车、铣、钻、磨等工艺步骤。
同时要注意加工的顺序和方法,确保模具的质量和生产效率。
2.4模具装配和调试完成模具零部件的加工后,进行装配和调试。
装配过程中需要注意零件之间的配合精度和加工余量,确保模具的工作精度和稳定性。
调试时需要进行模具的试模和数模,对模具进行调整和修正,以满足产品的要求。
2.5模具表面处理为了提高模具的使用寿命和性能,需要对模具表面进行处理,例如热处理、表面硬化或涂层等。
根据实际情况选择合适的表面处理方法,提高模具的耐磨性和硬度。
2.6模具检验和验收完成模具制造后,进行模具的检验和验收。
通过对模具的外观、尺寸、开模和合模等性能进行测试和检查,确保模具符合设计和质量要求。
三、设计结果和展望通过以上设计过程,完成了54盖冒垫片的五金模具设计。
垫片模具设计标准要求是什么
垫片模具设计标准要求包括以下几个方面。
1. 材料选择:垫片模具一般采用耐磨性好、热稳定性强的金属材料,如硬质合金、工具钢等。
选择合适的材料可以确保模具的使用寿命和性能。
2. 尺寸和公差要求:垫片模具的尺寸和公差要符合相关产品的要求。
在设计过程中,需要根据产品的尺寸、形状和用途等因素进行合理的尺寸设计,并保证公差范围内的精度要求。
3. 结构设计:垫片模具的结构设计应简洁、合理,易于加工和使用。
模具的开放方式和撞击方向等因素应考虑到材料的破坏性和安全性。
4. 寿命要求:垫片模具在使用过程中需要经受高温、高压等恶劣条件,因此应具备较长的使用寿命。
设计时需要选择耐磨、耐腐蚀的材料,并考虑到模具的使用频率、维护保养等因素。
5. 加工工艺要求:垫片模具的加工工艺应合理,选用适当的加工方法和设备,保证模具的精度和表面质量。
同时,还需考虑到加工难度、加工成本和加工周期等因素。
6. 模具标准件的选用:垫片模具中常使用一些标准件,如导柱、导套、吸塞等。
在设计时要选择合适的标准件,并合理配置,以便于加工和维护。
7. 维护保养要求:垫片模具在使用过程中需要定期进行维护和保养,以保证其正常运行和延长使用寿命。
设计时需要考虑到模具的易维护性,如易拆卸、易更换等。
总之,垫片模具设计标准要求包括材料选择、尺寸和公差要求、结构设计、寿命要求、加工工艺要求、模具标准件的选用和维护保养要求等方面,以确保模具的质量和性能。
冲压模具盖帽冲压工艺与模具设计冲压模具盖帽冲压工艺与模具设计冲压模具盖帽冲压工艺是一种将金属材料通过冲压工艺进行模压成型的技术。
冲压模具盖帽的应用领域非常广泛,例如汽车、家电、电子器件等许多领域中都会有其存在。
冲压模具盖帽的制造必须经过工艺和模具设计两个环节,这两个环节的工作都非常重要。
一、冲压模具盖帽冲压工艺冲压工艺是指把金属片材通过备有模具的压力机进行模压加工的一种技术。
与其他加工方法相比,冲压工艺有如下优点:1. 高性价比:冲压模具盖帽冲压工艺制造成本较低,且一次性可生产大批量产品,因而经济性较高。
2. 精度高:采用冲压工艺,制品的精度可降至0.01mm左右,比其他加工方法误差要低得多,适合制造高精度的工件。
3. 不污染环境:冲压工艺不需要用到切削液等润滑剂,因此不会对环境造成污染。
4. 适用性广:冲压工艺适用于许多金属材料的加工,如混合钢、铜、铝等。
二、冲压模具盖帽模具设计冲压制造中的模具设计是非常关键的一个环节,直接决定了最后产品所得的准确度、质量和成本。
具体的设计要素如下:1.质量要求:盖帽冲压模具置性能要耐磨耐腐蚀,这样可以保证模具寿命与加工品质良好。
2. 厚度要求:由于冲压加工时,材料会受到模具的压力,所以在模具设计时要根据材料的性质来合理设定模具的结构与压力大小等参数。
如果材料在冲压过程中过于脆弱,则需要减少模具结构的切削面积或增加压力的大小。
3. 加工精度要求:冲压技术要求高精度,因此模具的设计必须也具备这方面的要求。
模具要符合产品的精度要求,最好在设计模具时就尽量考虑材料的变形率、冷却和热处理等因素,以尽量保证最大精度。
4. 冷却水系统:完全不同的金属材料具有完全不同的加工特性,在使用时要根据不同材料的特性,选择适合材料的冷却机具,达到最佳的冷却效果和加工效率。
综上所述,盖帽冲压模具制造的技术优点是多方面的,也非常适合应用在各种金属材料的加工中。
当然非常重要的一点是在制造盖帽冲压模具时要进行恰当的设计,并使用合适的工艺,以保证产品质量和性价比方面的优势。
垫片冲压模具设计垫片冲压模具设计是一门基于模具设计与制造综合实践的专业课程。
垫片是一种在机械设备中作为密封或填充材料使用的薄片状零件。
垫片冲压模具是用于制造垫片的特定模具,其设计与制造过程需要综合考虑材料、工艺、结构等因素。
1.材料选择:垫片常用的材料有橡胶、塑料、金属等。
根据具体使用要求,选择合适的材料,并了解其特性,以确保在模具设计中考虑到材料的可行性和适用性。
2.工艺分析:在制造垫片冲压模具之前,需要对工艺进行全面分析。
包括模具设计、工序安排、工艺流程等方面,以便评估整个制造过程的可行性和效率。
3.结构设计:垫片冲压模具的结构设计是模具设计过程中的关键环节。
要考虑模具的尺寸、形状、接触面等方面的要求,确保模具能够准确、稳定地制造垫片产品。
4.特殊要求:根据实际需求,垫片冲压模具的设计中可能有一些特殊要求,如凸台、切向锥度等。
这些要求需要在设计过程中充分考虑,以确保模具能够满足用户的需求。
在制造垫片冲压模具过程中,需要采用一系列的工艺和设备。
例如,数控加工中心可以进行模具零件的精确加工;线切割机可以进行模具的外形加工;电火花机可用于模具的毛白加工等。
此外,还需要根据具体要求来选择相应的模具材料,如各种不锈钢、工具钢等。
垫片冲压模具设计与制造综合实践是一门需要综合运用多学科知识的专业课程。
学生需要在模具设计、材料学、机械加工等方面具备一定的基础知识。
通过实际操作,学生能够熟练掌握垫片冲压模具的设计原理、制造步骤和操作技巧,培养学生的实践能力和创新意识。
总之,垫片冲压模具设计是一门综合实践性强的专业课程,需要学生在实际操作中综合运用多学科知识和技能。
通过学习和实践,能够培养学生的模具设计和制造能力,为相关企业提供专业化的技术支持。
垫片模具设计说明书与案例1. 引言本文档旨在提供关于垫片模具的设计说明书及相关案例分析。
垫片模具是工业领域中常用的一种模具,用于生产各种尺寸和形状的垫片。
设计一个高质量的垫片模具对于提高生产效率和保证产品质量非常重要。
在本文档中,我们将介绍垫片模具的设计原理和步骤,并通过一个实际案例进行详细说明。
2. 垫片模具设计原理垫片模具的设计主要涉及以下几个方面:2.1 垫片材料选择垫片通常采用橡胶、塑料或金属等材料制造。
根据具体应用场景的需求,选择合适的材料至关重要。
例如,在高温环境下,应选择耐高温的材料,而在耐腐蚀的场景下,应选择耐腐蚀的材料。
2.2 垫片形状设计垫片可以有不同的形状,如圆形、方形、椭圆形等。
根据产品的实际需要和设计要求,确定垫片的形状。
同时,还需考虑垫片与相邻零件的匹配度和密封性。
2.3 模具结构设计垫片模具的结构设计直接影响到模具的使用寿命和生产效率。
关键要素包括模具的尺寸、开槽位置、卡簧设计等。
通过合理的设计,可以提高模具的稳定性和可靠性。
3. 垫片模具设计步骤3.1 模具设计需求分析在进行垫片模具的设计之前,首先需要进行需求分析。
明确设计的目标与要求,以及使用场景和性能要求。
3.2 模具设计参数确定根据垫片的材料、尺寸和形状等要求,确定模具的设计参数。
包括模具的外形尺寸、开槽位置、卡簧设计等。
3.3 模具结构设计根据需求和参数,进行模具的结构设计。
优化模具的布局和结构,提高垫片的生产效率和产品质量。
3.4 模具制造和调试根据设计图纸和工艺要求,进行模具的制造和调试。
确保模具的质量和使用性能符合设计要求。
4.1 案例背景我们现在以一个汽车发动机垫片模具的设计案例来进行分析。
汽车发动机垫片的主要材料是金属,形状为椭圆形。
4.2.1 模具需求分析根据汽车发动机垫片的使用要求,确定模具需要具备高温和高压的耐受能力,以及良好的密封性能。
4.2.2 模具参数确定根据垫片的尺寸和形状要求,确定模具的外形尺寸和开槽位置。
毕业论文-垫片冲压模具设计垫片冲压模具是制造垫片零件的重要工具,在汽车、电子、机械等行业应用广泛。
设计一款适合垫片冲压的模具需要考虑到材料、结构、工艺等多个方面,下面就这些方面进行详细的介绍。
一、材料选择垫片冲压模具的材料选择首先要考虑到模具的寿命和使用寿命,需要具有高强度、高硬度、高耐磨性等特点。
模具常采用的材料有合金工具钢、高速钢和硬质合金等,其中合金工具钢是应用最广泛的一种。
二、结构设计1.模具布局设计:模具布局的一般形式有平板式、板式、架子式和空心柱式。
平板式最为简单,板式最为常见,架子式适用于大型冲压,空心柱式适用于较小型号的模具。
在垫片冲压模具设计中常用的是平板式和板式。
2.上下模构造:上下模构造有下料式和未下料式。
下料式是在工件完成冲压后,由人工或机器将工件从模具中取出。
未下料式是将工件通过使用顶出机构或顶针来自动顶出,减轻操作工人的劳动强度。
3.导向和定位:导向和定位是模具中非常重要的一部分,它直接关系到工件成型精度及模具的寿命。
导向方式一般有滑动导向与针式导向两种,定位方式主要有心轴定位与浮动定位两种。
三、工艺设计冲压工艺流程是垫片冲压模具设计的基础,其具体步骤包括材料选择、裁剪、压边、冲孔等。
材料选择需要根据实际应用情况来选择,裁剪需要考虑到模具的准确度及设备的可操作性,压边需要设置不同形状的模具,在冲孔时需要确定合适的孔径和孔距,从而保证冲出来的垫片符合要求。
四、模具维修模具的维修可以延长模具的使用寿命,其主要工作包括模具清洗、磨损修复、破损修复等。
模具清洗是延长模具使用寿命的一项基础工作,每次使用后需要将模具清洗干净。
磨损修复可以采用加料复磨、补焊修补、砂轮磨削等方式,破损修复可以采用补焊、更换零部件等方式进行修复。
五、总结综上所述,垫片冲压模具设计需要考虑多个方面,例如材料选择、结构设计、工艺设计和模具维修等。
只有科学合理地设计和制造冲压模具,才能提高工作效率、降低成本和提高产品质量。
帽盖冲压工艺及模具设计引言帽盖冲压工艺是一种常用的金属加工方法,广泛应用于食品、饮料、医药等行业的包装领域。
帽盖具有保护和密封产品的功能,其质量和性能对产品的安全和质量起着至关重要的作用。
因此,帽盖冲压工艺及模具设计至关重要。
本文将介绍帽盖冲压工艺及模具设计的一般步骤和要点,帮助读者了解帽盖冲压工艺,并能够根据具体需求设计适用的模具。
帽盖冲压工艺概述帽盖冲压工艺一般包括以下几个步骤:1.材料准备:选择合适的金属材料,通常是铝合金、不锈钢等,进行切割和修边,以确保材料符合要求。
2.模具设计:根据帽盖的形状和尺寸要求,设计合适的冲压模具,包括上模、下模、模板等。
3.模具制造:根据模具设计图纸,制造模具的各个部分,包括模具底板、导向柱、模具孔、模具凸模等。
4.冲压工艺参数设定:确定冲压机的工作速度、冲头深度和冲裁次数等参数,以确保冲压过程的稳定性和产品的一致性。
5.冲压生产:将材料放入冲压机中,并根据设定的参数进行冲压操作,完成帽盖的成型。
6.检验与组装:对冲压成品进行质量检验,包括尺寸、密封性能和表面质量等指标,合格的帽盖进行清洗和包装。
模具设计要点模具设计是帽盖冲压工艺的关键环节,合理的模具设计可以确保产品的质量和生产效率。
以下是一些模具设计的要点:1.模具材料选择:模具材料应具有足够的硬度和耐磨性,常用的模具材料有合金工具钢和硬质合金等。
2.模具结构设计:根据帽盖的形状和尺寸要求,设计合适的模具结构,包括上模、下模、模板和导向柱等。
3.冲头设计:冲头是模具的重要组成部分,其形状和尺寸应与帽盖的内外形状相适应,以确保冲压加工的准确性和一致性。
4.模具开发设计:对于大批量生产的帽盖,可以考虑开发多腔模具,以提高冲压的效率和生产能力。
5.模具寿命评估:模具在使用过程中会受到磨损和疲劳的影响,因此需要评估模具的寿命,及时进行维修和更换。
帽盖冲压工艺的优点帽盖冲压工艺具有以下几个优点:1.高生产效率:帽盖冲压工艺能够快速、连续地完成帽盖的成型,适用于大规模生产。
课题任务书系:专业:答辩资格审查表注:此表中内容综述由学生填写,资格审查项目由指导教师填写。
评阅评语表摘要本次设计了一套冲孔,落料的模具。
经过查阅资料,首先要对零件进行工艺分析,经过工艺分析和对比,采用冲孔落料工序,通过冲裁力,顶件力,卸料力等的计算,确定压力机的型号。
在分析对冲压件加工的模具适用类型选择所需的模具。
得出将设计的模具类型后将模具的各个工作零件部件的设计过程表达出来。
在文档中第一部分,主要叙述了冲压模具的发展状况,说明了冲压模具的重要性与本次设计的意义,接着是对冲压件的工业分析,完成了材料利用率的计算。
在进行冲裁工艺力的计算和冲裁模工作部分的设计计算,对选择冲压设备提供依据。
最后是对主要零部件的选择。
本次设计阐述了冲压落料复合模的结构设计及工作过程。
本模具性能可靠,运行平稳,提高了产品质量和生产效率,降低劳动强度和生产成本。
关键字:冲压:落料冲孔:复合模:模具结构ABSTRACTThe design of a punching, blanking die. Through access to information, we must first process the parts analysis, technology analysis and comparison by using the punch blanking process, through the blanking force, the top pieces of force, discharge force of the calculations to determine the type presses. In the analysis of the stamping process to select the desired type of mold for the mold. Types obtained after the design of the mold die parts of the various working parts of the design process of expression.In the first part of the document, the main account of the development of stamping die, stamping die shows the importance and significance of this design, then is the stamping industry analysis, completed the material utilization rate calculation. Calculation of force during the blanking process and the work of some of blanking die design calculation, provide the basis for the selection of stamping equipment. Finally, the choice of the main components.The design described blanking compound die stamping design and working process.Reliable performance of the mold, smooth operation, improved product quality and production efficiency, reduce labor intensity and production costs.Keywords: Stamping: Blanking punch: Compound Die: die structure目录摘要abstract1 前言 (1)1.1冲压的概念、特点及应用 (1)1.2冲压的基本工序及模具 (2)1.3冲压技术的现状及发展方向 (3)2 零件工艺性分析 (7)3.拉深工艺及拉深模有设计 (8)设计要点 (8)3.1有凸缘圆筒形件的拉深方法及工艺计算 (8)3.2宽凸缘圆筒形件的工艺计算要点 (9)3.3、拉深凸模和凹模的间隙 (10)3.4拉深凸模,凹模的尺寸及公差 (10)3.5凹模圆角半径RD (11)3.6凸模圆角半径R P (12)4、冲裁工艺及冲裁模具的设计 (13)4.1、凸模与凹模刃口尺寸的计算 (13)4.2、凸、凹模刃口尺寸的计算方法 (13)4.3落料和冲孔。
目录第1章垫片图纸及技术要求1.1零件图1.2技术要求第2章冲压工艺与模具设计2.1冲裁的工艺分析2.2确定冲裁工艺方案及模具结构形式2.3冲压模具的设计计算2.3.1排样方式的确定及其计算2.3.2冲压力的计算2.3.3压力中心的确定及相关计算2.3.4模具刃口尺寸计算2.3.5确定各主要零件的外形尺寸2.4绘制冲模总装图第3章主要零件及其他零件设计选取3.1 主要零件设计3.1.1 工作零件结构设计3.1.2 定位零件设计3.2 其他零部件结构设计3.2.1导料板的设计3.2.2卸料部件的设计3.2.3推件装置3.2.4模架的选择3.2.5其他标准件的选择第5章结论参考文献第1章垫片图纸及技术要求工件名称:垫片工件简图:如图所示。
材料:Q235材料厚度:1.5mm技术要求:零件的精度要求公差等级均为IT110 标准公差表注:基本尺寸小于1mm时,无IT14至IT18。
第2章冲压工艺与模具设计此工件只有落料和冲孔两个工序。
材料为Q235,具有良好的冲压性能,适合冲裁。
工件结构相对简单,有两个φ10mm的孔;孔与孔、孔与边缘之间的距离也满足要求,最小壁厚为6mm(φ10mm的孔与R10mm外圆之间的壁厚)。
此零件厚度小,形状简单,要求设计的模具具有高精度和高成型效率。
,普通冲裁完全能满足要求。
该工件包括落料、冲孔两个基本工序,可有以下三种工艺方案:方案一:先落料,后冲孔。
采用单工序模生产。
方案二:落料-冲孔复合冲压。
采用复合模生产。
方案三:冲孔-落料级进冲压。
采用级进模生产。
方案一模具结构简单,但需两道工序两副模具,成本高而生产效率低,难以满足中批量生产要求。
方案二只需一副模具,工件精度要求高,生产批量大,表面要求平整,并且零件的几何形状简单对称,模具制造也并不困难。
方案三也只需一副模具,生产效率高,操作方便,但工件的精度要求不容易满足。
通过对上述三种方案的分析比较,该件的冲压生产采用方案二为佳。
垫片冲压工艺与模具设计垫片冲压工艺是一种常见的金属加工方法,广泛应用于汽车制造、电子设备、机械制造等领域。
垫片通常是指金属材料经过冲压成型,用于填补零部件之间的间隙,起到密封、减震、防尘等功能。
垫片冲压工艺的步骤一般包括材料选取、模具设计、冲压工艺分析、冲压成型、切割、装配等。
其中,模具设计是垫片冲压工艺中最关键的环节之一模具设计的目的是实现垫片的快速、高效、准确的成型。
下面将介绍几个与模具设计相关的要点和技巧。
首先,对于垫片的材料选取,需要根据实际需求选择合适的材料。
通常使用的材料有碳钢、不锈钢、铝合金等。
不同材料的强度、韧性、导电性等特性不同,需要根据具体的使用环境和要求进行选择。
其次,对于模具结构的设计,需要根据垫片的几何形状和尺寸来确定。
一般来说,模具需要包括上模、下模、导向装置、顶针、剪切装置等部件。
模具的设计要考虑到成本、加工效率、模具寿命等方面的因素,力求实现最佳的性价比。
另外,模具设计需要考虑到冲压工艺中的一些特殊问题。
例如,对于大面积垫片的冲压,需要考虑到板料的变形和冲床的承载能力。
此外,还需要针对不同的工艺要求,设计合适的冲床行程、冲压力、冲头尺寸等参数。
此外,垫片冲压工艺中还需要进行模具的冷却、润滑等处理。
模具的冷却可以通过在模具设计中设计出合适的冷却水道来实现,以提高模具的使用寿命和冲压效果。
对于润滑问题,可以使用合适的润滑油或润滑脂,以降低模具磨损和冲压力。
总之,垫片冲压工艺与模具设计密切相关。
通过合理设计模具结构,选择合适的材料和冲压工艺参数,可以实现高效、准确、可靠的垫片冲压成型。
同时,还需要在模具制造和冲压过程中注意模具的冷却、润滑等问题,以保证垫片的质量和生产效率。
垫片模具课程设计一、课程目标知识目标:1. 学生能理解垫片模具的基本概念、分类及在工程中的应用。
2. 学生能够掌握垫片模具的设计原理和步骤,包括尺寸计算、材料选择等。
3. 学生能够了解垫片模具的加工工艺及其对产品质量的影响。
技能目标:1. 学生能够运用所学知识,独立完成垫片模具的设计和计算。
2. 学生能够运用CAD等软件绘制垫片模具的示意图,并进行简单的模具加工。
3. 学生能够通过实验和操作,分析模具使用过程中可能存在的问题,并提出改进方案。
情感态度价值观目标:1. 学生培养对模具设计及制造业的热爱,提高对工程技术的兴趣。
2. 学生树立正确的质量观念,认识到精细设计和精确加工的重要性。
3. 学生在团队协作中培养沟通、交流和解决问题的能力,增强合作意识。
课程性质:本课程为模具设计与制造方向的实践课程,注重理论知识与实际操作的结合。
学生特点:学生已具备一定的机械基础知识和模具设计原理,具有一定的动手操作能力和创新意识。
教学要求:结合课本内容,注重理论与实践相结合,以案例分析和实验操作为主,培养学生的实际操作能力和解决问题的能力。
将课程目标分解为具体的学习成果,便于教学设计和评估。
二、教学内容1. 垫片模具基础知识:- 垫片模具的定义、分类及其应用场景。
- 垫片模具的结构组成、工作原理及设计要求。
2. 垫片模具设计原理:- 垫片模具设计的基本步骤和方法。
- 尺寸计算、公差分析及材料选择。
- 垫片模具强度、刚度和稳定性计算。
3. 垫片模具加工工艺:- 常见垫片模具加工方法及特点。
- 加工工艺参数的选取及对产品质量的影响。
- 模具加工中的质量控制措施。
4. 垫片模具CAD/CAM技术:- CAD软件在垫片模具设计中的应用。
- CAM软件在模具加工中的应用。
- 垫片模具三维建模、图形绘制及程序生成。
5. 实践教学:- 案例分析:分析典型垫片模具设计案例,提炼设计方法和技巧。
- 实验操作:学生分组进行垫片模具设计和加工实验,巩固理论知识,提高实际操作能力。
目录目录..................................................... I II 前言.. (1)第一章工艺设计............................. 错误!未定义书签。
1.1零件介绍................................ 错误!未定义书签。
1.2零件工艺性分析 (1)1。
3工艺方案的确定 (1)第二章排样设计 (3)2.1毛坯排样设计 (3)2。
2材料的利用率 (5)第三章工艺计算 (6)3。
1冲压工艺力的计算 (6)3。
1。
1冲裁力计算 (6)第四章模具总体概要设计 (9)4。
1模具概要设计 (9)4。
2模具零件结构形式确定 (9)4.2。
1 定位机构 (10)4。
2。
2 卸料机构 (10)4。
2.3 导向机构。
(11)第五章模具详细设计 (12)5。
1工作零件 (12)5。
1.1冲裁凸、凹模刃口尺寸计算 (12)5。
1。
2凸模高度设计 (14)5.1.3定位零件 (15)5。
1。
4 挡料零件 (15)5.2出件零件 (15)5。
2.1 卸料零件 (15)5.3。
2 顶件零件 (16)5.3导向零件 (16)5.4其他零件 (17)第六章设备选择 (18)6。
1设备吨位确定 (18)6。
1.1设备类型的选择 (18)6。
1。
2设备规格的选择 (18)6。
2设备校核 (19)6.2。
1。
压力行程 (19)6。
2.2。
压力机工作台面尺寸 (19)结论 (20)参考文献 (21)致谢 (22)前言随着现代化工业的发展,越来越多的产品依赖模具加工, 模具工业已成为工业发展的基础。
模具质量好坏直接影响产品的质量, 模具的质量不仅表现在制造质量,也表现在安装调整维护保养等方面的后续工作质量.因此,在模具在加工过程和质量控制中, 要采取相应的措施, 杜绝类似事故的发生.第一章工艺设计图1.1垫片零件图1.2 零件工艺性分析零件尺寸:图中零件的标注公差的为IT12级精度,其余未注由图中技术要求可知为IT14级,零件的尺寸较小,成形的位置较为紧凑,成形比较简单.零件材料为10钢钢,有很良好的塑性,料厚为1mm属薄料,冲压性能良好。
案例一:垫片的模具设计
图示冲裁件,材料为Q235,厚度为1mm ,大批量生产,试确定冲压工艺方案及设计一套模具。
1.工艺性分析
(1)材料
Q235钢板属于普通碳素钢,查附表1可知,其屈强比小,延伸率较高,具
有良好的冲压性能。
(2)工件结构形状
该冲件结构简单,转角处有R2的圆角,有利于工作零件的加工及使用寿命。
(3)尺寸精度
零件除孔心距尺寸12 0-0.11的公差为IT11级外,内、外形尺寸均未标注公差,属自由尺寸,可按IT14级确定工件尺寸的公差。
结论:适合冲裁。
二、工艺方案确定
该零件只需一道落料工序即可加工成型。
三、排样
查表:取搭边a=1 a1=0.8
条料宽度:
4.004.000max 0
5.32)5.0230()2(--∆-∆-=++=++=Z a D B 查有关手册得:Z=0.5 Δ=-0.4
画排样图如下:。
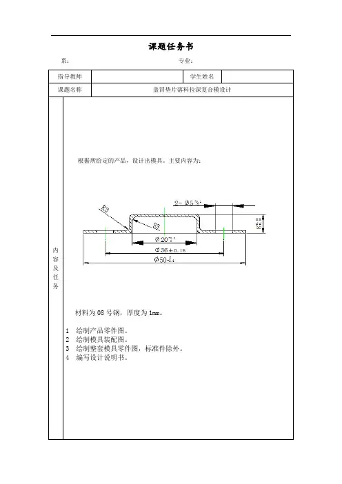
盖冒垫片模具设计目录一、工件工艺性分析 (3)二、拉深工艺及拉深模有设计 (3)1、设计要点 (3)2、有凸缘圆筒形件的拉深方法及工艺计算 (4)3、宽凸缘圆筒形件的工艺计算要点 (5)4、拉深凸模和凹模的间隙 (6)5、拉深凸模,凹模的尺寸及公差 (7)6、凹模圆角半径 rd (8) (8)7、凸模圆角半径rp三、冲裁工艺及冲裁模具的设计 (9)1、凸模与凹模刃口尺寸的计算 (9)2、凸、凹模刃口尺寸的计算方法 (9)四、模具的其它零件 (14)五、主要组件的装配 (22)结束语 (25)致谢 (27)参考文献 (28)一、工件工艺性分析如右图1所示:工件为有凸缘圆筒形零件,且在凸缘上均匀分布4个相同的孔。
故可得知此工件为:落料拉深冲孔所得,其加工工艺过程为:落料-拉深-冲孔,各尺寸关系如图1所示二、拉深工艺及拉深模有设计1、设计要点设计确定拉深模结构时为充分保证制件的质量及尺寸的精度,应注意以下几点1)拉深高度应计算准确,且在模具结构上要留有安全余量,以便工件稍高时仍能适应。
2)拉深凸模上必须设有出气孔,并注意出气孔不能被工件包住而失去作用。
3)有凸缘拉深件的高度取决胜于上模行程,模具中要设计有限程器,以便于模具调整。
4)对称工件的模架要明显不对称,以防止上、下模位置装错,非旋转工件的凸、凹模装配位置必须准确可行,发防松动后发生旋转,偏移而影响工件质量,甚至损坏模具。
5)对于形状复杂,需经过多次拉深的零件,需先做拉深模,经试压确定合适的毛坯形状和尺寸后再做落料模,并在拉深模上按已定形的毛坯,设计安装定位装置。
6)弹性压料设备必须有限位器,防止压料力过大。
7)模具结构及材料要和制件批量相适应。
8)模架和模具零件,要尽是使用标准化。
9)放入和取出工件,必须方便安全。
2、有凸缘圆筒形件的拉深方法及工艺计算有凸缘筒形件的拉深原理与一般圆筒形件是相同的,但由于带有凸缘,其拉深方法及计算方法与一般圆筒形件有一定差别。
1)在凸缘拉深件可以看成是一般圆筒形件在拉深未结束时的半成品,即只将毛坯外径拉深到等于法兰边(即凸缘)直径d f时的拉深过程就结束。
因此其变形区的压力状态和变形特点应与圆筒形件相同。
根据凸缘的相对直径d f /d 比值同有凸缘筒形件可分为:窄凸缘筒形件(d f /d=1.1~1.4)和宽凸缘筒形件(d f /d>1.4)。
显然此工件d f /d=50/21=2.38>1.4为宽凸缘筒形件。
下面着重对宽凸缘件的拉深进行分析,主要介绍其与直壁筒形件的不同点。
当r p =r d =r 时(图2),宽凸缘件毛坯直径的计算公式为:r f d dh d 44.74D 2-+= (1)根据拉深系数的定义宽凸缘件总拉深系数仍可表示为:dr d h d d Ddm f 44.3/4)/(12-+==(2)3、 宽凸缘圆筒形件的工艺计算要点1)毛坯尺寸的计算,毛坯尺寸的计算仍按等面积原理进行,参考无凸缘筒形件毛坯的计算方法计算,毛坯直径的计算公式见式(1),其中d f 要考虑修边余量δ,其值可从《冲压工艺与模具设计》表4.22中查得δ=1.6mm 即d f =50+1.6=51.6mm 则D=5.3*21*44.77*21*46.512-+=54.75mm根据拉深系数的定义,宽凸缘件总拉深系数仍可表示为:M=38.0475.521==D d 2)判断工件是否一次拉成,这只须比较工件实际所需的总拉深系数和h/d 与凸缘件第一次拉深系数和极限拉深系数的相对高度即可。
m总>m 1,当1,h/d ≤h 1/d 1时可以一次拉成,工序计算到此结束,否则应进行多次拉深。
m 总=0.38 h/d=217=0.33。
由《冲压工艺与模具设计》表4.2.6查得此凸缘件的第一次拉深系数m 1=0.37。
由表4.2.7查得此凸缘件的第一次拉深最大相对高度h 1/d 1=0.28~0.35之间,可知m总>m 1,h/d ≤h 1/d 1可一次拉成。
4、拉深凸模和凹模的间隙拉深模间隙是指单面间隙,间隙的大小对拉深力,拉深件的质量,拉深模的寿命都有影响,若c 值大小,凸缘区变厚的材料通过间隙时,校正和变形的阻力增加,与模具表面间的摩擦,磨损严重,使拉深力增加,需件变薄严重,甚至拉破,模具寿命降低。
间隙小时得到的零件侧壁平直而光滑,质量较好,精度较高。
间隙过大时,对毛坯的校直和挤压作用减小,拉深力降低,模具的寿命提高,但零件的质量变差,冲出的零件侧壁不直。
因此拉深模的间隙值也应合适,确定c 时要考虑压边状况,拉深次数和工件精度高。
其原则是:即要考虑材料本身的公差,又要考虑板料的增厚现象,间隙一般都比毛坯厚度略大一些。
不用压边圈时,考虑到起皱的可能性取间隙值为:C=(1~1.1)tmax有压边圈时,间隙数值也可按表 4.6.3取值(《冲压工艺与模具设计》),此工件的拉深间隙可取,C=1.1t=1.1mm5、拉深凸模,凹模的尺寸及公差工件的尺寸精度由末次拉深的凸、凹模的尺寸及公差决定,因此除最后一道拉深模的尺寸公差需要考虑外,首次及中间各道次的模具尺寸公差和拉深半成品的尺寸公差没有必要做严格限制。
这是模具的尺寸只取等于毛坯的过渡尺寸即可。
此工件内形尺寸公差有要求,故以凸模为基准,先定凸模尺寸考虑到凸模基本不磨损,(其尺寸关系如图3所示)以及工件的回弹情况,凸模开始尺寸不要取得过大。
其值为:D p=(d+0.4Δ)-δp凸模尺寸为:D d=(d+0.4Δ+2C)+ δ d凸、凹模的制造公差δp和δd可根据工件的公差来选定。
工件公差为TT13级以上时δp和δd可按TT6~8级取,工件公差在IT14级以下时,则δp和δd可按IT10级取:D p=(20+0.4×0.2)0-0.021=20.080-0.021mmD d=(d+0.4Δ+2c)0+δd=(20+0.4×0.2+2×1.1)0+δd=22.280+0.021mm6、凹模圆角半径 rd拉深时,材料在经过凹模圆角时不仅因为发生弯曲变形需要克服弯曲阻力,还要克服因相对流动引起的磨檫阻力,所以r d大小对拉伸工件的影响非常大。
主要有以下影响:1)拉伸力的大小;2)拉伸件的质量;3)拉伸模的寿命。
r d小时材料对凹模的压力增加,磨檫力增大,磨损加剧,使磨具的寿命降低。
所以r d的值即不能太大,也不能太小。
在生产上一般应尽量避免采用过小圆角半径,在保证工件质量的前提下尽量取大值,以满足模具寿命要求。
通常可按经验公式计算:r d=t8.0(-D)d式中D为毛坯直径或上道工序拉深件直径;d为本道拉深后的直径r d 应大于或等于2t,若其值小于2t,一般很难拉出,只能靠拉深后整形得到所需零件,故可取r d=2.5mm7、凸模圆角半径r p凸模圆角半径对拉深工序的影响没有凹模圆角半径大,但其值也必须合格,一般首次拉深时凸模圆角半径为r p=(0.7~1.0)r d这里取r p =1.0r d=2.5mm三、冲裁工艺及冲裁模具的设计1、凸模与凹模刃口尺寸的计算冲裁件的尺寸精度主要决定于模具刃口的尺寸精度。
模具的合理间隙也要靠模具刃口尺寸制造精度来保证。
正确确定模具刃口尺寸及其制造公差,是设计冲裁模的主要任务之一。
从生产实践可发现:由于凸凹模之间存在间隙,使落下的料或伸出的孔却带有锥度,且落料件的大端尺寸等于凹模尺寸,冲孔件的小端尺寸等于凸模尺寸;在测量于使用中,落料件以大端尺寸为基准,冲孔件以小端尺寸为基准。
2、凸、凹模刃口尺寸的计算方法由于加工模具的方法不同,凸模与凹模刃口部分尺寸的计算公式与制造公差的标注也不同,刃口尺寸的计算方法可分为以下两种情况:凹模与凸模分开加工,凸模和凹模配合加工,从此工件的结构上分析,选择凸模与凹模分开加工的制造方法:采用这种方法,凸模和凹模分别按图纸加工至尺寸,要分别标注凸模和凹模的刃口尺寸及制造公差(凸模δp 、凹模δd ),适用于圆形或简单形状的制件。
为了保证初始间隙值小于最大合理间隙2Cmax ,必须满足下列条件:min max 22C C d p -≤+δδ或取: )22(4.0min max C C p -=δmin)2max 2(6.0c c d -=δ也就是说,新制造模具应该是max 22C C mia d p ≤++δδ,否则制造的模具部隙已超过允许变动范围2Cmin ~2Cmax,影响模具的使作寿命。
下面对落料和冲孔两咱情况分别进行讨论。
1)落料高工件的尺寸为D -0Δ,根据计算原则,落料时以凹模为设计基准。
首先确定凹模尺寸,凹模的基本尺寸接近或等于制件轮廓的最小极限尺寸,再减小凸模尺寸以保证最小合理间隙值2Cmin 。
名部分分配位置如图5(a )所示。
其计算公式如下d D D d δ+∆-=0max )( (3)pCn D p C D Dp d δδ0min max 0min )2()2(----=-= (4)代入数据得mmmmDd 03.0003.0096.54)46.075.046.075.54(++=⨯-+=mm dp C D Dp d 0019.00min 76.541.086.54)2(--=-=-=校核04.01.014.0049.0=->=+p d δδ;由此可知,只有缩小p δ、d δ,提高制造精度,才保证间隙在合理范围内,此时可取mm p 016.004.04.0=⨯=δ、mm d 024.004.06.0=⨯=δ,放得:mm D d 024.0086.54+=mm D p 0016.076.54-=2)冲孔设冲孔尺寸为∆+0d ,根居以上原则,冲孔时以凸模设计为基准,首先确定凸模刃口尺寸,使凸模基本尺寸接近或等于工件孔的最大极限尺寸,再增大凹模尺寸,凸模制造偏差为负偏差,凹模取正偏差,名部分分配位置如图5.b 所示,其计算公式如下:ddp d p cd c d d n d dp δδδ++-+∆+=+=∆+=0min min min 0min )2()2()(在同一工步制件上冲出两个以上孔时,凹模型孔中心距L d 按下式确定:p 125.0p)5.0(L L min d ±+=代入数据mm 11.5)15.075.0(5dp 0009.00009.0--=⨯+=mm 21.51.011.5d 015.00d +=+=校核满足间隙条件)(09.01.014.0024.0d p =-<=+δδ孔距尺寸: )mm0375.036(3.05.015.036(125.0)5.0(L L min d ±=⨯+-=∆±∆+=3)凹模洞的类形常用凹模洞口的类形如图6所示:图 6其中图a 、b 、c 为直筒式刃的凹模,其特点是制造方便,刃口强度高,刃磨后工作部分尺寸不变,广泛用于冲裁公差要求较小,形状复杂的精密制件。