生均占地面积及建筑面积统计表
- 格式:xlsx
- 大小:10.37 KB
- 文档页数:1
学校基本情况统计表
(一)学校基本概况
注:计算生均时,学生数指填表时学年度初(9月份)的学生数。
请说明学历未达标教师姓名、年龄、学历、职称、所属专业、所任年级、学科;教师余缺情况(专业、学科、年级、人数)。
注:1.学生数以各学年度9月份上报的统计数字为准。
2.不计学生户籍所在地,以实际在校学生为准。
3.借读生的流失率不作统计。
(二)学校队伍建设情况
3.教师发展水平
(1)近三年教师公开发表、获奖论文数量统计
(三)学校教育教学业绩
注:无法填写的项目可空着。
注:填市级以上获奖情况。
注:1. 生均经费、生均公用经费,用“元”表示,其余均以“万元”表示。
2. 所有数据均采取报表期末累计数。
3. 学生数是指上、下半年学生数的平均数。
(五)学校设施设备使用情况
注:各校可根据实际专用教室设置情况调整以上所列室名。
使用情况是指上一学年使用的次数。
注:使用情况指上一学年实际使用的情况。
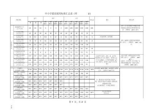
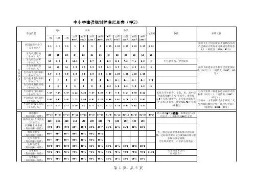
一级二级三级12班600人18班900人24班1200人30班1500人6班270人12班540人18班810人24班1080人30班1350人校园面积不少于(万平方米)3.8 3.8 3.83333 2.23 2.23 2.23 2.23 2.230.25参照《关于切实做好小城镇综合改革建设试点教育布局规划的指导意见》(闽教发〔2010〕57号)生均校园用地(平方米/人)25252524222120242220181815生均校舍面积(平方米/人)109.5910.398.789.38.97.67.1 6.59不包括寄宿、食堂面积生均体育用地(平方米/人)101010 3.3 3.3 3.3 3.3 2.3 2.3 2.3 2.3 2.32生均食堂使用面积(平方米/人)0.90.90.90.90.90.90.9 1.03 1.03 1.03 1.03 1.03生均宿舍使用面积(平方米/人)3333333 2.4 2.4 2.4 2.4 2.4 1.8生均绿化科技用地(平方米/人)2222222 1.5 1.5 1.5 1.5 1.52生均教学用房面积(平方米/人)7.077.077.078.227.267.07 6.397.647.6 6.14 5.79 5.22生均行政用房面积(平方米/人)0.910.910.91 1.180.990.910.850.950.940.790.730.68普通教室(每间面积*间数)67*2467*2467*2467*1267*1867*2467*3061*661*1261*1861*2461*3054*N幼儿园的N代表班数,如果寝室与活动室合一,面积应为90平方米梯形教室/合班教室(平方米)22022022011015019023070100130160190仪器标本准备室(每间面积*间数)43*843*843*823*423*523*623*761*161*161*186*186*1物理实验室(每间面积*间数)96*496*496*496*196*196*296*2化学实验室(每间面积*间数)96*496*496*496*196*196*196*1生物实验室(每间面积*间数)96*396*396*396*196*196*196*186*186*186*186*286*2音乐教室(每间面积*间数)75*175*175*173*173*173*173*173*173*173*273*273*2140*1幼儿园音体活动室可以合一美术教室(每间面积*间数)96*196*196*196*196*196*196*186*186*186*186*186*10.740.740.890.80.74①一级达标高中要求有独立的实验楼,达标高中要求至少配备1间相应的多媒体演示系统②生物实验室,小学指自然教室套教未包含学生宿舍、食堂,初、高中宿舍面积按5平方米/寄宿生,食堂按1.5平方米/就餐生;小学宿舍面积按4平方米/寄宿生,食堂按1.72平方米/就餐生生均生活服务用房(平方米/人)0.74参照文件总体要求参照《福建省义务教育校舍建设标准(试行)》(闽教发〔2007〕113号)①高中参照《福建省达标高中评估标准(试行)》(闽教基〔2007〕42号);②初中、小学参照《关于开展“义务教育标准化学校”建设与评估》(闽教综〔2009〕54号)0.710.720.750.670.620.6中小学建设规划标准汇总表(样2)学校类别高中初中小学幼儿园备注第 1 页,共 2 页一级二级三级12班600人18班900人24班1200人30班1500人6班270人12班540人18班810人24班1080人30班1350人参照文件中小学建设规划标准汇总表(样2)学校类别高中初中小学幼儿园备注体育器材室(每间面积*间数)63*163*163*163*163*163*163*1音乐器材室(每间面积*间数)21212123*123*123*123*123*123*123*123*123*1美术器材室(每间面积*间数)21212123*123*123*123*123*123*123*123*123*1计算机教室(每间面积*间数)96*296*296*296*196*196*196*186*186*186*186*286*2语言教室(每间面积*间数)96*296*296*296*196*196*296*286*186*186*186*186*1心理咨询室(每间面积*间数)18*118*118*118*118*118*118*118*118*118*1科技活动室(每间面积*间数)18*418*418*418*218*318*418*518*118*218*318*4通用技术实践室(每间面积*间数)96*296*296*296*196*196*296*286*186*186*186*286*2小学、初中指劳动技术教室卫生保健室(每间面积*间数)14*314*214*214*114*114*214*214*114*114*114*214*214*1体育活动室/馆(平方米)10001000100070010001300130030670670670670基本要求初、高中不少于300平方米学生阅览室(平方米)34034034018126134042070120170220270基本要求1.5平方米/座,根据具体生数设置座位数:一级达标高中按12%,二、三级达标按10%,初中按8%,小学按5%多媒体教室(每间面积*间数)96*296*296*2地理教室(每间面积*间数96*196*196*1历史教室(每间面积*间数)96*196*196*1生物园(平方米)300300300地理园(平方米)300300300厕所(平方米)192192192104149192235459213316620315*N幼儿园要求每班均要1间,N 为班数说明:高中以基本办学规模24班计算,一级、二级、三级达标在校舍建设标准上并无特别区别,只有一级达标要求独立的实验楼;卫生室使用面积一级要求不少于40平方米,二、三级要求不少于28平方米;其他区别在软件管理上:实验仪器一、二级要求每人一组,而三级可以两人一组;计算机网络一级达标要求覆盖整个教学活动场所,而二、三级只要求覆盖专用教室、教育管理场所;体育器材一、二级要求选配按40%,三级按30%;图书馆管理一级要求按I 类要求,二、三级按Ⅱ要求;食堂管理一、二级要求按B 级要求,三级按C 级要求;还有师资、财产管理等①高中参照《福建省达标高中评估标准(试行)》(闽教基〔2007〕42号);②初中、小学参照《福建省义务教育校舍建设标准(试行)》(闽教发〔2007〕113号)与《关于开展“义务教育标准化学校”建设与评估》(闽教综〔2009〕54号)③幼儿园参照《城市幼儿园建筑面积定额(试行)》(88)教基字108号配套教学用房和部分生活用房要求第 2 页,共 2 页。
表1-1 农村普通中小学校建设规模和生均建筑面积规划指标注:完全小学、初级中学未包括学生宿舍的建筑面积。
表1-3 农村全寄宿制中小学校建设规模和生均建筑面积指标表2-1 农村普通中小学校建设用地面积和生均用地面积指标学校类别 学校规模(班)用地面积(㎡)生均用地面积(㎡)非完全小学4 2973 25 完全小学69131 34 12 15699 29 18 18688 23 24 21895 20 初级中学1217824 30 18 25676 29 242998225注:①完全小学、初级中学未含学生宿舍用地面积。
②开展劳动技术教育所需的实习实验场、自行车存放用地(1.50㎡/辆),可根据实际情况另行增加。
表2-2 农村全寄宿制中小学校建设用地面积和生均用地面积指标学校类别 学校规模(班)用地面积(㎡)生均用地面积(㎡)完全小学12 21292 39 18 27901 34 24 34226 32 初级中学1223487 39 18 35059 39 244130734注:开展劳动技术教育所需的实习实验场、自行车存放用地(1.50㎡/辆),可根据实际情况另行增加。
表3-2 农村普通初级中学校舍建筑面积总指标注:初级中学规划指标、基本指标未包括学生宿舍的建筑面积(5.50㎡/生)表6-3 农村普通初级中学生活用房使用面积指标指标普通初级中学生活用房规划指标普通初级中学生活用房基本指标全寄宿制初级中学生活用房指标班级规模(班) 12 18 24 12 18 24 12 18 24 使用面积(m2) 710 1054 1396 710 1054 1396 3140 4694 6256 注:以上12班、18班、24班普通初级中学的使用面积未包括学生宿舍的使用面积。
爱情散文两篇我爱的迎春花嫩嫩的鲜黄在风中摇摆,好美又好香。
枝丫伸展不高也不长,就象懵懂的梦,在感知里做起,那样的懵懂和那出其不意。
也许真的是眼前一亮,那样的忽然,有一种意外的醒,穿过梦的墙。