重庆市非煤矿山安全生产检查表露天开采
- 格式:docx
- 大小:115.39 KB
- 文档页数:8
露天矿山安全检查表检查人员: 检查时间: 年 月 日(5)(6)(7)机械设备(1)(2)(3)(4)(5) (1)(2)(3)电气安全(5)(6)(7)(8) 汽车排土应有专人指挥同一地点不准同时卸载和推排作业人工排土时,不准站在车架上卸载,也不准在危险处处理粘车设备清洁、无锈蚀、无油垢、无滴、漏现象各种仪表,附件指示准确,完好无损安全防护装置齐全可靠防护用具,灭火器材齐全每台设备设专用受电开关,停送电使用工作牌变电所、配电室有防雷、防火、防潮、防触电的设施,变电所构筑物应使用不燃性材料,门向外开,窗帘有网栅,四周有围墙或栅栏配备合格的绝缘手套、绝缘鞋、绝缘垫、高压验电笔、绝缘拉杆和接地线、灭火器材、操作牌等采矿场架空线路至地面、水面和跨越道路时,高压应符合规定,并有避雷保护移动式电气设备必须使用绝缘电缆,移动电缆不准用手直接抓电缆,长度在150米范围内的电缆接头不应超过10个高低压交叉的线路有足够的安全距离所有电气线路敷设标准规范,无乱搭乱接现象,不准与金属管线或导电材料接触夜间工作地点和作业点照明良好照明电压380V/240V以内,工作行灯和移动式照明电压36V 以内,手持电动工具127V以内可能被人触及的裸露带电部位应有护栏和警示标志(9)(10)维护电气设备和线路必须按安全规程规定作业无违章作业10安全管理(1)(2)(3)(4)(5)(6)(7)(8)(9)(10)(11)(12)(13)(14)(15)(16)(17)(18)(19)(20)(21)(22)采矿许可证、营业执照、安全生产许可证在有效期内主要负责人、分管负责人、安全员资格证齐全特种作业人员资格证经复审,在有效期内有火药库的单位,具有使用证、储存证、和爆破员资格证,并在有效期内设置安全管理机构,配备足够的专(兼)安全机构定期召开会议,并有记录建立主要负责人、分管负责人、安全员、工人安全生产责任制建立安全管理制度各工种均有操作规程和作业规程全员参加工伤保险,按时缴费有安全投入计划,按规定足额提取,建立专用账户为员工发放符合规定的劳动防护用品有具有资质的设计部门进行设计并编写《安全专篇》新建、改建、扩建工程项目依法进行安全评价,并经验收合格矿山设备定期进行检测检验,矿用设备有安全标志建立事故救援组织,有事故应急救预案,配备急救器材和物资,定期演练并有记录签订救护协议足额缴纳风险抵押金有重大危险源评估、检测、预控措施和风险评价的资料有安全教育记录,教育时间符合规定有安全检查记录或检查表有事故登记表或记录爆破单位许可证职安全员职能部门、岗位。
非煤矿山安全生产自查自纠报告露天开采精编一、现场检查1.对非煤矿山露天开采场地进行了全面检查。
2.检查了各工作区域的生产设备和工作环境。
3.检查了岗位操作人员的技能水平和安全意识。
4.检查了作业人员的着装和个人防护用品的使用情况。
5.检查了应急救援设备和应急预案的编制和落实情况。
6.检查了矿山周边的环境影响和安全隐患。
二、存在的安全问题1.部分非煤矿山露天开采场地存在临时斜坡未进行稳定处理的问题。
2.部分工作区域的生产设备存在运行不稳定、维修不及时的问题。
3.部分岗位操作人员的技能水平较低,安全意识不够,存在违章操作和安全事故隐患。
4.部分作业人员未正确佩戴个人防护用品,如安全帽、眼镜、耳塞等。
5.部分矿山未及时排放或处理废水和废渣,对周边环境产生一定影响。
三、整改措施1.加强对非煤矿山露天开采场地边坡稳定性的监测,及时采取措施进行斜坡的加固和防护。
2.对生产设备进行定期检修和维护,确保设备的正常运行。
3.加强对岗位操作人员的培训和技能提升,增强员工的安全意识。
4.加强对作业人员的安全培训和宣传,确保个人防护用品正确佩戴。
5.建立科学排放和处理废水、废渣的制度,并定期进行监测和检查,确保环境安全。
四、整改计划1.对未稳定的临时斜坡进行加固和防护的工作将在下两周内完成。
2.生产设备的定期检修和维护计划将由维修部门制定,并确保按时进行。
3.岗位操作人员的培训计划将在一个月内完成,并对培训效果进行评估。
4.作业人员的安全培训和宣传将每季度进行一次,并通过考核检查来确保效果。
5.废水、废渣的排放和处理制度将在一个月内编制完成,并每月进行检查和监测。
五、总结通过本次自查自纠,发现了非煤矿山露天开采存在的安全问题,并制定了相应的整改措施和计划。
希望全体员工能够高度重视安全生产,严格按照相关规定落实各项安全措施,确保矿山安全生产工作的顺利进行。
同时,也希望相关部门能够加强对非煤矿山的监督和检查,及时指导和解决存在的安全隐患,提供良好的工作环境和条件。
附件2:
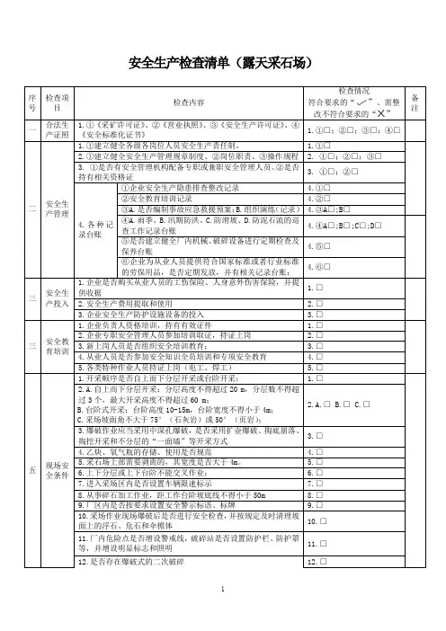
重庆市非煤矿山安全生产检查表(露天开采)
注:1、A类项不符合要求,矿山企业一票否决,立即停产,暂扣安全生产许可证,并按照规定予以经济处罚。
2、B类项不符合要求,按照规定予以矿山企业经济处罚。
3、C类项不符合要求,立即对矿山企业下发整改通知书,并根据整
改情况再决定是否进行经济处罚。
许可证,并按照规定予以经济处罚。
2.B类项不符合要求,按照规定予以矿山企业经济处罚。
3.C类项不符合要求,立即对矿山企业下发整改通知书,并根据整改情况再决定是否经济处罚。
矿山(露天采矿)工程项目安全检查表项目名称项目地址项目经理检查日期序检查号项目采场1管理采区2道路管理3弃渣场施工4用电技术负责人安全负责人年月日检查结果填写要求:符合√、不符合×符检查内容不合格项描述合① 班前作业区安全检查及确认情况②分台作业台高、台宽、放坡情况③ 采场截水、排水情况①道路边坡稳定情况②道路疏水、截水、排水情况③ 临时交通警示标牌设置情况④路口管理及道路保通情况①弃渣不得进入河道、挤压桥涵、影响河岸稳定。
②弃渣不得影响周围建筑、农田、林木、植被、交通。
③弃渣不得造成环境污染、水土流失。
④弃渣堆应保证必要边坡、堆脚防护稳固。
⑤确保弃渣堆周围截水、排水通畅。
① 施工临时用电方案及管理② 动力、照明线路情况③通道及采场照明设置和运行情况④执行用电设备“一机、一闸、一漏”情况⑤生活区及办公用电线路情况物品 /爆破作业管理设备6机具“三7违”领导、8安全员带班文明施9工/ 标化工地消防10管理应急11管理汛期12安全② 爆炸物品保管及领用登记情况③现场爆炸物品存放情况④爆破作业工序检查确认及起爆前警戒措施⑤爆后安全确认情况定置、定检、维护等情况① “三违”考核情况② 施工现场“三违”行为① 带班计划、公示② 带班记录③ 交接班签字① 安全警示标牌悬挂规范②工具摆放定置规类情况③供风、水管铺设平整情况④巷道底板平整、水沟畅通情况⑤巷道有无积水①配电室、机修室、库房、临时储物硐室,配备相应数量的灭火器材。
②生活区,办公区配备相应数量的灭火器材。
③易燃物品摆放情况④生活区宿舍取暖器具摆放情况①应急预案、人员、物资②应急演练③采区应急药品、食物等配置情况见《汛期安全检查表》受检负责人技术负责人安全负责人受检项目部督查检查组:带队领导 ::检查人员 ::。
露天开采非煤矿山安全检查表范本非煤矿山是我国重要的矿产资源领域之一,但其开采过程中存在着一定的安全隐患。
为确保非煤矿山开采的安全可控,需要进行周密的安全检查。
下面是一份非煤矿山安全检查表范本,供参考使用。
1.矿山基本情况1.1 矿山名称:1.2 矿山地址:1.3 开采范围:1.4 矿种:1.5 采矿方式:1.6 矿山规模:1.7 开采年限:2.人员管理2.1 是否按照相关法律法规规定,设立了矿山安全生产管理机构?2.2 是否配备了具备相关安全生产管理资格证书的管理人员和从业人员?2.3 是否定期开展安全培训和教育,做好安全生产宣传工作?2.4 是否建立完善的安全责任制度和安全管理制度?3.生产设备3.1 开采设备是否经过合格评定、检测和验收?3.2 设备是否安装在规范的位置和固定牢固,是否存在明显的破损和隐患?3.3 设备是否按照操作规程进行维护、保养和检修?3.4 作业人员是否按照操作规程正确使用和操作设备?3.5 是否定期进行设备的安全检查和维护保养记录?4.井下防治措施4.1 井口是否安装完善的防护设施,包括防护栏杆、井口标识等?4.2 是否设置了应急通风、排水和防火等设施,并定期进行检查和维护?4.3 是否做好了含气煤尘和有毒有害气体的防治工作?4.4 是否有完善的灭火设备和应急救援措施?4.5 是否定期进行巷道、巷口、掘进和回采面等的检查和维护?5.安全生产文明施工5.1 是否建立了施工现场安全文明管理制度?5.2 是否设置了围挡和除尘设备,做好了粉尘、噪声和辐射等的防护工作?5.3 是否建立了施工现场安全巡视制度,定期进行巡查和整改?5.4 是否做好了现场秩序管理,包括设立指示牌、设置禁止区域等措施?5.5 是否定期进行安全生产检查和评估,及时发现和处理安全隐患?6.事故应急处理6.1 是否建立了事故预防和应急处理制度?6.2 是否做好了事故预警和报告工作,及时采取措施避免事故发生?6.3 是否有组织进行事故应急演练,提高员工应急处理能力?6.4 是否建立了事故调查和责任追究制度,及时总结和改进安全管理工作?以上是一份非煤矿山安全检查表范本,通过对矿山的基本情况、人员管理、生产设备、井下防治措施、安全生产文明施工、事故应急处理等方面的检查,可以全面了解矿山的安全状况,及时发现和解决存在的安全隐患,确保非煤矿山的安全生产。
附件2:
重庆市非煤矿山安全生产检查表(露天开采)
注:1、A类项不符合要求,矿山企业一票否决,立即停产,暂扣安全生产许可证,并按照规定予以经济处罚。
2、B类项不符合要求,按照规定予以矿山企业经济处罚。
3、C类项不符合要求,立即对矿山企业下发整改通知书,
并根据整改情况再决定是否进行经济处罚。
重庆市非煤矿山安全生产检查表(地下开采)
以经济处罚。
类项不符合要求,按照规定予以矿山企业经济处罚。
类项不符合要求,立即对矿山企业下发整改通知书,并根据整改情况再决定是否经济处罚。
重庆市非煤矿山安全生产检查表露天开采
Document serial number【NL89WT-NY98YT-NC8CB-NNUUT-NUT108】
附件2:
重庆市非煤矿山安全生产检查表(露天开采)
注:1、A类项不符合要求,矿山企业一票否决,立即停产,暂扣安全生产许可证,并按照规定予以经济处
罚。
2、B类项不符合要求,按照规定予以矿山企业经济处罚。
3、C类项不符合要求,立即对矿山企业下发整改通知
书,并根据整改情况再决定是否进行经济处罚。
重庆市非煤矿山安全生产检查表(地下开
采)
并按照规定予以经济处罚。
类项不符合要求,按照规定予以矿山企业经济处罚。
类项不符合要求,立即对矿山企业下发整改通知书,并根据整改情况再决定是否经济处罚。