初步设计任务书
- 格式:docx
- 大小:32.95 KB
- 文档页数:29
目录第一篇建筑初步设计说明 (6)1总说明 (6)1.1工程设计主要依据 (6)1.2工程概况 (9)1.3 建设规模和设计范围 (10)1.4 设计特点1.5总指标 (10)1.6需要注意的问题 (13)2总平面 (14)2.1总平面设计依据及基础资料 (14)2.2场地概述: (14)2.3总平面布置及交通组织: (14)2.4竖向布置: (15)2.5绿化设计: (16)2.6 管线平面综合: (16)3建筑: (17)3.1设计依据: (17)3.2设计概述: (17)3.3建筑节能设计 (24)第二篇结构初步设计说明 (27)1总说明 (27)1.1工程概况 (27)1.2工程设计主要依据 (28)2结构设计 (29)2.1高程: (29)2.2楼面荷载: (30)2.2. 主要结构材料 (31)2.3 结构选型 (31)2.4 基础设计 (32)2.5 耐火等级 (32)2.6 主要结构尺寸 (32)2.7 结构计算 (33)2.8 其它 (33)第三篇给排水初步设计说明 (35)1总说明 (35)2 消防系统: (35)3 给水系统: (36)3.1用水量统计 (36)3.2 市政设施 (36)3.3 给水 (36)3.4 计量: (36)3.5 太阳能 (37)4 排水系统: (37)6.管材 (37)第四篇暖通空调初步设计说明 (39)1总说明 (39)1.1工程设计主要依据 (39)2.室内外设计计算参数 (40)2.1室外计算参数 (40)2.2室内设计参数 (40)3. 围护结构热工性能参数要求: (41)4. 采暖热源设计: (41)5 采暖系统设计: (42)5.1户内采暖系统: (42)5.2底层商业采暖系统: (42)5.3保温: (42)6 防火排烟系统设计: (43)7 全楼技术指标 (43)第五篇电气初步设计说明 (44)1总说明 (44)1.1工程设计主要依据 (44)2.设计范围: (44)3.强电系统: (45)3.1变配电系统: (45)3.3、电缆、导线的选型及敷设 (46)3.4、建筑物防雷、接地系统及安全措施 (47)4.弱电系统: (49)4.1综合布线系统 (49)4.2有线电视系统 (49)4.3安全防范系统(可视对讲系统、入侵报警系统) (49)5其它 (50)附录: (50)第七篇消防设计专篇 (54)1.设计依据: (54)2.工程概况: (55)3.总平面: (59)4.建筑防火: (60)5.消防给水: (61)6. 防火排烟系统设计: (62)附录:图纸目录 (62)第八篇环境保护及节能说明专篇 (67)1总说明 (67)1.1工程设计主要依据 (67)2 建筑用水量统计: (67)3 节水措施 (68)5 固体垃圾处理: (69)6 废气处理: (69)7节能设计: (69)第一篇建筑初步设计说明1总说明1.1工程设计主要依据1.1.1国家和地方现行的各项设计规范、规程和规定。
采矿工程毕业设计任务书范文一、设计题目。
[具体矿山名称]地下开采初步设计。
二、设计目的。
嘿呀,同学!这个毕业设计呢,就是想让你把在采矿工程专业里学到的那些个知识,像什么开采方法、通风系统、运输系统这些东西啊,全都给综合运用起来。
就好比是把你学过的各路武功秘籍都拿出来,打造出一个属于你自己的采矿“武林秘籍”(初步设计方案),而且这个方案还得能真正在实际的矿山开采中派上用场呢。
三、矿山概况。
# (一)地理位置。
这个矿山呢,位于[具体地理位置],你要是去那儿啊,说不定还能发现周围有一些独特的风景呢。
不过咱的重点还是在矿山本身哈。
# (二)地质条件。
1. 地层与岩石。
这里的地层可复杂啦,就像一个千层蛋糕似的(这只是个玩笑哈)。
有[列举主要地层名称]这些地层,岩石种类也是多种多样,像[列举主要岩石类型]。
这些岩石有的硬得像铁疙瘩,有的又相对软一些,这对咱们的开采工作可有着不小的影响呢。
2. 构造。
矿山里的地质构造就像是老天爷在地下玩的拼图游戏。
有[描述主要构造,如断层、褶皱等],这些构造就像一个个小陷阱或者小弯道,咱们在设计开采方案的时候,得小心翼翼地绕开或者处理好它们,不然开采的时候就容易出乱子。
# (三)矿体特征。
1. 矿体形态与产状。
矿体的形状就像是一个调皮的小精灵在地下随意勾勒的形状,有的地方胖一点(厚度大),有的地方瘦一点(厚度小)。
它的产状呢,就像它在地下睡觉的姿势,有一定的走向、倾向和倾角,你得好好研究这个姿势,这样才能知道从哪个方向下手开采最合适。
2. 矿石品位与储量。
矿石品位就像是这个矿体这个大蛋糕里的巧克力含量(哈哈,这么理解比较有趣吧),[给出矿石品位范围]。
而储量嘛,就是这个大蛋糕的大小啦,经勘探,这个矿山的矿石储量大概是[具体储量数值],这可是咱们开采的宝贝总量呢。
四、设计要求。
# (一)开采方法选择。
1. 你得像一个超级侦探一样,把矿山的地质条件、矿体特征这些线索都收集起来,然后从咱们学过的那些开采方法里,挑出一个最适合这个矿山的开采方法。
怀化步步高新天地初步设计、施工图设计任务书编制人建筑:结构:给排水:暖通:强电:弱电:签发人:编制单位:步步高置业有限责任公司研发设计中心编制时间:2014年8月目录1.项目概况 (4)2.设计依据 (4)3.设计总协调 (5)4.设计内容 (6)5.设计要求: (7)6.建筑专业 (8)7.结构专业 (14)8.给排水设计专业 (19)9.采暖通风空调专业 (22)10.电气专业 (28)11.弱电专业 (45)为保证怀化步步高新天地设计的延续性,编制此任务书。
设计人需严格按照任务书要求进行初步设计、施工图设计,编制人对任务书的内容负责并进行解释。
1.项目概况1.1项目名称:怀化步步高新天地1.2开发商(甲方):怀化市大怀房地产开发有限公司1.3项目位置:怀化市迎丰西路、人民南路与鹤州路交汇地块。
1.4项目概况:怀化步步高新天地规划净用地面积9.51万平方米,规划总建筑面积为67.31万平方米。
是步步高集团在怀化市投资开发的集购物中心、办公、公寓、酒店及住宅一体的大型商业城市综合体项目。
1.5建设规模:项目地上计容积率总建筑面积45.54万平方米,其中商业建筑面积17.87万平方米,办公建筑面积5.46万平方米,酒店建筑面积1.88万平方米,公寓建筑面积2.44万平方米,住宅建筑面积17.90万平方米,地下商业计容积率建筑面积3.70万平方米;不计容积率总建筑面积18.07万平方米,其中地下车库及设备房建筑面积17.74平方米。
注:建设规模为根据方案统计,初步设计及施工图设计时应根据任务书要求重新计算并统计。
2.设计依据2.1国家相关法律、法规、强制性条文、国家及各行业设计规范、规程、行业条例及项目所在地方规定和标准。
2.2相关政府主管部门对本项目的批复文件、给定的技术条件和意见要求。
2.3甲方提供的经确认的方案设计文件、实测地形图、项目用地周边市政管线资料、工程地质勘察报告和水文勘测资料等。
景观扩初设计时期任务书项目名称:拟稿:签发:公司名称:编制日期:项目概况:项目名称:XXXXX(以下简称“本项目”)地块周边描述:文字描述……用地性质:(本地块用地性质为商业/商品住宅及配套。
)建筑设计要紧经济技术指标:(详见建筑计划设计的相关资料。
)总用地面积:建筑面积建筑容积率:建筑覆盖率:绿地率:物业类型:户型配置:设计依据:《中华人民共和国合同法》、《中华人民共和国建筑法》、中华人民共和国《建筑工程设计文件编制深度规定》;国家及地址有关建设工程勘探设计治理法规和规章。
建设工程相关批准文件。
居住区环境景观设计与设计标准导那么(2006)居住区绿地设计标准 DB11/T 214-2003;居住区环境景观设计与设计标准导那么(2006);城市道路绿化标准与设计标准 CJJ75-97;《园林大体术语标准》 CJJ/T91-2002 。
项目整体计划布局及建筑风格特点:计划布局描述:建筑总平面彩图并标明设计项目所处位置;项目鸟瞰图、建筑单体图(2~3张反映项目建筑单体特点的成效图)。
景观设计内容及设计范围:本项目用地红线范围内的含所有无建筑封锁围护结构的室外环境包括架空层、私家花园、屋顶花园等的景观设计;建筑架空层内墙、柱各立面及天花设计;协助景观机电工程、结构工程、给排水工程、水景工程扩初的设计;甲方设计任务书包括的其他设计内容。
景观设计要求:整体景观设计要求:本项目定位为,建筑风格为。
景观设计时综合考虑景观与建筑立面风格的和谐、统一,结合建筑形态进行整体景观设计,营造出与之相匹配的环境气氛:生态自然、静谧、低调、精致。
基地描述:……景观设计应延续总图计划设计概念,布置景观带,合理有效利用基地内高差,进行丰硕的竖向设计,设计中考虑保证私家(庭园)景观面积最大化,考虑设置一些面积小、空间丰硕、精致宜人的景观环境节点(景观小品),结合整体设计风格考虑标识系统的设计;整个园区软、硬景比例要和谐,以软景为主,硬景景观面积应较小,材料选择、色彩搭配和细部处置都应依照本地气候重点考虑,园区冬季景观成效需从园建色彩、常绿树与落叶树种的搭配比例来操纵,设计时可考虑设置一些主题景观,如玫瑰园等运用在一些景观节点和私家花园中,丰硕景观设计内容。
项目初步设计任务书编制单位: ____________________ 二零一年月日一、项目概况及设计围(一)项目位置(二)用地规划(三)设计围二、设计依据和相关基础资料1.《中华人民国城乡规划法》;2.《省城乡规划条例》;3.《市城市规划条例》;4.《市城市建筑规划管理技术规定》;5.市建设工程《规划设计条件》;6.1:500带地形红线图;7.《方案批准意见书》;8.建设工程方案设计消防技术审查意见书。
9.已批准的方案设计文件、方案通过后设计单位进一步优化和调整之后的设计文件;10.甲方对方案的调整意见(详见附件);11.市政综合管网图、给水、排水、天然气、电信接驳口资料;12.地质勘察报告;13.国家相关法律、法规及市政府相关条例、规定;14.国家现行设计规;15.设计合同;16.初步设计任务书。
三、初步设计文件深度要求及其过程控制要求(一)初步设计文件深度要求1.设计成果必须符合中华人民国建设部批准的《建筑工程设计文件编制深度》的规定(二00八年)版。
2.设计成果必须包括设计总说明a)总平面图:包括说明书、设计图纸。
b)建筑部分:设计说明书和设计图纸c)结构部分:设计说明书、结构方案及布置图、基础方案及布置图、计算书。
d)建筑电气部分:设计说明书、设计图纸、主要电气设备表、计算书。
e)给水排水部分:设计说明书、设计图纸、主要设备表、计算书。
f)采暖通风与空气调节部分:设计说明书、设计图纸、主要设备表、计算书。
3.设计成果中应包含设计概算。
(二)初步设计过程控制要求1.初步设计过程中按照各个专业间相互提交设计中间成果的时间点作为阶段控制节点,均应在提交成果前报甲方设计管理人员备案审查。
设计过程中随时与甲方设计管理人员保持沟通。
2.设计过程中各个专业间的协调讨论会应邀请甲方设计管理人员参加,并将讨论结果报甲方设计管理人员。
3.设计成果提交:应在正式出图前五天,以非正式的白图形式提交甲方审查,与甲方进行充分沟通,作出必要的修改之后才能正式出图。
室内装饰设计任务书7篇第1篇示例:室内装饰设计任务书一、项目背景为了提升室内环境的舒适性和美感,我们需要进行室内装饰设计,重新布置室内空间,使其更符合居住者的需求和审美要求。
二、项目目标1. 提升室内环境品质,增加居住舒适度;2. 打造个性化的室内空间,展示业主独特的品位和风格;3. 改善室内功能分区,提高空间利用率;4. 融入创新和时尚元素,使室内设计更具现代感。
三、项目内容1. 室内空间布局设计:包括客厅、卧室、餐厅、厨房等主要功能区域的布局设计;2. 室内软装设计:包括家具、窗帘、地毯、灯具等软装配饰的选择和搭配;3. 色彩搭配:选择适合空间的色彩搭配方案,使整体氛围更加和谐;4. 材质选择:选择符合整体风格的材质,如地板、墙面材料等;5. 其他:根据实际需求,内部装饰设计师可以提出其他建议或方案。
四、项目要求1. 设计师要具有一定的设计经验和专业能力,能够根据业主需求提供符合要求的设计方案;2. 设计方案要创新性和实用性并重,充分考虑业主的需求和使用习惯;3. 设计方案要合理控制预算,提供经济实用和高质量的设计方案;4. 设计师要与业主充分沟通,确保设计方案符合业主的要求和期望;5. 设计师要按时按质完成设计任务,保证工作质量和效率。
五、项目进度安排1. 项目启动:确认设计师和业主合作意向,确定设计任务书内容;2. 方案设计:设计师根据业主需求和要求提供初步设计方案,与业主讨论和修改;3. 方案确认:业主确认最终设计方案并签署设计协议;4. 施工阶段:根据设计方案进行施工实施,监督施工质量,保证工程进度;5. 完工验收:业主验收工程质量,完成室内装饰设计项目。
六、项目预算根据设计方案的具体内容和业主需求,确认项目预算范围,设计师要合理控制设计成本,提供经济实用的设计方案。
七、结语通过本次室内装饰设计项目,我们希望为业主打造一个舒适、温馨、个性化的家居空间,满足业主在居住环境上的需求和期望。
初步设计施工图设计任务书1. 项目背景本项目是针对某建筑项目的初步设计施工图设计任务。
该建筑项目是一个多功能的商业综合体,由多栋建筑组成,包括写字楼、商场、住宅等。
设计任务书的目的是明确初步设计施工图的要求和目标,以确保设计符合项目需求和规范。
2. 项目目标本项目的主要目标是完成初步设计施工图的设计,包括建筑的平面布局、立面设计、结构设计等。
具体目标如下:•提供符合项目需求的建筑平面布局设计方案。
•设计合理美观的建筑立面,以满足项目的外观和形象要求。
•进行结构设计,确保建筑的承重和安全性。
•编制完整的施工图纸,包括平面图、立面图、构造图等,以便施工和监理等后续阶段使用。
•遵循相关建筑设计规范和标准,确保设计的可行性和符合法律法规。
3. 设计内容本设计任务书包括以下设计内容:3.1 建筑平面布局设计根据项目需求,设计合理的建筑平面布局方案。
该方案应充分考虑建筑的功能需求、空间利用效率和人流流线等因素。
设计师需要采用适当的工具和方法,绘制出具体的平面图,包括房间分布、走廊和楼梯等。
3.2 建筑立面设计为了满足项目的外观和形象要求,设计师需要设计建筑的立面。
立面设计应考虑建筑的整体风格和项目的定位,以及与周围环境的协调。
设计师需要制定适当的立面图纸,标注材料和颜色等细节。
3.3 结构设计设计师需要进行建筑的结构设计,确保建筑的承重和安全性。
结构设计应根据项目的规模和要求,选择适当的结构体系和材料。
设计师需要绘制构造图,明确各个结构元素的尺寸、位置和连接方式等。
3.4 施工图纸编制设计师需要根据设计内容,编制完整的施工图纸。
施工图纸应包括平面图、立面图、剖面图等,以便施工和监理等后续阶段使用。
设计师需要遵循相关的标准和规范,确保施工图的准确性和可行性。
4. 时间安排本项目的时间安排如下:•阶段一:初步设计,包括平面布局设计、立面设计和结构设计。
预计完成时间为2周。
•阶段二:施工图纸编制。
预计完成时间为1周。
设计任务书设计依据及设计标准《山东省园林城市标准》《城市居住区规划设计规范》GB50180-93《民用建筑设计通则》GB50352-2005《居住区景观设计导则》《居住区绿地设计规范》(DB11T214-2003)设计定位:本次设计区域应在充分研究办公楼的基础上,根据本项目情况,分别设计满足项目需要的地面停车场、休闲广场、绿化小品、标识标牌等设施,并做好人员、车辆的交通流线组织,地块所处位置周边地形高差较大,注意处理该地块与周边地块与道路的关系。
在绿化树木的选择方面,需因地制宜的进行,多采用本土树种,尽量减少外地品种。
重要节点可考虑珍贵树种或大规格树种,常见树种、小规格树种用于次要地段,以降低成本。
综合考虑各种植被的花期及落叶期,形成色彩变化、季相变化丰富的景观特色。
植被搭配讲究层次感,营造丰富的空间效果。
并需在竣工早期就能体现出较好的景观效果,适当采用常绿速生植被与成型高大树种,结合慢生型植物进行树种搭配以及采用部分易养护的植种,降低景观维护成本。
铺装设计要与绿化设计相映成趣,合理运用景观小品、标识标牌等手段烘托出高品质的办公氛围。
项目景观绿化工程成本需控制在650元/㎡以下。
景观设计原则1、高品质办公氛围项目景观园林设计已烘托出高品质办公氛围为主要原则,设计人应在充分研究泰安当地办公购物场所的基础上,结合本项目特点,用于成熟的园林景观设计手段,云造来高品质的办公氛围。
2、休闲活动功能注重园林景观的可参与性,在项目内设置一定的硬质景观、共享空间,室外健身场所,满足办公区内人员休憩,活动等要求,为集体活动提供一定的休闲、交往、活动的场地,营造和谐、友善、温馨的人际关系氛围。
注意满足无障碍要求,具体包括:残疾人无障碍、老人无障碍、儿童无障碍。
园林景观设计深度要求1、概况1.0.1为了加强对园林景观设计文件的编制、管理,保证各设计阶段设计文件的完整性,参照建设部颁发实施的《建筑工程设计文件编制深度规定》内容要求,编制建筑场地园林景观设计深度规定,以保证设计质量。
项目初步设计任务书项目初步设计任务书第一章项目概况及设计范围一、项目位置二、用地规划三、设计范围第二章设计依据和相关基础资料1、规划局地块设计条件通知书2、已批准的方案设计文件。
3、市规划局所提设计条件红拨图4、《建筑工程建筑面积计算规范》GB/T 50353-5、《民用建筑设计通则》GB 50352-6、《高层民用建筑设计防火规范》GB50045-957、《建筑设计防火规范》GB50016-8、《住宅设计规范》GB50096-19999、《住宅建筑规范》GB50368-10、《城市居住区规划设计规范》GB 50180-9311、《商店建筑设计规范》JGJ48-8812、《汽车库、修车库、停车场设计防火规范》GB50067-9713、《汽车库设计规范》JGJ100-9814、《昆明市城市规划管理技术规定》昆明市规划管理局( 年版)15、《餐饮建筑设计规范》16、《工程建设标准强制性条文》( 屋建筑部分)17、《房屋建筑制图统一标准》GB/T50001-18、《总图制图标准》GB/T50103-19、《建筑制图标准》GB/T50104-20、《中小学建筑设计规范》GB99-8621、《方便残疾人使用的城市道路和建筑物设计规范》JGJ50-8822、《夏热冬冷地区居住建筑节能设计标准》JGJ134- J116-23、项目周边道路及雨污水设计图24、市政综合管网图、给水、排水、天然气、电力、电信接驳口资料25、地质初堪报告26、国家相关法律、法规及昆明市政府相关条例、规定27、国家、地方现行设计规范、图集28、设计合同29、初步设计任务书第三章初步设计文件深度要求及其过程控制要求一、初步设计文件深度要求1、设计成果必须符合中华人民共和国建设部批准的《建筑工程设计文件编制深度的规定》( )2、必须满足昆明五里多项目要求的设计深度和标准二、初步设计文件的内容要求1、设计总说明2、总平面图: 包括说明书、设计图纸。
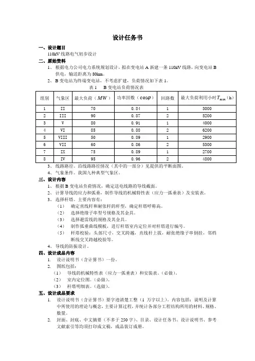
设计任务书一、设计题目110kV线路电气初步设计二、原始资料1、根据电力公司电力系统规划设计,拟在变电站A新建一条110kV线路,向变电站B供电,输送距离为80km。
2、B变电站为终端变电站,不考虑扩建,负荷情况如下表1。
表1 B变电站负荷情况表3、线路路径。
沿线路路径情况(其中的一部分)见提供的平断面图。
4、气象条件。
我国九种典型气象区。
三、设计内容1、根据B变电站负荷情况,确定送电线路的导线截面。
2、计算导线的应力和弧垂,制作导线的机械特性表(应力一弧垂表)及安装表。
3、选择杆塔。
主要内容有:(1)确定直线杆和耐张杆的杆型,确定杆塔呼称高。
(2)选择绝缘子串型号规格及其金具。
(3)选择避雷线的规格及其金具。
(4)制作弧垂曲线模板,进行杆塔室内定位并对杆塔进行编号。
(5)杆塔校验:头部尺寸,交叉跨越,直线杆上拔,耐张绝缘子串倒挂,邻档断线交叉跨越校验等。
4、导线的防振设计。
四、设计成品内容1.设计说明书(含计算书)一份。
2.图纸包括:(1)导线的机械特性表(应力一弧垂表)和安装表。
(必做)。
(2)室内定位图。
(必做)。
(3)杆塔明细表。
(选做)。
五、设计成品要求1.设计说明书(含计算书)要字迹清楚工整(1万字以上)。
内容包括:说明及计算中所使用的理论与概念,主要计算过程,并统计各部分工程结构所用的材料、规格、数量。
2.封面、封底、中文摘要(不多于250字)、目录、设计任务书、设计说明书、参考文献索引等均须打印成文稿,成品装订成册。
3.成品图纸采用A3工程制图纸,至少2张图纸。
六、设计参考进度1.导线截面选择,0.5周。
2.导线弧垂曲线、安装曲线设计,1周。
3.杆塔室内定位及校验,1周。
4.导线防振设计,0.5周。
5.准备成品,1周。
七、说明1.为了避免同学们的原始数据一致采取:1)B变电站最大负荷可选:十四种中的一种。
2)全国典型气象区可选九种:I、II、III、IV、V、VI、VII、VIII、VX。
设计说明书目录第一章概况 (6)1、效果图 (6)2、工程概况 (9)3、工程设计的主要依据 (10)4、本工程所处建设场地的市政公用设施和交通运输条件 (13)5、项目的组成、分期实施情况和设计范围 (13)6、设计指导思想和设计特点 (13)第二章总平面 (14)1、设计依据及基础资料 (14)2、场地概述 (15)3、总平面布置 (15)4、竖向设计 (16)5、交通组织 (16)6、场地景观设计 (17)7、场地无障碍设计 (17)8、总平面安全设计 (17)9、综合管网 (17)10、主要技术经济指标 (18)第三章建筑 (19)1、设计依据 (19)2、设计说明 (20)3、建筑项目主要特征表 (23)4、门窗工程 (24)5、项目分期建设内容和对续建、扩建的设想及措施 (34)6、幕墙工程、特殊屋面工程及其他需要另行委托设计、加工的内容的说明 (34)7、人防设计 (34)8、三新技术应用情况说明 (34)9、建筑产业化应用情况说明 (34)10、绿色建筑设计说明 (35)第四章结构 (35)1、工程概况 (35)2、设计依据 (36)3、结构设计安全标准 (37)4、场地分析和地勘报告分析 (37)5、主要荷载取值 (43)6、地基基础及环境设计 (44)7、上部及地下室结构设计,含重庆市高层建筑工程结构抗震基本参数表(2010年版) (45)8、主要结构材料选用 (145)9、新技术、新结构、新材料的采用 (145)第五章给水排水 (145)1、设计依据 (145)2、设计范围 (146)3、工程概况 (146)4、给水 (147)5、热水系统 (150)6、水质、水温、水压特殊要求 (150)7、循环冷却水系统 (150)8、游泳池循环水处理系统 (150)9、绿化灌溉 (150)10、排水系统 (150)第六章电气 (153)1、设计依据 (153)2、设计范围 (154)3、变、配、发电系统 (154)4、照明系统 (159)5、建筑智能化系统 (160)6、建筑防雷 (161)7、接地及安全措施 (163)8、新技术、新产品运用情况说明 (164)9、计算书 (164)10、节能及绿色建筑 (184)第七章采暖通风与空调、热能动力 (187)1、设计依据 (187)2、工程概况及内容 (187)3、设计参数 (188)4、通风系统设计 (189)5、供暖 (191)6、空调设计 (191)7、管道及保温材料的选择 (193)8、系统计量及控制要求 (193)9、附表(主要设备材料表) (193)10、附图 (193)11、消声与减震 (193)12、安装与材料 (193)13、防腐与保温 (195)14、系统调试 (195)15、其他 (196)第八章消防 (196)1、设计依据 (196)2、设计范围及原则 (197)2、工程简述 (197)3、总图消防 (199)4、建筑 (199)5、结构防火 (201)6、给水排水消防 (202)7、电气消防 (205)8、暖通消防 (208)第九章园林景观 (216)第十章节能与绿色建筑设计 (216)1、设计主要依据 (216)2、节能与绿色建筑设计概况 (217)3、建筑专业 (217)4、结构专业 (229)5、给排水专业 (229)6、电气专业 (230)7、暖通专业 (233)第十一章环境保护 (235)1、设计依据 (235)2、主要污染源和污染物 (235)3、污水处理 (235)4、减震防噪 (235)5、废气排放、减震防噪处理 (235)6、废渣处理 (236)第十二章概算 (236)附录 (236)1. 《建设用地规划条件函》(渝规潼南条件函(2011)0034号)2362. 《建设工程方案设计审查意见函》渝规潼方案函(2013)0080号2363. 《建设项目规划管理报建审查复函》渝规潼(工程)复函(2013)0086号 (236)4. 《潼南县公安消防大队关于同意重庆卓然地产发展有限公司卓然铂金公馆B区建设工程(方案)消防设计审查意见的函》潼公消(建方)字(2014)第6号 (236)第一章概况1、效果图鸟瞰图沿街透视图中庭透视图现场照片2、工程概况项目名称卓然.铂金公馆(B区)项目所在地潼南金潼大道项目业主方重庆卓然地产发展有限公司建筑性质多层公共建筑、高层住宅建筑面积(地上/地下)(194092.43/30470.45㎡)最大建筑高度(地上/地下)(99.3/7.6m)最大建筑层数(地上(33/-2)建筑用地面积55455㎡建筑总面积224562.88㎡/地下)建筑抗震设防分类类别是否绿色建筑丙类否建筑场地类别绿色等级II类基本抗震设防烈度六度主要结构体系剪力墙是否高切坡(深基坑)否是否超限高层否人防保护等级无(异地人防)最高日用水量1658.91m3/d最高日污水量1173.68m3/d电力安装总容量10370KVA总冷/暖负荷——动力负荷——概算总造价48492.87 万元备注——3、工程设计的主要依据(一)设计中贯彻的国家政策、法规《重庆市建设工程初步设计文件编制技术规定》(2013年版)《建筑工程设计文件编制深度规定》(2008版)《民用建筑设计通则》(GB 50352-2005)《住宅建筑规范》(GB50368-2005)《住宅设计规范》(GB50096-2011)《商店建筑设计规范》(JGJ 48-88)《汽车库建筑设计规范》(JGJ 100-98)《无障碍设计规范》(GB50763-2012)《重庆市居住建筑节能50%设计标准》(DBJ50-102-2010)《公共建筑节能(绿色建筑)设计标准》(DBJ50-052-2013)《建筑外门窗气密、水密、抗风压性能分级及检测方法》(GB/T 7106-2008)《建筑设计防火规范》(GB50016-2006)《高层民用建筑设计防火规范》(GB50045-95(2005版))《汽车库、修车库、停车场设计防火规范》(GB5006-97)《重庆市城市规划管理技术规定》(2012)《建筑结构荷载规范》(GB50009-2012)《混凝土结构设计规范》(GB50010-2010)《建筑地基基础设计规范》(GB50007-2011)《建筑抗震设计规范》(GB50011-2010)《砌体结构设计规范》(GB50003-2011)《建筑给排水设计规范》(GB50015-2003(2009年版))《室外给水设计规范》(GB50013-2006)《室外排水设计规范》(GB50014-2011)《建筑灭火器配置设计规范》(GB 50140-2005)《节水型生活用水器具》(GJ164-2002)《供配电系统设计规范》(GB50052-2009)《低压配电设计规范》(GB50054-2011)《民用建筑电气设计规范》(JGJ16-2008)《电力工程电缆设计规范》(GB50217-2007)《城市工程管线综合规划规定》(GB50289-98)甲方提供的设计委托书、任务书国家及重庆市其它相关法律法规等《重庆市建设领域限制、禁止使用落后技术通告(第一~七号)》(二)城市建设有关部门(规划、消防、园林、人防等)对本工程方案设计的批复文件《建设用地规划条件函》(渝规潼南条件函(2011)0034号)《建设工程方案设计审查意见函》渝规潼方案函(2013)0080号《建设项目规划管理报建审查复函》渝规潼(工程)复函(2013)0086号《潼南县公安消防大队关于同意重庆卓然地产发展有限公司卓然铂金公馆B区建设工程(方案)消防设计审查意见的函》潼公消(建方)字(2014)第6号(三)项目立项书、可行性研究报告、选址意见书、政府有关主管部门批准文件的名称、文号:《重庆市企业投资项目备案证》备案证地字第500223201300081号(四)工程所在建设场地的工程地质勘察报告、地灾评估报告、环境评估报告等:《重庆紫苑土地规划整治有限公司“卓然•铂金公馆(B区)”工程详勘报告》2013年12月(五)其他设计依据:无。
设计任务书一、项目名称飞行时间液质联用质谱仪关键技术攻关及产业化实验室项目设计施工总承包二、项目概况2.1项目地点广州市黄埔区新瑞路16号。
2.2建设内容项目拟对广州市黄埔区新瑞路16号1#楼5-7层场地进行设计及施工。
工程内容包括装修工程、强弱电布线工程(不含会议系统设备及调试)、安防工程、消防工程、设备供气系统、空调及新风系统工程等。
2.3项目投资本项目总投资约.00元,本次招标最高投标限价为.00元,其中:施工费最高投标限价为人民币.00元;设计费最高投标限价为250000.OO元o2.4项目建设期建设工期共110日历天暂定开工时间:设计工期:20日历天。
施工工期:90日历天。
三、设计依据3.1本项目的装修设计招标文件、装修设计施工图、机电设计图、暖通设计图、给排水设计图、消防设计图、设备供气设计图。
3.2设计规范及标准⑴《全国室内装饰行业管理暂行规定》;⑵《室内装饰工程质量规范》;⑶《建筑制图标准》(GB/T50104-2001);(4)《CAD工程制图规范》(GB/T18229-2000);⑸《办公建筑设计规范》(JGJ67-2019)(6)《建筑内部装修设计防火规范》(GB50222-2017);⑺《民用建筑工程室内环境污染控制规范》(GB-50325-2023);(8)《室内装饰装修材料人造板及其制品中甲醛释放限量》(GB18580-2017);⑼《木器涂料中有害物质限量》(GB18581-2023);(10)《建筑用墙面涂料中有害物质限量》(GB18582-2023);⑪《室内装饰装修材料胶粘中有害物质限量》(GB18583-2008);⑫《室内装饰装修材料木家具中有害物质限量》(GB18584-2001);⑬《室内装饰装修材料壁纸中有害物质限量》(GB18585-2001);⑭《室内装饰装修材料聚氯乙烯卷材料地板中有害物质限量》(GB18586-2001);⑮《建筑材料放射性核素限量》(GB6566-2010);⑯《建筑装饰装修工程质量验收规范》(GB50210-2018);⑰其他国家及地方现行相关规范及标准文件。
初步设计任务书项目初步设计任务书编制单位: ____________________ 二零一年月日一、二、三、初步设计文件深度要求及其过程控制要求(一)初步设计文件深度要求1.设计成果必须符合中华人民共和国建设部批准的《建筑工程设计文件编制深度》的规定(二00八年)版。
2.设计成果必须包括设计总说明a)总平面图:包括说明书、设计图纸。
b)建筑部分:设计说明书和设计图纸c)结构部分:设计说明书、结构方案及布置图、基础方案及布置图、计算书。
d)建筑电气部分:设计说明书、设计图纸、主要电气设备表、计算书。
e)给水排水部分:设计说明书、设计图纸、主要设备表、计算书。
f)采暖通风与空气调节部分:设计说明书、设计图纸、主要设备表、计算书。
3.设计成果中应包含设计概算。
(二)初步设计过程控制要求1.初步设计过程中按照各个专业间相互提交设计中间成果的时间点作为阶段控制节点,均应在提交成果前报甲方设计管理人员备案审查。
设计过程中随时与甲方设计管理人员保持沟通。
2.设计过程中各个专业间的协调讨论会应邀请甲方设计管理人员参加,并将讨论结果报甲方设计管理人员。
3.设计成果提交:应在正式出图前五天,以非正式的白图形式提交甲方审查,与甲方进行充分沟通,作出必要的修改之后才能正式出图。
四、规划专业(一)总平面1.设计规模及组成2.建设工程项目方案综合技术经济指标一览表、户型比例表及停车指标比例表(详下表)综合技术经济指标一览表项目用地面积数值备注可规划用地面积代征用地面积其他规划总建筑面积按地上地下分类(一)、地上建筑面积1、居住建筑面积其中:住宅建筑面积公寓建筑面积2、商业建筑面积3、配套设施建筑面积(二)、地下建筑面积1、地下住宅建筑面积2、地下商业建筑面积3、地下停车库建筑面积4、地下设备用房建筑面积5、人防建筑面积计算规则6、地下建筑层数按建筑性质分类(一)、居住建筑面积1、地上居住建筑面积2、地下居住建筑面积(二)商业建筑面积1、地上商业建筑面积2、地下商业建筑面积(三)车库及设备用房面积(四)配套设施建筑面积1、物业管理用房建筑面积计算规则2、消防控制中心3、公共厕所4、垃圾房5、其他按需增加居住户(套)数1、住宅户(套)数2、公寓户(套)数四、容积率五、建筑密度六、绿地率七、机动车位计算规则1、地面室外停车位2、地下停车位八、非机动车位1、地面室外停车位2、地下停车位九、人均居住用地面积十、全民健身活动场地户型比例表居住建筑面积(M2) 占居住建筑面积的比例1、住宅建筑面积2、公寓建筑面积3. 总平面布置设计原则及要求a) 平面布局及商业综合楼的平面布局详见方案报建通过的总图 b) 应着重细化和设计小区建筑首层、商业部分以及架空部分,并考虑与社区景观协调。
设计任务书-初步设计(模板)扩初(初步)设计任务书一. 项目概况1.项目名称:2.发展商:3.建设地点:4.占地面积:5.建设内容:6.建设周期:二. 设计依据及设计标准1.市规划国土局方案审批意见书(附件)2.市消防局方案审批意见书(附件)3.市人防办建设意见征询单(附件)4.市规划国土局初步设计审批意见书(附件)5.市消防局初步设计审批意见书(附件)6.市人防办初步设计审批意见书(附件)7.市其他行政部门审批意见书(附件)8.本项目设计的技术经济指标以本任务书第三节有关规定为准9.设计中的建筑.市政.水.电.燃气.电信等用量及标准应符合国家.建设部及市有关设计标准及规定10.设计深度需符合国家建设部〈建筑工程设计文件编制深度的规定〉中有关的要求及甲方的其他要求。
11.其他国家现行有关规范三. 建筑技术经济指标1.技术经济指标总用地面积:计容积率建筑面积:其中:住宅面积:配套设施面积:建筑容积率:建筑覆盖率:建筑层数:总体布局要求:机动车泊位数:其它:2.户型配置要求(策划部提供)3.配套设施要求四. 初步设计各类资料成果1.彩色总平面图(反映项目建筑设计和景观设计结合的关系)1:5002. 总平面图(反映建筑物.构筑物的座标定位以及其与红线的尺寸定位)1:5003. 场地竖向设计图(对场地标高变化的组织,图中应表示出挡土墙.护坡等坡地不同标高处理的形式.位置和简单剖面,以及道路的坡度.坡向等)1:5004. 场地土方平衡图(网格尺寸20X20米,图中应附对较为准确的挖填方量及其差值等结果的说明)1:5005. 总体剖面图三个(从不同剖视方向表达小区建筑.景观与山体的关系)1:5006. 彩色总体透视图二幅(从二个角度表达项目整体风格形象) A1幅面7. 总体模型一个(反映规划构思及地形特征)1:5008. 所有单体(包括住宅.商业.会所.公寓等)的各层平面图.立面图.剖面图(两道尺寸线,准确表示门.窗位置,并注出室内隔墙的定位位置)1:1009. 主要构造详图(高层建筑的核心筒.楼梯及商业的楼梯等)10. 不同住宅类型和各类公建的透视图11.各组团底层和标准层平面图(标注标高关系.反映建筑与景观的结合处理).山地组团剖面图1:300五. 设计各项指标成果1.指标和面积(要求计算真实.准确)表一:分期技术经济指标表一期二期三期总计用地面积建筑面积居住面积商业面积公共设施容积率覆盖率绿地率机动车位说明:1)建筑面积为计算容积率的面积,有地下车库.设备用房等不计容积率的面积可另行列出。
初步设计任务书的编制一、前言初步设计任务书是设计项目前阶段的重要文档之一,它对于项目的后续实施具有重要的指导作用。
本文旨在介绍初步设计任务书的基本编制方法和关键内容,帮助设计师或项目经理在项目开展前对项目的目标、任务、进度等方面进行有效规划和安排。
二、初步设计任务书的编制流程1.明确项目的背景和目的项目背景和目的是任务书中的重要部分,它对于项目的顺利实施至关重要。
在明确项目背景和目的后,相关人员能够更好地了解项目的意义和目标,并能够更好地把握项目的需求,为实施项目做好充分准备。
2.明确项目的任务和要求任务和要求是初步设计任务书中关键的部分,它是项目实施中的指导原则和重要目标。
通过明确项目的任务和要求,能够更好地分解工作内容和任务,为实施阶段提供决策依据。
3.制定项目计划和进度安排项目计划和进度安排是初步设计任务书的另外一项重要内容,它是保障项目成功完成的关键保证。
制定详细的项目计划和进度安排,可以更好地安排工作任务和时间表,提高项目实施成功率。
4.明确实施条件和限制因素在制定初步设计任务书中,应该注意到项目实施的条件和限制因素。
这些因素直接影响着项目实施成果和项目完成时间,因此必须在编制任务书过程中进行充分考虑和详细说明。
5.编制文档的格式和标准规范初步设计任务书的编制还必须注意文档的格式和标准规范。
文档的格式要求简洁明了,标准规范要求严格,以保障实施阶段工作的有效顺利进行。
三、初步设计任务书的主要内容初步设计任务书是一份包含较全面任务和安排的文档,其主要内容有:1.项目的背景和目的介绍项目背景和目的,包括项目实施的意义和目标。
2.项目的任务和要求明确项目的任务和要求,包括工作任务、工作目标、实施成果等。
3.项目的计划和进度安排制定项目计划和进度安排,明确项目实施的时间表和工作流程。
4.项目实施的条件和限制因素详细说明项目实施的条件和限制因素,对于保障项目实施的顺利进行具有重要意义。
5.编制文档的格式和标准规范编制文档的格式和标准规范是保障实施阶段工作的有效顺利进行的重要保障。
方案设计任务书方案设计任务书(一)一、项目定位突出“创新”“舒适”“实用”三大概念,引导__地区中小户型的居住潮流。
二、总体规划要求1、规划方案应功能分区明确,与周围环境协调,充分考虑江浙建筑特色和各项技术要求。
能够体现城市规划及城市设计要求,并具有独特的设计品质和理念,方案涉及到的消防、环保、园林绿化、人防、水利、电力、交通等问题,应符合各专项规划要求。
2、本项目各地块比较分散、比较狭长,对今后的物业管理有较大影响,设置的组团出入口应充分考虑物业管理的便利。
3、充分挖掘绿化空间,着重处理好ab连接处、bc连接处、裙房屋面的绿化设计。
4、场地竖向设计应充分考虑小区与外围市政道路的标高关系,小区内部给排水管网、电力、综合管网等应与外围城市管网相协调。
5、小区交通组织着重处理好与外部市政道路的衔接、汽车库出入口的布置、人车分流、物业管理。
6、受限于地块本身所在位置及控制性规划,建筑总体布局已定,应通过技术措施如调整建筑平面、调整门窗的位置及大小、设置遮阳系统等来优化建筑的日照与通风问题;沿街建筑噪音问题比较突出,应采取良好的建筑措施使户内的隔音效果达到规范要求。
三、单体规划要求1、地下空间:a、b地块开挖地下室并联成一体,a块西侧四个单元处两层地下室为人防兼地下泊车,东端商业区域两层地下室作为上部商务配套使用;b块开挖一层地下室为地下泊车;c1地块开挖二层地下室作为地下停车,c2、d、e地块开挖地下一层地下室,开挖面积与一层商铺面积等同,与地上一层相连,形成地下仓储商务空间,每间商铺室内楼梯通往各自的地下室。
报批文本必须满足控规车位要求(包括商铺车位),如果余地较少,可采用立体式车库报批。
实际使用按照拼接后的总户数与地下车位的配比1:0.8来实施,loft商务用房按照1:0.3考虑地下停车位,区域分配尽量保持平衡。
地下室南侧边线可以与用地红线平齐。
2、裙房商业:a、b、c1地块商铺开间3.8米~4.2米,进深21.5米,有效进深15.5米,后6米分割成两层,底层2.2米以下为住宅车库兼储藏用房,车库开间采用合理尺寸,上层部分与前面15.5米相连,一层总层高5.0米(报批时按照4.8米,底部20cm虚设);二、三层为居住考虑的.LOFT商务房,层高各4.99米,每户考虑卫生间、厨房、客厅、餐厅、卧室等居家功能空间。
作业一:工程字体练习一、教学目的:1、掌握工程字体的特点、规格和书写要领。
2、熟悉掌握绘图工具的使用;3、结合对工程字体的字形比例、结构安排和图面布置,训练审美感觉和构图能力。
二、作业内容及要求:1、作业内容:标题字:30x35mm(包括黑体字或空心宋体字)5-10个,标题字应利用制图工具协助完成;仿宋字:8x12mm(或7x12mm)仿宋体200个以上;阿拉伯数字(0~9)用两种字体书写两组;英文字母(A~Z)大小写各用两种字体书写两组。
注:各种字体内容自定。
2、作业要求:在认真练习的基础上完成本作业;按照作业要求的内容经过版面设计,组织在规定的图纸上,然后按设计版面书写。
三、绘图步骤:1、自行构图;2、徒手用拷贝纸写黑体和宋体;3、用硬铅笔打底稿,将书写好的大字草稿刻到正图上,写仿宋体之前要先打格子;4、用工具绘制宋体;5、整修图纸。
四、作业标准(评分依据):1、构图美观大方,避免怪诞(10%);2、大字线条要求平滑均匀,转折清晰,交接光滑(40%);3、字体结构匀称,笔画优美(40%);4、字体间要求大小相等,篇幅整齐(10%);五、图纸要求:1、图幅:A3图纸(297/420)2、纸质:白色绘图纸;3、绘制方式:大字用工具墨线绘制,小字用钢笔徒手书写。
六、制作时间:一周,作业二:工具线条图一、教学目的:1、进一步熟悉各种绘图工具的使用;2、学习各种工具线条的画法。
3、训练图面整体处理能力,培养审美感觉二、作业内容:作业中必须包括:粗细直线和虚线(水平和垂直各一组);细网状线和砖形图案线各一组;细圆和直线相接一组;(可选择课本附图2)相互交接的粗细曲线。
(可选择课本附图2)其他内容可根据版面设计自行选择。
三、绘图步骤:1、自行构图;2、硬铅笔打底后,用针管笔上线;3、先画细线,后画粗线;4、先画曲线,后画直线;5、整修图纸。
四、作业标准(评分依据):1、构图美观大方、整洁(10%);2、尺寸准确,各种线条的长短及间距要绝对准确(20%);3、线型区别清晰,粗细均匀,分级明确(30%);4、各级线条的起止、转折和交接准确清楚,直线和曲线交接平滑(20%);5、线条要流畅美观,不得有断线和搭接(20%);五、图纸要求:1、图幅:A3图纸;2、纸质:白色绘图纸;六、制作时间:一周,具体交图时间为:作业三(1):建筑配景练习一、教学目的:建筑配景是建筑画中为了突出建筑物而表现的环境气氛。
大学XXX项目初步设计任务书编码:TY-S-2013-YJ01-06同圆项目管理有限公司2013年07月一项目概况 (1)二设计依据 (1)三设计围 (2)四设计要求 (2)五成果及深度要求 (2)总平面 (2)建筑专业 (3)结构专业 (8)给排水专业 (11)暖通专业 (13)电气专业 (14)1项目概况1.1项目名称:1.2用地位置:1.3建设规模:2设计依据与地方颁布的各种规、规程和强制性条文或规划主管部门的意见和要求。
2.1规划主管部门给定的规划设计条件。
2.2测绘部门提供的地形图和地质水文勘测资料。
2.3校区市政管网配套条件。
2.4规划主管部门审批通过后的设计方案。
2.5甲方提供的设计任务书(本书)。
2.6双方签订的设计合同所包括的服务性条款和要求。
2.7经过甲方认可的方案设计文件以及方案设计优化报告。
3设计围本次设计围包括初步设计。
容如下:3.1项目初步设计3.1.1校区总平面设计。
3.1.2本工程单体及地下室初步设计。
3.1.3按规要求进行无障碍设计。
3.1.4上述各项设计图纸包含:总平面、建筑、结构、给排水、暖通、强弱电等。
4设计要求4.1设计成果应符合《建筑工程设计文件编制深度规定》的图纸编制深度要求,并应根据甲方和相关审查部门的阶段性审查意见完成相应修改工作。
包括初步设计审查、消防审查等,设计单位提供给甲方的设计成果务必保证完整性和准确性。
4.2设计进度要求:根据方案设计文件及其优化意见,结合甲方的具体要求进行全套初步设计,满足甲方的出图时间要求。
4.3初步设计完成后,同时报甲方及初设审查机构进行初设审查。
4.4落实甲方及审查机构修改意见后,再进行施工图设计。
4.5各种建筑及管道材料均应进行技术、经济性分析,合理选用。
5成果及深度要求满足《建筑工程设计文件编制深度规定》的编制深度要求,其中,应重点注意如下事项:5.1 总平面5.1.1总平面图1图中尺寸应准确详实。
包括测量坐标网、坐标值、道路红线、建筑控制线、用地红线、建筑间距、楼号、层数、指北针等均不得遗漏。
2道路、广场的主要坐标,停车位及消防车道。
3绿化、景观及休闲设施的布置示意,并表示出护坡、挡土墙、排水沟等。
4原则上红线外的道路标高,坡度根据实测不允许变动。
5设计中结合现场实测数据进行合理设计和排水组织,避免出现急陡坡高差集中情况。
6外高差控制在XXX米以,并应考虑地下管线的埋土深度。
7总图设计应符合详规批复。
8车库出入口处雨篷由建筑设计单位一并设计。
9主要技术经济指标表。
5.1.2竖向布置图1场地测量坐标网、坐标值。
2场地四邻的道路、地面的关键性标咼。
3道路、坡道、排水沟的起点、变坡点的设计标高。
4室外地面设计标高、地下建筑物的顶板标高及覆土高度限制。
5院落绿化、休闲设施的关键性标高,坡度。
5.2 建筑专业5.2.1 建筑设计总说明一般包含以下容1设计概述容一般应包括但不限于建筑名称、建设地点、建设单位、建筑面积,建筑基底面积、建筑工程等级、设计使用年限、建筑层数和建筑高度、防火设计建筑分类和耐火等级,人防工程防护等级、屋面防水等级、地下室防水等级、抗震设防烈度等,以及能反映建筑规模的主要技术经济指标。
2设计标咼本子项的相对标高与绝对标高的关系。
3设计依据4简述建筑的功能分区、平面布局、立面造型及周围环境的关系5简述建筑的交通组织、垂直交通设施布局,以及采用的电梯数量、吨位、速度等参数。
6简述建筑外立面用料、屋面构造及用料、装修使用的主要或特殊建筑材料。
7对采用新技术、新材料的作法及对特殊建筑造型和构造加以说明。
8幕墙工程及其他需要另行委托设计的工程容的必要说明。
9对需要分期建设的工程,说明分期建设容的对续建、扩建的设想及相关措施8无障碍设计说明。
9其他需要说明的问题。
10节能设计专篇(另详)。
11防火设计专篇(另详)。
522 平面图设计1平面图中的标注尺寸必须与图纸相符。
建筑图中的柱、剪力墙断面尺寸与结构计算尺寸应完全相符,各层平面图应上下对位,各专业洞口应明确标注尺寸,保温层厚度,门窗洞口(宽X高)尺寸等务必准确,避免测绘房屋面积产生误差。
2公共部分包括楼、电梯、走道、管井、应按规和设备要求合理设计。
(1)各种管道井净尺寸必须保证安装、检修的可操作性,设计中不应出现无用的管井。
(2 )楼梯平台处应保证各种门不相互干扰、冲突。
留出足够的通行和搬家具的空间,尤其是单元底层入口处、电梯厅、入户通道的位置。
(3 )各种管道井应合理设计。
各种公共检修门不得设于户(住宅或店铺)(4)应充分考虑公共楼、电梯间的保温隔音做法,各种混凝土墙上洞口要仔细核准,避免二次剔凿。
3厨卫设计(1)应仔细摆布各种上、下水、电气、排烟通风设施的位置,相互不得干扰、冲突,例如次风道入口处不能有管道通过,横、立管不得挡住窗口(2)根据不同户型的要求合理设计厨卫设施的标准型号、留洞位置等。
卫生间采用降板设计做好防水。
(3)厨卫设计应充分考虑使用的合理性,尤其是下水管及烟道、风道的位置,考虑装修时不能移改的特点,合理布置。
(4)厨卫墙面贴瓷砖到顶,地面贴防滑瓷砖。
4厅、卧设计(1)尽量避免暴露梁柱,不得穿越厅、卧空间。
(2)顶层、底层有反梁时,应注意对住宅空间的影响。
应充分考虑梁下空间的高度及梁与墙的偏轴关系。
(3)建筑与结构对图纸进行反复优化。
各种开关、插座由建筑专业负责人牵头,协同各配套专业在方便使用的前提下布置、定位、标注尺寸。
(4)卧厅墙面满刮腻子,地面为水泥砂浆拉毛地面。
5门窗阳台(1)门:管道井门底距地0.2米,电井门尽可能与水管井门尺寸一致。
单元门采用优质彩色视屏对讲楼宇自控防盗门,需注明详细尺寸所有平开门门轴处墙垛长不应小于100mm。
(2 )窗:采用断桥铝合金双层中空玻璃窗。
尺寸按单体设计并应满足窗地比的要求,但不能过窄(如卫生间最少不低于0.6米宽)。
各种设于混凝土墙上的门洞口要仔细核准。
须要通过空调室外机的窗户开启扇宽度不小于600,高度不小于1100。
玻璃的使用应满足规要求。
(3)门窗分格应考虑框料大小与玻璃面积的搭配。
尽量归并相近尺寸的门窗,以减少门窗类型。
设计应明确门窗型材规格、外色调。
(4)阳台:顶层阳台应设阳台顶板遮蔽(并且要完全覆盖顶层阳台地面)。
阳台设不锈钢栏杆,形式由设计单位统一设计,预留埋件。
每户至少一个阳台设上下水,全封闭式,阳台地面贴优质防滑砖,墙体贴防滑砖至1.2米(建议墙面贴瓷砖高度与栏板同高)[。
应充分考虑阳台室泛水和室外高差关系,设计各自构造厚度。
6屋面(1)上人屋面应作好防水处理,但应注意不要设计过于复杂,造成有上翻梁、拐角太多、屋面保温防水难以处理等情况。
(2)出屋面的检修门下口泛水要合理考虑室外高于室的防水节点。
(3)屋面排水均做有组织排水。
7雨水管(1 )除满足汇水面积要求外,雨水管不应随意设置。
(2)雨水管尽量隐蔽布置。
立面上不能挡窗,应尽量设在平面凹槽,以减少对立面的影响,并根据外墙面色彩做相应处理。
(3)雨水管应避免穿过空调板,难以避免时不应影响室外空调机位尺寸。
8空调机位(1)保证每个主要功能房间不少于一个空调机位。
(2)室外空调机冷凝水的排水应经冷凝水立管有组织排放。
(3)客厅按柜式空调考虑,冷凝管穿墙洞留洞套管中距地300,平面图中应详细标明留洞定位。
其余房间为分体式壁挂机,应标明冷凝管穿墙留洞的具体位置及高度。
(4)空调室外机安装在上人平台上时,应避免对人的活动产生不良影响。
(5)空调板下口应做滴水线(槽)。
5.2.3 立面设计(1)外墙1-3层采用仿石面砖,三层以上刷真石漆。
(2)立面设计应与平、剖面图对应,尺寸准确。
应明确标注不同方式的贴砖方法,石条带宽度等。
(3)不同材质、颜色交接处应位于阴角。
(4)雨水管位置、门窗、阳台、空调位均应注明绘出,不可遗漏。
(5)立面设计应与甲方提供的经审查通过的方案一致。
524 剖面设计(1)剖面的位置、数量应详尽,充分反映设计细节,做到不遗漏、不重复。
(2)合理布置地下车库各种管道,保证净高(含管线底高度)不小于 2.4米。
(3)电梯井道、楼梯及车库坡道应有剖面详图。
(4)设计应按有关规保证车库坡道的入口高度、坡度、弯度。
楼梯各处净高不碰头,达到规要求。
(5)混凝土墙上的门、窗洞口尺寸、位置应仔细核准。
5.2.5 构造与墙体(1)住宅外墙体构造应达到建筑节能设计标准,保温做法各种构造节点应详尽、与平、立、剖面图对应,便于索引、查找。
外墙保温做法由设计单位提出意见后统一标准做法。
外墙保温构造需结合外墙不同饰面材料的工艺设计。
(2 )户卫生间隔墙底部混凝土翻沿200高(距结构层)。
(3)预留洞:外墙上所有预留洞均应有水平及竖向定位,梁、柱留洞不仅在建筑图上标注,还应在结构图中注明,并采取相应措施。
526 室外装修(1 )单元入户大堂:墙身贴仿石优质面砖,局部可配木质饰面,天花局部吊顶,地面铺石,踢脚线铺花岗石石材。
(2)公共楼梯及走道墙面、顶棚刮大白刷乳胶漆,楼梯栏杆为不锈钢扶手,楼梯三层以下石材踏步,三层以上及地下为水泥踏步抹平。
(3)底层店铺、住宅户均为水泥砂浆面层,达到清水房标准。
所有顶棚为清水混凝土不抹灰。
(4)电梯厅:地面铺优质仿石地砖、局部吊顶并刷墙涂料,优质仿石砖踢脚,墙身贴优质抛光面砖。
(5)主楼户外踏步铺防滑石材,采用不锈钢护栏。
5.2.7 商业(1 )底层店铺室形态应完整,设上下水管各一处,卫生间应设排气道,并集中考虑空调机位,结合外立面处理。
(2 )店铺室外高差不得超过0.45米(三级踏步),首层商铺层高4.5米(3)店铺室地面为水泥砂浆抹面,墙面及柱体刮腻子刷乳胶漆。
顶棚为清水混凝土不抹灰(4)商铺门为钢化玻璃门,配平开中空玻璃铝合金窗。
(5)结构计算应考虑客户做夹层的荷载,保证安全。
(6 )通道地面铺高级仿石砖,墙身及天花为白色乳胶漆,不锈钢护栏。
5.3 结构专业5.3.1设计依据及设计要求1.本工程采用的主要规、规程(1 )规及规程2.采用设计荷载(1)风荷载:建筑基本风压取50年一遇的风压值wo=0.45kN/m2 ,对于风荷载敏感的结构,承载力设计时应乘以 1.1的系数。
基本雪压:0.30kN/m2 ,准永久系数取0.2。
(2)楼面(屋面)使用活荷载标准值:住宅、物业办公 2.0KN/M2商业、走廊、门厅 3.5KN/M2浴室、卫生间、阳台 2.5KN/M2储藏 5.0KN/M2消防疏散楼梯 3.5KN/M2屋面(不上人)0.5KN/M2上人屋面 2.0KN/M2电梯机房、空调机房7.0KN/M2停车库 4.0KN/M2消防汽车通道20.0KN/M2(3)其余荷载均按《建筑结构荷载规》GB50009-2012 取值。
3.工程地质报告:详见甲方提供的由省城乡建设勘察院完成的地质报告4.本项目的初步设计图纸。