钢结构识图
- 格式:ppt
- 大小:1.59 MB
- 文档页数:77
钢结构图纸基本识图1.绪论;2.制图基本知识;3.投影基本知识;4.投影基本原理;5.投影变换;6.平面建筑形体的投影;7.曲面建筑形体的投影;8.建筑形体的表达方法;9.轴测投影;10.建筑施工图;11.结构施工图;12.正投影中的阴影;13.透视投影;14.展开投影;15.给水排水工程;16.AutoCAD绘图基础。
二:《土木建筑制图》建筑安装工程预决算的编审工作,其基础除了应该了解,熟悉至精通建筑(房屋)的结构构件,组成和部位,相互间的关系和作用。
重要的一课是识图、读图。
工程识图是专业性很强的一门学问。
——什么图可以作为预算的依据?——哪些图可以计算出一件构造的工程量?——从哪些图纸上可以计算出什么材料的实际耗用量?——有了工程量数据怎么来计算它的价值?——工程造价的依据有那些?今天开始的课程将逐步获得答案。
1.1建筑识图与工程量计算(P151)一、建筑识图1、基本概念国家规定,一个工程项目应经过:(1)规划和初步设计阶段;(2)审查后扩大初步设计;(3)审查后施工图设计、又称技术设计。
2、施工图作用:指导施工,技术依据;指导结算,支付进度款依据;指导决算,结算工程款依据。
一套完整的施工图应:A、首页图目:从建施01-、结施01-、水施01-、电施01-(又分强电、弱电、讯施01-)、电通01-。
标准图设计总说明,内容包括:工程设计依据(批文、资金来源、地勘资料等),建筑面积,造价。
设计标准(建筑标准、结构荷载等级、抗震要求,采暖通风要求,照明标准,防火等级等)。
施工要求(技术与材料)项目±0.000与总图绝对标高的相对关系,室内外用材、强度等级。
装修表门窗表B、建筑施工图(简称建施)1、表示建筑物内部布置,外部形状、装修、构造、施工要求等,包括:纵横墙布置、门、窗、楼群梯和公共设施(如洗手间、开水房等)。
2、总平,平、立、剖和各构造详图(包括墙身剖面、楼梯、门窗、厕所、浴室、走廊、阳台等构造和详细做法、尺寸)。
1、建筑体系1-1、门式刚架体系1-1-1、基本构件图1-1-2、说明力学原理门式刚架结构以柱、梁组成的横向刚架为主受力结构,刚架为平面受力体系。
为保证纵向稳定,设置柱间支撑和屋面支撑。
刚架刚架柱和梁均采用截面H型钢制作,各种荷载通过柱和梁传给基础。
支撑、系杆刚性支撑采用热轧型钢制作,一般为角钢。
柔性支撑为圆钢。
系杆为受压圆钢管,与支撑组成受力封闭体系。
屋面檩条、墙梁一般为C型钢、Z型钢。
承受屋面板和墙面板上传递来的力,并将该力传递给柱和梁。
1-1-3、门式刚架的基本形式a.典型门式刚架6 s# ]8 P, H' }) e5 y! X8 Yb.带吊车的门式刚架2 K5 J% N# x' p: p2 Rc.带局部二层的门式刚架1-1-4、基本节点a.柱脚节点" O; `! ^4 Q# r1 @5 j8 L# n* Xb.梁、柱节点+ @. r: U' X" R) g5 l' @4 I% m! D; ?1 n% R■局部二层节点参照多层框架体系。
1-1-5、刚架衍生形式■吊车和局部二层可在衍生形式刚架中布置。
■山墙刚架其本质也是多连跨刚架,不过中间柱与刚架柱比截面旋转了90度。
1-2、多层框架体系1-2-1、框架图示6 V) u$ B5 o1 v3 J1-2-2、说明力学模型a.纯刚接框架:纵横两个方向均采用刚接的框架。
b.刚接-支撑框架:横向采用刚接,纵向采用铰接,并在纵向设置支撑,以传递水平力。
c.支撑式框架:纵横向均采用铰接,两向均设置支撑传递水平力。
d.有时为保证足够的刚度,在刚接框架中亦设置支撑。
框架柱框架柱可采用H型截面、箱形截面、十字形截面、圆管形截面等。
所有上部结构的力都通过框架柱传递给基础。
框架梁框架梁一般采用H型截面。
楼盖和屋盖上的力通过框架梁传递给框架柱。
支撑支撑采用一般采用热轧型钢制作,其功能是传递层间水平力和保证结构的刚度。
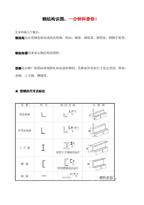
钢结构识图,一分钟科普你!先来明确几个概念:钢结构为由型钢连接而成的结构物,例如:钢梁、钢屋架、钢塔架、钢脚手架等。
钢结构图用来表示钢结构的图样。
型钢是由钢厂按照标准规格轧制而成的钢材,其断面形状如尺寸是定型的,例如:角钢、工字钢、槽钢等。
★ 型钢的代号及标注?★ 钢结构中型钢的连接方法1、焊接2、铆接3、螺栓连接焊接将被连接的型钢在连接部位加热使其和焊条熔化,凝结后成为不可分割的整体。
1、焊缝类型及其符号(1)坡口焊缝(2)贴角焊缝(3)塞焊缝焊缝的图形符号和辅助符号?2、焊缝的标注在钢结构图中,必须把焊缝的位置、形式、尺寸和辅助要求标准清楚。
? 焊缝的标注方法? 焊接标注示例? 焊缝不连续时的画法及标注当焊缝分布不连续时,可见焊缝宜在焊缝处加中实线,不可见焊缝加细栅线? 铆接用铆钉将两块或两块以上的钢板连接在一起?铆接分类1、工厂连接2、现场连接铆钉类型?螺栓连接1、焊接和铆接都是不可拆卸的连接,螺栓连接是可拆卸的连接2、连接方法螺栓、孔、电焊铆钉图例? 钢梁结构图钢梁常用于大、中跨度桥梁中钢梁的种类1、钢板梁2、钢桁梁★ 下承式简支栓焊梁? ★ 钢梁结构图的内容1、设计轮廓图2、节点图3、杆件图4、零件图★ 设计轮廓图? ★ 节点图? ★ 节点构造图? ★ 拼接板、填板的拼装?★ 立体图? ★ 节点板详图? ★ 杆件图? ★ 零件图? 钢屋架结构图★ 概述1、钢屋架2、钢屋架结构图屋架简图、屋架详图(包括节点图)、杆件详图、连接板详图。
★ 屋架简图1、屋架简图又称屋架示意图、屋架杆件几何尺寸简图。
2、比例:1:100、1:2003、单线条表示,杆件长度直接注在单线条旁边。
? ★ 屋架详图1、图样:立面图,上弦实形辅助投影,剖面断面图。
2、比例:两种比例:(1)杆件轴线采用较小比例(1:20,1:15)(2)节点板、杆件、断面采用较**例(1:10,1:5)3、图线:(1)可见轮廓线——中实线(2)不可见轮廓线——中虚线★ 杆件拼接?★ 支座节点图? ★ 屋脊节点图。
钢结构识图培训讲义技术部周耀彬 2009-5-24第一章识图基础一、投影及三视图三视图:正视图(上左)、侧视图(上右)、俯视图(下)三视图在使用是不一定完整,可能只出现其中两个。
有剖视符号的情况下,按照符号所示方向看物体,无剖视符号时,一般习惯的看图方向是:侧视图在正视图的右侧时,表示是站在正视图中物体的右侧向左看;侧视图在正视图的左侧时,表示是站在正视图中物体的左侧向右看;俯视图表示从上向下看到的正视图中的物体看图方向的正确至关重要,决定了装配方向的正确与否,由于详图绘制人员的个体差异,选择表达方式上会有所差异,需要在图面上相互印证,如有不一致处及时和制图人员沟通确认。
二、剖面符号和断面符号1.断面符号表示从符号处剖开看到的断面,不表示断面后方的其他东西;2.剖面符号表示从符号处剖开看到的断面及断面后方的其他东西;3.在钢构详图中,断面符号和剖面符号使用上有些随意,是因为功能上比较接近,着重表达的是看物体的方向。
看物的方向是从粗线朝文字的方向看。
粗线表示人的眼睛,文字表示看的朝向。
三、索引符号及节点符号1.不带剖视方向的索引字母a,如果节点详图不在本图中,就写对应的图纸编号,比如“详图-09”或“09”等。
有时也直接索引出来后直接放大,不用到节点符号,如下图:2.带剖视符号的索引与剖(断)面符号类似,看物的方向是从粗线朝细线的方向看。
粗线表示人的眼睛,细线表示看的朝向。
四、对称符号五、焊缝符号*1.焊缝基本符号(常用):表示焊缝横截面形状的符号序号名称示意图符号1 卷边焊缝2 I形焊缝3 V形焊缝4 单边V形焊缝5 带钝边V形焊缝带钝边单边V形焊缝6 角焊缝7 塞焊缝或槽焊缝2.辅助符号:表示焊缝表面形状特征的符号序号名称示意图符号说明1 平面符号焊缝表面齐平(一般通过加工)2 凹面符号焊缝表面凹陷3 凸面符号焊缝表面凸起不需要确切说明焊缝表面形状是,可以不用辅助符号。
3.补充符号:补充说明焊缝的某些特征而采用的符号序号名称示意图符号说明1 带垫板焊缝底部有垫板2 三面围焊表示三面有焊缝3 周围焊环绕工件周围焊缝4 现场焊表示工地现场进行焊接5典型焊缝(余同)表示类似部位采用相同的焊缝典型焊缝的符号在杭萧公司还引申为“两面或三面的半围焊”(即引申为“两面或三面都采用相同的焊缝”之意),4.尾注:是对焊缝的要求进行备注,一般说明质量等级,适用范围、剖口工艺的具体编号等常用的坡口的形状和尺寸可以查看《建筑钢结构焊接技术规程》(JGJ81-2002),下表是根据规程及我司习惯绘制的坡口节点表,可供参考:5.焊缝尺寸的标注:序号名称示意图焊缝尺寸说明1 对接焊缝S:焊缝有效厚度2 卷边焊缝S:焊缝有效厚度3 连续角焊缝K:焊角尺寸S1,l1:标注边的焊角尺寸、长度S2,l2:标注对面的焊角尺寸、长度或4 断续角焊缝l:焊缝长度(不计弧坑)e:焊缝间距n:焊缝段数5交错断续角焊缝l:焊缝长度(不计弧坑)e:焊缝间距n:焊缝段数K:焊角尺寸说明:当无焊缝长度尺寸是表示焊缝是通长连续的;当对接焊缝(含角对接组合焊缝)无有效深度的尺寸标注时,表示全熔透。
钢结构识图01投影及三视图三视图:正视图(上左)、侧视图(上右)、俯视图(下)三视图在使用是不一定完整,可能只出现其中两个。
有剖视符号的情况下,按照符号所示方向看物体,无剖视符号时,一般习惯的看图方向是:侧视图在正视图的右侧时,表示是站在正视图中物体的右侧向左看;侧视图在正视图的左侧时,表示是站在正视图中物体的左侧向右看;俯视图表示从上向下看到的正视图中的物体看图方向的正确至关重要,决定了装配方向的正确与否,由于详图绘制人员的个体差异,选择表达方式上会有所差异,需要在图面上相互印证,如有不一致处及时和制图人员沟通确认。
02剖面符号和断面符号1.断面符号表示从符号处剖开看到的断面,不表示断面后方的其他东西;2.剖面符号表示从符号处剖开看到的断面及断面后方的其他东西;3.在钢构详图中,断面符号和剖面符号使用上有些随意,是因为功能上比较接近,着重表达的是看物体的方向。
看物的方向是从粗线朝文字的方向看。
粗线表示人的眼睛,文字表示看的朝向。
03索引符号及节点符号1.不带剖视方向的索引左边为索引,右边为对应的节点,表示将圈画中的部分放大绘制细节。
中的字母a表示参看节点,底下的“—”表示“在本图中”,如果节点详图不在本图中,就写对应的图纸编号,比如“详图-09”或“09”等。
有时也直接索引出来后直接放大,不用到节点符号,如下图:1.带剖视符号的索引与剖(断)面符号类似,看物的方向是从粗线朝细线的方向看。
粗线表示人的眼睛,细线表示看的朝向。
04对称符号05焊缝符号焊缝基本符号(常用):表示焊缝横截面形状的符号辅助符号:表示焊缝表面形状特征的符号补充符号:补充说明焊缝的某些特征而采用的符号尾注:是对焊缝的要求进行备注,一般说明质量等级,适用范围、剖口工艺的具体编号等焊缝尺寸的标注:说明:当无焊缝长度尺寸是表示焊缝是通长连续的;当对接焊缝(含角对接组合焊缝)无有效深度的尺寸标注时,表示全熔透。
焊缝表达举例:其他表达方式:直接在图上表达坡口形状尺寸的方法:在国外图纸中的一些表达方式:另外美国图纸很多仍采用英制单位,在看图确定焊缝尺寸是需要进行换算:1英寸(1”)=25.4mm1/16”=1.6mm1/8”=3.2mm1/4”=6.4mm1/2”=12.7mm(1)锅炉钢结构中的一些表达方式:06尺寸标注1.工作点、组立点、检查点的概念(1)W.P.(Working Point)工作点结构设计师最关心的点,构件轴力的交点,一般为构件的中心线的交点。
钢结构识图,一分钟科普你!先来明确几个概念:钢结构为由型钢连接而成的结构物,例如:钢梁、钢屋架、钢塔架、钢脚手架等。
钢结构图用来表示钢结构的图样。
型钢是由钢厂按照标准规格轧制而成的钢材,其断面形状如尺寸是定型的,例如:角钢、工字钢、槽钢等。
★ 型钢的代号及标注?★ 钢结构中型钢的连接方法1、焊接2、铆接3、螺栓连接焊接将被连接的型钢在连接部位加热使其和焊条熔化,凝结后成为不可分割的整体。
1、焊缝类型及其符号(1)坡口焊缝(2)贴角焊缝(3)塞焊缝焊缝的图形符号和辅助符号?2、焊缝的标注在钢结构图中,必须把焊缝的位置、形式、尺寸和辅助要求标准清楚。
? 焊缝的标注方法? 焊接标注示例? 焊缝不连续时的画法及标注当焊缝分布不连续时,可见焊缝宜在焊缝处加中实线,不可见焊缝加细栅线? 铆接用铆钉将两块或两块以上的钢板连接在一起? 铆接分类1、工厂连接2、现场连接铆钉类型?螺栓连接1、焊接和铆接都是不可拆卸的连接,螺栓连接是可拆卸的连接2、连接方法螺栓、孔、电焊铆钉图例? 钢梁结构图钢梁常用于大、中跨度桥梁中钢梁的种类1、钢板梁2、钢桁梁★ 下承式简支栓焊梁? ★ 钢梁结构图的内容1、设计轮廓图2、节点图3、杆件图4、零件图★ 设计轮廓图? ★ 节点图? ★ 节点构造图? ★ 拼接板、填板的拼装?★ 立体图? ★ 节点板详图? ★ 杆件图? ★ 零件图? 钢屋架结构图★ 概述1、钢屋架2、钢屋架结构图屋架简图、屋架详图(包括节点图)、杆件详图、连接板详图。
★ 屋架简图1、屋架简图又称屋架示意图、屋架杆件几何尺寸简图。
2、比例:1:100、1:2003、单线条表示,杆件长度直接注在单线条旁边。
? ★ 屋架详图1、图样:立面图,上弦实形辅助投影,剖面断面图。
2、比例:两种比例:(1)杆件轴线采用较小比例(1:20,1:15)(2)节点板、杆件、断面采用较**例(1:10,1:5)3、图线:(1)可见轮廓线——中实线(2)不可见轮廓线——中虚线★ 杆件拼接?★ 支座节点图? ★屋脊节点图。
一、箍筋表示方法:⑴φ10@100/200(2)表示箍筋为φ10 ,加密区间距100,非加密区间距200,全为双肢箍。
⑵φ10@100/200(4)表示箍筋为φ10 ,加密区间距100,非加密区间距200,全为四肢箍。
⑶φ8@200(2)表示箍筋为φ8,间距为200,双肢箍。
⑷φ8@100(4)/150(2)表示箍筋为φ8,加密区间距100,四肢箍,非加密区间距150,双肢箍。
一、梁上主筋和梁下主筋同时表示方法:⑴3Φ22,3Φ20表示上部钢筋为3Φ22,下部钢筋为3Φ20。
⑵2φ12,3Φ18表示上部钢筋为2φ12,下部钢筋为3Φ18。
⑶4Φ25,4Φ25表示上部钢筋为4Φ25,下部钢筋为4Φ25。
⑷3Φ25,5Φ25表示上部钢筋为3Φ25,下部钢筋为5Φ25。
二、梁上部钢筋表示方法:(标在梁上支座处)⑴2Φ20表示两根Φ20的钢筋,通长布置,用于双肢箍。
⑵2Φ22+(4Φ12)表示2Φ22 为通长,4φ12架立筋,用于六肢箍。
⑶6Φ25 4/2表示上部钢筋上排为4Φ25,下排为2Φ25。
⑷2Φ22+ 2Φ22表示只有一排钢筋,两根在角部,两根在中部,均匀布置。
三、梁腰中钢筋表示方法:⑴G2φ12表示梁两侧的构造钢筋,每侧一根φ12。
⑵G4Φ14表示梁两侧的构造钢筋,每侧两根Φ14。
⑶N2Φ22表示梁两侧的抗扭钢筋,每侧一根Φ22。
⑷N4Φ18表示梁两侧的抗扭钢筋,每侧两根Φ18。
四、梁下部钢筋表示方法:(标在梁的下部)⑴4Φ25表示只有一排主筋,4Φ25 全部伸入支座内。
⑵6Φ25 2/4表示有两排钢筋,上排筋为2Φ25,下排筋4Φ25。
⑶6Φ25 (-2 )/4 表示有两排钢筋,上排筋为2Φ25,不伸入支座,下排筋4Φ25,全部伸入支座。
⑷2Φ25 + 3Φ22(-3)/ 5Φ25表示有两排筋,上排筋为5根。
2Φ25伸入支座,3Φ22,不伸入支座。
下排筋5Φ25,通长布置。
五、标注示例:KL7(3)300×700 Y500×250φ10@100/200(2) 2Φ25N4Φ18(-0.100)4Φ256Φ25 4/2 6Φ25 4/2 6Φ25 4/24Φ25 □———————————□———————□———————————□4Φ252Φ254Φ25300×700N4φ10KL7(3) 300×700 表示框架梁7,有三跨,断面宽300,高700。
钢结构识图培训讲义技术部周耀彬 2009-5-24第一章识图基础一、投影及三视图三视图:正视图(上左)、侧视图(上右)、俯视图(下)三视图在使用是不一定完整,可能只出现其中两个。
有剖视符号的情况下,按照符号所示方向看物体,无剖视符号时,一般习惯的看图方向是:侧视图在正视图的右侧时,表示是站在正视图中物体的右侧向左看;侧视图在正视图的左侧时,表示是站在正视图中物体的左侧向右看;俯视图表示从上向下看到的正视图中的物体看图方向的正确至关重要,决定了装配方向的正确与否,由于详图绘制人员的个体差异,选择表达方式上会有所差异,需要在图面上相互印证,如有不一致处及时和制图人员沟通确认。
二、剖面符号和断面符号1.断面符号表示从符号处剖开看到的断面,不表示断面后方的其他东西;2.剖面符号表示从符号处剖开看到的断面及断面后方的其他东西;3.在钢构详图中,断面符号和剖面符号使用上有些随意,是因为功能上比较接近,着重表达的是看物体的方向。
看物的方向是从粗线朝文字的方向看。
粗线表示人的眼睛,文字表示看的朝向。
三、索引符号及节点符号1.不带剖视方向的索引字母a,如果节点详图不在本图中,就写对应的图纸编号,比如“详图-09”或“09”等。
有时也直接索引出来后直接放大,不用到节点符号,如下图:2.带剖视符号的索引与剖(断)面符号类似,看物的方向是从粗线朝细线的方向看。
粗线表示人的眼睛,细线表示看的朝向。
四、对称符号五、焊缝符号*1.焊缝基本符号(常用):表示焊缝横截面形状的符号序号名称示意图符号1 卷边焊缝2 I形焊缝3 V形焊缝4 单边V形焊缝5 带钝边V形焊缝带钝边单边V形焊缝6 角焊缝7 塞焊缝或槽焊缝2.辅助符号:表示焊缝表面形状特征的符号序号名称示意图符号说明1 平面符号焊缝表面齐平(一般通过加工)2 凹面符号焊缝表面凹陷3 凸面符号焊缝表面凸起不需要确切说明焊缝表面形状是,可以不用辅助符号。
3.补充符号:补充说明焊缝的某些特征而采用的符号序号名称示意图符号说明1 带垫板焊缝底部有垫板2 三面围焊表示三面有焊缝3 周围焊环绕工件周围焊缝4 现场焊表示工地现场进行焊接5典型焊缝(余同)表示类似部位采用相同的焊缝典型焊缝的符号在杭萧公司还引申为“两面或三面的半围焊”(即引申为“两面或三面都采用相同的焊缝”之意),4.尾注:是对焊缝的要求进行备注,一般说明质量等级,适用范围、剖口工艺的具体编号等常用的坡口的形状和尺寸可以查看《建筑钢结构焊接技术规程》(JGJ81-2002),下表是根据规程及我司习惯绘制的坡口节点表,可供参考:5.焊缝尺寸的标注:序号名称示意图焊缝尺寸说明1 对接焊缝S:焊缝有效厚度2 卷边焊缝S:焊缝有效厚度3 连续角焊缝K:焊角尺寸S1,l1:标注边的焊角尺寸、长度S2,l2:标注对面的焊角尺寸、长度或4 断续角焊缝l:焊缝长度(不计弧坑)e:焊缝间距n:焊缝段数5交错断续角焊缝l:焊缝长度(不计弧坑)e:焊缝间距n:焊缝段数K:焊角尺寸说明:当无焊缝长度尺寸是表示焊缝是通长连续的;当对接焊缝(含角对接组合焊缝)无有效深度的尺寸标注时,表示全熔透。
钢结构识图大全HUA system office room 【HUA16H-TTMS2A-HUAS8Q8-HUAH1688】1、建筑体系1-1、门式刚架体系1-1-1、基本构件图1-1-2、说明力学原理门式刚架结构以柱、梁组成的横向刚架为主受力结构,刚架为平面受力体系。
为保证纵向稳定,设置柱间支撑和屋面支撑。
刚架刚架柱和梁均采用截面H型钢制作,各种荷载通过柱和梁传给基础。
支撑、系杆刚性支撑采用热轧型钢制作,一般为角钢。
柔性支撑为圆钢。
系杆为受压圆钢管,与支撑组成受力封闭体系。
屋面檩条、墙梁一般为C型钢、Z型钢。
承受屋面板和墙面板上传递来的力,并将该力传递给柱和梁。
1-1-3、门式刚架的基本形式a.典型门式刚架b.带吊车的门式刚架c.带局部二层的门式刚架1-1-4、基本节点a.柱脚节点b.梁、柱节点■局部二层节点参照多层框架体系。
1-1-5、刚架衍生形式■吊车和局部二层可在衍生形式刚架中布置。
■山墙刚架其本质也是多连跨刚架,不过中间柱与刚架柱比截面旋转了90度。
1-2、多层框架体系1-2-1、框架图示1-2-2、说明力学模型a.纯刚接框架:纵横两个方向均采用刚接的框架。
b.刚接-支撑框架:横向采用刚接,纵向采用铰接,并在纵向设置支撑,以传递水平力。
c.支撑式框架:纵横向均采用铰接,两向均设置支撑传递水平力。
d.有时为保证足够的刚度,在刚接框架中亦设置支撑。
框架柱框架柱可采用H型截面、箱形截面、十字形截面、圆管形截面等。
所有上部结构的力都通过框架柱传递给基础。
框架梁框架梁一般采用H型截面。
楼盖和屋盖上的力通过框架梁传递给框架柱。
支撑支撑采用一般采用热轧型钢制作,其功能是传递层间水平力和保证结构的刚度。
1-2-3、基本节点a.柱脚节点■柱脚节点同门式刚架体系。
b.柱、梁节点?2、支撑、系杆2-1、图示柱间柔性支撑柱间刚性支撑2-2、说明■支撑分为柔性支撑和刚性支撑两种。
柔性支撑由圆钢制作,安装时必须张紧,主要用于门式刚架结构。
1、建筑体系1-1、门式刚架体系1-1-1、基本构件图1-1-2、说明力学原理门式刚架结构以柱、梁组成的横向刚架为主受力结构,刚架为平面受力体系。
为保证纵向稳定,设置柱间支撑和屋面支撑。
刚架刚架柱和梁均采用截面H型钢制作,各种荷载通过柱和梁传给基础。
支撑、系杆刚性支撑采用热轧型钢制作,一般为角钢。
柔性支撑为圆钢。
系杆为受压圆钢管,与支撑组成受力封闭体系。
屋面檩条、墙梁一般为C型钢、Z型钢。
承受屋面板和墙面板上传递来的力,并将该力传递给柱和梁。
1-1-3、门式刚架的基本形式a.典型门式刚架6 s# ]8 P, H' }) e5 y! X8 Yb.带吊车的门式刚架2 K5 J% N# x' p: p2 Rc.带局部二层的门式刚架1-1-4、基本节点a.柱脚节点" O; `! ^4 Q# r1 @5 j8 L# n* Xb.梁、柱节点+ @. r: U' X" R) g5 l' @4 I% m! D; ?1 n% R■局部二层节点参照多层框架体系。
1-1-5、刚架衍生形式* t! z- I3 P. F& J! `; T* E: y/ \■吊车和局部二层可在衍生形式刚架中布置。
■山墙刚架其本质也是多连跨刚架,不过中间柱与刚架柱比截面旋转了90度。
1-2、多层框架体系1-2-1、框架图示6 V) u$ B5 o1 v3 J1-2-2、说明力学模型a.纯刚接框架:纵横两个方向均采用刚接的框架。
b.刚接-支撑框架:横向采用刚接,纵向采用铰接,并在纵向设置支撑,以传递水平力。
c.支撑式框架:纵横向均采用铰接,两向均设置支撑传递水平力。
d.有时为保证足够的刚度,在刚接框架中亦设置支撑。
框架柱框架柱可采用H型截面、箱形截面、十字形截面、圆管形截面等。
所有上部结构的力都通过框架柱传递给基础。
框架梁框架梁一般采用H型截面。
楼盖和屋盖上的力通过框架梁传递给框架柱。