2019中考物理知识点全突破系列专题70----有用功和额外功
- 格式:docx
- 大小:404.65 KB
- 文档页数:19
有用功、额外功、总功有用功、总功、额外功的正确理解,是解决机械效率问题的关键。
在教学中我是通过以下方法来学习的。
一、通过事例认识有用功、总功、额外功1、学生阅读课文中的想想议议,根据教师提出的问题,以小组为单位展开讨论。
问题一:图中三种方法做功哪个多?问题二:图中哪种方法额外功多?问题三:图中哪种方法好,为什么?如果让你把重100N的沙子运上三楼,图中的三种办法,你选哪种?对于上面现象的分析,不难发现每种方法中都只有一个是我们所需要做的功,对沙子做的功既有用功;在分析二、三种方法发现对于桶、克服重力、动滑轮口袋等做的功是我们不需要的、但又不得不做的功,即额外功;最后引出总功,并且这三者的关系不言而喻。
2、举例提问加深理解有用功、额外功、总功的概念提问,人用水桶从井中提水,有用功、额外功、总功各是什么?回答:提升水做的功是有用功;提升水桶做的功是额外功;二者之和为总功。
再问:水桶掉进水井中去了,要把水桶打捞上来,水桶中带了一些水,问有用功、额外功、总功各是什么?回答:提升水桶做的功是有用功,提水做的功是额外功、二者之和是总功列举生活中的种种实际情况,学生体会并真正理解什么叫“我们需要做的功”和“我们不需要但不得不做的功”,进一步明确对三种功的理解。
视学生理解程度可再举几个例子。
2.通过学生探究活动加深对总功、有用功和额外功三个概念的理解。
学生活动内容:将钩码提升一定高度活动方式:(1)直接用测力计将钩码提升一定高度,记下测力计的示数,计算此时拉力做功W1(2)用测力计通过滑轮组将钩码提升相同高度,记下测力计的示数,计算此时拉力做功W2学生讨论:(1)在以上两个过程中,总功、有用功分别是什么?(2)为什么W1 小于W2,他们的差值是什么?为什么有这样的差值?教师总结:我们的目的是把钩码提升一定高度,所以直接提钩码的力所做的功,无论采取哪种方法都必须做的功,这是有用的功。
用滑轮组将将钩码提升一定高度,在将钩码提升一定高度的同时,还不得不对动滑轮做了功,此外还要克服各种摩擦做功,这部分对钩码提升高度没有用,但又不得不做的功,是额外功。
中考物理功和功率知识点总结中考物理功和功率知识点总结物理学是研究物质最一般的运动规律和物质基本结构的学科。
作为自然科学的带头学科,物理学研究大至宇宙,小至基本粒子等一切物质最基本的运动形式和规律,因此成为其他各自然科学学科的研究基础。
下面是店铺精心整理的中考物理功和功率知识点总结,希望对大家有所帮助。
中考物理功和功率知识点总结1一、功1.概念:如果一个力作用在物体上,物体在这个力的方向上移动了一段距离,力学里就说这个力做了功。
这个功的概念主要是针对机械功定义的。
2.做功的两个必要因素:一个是作用在物体上的力,另一个是物体在这个力的方向上通过的距离。
“必要”的含义是指做功的两个因素必须都有,缺一不可,否则就没有做功。
力对物体不做功的情况,可分为以下三种情况:①物体受到力的作用但没有通过距离,这个力对物体没有做功。
例如人用力推大卡车但没有推动;一个人提着一袋大米站着不动,力都没有对物体做功。
②物体不受外力,由于惯性而运动的物体,虽然通过了一段距离,但物体没有受到力的作用,这种情况也没有做功。
例如在光滑的冰面上滑动的冰块,靠惯性向前运动,虽然在水平方向上通过了距离,但是并没有水平方向上的力作用于它,所以没有什么力对冰块做功。
③物体通过的距离跟它受力的方向垂直,这种情况虽然有力的作用,物体也通过了一段距离,但这个距离不是在力的方向上通过的距离,这个力也没有做功。
例如人在水平面上推车前进,重力的方向是竖直向下的,车虽然通过了距离,但不是在重力方向上通过的距离,因而重力没有对车做功。
3.功的计算:在物理学中,把力与在力的方向上移动的距离的乘积叫功;如果用F表示力,s表示在力的方向上通过的距离,W表示功,那么功的'计算公式就是W=F·s.4.功的正、负与零功根据功的计算公式W=F·S·cosα可得出下列几种情况:①当α=90°时,cosα=0,则W=0,即力对物体不做功。
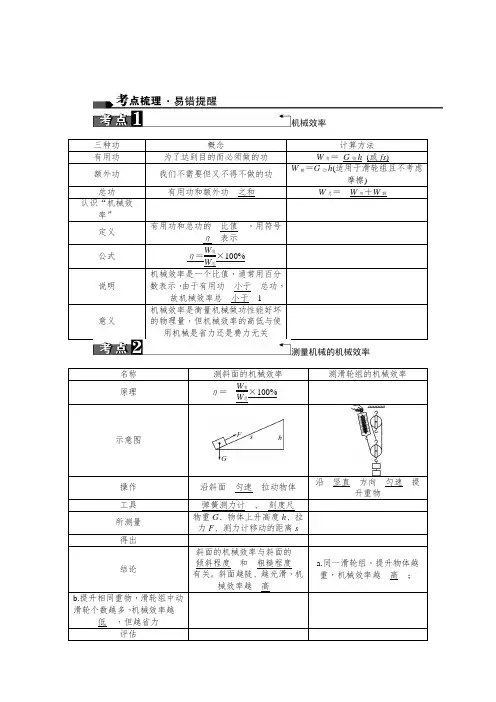
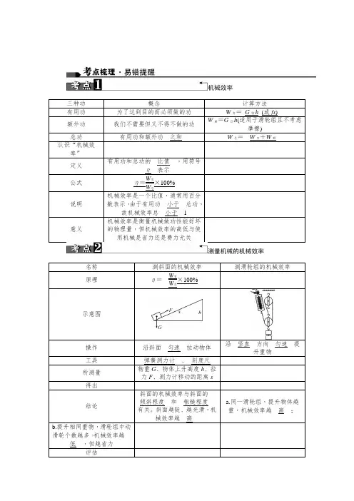
初中物理机械效率知识点知识点一:机械效率1.“有用功”、“额外功”及“总功”的含义:有用功(W 有用):克服物体的重力所做的功(W=Gh )。
额外功(W 额外):克服机械自身的重力做功、克服摩擦力和绳子自重所做的功(忽略不计不用计算)。
总功(W 总):有用功和额外功的总和,即。
(W=Fs )2.机械效率定义:在机械做功时,是有用功在总功中所占的份额越大越好,有用功占的比例大,说明机械工作效率高。
在物理学中 把有用功W 有用与总功W 总 的比值,叫做机械效率。
如果用η表示机械效率(常用百分比表示),呢么η=3. 00100-⨯=总额外总W W W η4. 00100⨯+=额外有用有用W W W η5. 额外有用总W W W +=6. 有用总额外W W W -=7. 额外总有用W W W -=3.使用机械做功总是希望机械效率越大越好如何提高机械效率呢?方法一:额外功一定时,增加有用功;方法二:有用功一定时,减少额外功例1、如图所示,滑轮组将重50 N 的物体A 以0.2 m/s 的速度沿水平地面匀速向前拉动了1 m,拉力F 大小为10 N,滑轮组的机械效率为80%,下列说法中正确的是 ( ) A.拉力F 做功的功率为2 W B.2 s 内绳子自由端移动的距离为0.4 m C.滑轮组做的有用功为50 J D.物体A 受到水平地面的摩擦力为16 N例2、[2018·广安] 如图所示,斜面长3 m 、高0.6 m,建筑工人用绳子在6 s 内将重500 N 的物体从%总有用X100WW其底端沿斜面向上匀速拉到顶端,拉力是150 N(忽略绳子的重力),则下列说法正确的是( )A.斜面上的摩擦力是50 NB.拉力的功率是50 WC.拉力所做的功是300 JD.斜面的机械效率是80%例3、工人利用如图所示的滑轮组匀速提升重600 N的货物,绳子自由端被竖直向上移动6 m,该过程所做额外功为300 J。
一、教材分析本节主要包括“有用功、额外功和总功以及机械效率两大方面的内容,体会有用功、额外功和总功是建立机械效率的需要,所以成为这一节的重点,它既是前面的知识的延伸,又是功的知识在生活实际中广泛的应用,正确建立有用功、额外功和总功的概念,对机械效率概念的正确理解具有非常重要的指导意义。
二、教法与学法教学过程涉及的主要方法是:教师讲解法和举例讲述法,学生实验探究、自学讨论法等。
三、设计思路本节课在教学设计过程中,既要利用学生原有知识水平和实验能力,又要考虑学生需要借助具体事物来帮助思维的情况。
因此本节课是以“再探斜面机械效率”为核心实验,利用各种不同的动滑轮,先让学生参与活动和讨论,来认识体会有用功、额外功和总功;再让学生利用数据进行计算,认识机械效率的公式应用;最后通过结果差异的原因分析,从而使学生知道影响机械效率的因素及提高机械效率的方法。
四、教学流程设计1.新课导入:师:我们学校要建教学楼,现在需把100 N重的砂子运到6 m高的楼上。
想想看,有哪些方法,可以把砂子运上去?在投影仪上映出如图:2.新课过程:生:可以把砂子装在桶里或装在袋子里,人提上去。
可以用起重机吊上去。
还可以用动滑轮或滑轮组等简单机械将砂子运上去。
师:同学们回答得都很好。
我们可以有许多办法将砂子运上楼。
现在我们选取其中的一种做个模拟实验,请大家讨论。
(电脑模拟动画)这是一个利用滑轮组提升砂子的装置图,请观察和思考:①几段绳子承担物体和滑轮的总重?②砂子升高h,绳子末端移动的距离s是多少?③直接只把100 N重的砂子运上6 m高的楼上,需要做多少功?④如果通过滑轮组,绳子末端用了40 N的拉力将砂子运上去,实际做了多少功?⑤想一想,这两个功为什么不相等?生:提砂子上楼时也要把桶、动滑轮提上去,还要对桶和动滑轮做功;另外绳和滑轮之间还有摩擦,也需要做功。
师:我们的目的是把砂子运上楼,所以把100 N重的砂子运到6 m高的楼上,无论采取哪种方法都必须做的功,这是有用的功。
有用功和额外功一、单选题1.图1中力Fi 水平拉动重为G 的物体A 在水平路面匀速移动了 s 。
改用滑轮组拉动A 在同一路面匀速移A, 总功为F :sB, 额外功为乌sGsC. 机械效率为-~—-日(3s )D. 额外功为3F 2s - F{s2. 小明同学的体重为500 0 ,用重10 0的水桶提着重100 N 的水登上5 m 高的教室,在这一过程中,他做的有用功和额外功分别是( )A, 500 J, 50 JB, 500 J, 2550 JC, 550 J, 2500 JD, 3000 J, 50 J3. 如图所示小明分别用甲乙两个滑轮把同一袋沙子从地面匀速提到二楼,用甲滑轮所做的总功为Wi ,机械效率为L;用乙滑轮所做的总功为W,,机械效率为n 2 ,若不计绳重及摩擦,则( )Hi> n 2nK 心Hi> n 2ni<n 2A. W 『W2B. Wi=W 2C. Wi<w 2D. Wi>W 24.如右图所示,某同学使用动滑轮把600N 的重物匀速提升了 3m,所用的拉力是400N 。
下列说法正确的是B.有用功是C.额外功是D. 总功是2100J A.机械效率是80% 1800J300J5.用功率恒为160W 的拉力,使质量为5kg 的物体以4m/s 的速度沿30°角的斜坡匀速拉到坡顶,已知斜坡 长60m,则下列说法错误的是( )A.物体从斜坡底端到达坡顶的时间是15s是40NC,物体上坡时受到的摩擦力为15N机械效率是50%6.如图所示,用拉力尸使物体竖直匀速上升,下列说法正确的是( B.物体上坡时的牵引力D.斜面的)A.对物体做的功是额外功 B,拉力尸做的功是有用功C.拉力尸移动的距离是物体移动距离的2倍D.增加物体重力可以提高滑轮组的机械效率7. 用同一滑轮组分别把100 N 和200 N 的重物匀速提高5m,如果两种情况下的额外功相等,则( )A. 所做的总功相等B. 所做的有用功不相等C. 两次的机械效率相等D. 用于拉绳子的力两次相等8. 如图所示,在斜面上将一个重9N 的物体匀速拉到高处,沿斜面向上的拉力为5N,斜面长3m,高血。
区分有用功和额外功:
区分有用功与额外功的关键是看我们需要达到什么做功目的。
在同一做功过程中,目的不同,功的性质就不一样。
例如:用桶将水从水井中提出来,提水是我们需要的,而提桶是不需要,但又不得不做的功,故克服水重做的是有用功,而克服桶重做的是额外功;如果是一只桶掉入水井里,我们要将桶从井中提出来,则克服桶重做的是有用功,而克服桶中可能带出来的水的重力所做的功就是额外功了。
1. 使用机械不能省功.由于机械自重和摩擦等因素的影响,使用机械时,我们要多做功.
2. 有用功、额外功、总功
在物理学中,把完成某项任务时有实用价值的功,叫做有用功,用W 有来表示.
把其他无实用价值而又不得不做的功,叫做额外功,用W额表示.有用功和额外功之和,叫做总功,用W总表示.
W总=W有+W额
3. 使用机械的过程中,额外功主要来自于机械自重以及摩擦.
计算有用功,额外功和总功的方法:
1. 总功的计算:
(1)定义法:W总=Fs
(2)总功等于有用功和额外功之和,即W总=W有用+W额外
(3)公式法:
2. 有用功的计算方法:
(1)定义法:W有用=Gh
(2)W有用=W总-W额外
(3)公式法:
3. 额外功的计算方法:
(1)定义法:
(2)W额外=W总-W有用
(3)公式法:。
【2019最新】中考初中物理知识点:功【知识点拓展】怎样区分总功和有用功word版
例如,用滑轮组提升物体时,我们的目的是要把物体提升一定的高度,因此所做的有用功为W有用=Gh,h为物体被提升的高度,G为物体所受的重力。
而人在提升物体的同时,还要克服摩擦和动滑轮的重量而做功,所以此时人对滑轮组所做的功就是总功,它等于人对绳的拉力F与绳在拉力下移动的距离S的乘积,即W总=FS
又如,在用斜面提升物体时,我们的目的是要把物体提升到某一高度,因此所做的有用功为W有用=Gh,其中G为物体所受的重力,h为物体被提升的高度。
而人在斜面方向拉动物体的过程中,还要克服物体与斜面间的摩擦做功,所以人做的总功为人对物体的拉力F 与物体在拉力方向移动距离S的乘积,即W总=FS。
再如,当用桶从井口提水的时候,我们的目的是提水,所以人对水做的功才是我们的有用功,而提水时不得不提起桶,所以对桶做的功是额外功。
而从井里捞桶的时候,我们的目的是打捞桶,因此对桶所做的功是有用功,而附带提起的水对我们来说是没用的,所以这时候对水所做的功是额外功。
- 1 - / 1。
1.李玲玲同学用水桶从水井中提水做清洁,她在把水从井底提上来的过程中,下列关于做功的说法中正确的是()A、对桶所做的功是有用功B、对水所做的功是额外功C、对水所做的功是有用功D、对水所做的功是总功答案:C解析:目的是提水,所以对水做的功是有用功.题干评注:有用功、额外功和总功问题评注:有用功是克服有用阻力所做的功2.为了粉刷教室,需要将涂料运到五楼.工人师傅可以采用的方法有:①用人直接搬运上去;②用定滑轮提上去;③用动滑轮提上去.在这几种方法中()A、最省力的是②B、最省力的是③C、做有用功最多的是①D、机械效率最高的是③答案:B解析:用人直接搬运上去和用定滑轮提上去都不省力,用动滑轮提上去可以省一半的力,故A错误,B正确,都是把重物提升相同的高度,所以有用功相同,故C错误,所做额外功最少的是用人直接搬运上去,所做额外功最多的是用动滑轮提上去,所做的有用功相同,所以机械效率最高的是①,故D错误.题干评注:有用功、额外功和总功问题评注:有用功是克服有用阻力所做的功3.工人用滑轮组把一箱箱货物从一楼提升到五楼,在滑轮组上加润滑油后,机械效率提高了,则加润滑油后工人提升同样的重物时,做功的()A、有用功减小,总功不变B、有用功增加,总功增加C、有用功减小,总功减小D、有用功不变,总功减小答案:D解析:在本题中,加润滑油后工人也是提升同样的重物,也就是说对重物做的功是不变的,即有用功是不变的.但加了润滑油,工人用的力肯定就能比较小了,而同样是把货物拉到五楼,力小了,做的功自然就少了,即总功是减小的.所以只有D答案是正确的.题干评注:有用功、额外功和总功问题评注:有用功是克服有用阻力所做的功4.甲同学用水桶从井里提水,乙同学用绳把掉在井中的桶捞上来,水桶里带了一些水,关于两同学做有用功、额外功的说法正确的是()A、甲提水桶做的功都是有用功B、乙提水桶做的功都是有用功C、甲提水桶对桶做的功是额外功D、乙提水桶对桶做的功是额外功答案:C解析:甲同学的目的是提水,所以对水做的功是有用功.但是对桶又不得不做功,则对桶做的是额外功.乙同学的目的是提桶,所以对桶做的功是有用功.但是对水又不得不做功,则对水做的是额外功.题干评注:有用功、额外功和总功问题评注:有用功是克服有用阻力所做的功5.①用水桶从井中提水;②如果该桶掉到井里,从井里捞桶,捞上的桶里带有少量的水,则下列分析错误的是()A、克服水的重力做的功在①中是有用功,在②中则是额外功B、克服桶的重力做的功在①中是额外功,在②中则是有用功C、①中的机械效率比②中高些D、①中做功的功率一定比②中大些答案:D解析:A、对水做的功是有用功,但在②中却是额外功.正确.B、对桶做的功是额外功,但在②中却是有用功.正确.C、在第一次实验中对水做的功在总功中的比值大于在第二次实验中对桶做的功在总功中的比值,正确.D、没有给出时间,无法计算功率.错误.题干评注:有用功、额外功和总功问题评注:有用功是克服有用阻力所做的功6.从井中提水时,常常会发生吊水桶落入井里的事情.用物理知识分析下列说法,其中错误的是()A、用吊水桶向上提水,人对桶和水做的功都是有用功B、用吊水桶向上提水,人对桶做的功是额外功C、吊水桶掉在井里,打捞水桶时桶里会带些水,这时人对水做的功是额外功D、吊水桶掉在井里,打捞水桶时,人对桶做的功是有用功答案:A解析:用吊水桶向上提水,目的是提水,所以对水做的功是有用功.但是对桶又不得不做功,则对桶做的是额外功,故A错、B正确;吊水桶掉在井里,打捞水桶时,目的是提桶,所以对桶做的功是有用功.但是对水又不得不做功,则对水做的功是额外功,故C、D正确.题干评注:有用功、额外功和总功问题评注:有用功是克服有用阻力所做的功7.如图所示的动滑轮重5N,不计绳重和摩擦,用力F匀速提起重为45N的重物,并使其升高1m,则拉力所做的有用功为J,此装置的机械效率为答案:45、90%.解析:根据题目已知条件,分别利用公式W有用=G物h、W额=G动h来计算有用功和额外功,然后加起来就是总功,最后用公式η= W有用/W总计算机械效率.题干评注:有用功、额外功和总功问题评注:有用功是克服有用阻力所做的功8.人用水桶从井中提水的时候,对水所做的功是功,对桶和绳所做的功是功.答案:有用,额外.解析:从井中提水,目的是提水,对水做的功是有用功;提水的同时要把水桶和绳子提起,对水桶和绳子做的功对人没有用,但又不得不做,为额外功.题干评注:有用功、额外功和总功问题评注:有用功是克服有用阻力所做的功9.小明想从井中提水上来,他使用桶来完成,则他对做的功是有用功.则他对做的功是额外功.答案:水;桶.解析:根据题意小明想从井中提水上来,他使用桶来完成,那么他对水做的功是有用功,对桶做的功就是额外功题干评注:有用功、额外功和总功问题评注:有用功是克服有用阻力所做的功10.用长绳和水桶在井里提水时,对做的功是有用功,请提出一条提高这件工作机械效率的措施:答案:水;一次提起更多的水或用质量较小的桶提水.解析:提水的时候,只有对水做的功是有用的,克服摩擦和克服水桶的重力做的功都是额外功,但都是必须做的.提高机械效率的办法是减小额外功和增大有用功.题干评注:有用功、额外功和总功问题评注:有用功、额外功和总功。
正确理解有用功和额外功从做功的意义上来讲,就是人因需要而做的功叫做有用功,额外功是指人们在做功时,并不需要做,但是为了达到目的而不得不做的功.例如,人想要提水上楼,人对水做的功就是为了满足需要而做的,其大小等于水重乘以提升的高度。
人在提水时,必须有盛水的容器,如水桶等,人在提升水的同时,也对容器做了功,而人对容器所做功并不是目的,但是又不得不做,因为没有容器,水是无法提升的,所以,人对容器所做的功是额外功,其大小等于。
常见的额外功有:使用滑轮组时,克服轮与轴之间摩擦所做的功,还有克服滑轮的自重所做的功等.克服摩擦所做的功并不一定都是额外功如图所示,一个滑轮组拉动水平面上的一个物体,克服物体受到的摩擦力所做的功是有用功,而不是额外功.如何提高机械效率(1)尽量减小机械本身的自重,减小摩擦,从而尽量减小额外功.(2)在额外功一定时,在机械能承受的范围内尽可能增加每次提起重物的重力,以充分发挥机械的作用.实验中一定要匀速拉动弹簧秤因为只有匀速拉动弹簧秤,根据二力平衡的知识,弹簧秤的读数才是不变的,否则,弹簧秤上的读数变化不定,就不能读准拉力的大小.影响滑轮组的机械效率的主要因素有:动滑轮重、摩擦、物重具体有:(1)若用不同的滑轮组提起相同的重物在同一高度,由于相同,但是由于动滑轮重,做的额外功多,有用功在总功中占的比例就小,故而机械效率就低.(2)若用绕绳方法不同但滑轮数相同的滑轮组提起同一重物时,由于做的有用功、克服动滑轮重力做的额外功都相同,但由于绳绕的方法不同,所用的拉力小,绳与轮间的压力就小,摩擦方就小,相应就小,有用功在总功中占的比例就大,故而机械效率就高.(3)若用绕绳方法相同的滑轮组提起不同的重物,由于轮重和摩擦一定,一定,但对于重的物体由于G大,就大(),在总功中占有的比例就大,机械效率就高.是不是利用的滑轮越多,机械效率就越高分别用滑轮个数不同的滑轮组来提升同一重物时,它们的效率不一样,滑轮个数多的,效率低,因为滑轮组的效率为:当一定时,滑轮个数越多,就越大,所以就越小。
有用功和额外功一、单选题1.图1中力水平拉动重为G的物体A在水平路面匀速移动了s。
改用滑轮组拉动A在同一路面匀速移动了s,拉力为(如图2)。
此过程滑轮组()A.总功为B.额外功为C.机械效率为D.额外功为2.小明同学的体重为500 N,用重10 N的水桶提着重100 N的水登上5 m高的教室,在这一过程中,他做的有用功和额外功分别是()A.500 J,50 JB.500 J,2550 JC.550 J,2500 JD.3000 J,50 J3.如图所示小明分别用甲乙两个滑轮把同一袋沙子从地面匀速提到二楼,用甲滑轮所做的总功为W1,机械效率为η1;用乙滑轮所做的总功为W2,机械效率为η2,若不计绳重及摩擦,则()A.W1=W2η1>η2B.W1=W2η1<η2C.W1<w2η1>η2D.W1>W2η1<η24.如右图所示,某同学使用动滑轮把600N的重物匀速提升了3m,所用的拉力是400N。
下列说法正确的是()A. 机械效率是80%B. 有用功是1800JC. 额外功是300JD. 总功是2100J5.用功率恒为160W的拉力,使质量为5kg的物体以4m/s的速度沿30°角的斜坡匀速拉到坡顶,已知斜坡长60m,则下列说法错误的是()A. 物体从斜坡底端到达坡顶的时间是15sB. 物体上坡时的牵引力是40NC. 物体上坡时受到的摩擦力为15ND. 斜面的机械效率是50%6.如图所示,用拉力F使物体竖直匀速上升,下列说法正确的是()A. 对物体做的功是额外功B. 拉力F做的功是有用功C. 拉力F移动的距离是物体移动距离的2倍D. 增加物体重力可以提高滑轮组的机械效率7.用同一滑轮组分别把100 N和200 N的重物匀速提高5m,如果两种情况下的额外功相等,则()A.所做的总功相等B.所做的有用功不相等C.两次的机械效率相等D.用于拉绳子的力两次相等8.如图所示,在斜面上将一个重9N的物体匀速拉到高处,沿斜面向上的拉力为5N,斜面长3m,高1m。
则下列说法中不正确的是:()A.该过程中做的有用功为9JB.这个斜面的机械效率为60%C.物体所受到的摩擦力是5ND.减小斜面与物体间的摩擦可以提高斜面的机械效率9.将一个重为4.5N的物体沿斜面从底端匀速拉到顶端(如图所示),斜面长1.2m,高0.4m,斜面对物体的摩擦力为0.3N(物体大小可忽略).则下列说法正确的是()A.沿斜面向上的拉力0.3NB.有用功0.36J,机械效率20%C.有用功1.8J,机械效率20%D.总功2.16J,机械效率83.3%10.关于机械效率的问题,下列说法中正确的是()A.做的有用功越多,机械效率一定越高B.单位时间内做功越多,机械效率一定越高C.省力越多的机械,机械效率一定越高D.额外功在总功中所占比例越小,机械效率一定越高11.如图,两个滑轮组由每个质量均相同的滑轮组成,用它们分别将重物G1、G2提高相同的高度,不计绳重和摩擦阻力,下列说法正确的是()A. 若G1=G2,拉力做的额外功相同B. 若G1=G2,拉力做的总功相同C. 若G1=G2,甲的机械效率大于乙的机械效率D. 用同一个滑轮组提起不同的重物,机械效率不变12.如图所示,某工地用滑轮组将重为5000N的货物匀速提升6m,所用时间为20s,在绳的末端所用拉力为2200N,下列说法错误的是()A. M处滑轮的作用是改变力的方向B. 提升货物过程中的有用功是3×104JC. 拉力的功率为660WD. 若只增加货物所受的重力,滑轮组的机械效率将增大13.如图所示,动滑轮重3N,用弹簧测力计竖直向上匀速拉动绳子自由端,1s内将重为27N的物体提高0.2m,如果不计绳重及摩擦,则下列计算结果正确的是()A. 绳子自由端移动的速度为0.2m/sB. 滑轮组的机械效率为90%C. 提升物体所做的有用功为6JD. 弹簧测力计的示数为9N14.用如图所示的滑轮组把重100N的物体匀速提升0.5m,所用的拉力是80N,下列说法正确的是()A. 总功是50J,有用功是80JB. 有用功是50J,额外功是20JC. 总功是100J,有用功是80JD. 总功是80J,机械效率是62.5%15.施工工地上,一个滑轮组经改进后提高了机械效率,用它把同一物体匀速提升同样的高度,改进后和改进前相比较()A. 总功不变,有用功增加了B. 总功不变,额外功减少了C. 有用功不变,总功减少了D. 做的有用功减少了16.施工工地上,一个滑轮组经改进后提高了机械效率,用它把同一物体匀速提升同样的高度,改进后和改进前相比()A.总功不变,有用功增加了B.总功不变,额外功减少了C.有用功不变,总功减少了D.做的有用功减少了二、填空题17.如图所示,斜面长5m,高1m,把重为5000N的物体匀速地推向斜面顶端,若斜面是光滑的,则推力为________N;如果斜面不光滑,其斜面的机械效率为80%,则所用推力为________N,物体受到的摩擦力为________N。
18.利用斜面移动物体可以________(选填“省力”、“省距”、“省功”).小明想把重1000N的木箱搬到高4m,长10m的斜面上,如图所示,他站在斜面上,沿斜面向上用F=500N的拉力将木箱以v=0.2m/s的速度匀速从斜面底端拉到斜面顶端,则小明拉木箱的功率________ ,斜面的机械效率为________,木箱在斜面上的匀速运动时受到摩擦力为________ .19.用图示甲、乙两种方式将同一重物匀速提升相同高度。
图中所有滑轮等重,且不计绳重和摩擦。
在重物上升过程中,甲的有用功________乙的有用功,甲的额外功________乙的额外功,甲的总功________乙的总功,甲的机械效率________乙的机械效率。
(填“大于”“等于”或“小于”)20.如图所示,小曼同学分别用甲、乙两滑轮把同一桶沙从一楼地面提到二楼地面。
用甲滑轮所做的总功为W1,机械效率为η1,用乙滑轮所做的总功为W2,机械效率为η2(若不计绳重与摩擦),则W1________W2,η1________η2(选填“>”、“<”或“=”) 。
21.组合机械的斜面长4m,高2m,将重为100N的物体从斜面的底端匀速拉到顶端,如图所示,需用的拉力为40N,需要的时间是5s。
那么,将物体从底部拉到顶部所做的有用功是________J,拉力做的总功的功率是________W。
22.如图所示,手用F1的力直接将物体B匀速提升h,F1做功为750J.若借助滑轮组把B匀速提升相同高度,滑轮组机械效率是75%,则F2做功为________J;F1:F2=________。
23.如图所示,将一块1m长的木板一端架高0.4m,用50N沿木板的拉力把一个重为100N的小铁块从底端匀速拉到顶端。
此过程中拉力做的总功是________J,机械效率为________,木板对小铁块的摩擦力为________N。
24.某同学利用如图所示装置将重为500N的重物从一楼匀速上到二楼,他在绳端施加的拉力F=300N,每层楼高3m,不计绳重和摩擦.则他做的有用功为________J;动滑轮重为________N.25.如图所示,将一个重10N的物体用沿斜面向上的拉力F=7.5N匀速拉到斜面的顶端,物体沿斜面移动的距离s为5m,上升的高度h为3m,则人对物体做的有用功是________J,斜面的机械效率为________.在高度相同时,斜面越长越________(选填“省力”或“费力”).26.如图所示为电工师傅用移动式升降机抢修一条动力外线,已知升降机的箱蓝重900N,用升降机将重600N的王师傅匀速提升8m,升降机做的有用功________J,升降机的机械效率是________.(伸缩杆和所携带的工具质量不计)三、综合题27.近几年政府推出了“汽车下乡” 、“小排气量购置税减半”、“以旧换新”等政策,极大的促进了汽车行业的发展,随着人民生活水平的不断提高,汽车已经走进我们的家庭,小明的爸爸最近也购买了一辆轿车.小明利用所学的物理知识对汽车进行了一系列探索与研究活动:(1)小明同学阅读了汽车发动机的说明书后,将内燃机的能量流向制成如图甲所示的图表,请根据给出的信息,计算完全燃烧0.2kg的汽油能够获得多少的能量?这些能量能产生多少有用功?(汽油的热值为4.6×107J/kg)(2)汽车行驶时发动机燃烧m质量的汽油,产生的牵引力为F,热机的效率是η,能使汽车前进的距离s 为多少?(用给出物理量的符号表示距离,汽油的热值在本小题中用q表示)(3)通过测量获得轿车以不同速度行驶时对应的制动距离(即从操纵制动刹车到车停下来的距离),数据如表所示:根据表中数据所反映的规律可知,当轿车速度为120km/h时对应的制动距离是多少m.28.在建筑工地上,“吊车”是常见的一种起重设备.如图为吊车上的滑轮组的示意图.在起重过程中,钢丝绳用6×103N的拉力F,将重为1.2×104N的物体在l0s内匀速提升6m(不计绳重和摩擦)求:(1)滑轮组提升重物所做的有用功和总功.(2)滑轮组拉力F的功率.(3)若用该滑轮组匀速提升1.8×104N的重物,则其机械效率是多少?29.小雨用如图甲所示的滑轮组,提升物体A,若将A匀速提高2m做的有用功为2160J,求:(1)物重G A=?(2)若此时滑轮组机械效率为90%(不计绳重和摩擦),小雨的体重为640N,小雨与地面接触面积为4×10﹣2m2,则小雨对地面的压强P地=?(3)如图乙所示,若利用此滑轮组从水下缓慢匀速提起(不计水的阻力)一个边长为0.3m的正方体B,当提到B的下表面所受水的压强为2×103Pa时,小雨对水平地面的压力为120N,则正方体B的密度ρB=?30.如图所示装置是实验室在用轻绳绕成的滑轮组.悬挂的重物G=4.8N,当重物静止于任意位置时,手对轻绳的拉力均为F1=1.8N;当重物匀速上升时,手对轻绳的拉力为F2=2.0N,且物重上升过程中动滑轮恰好转过1圈.已知动滑轮周边凹槽的周长C=0.3m,求(1)动滑轮的重力;(2)重物上升过程中的有用功、总功以及滑轮组的机械效率.31.在斜面上将一个质量为0.4kg的物体,从底端沿斜面匀速拉到顶端(如图所示),所用时间为4s,斜面长s=1m、高h=0.2m,该斜面的机械效率为80%.(g=10N/kg)求:(1)物体受到的重力.(2)拉力所做的有用功.(3)拉力所做的总功和总功率.(4)物体在斜面上受到的摩擦力.32.工人用图示装置在10s内将质量为45kg的货物匀速提升2m,此过程中拉力的功率为120W.(g取10N/kg)求:(1)有用功;(2)滑轮组的机械效率;(3)若工人用此装置匀速提升其他货物,测得拉力大小为300N,额外功占总功的20%,工人提升货物的重.33.如图所示,一卡车车厢车底底板距地面1.5m高,小张把一块3m长的钢板AB搭在车厢底板上,构成一个斜面.他通过这个斜面,用F=600N的力,把一个大木厢从B处推到A处的车上,已知木箱重为1000N.求:(1)小张推木箱做了多少功?(2)这个过程中,斜面的机械效率是多少?(结果保留一位小数)34.如图所示,一个工人用由一个定滑轮和两个动滑轮组成的滑轮组,不计摩擦和绳重,将40Kg的重物经过10s匀速提高4m,所用拉力150N.(g取10N/kg)求:(1)这个工人做的有用功是多少?(2)这个工人做功的功率是多少?(3)若用该滑轮组将800N的重物拉起同样高度,此时滑轮组的机械效率是多少?(保留一位小数)35.如图所示滑轮组,绳重和摩擦均不计,物体重90N,在绳端拉力F为40N的作用下4s内将绳子匀速提升了3m。