检测仪器设备台账
- 格式:docx
- 大小:43.22 KB
- 文档页数:16
工程测量仪器台账管理制度一、管理责任1. 工程测量仪器台账管理工作由工程部门统一负责,工程部门设立专门的仪器台账管理员负责具体的管理和维护工作。
2. 仪器台账管理员负责工程测量仪器的登记、记录、盘点、保养和维修工作,确保仪器的使用和管理按照规定进行。
3. 工程部门领导对仪器台账管理工作进行监督和检查,确保台账管理工作的质量和效果。
二、仪器登记1. 对于所有的工程测量仪器,应当进行登记,包括仪器的名称、型号、规格、厂家、购置日期、购置价格、存放位置等信息。
2. 仪器登记表应当由仪器台账管理员管理,确保仪器的登记信息及时更新和完整。
3. 仪器的登记信息应当与实际情况一一对应,如有遗漏或错误应及时更正。
三、仪器盘点1. 定期对工程测量仪器进行盘点,确保仪器的数量和资产状况与登记信息一致。
2. 盘点工作应当由仪器台账管理员组织,并邀请相关部门的人员参与,盘点结果应当被及时记录和归档。
3. 盘点后,仪器台账管理员应当立即对盘点结果进行核对和处理,确保盘点工作的准确性和及时性。
四、仪器保养1. 工程测量仪器应当定期进行保养和检查,保证仪器的正常使用和稳定性。
2. 仪器保养工作应当由仪器台账管理员负责,并且可以委托专业的维修单位进行维修和保养。
3. 仪器保养记录应当及时更新,并且应当在仪器上做出明显标识,以便工作人员查看和参考。
五、仪器维修1. 工程测量仪器出现故障或损坏时,应当立即进行维修,确保仪器的正常使用。
2. 仪器维修工作应当由仪器台账管理员负责,并且应当及时通知相关部门和人员,以便及时处理。
3. 仪器维修记录应当详细记录,并且应当在维修后进行测试和检验,以确保仪器的正常使用。
六、仪器报废1. 对于已经无法修复或者超过使用寿命的工程测量仪器,应当及时报废。
2. 仪器报废工作应当由仪器台账管理员负责,报废程序和报废记录应当符合公司规定,并经相关部门批准。
3. 报废的仪器应当进行清点和处理,旧仪器的处理必须符合相关法律法规和环保要求。
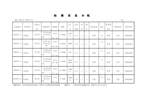
检 测 设 备 台 帐
SQY—QG4.8—2018—23 NO:
编制单位:XXXXXXXXXXXXXXXXX工程EPC总承包项目经理部 编制人: XXXXXXXXX编制时间:2020年 04月 20日
检 测 设 备 台 帐
SQY—QG4.8—2018—23 NO:
编制单位:XXXXXXXXXXXXXXXXX工程EPC总承包项目经理部 编制人: XXXXXXXXX编制时间:2020年 04月 20日
检 测 设 备 台 帐
SQY—QG4.8—2018—23 NO:
编制单位:XXXXXXXXXXXXXXXXX工程EPC总承包项目经理部 编制人: XXXXXXXXX编制时间:2020年 04月 20日
检 测 设 备 台 帐
SQY—QG4.8—2018—23 NO:
编制单位:XXXXXXXXXXXXXXXXX工程EPC总承包项目经理部 编制人: XXXXXXXXX编制时间:2020年 04月 20日
检 测 设 备 台 帐
SQY—QG4.8—2018—23 NO:
编制单位:XXXXXXXXXXXXXXXXX工程EPC总承包项目经理部 编制人: XXXXXXXXX编制时间:2020年 04月 20日
检 测 设 备 台 帐
SQY—QG4.8—2018—23 NO:
编制单位:XXXXXXXXXXXXXXXXX工程EPC总承包项目经理部 编制人: XXXXXXXXX编制时间:2020年 04月 20日
检 测 设 备 台 帐
SQY—QG4.8—2018—23 NO:
编制单位:XXXXXXXXXXXXXXXXX工程EPC总承包项目经理部 编制人: XXXXXXXXX编制时间:2020年 04月 20日。
试验检测仪器设备总台账
精品文档
填表:审核:日期:年月日
试验检测仪器设备总台账
精品文档
填表:审核:日期:年月日
试验检测仪器设备总台账
精品文档
填表:审核:日期:年月日
试验检测仪器设备总台账
精品文档
填表:审核:日期:年月日
试验检测仪器设备总台账
精品文档
填表:审核:日期:年月日
试验检测仪器设备总台账
精品文档
填表:审核:日期:年月日
试验检测仪器设备总台账
精品文档
填表:审核:日期:年月日
试验检测仪器设备总台账
精品文档
填表:审核:日期:年月日
试验检测仪器设备总台账
精品文档
精品文档
填表: 审核:
日期: 年 月
试验检测仪器设备总台账
精品文档
填表:审核:日期:年月精品文档。
检验设备台账表格范本以下是一份检验设备台账表格范本,供参考:设备名称型号规格生产厂家购置日期资产编号鉴定日期下次鉴定日期使用部门存放地点备注万能试验机WAW-300B 300KNXX公司2020/01/01 001 2021/01/01 2022/01/01材料实验室实验室A-超声波探伤仪USM-35X -XX公司2020/05/01 002 2021/05/01 2022/05/01检测中心实验室B需要定期校准金相显微镜GX51 -XX公司2020/09/01 003 2021/09/01 2022/09/01材料实验室实验室A-硬度计TH210 -XX公司2021/03/01 004 2022/03/01 2023/03/01材料实验室实验室A-激光测距仪LDM30 -XX公司2019/12/01 005 2020/12/01 2021/12/01测绘中心实验室C-注:以上表格仅为示例,具体的检验设备台账格式可以根据实际情况进行调整和定制。
在填写设备台账时,需要对每个设备进行详细的记录,包括设备的基本信息、购置和鉴定日期、下次鉴定日期、使用部门、存放地点和备注等内容。
这有助于保证设备的正常使用和管理,并及时发现和解决问题,提高工作效率和安全性。
试验仪器设备台帐与试验台帐试验仪器设备台帐:1. 仪器名称:XRF光谱仪型号:XRF-2000生产厂家:ABC科技购置时间:2020年5月购置金额:100,000元使用部门:化学实验室资产编号:A0001当前状态:正常使用2. 仪器名称:UV-Vis分光光度计型号:UV-1800生产厂家:XYZ科仪购置时间:2018年3月购置金额:80,000元使用部门:化学实验室资产编号:A0002当前状态:需维修3. 仪器名称:拉曼光谱仪型号:Raman-150生产厂家:EFG光电购置时间:2019年10月购置金额:120,000元使用部门:物理实验室资产编号:B0001当前状态:正常使用试验台帐:1. 试验项目:金属拉伸试验设备:拉伸试验机型号:Tensile-2000购置时间:2017年8月购置金额:150,000元使用部门:材料实验室资产编号:C0001当前状态:正常使用2. 试验项目:水质检测设备:水质分析仪型号:Water-300购置时间:2019年2月购置金额:90,000元使用部门:环境实验室资产编号:D0001当前状态:需维修3. 试验项目:地质勘探设备:地震勘探仪型号:Seismic-500购置时间:2018年10月购置金额:200,000元使用部门:地质实验室资产编号:E0001当前状态:正常使用以上为本单位近几年购置的主要试验仪器设备和试验台帐,我们将按照规定定期进行设备维护和保养,以确保设备的正常运行和试验工作的顺利进行。
序号名称品牌规格型号 精度mm 数量 原值(元)/个总值1宏迪0-3米165 6.9448.52宏迪0-5米114151803雄雌0-7.51110104游标卡尺中国桂林0-150mm 0.022********桂林量具0-150mm 0.0111231236桂林量具0-300mm 0.011原老厂7桂林广陆0-150mm 0.0111231238鹰之印0-200mm 11016.5160.59康永量具0-300mm 152311510三角尺雄发量具0-200mm 13133911上海晶花0.02-1.00mm 1121212河北沧州0.05-0.5mm 1原老厂13河北沧州0.02-1.00mm 1原老厂14游标塞尺1-15mm 0.51404015铝合金靠尺76*25*200042510016电子台秤浙江华鹰TCS-1001kg 123023017厦门佰伦斯BL-AC-3000.1g 1原老厂18电子秤浙江华鹰200g-30kg 1kg 115015019千分尺桂林量具0-250.011757520含水率测试仪南京金川MD2881%139039021桂林量具0-300mm 0.021原老厂22桂林量具0-200mm 0.02223游标万能角度尺上海量具0-320°0.1°1969624游标深度尺桂林精宓量具0-200mm 0.021原老厂25天津南华工具100cm 1mm 2387626杭州阳鑫五金150mm1mm 127吊线锤尼龙绳永城2套原老厂28顶尖永城4原老厂29管形测力计江苏常熟衡器LTZ-205N 1原老厂30超声波测厚仪希玛0.11150031可靠性试验架1原老厂32抗折抗压试验机济南鑫光WDW-Y10B1原老厂33检查平台1原老厂34721可见分光光度机1原老厂35游标高度尺不锈钢直尺天津市天盾防火建材有限公司检验设备台账(全公司)卷尺数显卡尺直角尺塞尺。