市政桥梁工程检验批施工用表
- 格式:doc
- 大小:937.50 KB
- 文档页数:70
模板制作检查批质量验收记录市政质检·2·1第页,共页模板、支架和拱架安装检查批质量验收记录(一)市政质检·2·2-1页,共页模板、支架和拱架安装检查批质量验收记录(二)市政质检·2·2-2第页,共页钢筋加工检查批质量验收记录市政质检·2·3第页,共页钢筋成型和安装检查批质量验收记录(一)市政质检·2·4-1第页,共页钢筋成型和安装检查批质量验收记录(二)市政质检·2·4-2第页,共页混凝土检查批质量验收记录(一)市政质检·2·5-1第页,共页混凝土检查批质量验收记录(二)市政质检·2·5-2第页,共页预应力混凝土张拉检查批质量验收记录(一)市政质检·2·6-1第页,共页预应力混凝土张拉检查批质量验收记录(二)市政质检·2·6-2第页,共页砌体检查批质量验收记录市政质检·2·7第页,共页基坑开挖检查批质量验收记录市政质检·2·8第页,共页地基回填土方检查批质量验收记录市政质检·2·9第页,共页现浇混凝土基础检查批质量验收记录市政质检·2·10第页,共页砌体基础检查批质量验收记录市政质检·2·11 第页,共页预制混凝土桩预制检查批质量验收记录市政质检·2·12第页,共页钢管桩制作检查批质量验收记录市政质检·2·13第页,共页沉桩检查批质量验收记录市政质检·2·14第页,共页混凝土灌注桩检查批质量验收记录市政质检·2·15第页,共页沉井制作检查批质量检查记录市政质检·2·16第页,共页沉井下沉检查批质量验收记录市政质检·2·17第页,共页地下持续墙检查批质量验收记录市政质检·2·18第页,共页混凝土承台检查批质量验收记录市政质检·2·19第页,共页墩台砌体检查批质量验收记录市政质检·2·20第页,共页现浇混凝土墩台、柱、挡墙检查批质量验收记录市政质检·2·21第页,共页预制安装混凝土柱检查批质量验收记录市政质检·2·22第页,共页现浇混凝土盖梁检查批质量验收记录市政质检·2·23第页,共页人行天桥钢墩柱制作、安装检查批质量验收记录市政质检·2·24第页,共页台背填土检查批质量验收记录市政质检·2·25第页,共页支座安装检查批质量验收记录市政质检·2·26第页,共页支架上浇筑梁、板检查批质量验收记录市政质检·2·27第页,共页预制安装梁(板)检查批质量验收记录市政质检·2·28第页,共页预制梁、板安装检查批质量验收记录市政质检·2·29第页,共页悬臂浇筑预应力混凝土梁检查批质量验收记录市政质检·2·30第页,共页悬臂拼装预制梁段检查批质量验收记录市政质检·2·31第页,共页悬臂拼装预应力混凝土梁检查批质量验收记录市政质检·2·32第页,共页顶推施工梁检查批质量验收记录市政质检·2·33第页,共页钢板梁制作检查批质量验收记录(一)市政质检·2·34-1第页,共页钢板梁制作检查批质量验收记录(二)市政质检·2·34-2第页,共页钢桁梁节段制作检查批质量验收记录市政质检·2·35第页,共页钢箱形梁制作检查批质量验收记录市政质检·2·36第页,共页钢梁现场安装检查批质量检查记录市政质检·2·37第页,共页结合梁现浇混凝土构造检查批质量验收记录市政质检·2·38第页,共页砌筑拱圈检查批质量验收记录市政质检·2·39第页,共页现浇混凝土拱圈检查批质量验收记录市政质检·2·40第页,共页劲性骨架混凝土拱圈制作检查批质量验收记录市政质检·2·41第页,共页劲性骨架混凝土拱圈安装检查批质量验收记录市政质检·2·42第页,共页劲性骨架混凝土拱圈检查批质量验收记录市政质检·2·43第页,共页装配式混凝土拱部构造(预制拱圈)检查批质量验收记录市政质检·2·44第页,共页。
城市桥梁工程施工与质量验收规范(CJJ2-2008)(检验批表格汇总)目录模板、支架和拱架安装检验批质量检验记录-5-模板、支架和拱架安装检验批质量检验记录续-6-钢筋检验批质量检验记录-7-钢筋检验批质量检验记录-8-混凝土检验批质量检验记录-9-混凝土检验批质量检验记录-10-预应力混凝土检验批质量检验记录-11-预应力混凝土检验批质量检验记录-12-砌体检验批质量检验记录-13-扩大基础基坑开挖及地基检验批质量检验记录-14-扩大基础回填土检验批质量检验记录-15-扩大基础现浇混凝土基础与砌体基础检验批质量检验记录-16-预制桩检验批质量检验记-17-钢管桩检验批质量检验记录-18-沉桩检验批质量检验记录-19-混凝土灌注桩检验批质量检验记录-21-沟槽支护检验批质量检验记录-22-沉井基础检验批质量检验记录-23-地下连续墙检验批质量检验记录-24-现浇混凝土承台检验批质量检验记录-25-砌筑墩台检验批质量检验记录-26-现浇混凝土墩台检验批质量检验记录-27-现浇混凝土墩台检验批质量检验记录-28-预制安装混凝土柱检验批质量检验记录-29-现浇混凝土盖梁检验批质量检验记录-30-人行天桥钢墩柱检验批质量检验记录-31-台背填土检验批质量检验记录-32-支座检验批质量检验记录-33-支架上浇筑梁(板)检验批质量检验记录-34-预制安装梁(板)检验批质量检验记录-35-预制安装梁(板)检验批质量检验记录-36-悬臂浇筑预应力混凝土检验批质量检验记录-37-悬臂拼装预应力混凝土梁检验批质量检验记录-38-顶推施工预应力混凝土梁检验批质量检验记录-39-钢梁检验批质量检验记录-40-钢梁检验批质量检验记录-42-钢梁检验批质量检验记录-43-钢梁现场安装检验批质量检验记录-44-结合梁检验批质量检验记录-45-砌筑拱圈检验批质量检验记录-46-现浇混凝土拱圈检验批质量检验记录-47-劲性骨架混凝土拱圈检验批质量检验记录-48-装配式混凝土拱圈检验批质量检验记录-49-装配式混凝土拱圈检验批质量检验记录-51-钢管混凝土拱圈检验批质量检验记录-52-中下承式拱吊杆和柔性系杆拱检验批质量检验记录-53-转体施工拱检验批质量检验记录-54-拱上结构检验批质量检验记录-55-斜拉桥现浇混凝土索塔检验批质量检验记录-57-现浇混凝土斜拉桥悬臂施工墩顶梁段检验批质量检验记录-58-斜拉桥悬臂浇筑混凝土主梁检验批质量检验记录-59-斜拉桥悬臂拼装混凝土主梁检验批质量检验记-60-斜拉桥钢箱梁拼装检验批质量检验记录-61-斜拉桥钢箱梁拼装检验批质量检验记录-62-斜拉桥结合梁的工字钢梁段悬臂拼装检验批质量检验记录-63-斜拉桥结合梁的混凝土板检验批质量检验记录-64-斜拉桥斜拉索检验批质量检验记录-65-悬索桥锚锭锚固系统检验批质量检验记录-66-悬索桥锚锭混凝土施工检验批质量检验记录-67-悬索桥预应力混凝土张拉检验批质量检验记录-68-悬索桥索鞍安装施工检验批质量检验记录-69-悬索桥索鞍安装施工检验批质量检验记录-71-悬索桥索鞍安装施工检验批质量检验记录-72-悬索桥主缆架设检验批质量检验记录-73-悬索桥主缆防护检验批质量检验记录-74-悬索桥索夹和吊索安装检验批质量检验记录-75-悬索桥钢加劲梁段拼装检验批质量检验记录-76-顶进箱涵滑板检验批质量检验记录-77-预制箱涵检验批质量检验记录-78-箱涵顶进检验批质量检验记录-79-桥面排水设施检验批质量检验记录-80-桥面防水层检验批质量检验记录-81-桥面铺装层检验批质量检验记录-82-桥面铺装层检验批质量检验记录-83-桥面伸缩装置检验批质量检验记录-84-桥面地袱、缘石、挂板检验批质量检验记录-85-桥面防护设施检验批质量检验记录-86-桥面防护设施检验批质量检验记录-88-桥面人行道检验批质量检验记录-89-隔声与防眩装置检验批质量检验记录-90-梯道检验批质量检验记录-91-桥头搭板检验批质量检验记录-92-防冲刷结构检验批质量检验记录-93-照明系统检验批质量检验记录-94-水泥砂浆抹面检验批质量检验记录-95-镶饰面板和贴饰面砖检验批质量检验记录-96-涂饰检验批质量检验记录-98-工程竣工验收质量检验记录-99-工程竣工验收质量检验记录-100-分部工程质量检验记-101-分项工程质量检验记录-102-单位(子单位)工程质量竣工验收记录-104-单位(子单位)工程观感检查记录-105-单位(子单位)工程质量控制资料核查记录-106-单位(子单位)工程安全和功能检验资料核查及主要工程抽查记录-107-检验批质量检验记录-108-模板、支架和拱架制作检验批质量检验记录模板、支架和拱架安装检验批质量检验记录2 支撑面高程系指模板底模上表面支撑混凝土面的高程模板、支架和拱架安装检验批质量检验记录续(CJJ2-2008)桥梁质检表 2-02-2 编号:注:1 H为构筑物高度(mm),L为计算长度(mm);2 支撑面高程系指模板底模上表面支撑混凝土面的高程钢筋检验批质量检验记录(CJJ2-2008)桥梁质检表 2-03-1 编号:(CJJ2-2008)桥梁质检表 2-03-2 编号:混凝土检验批质量检验记录混凝土检验批质量检验记录(CJJ2-2008)桥梁质检表 2-05-1 编号:预应力混凝土检验批质量检验记录(CJJ2-2008)桥梁质检表 2-06 编号:扩大基础基坑开挖及地基检验批质量检验记录(CJJ2-2008)桥梁质检表 2-07-1 编号:(CJJ2-2008)桥梁质检表 2-07-2 编号:扩大基础现浇混凝土基础与砌体基础检验批质量检验记录预制桩检验批质量检验记(CJJ2-2008)桥梁质检表 2-08 编号:(CJJ2-2008)桥梁质检表 2-09 编号:沉桩检验批质量检验记录(CJJ2-2008)桥梁质检表 2-10编号:注:1、 d为桩的直径或短边尺寸(mm);2、θ为斜桩设计纵轴线与铅垂线间夹角(°)。
市政桥梁工程试验检测项目及频率汇总表
1 / 39
2 / 39
市政桥梁工程试验检测项目及频率汇总表
3 / 39
4 / 39
5 / 39
市政桥梁工程试验检测项目及频率汇总表
6 / 39
7 / 39
8 / 39
市政桥梁工程试验检测项目及频率汇总表
9 / 39
10 / 39
市政桥梁工程试验检测项目及频率汇总表
11 / 39
12 / 39
市政桥梁工程试验检测项目及频率汇总表
13 / 39
14 / 39
市政桥梁工程试验检测项目及频率汇总表
15 / 39
16 / 39
17 / 39
市政桥梁工程试验检测项目及频率汇总表
18 / 39
19 / 39
20 / 39
市政桥梁工程试验检测项目及频率汇总表
21 / 39
22 / 39
市政桥梁工程试验检测项目及频率汇总表
23 / 39
市政桥梁工程试验检测项目及频率汇总表
24 / 39
25 / 39
26 / 39
市政桥梁工程试验检测项目及频率汇总表
27 / 39
28 / 39
29 / 39
30 / 39
市政桥梁工程试验检测项目及频率汇总表
31 / 39
市政桥梁工程试验检测项目及频率汇总表
32 / 39
33 / 39
市政桥梁工程试验检测项目及频率汇总表
34 / 39
35 / 39
36 / 39
市政桥梁工程试验检测项目及频率汇总表
37 / 39
38 / 39
39 / 39。
单位(子单位)工程质量竣工验收记录
WSZQ-1
单位(子单位)工程观感质量核查表
WSZQ-2
单位(子单位)工程质量控制资料核查记录
WSZQ-3
单位(子单位)工程安全和功能检验资料核查及
主要功能抽查记录
WSZQ-4
分部(子分部)工程质量验收记录
WSZQ-5
分项工程质量验收记录
WSZQ-6
扩大基础工程检验批质量验收记录
WSZQ-7
地基工程检验批质量验收记录
WSZQ-7
WSZQ-7
WSZQ-7
此处应增加台帽工程检验批质量验收记录
台背填土工程检验批质量验收记录
WSZQ-7
支座工程检验批质量验收记录
WSZQ-7
桥面排水设施工程检验批质量验收记录
WSZQ-7
WSZQ-7
WSZQ-7
桥面伸缩装置工程检验批质量验收记录
WSZQ-7
桥面栏杆工程检验批质量验收记录
WSZQ-7
桥面防撞护栏、防撞墩、隔离墩工程检验批质量验收记录
WSZQ-7
桥头搭板工程检验批质量验收记录
WSZQ-7
WSZQ-7
WSZQ-7
WSZQ-7
WSZQ-7
普通混凝土工程检验批质量验收记录
WSZQ-7。
号检验项目市政桥梁工程试验检测项目及频率汇总表序类别采用标准JTG E40《公路土工试验规程》检测频率取样方法颗粒分析、界1土工限含水量、击实试验、室内CBR试验JTG F10《公路路基施工技术规范》《公路工程标准施工招标文件》2009版JTG E42每5000m3或土质发生变化时以进场数量为取具有代表性的扰动土《公路工程一检验批,每筛分、含泥集料试验规检验批代表数量、泥块含量取样前先铲除堆脚等处无代程》量不得超过表性的部分,再在料堆的顶细集料《公路工程400m3部、中部和底部,各由均匀2(水泥表观密度、堆标准施工招每一料源检验1分布的几个不同部位,抽取砼用)积密度、坚固标文件》次大致相等的8份组成一组试性2009版样。
JTJ041《公含水量路桥涵施工技术规范》混凝土开盘前必做3细集料筛分、含泥(沥青量、泥块含JTG E42以进场数量为取样前先铲除堆脚等处无代《公路工程一检验批,每表性的部分,再在料堆的顶《公路工程验批代表数量取样前先铲除堆脚等处无代砼用)量、砂当量或集料试验规检验批代表数部、中部和底部,各由均匀亚甲兰值程》量不得超过400分布的几个不同部位,抽取《公路工程m3标准施工招标文件》2009版大致相等的8份组成一组试样。
坚固性、棱角性JTG E40《公路沥青每一料源检验1次路面施工技术规范》每批次进场检筛分、含泥JTG E42验1次,每检量、针片状含量、压碎值表性的部分,再在料堆的顶粗集料集料试验规不得超过400m3部、中部和底部,各由均匀4(水泥表观密度、堆程》每一料源检验1分布的几个不同部位,抽取砼用)积密度、坚固JTJ041《公次大致相等的15份组成一组性、碱活性路桥涵施工试样。
技术规范》混凝土开盘前含水量必做粗集料5(沥青混合料筛分、含泥量、针片状含量、压碎值、表观密度、吸水率JTG E42《公路工程集料试验规程》JTG F40每批次进场检验1次,每检验批代表数量不得超过400m3取样前先铲除堆脚等处无代表性的部分,再在料堆的顶部、中部和底部,各由均匀分布的几个不同部位,抽取用)粘附性、磨耗损失、坚固性、软石含《公路沥青路面施工技术规范》每一料源检验1次大致相等的15份组成一组试样。
桥梁工程施工桥面防水层检验批质量验收记录表
桥面防水层检验批质量验收记录填写说明
主控项目
1、防水材料的品种、规格、性能、质量应符合设计和规范要求。
检查数量:全数检查。
检验方法:检查材料合格证、进场验收记录和质量检验报告。
2、防水层、粘结层与基层之间应密贴,结合牢固。
检查数量:全数检查。
检验方法:观察、检查施工记录。
一般项目
1、混凝土桥面防水层粘结质量和施工允许偏差应符合下表的规定。
(CJJ2-2008 表
2
3
①卷材防水层表面平整,不得有空鼓、脱层、裂缝、翘边、油包、气泡和皱褶等现象;
②涂料防水层的厚度应均匀一致,不得有漏涂处;
③防水层与泄水口、汇水槽接合部位应密封,不得有漏封处。
检查数量:全数检查。
检验方法:观察。
城市桥梁工程施工与质量验收规范( CJJ2-2008 )检验批表格汇总)目录模板、支架和拱架安装检验批质量检验记录. .......................... - 6 -模板、支架和拱架安装检验批质量检验记录续. ........................ - 7 -钢筋检验批质量检验记录 ................................ - 8 -钢筋检验批质量检验记录 ................................ - 9 -混凝土检验批质量检验记录. ............................... - 10 -混凝土检验批质量检验记录. ............................... - 11 -预应力混凝土检验批质量检验记录. .............................. - 12 -预应力混凝土检验批质量检验记录. .............................. - 13 -砌体检验批质量检验记录 ................................ - 14 -扩大基础基坑开挖及地基检验批质量检验记录. ........................ - 15 -扩大基础回填土检验批质量检验记录. ............................ - 16 -扩大基础现浇混凝土基础与砌体基础检验批质量检验记录.................... - 17 -预制桩检验批质量检验记 ................................ - 18 -钢管桩检验批质量检验记录. ............................... - 19 -沉桩检验批质量检验记录 ................................ - 20 -混凝土灌注桩检验批质量检验记录. .............................. - 21 -沟槽支护检验批质量检验记录. ............................... - 22 -沉井基础检验批质量检验记录. ............................... - 23 -地下连续墙检验批质量检验记录. ............................. - 24 -现浇混凝土承台检验批质量检验记录. ............................ - 25 -现浇混凝土墩台检验批质量检验记录. ............................ - 28 -预制安装混凝土柱检验批质量检验记录. ........................ - 29 -现浇混凝土盖梁检验批质量检验记录. ............................ - 30 -人行天桥钢墩柱检验批质量检验记录. ............................ - 31 -台背填土检验批质量检验记录. ............................... - 32 -支座检验批质量检验记录 ................................ - 33 -支架上浇筑梁(板)检验批质量检验记录. ......................... - 34 -预制安装梁(板)检验批质量检验记录. ........................ - 35 -预制安装梁(板)检验批质量检验记录. ........................ - 36 -悬臂浇筑预应力混凝土检验批质量检验记录. .......................... - 37 -悬臂拼装预应力混凝土梁检验批质量检验记录. ........................ - 38 -顶推施工预应力混凝土梁检验批质量检验记录. ........................ - 39 -钢梁检验批质量检验记录 ................................ - 40 -钢梁检验批质量检验记录 ................................ - 41 -钢梁检验批质量检验记录 ................................ - 43 -钢梁现场安装检验批质量检验记录. .............................. - 44 -结合梁检验批质量检验记录. ............................... - 45 -砌筑拱圈检验批质量检验记录. ............................... - 46 -现浇混凝土拱圈检验批质量检验记录. ............................ - 47 -劲性骨架混凝土拱圈检验批质量检验记录. ......................... - 48 -装配式混凝土拱圈检验批质量检验记录. ........................ - 49 -装配式混凝土拱圈检验批质量检验记录. ........................ - 50 -装配式混凝土拱圈检验批质量检验记录. ........................ - 51 -钢管混凝土拱圈检验批质量检验记录. ............................ - 52 -中下承式拱吊杆和柔性系杆拱检验批质量检验记录. ...................... - 53 -转体施工拱检验批质量检验记录. .............................. - 54 -拱上结构检验批质量检验记录. ................................ - 55 -斜拉桥现浇混凝土索塔检验批质量检验记录. .......................... - 56 -现浇混凝土斜拉桥悬臂施工墩顶梁段检验批质量检验记录.................... - 57 -斜拉桥悬臂浇筑混凝土主梁检验批质量检验记录. ........................ - 58 -斜拉桥悬臂拼装混凝土主梁检验批质量检验记. ........................ - 59 -斜拉桥钢箱梁拼装检验批质量检验记录. ......................... - 60 -斜拉桥钢箱梁拼装检验批质量检验记录. ......................... - 61 -斜拉桥结合梁的工字钢梁段悬臂拼装检验批质量检验记录.................... - 62 -斜拉桥结合梁的混凝土板检验批质量检验记录. ........................ - 63 -斜拉桥斜拉索检验批质量检验记录. .............................. - 64 -悬索桥锚锭锚固系统检验批质量检验记录. ....................... - 65 -悬索桥锚锭混凝土施工检验批质量检验记录. .......................... - 66 -悬索桥预应力混凝土张拉检验批质量检验记录. ........................ - 67 -悬索桥索鞍安装施工检验批质量检验记录. ....................... - 68 -悬索桥索鞍安装施工检验批质量检验记录. ....................... - 69 -悬索桥索鞍安装施工检验批质量检验记录. ....................... - 70 -悬索桥主缆架设检验批质量检验记录. ............................ - 71 -悬索桥主缆防护检验批质量检验记录. ............................ - 72 -悬索桥索夹和吊索安装检验批质量检验记录. .......................... - 73 -悬索桥钢加劲梁段拼装检验批质量检验记录. .......................... - 74 -顶进箱涵滑板检验批质量检验记录. .............................. - 75 -桥面排水设施检验批质量检验记录. .............................. - 78 -桥面防水层检验批质量检验记录. .............................. - 79 -桥面铺装层检验批质量检验记录. .............................. - 80 -桥面铺装层检验批质量检验记录. .............................. - 81 -桥面伸缩装置检验批质量检验记录. .............................. - 82 -桥面地袱、缘石、挂板检验批质量检验记录. .......................... - 83 -桥面防护设施检验批质量检验记录. .............................. - 84 -桥面防护设施检验批质量检验记录. .............................. - 85 -桥面人行道检验批质量检验记录. .............................. - 86 -隔声与防眩装置检验批质量检验记录. ............................ - 87 -梯道检验批质量检验记录 ................................ - 88 -桥头搭板检验批质量检验记录. ................................ - 89 -防冲刷结构检验批质量检验记录. .............................. - 90 -照明系统检验批质量检验记录. ................................ - 91 -水泥砂浆抹面检验批质量检验记录. .............................. - 92 -镶饰面板和贴饰面砖检验批质量检验记录. ....................... - 93 -镶饰面板和贴饰面砖检验批质量检验记录. ....................... - 94 -涂饰检验批质量检验记录 ................................ - 95 -工程竣工验收质量检验记录. ................................ - 96 -工程竣工验收质量检验记录. ................................ - 97 -分部工程质量检验记 ................................. - 99 -分项工程质量检验记录................................ - 100 -单位(子单位)工程质量竣工验收记录. .......................... - 101 -单位(子单位)工程观感检查记录. ............................. - 102 -单位(子单位)工程质量控制资料核查记录. ........................ - 103 -单位(子单位)工程安全和功能检验资料核查及主要工程抽查记录................ - 104 -检验批质量检验记录.................................. - 105 -模板、支架和拱架制作检验批质量检验记录)桥梁质检表编号模板、支架和拱架安装检验批质量检验记录注:为构筑物高度(),为计算长度();2 支撑面高程系指模板底模上表面支撑混凝土面的高程模板、支架和拱架安装检验批质量检验记录续CJJ2-2008 )桥梁质检表2-02-2 编号注:1 H 为构筑物高度(mm),L 为计算长度(mm);2 支撑面高程系指模板底模上表面支撑混凝土面的高程钢筋检验批质量检验记录钢筋检验批质量检验记录)桥梁质检表编号混凝土检验批质量检验记录CJJ2-2008 )桥梁质检表2-04-1 编号混凝土检验批质量检验记录)桥梁质检表编号平均合格率(%)预应力混凝土检验批质量检验记录CJJ2-2008 )桥梁质检表2-05-1 编号预应力混凝土检验批质量检验记录CJJ2-2008 )桥梁质检表2-05-2 编号砌体检验批质量检验记录CJJ2-2008 )桥梁质检表2-06 编号扩大基础基坑开挖及地基检验批质量检验记录扩大基础回填土检验批质量检验记录CJJ2-2008 )桥梁质检表2-07-2 编号扩大基础现浇混凝土基础与砌体基础检验批质量检验记录预制桩检验批质量检验记)桥梁质检表编号钢管桩检验批质量检验记录沉桩检验批质量检验记录)桥梁质检表编号注:、为桩的直径或短边尺寸();2 、θ为斜桩设计纵轴线与铅垂线间夹角(°)。
2 城市桥梁工程2.1 模板、支架和拱架2.1.1 木模板制作检验批质量验收记录表2.1.2 钢模板制作检验批质量验收记录表2.1.3 模板、支架和拱架安装检验批质量验收记录表2.2 钢筋工程2.2.1 钢筋加工检验批质量验收记录表2.2.2 钢筋网加工检验批质量验收记录表2.2.3 钢筋成形和安装检验批质量验收记录表2.3 混凝土、预应力混凝土和砌体工程2.3.1 混凝土原材料及配合比检验批质量验收记录表2.3.2 预应力材料检验批质量验收记录表2.3.3 钢丝、钢绞线先张法施工检验批质量验收记录表2.3.4 钢筋先张法施工检验批质量验收记录表2.3.5 钢筋后张法施工检验批质量验收记录表2.3.6 砌体工程检验批质量验收记录表2.4 基础工程2.4.1 基坑、地基、回填土检验批质量验收记录表2.4.2 现浇混凝土基础检验批质量验收记录表2.4.3 砌体基础检验批质量验收记录表2.4.4 预制桩检验批质量验收记录表2.4.5 钢管桩制作检验批质量验收记录表2.4.6 沉桩检验批质量验收记录表2.4.7 混凝土灌注桩检验批质量验收记录表2.4.8 沉井制作检验批质量验收记录表2.4.9 沉井浮运下沉与清基封底检验批质量验收记录表2.4.10 地下连续墙检验批质量验收记录表2.4.11 现浇混凝土承台检验批质量验收记录表2.5 墩台和支座2.5.1 浆砌块石砌筑墩台检验批质量验收记录表2.5.2 浆砌料石、砌块砌筑墩台检验批质量验收记录表2.5.3 现浇混凝土墩台检验批质量验收记录表2.5.4 现浇混凝土(柱)检验批质量验收记录表2.5.5 现浇混凝土挡墙检验批质量验收记录表2.5.6 预制安装混凝土柱检验批质量验收记录表2.5.7 现浇混凝土盖梁检验批质量验收记录表2.5.8 人行天桥钢墩柱检验批质量验收记录表2.5.9 台背填土检验批质量验收记录表2.5.10 支座检验批质量验收记录表2.6 混凝土梁(板)2.6.1 支架上浇筑梁(板)检验批质量验收记录表2.6.2 混凝土梁(板)预制检验批质量验收记录表2.6.3 混凝土梁(板)安装质量验收记录表2.6.4 悬臂浇筑混凝土梁检验批质量验收记录表2.6.5 悬臂拼装预应力混凝土梁检验批质量验收记录表2.6.6 顶推施工预应力混凝土梁检验批质量验收记录表2.7 钢梁与结合梁2.7.1 钢桁梁节段制作检验批质量验收记录表2.7.2 钢板梁制作检验批质量验收记录表2.7.3 钢箱形梁制作检验批质量验收记录表2.7.4 钢梁现场安装检验批质量验收记录表2.7.5 钢-混凝土结合梁检验批质量验收记录表2.7.6 混凝土结合梁检验批质量验收记录表2.8 拱部与拱上结构2.8.1 砌筑拱圈检验批质量验收记录表2.8.2 现浇混凝土拱圈检验批质量验收记录表2.8.3 劲性骨架混凝土拱圈检验批质量验收记录表2.8.4 拱圈预制与安装检验批质量验收记录表2.8.5 悬臂拼装的桁架拱检验批质量验收记录表2.8.6 腹拱安装检验批质量验收记录表2.8.7 钢管混凝土拱检验批质量验收记录表2.8.8 中下承式拱吊杆和柔性系杆拱检验批质量验收记录表2.8.9 转体施工拱检验批质量验收记录表2.9 斜拉桥2.9.1 现浇混凝土索塔检验批质量验收记录表2.9.2 混凝土斜拉桥墩顶梁段检验批质量验收记录表2.9.3 支架上浇筑混凝土主梁检验批质量验收记录表2.9.4 悬臂浇筑混凝土主梁检验批质量验收记录表2.9.5 悬臂拼装混凝土主梁检验批质量验收记录表2.9.6 钢箱梁段制作检验批质量验收记录表2.9.7 悬臂拼装、在支架上安装检验批质量验收记录表2.9.8 结合梁的工字钢梁拼装检验批质量验收记录表2.9.9 结合梁的混凝土板施工检验批质量验收记录表2.9.10 斜拉索安装检验批质量验收记录表2.10 悬索桥2.10.1 现浇混凝土索塔检验批质量验收记录表2.10.2 锚碇锚固系统制作检验批质量验收记录表2.10.3 锚碇锚固系统安装检验批质量验收记录表2.10.4 锚碇混凝土施工检验批质量验收记录表2.10.5 预应力锚索张拉检验批质量验收记录表2.10.6 主索鞍安装检验批质量验收记录表2.10.7 散索鞍安装检验批质量验收记录表2.10.8 主缆架设与防护检验批质量验收记录表2.10.9 索夹和吊索安装检验批质量验收记录表2.10.10 悬索桥钢箱梁段拼装检验批质量验收记录表2.11 顶进箱涵2.11.1 滑板检验批质量验收记录表2.11.2 预制箱涵检验批质量验收记录表2.11.3 箱涵顶进检验批质量验收记录表2.12 桥面系2.12.1 排水设施检验批质量验收记录表2.12.2 桥面防水层检验批质量验收记录表2.12.3 水泥混凝土桥面铺装层检验批质量验收记录表2.12.4 沥青混凝土桥面铺装层检验批质量验收记录表2.12.5 人行天桥塑胶桥面铺装层检验批质量验收记录表2.12.6 伸缩装置检验批质量验收记录表2.12.7 地袱、缘石和挂板检验批质量验收记录表2.12.8 混凝土栏杆预制及安装检验批质量验收记录表2.12.9 金属栏杆、防护网检验批质量验收记录表2.12.10 防撞护栏、防撞墩、隔离墩检验批质量验收记录表2.12.11 人行道检验批质量验收记录表2.13 附属结构2.13.1 隔声装置安装检验批质量验收记录表2.13.2 防眩装置安装检验批质量验收记录表2.13.3 混凝土梯道安装检验批质量验收记录表2.13.4 钢梯道制作与安装检验批质量验收记录表2.13.5 桥头搭板检验批质量验收记录表2.13.6 防冲刷结构检验批质量验收记录表2.13.7 照明系统检验批质量验收记录表2.14 装饰与装修2.14.1 水泥砂浆普通抹面检验批质量验收记录表2.14.2 水磨石装饰抹面检验批质量验收记录表2.14.3 水刷石装饰抹面检验批质量验收记录表2.14.4 剁斧石装饰抹面检验批质量验收记录表2.14.5 镶天然石饰面板检验批质量验收记录表2.14.6 镶人造石饰面板检验批质量验收记录表2.14.7 贴饰面砖检验批质量验收记录表2.14.8 涂饰检验批质量验收记录表2.15 竣工验收2.15.1 工程竣工验收检验批质量验收记录表2.15.2 单位(子单位)工程观感检查记录模板、支架和拱架安装检验批质量验收记录表钢筋成形和安装检验批质量验收记录表编混凝土原材料及配合比检验批质量验收记录表预应力材料检验批质量验收记录表钢丝、钢绞线先张法施工检验批质量验收记录表砌体工程检验批质量验收记录表基坑、地基、回填土检验批质量验收记录表现浇混凝土基础检验批质量验收记录表砌体基础检验批质量验收记录表预制桩检验批质量验收记录表钢管桩制作检验批质量验收记录表沉桩检验批质量验收记录表混凝土灌注桩检验批质量验收记录表沉井制作检验批质量验收记录表沉井浮运下沉与清基封底检验批质量验收记录表地下连续墙检验批质量验收记录表现浇混凝土承台检验批质量验收记录表浆砌块石砌筑墩台检验批质量验收记录表浆砌料石、砌块砌筑墩台检验批质量验收记录表现浇混凝土墩台检验批质量验收记录表预制安装混凝土柱检验批质量验收记录表现浇混凝土盖梁检验批质量验收记录表人行天桥钢墩柱检验批质量验收记录表台背填土检验批质量验收记录表支座检验批质量验收记录表支架上浇筑梁(板)检验批质量验收记录表混凝土梁(板)预制检验批质量验收记录表混凝土梁(板)安装检验批质量验收记录表悬臂浇筑混凝土梁检验批质量验收记录表钢桁梁节段制作检验批质量验收记录表钢板梁制作检验批质量验收记录表钢箱形梁制作检验批质量验收记录表钢梁现场安装检验批质量验收记录表钢-混凝土结合梁检验批质量验收记录表砌筑拱圈检验批质量验收记录表。
1、施工管理表填写施工技术文件要按单位工程进行组卷。
市政工程中的独立核算项目,应是一个单位工程。
采用分期单独核算的同一市政工程,应是若干个单位工程。
1.1 施管表1的填写文件材料部分的排列宜按以下顺序:(1)施工组织设计。
(2)施工图设计文件会审、技术交底记录。
(3)设计变更通知单、洽商记录。
(4)原材料、成品、半成品、构配件、设备出厂质量合格证书、出厂检(试)验报告和复试报告。
(需一一对应)。
(5)施工试验资料。
(6)施工记录。
(7)测量复核及预检记录。
(8)隐蔽工程检查验收记录。
(9)工程质量检验评定资料。
(10)使用功能试验记录。
(11)事故报告。
(12)竣工测量资料。
(13)竣工图。
(14)工程竣工验收文件。
文件目录表中的文件编号横杠前的数字为总的卷数,横杠后的数字为本卷项目编号。
页号应是本项目在卷中的页码位置,不能光写本项目的页数。
类别栏应与该项表头右上方类别相同。
现以道路工程为例示范见后。
1.2 施管表2的填写存在问题及处理意见栏中填验收检查时发现的问题,一般无什么大问题也可不填。
但如工程出过事故,事故处理情况应作简要说明。
验收范围及数量栏应扼要填写。
本表主要强调各参与单位均应签字盖章。
填法示范见后。
1.3 施管表3的填写施工组织设计应包括下列主要内容:(1)工程概况:工程规模、工程特点、工期要求、参建单位等。
(2)施工平面布置图。
(3)施工部署和管理体系:施工阶段、区划安排;进度计划及工、料、机、运计划表和组织机构设置。
组织机构中应明确项目经理、技术负责人、施工管理负责人及其他各部门主要责任人等。
(4)质量目标设计:质量总目标、分项质量目标,实现质量目标的主要措施、办法及工序、部位、单位工程技术人员名单。
(5)施工方法及技术措施(包括冬、雨期施工措施及采用的新技术、新工艺、新材料、新设备等)。
(6)安全措施。
(7)文明施工措施。
(8)环保措施。
(9)节能、降耗措施。
(10)模板及支架、地下沟槽基坑支护、降水、施工便桥便线、构筑物顶推进、沉井、软基处理、预应力筋张拉工艺、大型构件吊运、混凝土浇筑、设备安装、管道吹洗等专项设计。
沥青贯入式与沥青表面处治面层沥青贯入式面层、沥青表面处治面层每侧流水施工段做一个检验批为宜水泥混凝土面层水泥混凝土面层(模板、钢筋、混凝土)每侧流水施工段做一个检验批为宜铺砌式面层料石面层、预制混凝土砌块面层每侧流水施工段做一个检验批为宜沥青混合料面层透层、粘层、封层、热拌沥青混合料而层、冷拌沥青混合料面层每侧流水施工段做一个检验批为宜广场与停车场每个广场或自然划分的区段道路路基土方路基、石方路基、路基处理、路肩每侧流水施工段做一个检验批为宜石灰土基层、石灰粉煤灰稳定砂砾(碎石)基层、石灰粉煤灰钢渣基层、水泥稳定土类基层、级配彤、砾(碎石)基层、级配碎石(碎砾石)基层、沥青碎石基层、沥青贯入式基层城镇市政道路、给排水、桥梁、隧道、照明、绿化、电力管沟、交通信号等单位工程、分部工程、分项工程、检验批的划分参考表单位工程(子单位工程)每侧路段300~500米做一个检验批为宜人行道每座通道或分段道路基层道路面层分部工程子分部工程分项工程检验批划分每侧流水施工段做一个检验批为宜料石面层、预制混凝土砌块面层、沥青混合料面层、水泥混凝土面层料石人行道铺砌面层(含盲道砖)、混凝土预制块人行道铺砌面层(含盲道砖)、沥青混合料铺筑面层现浇钢筋混凝土人行地道结构地基、垫层、防水、基础(模板、钢筋、混凝土)、墙体与琐板(模板、钢筋、混凝土)道路工程砌筑挡土墙地基、基础(砌筑、混凝土)、墙体砌筑、滤层及泄水孔、回填土、帽石每道墙体或分段每座通道或分段预制安装钢筋混凝土人行地道结构砌筑墙体、钢筋混凝土顶板人行地道结构顶部构件预制、地基、防水、基础(模板、钢筋、混凝土)、培体砌筑、顶部构件与顶板安装、顶部现浇(模板、钢筋、混凝土)现浇钢筋混凝土挡土墙地基、基础、墙(模板、钢筋、混凝土)、滤层及泄水孔、回填土、帽石、栏杆每座通道或分段墙板与顶部构件预制、地基、垫层、防水、基础(模板、钢筋、混凝土)、墙板安装、顶板安装附属构筑物装配式钢筋混凝土挡土墙挡土墙板预制、地基、基础、墙(模板、钢筋、混凝土)、地板安装(含焊接)滤层及池水孔、回填土、帽石、栏杆地基、基础(模板、钢筋、混凝土)、加筋挡土墙砌块与筋带安装、波、层及泄水孔、回填二|二、帽石、栏杆路缘石、雨水支管与雨水口、排(截)水沟、倒虹管及涵洞、护坡、隔离墩、中央分隔带、防撞栏、护栏、声屏障(砌体、金属)、防眩板每侧路段300~500米或每座结构做一个检验批为宜每道墙{本或分段每道墙体或分段道路工程预制管开措施工主体结构金属类管、混凝土类管、预应力钢筒混凝土管、化学建材管管道基础、管道接口连接、管道铺设、管道防腐层(管道内防腐层、钢管外防腐层)、钢管阴极保护可选择下列方式划分:l、按流水施工长度:2、排水管道按井段:给水管道按一定长度连续施工段或自然划分段(路段);4、其他便于过程质量控制方法沟槽土方(沟槽开挖、沟槽支撑、沟槽回填),基坑土方(基坑开挖、基坑支护、基坑回填)应与下列检验批对应土方工程挡土墙人行地道结构每道墙体或分段加筋土挡土墙盾构管片制作、掘进及管片拼装、二次内衬(钢筋、混凝土)、管道防腐层、垂直顶升盾构掘进:每100环:二次内衬:每施工作业断面,垂直顶升每个顶升管定向钻管道接口连接、定向钻管道、钢管防腐层(内防腐层、外防腐层)、钢管阴极保护每100米夯管管道接口连接、穷管管道、钢管防腐层(内防腐层、外防腐层)、钢管阴极保护每100米桥管工程管道接口连接、管道防腐层(内防腐层、外防腐层)、桥管管道每跨或每100米;分段拼装按每跨或每段,且不大于100米每节管渠(廊)或每个流水施工段管渠(廊)管渠(廊)工程现浇钢筋混凝土管渠、装配式混凝土管渠、砌筑管渠给排水管道工程管道基础、现浇钢筋混凝土管渠(钢筋、模板、混凝土、变形缝)、装配式混凝土管渠(预制构件安装、变形缝)、砌筑管渠(砖石砌筑、变形缝)、管道内防腐层、管廊内管道安装工作井工作井围护结构、工作井每座井管道接口连接、顶管管道(钢筋混凝土营、钢管)、管道防腐层(管道内防腐层、钢管外防腐层)、钢管阴极保护、垂直顶升顶管顶进:每100米;垂直顶升·每个顶升管顶管扩大基础基坑开挖、地基、混凝土垫层、现浇混凝土(模板与支架、钢筋、混凝土)、砌体、土方回填每个基坑土层开挖、初期衬砌、防水层、二次内衬、管道防腐层、垂直顶升暗挖:每施工作业断面;垂直顶升:每个顶升管沉管工程预制钢筋混凝土沉管每节预制钢筋混凝土管同一结构类型的附属构筑物不大于10个浅埋暗挖组对拼装沉管基槽浚挖及管基处理、管道接口连接、管道防腐层、管道沉放、稳管及回填每100米(分段拼装按每段,且不大于100米)基槽浚挖及管基处理、预制钢筋混凝土管节制作(钢筋、模板、混凝土)、管节接口预制加工、管道沉放、稳管及回填附属构筑物工程井室(现浇混凝土结构、砖砌结构、预制拼装结构)、雨水口及支连管、支墩不开槽施工主体结构沉入桩预制桩(模板、钢筋、混凝土、预应力混凝土)、钢管桩、沉桩每根桩灌注桩沉井沉井制作(模板与支架、钢筋、混凝土、钢壳)、浮运、下沉就位、清基与填充每节、座现浇混凝土墩台模板、钢筋、混凝土、预应力混凝土预制混凝土桩预制混凝土柱(模板、钢筋、混凝土、预应力混凝土)、安装台背填土填土盖梁模板与支架、钢筋、混凝土、预应力混凝土每个盖梁支座垫石混凝土、支座安装、挡块混凝土每个支座索塔现浇混凝土索塔(模板与支架、钢筋、混凝土、预应力混凝土)、钢构件安装每个浇筑段、每根钢构件锚锭锚固体系制作、锚固体系安装、锚徒混凝土(模板与支架、钢筋、混凝土)、锚索张拉与压浆每个制作件、安装件、基础每孔、联、施工段支架上浇筑混凝土梁(板)扩大基础基坑开挖、地基、混凝土垫层、现浇混凝土(模板与支架、钢筋、混凝土)、砌体、土方回填每个基坑机械成孔、人工挖孔、钢筋笼制作与安装、混凝土灌注地下连续墙成槽、钢筋骨架、水下混凝土每个施工段每根桩承台模板与支架、钢筋、混凝土每个承台模板与支架、钢筋、混凝土、预应力混凝土每个砌筑段、浇筑段、施工段或每个墩台、每个安装段(件)砌体墩台石砌体、砌块砌体墩台地基与基础钢梁钢梁加工、现场安装每个制作段、孔、联每孔、联、施工段预制梁(板)(模板与支架、钢筋、混凝土、预应力混凝土)、安装梁(板)每片梁装配式钢筋混凝土梁(板)支架上浇筑混凝土梁(板)模板与支架、钢筋、混凝土、预应力混凝土每个浇筑段、制作段、安装段、施工段0#段混凝土浇筑、悬臂浇筑混凝土主梁、支架上浇筑混凝土主梁、悬臂拼装混凝土主梁、悬拼钢箱梁、支架上安装钢箱梁、结合梁、拉索安装每个浇筑段每个拼装段0#段(模板与支架、钢筋、混凝土、预应力混凝土)、梁段预制(模板与支架、钢筋、混凝土)、拼装梁段、施加预应力每节段顶推施工混凝土梁桥跨承重结构结合梁每段、孔拱部与拱上结构砌筑拱圈、现浇混凝土拱圈、劲性骨架混凝土拱圈、装配式混凝土拱部结构、钢管混凝土拱(拱肋安装、混凝土压注)、吊杆、系杆拱、转体施工、拱上结构悬臂浇筑预应力混凝土梁0#段(模板与支架、钢筋、混凝土、预应力混i疑土)、悬浇段(挂蓝、模板、钢筋、混凝土、预应力混凝土)悬臂拼装预应力混凝土梁台座系统、导梁、梁段预制(模板与支架、钢筋、混凝土、预应力混凝土)、顶推梁段、施加预应力钢梁安装、预应力钢筋混凝土梁预制模板与支架、钢筋、混凝土、预应力混凝土)、预制梁安装、混凝土结构浇筑(模板与支架、钢筋、混凝土、预应力混凝土)每个砌筑段、安装段、浇筑段、施工段斜拉桥的主梁与拉索桥梁工程桥跨承重结构悬索桥的加劲梁与缆索索鞍安装、主缆架设、主缆防护、索夹和吊索安装、加劲梁段拼装每个制作段、安装段、施工段顶进箱涵工作坑、滑板、箱涵预制(模板与支架、钢筋、混凝土)、箱涵顶进每坑、每制作节、顶进节装饰与装修水泥砂浆抹面、饰面板、饰面砖和涂装每跨、侧、饰面引道土方开挖土方开挖、边坡处理按分层开挖深度不大于1米为宜边坡土钉墙(边坡喷射混凝土、绑扎钢筋网、安装土钉墙锚固钢筋、边坡再次喷射混凝土)、锚杆施工(钻孔、安装锚杆、高压注浆)降水井钻孔、无缝钢管开孔加工、无缝钢管外包铁丝网和l 塑料网、无缝钢管安装、钢管外周边降水井内填碎石砾料、安装潜水泵、连接排水管道、安装降水控制系统排水设施、防水层、桥面铺装层(沥青混合料铺装、混凝土铺装一模板、钢筋、混凝土)、伸缩装置、地袱和缘石与挂板、防护设施、人行道隔声与防眩装置、梯道(砌体:混凝土一模板与支架、钢筋、混凝土:钢结构)、桥头搭板(模板、钢筋、混凝土)、防冲刷结构、照明、挡土地等每砌筑段、浇筑段、安装段、每座构筑物每根或每个施工段深基坑支护冲孔灌注桩(冲孔施工、灌注桩钢筋笼、灌注桩混凝土浇筑)、水泥旋喷桩施工、水泥搅拌桩施工钢筋混凝土冠梁(钢筋、模板、混凝土浇筑)、钢柱支撑制作、钢柱安装、钢筋混凝土系梁支撑(模板及支架、钢筋、混凝土浇筑)边坡防护每层施工段井点降水每个施工段每个施工段、每孔应符合《城镇道路工程施工与质量验收规范》CJJ1-2008的有关规定深基坑支护及土方工程桥面系附属结构每个部位的每个施工段隧道回填闭口段隧道两侧回填、琐板上路基回填每侧流水施工段做一个检验批为宜附属结构检修道、排水沟、排水管、搭板楼梯、雨棚、护栏、各种预埋管件、通风设施等每个部位的每个施工段道路及附属工程装饰与装修饰面板、饰面砖、涂装、不锈钢件、玻璃等按部位和做法划分管片防水管片自防水、防水密封条安装每个施工段网和l 塑料网、无缝钢管安装、钢管外周边降水井内填碎石砾料、安装潜水泵、连接排水管道、安装降水控制系统井点降水每个施工段每个井盾构基座设置、临时钢管片组装、反力架安装、盾构组装调试、盾构掘进施工、盾构拆卸、吊运管片、出渣土每个施工段每个施工段施工段橡胶止水带、水泥砂浆找平层、底板防水层、底板防水保护层、外墙壁防水层、外墙壁防水保护层、顶板上都防水层应符合《城镇道路工程施工与质量验收规范》CJJ1-2008的有关规定每个部位的每个施工段隧道主体结构她下人行通道结构水泵房主体结构底板垫层混凝土、底板现浇混凝土结构(钢筋、模板、混凝土浇筑)、侧墙现浇混凝土结构(钢筋、模板及支撑、混凝土浇筑、楼板现浇混凝土结构(钢筋、模板及支架、混凝土浇筑)顶板现浇混凝土结构(钢筋、模板及支架、混凝土浇筑)、底板压重混凝土、中央防撞墙、混凝土护墙等预制钢筋混凝土管片制作(预坝件、模具、钢筋、混凝土)、预制钢筋混凝土管片拼装与安装、钢管片制作、钢管片拼装与安装盾构始发工作井、盾构接收工作井、中间井防水工程管片工程管片和l 作及拼装盾构掘进隧道工程盾构施工盾构掘进施工盾构工作井隧道主体结构工程基坑开挖隧道工程壁后注浆注浆调制、注浆作业每个施工段隧道防水接缝防水、特殊部位防水每个施工段安全保护接零和接地保护、接地装置每个施工段种植土铺设及整型回填种植土、外观整型植树及种花草植穴挖掘、植树填土、树体临时加固、栽花种草、修剪、浇水、维护电杆基坑开挖、电杆埋设、电杆的横担安装、绝缘子与拉线安装、导线架设喷淋及滴灌系统沟槽开挖、喷淋及滴灌系统安装、沟槽回填沟槽开挖、地基处理、混凝土垫层、管沟砌筑、安装电缆沟支架、管沟墙体顶部压梁(钢筋、模板、混凝土浇筑)、管沟内抹灰、管沟上盖预制混凝土板、管沟两侧回填土、管沟检查井、管沟工作井电线电缆敷设(直埋聚氯乙烯护套铠装电缆、过路镀锋套管埋设及穿线、塑料套管埋设及穿线)基础型钢安装、配电柜(箱、盘)安装、配电柜(箱、盘)电器安装、二次回路结线、路灯控制系统路灯基础挖土、路灯基础铺固螺栓制作、路灯基础锁国螺栓安装、路灯基础模板、路灯基础混凝土浇筑中杆灯和高杆灯制作,中杆灯和高杆灯安装:单挑灯、双挑灯和庭院灯创作,单挑灯、双挑灯和庭院灯安装程按中央分隔带花槽、路边花基、外侧绿化带等每个施工段划分为宜路灯基础路灯安装路灯安装每个施工段砌筑电力管沟架空线路每个施工段低压电线电缆线路照明工程绿化工程每个施工段配电装置与控制每个施工段每个施工段每个施工段过河引管电力排管机械引管钻机施工、制作过河管道、过河引管、同两侧电力管沟连接每个施工段标线各种标线每个施工段分左右I 隔标志各种标志每个施工段分左右幅交通控制系统交通控制系统每个施工段交通信号装置交通信号装置每个施工段交通管线电线和电缆护管敷设、电线电缆穿线每个施工段交通控制箱配电系统交通控制箱配电系统、接零和接地保护、接地装置每个施工段其他设施车障柱、盲人过街声控设施每个施工段电缆沟支架、管沟墙体顶部压梁(钢筋、模板、混凝土浇筑)、管沟内抹灰、管沟上盖预制混凝土板、管沟两侧回填土、管沟检查井、管沟工作井沟槽开挖、地基处理、混凝土垫层、砌筑支承敦、填筑石屑垫层浇水沉实、安放玻璃钢管与电力管沟连接、再填筑石屑垫层浇水沉实、再安放玻璃钢管、再填筑石屑垫层浇水沉实、再安放玻璃钢管、再填筑石屑垫层浇水沉实、铺设道路结构层电力管沟工程参照:《城镇道路工程施工与质量验收规范》 CJJ1-2008;《给水排水管道工程施工及验收规范))GB 50268-2008;《城市桥梁工程施工与质量验收规范》CJJ2-2008;《城市道路照明工程施工及验收规程》 CJJ89 2001;《城市绿化工程施工及验收规范》 CJJ/T82-99;《道路交通标志和标线》 GB 5768-1999。
市政工程检验批质量检收记录全套表格土方路基检验批质量检验记录市政质检·1·1第页,共页挖石方路基检验批质量检验记录市政质检·1·2第页,共页填石方路基检验批质量检验记录市政质检·1·3 第 页,共 页路肩检验批质量检验记录市政质检·1·4 第 页,共 页砂垫层软土路基检验批质量检验记录市政质检·1·5第页,共页市政质检·1·6第页,共页土工材料处理软土路基检验批质量检验记录市政质检·1·7第页,共页袋装砂井检验批质量检验记录市政质检·1·8第页,共页塑料排水板检验批质量检验记录市政质检·1·9第 页,共 页砂桩处理软土路基检验批质量检验记录市政质检·1·10第 页,共 页碎石桩处理软土路基检验批质量检验记录市政质检·1·11第页,共页粉喷桩处理软土路基检验批质量检验记录市政质检·1·12第页,共页湿陷性黄土强夯路基检验批质量检验记录市政质检·1·13第页,共页石灰稳定土,石灰、粉煤灰稳定砂砾(碎石), 粉煤灰稳定钢渣基层及底基层检验批质量检验记录市政质检·1·14 第 页,共 页水泥稳定土类基层及底基层检验批质量检验记录市政质检·1·15 第 页,共 页市政质检·1·16第页,共页级配碎石及级配碎砾石基层和底基层检验批质量检验记录市政质检·1·17 第 页,共 页市政质检·1·18第页,共页市政质检·1·19第页,共页热拌沥青混合料检验批质量检验记录市政质检·1·20第页,共页热拌沥青混合料面层检验批质量检验记录市政质检·1·21第页,共页冷拌沥青混合料面层检验批质量检验记录市政质检·1·22 第 页,共 页沥青混合料面层透层检验批质量检验记录市政质检·1·23 第 页,共 页沥青混合料面层粘层检验批质量检验记录市政质检·1·24第页,共页沥青混合料面层封层检验批质量检验记录市政质检·1·25第页,共页沥青贯入式面层检验批质量检验记录市政质检·1·26第页,共页沥青表面处治施工检验批质量检验记录市政质检·1·27第页,共页水泥混凝土面层原材料检验批质量检验记录市政质检·1·28 页,共 页混凝土面层检验批质量检验记录市政质检·1·29第 页,共 页铺砌式料石面层检验批质量检验记录市政质检·1·30 第 页,共 页市政质检·1·31第页,共页广场与停车场料石面层检验批质量检验记录市政质检·1·32第页,共页广场与停车场预制混凝土砌块面层检验批质量检验记录市政质检·1·33第页,共页广场与停车场沥青混合料面层检验批质量检验记录市政质检·1·34 第 页,共 页广场与停车场水泥混凝土面层检验批质量检验记录市政质检·1·35 第 页,共 页料石铺砌人行道面层检验批质量检验记录市政质检·1·36 第 页,共 页混凝土预制铺砌人行道(含盲道)面层检验批质量检验记录市政质检·1·37第页,共页沥青混凝土铺筑人行道面层检验批质量检验记录市政质检·1·38第页,共页人行地道结构地基检验批质量检验记录市政质检·1·39第页,共页人行地道结构防水层检验批质量检验记录市政质检·1·40第页,共页人行地道结构基础模板安装检验批质量检验记录市政质检·1·41第页,共页人行地道结构钢筋加工、成型与安装检验批质量检验记录市政质检·1·42第 页,共 页人行地道结构混凝土基础检验批质量检验记录市政质检·1·43第页,共页现浇钢筋混凝土人行地道结构墙与顶板模板安装检验批质量检验记录市政质检·1·44第页,共页现浇钢筋混凝土人行地道结构墙与顶板混凝土检验批质量检验记录市政质检·1·45第页,共页预制钢筋混凝土人行地道结构墙板检验批质量检验记录预制钢筋混凝土人行地道结构顶板检验批质量检验记录市政质检·1·47第 页,共 页预制钢筋混凝土人行地道结构 墙板、顶板安装检验批质量检验记录市政质检·1·48 第 页,共 页砌筑墙体、钢筋混凝土顶板人行地道结构墙体砌筑检验批质量检验记录市政质检·1·49第 页,共 页第页,共页挡土墙地基检验批质量检验记录挡土墙模板安装检验批质量检验记录市政质检·1·51第页,共页挡土墙钢筋加工、成型与安装检验批质量检验记录市政质检·1·52第页,共页挡土墙基础混凝土检验批质量检验记录市政质检·1·53第页,共页现浇混凝土挡土墙检验批质量检验记录市政质检·1·54第页,共页挡土墙滤层、泄水孔检验批质量检验记录市政质检·1·55 第 页,共 页挡土墙回填土检验批质量检验记录市政质检·1·56 第 页,共 页帽石检验批质量检验记录市政质检·1·57第页,共页市政质检·1·58第页,共页装配式钢筋混凝土挡土墙墙板预制检验批质量检验记录市政质检·1·59第页,共页装配式钢筋混凝土挡土墙检验批质量检验记录。
2 城市桥梁工程2.1 模板、支架和拱架2.1.1 木模板制作检验批质量验收记录表2.1.2 钢模板制作检验批质量验收记录表2.1.3 模板、支架和拱架安装检验批质量验收记录表2.2 钢筋工程2.2.1 钢筋加工检验批质量验收记录表2.2.2 钢筋网加工检验批质量验收记录表2.2.3 钢筋成形和安装检验批质量验收记录表2.3 混凝土、预应力混凝土和砌体工程2.3.1 混凝土原材料及配合比检验批质量验收记录表2.3.2 预应力材料检验批质量验收记录表2.3.3 钢丝、钢绞线先张法施工检验批质量验收记录表2.3.4 钢筋先张法施工检验批质量验收记录表2.3.5 钢筋后张法施工检验批质量验收记录表2.3.6 砌体工程检验批质量验收记录表2.4 基础工程2.4.1 基坑、地基、回填土检验批质量验收记录表2.4.2 现浇混凝土基础检验批质量验收记录表2.4.3 砌体基础检验批质量验收记录表2.4.4 预制桩检验批质量验收记录表2.4.5 钢管桩制作检验批质量验收记录表2.4.6 沉桩检验批质量验收记录表2.4.7 混凝土灌注桩检验批质量验收记录表2.4.8 沉井制作检验批质量验收记录表2.4.9 沉井浮运下沉与清基封底检验批质量验收记录表2.4.10 地下连续墙检验批质量验收记录表2.4.11 现浇混凝土承台检验批质量验收记录表2.5 墩台和支座2.5.1 浆砌块石砌筑墩台检验批质量验收记录表2.5.2 浆砌料石、砌块砌筑墩台检验批质量验收记录表2.5.3 现浇混凝土墩台检验批质量验收记录表2.5.4 现浇混凝土(柱)检验批质量验收记录表2.5.5 现浇混凝土挡墙检验批质量验收记录表2.5.7 现浇混凝土盖梁检验批质量验收记录表2.5.8 人行天桥钢墩柱检验批质量验收记录表2.5.9 台背填土检验批质量验收记录表2.5.10 支座检验批质量验收记录表2.6 混凝土梁(板)2.6.1 支架上浇筑梁(板)检验批质量验收记录表2.6.2 混凝土梁(板)预制检验批质量验收记录表2.6.3 混凝土梁(板)安装质量验收记录表2.6.4 悬臂浇筑混凝土梁检验批质量验收记录表2.6.5 悬臂拼装预应力混凝土梁检验批质量验收记录表2.6.6 顶推施工预应力混凝土梁检验批质量验收记录表2.7 钢梁与结合梁2.7.1 钢桁梁节段制作检验批质量验收记录表2.7.2 钢板梁制作检验批质量验收记录表2.7.3 钢箱形梁制作检验批质量验收记录表2.7.4 钢梁现场安装检验批质量验收记录表2.7.5 钢-混凝土结合梁检验批质量验收记录表2.7.6 混凝土结合梁检验批质量验收记录表2.8 拱部与拱上结构2.8.1 砌筑拱圈检验批质量验收记录表2.8.2 现浇混凝土拱圈检验批质量验收记录表2.8.3 劲性骨架混凝土拱圈检验批质量验收记录表2.8.4 拱圈预制与安装检验批质量验收记录表2.8.5 悬臂拼装的桁架拱检验批质量验收记录表2.8.6 腹拱安装检验批质量验收记录表2.8.7 钢管混凝土拱检验批质量验收记录表2.8.8 中下承式拱吊杆和柔性系杆拱检验批质量验收记录表2.8.9 转体施工拱检验批质量验收记录表2.9 斜拉桥2.9.1 现浇混凝土索塔检验批质量验收记录表2.9.2 混凝土斜拉桥墩顶梁段检验批质量验收记录表2.9.3 支架上浇筑混凝土主梁检验批质量验收记录表2.9.4 悬臂浇筑混凝土主梁检验批质量验收记录表2.9.6 钢箱梁段制作检验批质量验收记录表2.9.7 悬臂拼装、在支架上安装检验批质量验收记录表2.9.8 结合梁的工字钢梁拼装检验批质量验收记录表2.9.9 结合梁的混凝土板施工检验批质量验收记录表2.9.10 斜拉索安装检验批质量验收记录表2.10 悬索桥2.10.1 现浇混凝土索塔检验批质量验收记录表2.10.2 锚碇锚固系统制作检验批质量验收记录表2.10.3 锚碇锚固系统安装检验批质量验收记录表2.10.4 锚碇混凝土施工检验批质量验收记录表2.10.5 预应力锚索张拉检验批质量验收记录表2.10.6 主索鞍安装检验批质量验收记录表2.10.7 散索鞍安装检验批质量验收记录表2.10.8 主缆架设与防护检验批质量验收记录表2.10.9 索夹和吊索安装检验批质量验收记录表2.10.10 悬索桥钢箱梁段拼装检验批质量验收记录表2.11 顶进箱涵2.11.1 滑板检验批质量验收记录表2.11.2 预制箱涵检验批质量验收记录表2.11.3 箱涵顶进检验批质量验收记录表2.12 桥面系2.12.1 排水设施检验批质量验收记录表2.12.2 桥面防水层检验批质量验收记录表2.12.3 水泥混凝土桥面铺装层检验批质量验收记录表2.12.4 沥青混凝土桥面铺装层检验批质量验收记录表2.12.5 人行天桥塑胶桥面铺装层检验批质量验收记录表2.12.6 伸缩装置检验批质量验收记录表2.12.7 地袱、缘石和挂板检验批质量验收记录表2.12.8 混凝土栏杆预制及安装检验批质量验收记录表2.12.9 金属栏杆、防护网检验批质量验收记录表2.12.10 防撞护栏、防撞墩、隔离墩检验批质量验收记录表2.12.11 人行道检验批质量验收记录表2.13 附属结构2.13.1 隔声装置安装检验批质量验收记录表2.13.2 防眩装置安装检验批质量验收记录表2.13.3 混凝土梯道安装检验批质量验收记录表2.13.4 钢梯道制作与安装检验批质量验收记录表2.13.5 桥头搭板检验批质量验收记录表2.13.6 防冲刷结构检验批质量验收记录表2.13.7 照明系统检验批质量验收记录表2.14 装饰与装修2.14.1 水泥砂浆普通抹面检验批质量验收记录表2.14.2 水磨石装饰抹面检验批质量验收记录表2.14.3 水刷石装饰抹面检验批质量验收记录表2.14.4 剁斧石装饰抹面检验批质量验收记录表2.14.5 镶天然石饰面板检验批质量验收记录表2.14.6 镶人造石饰面板检验批质量验收记录表2.14.7 贴饰面砖检验批质量验收记录表2.14.8 涂饰检验批质量验收记录表2.15 竣工验收2.15.1 工程竣工验收检验批质量验收记录表2.15.2单位(子单位)工程观感检查记录2.15.3单位(子单位)工程质量控制资料核查记录2.15.4单位(子单位)工程安全和功能检验资料核查及主要功能抽查记录2.15.5分部(子分部)工程质量验收记录2.15.6分项工程质量验收记录2.15.7单位(子单位)工程质量竣工验收记录模板、支架和拱架安装检验批质量验收记录表钢筋加工检验批质量验收记录表钢筋网加工检验批质量验收记录表钢筋成形和安装检验批质量验收记录表编混凝土原材料及配合比检验批质量验收记录表预应力材料检验批质量验收记录表钢丝、钢绞线先张法施工检验批质量验收记录表砌体工程检验批质量验收记录表基坑、地基、回填土检验批质量验收记录表现浇混凝土基础检验批质量验收记录表砌体基础检验批质量验收记录表混凝土灌注桩检验批质量验收记录表沉井制作检验批质量验收记录表沉井浮运下沉与清基封底检验批质量验收记录表地下连续墙检验批质量验收记录表现浇混凝土承台检验批质量验收记录表浆砌块石砌筑墩台检验批质量验收记录表浆砌料石、砌块砌筑墩台检验批质量验收记录表现浇混凝土墩台检验批质量验收记录表预制安装混凝土柱检验批质量验收记录表现浇混凝土盖梁检验批质量验收记录表人行天桥钢墩柱制作与安装检验批质量验收记录表支架上浇筑梁(板)检验批质量验收记录表混凝土梁(板)预制检验批质量验收记录表混凝土梁(板)安装检验批质量验收记录表钢(桁)梁节段制作检验批质量验收记录表钢板梁制作检验批质量验收记录表钢箱形梁制作检验批质量验收记录表钢梁现场安装检验批质量验收记录表钢-混凝土结合梁检验批质量验收记录表砌筑拱圈检验批质量验收记录表。
表3.0.3 市政桥梁单位、分部、分项工程、检验批划分表表59—4—1 桥梁测量检验批质量验收记录表59—5—1 基坑开挖检验批质量验收记录表59-5-2 基坑支护(钢板桩围护)检验批质量验收记录表59—5—3 基坑支护(钻孔灌注桩、深层搅拌桩组合围护)检验批质量验收记录表59—5—4 基坑支护(套箱围堰)检验批质量验收记录表59—5—5 基坑排水降水检验批质量验收记录表59-5-6 基坑回填检验批质量验收记录表59—6—1钢筋混凝土、预应力混凝土沉入桩检验批质量验收记录表59—6—2 钢管沉入桩制作检验批质量验收记录表59-6-3沉桩(钢筋混凝土桩、预应力混凝土管桩)检验批质量验收记录表59—6—4沉桩(钢管桩)检验批质量验收记录表59—6—8扩大基础(砌体基础)检验批质量验收记录表59—6—9扩大基础(混凝土基础)检验批质量验收记录表59—6—10 现浇混凝土承台检验批质量验收记录表59—7—1模板制作检验批质量验收记录注:本模板第5项已考虑木板干燥后在拼合板中发生缝隙的可能;2mm以下的缝隙,可在浇筑前浇湿模板,使其密合。
表59—8—1预应力筋原材料检验批质量验收记录表59—8—2 预应力筋加工与安装检验批质量验收记录注:表中L为构件全长或浇筑节段长度;d为钢筋直径。
表59—8—3非预应力钢筋原材料检验批质量验收记录表59—8—5 非预应力钢筋加工检验批质量验收记录表59-8-8 非预应力钢筋连接(T型焊接)检验批质量验收记录表59-8-9 非预应力钢筋成型与安装检验批质量验收记录表59—9—3 水下混凝土检验批质量验收记录表59—9—4 纤维混凝土检验批质量验收记录表59—10—1 预应力混凝土检验批质量验收记录表59—10—2后张法预应力混凝土检验批质量验收记录表59—10—3先张法预应力混凝土检验批质量验收记录表59—10—4孔道灌浆与封锚检验批质量验收记录表59—11—1砌筑墩、台检验批质量验收记录注:表中H系构筑物高度(mm).表59—11—2现浇混凝土墩、台、柱检验批质量验收记录注:表中H—桥墩、桥台及柱的高度(mm)。
市政桥梁工程试验检测项目及频率汇总表
市政桥梁工程试验检测项目及频率汇总表
市政桥梁工程试验检测项目及频率汇总表
市政桥梁工程试验检测项目及频率汇总表
市政桥梁工程试验检测项目及频率汇总表
市政桥梁工程试验检测项目及频率汇总表
市政桥梁工程试验检测项目及频率汇总表
市政桥梁工程试验检测项目及频率汇总表
市政桥梁工程试验检测项目及频率汇总表
市政桥梁工程试验检测项目及频率汇总表
市政桥梁工程试验检测项目及频率汇总表
市政桥梁工程试验检测项目及频率汇总表
市政桥梁工程试验检测项目及频率汇总表
市政桥梁工程试验检测项目及频率汇总表
市政桥梁工程试验检测项目及频率汇总表
市政桥梁工程试验检测项目及频率汇总表。
市政桥梁工程检验批施工用表基坑开挖检验批质量验收记录地基检验批质量验收记录土方回填检验批质量验收记录编号:工程名称验收部位分项工程名称施工班组长施工单位专业工长CJJ2-2008质量验收规范的规定□ 1 \1 J施工单位检查评定记录□监理(建设)单位验收记录项目压实度检验频率检验方法实测值或实测偏差值范围占八、、数1填土上年筑各符合国家现行标准城镇道路工程施工质量验收规范CJJ1的规定每个基坑每层4点用环刀法或灌砂法2管线填土符合现行相关管线施工标准的规疋每条管线每层1点3 41除填上当年筑各和管线填土以外不小于87%每个基坑每层4点用环刀法或灌砂法施工执行标准名称及编号项目经理主控项目模板制作检验批质量验收记录号:工程名称验收部位F1L-1承台模板与支架分项工程名称F1L承台模板与支架施工班组长施工单位专业工长施工执行标准名称及编号CJJ2-2008项目经理主控项目质量验收规范的规定施工单位检查评定记录监理(建设)单位验收记录1模板、支架和拱架制作及安装应复核复核设计施工图的规定,且稳固牢靠,接缝严密,立柱基础有足够的支撑面和排水、防冻融措施般项目序号项目允许偏差(mm)检验频率检验方法1 —< L—■-1 y :牛实测值或实测偏差值范围占八、、1木模板模板的长度和宽度+5每个构筑物或4用钢尺量不刨光模板相邻两板表面高低差3用钢板尺和塞尺量刨光模板相邻两板表面高低差1施工单位检查评定结论项目专业质量检查员:年月曰监理(建设)单位验收结论监理工程师(建设单位项目专业技术负责人):年月曰模板、支架和拱架安装检验批质量验收记录号:接下表续上表钢筋加工及安装检验批质量验收记录号:接下表续上表14施工单位检查评定结论项目专业质量检查员: 年 月 日监理(建设)单位验收结论监理工程师(建设单位项目专业技术负责人) : 年 月 日预应力筋制作检验批质量验收记录号:施工单位工程名称 验收部位 分项工程名称施工班组长专业工长CJJ2-2008施工执行标准名称及编号项目经理主控项目钢丝、钢绞线先张法检验批质量验收记录编号:钢筋先张法检验批质量验收记录编号:工程名称分项工程名称施工单位施工执行标准名称及编号钢筋后张法检验批质量验收记录编号:CJJ2-2008验收部位施工班组长专业工长质量验收规范的规定施工单位检查评定记录监理(建设)单位验收记录1预应力筋张拉和放张时,混凝土强度必须符合没计规定;设计无规定时,不得低于设计强度的75%。
基坑开挖检验批质量验收记录编号:工程名称验收部位分项工程名称施工班组长施工单位专业工长施工执行标准名称及编号CJJ2-2008项目经理主控项目质量验收规范的规定施工单位检查评定记录监理(建设)单位验收记录12345一般项目序号项目允许偏差(mm)检验频率检验方法实测值或实测偏差值范围点数1基土0,-20每5用水准地基检验批质量验收记录编号:工程名称验收部位分项工程名称施工班组长施工单位专业工长施工执行标准名称及编号CJJ2-2008项目经理主控项目质量验收规范的规定施工单位检查评定记录监理(建设)单位验收记录1基坑内地基承载力必须满足设计要求2地基处理应符合专项处理方案要求,处理后的地基必须满足设计要求345一般序号项目允许偏差检验频率检验方法实测值或实测偏差值项目(mm)范围点数123456施工单位检查评定结论项目专业质量检查员:年月日监理(建设)单位验收结论监理工程师(建设单位项目专业技术负责人):年月日土方回填检验批质量验收记录编号:工程名称验收部位分项工程名称施工班组长监理(建设)单位验收结论监理工程师(建设单位项目专业技术负责人):年月日模板制作检验批质量验收记录编号:工程名称验收部位F1L-1承台模板及支架分项工程名称F1L承台模板及支架施工班组长施工单位专业工长施工执行标准名称及编号CJJ2-2008项目经理主控项目质量验收规范的规定施工单位检查评定记录监理(建设)单位验收记录1模板、支架和拱架制作及安装应复核复核设计施工图的规定,且稳固牢靠,接缝严密,立柱基础有足够的支撑面和排水、防冻融措施一般序号项目允许偏差检验频率检验方法实测值或实测偏差值(螺栓、卡子等的孔眼位置)距板端孔中心及板端的间距0,-0.5沿板长度方向的孔+0.6板面局部不平 1.0用2m 直尺和塞尺量板面和板侧挠度+1.1用水准仪和拉线量3固定在模板上的预埋件、预留孔内模不得遗漏,且应安装牢固施工单位检查评定结论项目专业质量检查员:年月日监理(建设)单位验收结论监理工程师(建设单位项目专业技术负责人):年月日模板、支架和拱架安装检验批质量验收记录编号:孔洞 位置(梁端)预留孔洞尺量其他位置8 1孔径+10,01接下表 续上表项目允许偏差(mm)检验频率 检验方法实测值或实测偏差值范围点数10梁底模拱度 +5,-2每根梁、每个构件、每个安装段1沿底模全长拉线,用钢尺量11对角线差板 7 1用钢尺量墙板 5桩312侧向弯曲板、拱肋、桁架L/1500 1沿侧模全长拉线,用钢尺量柱\桩L/1000, 且不大监理工程师(建设单位项目专业技术负责人):年月日钢筋加工及安装检验批质量验收记录编号:工程名称验收部位分项工程名称施工班组长施工单位专业工长施工执行标准名称及编号项目经理主控项目质量验收规范的规定施工单位检查评定记录监理(建设)单位验收记录1钢筋、焊条的品种、牌号、规格和技术性能必须符合国家现行标准和设计要求2钢筋进场时,必须按批抽取试件做力学性能和工艺性能试验,其质量必须符合国家现行标准的规定7受力钢筋间距两排以上排距+5每个构筑物或每个构件3用钢尺量,两端和中间各一个断面,每个断面连续量取钢筋间(排)距,取其平均值计1点同排梁板、拱肋+1基础、墩台、柱+2灌注桩+2接下表续上表一般项目项目允许偏差(m检验频率检验方法实测值或实测偏差值范围点数监理(建设)单位验收结论监理工程师(建设单位项目专业技术负责人):年月日预应力筋制作检验批质量验收记录编号:工程名称验收部位分项工程名称施工班组长施工单位专业工长施工执行标准名称及编号CJJ2-2008项目经理主控项目质量验收规范的规定施工单位检查评定记录监理(建设)单位验收记录1预应力筋进场必须符合规范要求,有出场合格证和试验报告。
2预应力筋用锚具、夹具和连接器进场检验应符合符合规范要求。
3预应力筋的品种、规格、数量必须符合设计要求。
4钢丝、钢绞线先张法检验批质量验收记录编号:4施工单位检查评定结论项目专业质量检查员:年月日监理(建设)单位验收结论监理工程师(建设单位项目专业技术负责人):年月日钢筋先张法检验批质量验收记录编号:工程名称验收部位分项工程名称施工班组长施工单位专业工长施工执行标准名称及编号CJJ2-2008项目经理主控项目质量验收规范的规定施工单位检查评定记录监理(建设)单位验收记录1预应力筋张拉和放张时,混凝土强度必须符合设计规定;设计无规定时,不得低于设计强度的75%。
目345施工单位检查评定结论项目专业质量检查员:年月日监理(建设)单位验收结论监理工程师(建设单位项目专业技术负责人):年月日钢筋后张法检验批质量验收记录编号:工程名称验收部位分项工程名称施工班组长施工单位专业工长施工执行标准名称及编号CJJ2-2008项目经理主控项目质量验收规范的规定施工单位检查评定记录监理(建设)单位验收记录滑丝数断面不超过钢丝总数的1%钢筋不允许7孔道压浆的水泥浆强度必须符合设计规定,压浆时排气孔、排水孔应有水泥浓浆溢出。
8锚具的封闭保护应符合规范规定。
一般项目1锚固阶段张拉端预应力筋的内缩量应符合规范规定。
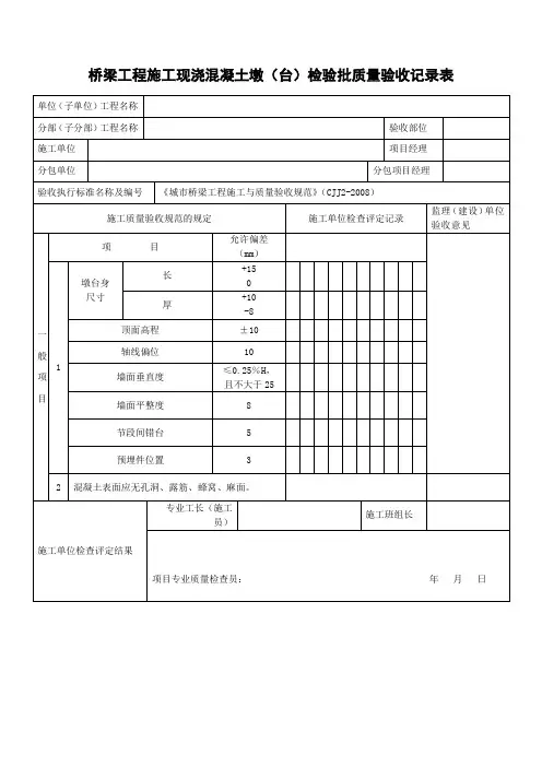
23施工单位检查评定结论项目专业质量检查员:年月日监理(建设)单位验收结论监理工程师(建设单位项目专业技术负责人):年月日砌体基础检验批质量验收记录编号:工程名称验收部位分项工程名称施工班组长施工单位专业工长现浇混凝土基础检验批质量验收记录编号:混凝土承台检验批质量验收记录编号:施工单位检查评定结论项目专业质量检查员:年月日监理(建设)单位验收结论监理工程师(建设单位项目专业技术负责人):年月日现浇混凝土墩台检验批质量验收记录编号:工程名称验收部位分项工程名称施工班组长施工单位专业工长施工执行标准名称及编号CJJ2-2008项目经理主控项目质量验收规范的规定施工单位检查评定记录监理(建设) 单位验收记录12一般序号项目允许偏差检验频率检验方法实测值或允许偏差值尺量5节段间错台54用钢尺和塞尺量6预埋件位置5每件4经纬仪放线,用钢尺量7混凝土表面无孔洞、露筋、蜂窝、麻面施工单位检查评定结论项目专业质量检查员:年月日监理(建设)单位验收结论监理工程师(建设单位项目专业技术负责人):年月日注:H为墩台高度(mm)现浇混凝土柱检验批质量验收记录编号:工程名称验收部位分项工程名称施工班组长施工单位专业工长注:H为柱高(mm)现浇混凝土挡墙检验批质量验收记录编号:设)单位验收结论监理工程师(建设单位项目专业技术负责人):年月日注:H为挡墙高度(mm)现浇混凝土盖梁检验批质量验收记录编号:工程名称验收部位分项工程名称施工班组长施工单位专业工长施工执行标准名称及编号CJJ2-2008项目经理主控项目质量验收规范的规定施工单位检查评定记录监理(建设)单位验收记录1现浇混凝土盖梁不得出现超过设计规定的受力裂缝2一般项目序号项目允许偏差(mm)检验频率检验方法实测值或允许偏差值5预埋件位置高程+2每件1用水准仪测量轴线51经纬仪放线, 用钢尺量6盖梁表面无孔洞、露筋、蜂窝、麻面施工单位检查评定结论项目专业质量检查员:年月日监理(建设)单位验收结论监理工程师(建设单位项目专业技术负责人):年月日台背填土检验批质量验收记录编号:工程名称验收部位分项工程名称施工班组长施工单位专业工长施工执行标准名称及编号CJJ2-2008项目经理质量验收规范的规定施工单位检查评定记录监理(建设) 单位设)单位验收结论监理工程师(建设单位项目专业技术负责人):年月日整体浇筑钢筋混泥土梁、板检验批质量验收记录编号:工程名称验收部位分项工程名称施工班组长施工单位专业工长施工执行标准名称及编号CJJ2-2008项目经理主控项目质量验收规范的规定施工单位检查评定记录监理(建设)单位验收记录1结构表面不得出现超过设计规定的受力裂缝.。
23一般项检查项目允许偏差(mm)检验频率检验方法实测值或允许偏差值范围点数测1点尺、塞尺量789施工单位检查评定结论项目专业质量检查员:年月日监理(建设)单位验收结论监理工程师(建设单位项目专业技术负责人):年月日支座安装检验批质量验收记录编号:工程名称验收部位分项工程名称施工班组长施工单位专业工长施工执行标准名称及编号CJJ2-2008项目经理主控项质量验收规范的规定施工单位检查评定记录监理(建设)单位。