五金手册查询表
- 格式:doc
- 大小:938.00 KB
- 文档页数:9
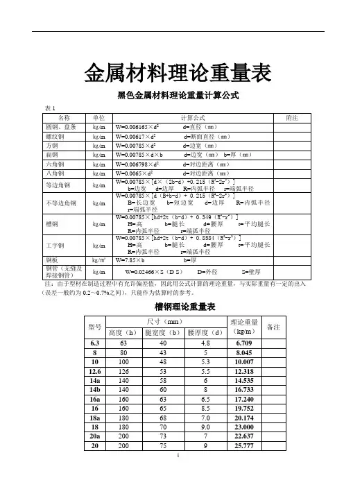
金属材料理论重量表JINSHU CAILIAO LILUNZHONGLIANGBIAO2006年1月编制黑色金属材料理论重量计算公式表1名称单位计算公式附注圆钢、盘条㎏/m W=0.006165×d2d=直径(㎜)螺纹钢㎏/m W=0.00617×d2 d=断面直径(㎜)方钢㎏/m W=0.00785×d2d=边宽(㎜)扁钢㎏/m W=0.00785×d×b d=边宽(㎜)b=厚(㎜)六角钢㎏/m W=0.006798×d2d=对边距离(㎜)八角钢㎏/m W=0.0065×d2d=对边距离(㎜)等边角钢㎏/m W=0.00785×[d×(2b-d)+0.215(R2-2r2)] b=边宽d=边厚R=内弧半径r=端弧半径不等边角钢㎏/m W=0.00785×[d(B+b-d)+ 0.215(R2-2r2)]B=长边宽b=短边宽d=边厚R=内弧半径r=端弧半径槽钢㎏/m W=0.00785×[hd+2t(b-d)+ 0.349(R2-r2)]H=高b=腿长d=腰厚t=平均腿长R=内弧半径r=端弧半径工字钢㎏/m W=0.00785×[hd+2t(b-d)+ 0.8584(R2-r2)]H=高b=腿长d=腰厚t=平均腿长R=内弧半径r=端弧半径钢板㎏/㎡W=7.85×b b=厚钢管(无缝及焊接钢管)㎏/m W=0.02466×S(D-S)D=外径S=壁厚注:由于型材在制造过程中有允许偏差值,因此用公式计算的理论重量,与实际重量有一定的出入(误差一般约为0.2~0.7%之间),只能作为估算时的参考。
槽钢理论重量表型号尺寸(mm)理论重量(kg/m)备注高度(h)腿宽度(b)腰厚度(d)6.3 63 40 4.8 6.709 8 80 43 5 8.045 10 100 48 5.3 10.007 12.6 126 53 5.5 12.318 14a 140 58 6 14.535 14b 140 60 8 16.733 16a 160 63 6.5 17.240 16 160 658.5 19.752 18a 180 68 7.0 20.174 18 180 70 9.0 23.000 20a 200 73 7 22.637 20 200 75 9 25.777 22a 220 77 7 24.999 22 220 79 9 28.453 24a 240 78 7.0 26.860 24b 240 80 9.0 30.628 24c 240 82 11.0 34.396 25a 250 80 7 27.410 25b 250 82 9 31.335 25c 250 82 11 35.260 27a 270 82 7.5 30.838 27b 270 84 9.5 35.077 27c 270 86 11.5 39.316 28a 280 82 7.5 31.427 28b 280 84 9.5 35.823 28c 280 86 11.5 40.219 30a 300 85 7.5 34.463 30b 300 87 9.5 39.173 30c 300 89 11.5 43.883 32a 320 88 8 38.083 32b 320 90 10 43.107 32c 320 92 12 48.131 36a 360 96 9 47.814 36b 360 98 11 53.466 36c 360 100 13 59.118 40a 400 100 10.5 58.928 40b 400 102 12.5 65.208 40c 400 104 14.5 71.488圆钢直径和方钢边长及理论重量表表1-1圆钢直径d 方钢边长a (㎜)理论重量(㎏/m)圆钢直径d方钢边长a(㎜)理论重量(㎏/m)圆钢直径d方钢边长a(㎜)理论重量(㎏/m)圆钢方钢圆钢方钢圆钢方钢5.5 0.186 0.237 *27 4.49 5.72 *68 28.51 36.306 0.222 0.238 28 4.83 6.15 70 30.21 38.476.5 0.260 0.332 *29 5.18 6.60 75 34.86 44.167 0.302 0.385 30 5.55 7.06 80 39.46 50.248 0.395 0.502 *31 5.93 7.54 85 44.55 56.729 0.499 0.636 32 6.31 8.04 90 49.94 63.5910 0.617 0.785 *33 6.71 8.55 95 55.64 70.85*11 0.746 0.950 34 7.13 9.07 100 61.65 78.5012 0.888 1.13 *35 7.55 9.62 105 68.97 86.5013 1.043 1.33 36 36 36 110 74.60 95.0014 1.209 1.54 38 8.90 11.24 115 81.5 10415 1.388 1.77 40 9.87 12.56 120 88.78 11316 1.58 2.01 42 10.87 13.85 125 96.33 12317 1.783 2.27 45 12.48 15.90 130 104.20 13318 1.999 2.54 48 14.21 18.09 140 120.84 15419 2.227 2.82 50 15.42 19.63 150 138.72 17720 2.468 3.14 53 17.30 22.10 160 157.83 20121 2.72 3.46 *55 18.65 23.75 170 178.18 22722 2.984 3.80 *56 19.33 24.61 180 200.00 254*23 3.26 4.15 *58 20.74 26.41 190 223.00 28324 3.55 4.52 60 22.19 28.26 200 247.00 31425 3.85 4.91 63 24.47 31.16 220 298.40 -26 4.17 5.30 *65 26.05 33.17 250 385.34 - 注:1、表中的理论重量是按钢的密度为7.85计算的。
金属材料理论重量表
黑色金属材料理论重量计算公式
表1
注:由于型材在制造过程中有允许偏差值,因此用公式计算的理论重量,与实际重量有一定的出入(误差一般约为0.2~0.7%之间),只能作为估算时的参考。
槽钢理论重量表
圆钢直径和方钢边长及理论重量表表1-1
注:1、表中的理论重量是按钢的密度为7.85计算的。
2、表中带*者不推荐使用。
3、螺纹钢6、7、8、9、10、12、1
4、16、18、20、22、2
5、28、32、3
6、40的理论重量同圆钢的理论重量。
工字钢理论重量
无缝钢管理论重量
注:钢管的理论重量(密度为7.85)按公称尺寸计算,其计算公式为P=0.02466*S(D-S),式中:D为钢管的公称外径(㎜);S为钢管的公称壁厚(㎜)。
花纹钢板理论重量
钢丝绳理论重量
说明:表中前者为6芯钢丝绳,后者为8芯钢丝绳.
等边角钢理论重量
不等边角钢理论重量。
金属材料理论重量表
黑色金属材料理论重量计算公式
表1
注:由于型材在制造过程中有允许偏差值,因此用公式计算的理论重量,与实际重量有一定的出入(误差一般约为~%之间),只能作为估算时的参考。
槽钢理论重量表
圆钢直径和方钢边长及理论重量表表1-1
2、表中带*者不推荐使用。
3、螺纹钢6、7、8、9、10、12、1
4、16、18、20、22、2
5、28、32、3
6、40的理论重量同
圆钢的理论重量。
工字钢理论重量
无缝钢管理论重量
的公称外径(㎜);S 为钢管的公称壁厚(㎜)。
花纹钢板理论重量
钢丝绳理论重量
等边角钢理论重量
不等边角钢理论重量。
金属材料理论重量表JINSHU CAILIAO LILUN
ZHONGLIANGBIAO
2006年1月编制
黑色金属材料理论重量计算公式
注:由于型材在制造过程中有允许偏差值,因此用公式计算的理论重量,与实际重量有一定的出入(误差一般约为0.2~0.7%之间),只能作为估算时的参考。
槽钢理论重量表
圆钢直径和方钢边长及理论重量表
表1-1
2、表中带*者不推荐使用。
3、螺纹钢6、7、8、9、10、12、1
4、16、18、20、22、2
5、28、32、3
6、40的理论重量
同圆钢的理论重量。
. 工字钢理论重量
无缝钢管理论重量
D 为钢管的公称外径(㎜);S 为钢管的公称壁厚(㎜)。
花纹钢板理论重量
钢丝绳理论重量
等边角钢理论重量
不等边角钢理论重量。
五金手册查询表金属材料理论重量表JINSHU CAILIAO LILUNZHONGLIANGBIAO古:17X ■■< _1 ' - . ■•- ■號;:乂■ . ■- I .-rf-;. 乙气.2006年1月编制黑色金属材料理论重量计算公式注:由于型材在制造过程中有允许偏差值,因此用公式计算的理论重量,与实际重量有一定的出入(误差一般约为0.2〜0.7%之间),只能作为估算时的参考。
槽钢理论重量表表1-1圆钢直径和方钢边长及理论重量表注:1、表中的理论重量是按钢的密度为7.85计算的。
2、表中带*者不推荐使用。
3、螺纹钢6、7、8、9、10、12、14、16、18、20、22、25、28、32、36、40的理论重量同圆钢的理论重量。
工字钢理论重量无缝钢管理论重量76 83 89 5.40 6.26 7.107798387.938719388.759621039.5 10.3 6 11.14 11.91 12.67 13.4214.110.51 11.39 12.26 13.1 213.9611.3312.28 13.22 14.1615.0614.8715.915.6816.7514.3216.4817.7715.5217.2618.68 16.282 18.003 19.4895 102121 133 7.98058.9896710.04 11.10 12.1413.17 14.1915.110.82 11.910.26 11.49 12.76 13.09 14.21 15.3116.413.9916.117.4817.1618.1319.0920.08 18.5519.620.64 21.6)15.09 16.27 17.4418.510.85 12.15 13.44 14.72 159 8 17.2318.411.54 12.9 14.30 15.67 17.02 18.3519.612.13 13..59 15.0416.4817.912.73 14.26 15.7719.7820.90 19.32 20.7 222.18 17.29 18.79 20.2821.7523.2919.720.9922.223.4124.6320.8122.1923.5824.8626.1621.9223.3824.8723.0124.4626.14 26.1927.5I 27.5228.93 20.96722.69824.178 25.65227.37328.853 30.33140 146 152 面168 180 15.04 16.65 18.24 19.83 21.4 22.9 624.51 26.0427.57 29.0330.515.7 17.316.37 18.117.15 18.9919.0318.86 20.72 22.3624.C25.62 27.2 3 28.8230.4131.97 21.6 23.32 25.0 326.7328.49 20.82 22.64 24.4526.220.121522.04 23.9923.74 28.02 29.77 25.89 27.79 29.625.75 27.7 29.8 731.9931.5133.91 30.09 31.57 33.43 35.98 31.7433.35 33.2935.0335.2537.9937.1539.9732.66833.54935.023 36.753 38.975 41.92194 203 219 245 273 299 23.3 125.627.82 30.0 32.28 34.529.14 31.5 33.83 36.136.76 38.4 740.731.52 34.06 36.6 39.12 41.638.23 41.09 43.8546.742.64 45.9249.1 53.952.2157.438.8344.1649.5855.4160.8941.0743.0246.6652.3558.6964.3643.2645.3149.0855.161.7767.83 45.383 47.598 51.457 57.953 64.863 71.27325 351 37758.74 62.5466.35 70.1473.967.67 71.8 75.9 180.02 77.681 84.181.63 86.1 90.51 注:钢管的理论重量(密度为7.85 )按公称尺寸计算,其计算公式为P=0.02466*S(D-S),式中:D为钢管的公称外径(mm);S为钢管的公称壁厚(mm)。
金属材料理论重量表
黑色金属材料理论重量计算公式
表1
注:由于型材在制造过程中有允许偏差值,因此用公式计算的理论重量,与实际重量有一定的出入(误差一般约为0.2~0.7%之间),只能作为估算时的参考。
槽钢理论重量表
圆钢直径和方钢边长及理论重量表表1-1
2、表中带*者不推荐使用。
3、螺纹钢6、7、8、9、10、12、1
4、16、18、20、22、2
5、28、32、3
6、40的理论重量同
圆钢的理论重量。
工字钢理论重量
无缝钢管理论重量
D 为钢管的公称外径(㎜);S 为钢管的公称壁厚(㎜)。
花纹钢板理论重量
钢丝绳理论重量
等边角钢理论重量
不等边角钢理论重量。
金属材料理论重量表JINSHU CAILIAO LILUN
ZHONGLIANGBIAO
2006年1月编制
黑色金属材料理论重量计算公式
注:由于型材在制造过程中有允许偏差值,因此用公式计算的理论重量,与实际重量有一定的出入(误差一般约为0.2~0。
7%之间),只能作为估算时的参考。
槽钢理论重量表
圆钢直径和方钢边长及理论重量表
表1—1
2、表中带*者不推荐使用。
3、螺纹钢6、7、8、9、10、12、1
4、16、18、20、22、2
5、28、32、3
6、40的理论重量同
圆钢的理论重量。
工字钢理论重量
无缝钢管理论重量
中:D 为钢管的公称外径(㎜);S 为钢管的公称壁厚(㎜)。
花纹钢板理论重量
钢丝绳理论重量
等边角钢理论重量
不等边角钢理论重量。
金属材料理论重量表
黑色金属材料理论重量计算公式
表1
注:由于型材在制造过程中有允许偏差值,因此用公式计算的理论重量,与实际重量有一定的出入(误差一般约为0.2~0.7%之间),只能作为估算时的参考。
槽钢理论重量表
圆钢直径和方钢边长及理论重量表
2、表中带*者不推荐使用。
3、螺纹钢6、7、8、9、10、12、1
4、16、18、20、22、2
5、28、32、3
6、40的理论重量同
圆钢的理论重量。
工字钢理论重量
无缝钢管理论重量
D 为钢管的公称外径(㎜);S 为钢管的公称壁厚(㎜)。
花纹钢板理论重量
钢丝绳理论重量
等边角钢理论重量
不等边角钢理论重量。
金属材料理论重量表
黑色金属材料理论重量计算公式
表1
注:由于型材在制造过程中有允许偏差值,因此用公式计算的理论重量,与实际重量有一定的出入(误差一般约为0.2~0.7%之间),只能作为估算时的参考。
槽钢理论重量表
圆钢直径和方钢边长及理论重量表表1-1
2、表中带*者不推荐使用。
3、螺纹钢6、7、8、9、10、12、1
4、16、18、20、22、2
5、28、32、3
6、40的理论重量同
圆钢的理论重量。
工字钢理论重量
无缝钢管理论重量
D 为钢管的公称外径(㎜);S 为钢管的公称壁厚(㎜)。
花纹钢板理论重量
钢丝绳理论重量
等边角钢理论重量
不等边角钢理论重量。
金属材料理论重量表JINSHU CAILIAO LILUNZHONGLIANGBIAO2006年1月编制黑色金属材料理论重量计算公式注:由于型材在制造过程中有允许偏差值,因此用公式计算的理论重量,与实际重量有一定的出入(误差一般约为0.2~0.7%之间),只能作为估算时的参考。
槽钢理论重量表圆钢直径和方钢边长及理论重量表表1-12、表中带*者不推荐使用。
3、螺纹钢6、7、8、9、10、12、14、16、18、20、22、25、28、32、36、40的理论重量同圆钢的理论重量。
工字钢理论重量无缝钢管理论重量花纹钢板理论重量钢丝绳理论重量等边角钢理论重量不等边角钢理论重量型号尺寸(㎜) 理论重量(㎏/m)型号尺寸(㎜) 理论重量(㎏/m) 长边宽短边宽边厚长边宽短边宽边厚2.5/1.6 25 163 0.91210/6.3 100 63 6 7.554 1.176 7 8.7223.2/2 32 20 3 1.171 8 9.8784 1.522 10 12.1424/2.5 40 253 1.48410/8 100 80 6 8.354 1.936 7 9.6564.5/2.8 45 28 3 1.687 8 10.9464 2.203 10 13.4765/3.2 50 323 1.90811/7 110 70 6 8.354 2.494 7 9.6565.6/3.6 56 36 3 2.153 8 10.9464 2.818 10 13.4765 3.46612.5/8 125 807 11.0666.3/4 63 40 4 3.185 8 12.5515 3.92 10 15.4746 4.638 12 18.337 5.33914/9 140 908 14.167/4.5 70 45 4 3.57 10 17.4755 4.403 12 20.7246 5.218 14 23.9087 6.01116/10 160 10010 19.8727.5/5 75 50 5 4.808 12 23.5926 5.699 14 27.2478 7.431 16 30.835 10 9.09818/11 180 11010 22.2738/5 80 50 5 5.005 12 26.4646 5.935 14 30.5897 6.848 16 34.6498 7.74520/12.5 200 12512 29.7619/5.6 90 56 5 5.661 14 34.4366 6.717 16 39.0457 7.756 18 43.5888 8.779。
金属材料理论重量表
黑色金属材料理论重量计算公式
表1
注:由于型材在制造过程中有允许偏差值,因此用公式计算的理论重量,与实际重量有一定的出入(误差一般约为0.2~0.7%之间),只能作为估算时的参考。
槽钢理论重量表
圆钢直径和方钢边长及理论重量表表1-1
2、表中带*者不推荐使用。
3、螺纹钢6、7、8、9、10、12、1
4、16、18、20、22、2
5、28、32、3
6、40的理论重量同
圆钢的理论重量。
工字钢理论重量
无缝钢管理论重量
D 为钢管的公称外径(㎜);S 为钢管的公称壁厚(㎜)。
花纹钢板理论重量
钢丝绳理论重量
等边角钢理论重量
不等边角钢理论重量。
常用表格Ⅰ圆钢理论重量圆钢理论重量圆钢理论重量角钢理论 重量角钢理论 重量角钢理论 重量角钢理论 重量角钢理论 重量角钢理论 重量角钢理论 重量圆钢GB 702-86热轧等边角钢GB 9787-88 热轧不等边角钢GB 9788-885.5 0.186 27 4.49 68 28.5 20×3 0.889 56×86.568 90×8 10.946 160×10 24.729 56×36×3 2.153 100×63×67.550 160×100×16 30.835 60.22228 4.83 70 30.2 20×4 1.145 63×4 3.907 90×10 13.476 160×12 29.391 56×36×4 2.818 100×63×7 8.722 180×110×10 22.273 6.5 0.260 29 5.18 75 34.7 25×3 1.124 63×5 4.822 90×12 15.940 160×14 33.987 56×36×5 3.466 100×63×8 9.878 180×110×12 26.464 7 0.302 30 5.55 80 39.5 25×4 1.459 63×6 5.721 100×6 9.366 160×16 38.518 63×40×4 3.185 100×63×10 12.142 180×110×14 30.589 8 0.395 31 5.92 85 44.5 30×3 1.373 63×8 7.469 100×7 10.830 180×12 33.159 63×40×5 3.920 100×80×6 8.350 180×110×16 34.649 9 0.499 32 6.31 90 49.9 30×4 1.786 63×10 9.151 100×8 12.276 180×14 38.383 63×40×6 4.638 100×80×7 9.656 200×125×12 29.761 10 0.617 33 6.71 95 55.6 36×3 1.656 70×4 4.372 100×10 15.120 180×16 43.542 63×40×7 5.339 100×80×8 10.946 200×125×14 34.436 11 0.746 34 7.13 100 61.7 36×4 2.163 70×5 5.397 100×12 17.898 180×18 48.634 70×45×4 3.570 100×80×10 13.476 200×125×16 39.045 12 0.888 35 7.55 105 68.0 36×5 2.645 70×6 6.406 100×14 20.611 200×14 42.894 70×45×5 4.403 110×70×6 8.350 200×125×1843.58813 1.04 36 7.99 110 74.6 40×3 1.852 70×7 7.398 100×16 23.257 200×16 48.680 70×45×6 5.218 110×70×7 9.656 备注:1.带括号的型号不推荐使用;理论重量按钢的密度7.85g/cm 3计算。
金属材料理论重量表JINSHU CAILIAO LILUN
ZHONGLIANGBIAO
2006年1月编制
黑色金属材料理论重量计算公式
注:由于型材在制造过程中有允许偏差值,因此用公式计算的理论重量,与实际重量有一定的出入(误差一般约为0.2~0.7%之间),只能作为估算时的参考。
槽钢理论重量表
圆钢直径和方钢边长及理论重量表
表1-1
2、表中带*者不推荐使用。
3、螺纹钢6、7、8、9、10、12、1
4、16、18、20、22、2
5、28、32、3
6、40的理论重量同
圆钢的理论重量。
工字钢理论重量
无缝钢管理论重量
花纹钢板理论重量
钢丝绳理论重量
等边角钢理论重量
不等边角钢理论重量。