鲁JJ-146填充墙砌体工程检验批质量验收记录表
- 格式:docx
- 大小:113.25 KB
- 文档页数:36
填充墙砌体工程检验批质量验收记录表
地面节能工程检验批质量验收记录表
注:1.本表由施工项目专业质量检查员填写,监理工程师(建设单位项目技术负责人)组织项目专业质量(技术)负责人进行验收。
2.记录中定量项目填写数据,定性项目“符合规范要求”用√标注,结果和结论栏由本人签字。
注:1.本表由施工项目专业质量检查员填写,监理工程师(建设单位项目技术负责人)组织项目专业质量(技术)负责人进行验收。
2.记录中定量项目填写数据,定性项目“符合规范要求”用√标注,结果和结论栏由本人签字。
注:1.本表由施工项目专业质量检查员填写,监理工程师(建设单位项目技术负责人)组织项目专业质量(技术)负责人进行验收。
2.记录中定量项目填写数据,定性项目“符合规范要求”用√标注,结果和结论栏由本人签字。
注:1.本表由施工项目专业质量检查员填写,监理工程师(建设单位项目技术负责人)组织项目专业质量(技术)负责人进行验收。
2.记录中定量项目填写数据,定性项目“符合规范要求”用√标注,结果和结论栏由本人签字。
填充墙砌体工程检验批质量验收记录表
GB50203-2002
020304 单位 子单位 工程 称
分部 子分部 工程 称验收部分
施工单位项目 理
分包单位分包项目 理
施工执行标准 称及编号
施工质 验收规范的规定施工单位检查评定记录
监理(建设)单位验
收记录
主控项目1 块材强度等级设计要求MU
2 砂浆强度等级设计要求M
一般项目1
无混砌现象第9.3.2条
2 拉结钢筋网片位置第9.3.4条
3 错缝搭砌第9.3.5条
4 灰缝厚度、宽度第9.3.6条
5 梁底砌法第9.3.7条
6 水 灰缝砂浆饱满度 80%
7 轴线位移 10mm
8 垂直度
3m, 5mm
<3m, 10mm
9 表面 整度 8mm
10 门窗洞口高宽度 塞口 ±5mm
11 外墙 窗口偏移20mm
施工单位检查评定结果
专业工长 施工员 施工班组长
项目专业质 检查员: 月日监理 建设 单位验收结论
专业监理工程师:
建设单位项目专业技术负责人 : 月日。
1、目的
1.1本程序应用于搬运、贮存、包装、防护和交付过程控制。
2、概述
2.1本程序适用于本公司物料的管理。
2.2整个搬运、贮存、包装、防护和交付过程包括:
a)物料签收及发放;
b)物料贮存;
c)产品搬运;
d)产品防护及交付。
物料包括成品,半成品、配件、原材料等。
2.3产品的包装工作由各生产车间按[作业指导书]规定进行。
3、职责
3.1各部门负责维持这一个程序。
3.2仓库负责人负责全权控制物料的搬运、贮存、防护和交付系
统,并负责保证物料数量与记录一致,先进先出等。
4、程序
4.1仓管员根据公司的[物料需求单]或采购单资料核收供应商的
进料,有差异时呈报MM部,并根据[来料物料清单]填写[来料通知单]通知检查员检查,合格、特采或返工的物料才可入仓。
4.2物料的收、发、存、搬运遵循有关仓库工作流程之规定。
4.3仓库每月末进行一次实物盘点,检查内容有:
帐本数与实际数是否相符;
a)保管状况是否良好;
b)有使用期限的材料是否过期。
将检查结果记录[盘点表]上。
4.4成品和材料交付规定:
a)成品须先经QA检查合格并出[成品检查报告]后方可出货;
b)依据“出货通知”出货;
c)成品及材料出货须按P/O要求包装;
d)出货后仓管员填写[出柜资料]。
5.记录及表格
5.1《盘点表》。
(FM-ST-1511—02)
5.2《出柜资料》(FM-ST-15102-03)。
填充墙砌体分项工程检验批质量验收记录工程名称:填充墙砌体分项工程工程地址:xxxx检验批编号:xxxx验收日期:xxxx一、工程概述二、验收标准1.遵循国家和地方的相关建筑法规、标准和规范;2.墙体填充材料符合相关要求,材料质量合格;3.墙体砌筑是否符合设计要求,无明显的破坏、错位等问题;4.砌筑过程是否按照规范进行,施工工艺是否正确。
三、验收内容及结果1.材料验收(1)填充材料:填充材料需符合国家和地方的相关标准,验收前要对各批次材料进行检测并出具合格证明。
(2)粘结材料:粘结材料需符合相关标准,应进行检测并出具合格证明。
结果:材料验收合格。
2.施工过程检查(1)墙体砌筑:检查墙体砌筑是否按照设计要求进行,是否垂直、水平,墙距是否符合规范要求,是否有明显的错位或破坏。
(2)填充材料使用:检查填充材料的使用情况,包括涂抹均匀、密实度是否满足要求等。
结果:施工过程检查合格。
3.质量评估综合以上检查结果,并参考相关标准和规范,对填充墙砌体分项工程的质量进行评估。
结果:填充墙砌体分项工程质量评估合格。
四、存在的问题及整改意见1.墙体砌筑中存在部分错位和破坏的情况,需要进行整改。
整改措施:重新砌筑错位和破坏的部分,并确保垂直、水平、墙距合格。
2.填充材料使用不够均匀,密实度不够满足要求,需要做出调整。
整改措施:加强填充材料的涂抹工艺,确保均匀性和密实度,增加填充压实过程。
五、验收结论经过全面检查和评估,填充墙砌体分项工程的质量符合相关建筑标准和规范要求。
其中发现的问题已提出整改意见,并要求在规定时间内进行整改。
验收结果报告将作为本工程竣工验收的一部分,并作为后续维护和保养的参考依据。
六、监理工程师意见根据本次验收的检查结果,填充墙砌体分项工程的质量符合要求,但存在部分问题需要整改。
监理工程师应加强对施工过程的监督和管理,确保施工质量和进度的控制。
七、总结本次填充墙砌体分项工程的质量验收过程中,充分发挥了质量验收的作用,对工程的质量进行了全面检查和评估。
一层报验单工程名称:西平县人民医院病房楼编号:01 致:河南省育兴建设工程管理有限公司西平县人民医院病房楼工程项目部 (监理单位):我单位已完成了一层构造柱、圈梁、过梁钢筋安装工作,现报上该工程报验申单,请予以审查和验收。
附件:1、钢筋加工工程检验批质量验收记录2、钢筋安装工程检验批质量验收记录3、隐蔽工程验收记录承包单位(章):项目经理:日期:审查意见:项目监理机构:总/专业监理工程师:日期:钢筋加工检验批质量验收记录表GB50204-2002(Ⅰ)010602020102 0 1 单位(子单位)工程名称西平县人民医院病房楼分部(子分部)工程名称混凝土结构工程验收部位一层构造柱、过梁、圈梁施工单位河南省第二建设集团有限公司项目经理张新凯施工执行标准名称及编号«混凝土结构工程施工质量验收规范» GB50204-2002施工质量验收规范的规定施工单位检查评定记录监理(建设)单位验收记录主控项目1 力学性能检验第5.2.1条产品合格证,钢筋进场抗拉试验报告,符合要求2 抗震用钢筋强度实测值第5.2.2条3 化学成分等专项检验第5.2.3条4 受力钢筋的弯钩和弯折第5.3.1条查钢筋弯钩和弯折件,符合要求5 箍筋弯钩形式第5.3.2条查箍筋弯钩角度和弯后平直长度,符合要求一般项目1 外观质量第5.2.4条现场观察,外观质量符合要求2 钢筋调直第5.3.3条采用机械调直,符合要求3钢筋加工的形状、尺寸受力钢筋顺长度方向全长的净尺寸±10 6 8 2 7 5 3 5 5 4 2弯起钢筋的弯折位置±20箍筋内净尺寸±5 3 2 1 4 2 2 5 2 2 1施工单位检查评定结果专业工长(施工员)施工班组长经检查,主控项目全部合格,一般项目符合施工质量规范验收及设计要求。
项目专业质量检查员:年月日监理(建设)单位验收结论专业监理工程师:(建设单位项目专业技术负责人):年月日钢筋安装工程检验批质量验收记录表GB50204-2002(Ⅱ)010602020102 0 1 单位(子单位)工程名称西平县人民医院病房楼分部(子分部)工程名称混凝土结构工程验收部位一层构造柱、过梁、圈梁施工单位河南省第二建设集团有限公司项目经理张新凯施工执行标准名称及编号«混凝土结构工程施工质量验收规范» GB50204-2002施工质量验收规范的规定施工单位检查评定记录监理(建设)单位验收记录主控项目1 纵向受力钢筋的连接方式第5.4.1条纵向受力钢筋采用搭接,符合设计要求2 机械连接和焊接接头的力学性能第5.4.2条3 受力钢筋的品种、级别、规格和数量第5.5.1条全数检查,符合设计要求一般项目1 接头位置和数量第5.4.3条全数检查,符合设计和规范要求2 机械连接、焊接的外观质量第5.4.4条3 机械连接、焊接的接头面积百分率第5.4.5条4 绑扎搭接接头面积百分率和搭接长度第5.4.6条附录B现场检查,符合设计和规范要求5 搭接长度范围内的箍筋第5.4.7条现场检查,符合设计和规范要求6钢筋安装允许偏差绑扎钢筋网长、宽(mm)±10 3 5 7 1 4 5 3 5 1 6网眼尺寸(mm)±20 6 18 5 7 2 6 5 8 4 3 绑扎钢筋骨架长(mm)±10 8 7 1 5 6 5 3 6 5 6宽、高(mm)±5 2 2 6 5 5 3 5 5 1 5受力钢筋间距(mm)±10 6 2 6 8 5 5 4 5 2 6排距(mm)±5 3 4 1 4 2 1 5 2 3 3保护层厚度(mm)基础±10柱、梁±5 2 5 2 4 2 5 2 4 2 5板、墙、壳±3绑扎箍筋、横向钢筋间距(mm)±20 3 5 6 8 5 4 7 6 5 8 钢筋弯起点位置(mm)20预埋件中心线位置(mm) 5水平高差(mm)+3,0施工单位检查评定结果专业工长(施工员)施工班组长经检查,主控项目全部合格,一般项目符合施工质量规范验收及设计要求。
填充墙砌体检验批质量验收记录020********注:本表内容的填写需依据《现场验收检验批检查原始记录》。
本检验批质量验收的规范依据见本页背面。
填写说明一、填写依据1 《砌体结构工程施工质量验收规范》GB50203-2011。
2 《建筑工程施工质量验收统一标准》GB50300-2013。
二、检验批划分根据《砌体结构工程施工质量验收规范》GB50203-2011中第3.0.20条规定:砌体结构工程检验批的划分应同时符合下列规定:1 所用材料类型及同类型材料的强度等级相同。
2 不超过250砌体。
3 主体结构砌体一个楼层(基础砌体可按一个楼层计);填充墙砌体量少时可多个楼层合并。
三、GB50203-2011规范摘要主控项目9.2.1 烧结空心砖、小砌块和砌筑砂浆的强度等级应符合设计要求。
抽检数量:烧结空心砖每10万块为一验收批,小砌块每1万块为一验收批,不足上述数量时按一批计,抽检数量为1组。
砂浆试块的抽检数量执行本规范第4.0.12条的有关规定。
检验方法:查砖、小砌块进场复验报告和砂浆试块试验报告。
9.2.2 填充墙砌体应与主体结构可靠连接,其连接构造应符合设计要求,未经设计同意,不得随意改变连接构造方法。
每一填充墙与柱的拉结筋的位置超过一皮块体高度的数量不得多于一处。
抽检数量:每检验批抽查不应少于5处。
检验方法:观察检查。
9.2.3 填充墙与承重墙、柱、梁的连接钢筋,当采用化学植筋的连接方式时,应进行实体检测。
锚固钢筋拉拔试验的轴向受拉非破坏承载力检验值应为6.0kN。
抽检钢筋在检验值作用下应基材无裂缝、钢筋无滑移宏观裂损现象;持荷2min期间荷载值降低不大于5%。
检验批验收可按本规范表B.0.1通过正常检验一次、二次抽样判定。
填充墙砌体植筋锚固力检测记录可按本规范表C.0.1填写。
一般项目9.3.1 填充墙砌体尺寸、位置的允许偏差及检验方法应符合表9.3.1的规定。
抽检数量:每检验批抽查不应少于5处。
填充墙砌体工程检验批施工质量验收记录表9.4.1 H020305( )
填充墙砌体工程检验批施工质量验收记录
表9.4.1 H020305( )
填充墙砌体工程检验批施工质量验收记录表9.4.1 H020305( )
填充墙砌体工程检验批施工质量验收记录表9.4.1 H020305( )
填充墙砌体工程检验批施工质量验收记录表9.4.1 H020305( )
填充墙砌体工程检验批施工质量验收记录表9.4.1 H020305( )
填充墙砌体工程检验批施工质量验收记录表9.4.1 H020305( )
填充墙砌体工程检验批施工质量验收记录表9.4.1 H020305( )
填充墙砌体工程检验批施工质量验收记录
表9.4.1 H020305( )
填充墙砌体工程检验批施工质量验收记录表9.4.1 H020305( )
填充墙砌体工程检验批施工质量验收记录表9.4.1 H020305( )
填充墙砌体工程检验批施工质量验收记录表9.4.1 H020305( )
填充墙砌体工程检验批施工质量验收记录表9.4.1 H020305( )
填充墙砌体工程检验批施工质量验收记录表9.4.1 H020305( )
填充墙砌体工程检验批施工质量验收记录表9.4.1 H020305( )
填充墙砌体工程检验批施工质量验收记录表9.4.1 H020305( )
填充墙砌体工程检验批施工质量验收记录表9.4.1 H020305( )
填充墙砌体工程检验批施工质量验收记录表9.4.1 H020305( )。
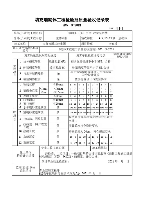
填充墙砌体工程检验批质量验收记录表GB50203-2002单位(子单位)工程名称海丰碧桂园一期低层住宅(B区)分项工程名称砌体工程验收部位G28户型201#一层墙砌体总承包施工单位汕头市潮阳建筑工程总公司项目负责人余朝裕专业承包施工单位/ 项目负责人/ 施工执行的技术标准名称及编号《混凝土结构工程施工质量验收规范》GB50204-2002施工质量验收规范的规定施工单位检查评定记录监理(建设)单位验收记录主控项目1 砖强度等级设计要求:MU 块材强度试验结果符合设计要求,有试验报告2 砂浆强度等级设计要求:M砂浆试块强度试验结果符合设计要求,有试验报告3 砌筑留槎第5.2.3条砖砌体留槎符合质量验收规范要求一般项目1 无混砌现象第9.3.2条经检查无混砌现象符合验收及规范要求2 拉结钢筋网片位置第9.3.4条拉结钢筋网片的设置符合验收规范要求3 错缝搭砌第9.3.5条错缝的搭砌方法符合验收规范要求4 灰缝厚度、宽度第9.3.6条符合验收规范要坟5 梁底砌法第9.3.7条梁底紧砌,并且砌筑时间与填充墙的砌筑时间间隔超过7h,符合验收规范要求6 灰缝砂浆饱满度≥80%82 84 95 79 85 80 80 93 917 轴线位移≤10mm 5 6 3 1 5 12 5 6 88垂直度≤3m≤5mm 1 5 3 6 0 0 4 5 3>3m≤10mm9 表面平整度≤8mm 4 3 5 3 10 5 8 8 310门窗洞口高度、度宽(后塞口)±5mm 5 4 3 -4 3 5 -3 1 411 外墙上下窗口偏移20mm 14 22 5 6 14 9 13 4 10专业承包施工单位检查评定结果专业工长(施工员)签名施工班组长签名主控项目全部符合要求,一般项目满足规范要求。
项目专业质量检查员(签名):年月日监理(建设)单位验收结论专业监理工程师(签名):(建设单位项目专业技术负责人签名):年月日填充墙砌体工程检验批质量验收记录表GB50203-2002单位(子单位)工程名称海丰碧桂园一期低层住宅(B区)分项工程名称砌体工程验收部位G28户型200#一层墙砌体总承包施工单位汕头市潮阳建筑工程总公司项目负责人余朝裕专业承包施工单位/ 项目负责人/施工执行的技术标准名称及编号《混凝土结构工程施工质量验收规范》GB50204-2002施工质量验收规范的规定施工单位检查评定记录监理(建设)单位验收记录主控项目1 砖强度等级设计要求:MU 块材强度试验结果符合设计要求,有试验报告2 砂浆强度等级设计要求:M砂浆试块强度试验结果符合设计要求,有试验报告3 砌筑留槎第5.2.3条砖砌体留槎符合质量验收规范要求一般项目1 无混砌现象第9.3.2条经检查无混砌现象符合验收及规范要求2 拉结钢筋网片位置第9.3.4条拉结钢筋网片的设置符合验收规范要求3 错缝搭砌第9.3.5条错缝的搭砌方法符合验收规范要求4 灰缝厚度、宽度第9.3.6条符合验收规范要坟5 梁底砌法第9.3.7条梁底紧砌,并且砌筑时间与填充墙的砌筑时间间隔超过7h,符合验收规范要求6 灰缝砂浆饱满度≥80%91 93 81 85 90 85 79 88 867 轴线位移≤10mm8 6 2 4 8 7 5 4 128垂直度≤3m≤5mm423602320>3m≤10mm9 表面平整度≤8mm 1 2 5 3 7 4 8 4 210门窗洞口高度、度宽(后塞口)±5mm-5 2 1 5 -2 3 6 3 -211 外墙上下窗口偏移20mm 1 3专业承包施工单位检查评定结果专业工长(施工员)签名施工班组长签名主控项目全部符合要求,一般项目满足规范要求。