初中物理电学实验中等难度检测卷附答案
- 格式:docx
- 大小:252.55 KB
- 文档页数:9
2020年初中物理电学实验中等难度检测卷附答案1、小明用图甲所示的电路测量额定电压为2、5V的小灯泡电阻,图乙是小明连接的实验电路、(1)小明将电路连接正确后,闭合开关,调节变阻器的滑片,使小灯泡刚好正常发光,此时电流表的示数如图丙所示,电流表的读数是A,小灯泡的阻值是Ω(小数点后保留一位);(2)当电压值改变的时候,小灯泡的阻值(选填“变化”或“不变”);(3)小明又想测某未知电阻Rx的阻值,设计了如图丁所示电路(R0为已知阻值的定值电阻),并设计了如下实验步骤,请帮他把缺少的步骤补全,并写出Rx的表达式、实验步骤:A、按照设计的电路图连接电路(如图丁);B、断开S2、闭合S1记录电流表示数为I1;C、;表达式:Rx=(用已知和测量的物理量的符号表示)、2、小宇用图1的电路图测量“小灯泡正常发光时的电阻”,选用的电源电压为3、0V,小灯泡的额定电压为2、5V,图2是未连接完整的实验电路、(1)按照电路图将图2中的实物电路元件连接补充完整,要求当滑动变阻器的滑片向右滑动时,电流表的示数减小,在连接电路时,导线不能交叉、(2)在连接电路过程中,开关要,并将滑动变阻器的滑片调到阻值最大处,其目的是、(3)闭合开关后,缓慢移动滑动变阻器的滑片p,当电压表的示数如图3所示时,其读数为V;若要测得小灯泡正常发光时的电阻,滑片P应向(选填“A”或“B”)端移动、(4)通过移动滑动变阻器,多次测量小灯泡两端的电压和通过小灯泡的电流,画出了通过小灯泡的电流随其两端电压变化的图象,如图4所示,在该图象中发现电流不与电压成正比,这是因为、(5)小宇最后不仅测出了小灯泡正常发光时的电阻是Ω,还测出了小灯泡的额定功率是W、3、现有下列器材:蓄电池(6V),电流表(0~0、6A,0~3A)、电压表(0~3V,0~15V)、定值电阻(若干)、开关、滑动变阻器和导线,要利用这些器材探究“电压不变时,电流与电阻的关系”:(1)请根据图甲所示的电路图用笔画线代替导线将图乙所示的实物连接成完整电路(导线不允许交叉)、(2)正确连接电路后闭合开关,发现电流表无示数,移动滑动变阻器的滑片P,电压表示数始终接近电源电压、造成这一现象的原因可能是、(3)排除故障后进行实验、实验中多次换用不同阻值的定值电阻,并调节滑动变阻器的滑片,使电压表示数保持不变,读出对应于不同阻值的电流表示数,并记于表格中,由表中数据可以分析得出结论:、次数123456电阻R/Ω3025xx105电流I/A0、10、120、150、20、30、6(4)上述实验中,小明将10Ω的电阻换为5Ω的电阻,闭合开关后,应将滑片向(填“左”或“右”)移动,使电压表示数为V时,读出电流表的示数、(5)为完成整个实验,应该选取哪种规格的滑动变阻器A、50Ω1、0AB、50Ω 0、5AC、20Ω1、0AD、20Ω 0、5A(6)小明想将定值电阻换成小灯泡来探究电流与电压的关系,你认为他的实验方案可行吗?请说出理由、答:(选填“可行”或“不可行”);理由:、4、在探究“电压一定时,电流跟电阻的关系”的实验中,设计电路图如图甲所示、(1)连接电路前,开关必须、(2)请根据图甲中电路图用笔画线代替导线将图乙所示实物连接成完整电路(导线不允许交叉)、(3)连接好电路,闭合开关,发现电流表没有示数,移动滑动变阻器的滑片,电压表示数始终接近电源电压、造成这一现象的原因可能是A、电流表坏了B、滑动变阻器短路C、电阻处接触不良D、电阻短路(4)排除电路故障进行实验,多次改变R的阻值,调节滑动变阻器,使电压示数保持不变,实验数据记录如下表、其中第5次实验电流表示数如图丙所示,其读数为A、实验次数12345 电阻R/Ω510152025 电流V/A 0、6 0、3 0、2 0、15(5)实验中滑动变阻器的作用是、(6)实验结论是:、5、如图所示是测定“小灯泡电功率”实验的装置图,选用2节新干电池、额定电压为2、5V阻值约为10Ω的小灯泡和“20Ω1A”的滑动变阻器、(1)正确连接电路后,闭合开关,发现小灯泡不亮,但电流表、电压表均有正常偏转,但偏转角度较小、则接下来应进行的操作是、A、更换小灯泡B、检查电路是否断路C、移动滑动变阻器滑片,观察灯泡是否发光(2)为了测量小灯泡正常发光时的电功率,小华应进行的下一步操作是、(3)之前物理老师已测出该规格小灯泡的电流与电压的关系数据如表所示:实验次数12345U/V0、301、202、002、502、90I/A0、030、120、180、200、21小华想亲自做一次实验,看能否测得同样的数据、实验过程中,小华发现无法得到上述表格中的一组数据,请根据所学的知识进行推断应是第次(填序号)数据,理由是、6、小明做测“小灯泡功率”实验时,所用器材有电压为6V 的电源,额定电压为2、5V的小灯泡,以及符合实验要求的滑动变阻器、电压表、电流表、开关和导线、(1)如图甲所示是小明没有连接完整实物电路,请用笔画线代替导线,棒小明将实物电路连接完整;(2)小明练好电路闭合开关后,发现小灯泡不亮,电压表有示数,而电流表示数为零,则电路存在的故障可能是、(3)排除故障后闭合开关,移动滑片P到某处,电压表的示数为2、2V,要测得最小灯泡的额定功率,应将滑片P向(选填“左”或“右”)端滑动、(4)小明通过移动滑片P,分别记录下多组对应的电压表和电流表的示数,并绘制成了如图乙所示的U﹣I图象,根据图象提供的信息,可计算出小灯泡的额定功率是W、(5)实验结束后,小明仅将小灯泡换成定值电阻,来探究电流与电阻的关系,小明想要完成四组实验,准备好的定值电阻有5Ω、10Ω、15Ω、20Ω、①将电路连接正确后,闭合开关,移动变阻器的滑片P,使定值电阻两端的电压为2V,此时电流表的示数如图丙所示,则定值电阻的阻值为Ω、②断开开关,将定值电阻换成阻值为10Ω的电阻,其余不动,闭合开关,电压表示数将(选填“变大”或“变小”);为完成此四组实验,滑动变阻器的最大电阻应不小于Ω、7、在测量小灯泡电功率的实验中,小灯泡的额定电压为2、5V,正常发光时的电阻约为10Ω、(1)请你用笔画线代替导线,将图甲中的实物电路连接完整、要求:当滑动变阻器的滑片向左移动时,连入电路的电阻变大;连线不得交叉、(2)若某小组同学闭合开关,移动滑动变阻器的滑片P的过程中,发现小灯泡始终不亮,电压表、电流表均有示数但始终不变,则电路中发生的故障时、(3)排除故障后,继续进行实验、测量数据如表、实验次数12345678发光情况明亮亮更明亮较亮较暗微光熄灭熄灭电压U/V2、52、13、01、71、30、90、50、1电流I/A0、280、260、300、240、210、190、160、05分析实验数据可知:①小灯泡的额定功率为W②7、8两次实验中,灯泡熄灭的原因是、③小灯泡的电阻不是定值,是因为电阻受到的影响、请推测:小灯泡断电一点时间后的电阻可能是(选填“0Ω”“1Ω”“2Ω”“8、9Ω”)、(4)另一个小组的电压表突然损坏,该组同学手边有多余电流表和5Ω的定值电阻,为了测出小灯泡的额定功率,小明灵机一动,设计了如图电路图;并进行如下操作:①调节滑片至阻值最大处,并同时闭合S1、S2、S3;②调节滑动变阻器的滑片,直至电流表A1的示数为A时,记下电流表A的示数A(见图);③根据公式计算出灯的额定功率为W、8、小轩同学在“探究电流通过导体产生热量的多少与什么因素有关”时采用了如图所示的实验装置,请仔细观察甲、乙两图、(1)实验中通过观察两个U形管中的变化来比较电流通过导体产生的热量的多少、(2)你认为甲图所示的装置是用来研究电流通过导体产生的热与的关系、(3)在乙图所示的实验现象可以得到的结论是在电阻相同、通电时间相同的情况下,通过电阻越大,电阻产生的热量越多、(4)按照图甲的实验装置进行实验,发现随着通电时间的延长,玻璃管A、B中液面均逐渐上升,这表明在电阻和电流相同时,越长,电阻产生的热量越多、(5)生活中有很多用电器是根据电流的热效应制成的,请举两例:、9、如图甲所示,是利用伏安法测量小灯泡L的电阻的实验电路,已知小灯泡L的额定电压为2、5V,滑动变阻器的最大阻值为20Ω、(1)请你用笔画线代替导线,把图甲的实物电路连接完整(要求导线不交叉,闭合开关后,变阻器滑片向左滑动时灯泡变亮);(2)闭合开关前,应将滑动变阻器的滑片置于(选填“A端”、“B端”或“AB正中间”)(3)移动滑片P,当小灯泡L正常发光时,发现电流表示数如图乙所示,小灯泡的电阻为Ω(保留一位小数);(4)实验操作时,因小灯泡L不慎损坏而出现断路,无论怎样移动滑片P,电压表指针变化情况是(选填“几乎不动”或“明显偏转”)、10、拓展性学习小组的同学合作进行探究“串联电路的电压特点”,设计了图Ⅰ电路,并连接了图Ⅱ电路、(1)图Ⅱ的实验电路连接中有一处错误,无法完成试验,连接错误的导线是(填“a”、“b”或“c”)、(2)正确连接后,继续实验,根据测得的实验数据,绘制了如图Ⅲ所示的曲线图、①图Ⅲ中甲、乙两条曲线是根据图Ⅰ电路测得的实验数据所绘制的曲线,其中与图Ⅰ电路中电压表V1对应的曲线是(填“甲”或“乙”)、②已知电源电压恒为6V,根据探究目的分析图Ⅲ中的曲线,得出的实验结论是、(3)拓展探究:同学们根据串联电路的电压特点,重新设计如图Ⅳ电路(电源电压未知),利用电压表和定值电阻R0(已知阻值)测量未知定值电阻Rx的阻值,闭合开关S后,接下来的操作是(只需写出操作过程和测量的科学量,不需写出表达式)、xx年初中物理电学实验中等难度检测卷参考答案一、实验探究题(共10小题)1、0、3;8、3;变化;断开S1、闭合S2记录电流表示数为I2;;2、断开;保护电路;1、8;A;灯丝的电阻随温度的升高而增大;12、5;0、5;3、电阻R断路;电压不变时,电流与电阻成反比;右;3;A;不可行;灯丝的电阻随温度变化明显;4、断开;C;0、12;控制定值电阻两端的电压不变;电压一定时,通过的电流与电阻成反比;5、C;移动滑片,使电压表的示数为2、5V,同时观察电流表的示数;1;滑动变阻器的最大阻值偏小;6、灯断路;右;0、5;11、1;变大;40;7、将变阻器下面两个接线柱连入了电路;0、7;实际功率太小;温度;1Ω;0、25;0、8;0、75;8、液面高度;电阻;电流;通电时间;电饭锅、电熨斗;9、B端;8、3;几乎不动;10、b;甲;串联电路中总电压等于各分电压之和;闭合开关S、S1,断开S2时,测得电压表的示数U1;闭合开关S2、断开开关S1(或同时闭合S1、S2)时,测得电压表的示数U2、;第 1 页共 1 页。
初中物理中考物理电学实验测试含答案一、电压电阻中考物理电学实验1.小红同学对串联电路的电压规律进行了探究.(猜想与假设)串联电路总电压等于各用电器两端的电压之和.(设计与进行实验)(1)按如图所示的电路图连接电路.(2)闭合开关,排除故障,用电压表在AB间测出L1两端的电压.(3)在测L2两端的电压时,小明为了节省时间,采用以下方法:电压表所接的B接点不动,只断开A接点,并改接到C接点上.(4)测出AC间的电压,得出结论.(交流与评估)(1)在拆接电路时,开关必须_________.(2)闭合开关,发现电压表示数为零,则小灯泡的故障可能是L1______或L2_______.(填“短路”或“断路”)(3)小明用步骤3的方法能否测出L2两端的电压?_________,为什么?___________________________.(4)方法改进后,测出AB、BC、AC间的电压记录在下面表格中,小明分析实验数据得出结论:_________________.此实验在设计方案上存在的不足之处是_________.U AB/V U BC/V U AC/V2.4 1.43.82.某同学用下图所示的电路探究“通过导体的电流与电压、电阻的关系”,电源电压恒为.(1)闭合开关后,电流表无示数,但电压表有示数,原因可能是__________.A.电流表断路B.电压表断路C.R1断路D.R2断路(2)探究电流与电压的关系时,应保持________不变(选填“R1”或“R2”).(3)探究电流与电阻的关系时,当R1的阻值是2Ω,电流表示数是1.0A,要使电流表示数是0.5A,R1的阻值是________Ω;多次测量后,作出的I-R1图像是图乙中的________.3.小明想探究某电阻的阻值R,与温度t的关系,设计了如下图所示的电路,其中,定值电阻R o=20 Ω,电源电压U=3 V。
他把该电阻放在不同的温度下做实验,得到了不同温度下该电阻的阻值(如下表)。
中考物理总复习《电学实验》专项测试题(附带答案)学校:___________班级:___________姓名:___________考号:___________ 1.(1)在“探究串联电路的电压关系”的实验中,如图1.①根据电路图,在连接电路时,开关应处于(选填“闭合”或“断开”)状态。
①连接好电路,闭合开关,若L2断路,则电压表(选填“有示数”或“无示数”)。
(2)在“探究并联电路的电流关系”的实验中。
①某组实验中测出了L1、L2支路和干路上的电流分别为I A、I B和I C,I A=0.54A,I B的示数如图2所示,则I C= A。
根据多次测量实验结果,在误差允许范围内,你认为多次实验的目的是。
2.在“探究导体的电流跟电阻的关系”实验中,老师提供的器材有:电源(电压恒为3V),电流表、电压表和开关各一个,五个定值电阻(5Ω、10Ω、15Ω、20Ω、30Ω,50Ω),滑动变阻器(规格是“20Ω,2A”),导线若干。
(1)图甲是小明连接的实物电路,图中有一根导线连接错误,请你在连接错误的导线上打“×”并补画出正确的连线。
( )(2)在开关闭合前,应将滑动变阻器的滑片滑至最(选填“左”或“右”)端。
(3)电路连接无误后,闭合开关,小明先后将5Ω和10Ω的电阻分别接入电路,移动滑片P进行了二次实验,数据如图乙表格所示,小明紧接着再将20Ω的定值电阻替换10Ω的电阻后,直接读出电流表示数示为A。
(4)小明为了使实验能继续顺利进行,还可以使用的定值电阻有。
(写出具体的电阻值)(5)小明将电阻换成标有“2.5V”字样的小灯泡,测量其不同电压下的电功率。
①正确连接电路,闭合开关,发现小灯泡不亮,电压表有示数,电流表指针几乎不动,产生这种现象的原因是;①排除故障,继续实验,根据实验数据画出I﹣U图像(如图丙)。
由此可求出小灯泡正常发光时的功率为W;(6)完成上述实验后,小明又利用上述器材重新设计了电路(增加了一个滑动变阻器)如图丁,测量另一个小灯泡的额定功率,这个小灯泡正常工作的电流为I1。
一.选择题(共16小题)1.如图所示,动圈式扬声器主要由线圈、永磁体、锥形纸盆组成。
当线圈中有电流通过时,处在磁场中的线圈会受到力的作用而带动纸盆振动产生声音,如图所示的实验中,与动圈式扬声器工作原理相同的是()A.B.C.D.【分析】扬声器是利用通电线圈在磁场中要受到力的作用工作的。
【解答】解:A、该图是奥斯特实验,即通电导体周围存在磁场;故A不合题意;B、该图是电磁感应原理,即闭合回路中的一部分导体做切割磁感线运动,产生电流的现象;故B不合题意;C、该图是探究电磁铁磁性强弱与电流大小的关系;故C不合题意;D、该图是电动机的原理图,即通电导体在磁场中受力运动;故D符合题意。
故选:D。
【点评】扬声器是通电线圈在磁场中受力而运动的原理工作的。
扬声器的原理和电动机的原理是相同的,动圈式话筒和发电机的原理是相同的。
2.如图是扬声器工作原理图,线圈中通入携带声音信息、时刻变化的电流,使得它在一个瞬间和下一个瞬间受到不同的力,于是带动纸盆振动起来,发出声音。
下列实验中和扬声器工作原理相同的是()A.B.C.D.【分析】知道扬声器的工作原理,然后从选项中找出和扬声器原理相同的即可。
【解答】解:扬声器是根据通电导体在磁场中受力而运动原理工作的。
A、如图是奥斯特实验,表明通电导体周围存在磁场,是电流的磁效应,与扬声器的原理不同。
B、如图是通电螺线管,在通电时周围产生磁场,是电流的磁效应,与扬声器的原理不同。
C、如图电路中有电源和磁体,是通电导体在磁场中受力而运动,与扬声器的原理相同。
D、如图电路中只有磁体,没有电源,是电磁感应,与扬声器的原理不同。
故选:C。
【点评】电磁部分涉及到三部分内容,包括电生磁、磁生电、磁场对电流作用,归纳这三部分各是谁的工作原理,即可解决这部分的内容。
3.如图所示,动圈式扬声器主要由线圈、永磁体、锥形纸盆组成。
当线圈中有电流通过时,处在磁场中的线圈会受到力的作用而带动纸盆振动产生声音,如图所示的实验中,与动圈式扬声器工作原理相同的是()A.B.C.D.【分析】扬声器是利用通电线圈在磁场中要受到力的作用工作的。
中考物理模拟题《电学实验》专题检测卷-附带答案学校:___________姓名:___________班级:___________考号:___________1.如图所示,是小明做“探究什么情况下磁可以生电”实验装置。
(1)闭合开关,若导体不动,左右移动磁体,电路中(选填“有”或“无”)感应电流;(2)该实验的结论是:闭合电路的一部分导体,在磁场中做运动时,导体中就会产生感应电流;这种现象叫;(3)如果将小量程电流表换成;可以探究磁场对通电导体的作用。
2.小丽和小明同学进行探究实验的电路如图所示,小丽用电流表分别在A、B、C三处测得电流如下表。
测量处A B C电流(安)0.60.30.3(1)连接电路时开关应,实验中电源为2节干电池串联,电源电压为。
(2)小丽把电流表接入A点,当闭合开关时,发现电流表指针如图所示,出现这故障的原因是。
(3)根据上表数据,小丽得出结论是:并联电路干路电流等于各支路电流之和;各支路电流相等。
这个结论正确吗?;理由是。
(4)小明在原有器材的基础上再增加一个开关,不需要拆下电流表也可以完成探究过程。
请你在图的虚线框内画出小明设计的电路图。
( )(5)小明同学又对串联电路电压规律进行了探究时,闭合开关,发现电压表示数为零,则电路故障可能是L1或L2。
在测L2两端的电压时,小明为了节省时间,采用以下方法:电压表所接的B接点不动,只断开A接点,并改接到C接点上。
小明能否测出L2两端的电压?,理由是。
3.现提供如图所示器材:电能测量仪、数显温度计、电子秤、烧杯、电热水壶、水。
[水的比热容为c水=4.2×103J/(kg∙℃)](1)把空烧杯放在已经调零的电子秤上,电子秤显示为153g;倒入水之后,显示为786g;为了倒入500g水进入电热水壶,小曾想了一个办法:反复调节倒入电热水壶中的水量,使得烧杯与剩余的水放在电子秤上,当电子秤的示数为286g时就实现了,你认为小曾的办法对吗?(选填“对”或“错”);(2)小曾发现,把500g,20℃的水加热到100℃,该电热水壶需要200s,则该电热水壶每秒钟释放的热量可能是以下的;A.400J B.600J C.800J D.900J(3)小曾想利用图中的器材测量电热水壶工作时的实际电功率。
中考物理总复习《实验题-电学》专题检测卷-带有参考答案学校:___________姓名:___________班级:___________考号:___________一、实验题1.小明在“探究影响电阻大小的因素”实验中:有a、b、c、d四根不同的电阻丝,b、c、d 取a相比,分别只有一个因素不同:b与a长度不同;c与a横截面积不同;d与a材料不同。
现将电阻丝a、b、c、d串联在如图所示电路中,用电压表分别测出每根电阻丝两端的电压。
(1)电压表的示数越大,表示被测的电阻丝阻值越。
(2)小明选择和两根电阻丝,可以探究电阻大小与材料的关系。
(3)闭合开关后,小明发现c两端的电压比a两端的电压示数小,说明:在其他条件相同时,,电阻丝的电阻越小。
(4)此实验除了用到转换法,还用到了法。
(5)在保证电路安全的前提下,增大电源电压,(选填“会”或“不会”)影响实验结论。
2.小明和小华一起用伏安法测未知电阻R x阻值。
他们选用的器材如图甲所示,电源电压恒为3V,滑动变阻器标有“20Ω 1A”字样。
(1)请你用笔画线代替导线将实物电路连接完整,要求:滑动变阻器的滑片P向右移动时电流表的示数变大;( )(2)连接电路之前,应该开关,检查电表指针是否指零;(3)闭合开关,小明发现两电表均无示数。
为了查找故障,他将电压表拆下,保持电路其他部分连接完好,再将电压表分别接在电源、待测电阻R x、滑动变阻器两端,闭合开关后,发现只有接在待测电阻R x两端时,电压表无示数,则故障可能是;(4)排除故障后,小明和小华继续进行实验,并根据实验数据画出了如图乙所示的图像,由图像可知,该待测电阻R x的阻值为Ω;(5)小明和小华还用此装置探究“电流和电压的关系”,所得实验数据如下表:①获得第3组实验数据后,要想得到第4组数据,应将滑片P向变阻器向(选填“左”或“右”)端移动;①分析论证时,小华认为表中有一组数据可能是错误的,请指出她认为错误的数据为第组;①排除错误数据后,分析可得:电阻一定时,导体中的电流跟导体两端的电压成比;(6)利用电压表可以直接测量电压的大小,能否把电压表改装为间接测量电阻大小的仪表呢?小明和小华经过思考,分别设计了如图丙、丁所示的方案(电源电压恒定不变),并进行了以下操作和分析:①小明在所设计电路的M、N两点之间接入一个电阻箱,调节旋钮使它接入电路的阻值分别为5Ω、8Ω、20Ω,闭合开关,发现电压表指针分别指向1.5V、2.0V、3.0V的刻度线,于是他在表盘相应位置标出了电阻的数值,如图戊所示。
初中物理中考电学实验专项难题测试综合卷学能测试试题答案一、电压电阻中考物理电学实验1.有一个低压电源的电压在 30 V~36 V 间,小明要测量出它的电压(设电源电压保持不变),除了待测电源,手边有一个量程为 0~15 V 的一块电压表,及四个阻值已知的电阻,分别为R1(0.01 Ω)、R2(20 Ω)、R3(30 Ω)和R4(30 kΩ)各一个,一个开关及若干导线,请合理选择以上器材,测出电源电压。
要求:(1)在虚线框中画出实验电路图;(____)(2)写出实验步骤及所需测量的物理量________;(3)写出电源电压的表达式(用已知量和测量量表示)。
U= ______。
解析: a.按照电路图连接电路,开关断开;b.闭合开关 S,读出电压表的示数U1.U=2.5 U1【解析】【分析】【详解】(1)[1]由题意可知,电压表的最大量程小于电源的电压,故所用的实验电路应是串联电路,串联的两个电阻应选用20Ω和30Ω,用电压表测出其中一个电阻的电压,再根据串联电路的分压特点,可过求出另一个电阻的电压,则电源的电压亦可求出。
故电路如图:(2)[2]实验的操作过程是:a.按电路图连接电路,连接电路时开关应断开;b.闭合开关S,读出电压表的示数U1。
(3)[3]由实验操作可测出电阻R2的电压U1,而R2、R3的阻值分别为20Ω、30Ω,由串联电路的分压特点,有U1:U2=R2:R3=20Ω:30Ω=2:3即U2=1.5U1那么电源的电压U=U1+U2=U1+1.5U1=2.5U12.小东和小文利用如图所示的电路探究串联电路中用电器两端电压的关系。
(1)小东操作的主要实验过程如下:① 断开开关,将滑动变阻器的滑片P放在阻值最大处,根据电路图连接实验电路;② 检查电路无误后,闭合开关,调整滑动变阻器的滑片P 到适当位置,正确读出电压表V1与V2的示数,记录在实验数据记录表中;③ 仿照上述步骤又进行了五次实验。
实验数据如下表。
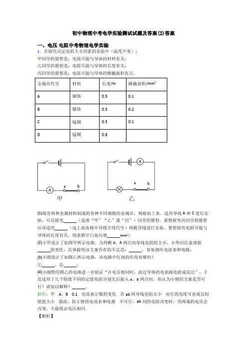
初中物理中考电学实验测试试题及答案(2)答案一、电压电阻中考物理电学实验1.在探究决定电阻大小因素的实验中(温度不变):甲同学的猜想是:电阻可能与导体的材料有关;乙同学的猜想是:电阻可能与导体的长度有关;丙同学的猜想是:电阻可能与导体的横截面积有关。
金属丝代号材料长度/m横截面积/mm2A镍铬0.50.1B镍铬0.50.2C锰铜0.50.1D锰铜0.8(1)现有两种金属材料制成的各种不同规格的金属丝,规格如上表。
选用导线A和C进行实验,可以探究______(选填“甲”“乙”或“丙”)同学的猜想。
要想探究丙同学的猜想应该选用______(选上面表格中导线字母代号)两根导线进行实验。
要想探究电阻可能与导体的长度有关,则表格空白处应填______mm2;(2)小华设计了如图甲所示电路。
为判断a、b两点间导线电阻的大小,小华应注意观察______的变化,具体指明该方案存在的不足是:______,容易烧坏电流表和电源;(3)小刚设计了如图乙所示电路,该电路中灯泡的作用有哪些?①______,②______;(4)小刚想用图乙的电路进一步验证“在电压相同时,流过导体的电流跟电阻成反比”,于是选用了几个阻值不同的定值电阻分别先后接入a、b两点间。
你认为小刚的方案是否可行?请加以解释?______。
解析:甲 A、B 0.1 电流表示数的变化若ab间导线电阻太小由灯泡亮度可直观比较阻值大小限流,防止烧毁电流表和电源不可行,ab间的电阻改变时,其两端的电压会改变,不能保证电压相同【解析】【详解】(1)[1]由表中所给条件知,导线A和C的长度、横截面积相同,导体的材料不同,故可以探究甲同学的猜想。
[2]要探究横截面积与导体电阻大小的关系,就要控制导体的材料、长度相同,横截面积不同,在表格中给的导线中,只有A、B符合条件。
[3]要探究长度与导体电阻大小的关系,就要控制导体的材料、横截面积相同,导体的长度不同,在表格中给的导线中,只有C、D符合条件,故表格空白处应填0.1mm2。
初中物理中考电学实验测试试题及答案(1)答案一、电压电阻中考物理电学实验1.小明在探究“影响导体电阻大小的因素”的实验中,原先设计的实验电路如图。
(1)为判断a、b两点间导体电阻的大小,小明应注意观察电流表的示数,若电流表示数较大,表明接入a、b两点间导体电阻较_____(填“大”或“小”)。
老师指出该方案存在不足,你认为不足之处是:_____。
(2)老师指出不足后,小明立即将图中的电流表改成了一个小灯泡,想通过观察小灯泡亮度的变化,判断a、b两点间导体电阻的大小。
老师指出此方案仍存在不足,你认为不足之处是:_____。
(3)小明认真思考了一会,对原先设计的实验电路图重新作了改进,他改进后的电路得到了老师的肯定。
他是如何改进电路的?答:_____。
(4)小明实验时发现手边只有一根较长的镍镉合金丝,他利用后来改进的电路只可以探究导体的电阻与导体的_____和_____有关。
解析:小 ab间电阻过小时,可导致电路中电流过大从而烧坏电流表接入ab间电阻相差不大时,小灯泡亮度变化不明显在图中串联一个小灯泡长度横截面积【解析】解答:(1)为判断a、b两点间导体电阻的大小,应注意观察电流表的示数变化。
若电流表示数较大说明接入电路的电阻较小;该电路无保护电阻,当ab间电阻太小时,可导致电路中电流过大,烧坏电流表;(2)灯泡与电阻串联,通过观察小灯泡亮度的变化,判断a、b两点间导体电阻的大小,此方案存在不足为:接入ab间电阻相差不大时,小灯泡亮度变化不明显;(3)对原先设计的实验电路图重新作了改进,根据保护电路的思路,在原电路中串联一个小灯泡,可以起到保护电路的作用;(4)导体的电阻是本身的属性,它跟导体的长度、横截面积和材料有关:当探究导体电阻与长度的关系时,可控制横截面积和材料不变,改变导体的长度,能够完成;当探究导体电阻与横截面积的关系时,可控制长度和材料不变,改变导体的横截面积,能够完成;当探究导体电阻与材料的关系时,可控制长度和横截面积不变,因为只有一根较长的镍镉合金丝,所以无法改变材料,不能够完成,所以他利用后来改进的电路只可以探究导体的电阻与导体的长度和横截面积的关系。
初中物理初中物理中考电学实验试题含答案(2)一、中考物理电学实验1.归纳式探究——研究电子在电场中的偏转:如图1,给两块等大、正对、靠近的平行金属加上电压,两板之间就有了电场。
若将电子沿着平行于两板的中线方向入射到电场中,电子就会发生偏转。
若两板间距为d,板长为L,所加的电压为U,电子入射初速度为v0,离开电场时偏移的距离为y,则经研究得到如下数据:次数d/m L/m U/V v0/(m·s-1)y/m14×10-20.2401×107 3.6×10-228×10-20.2401×107 1.8×10-234×10-20.1401×1070.9×10-248×10-20.21601×1077.2×10-258×10-20.22402×107 2.7×10-2(1)y=k__________,其中k=_________(填上数值和单位)。
本实验在探究影响电子离开电场时偏移的距离时,运用了_________法;(2)相同情况下,电子的入射速度越大,偏移距离越________。
它们间的关系可以用图像2中的图线________表示;(3)现有两块平行相对的长度为5cm,间距为1cm的金属板,为了让初始速度为3×107m/s 的电子从一端沿两板间中线方向入射后,刚好能从另一端的金属板边缘处射出,需要加_____V的电压。
2.在“探究串联电路中电流的特点”实验中,小明连接了如图所示的电路,闭合开关后,发现两个小灯泡都不发光,电流表没示数,检查发现各连线接触良好.(1)于是小明提出用导线两端依次连接ab、ac、ad两点的设计方案,其中用导线连接哪两点间不合适?答:________ (选填“ab”、“ac”或“ad”).(2)当小明用导线连接ab时,两灯泡不发光;连接ac时,小灯泡1L不发光,小灯泡2L 很亮,然后又熄灭.那么,原电路中的故障是________,小灯泡2L又熄灭的原因可能是_____________.(3)此时,同组的小红提出用电压表检查电路,你认为小红的方案可行吗?答:________(选填“可行”或“不可行”).3.实验小组用如图1所示的电路来探究并联电路中电流的关系,其实验思路如下∶接好电路后,把电流表分别接入到A、B、C三处,测出第一组数据;为了防止个别偶然因素的影响,他们采用以下两种方法之一来重复实验,并完成第二次和第三次测量:方法一∶改变电源电压方法二∶更换其中一条支路中的灯泡(规格不同)(1)如图2是某同学连接的并联电路的局部图,某次实验中,测量完干路电流之后,某同学想测量通过L1的电流,为接入电流表,a、b、c、d四个接点中最方便的导线拆接点是________点,同时注意,在拆接电路时,开关必须________。
初中物理中考物理电学实验测试含答案(1)一、电压电阻中考物理电学实验1.软硬程度不同的铅笔其用途不同例如6B软铅笔用来作画,软硬适中的HB铅笔用来写字,6H硬铅笔用来制图。
已经知道铅笔芯的电阻大小与其长度、横截面积有关。
小明有5cm和15cm的6H、HB、6B的铅笔芯若干,用如图所示的方案探究铅笔芯的电阻大小与其硬度是否有关。
(1)实验中小明通过______反映铅笔芯电阻的大小。
(2)应选用______cm的铅笔芯做实验更好一些(3)实验中更换不同硬度的铅笔芯,发现灯泡亮度几乎不变可能是铅笔芯的电阻差别比较小;改进的措施是:在电路中串联一个______。
(4)实验中,______更换不同硬度的铅笔芯时,(选填“需要”或“不需要”)保持电源电压不变。
(5)根据改进后的方案,画出记录数据的装格,表格中要有必要的信息______2.小明想探究某电阻的阻值R,与温度t的关系,设计了如下图所示的电路,其中,定值电阻R o=20 Ω,电源电压U=3 V。
他把该电阻放在不同的温度下做实验,得到了不同温度下该电阻的阻值(如下表)。
(1)由表中数据得出,该电阻的阻值R t与温度t的数学关系式为_____;(2)通过计算说明,当温度为0℃时,小明观察到实验中电压表的示数为多少?_____(3)在实验过程中,小明发现:温度较高时,随温度的上升,电压表示数变化不明显。
经检查,电路连接正常,各元件没有损坏。
你认为小明发现的情况可能是什么原因造成的?_____3.如图是小明探究串联电路电流特点的实验电路图:(1)小明最好选择两个小灯泡的规格应该是________的.(填“相同”或“不相同”).(2)小明连电路时把一只开关和两个小灯泡连接后,刚将线路两端接到电源两极,L2就亮了,但L1没亮.他在实验操作中不当之处是:________.实验时L1没亮的原因可能是________A.通过灯泡L1的电流比L2中的电流小 B.L1灯泡的灯丝断了C.L1灯座处可能短路了 D.L1灯泡靠近电源正极(3)下表是小明实验中测得的三组数据:由表格数据可得出结论:________.实验序号电流表的位置A B C1电流I/A0.30.30.32电流I/A0.40.40.43电流I/A0.20.20.2(4)他获得三组不同电流值的方法是:________(5)甲、乙两同学在做实验时,闭合开关前,电流表的指针均指在零刻度处;当闭合开关试触时,发现电流表指针摆动分别出现了如图甲、乙所示的两种情况.请分析他们在电流表的使用上分别存在什么问题?(填在下面横线上)甲:________ 乙:________4.某实验小组探究金属丝电阻大小与长度的关系,他们取一段粗细均匀的金属丝拉直连接在A、B接线柱上,在金属丝上安装一个可滑动的金属夹P.实验室还提供了下列器材:电压表、电流表、电池组(电压 3 V)、滑动变阻器(20 Ω 2 A)、刻度尺、开关和导线若干.(1)为了测量AP段的电阻R,他们连接了如图甲所示的电路,连接电路时,开关应_______.(2)某次实验中测得电压表的读数为 2.1V,电流表指针偏转如图乙所示,则电流表的读数为I= _______A,此时金属丝的电阻R= _______Ω.(3)实验中移动金属夹P,分别测出AP段的长度l和对应的电压电流值,并计算出电阻值R,其中l和R的数据如下表:l/cm304050607080R/Ω 2.1 2.8 3.5 4.2 4.9 5.6(4)小军同学认为,由于电源电压没有超过电压表所选量程的最大值,因此在闭合开关前,可以将变阻器的滑片置于任意位置.你认为他的想法是_______(填“正确”或“错误”)的,理由是:_______.5.在探究“串联电路电压的规律”实验中.(1)小珊想电压表测灯L1的两端电压,连接电路如图所示,分析小灯泡的发光情况:______电压表实际测哪两端电压_______(2)图中只有一根导线连错,请在连错的导线上画“X”,并用笔画线表示导线将电路连接正确. ________________(3)改正电路后,闭合开关,如图所示,电压表示数为________________,若电源电压为3V, 则L2两端的电压为______.6.在“测定小灯泡的功率”的实验(1)请在如图中的圆圈内正确填入电表符号,使实验电路图完整__________.(2)如图中的实物连接有一处错误,请在错误连线上打“×”,并用笔画线替代导线画上正确的连线______.(3)在纠正电路连接错误后,闭合开关前应把滑动变阻器滑片的位置调到最________端(选填“左”或“右”).(4)实验中,移动滑动变阻器滑片,使电压表示数为2.5V,此时电流表示数如图所示.请将读数填入表格并把表格补充完整__________.(5)从上表实验记录中,可以发现灯泡亮暗不同时其实际功率大小________;还可以计算的另一个物理量是________.(6)闭合开关后,灯泡不亮,电流表没有示数,电压表示数几乎为电源电压,则电路故障是________.7.光敏电阻对光照强度十分敏感,它在强光照射下的电阻称为亮电阻,在黑暗环境下的电阻称为暗电阻,两种阻值差异可达1000倍以上,某兴趣小组为了研究光照强度对光敏电阻阻值的影响,他们把一光敏电阻R1与定值电阻R2(R2=1千欧)串联后接在6伏的电源上,电路如图(a)所示,闭合电键,当该光敏电阻处于不同环境下,电压表指针分别位于如图(b)、(c)所示的位置.请根据上述内容,回答下列问题.(1)根据图(a)、(b)、(c)所示信息及相关条件,可得出初步结论:光照强度越强,光敏电阻的阻值越________(选填“大”或“小”),依据是________.(2)关于对光敏电阻的讨论,下列说法中正确的是_____.A.亮电阻与暗电阻的差异越大,光敏电阻的性能越好B.如果暗电阻接近于零,说明该光敏电阻已损坏C.将光敏电阻与灯串联后接入照明电路可实现白天熄灭、夜间发光D.将光敏电阻与灯并联后接入照明电路可实现白天熄灭、夜间发光.8.小红同学对串联电路的电压规律进行了探究。
初中物理中考电学实验专项难题学能测试试题答案一、电压电阻中考物理电学实验1.在“探究串联电路电压特点”的实验中:(1)某次测量时,电压表的示数如图所示,则此时灯L1两端的电压为_____V;(2)某同学在测量了灯L1两端的电压后,断开开关,然后将AE导线的A端松开,接到D接线柱上,测量灯L2两端的电压,这一做法存在的问题是_____;(3)闭合开关S后,发现灯L1发光,L2不发光。
同学们有以下几种猜想:①灯L2灯丝断了;②灯L2的灯座短路;③灯L2也工作,但L2中电流比L1中电流小。
以上猜想中正确有_____(填序号)。
解析:2 电压表的正负接线柱接反②【解析】【分析】【详解】(1)[1]由实物图可知,两灯串联,电压表测L1的电压;电源为两节干电池,则电源电压==U⨯2 1.5V3V根据串联分压的特点可知,灯L1两端的电压不可能大于3V,故图中电压表选择的是0~3V 量程,对应的分度值是0.1V,指针指在2V右面第2个小格上,读数为⨯=2V+0.1V2 2.2V(2)[2]如果将AE导线的A端松开,接到D接线柱上测量灯L2两端的电压,这样电流从电压表的“﹣”接线柱流入,从“+”接线柱流出了,开关闭合后,电压表的指针将反偏,即电压表的正负接线柱接反了,因此这种接法是错误的。
(3)[3]闭合开关S后,发现灯L1发光,L2不发光,则:①若灯L2灯丝断了,电路断路,灯泡L1也不发光,故①错误;②若灯L2的灯座短路,灯L1发光,L2不发光,故②正确;③若灯L2也工作时,由串联电路的电流特点可知,L2中电流和L1中电流相等,故③错误。
综上所述,以上猜想中正确只有②。
2.有一个低压电源的电压在 30 V~36 V 间,小明要测量出它的电压(设电源电压保持不变),除了待测电源,手边有一个量程为 0~15 V 的一块电压表,及四个阻值已知的电阻,分别为R1(0.01 Ω)、R2(20 Ω)、R3(30 Ω)和R4(30 kΩ)各一个,一个开关及若干导线,请合理选择以上器材,测出电源电压。
2017 年初中物理电学实验中等难度检测卷一.实验研究题(共10 小题)1.小明用图甲所示的电路丈量额定电压为的小灯泡电阻,图乙是小明连结的实验电路.( 1)小明将电路连结正确后,闭合开关,调理变阻器的滑片,使小灯泡恰好正常发光,此时电流表的示数如图丙所示,电流表的读数是A,小灯泡的阻值是Ω(小数点后保存一位);( 2)当电压值改变的时候,小灯泡的阻值(选填“变化”或“不变”);(3)小明又想测某未知电阻 R x的阻值,设计了如图丁所示电路( R0为已知阻值的定值电阻),并设计了以下实验步骤,请帮他把缺乏的步骤补全,并写出R x的表达式.实验步骤:A.依据设计的电路图连结电路(如图丁);B.断开 S2、闭合 S1记录电流表示数为I 1;C.;表达式: R x=(用已知和丈量的物理量的符号表示).2.小宇用图 1 的电路图丈量“小灯泡正常发光时的电阻”,采纳的电源电压为,小灯泡的额定电压为,图 2 是未连结完好的实验电路.(1)依据电路图将图 2 中的实物电路元件连结增补完好,要求当滑动变阻器的滑片向右滑动时,电流表的示数减小,在连结电路时,导线不可以交错.( 2)在连结电经过程中,开关要,并将滑动变阻器的滑片调到阻值最大处,其目的是.( 3)闭合开关后,迟缓挪动滑动变阻器的滑片V;若要测得小灯泡正常发光时的电阻,滑片p,当电压表的示数如图 3 所示时,其读数为 P 应向(选填“ A”或“ B”)端挪动.( 4)经过挪动滑动变阻器,多次丈量小灯泡两头的电压和经过小灯泡的电流,画出了经过小灯泡的电流随其两头电压变化的图象,如图 4 所示,在该图象中发现电流不与电压成正比,这是由于.( 5)小宇最后不单测出了小灯泡正常发光时的电阻是Ω,还测出了小灯泡的额定功率是W.3.现有以下器械:蓄电池(6V),电流表( 0~, 0~ 3A)、电压表( 0~3V,0~15V)、定值电阻(若干)、开关、滑动变阻器和导线,要利用这些器械研究“电压不变时,电流与电阻的关系”:(1)请依据图甲所示的电路图用笔划线取代导线将图乙所示的实物连结成完好电路(导线不一样意交错).( 2)正确连结电路后闭合开关,发现电流表无示数,挪动滑动变阻器的滑片P,电压表示数一直靠近电源电压.造成这一现象的原由可能是.(3)清除故障后进行实验.实验中多次换用不一样阻值的定值电阻,并调理滑动变阻器的滑片,使电压表示数保持不变,读出对应于不一样阻值的电流表示数,并记于表格中,由表中数据可以剖析得出结论:.次数123456电阻 R/Ω30252015105电流 I/A( 4)上述实验中,小明将10Ω的电阻换为5Ω的电阻,闭合开关后,应将滑片向(填“左”或“右”)挪动,使电压表示数为V 时,读出电流表的示数.( 5)为达成整个实验,应当选用哪一种规格的滑动变阻器A.50ΩB.50ΩC.20ΩD.20Ω( 6)小明想将定值电阻换成小灯泡来研究电流与电压的关系,你以为他的实验方案可行吗?请说出原由.答:(选填“可行”或“不行行”);原由:.4.在研究“电压一准时,电流跟电阻的关系”的实验中,设计电路图如图甲所示.( 1)连结电路前,开关一定.( 2)请依据图甲中电路图用笔划线取代导线将图乙所示实物连结成完好电路(导线不一样意交叉).(3)连结好电路,闭合开关,发现电流表没有示数,挪动滑动变阻器的滑片,电压表示数一直靠近电源电压.造成这一现象的原由可能是A.电流表坏了 B .滑动变阻器短路 C .电阻处接触不良 D .电阻短路( 4)清除电路故障进行实验,多次改变R的阻值,调理滑动变阻器,使电压示数保持不变,实验数据记录以下表.此中第 5 次实验电流表示数如图丙所示,其读数为A.实验次数12345电阻510152025R/Ω电流 V/A( 5)实验中滑动变阻器的作用是.( 6)实验结论是:.5.以下图是测定“小灯泡电功率”实验的装置图,采纳 2 节新干电池、额定电压为阻值约为 10Ω的小灯泡和“ 20Ω1A”的滑动变阻器.(1)正确连结电路后,闭合开关,发现小灯泡不亮,但电流表、电压表均有正常偏转,但偏转角度较小.则接下来应进行的操作是.A.改换小灯泡B.检查电路能否断路C.挪动滑动变阻器滑片,察看灯泡能否发光( 2)为了丈量小灯泡正常发光时的电功率,小华应进行的下一步操作是.( 3)以前物理老师已测出该规格小灯泡的电流与电压的关系数据如表所示:实验次数12345U/VI/A小华想亲身做一次实验,看可否测得相同的数据.实验过程中,小华发现没法获得上述表格中的一组数据,请依据所学的知识进行推测应是第次(填序号)数据,原由是.6.小明做测“小灯泡功率”实验时,所用器械有电压为6V 的电源,额定电压为的小灯泡,以及切合实验要求的滑动变阻器、电压表、电流表、开关和导线.(1)如图甲所示是小明没有连结完好实物电路,请用笔划线取代导线,棒小明将实物电路连结完好;(2)小明练好电路闭合开关后,发现小灯泡不亮,电压表有示数,而电流表示数为零,则电路存在的故障可能是.(3)清除故障后闭合开关,挪动滑片 P 到某处,电压表的示数为,要测得最小灯泡的额定功率,应将滑片 P 向(选填“左”或“右”)端滑动.(4)小明经过挪动滑片 P,分别记录下多组对应的电压表和电流表的示数,并绘制成了如图乙所示的 U﹣ I 图象,依据图象供给的信息,可计算出小灯泡的额定功率是W.(5)实验结束后,小明仅将小灯泡换成定值电阻,来研究电流与电阻的关系,小明想要达成四组实验,准备好的定值电阻有 5Ω、 10Ω、 15Ω、 20Ω.①将电路连结正确后,闭合开关,挪动变阻器的滑片电流表的示数如图丙所示,则定值电阻的阻值为P,使定值电阻两头的电压为Ω.2V,此时②断开开关,将定值电阻换成阻值为10Ω的电阻,其他不动,闭合开关,电压表示数将(选填“变大”或“变小”);为达成此四组实验,滑动变阻器的最大电阻应不小于Ω.7.在丈量小灯泡电功率的实验中,小灯泡的额定电压为,正常发光时的电阻约为10Ω.(1)请你用笔划线取代导线,将图甲中的实物电路连结完好.要求:当滑动变阻器的滑片向左挪动时,连入电路的电阻变大;连线不得交错.(2)若某小组同学闭合开关,挪动滑动变阻器的滑片P 的过程中,发现小灯泡一直不亮,电压表、电流表均有示数但一直不变,则电路中发生的故障时.( 3)清除故障后,持续进行实验.丈量数据如表.实验次12345678数发光情明亮更明较亮较暗微光熄灭熄灭况亮亮电压 U/V电流 I/A剖析实验数据可知:①小灯泡的额定功率为W② 7、8 两次实验中,灯泡熄灭的原由是.③小灯泡的电阻不是定值,是由于电阻遇到的影响.请推测:小灯泡断电一点时间后的电阻可能是(选填“ 0Ω”“ 1Ω”“ 2Ω”“Ω”).( 4)另一个小组的电压表忽然破坏,该组同学手边有剩余电流表和5Ω的定值电阻,为了测出小灯泡的额定功率,小明灵光一闪,设计了如图电路图;并进行以下操作:①调理滑片至阻值最大处,并同时闭合S1、S2、S3;②调理滑动变阻器的滑片,直至电流表A1的示数为 A 时,记下电流表 A 的示数A(见图);③依据公式计算出灯的额定功率为W.8.小轩同学在“研究电流经过导体产生热量的多少与什么要素相关”时采纳了以下图的实验装置,请认真察看甲、乙两图.( 1)实验中经过察看两个U 形管中的变化来比较电流经过导体产生的热量的多少.( 2)你以为甲图所示的装置是用来研究电流经过导体产生的热与的关系.(3)在乙图所示的实验现象能够获得的结论是在电阻相同、通电时间相同的状况下,经过电阻越大,电阻产生的热量越多.( 4)依据图甲的实验装置进行实验,发现跟着通电时间的延伸,玻璃管A?B中液面均渐渐上升,这表示在电阻和电流相同时,越长,电阻产生的热量越多.( 5)生活中有好多用电器是依据电流的热效应制成的,请举两例:.9.如图甲所示,是利用伏安法丈量小灯泡L 的电阻的实验电路,已知小灯泡 L 的额定电压为,滑动变阻器的最大阻值为20Ω.(1)请你用笔划线取代导线,把图甲的实物电路连结完好(要求导线不交错,闭合开关后,变阻器滑片向左滑动时灯泡变亮);( 2)闭合开关前,应将滑动变阻器的滑片置于(选填“A 端”、“B端”或“ AB正中间”)( 3)挪动滑片 P,当小灯泡 L 正常发光时,发现电流表示数如图乙所示,小灯泡的电阻为Ω(保存一位小数);( 4)实验操作时,因小灯泡L 不慎破坏而出现断路,不论如何挪动滑片P,电压表指针变化状况是(选填“几乎不动”或“显然偏转”).10.拓展性学习小组的同学合作进行研究“串连电路的电压特色”,设计了图Ⅰ电路,并连接了图Ⅱ电路.(填“ a”、( 1)图Ⅱ的实验电路连结中有一处错误,没法达成试验,连结错误的导线是“b”或“ c”).( 2)正确连结后,持续实验,依据测得的实验数据,绘制了如图Ⅲ所示的曲线图.①图Ⅲ中甲、乙两条曲线是依据图Ⅰ电路测得的实验数据所绘制的曲线,此中与图Ⅰ电路中电压表 V1对应的曲线是(填“甲”或“乙”).②已知电源电压恒为6V,依据研究目的剖析图Ⅲ中的曲线,得出的实验结论是.(3)拓展研究:同学们依据串连电路的电压特色,从头设计如图Ⅳ电路(电源电压未知),利用电压表和定值电阻R0(已知阻值)丈量未知定值电阻R x的阻值,闭合开关S 后,接下来的操作是(只要写出操作过程和丈量的科学量,不需写出表达式).初中物理电学实验中等难度检测卷附答案2017 年初中物理电学实验中等难度检测卷参照答案一.实验研究题(共10 小题)1.;;变化;断开S1、闭合 S2记录电流表示数为I 2;;2.断开;保护电路;;A;灯丝的电阻随温度的高升而增大;;; 3.电阻 R 断路;电压不变时,电流与电阻成反比;右;3; A;不行行;灯丝的电阻随温度变化显然;4.断开; C;;控拟订值电阻两头的电压不变;电压一准时,经过的电流与电阻成反比;5.C;挪动滑片,使电压表的示数为,同时察看电流表的示数; 1;滑动变阻器的最大阻值偏小;6.灯断路;右;;;变大; 40;7.将变阻器下边两个接线柱连入了电路;;实质功率太小;温度;1Ω;;;; 8.液面高度;电阻;电流;通电时间;电饭锅、电熨斗;9. B 端;;几乎不动; 10. b;甲;串连电路中总电压等于各分电压之和;闭合开关S、 S1,断开 S2时,测得电压表的示数U1;闭合开关S2、断开开关S1(或同时闭合S1、 S2)时,测得电压表的示数U2.;。
初中物理中考电学实验测试试题含答案一、中考物理电学实验1.如图所示是课本上的几个小实验,请根据要求填空.(1)在图甲所示实验中,将烧瓶内的水加热至沸腾后移去火焰,水停止沸腾.迅速塞上瓶塞,把烧瓶倒置并向瓶底浇冷水,此时会观察到________的现象,这是由一于在瓶底浇冷水后,液面上方________,导致液体的沸点降低所致.(2)图乙是小明制作的“浮沉子”.为观察到小瓶在水中的浮沉现象,大瓶瓶盖应该________(旋紧/拧开);为使漂浮于水面上的小瓶子下沉,小明应________ (松开/捏紧)手指.(3)如图丙所示,将一根针插在绝缘底座上,把折成V字形的铝箔条水平架在针的顶端,制成一个简单的验电器.当用带电的橡胶棒先靠近静止的铝箔条左端,再靠近其右端时会观察到铝箔条________(均被吸引/均被排斥/一次被吸引,另一次被排斥).此实验中,通过铝箔条的转动可推断橡胶棒的带电情况,这种实验方法是________(控制变量法/转换法/理想实验法).2.某小组同学通过自学得知:在两种金属组成的回路中,如果使两个接触点的温度不同,便在回路中将会出现电流.为了验证和探究其中规律,该小组利用铁丝和铜丝两种导线组成图(a)所示的闭合回路,并将相连的两个交叉点A、B分别置于烧杯中和酒精灯上方.做了如图(a)、(b)、(c)、(d)所示的四次实验.请仔细观察图中的装置、操作和现象,归纳得出初步结论.(1)分析比较图中(a)(b)两图中的装置、操作和现象,归纳得出初步结论:当相互连接的两种金属丝的材料不变时,接触点之间的温度差越小,电路中的电流________.(2)分析比较图中(a)(c)两图[或(b)(d)两图],发现当相互连接的两种金属丝的材料相同,金属导线接触点之间的温度差也相同,且用酒精灯对金属导线中部进行加热时,闭合回路中的电流表示数________(选填“变大”、“不变”或“变小”).据此可得出初步结论:当相互连接的两种金属丝的材料相同,金属导线接触点之间的温度差也相同时,电路中的电流大小与金属导体中部温度高低________.3.演绎式探究﹣﹣﹣探究点电荷的电场强度如果带电体间的距离比它们的大小大得多,这样的带电体可以看成是点电荷.(1)实验发现,带电量分别为q 1、q 2的两个点电荷距离为r 时,它们之间的作用力F=k,其中k 为常量,当q 1和r 一定时,F 与q 2之间的关系图象可以用他图甲中的图线 来表示.(2)磁体周围存在磁场,同样,电荷周围也存在磁场.电场对放入其中的电荷产生电场力的作用.点电荷q 1和q 2之间的作用力实际是q 1(或q 2)的电场对q 2(或q 1)的电场力.物理学中规定:放入电场中某一点的电荷受到的电场力F 跟它的电量q 的比值,叫做该点的电场强度,用E 表示,则E= .如图乙所示,在距离点电荷Q 为r 的A 点放一个点电荷q ,则点电荷q 受到的电场力F= ,点电荷Q 在A 点产生的电场强度E A = .(3)如果两个点电荷同时存在,它们的电场会相互叠加,形成合电场.如图丙所示,两个互成角度的电场强度E 1和E 2,它们合成后的电场强度E 用平行四边形的对角线表示.如图丁所示,两个点电荷Q 分别放在A 、B 两点,它们在C 点产生的合电场强度为E 合.请推导证明:E 合=.4.在真空中两个点电荷间存在相互作用力,探究其影响因素的实验数据如表:序号甲电荷的电 荷量1/C q乙电荷的电 荷量2/C q甲、乙两电荷之 间的距离/m r甲乙两电荷之间的 相互作用力/N F1 8110-⨯ 8210-⨯0.3 5210-⨯ 2 8110-⨯8110-⨯ 0.3 5110-⨯3 8310-⨯ 8210-⨯ 0.1 55410-⨯4 8310-⨯8210-⨯ 0.2 513.510-⨯ 5 8210-⨯8110-⨯0.2 54.510-⨯ 68410-⨯8310-⨯0.3(1)分析表中数据可知,若要使两个点电荷之间的作用力增大,可以采用_____的方法。
初中物理电学实验中等难度检测卷附答案文档编制序号:[KK8UY-LL9IO69-TTO6M3-MTOL89-FTT688]2017年初中物理电学实验中等难度检测卷一.实验探究题(共10小题)1.小明用图甲所示的电路测量额定电压为2.5V 的小灯泡电阻,图乙是小明连接的实验电路.(1)小明将电路连接正确后,闭合开关,调节变阻器的滑片,使小灯泡刚好正常发光,此时电流表的示数如图丙所示,电流表的读数是 A ,小灯泡的阻值是 Ω(小数点后保留一位);(2)当电压值改变的时候,小灯泡的阻值 (选填“变化”或“不变”);(3)小明又想测某未知电阻R x 的阻值,设计了如图丁所示电路(R 0为已知阻值的定值电阻),并设计了如下实验步骤,请帮他把缺少的步骤补全,并写出R x 的表达式. 实验步骤:A .按照设计的电路图连接电路(如图丁);B .断开S 2、闭合S 1记录电流表示数为I 1;C . ;表达式:R x = (用已知和测量的物理量的符号表示).2.小宇用图1的电路图测量“小灯泡正常发光时的电阻”,选用的电源电压为3.0V ,小灯泡的额定电压为2.5V ,图2是未连接完整的实验电路.(1)按照电路图将图2中的实物电路元件连接补充完整,要求当滑动变阻器的滑片向右滑动时,电流表的示数减小,在连接电路时,导线不能交叉.(2)在连接电路过程中,开关要 ,并将滑动变阻器的滑片调到阻值最大处,其目的是 .(3)闭合开关后,缓慢移动滑动变阻器的滑片p ,当电压表的示数如图3所示时,其读数为 V ;若要测得小灯泡正常发光时的电阻,滑片P 应向 (选填“A”或“B”)端移动.(4)通过移动滑动变阻器,多次测量小灯泡两端的电压和通过小灯泡的电流,画出了通过小灯泡的电流随其两端电压变化的图象,如图4所示,在该图象中发现电流不与电压成正比,这是因为.(5)小宇最后不仅测出了小灯泡正常发光时的电阻是Ω,还测出了小灯泡的额定功率是W.3.现有下列器材:蓄电池(6V),电流表(0~0.6A,0~3A)、电压表(0~3V,0~15V)、定值电阻(若干)、开关、滑动变阻器和导线,要利用这些器材探究“电压不变时,电流与电阻的关系”:(1)请根据图甲所示的电路图用笔画线代替导线将图乙所示的实物连接成完整电路(导线不允许交叉).(2)正确连接电路后闭合开关,发现电流表无示数,移动滑动变阻器的滑片P,电压表示数始终接近电源电压.造成这一现象的原因可能是.(3)排除故障后进行实验.实验中多次换用不同阻值的定值电阻,并调节滑动变阻器的滑片,使电压表示数保持不变,读出对应于不同阻值的电流表示数,并记于表格中,由表中数据可以分析得出结论:.次数123456电阻R/Ω30252015105电流I/A0.10.120.150.20.30.6(4)上述实验中,小明将10Ω的电阻换为5Ω的电阻,闭合开关后,应将滑片向(填“左”或“右”)移动,使电压表示数为 V时,读出电流表的示数.(5)为完成整个实验,应该选取哪种规格的滑动变阻器A.50Ω 1.0A B.50Ω 0.5A C.20Ω 1.0A D.20Ω 0.5A(6)小明想将定值电阻换成小灯泡来探究电流与电压的关系,你认为他的实验方案可行吗?请说出理由.答:(选填“可行”或“不可行”);理由:.4.在探究“电压一定时,电流跟电阻的关系”的实验中,设计电路图如图甲所示.(1)连接电路前,开关必须.(2)请根据图甲中电路图用笔画线代替导线将图乙所示实物连接成完整电路(导线不允许交叉).(3)连接好电路,闭合开关,发现电流表没有示数,移动滑动变阻器的滑片,电压表示数始终接近电源电压.造成这一现象的原因可能是A.电流表坏了 B.滑动变阻器短路 C.电阻处接触不良 D.电阻短路(4)排除电路故障进行实验,多次改变R的阻值,调节滑动变阻器,使电压示数保持不变,实验数据记录如下表.其中第5次实验电流表示数如图丙所示,其读数为A.实验次数 1 2 3 4 55 10 15 20 25电阻R/Ω电流V/A 0.6 0.3 0.2 0.15(5)实验中滑动变阻器的作用是.(6)实验结论是:.5.如图所示是测定“小灯泡电功率”实验的装置图,选用2节新干电池、额定电压为2.5V 阻值约为10Ω的小灯泡和“20Ω1A”的滑动变阻器.(1)正确连接电路后,闭合开关,发现小灯泡不亮,但电流表、电压表均有正常偏转,但偏转角度较小.则接下来应进行的操作是.A.更换小灯泡B.检查电路是否断路C.移动滑动变阻器滑片,观察灯泡是否发光(2)为了测量小灯泡正常发光时的电功率,小华应进行的下一步操作是.(3)之前物理老师已测出该规格小灯泡的电流与电压的关系数据如表所示:实验次数12345U/V0.30 1.20 2.00 2.50 2.90I/A0.030.120.180.200.21小华想亲自做一次实验,看能否测得同样的数据.实验过程中,小华发现无法得到上述表格中的一组数据,请根据所学的知识进行推断应是第次(填序号)数据,理由是.6.小明做测“小灯泡功率”实验时,所用器材有电压为6V的电源,额定电压为2.5V的小灯泡,以及符合实验要求的滑动变阻器、电压表、电流表、开关和导线.(1)如图甲所示是小明没有连接完整实物电路,请用笔画线代替导线,棒小明将实物电路连接完整;(2)小明练好电路闭合开关后,发现小灯泡不亮,电压表有示数,而电流表示数为零,则电路存在的故障可能是.(3)排除故障后闭合开关,移动滑片P到某处,电压表的示数为2.2V,要测得最小灯泡的额定功率,应将滑片P向(选填“左”或“右”)端滑动.(4)小明通过移动滑片P,分别记录下多组对应的电压表和电流表的示数,并绘制成了如图乙所示的U﹣I图象,根据图象提供的信息,可计算出小灯泡的额定功率是W.(5)实验结束后,小明仅将小灯泡换成定值电阻,来探究电流与电阻的关系,小明想要完成四组实验,准备好的定值电阻有5Ω、10Ω、15Ω、20Ω.①将电路连接正确后,闭合开关,移动变阻器的滑片P,使定值电阻两端的电压为2V,此时电流表的示数如图丙所示,则定值电阻的阻值为Ω.②断开开关,将定值电阻换成阻值为10Ω的电阻,其余不动,闭合开关,电压表示数将(选填“变大”或“变小”);为完成此四组实验,滑动变阻器的最大电阻应不小于Ω.7.在测量小灯泡电功率的实验中,小灯泡的额定电压为2.5V,正常发光时的电阻约为10Ω.(1)请你用笔画线代替导线,将图甲中的实物电路连接完整.要求:当滑动变阻器的滑片向左移动时,连入电路的电阻变大;连线不得交叉.(2)若某小组同学闭合开关,移动滑动变阻器的滑片P的过程中,发现小灯泡始终不亮,电压表、电流表均有示数但始终不变,则电路中发生的故障时.(3)排除故障后,继续进行实验.测量数据如表.实验次数12345678发光情况明亮亮更明亮较亮较暗微光熄灭熄灭电压U/V2.5 2.13.0 1.7 1.30.90.50.1电流I/A 0.280.260.300.240.210.190.160.05分析实验数据可知:①小灯泡的额定功率为W②7、8两次实验中,灯泡熄灭的原因是.③小灯泡的电阻不是定值,是因为电阻受到的影响.请推测:小灯泡断电一点时间后的电阻可能是(选填“0Ω”“1Ω”“2Ω”“8.9Ω”).(4)另一个小组的电压表突然损坏,该组同学手边有多余电流表和5Ω的定值电阻,为了测出小灯泡的额定功率,小明灵机一动,设计了如图电路图;并进行如下操作:①调节滑片至阻值最大处,并同时闭合S1、S2、S3;②调节滑动变阻器的滑片,直至电流表A1的示数为A时,记下电流表A的示数A (见图);③根据公式计算出灯的额定功率为W.8.小轩同学在“探究电流通过导体产生热量的多少与什么因素有关”时采用了如图所示的实验装置,请仔细观察甲、乙两图.(1)实验中通过观察两个U形管中的变化来比较电流通过导体产生的热量的多少.(2)你认为甲图所示的装置是用来研究电流通过导体产生的热与的关系.(3)在乙图所示的实验现象可以得到的结论是在电阻相同、通电时间相同的情况下,通过电阻越大,电阻产生的热量越多.(4)按照图甲的实验装置进行实验,发现随着通电时间的延长,玻璃管A?B中液面均逐渐上升,这表明在电阻和电流相同时,越长,电阻产生的热量越多.(5)生活中有很多用电器是根据电流的热效应制成的,请举两例:.9.如图甲所示,是利用伏安法测量小灯泡L的电阻的实验电路,已知小灯泡L的额定电压为2.5V,滑动变阻器的最大阻值为20Ω.(1)请你用笔画线代替导线,把图甲的实物电路连接完整(要求导线不交叉,闭合开关后,变阻器滑片向左滑动时灯泡变亮);(2)闭合开关前,应将滑动变阻器的滑片置于(选填“A端”、“B端”或“AB正中间”)(3)移动滑片P,当小灯泡L正常发光时,发现电流表示数如图乙所示,小灯泡的电阻为Ω(保留一位小数);(4)实验操作时,因小灯泡L不慎损坏而出现断路,无论怎样移动滑片P,电压表指针变化情况是(选填“几乎不动”或“明显偏转”).10.拓展性学习小组的同学合作进行探究“串联电路的电压特点”,设计了图Ⅰ电路,并连接了图Ⅱ电路.(1)图Ⅱ的实验电路连接中有一处错误,无法完成试验,连接错误的导线是(填“a”、“b”或“c”).(2)正确连接后,继续实验,根据测得的实验数据,绘制了如图Ⅲ所示的曲线图.①图Ⅲ中甲、乙两条曲线是根据图Ⅰ电路测得的实验数据所绘制的曲线,其中与图Ⅰ电路中电压表V1对应的曲线是(填“甲”或“乙”).②已知电源电压恒为6V,根据探究目的分析图Ⅲ中的曲线,得出的实验结论是.(3)拓展探究:同学们根据串联电路的电压特点,重新设计如图Ⅳ电路(电源电压未知),利用电压表和定值电阻R0(已知阻值)测量未知定值电阻Rx的阻值,闭合开关S后,接下来的操作是(只需写出操作过程和测量的科学量,不需写出表达式).2017年初中物理电学实验中等难度检测卷参考答案一.实验探究题(共10小题)1.0.3;8.3;变化;断开S1、闭合S2记录电流表示数为I2;;2.断开;保护电路;1.8;A;灯丝的电阻随温度的升高而增大;12.5;0.5;3.电阻R断路;电压不变时,电流与电阻成反比;右;3;A;不可行;灯丝的电阻随温度变化明显;4.断开;C;0.12;控制定值电阻两端的电压不变;电压一定时,通过的电流与电阻成反比;5.C;移动滑片,使电压表的示数为2.5V,同时观察电流表的示数;1;滑动变阻器的最大阻值偏小;6.灯断路;右;0.5;11.1;变大;40;7.将变阻器下面两个接线柱连入了电路;0.7;实际功率太小;温度;1Ω;0.25;0.8;0.75;8.液面高度;电阻;电流;通电时间;电饭锅、电熨斗;9.B端;8.3;几乎不动;10.b;甲;串联电路中总电压等于各分电压之和;闭合开关S、S1,断开S2时,测得电压表的示数U1;闭合开关S2、断开开关S1(或同时闭合S1、S2)时,测得电压表的示数U2.;。