桩定位测量放线记录--
- 格式:xls
- 大小:24.50 KB
- 文档页数:2
工程测量定位放线记录一、定位前的准备工作1.根据设计图纸和施工要求,了解工程的定位要求和放线标准;2.确定测量仪器和工具,如放线笔、白纸、直尺、量角器、测距仪等;3.根据工程要求确定放线标志点和控制点的位置;4.安排测量人员和施工人员,明确工作职责和协作关系。
二、定位测量记录1.填写测量记录表,包括工程名称、工程位置、测量日期和时间等基本信息;2.记录固定点的地理坐标,可以通过全站仪等测量仪器进行测量;3.标注控制点的位置,包括地面标志和建筑物标志,用于放线的参考;4.进行方位角的测量,确定放线方向,并标注在图纸上;5.对建筑物的主要尺寸进行测量,包括建筑物的长度、宽度、高度等;6.测量建筑物与场地的相对位置关系,确定建筑物的中心线和四至线;7.在地面上用测术标志物标记出建筑物的位置和基准点,用于施工放线。
三、放线测量记录1.填写放线记录表,记录工程名称、放线日期和时间等基本信息;2.根据测量记录表上的坐标数据,用放线笔在地面上进行标记;3.根据设计图纸上的尺寸要求,在地面上进行放线,用绳线或墨线放置建筑物的中心线和四至线;4.检查放线是否准确,尺寸是否符合要求;5.检查放线标志物是否牢固,是否能够承受施工过程中的各种力。
四、测量结果的整理与保存1.对测量数据进行整理和汇总,包括控制点的测量数据、建筑物尺寸的测量数据和放线标志物的坐标数据等;2.将测量数据保存在电子文件中,并备份至云端存储或其他存储介质中;3.将测量记录和放线记录以及相关图纸整理成档案,备案保存。
以上是工程测量定位放线记录的内容,通过详细的记录可以及时发现问题和解决问题,保证工程的定位放线准确无误。
工程测量、定位放线施工记录❆☺ 备注:本表适用于基础(桩基础)定位放线:成都军区工程建设质量监督总站编印成都军区联勤部基建营房部监印工程测量、定位放线施工记录施 工 单 位放线人:技术负人:项目经理:年 月日建设(监理)单位建设单位项目负责人 :总监理工程师:年 月 日设计单位项目负责人:年 月日工程名称 工程(一标段) 号副营职公寓楼施工单位 贵州建工集团有限公司 委托单位部队工程项目代建项目部测量日期年 月 日引进水准点位置单位高度 ±❆☺ 备注:本表适用于基础(桩基础)定位放线:工程位置(桩位)草图:检查结论:施 工 单 位放线人:技术负人:项目经理:年 月日建设(监理)单位建设单位项目负责人 :总监理工程师:年 月 日设计单位项目负责人:年 月日成都军区工程建设质量监督总站编印 成都军区联勤部基建营房部监印工程测量、定位放线施工记录❆☺ 备注:本表适用于基础(桩基础)定位放线:成都军区工程建设质量监督总站编印成都军区联勤部基建营房部监印工程测量、定位放线施工记录施 工 单 位放线人:技术负人:项目经理:年 月日建设(监理)单位建设单位项目负责人 :总监理工程师:年 月 日设计单位项目负责人:年 月日工程名称 工程(一标段) 师职公寓楼 施工单位 贵州建工集团有限公司 委托单位 部队工程项目代建项目部测量日期年 月 日引进水准点位置单位高度 ±❆☺ 备注:本表适用于基础(桩基础)定位放线:工程位置(桩位)草图:4F4#师职公寓楼检查结论:施 工 单 位放线人:技术负人:项目经理:年 月日建设(监理)单位建设单位项目负责人 :总监理工程师:年 月 日设计单位项目负责人:年 月日成都军区工程建设质量监督总站编印 成都军区联勤部基建营房部监印工程测量、定位放线施工记录❆☺ 备注:本表适用于基础(桩基础)定位放线:成都军区工程建设质量监督总站编印 成都军区联勤部基建营房部监印工程测量、定位放线施工记录施 工 单 位放线人:技术负人:项目经理:年 月日建设(监理)单位建设单位项目负责人 :总监理工程师:年 月 日设计单位项目负责人:年 月日工程名称 工程(一标段) ✁集体宿舍 施工单位 贵州建工集团有限公司 委托单位部队工程项目代建项目部测量日期年 月 日引进水准点位置单位高度 ±❆☺ 备注:本表适用于基础(桩基础)定位放线:工程位置(桩位)草图:修理营1F5#集体宿舍检查结论:施 工 单 位放线人:技术负人:项目经理:年 月日建设(监理)单位建设单位项目负责人 :总监理工程师:年 月 日设计单位项目负责人:年 月日成都军区工程建设质量监督总站编印 成都军区联勤部基建营房部监印工程测量、定位放线施工记录❆☺ 备注:本表适用于基础(桩基础)定位放线:成都军区工程建设质量监督总站编印 成都军区联勤部基建营房部监印工程测量、定位放线施工记录施 工 单 位放线人:技术负人:项目经理:年月 日建设(监理)单位建设单位项目负责人 :总监理工程师:年 月 日设计单位项目负责人:年 月日工程名称 工程(一标段) ✁集体宿舍 施工单位 贵州建工集团有限公司 委托单位部队工程项目代建项目部测量日期年 月 日引进水准点位置单位高度 ±❆☺ 工程位置(桩位)草图:装步四营检查结论:施 工 单 位放线人:技术负人:项目经理:年 月日建设(监理)单位建设单位项目负责人 :总监理工程师:年 月 日设计单位项目负责人:年 月日备注:本表适用于基础(桩基础)定位放线:成都军区工程建设质量监督总站编印 成都军区联勤部基建营房部监印工程测量、定位放线施工记录❆☺ 备注:本表适用于基础(桩基础)定位放线:成都军区工程建设质量监督总站编印 成都军区联勤部基建营房部监印工程测量、定位放线施工记录检查结论:施 工 单 位放线人:技术负人:项目经理:年 月日建设(监理)单位建设单位项目负责人 :总监理工程师:年 月 日设计单位项目负责人:年 月日委托单位 部队工程项目代建项目部测量日期 年 月 日引进水准点位置单位高度 ± 工程位置(桩位)草图:检查结论:施工单位放线人:技术负人:项目经理:年 月日建设(监理)单位建设单位项目负责人 :总监理工程师:年 月 日设计单位项目负责人:年 月日❆☺ 备注:本表适用于基础(桩基础)定位放线:成都军区工程建设质量监督总站编印 成都军区联勤部基建营房部监印工程测量、定位放线施工记录❆☺ 备注:本表适用于基础(桩基础)定位放线:成都军区工程建设质量监督总站编印成都军区联勤部基建营房部监印工程测量、定位放线施工记录检查结论:施 工 单 位放线人:技术负人:项目经理:年 月日建设(监理)单位建设单位项目负责人 :总监理工程师:年 月 日设计单位项目负责人:年 月日工程名称 工程(一标段) ✁士官公寓楼施工单位 贵州建工集团有限公司 委托单位部队工程项目代建项目部测量日期年 月 日❆☺ 引进水准点位置 单位高度 ± 工程位置(桩位)草图:检查结论:施 工 单 位放线人:技术负人:项目经理:年 月日建设(监理)单位建设单位项目负责人 :总监理工程师:年 月 日设计单位项目负责人:年 月日备注:本表适用于基础(桩基础)定位放线:成都军区工程建设质量监督总站编印 成都军区联勤部基建营房部监印工程测量、定位放线施工记录❆☺ 备注:本表适用于基础(桩基础)定位放线:成都军区工程建设质量监督总站编印成都军区联勤部基建营房部监印工程测量、定位放线施工记录施 工 单 位放线人:技术负人:项目经理:年 月日建设(监理)单位建设单位项目负责人 :总监理工程师:年 月 日设计单位项目负责人:年 月日工程名称 工程(一标段) ✁士官公寓楼施工单位 贵州建工集团有限公司 委托单位 部队工程项目代建项目部测量日期年 月 日引进水准点位置单位高度 ±❆☺ 工程位置(桩位)草图:检查结论:施 工 单 位放线人:技术负人:项目经理:年 月日建设(监理)单位建设单位项目负责人 :总监理工程师:年 月 日设计单位项目负责人:年 月日备注:本表适用于基础(桩基础)定位放线:成都军区工程建设质量监督总站编印 成都军区联勤部基建营房部监印工程测量、定位放线施工记录❆☺ 备注:本表适用于基础(桩基础)定位放线:成都军区工程建设质量监督总站编印成都军区联勤部基建营房部监印工程测量、定位放线施工记录检查结论:施 工 单 位放线人:技术负人:项目经理:年 月日建设(监理)单位建设单位项目负责人 :总监理工程师:年 月 日设计单位项目负责人:年 月日工程名称 工程(一标段) ✁士官公寓楼施工单位 贵州建工集团有限公司 委托单位 部队工程项目代建项目部测量日期年 月 日引进水准点位置单位高度 ±❆☺ 工程位置(桩位)草图:检查结论:施 工 单 位放线人:技术负人:项目经理:年 月日建设(监理)单位建设单位项目负责人 :总监理工程师:年 月 日设计单位项目负责人:年 月日备注:本表适用于基础(桩基础)定位放线:成都军区工程建设质量监督总站编印 成都军区联勤部基建营房部监印。
桩位测量放线记录桩位测量放线记录测量日期: 年月日鲁ZJ-009 工程名称图纸编号建设单位设计单位坐标依据高程依据工程桩位图(可另附图)及有关说明:施工单位意见:施测人: 复测人: 技术负责人:年月日监理(建设)单位审核意见:监理工程师(建设单位项目技术负责人):年月日山东省建设工程质量监总站监制亲爱的朋友,上文已完,为感谢你的阅读,特赠送另一篇《住建局清理吃空饷工作总结》范文,如果下文你不需要,下载后可以编辑删除,谢谢,某乡镇先进集体申报材料××乡位于××县城西南3公里处,下辖12个行政村,总人口23682人,由于历史的原因和受水资源的制约,长期以来主要以种植为主,结构单一,导致农民增收步伐缓慢。
近年来,我乡在州、县两级党委、政府的正确领导下,认真贯彻党的路线方针政策,努力实践“三个代表”重要思想,全面落实科学发展观,牢牢把握改革、发展、稳定大局,紧紧围绕经济建设这个中心,深入开展创建先进集体活动,大力实施“项目立乡、特色农业兴乡”战略,自加压力、振奋精神、与时俱进、扎实工作,团结和带领广大干部群众顽强拼搏,战胜了各种困难和自然灾害,取得了创建先进集体与经济设同步发展的好成绩。
截止到2005年底,全乡完成国民生产总值4930.52万元,同比2004年增长了0.17%;农民人均纯收入达到1254.1元,同比2004年增长了6%。
2003年和2005年度,两次荣获自治州先进集体先进单位,2004年被评为自治州“六个好优秀乡镇”并通过克孜勒苏柯尔克孜自治州委员会验收。
一、抓教育,严管理,强化队伍素质农村干部的素质高低,直接决定着农村经济社会的发展。
该乡充分认识到拥有一支高素质的干部队伍,才能促进农村改革的深入,才能带领广大人民群众共同致富达小康,所以该乡始终把加强干部队伍素质作为加快发展的基础,想办法提高干部队伍的综合素质。
一是抓好理论学习。
坚持党员干部学习日制度,每周的星期五下午为规定的学习日,全体党员干部都要进行集中学习,通过学习十六大精神、党章和农村政策法规等,加强党员干部和政治理论水平和法制意识,通过观看电教片及学习先进人物事迹,教育党员干部树立正确的人生观、世界观和价值观。
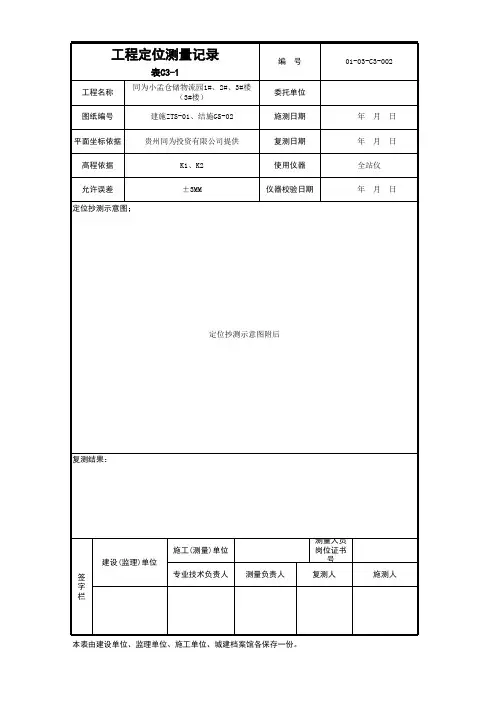
工程定位测量记录编 号01-03-C3-002表C3-1工程名称同为小孟仓储物流园1#、2#、3#楼(3#楼)委托单位图纸编号建施ZTS-01、结施GS-02施测日期 年 月 日平面坐标依据贵州同为投资有限公司提供复测日期 年 月 日高程依据K1、K2使用仪器全站仪允许误差±3MM仪器校验日期 年 月 日定位抄测示意图;定位抄测示意图附后复测结果:签字栏建设(监理)单位施工(测量)单位测量人员岗位证书号专业技术负责人测量负责人复测人施测人本表由建设单位、监理单位、施工单位、城建档案馆各保存一份。
施工放线测量成果表工程名称:同为小孟仓储物流园 栋号:3#楼 日期:序号点号轴线设计坐标实测坐标误差值备注X Y X Y X Y1K32轴交F轴2930085.758370440.1992930085.757370440.1980.0010.001 2K42轴交A轴2930085.758370418.1992930085.759370418.200-0.001-0.001 3K513轴交F轴2930006.758370418.1992930006.756370418.1980.0020.001 4K613轴交A轴2930006.758370440.1992930006.757370440.1970.0010.002测量员: 测量复核人:施工放线测量成果表工程名称:同为小孟仓储物流园 栋号:3#楼 日期:编号:001序号孔桩自编号轴线设计坐标实测坐标误差值备注X Y X Y X Y11#1轴/F轴2930086.758370440.0642930086.756370440.0640.0020.000 22#3轴/F轴2930079.758370440.0642930079.757370440.0630.0010.001 33#4轴/F轴2930074.758370440.0642930074.759370440.065-0.001-0.001 44#5轴/F轴2930079.758370440.0642930079.759370440.066-0.001-0.002 55#5~6轴/F轴2900063.758370440.0642900063.759370440.062-0.0010.002 66#6轴/F轴2930058.758370440.0642930058.756370440.0650.002-0.001 77#6~7轴/F轴2930053.758370440.0642930053.756370440.0630.0020.001 88#7轴/F轴2930049.758370440.0642930049.757370440.0630.0010.001 99#7~8轴/F轴2930045.758370440.0642930045.758370440.0650.000-0.001 1010#8轴/F轴2930041.758370440.0642930041.756370440.0660.002-0.002 1111#8~9轴/F轴2930037.758370440.0642930037.759370440.062-0.0010.002 1212#9轴/F轴2930033.758370440.0642930033.760370440.065-0.002-0.001 1313#9~10轴/F轴2930028.758370440.0642930028.759370440.066-0.001-0.002 1414#10轴/F轴2930022.758370440.0642930022.758370440.0620.0000.002 1515#11轴F轴2930017.758370440.0642930017.760370440.064-0.0020.000 1616#12轴/轴2930012.758370440.0642930012.756370440.0650.002-0.001 1717#13轴F轴293006.758370440.064293006.756370440.0620.0020.002 1818#1轴/D轴2930086.758370430.1492930086.758370430.1500.000-0.001测量员: 测量复核人:施工放线测量成果表工程名称:同为小孟仓储物流园 栋号:3#楼 日期:编号002序号孔桩自编号轴线设计坐标实测坐标误差值备注X Y X Y X Y1919#3轴/D轴2930079.758370430.1492930079.759370430.151-0.001-0.002 2020#5轴/D轴2930069.758370430.1492930069.76370430.150-0.002-0.001 2121#6轴/D轴2930058.758370430.1492930058.759370430.147-0.0010.002 2222#7轴/D轴2930049.758370430.1492930049.758370430.1480.0000.001 2323#8轴/D轴2930041.758370430.1492930041.75370430.1490.0080.000 2424#9轴/D轴2930033.758370430.1492930033.758370430.1500.000-0.001 2525#10轴/D轴2930022.758370430.1492930022.76370430.151-0.002-0.002 2626#12轴/D轴2930012.758370430.1492930012.759370430.149-0.0010.000 2727#14轴/D轴2930005.758370430.1492930005.759370430.151-0.001-0.002 2828#1轴/C轴2930086.758370422.3142930086.759370422.314-0.0010.000 2929#4轴/C轴2930074.758370422.3142930074.757370422.3120.0010.002 3030#5轴/C轴2930069.758370422.3142930069.756370422.3160.002-0.002 3131#6轴/C轴2930058.758370422.3142930058.759370422.312-0.0010.002 3232#7轴/C轴2930049.758370422.3142930049.759370422.316-0.001-0.002 3333#8轴/C轴2930041.758370422.3142930041.757370422.3130.0010.001 3434#9轴/C轴2930033.758370422.3142930033.759370422.314-0.0010.000 3535#10轴/C轴2930022.758370422.3142930022.756370422.3160.002-0.002 3636#11轴/C轴2930017.758370422.3142930017.757370422.3130.0010.001测量员: 测量复核人:施工放线测量成果表工程名称:同为小孟仓储物流园 栋号:3#楼 日期:编号003序号孔桩自编号轴线设计坐标实测坐标误差值备注X Y X Y X Y3737#14轴/C轴2930005.758370422.1342930005.759370422.136-0.001-0.002 3838#1轴/A轴2930086.758370418.3242930086.760370418.324-0.0020.000 3939#3轴/A轴2930079.758370418.3242930079.756370418.3230.0020.001 4040#4轴/A轴2930074.758370418.3242930074.760370418.326-0.002-0.002 4141#11轴/A轴2930017.758370418.3242930017.759370418.322-0.0010.002 4242#12轴/A轴2930012.758370418.3242930012.756370418.3260.002-0.002 4343#14轴/A轴2930005.758370418.3242930005.758370418.3230.0000.001测量员: 测量复核人:。
管桩定位放线、复核程序目前常用的放线方法有二种:⑴经纬仪和装龙门架放线方法。
⑵全站仪定位放线方法。
一、对于中(小)项目的管桩定位,我们常用经纬仪和安装龙门架进行定位放线。
放线过程中请注意如下几点:1、在甲方提供拟建筑物的控制点时,我方现场施工员在交接时,一定要明确拟建筑物的朝向(比如正北方向),分清纵横轴的方向与布置,并明确各个控制点所在位置和它的稳定性,并做好记录。
2、安装龙门架时,龙门架一定要整齐、稳定,水平架保持在同一个水平面上(用水准仪控制),同方向的架与架之间要保持平行,且龙门架的各个边角要成90度。
如果横架间的距离太长(大于30米,应在中间加一排龙门架),避免间距太大和风的影响,引起放线用的尼龙线偏位,造成桩位的偏差。
3、现场施工员在检查龙门架合格后,用经纬仪(事先检查经纬仪的功能是否合格)架在控制点上对中后,瞄准同方向上的另一个点,把各个控制线引到龙门架上,并用钢尺复核同一个朝向上二个控制线间的间距,确认总长度正确后,才开始在龙门架上进行轴号的定位。
我们强调的是:同一排架上的轴号,最好用50米的钢尺上的零起点对准在龙门架上的一个控制点,把各个轴间间距相加递增,把轴号引到龙门架上,并用不易退色的红笔正确标明清楚各个轴号。
再用5m(或8m)卷尺检验各个轴之间的尺寸是否与图纸上的尺寸一致;另一点要注意的是,要求把所有的轴号都标在龙门架,包括分轴号,这样做的工序虽然繁锁些,但能保证桩位放线的正确性,减少误差和放错线。
4、以上各个步骤经现场施工员检查合格后,才能进行桩位放线。
在桩位放线时,要分清各个承台桩位的分布方向,按图纸上的桩位尺寸对轴入号进行定桩位。
在这里强调的是,要放完一排轴线控制上的各个承台桩位后,再进行放另一排轴线控制的桩位,严禁用一排轴线放另一排轴线上的桩位。
5、桩位放线完成后,施工员必须进行自检(这个环节很重要)后,才能通知生产部,由生产部通知质安部和技术部有关人员到现场进行复线。
基桩定位测量记录1.测量前的准备工作:在进行基桩定位测量之前,需要先进行一些必要的准备工作。
首先,需要获取详细的建筑物设计图纸,了解建筑物的具体布置和尺寸。
其次,需要对测量范围进行清理,确保能够顺利进行测量操作。
最后,需要编制测量计划,确定测点位置、测量方法和测量仪器等。
2.测量仪器和测量方法:常用的测量仪器包括全站仪、自动平板测量机、GPS等。
全站仪适用于小范围的测量,可以实现高精度的测量结果。
自动平板测量机适用于中等规模的测量,能够自动记录测量数据,并生成测量报告。
GPS适用于大范围的测量,可以实现快速高效的定位测量。
在测量时,一般采用三角测量法或交会测量法。
三角测量法是通过测量三角形的边长和角度,计算出目标点的坐标。
交会测量法是通过测量目标点与已知点之间的方位角和距离,计算出目标点的坐标。
3.测量过程:具体的测量过程包括以下几个步骤:(1)设置控制测点:根据设计要求,在建筑物的周围选择一些适当的控制测点,使用测量仪器在其上进行测量,确定控制测点的坐标和高程。
(2)建立测量网:根据设计图纸,根据需要在建筑物周围设置一定数量的临时测点,使用测量仪器在其上进行测量,确定临时测点的坐标和高程。
(3)进行基桩定位:根据设计要求,确定需要测量的基桩位置,使用测量仪器在其上进行测量,确定其坐标和高程。
(4)进行测量数据处理:将测量仪器采集到的测量数据进行处理,计算出基桩的准确位置和坐标,根据需要生成测量报告。
(5)检查验证测量结果:对测量结果进行检查验证,根据需要进行修正和调整,确保测量结果的准确性。
4.常见的问题和解决方法:在进行基桩定位测量时,常见的问题包括测量误差、环境干扰和仪器故障等。
对于测量误差,可以采取多次测量取平均值的方法,减小误差的影响。
对于环境干扰,可以选择测量时机,避开人员活动和天气干扰等因素。
对于仪器故障,需要及时进行维修和更换。
综上所述,基桩定位测量是建筑工程中不可或缺的一项工作。
孔桩测量放线流程
朋友!今天跟您唠唠孔桩测量放线这档子事儿。
咱先说啊,这孔桩测量放线可重要了,弄不好那麻烦可大了!想当年我刚开始接触这活儿的时候,那真是一头雾水,找不着北啊!
第一步呢,您得先把工具准备好。
什么全站仪啊、水准仪啊,还有那一堆尺子啥的,一个都不能少。
我跟您说,有一次我着急开工,居然忘带了水准仪的脚架,那叫一个狼狈!
然后就是选点。
这选点可讲究了,得找那些视野开阔、没什么遮挡的地方。
我记得有一回,我选的点旁边有棵大树,结果测量的时候总是被树枝挡住视线,唉,白忙活了半天!
接下来就是测量啦。
这时候您可得仔细,一个数据都不能错。
我曾经就因为粗心,把一个数据写错了,后面的活儿全乱套了,被师傅狠狠骂了一顿,哇,那滋味可不好受!
测量完了,就得放线。
这线得放得直直的,不能歪歪扭扭。
有
次我放的线有点弯,结果被同事笑话了好久,哼!
哦,对了,还有一点特别重要。
在测量的过程中,要是天气不好,比如说刮大风、下大雨,那您可得小心了,数据很容易不准。
我就碰到过一次下雨天测量,结果回来一看,好多数据都得重新弄,唉!
我记得好像之前有人说有个什么新的测量方法,能更省事,不过也可能是我记错喽。
反正我觉得吧,咱就按照这老办法,一步一步来,准没错!
朋友,您要是在操作过程中有啥不明白的,随时来问我哈!我这水平可能也有限,不过能帮一点是一点!
我这又扯远啦,孔桩测量放线这活儿,您多练几遍就熟了,加油!。