气相色谱-邻苯二甲酸二甲酯内标法同时测定硝基苯酚的三种异构体
- 格式:pdf
- 大小:59.58 KB
- 文档页数:1
超高效液相色谱法分离测定环境空气中酚类化合物陈宇云;李伟;贾瑞【摘要】A new method was developed to determinate 11 phenolic compounds in the air by ultra-high performance liquid chromatography equipped with an ACQUITY UPLC(R)HSS T3 column and an ultraviolet detector.The column temperature was maintained at 30 ℃.The mobile phases were ultrapure water (containing 0.5% acetic acid) and acetonitrile (containing 0.5% acetic acid).The flow rate of mobile phase was 0.2mL/min.The injection volume was 5.0 mL.The linear range of 11 phenolic compounds were from 0.5 to 40 μg/mL and the correlation coefficients were all higher than 0.999.The method detection limits ranged from 4 to 39 μg/m3 when the sampling volume was 25 L.The relative standard deviations were in the range of 0.39% to 5.0%.The relative errors of determination results for quality control sample ranged from 1.5% to3.8%.The results showed that the method had the advantages of good accuracy,high sensitivity and easy operation.%建立了分离检测环境空气中酚类化合物的超高效液相色谱法.采用ACQUITY UPLC(R)HSS T3色谱柱进行分离,柱温30 ℃,以超纯水(含0.5%乙酸)和乙腈(含0.5%乙酸)作为流动相进行梯度洗脱,流速0.2 mL/min,进样量5.0 mL,280 nm波长条件下紫外检测;可以实现环境空气中11种酚类化合物的分离测定.结果表明,酚类含量在0.5~40 μg/mL范围内线性关系良好,相关系数均大于0.999;在采样体积为25 L时,方法检出限范围为4~39μg/m3,相对标准偏差0.39%~5.0%,质控样测定相对误差在1.5%~3.8%之间.本方法分离测定环境大气中酚类时准确性好、灵敏度高、操作简便.【期刊名称】《应用化工》【年(卷),期】2017(046)003【总页数】4页(P589-591,596)【关键词】超高效液相色谱法;环境空气;酚类【作者】陈宇云;李伟;贾瑞【作者单位】长安大学陕西省矿产资源勘查与综合利用重点实验室,陕西西安710054;长安大学环境科学与工程学院,陕西西安 710054;长安大学陕西省矿产资源勘查与综合利用重点实验室,陕西西安 710054;长安大学环境科学与工程学院,陕西西安 710054;长安大学陕西省矿产资源勘查与综合利用重点实验室,陕西西安 710054;长安大学环境科学与工程学院,陕西西安 710054【正文语种】中文【中图分类】TQ243.1;X131.1;O657+2酚类化合物在环境中的来源十分广泛[1],包括化工及制药行业废水、有机农药的降解、汽车尾气等[2];具有致癌、致畸、致突变等潜在毒性[3],对生态环境、动植物和人体健康会造成严重的危害。
气相色谱分析法--气相色谱法测定人血清中的邻苯二甲酸二丁酯和二异辛酯1.应用仪器目的:邻苯二甲酸酯类化合物是一种增塑剂常用在塑料制品中,由于其添加量大且不以共价键形式与树脂结合,在适当条件下,可不断地向周围环境释放,造成对土壤、水体、食物等广泛的污染,并通过生物富集和食物链侵入人体。
近年来,邻苯二甲酸酯类化合物已成为学术界普遍关注的一类重要的环境有机污染物,其中DBP、DEHP、BBP、DEP、DMP、DOP 更被美国EPA 列为首选检测污染物,目前国内外有关环境介质中邻苯二甲酸酯类的暴露情况研究很多,但对人体内暴露水平报道较少。
本实验对337 份人血清进行了气相色谱分析,以了解人体内邻苯二甲酸酯的含量水平。
之所以采用气相色谱分析法是由于其具有高分离效能、高检测性能、分析快速。
同时,气相色谱分析法适用于有机化合物以及易气化的组分。
其特点于本实验测定较为符合。
2.应用仪器及其条件选择:本实验使用的是美国Agilent 公司生产的Agilent 6890N 气相色谱仪,配氢火焰离子检测器(FID),气相色谱仪应用时应根据所测组分的不同选择不同的载气、柱温、载气流速等影响条件。
本实验气源为高纯氮气;载气流速为3.0 ml / min;色谱柱温度:初温100℃(保持2 min), 20℃/ min 升温至150℃,8℃/ min 升温至300℃(保持5 min);检测器温度为300℃,空气流量为400 ml / min,氢气流量为40 ml / min,尾吹气流量为30 ml / min;进样口温度为280℃,不分流进样,进样量为1 μl;定量方法为峰面积外标法定量。
3.实验原理及过程血清来自我中心健康体检的部分人群。
血清预处理:取500 μl 血清于2 ml 离心管中,加入1 ml 正己烷,旋涡震荡器上剧烈震荡5~10 min 后, 12 000 r / min 离心10 min,取上层正己烷层,按上述步骤重复操作3 次,合并3 次上清液,于氮吹仪上50℃浓缩至1.0 ml,供气相色谱分析。
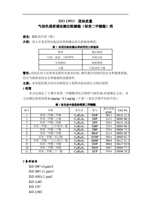
ISO 13913 固体质量气相色谱质谱法测定酞酸酯(邻苯二甲酸酯)类前言:ISO的介绍(略)介绍:表1中是采用内标法应用和确认的几种基体物质。
表1 应用内标法确认和应用的几种基体警告:内标法对人员要求是拥有实验室经验,操作都应有相应的安全和健康措施,符合当地要求的安全和健康的设施条件。
主要:本实验的重点均应由熟练员工按照内标法制订出相应流程1范围本方法规定了土壤中邻苯二甲酸酯类化合物的气相色谱-质谱测定方法。
本方法测定浓度范围0.1mg/kg~0.5 mg/kg(干重)(依化合物不同而不同)。
表2本方法中规定的邻苯二甲酸酯2参考标准ISO 5667-13,part13ISO 5667-15, part15ISO 10381-2, part2ISO 11465ISO 1507ISO 228923方法原理经冷冻干燥或硫酸钠干燥的土壤样品,使用乙酸乙酯振荡提取,提取液经氧化铝净化,通过GC/MS进行定性与定量分析。
4干扰邻苯二甲酸酯类化合物因被用于增塑剂而广泛存在,来源多样,需要特别注意实验室污染的问题。
操作过程中严禁使用塑料制品(如:移液器枪头,进样瓶隔垫等)。
交叉污染有可能来自于实验室空气,应尽可能减少实验室中的塑料制品;清洁剂通常含有增塑剂,可能严重污染实验室空气,因此在分析过程中尽量避免使用此类物质。
5试剂和材料5.1仅使用邻苯二甲酸酯类含量可忽略不计的试剂,并测定空白样品进行确认;如有必要,应增加净化步骤。
5.2 氮气,高纯度N2,纯度至少为99.9%,用于干燥或氮吹浓缩5.3 氦气,高纯度He,纯度至少为99.999%5.4 乙酸乙酯,C4H8O2,不含邻苯二甲酸酯5.5 甲醇,CH3OH,HPLC级5.6 异辛烷,C8H18,不含邻苯二甲酸酯5.7 石英棉,400 ℃下加热至少4h5.8 氧化铝,Al2O3,中性,粒径50-200 μm,400 ℃下加热至少4h。
加热后氧化铝保存于有盖烧瓶或干燥器中,五天内使用。
龚海群,柳熙,程霜,等.气相色谱-质谱联用法测定水中酞酸酯类化合物[J ].中南农业科技,2023,44(12):43-47.酞酸酯类又称邻苯二甲酸酯类(Phthalate Es⁃ters ,简称PAEs ),是邻苯二甲酸酐与醇类物质在酸性条件下酯化反应生成的酯类统称。
酞酸酯类被广泛应用于塑料制品、医疗用品、化妆品、纺织品、颜料、玩具等化工品的生产工艺中[1]。
由于塑料制品的大量使用及不恰当的处置方式,酞酸酯类化合物在大气、水体、土壤和沉积物甚至生物体中都有一定检出[2-4]。
酞酸酯类作为一种环境激素类物质,可影响生物体内激素的正常分泌,对农作物、动物和人类都具有一定程度的毒害[5-9]。
酞酸酯类分布广泛,环境危害大,其导致的环境污染问题已引起广泛关注,国际社会逐步开始制定酞酸酯类控制标准。
美国国家环境保护局(USEPA )将邻苯二甲酸二甲酯、邻苯二甲酸二乙酯、邻苯二甲酸二丁酯、邻苯二甲酸丁基苄基酯、邻苯二甲酸二(2-乙基己基)酯和邻苯二甲酸二正辛酯6种酞酸酯类化合物列为优先控制污染物。
世界卫生组织《饮用水水质准则》规定了饮用水中邻苯二甲酸二(2-乙基己基)酯的浓度限值。
中国《地表水环境质量标准》(GB 3838—2002)、《城市供水水质标准》(CJ/T 206—2005)、《生活饮用水卫生标准》(GB 5749—2006)、《地下水质量标准》(GB/T 14848—2017)、《污水综合排放标准》(GB 8978—1996)和《城镇污水处理厂污染物排放标准》(GB 18918—2002)等水质排放(控制)标准都对邻苯二甲酸二乙酯、邻苯二甲酸二丁酯、邻苯二甲酸二(2-乙基己基)酯和邻苯二甲酸二正辛酯等提出控制要求。
酞酸酯类的分析方法以气相色谱(GC )法[10,11]、液相色谱(LC )法[12]和气相色谱-质谱(GC-MS )法[13-16]为主。
国家标准《水质邻苯二甲酸二甲(二丁、二辛)酯的测定液相色谱法》(HJ/T 72—2001)和《水质6种邻苯二甲酸酯类化合物的测定液相色谱-三重四极杆质谱法》(HJ 1242—2022)分别应用液相色谱法和液相色谱-质谱法测定酞酸酯类化合物。
156ECOLOGY 区域治理作者简介:刘 军,生于1991年,本科,研究方向为环境有机污染物监测。
液液萃取-气相色谱-质谱法测定水中的邻苯二甲酸酯类化合物英格尔检测技术服务(上海)有限公司 刘军摘要:提出了液液萃取-气相色谱-质谱法同时测定废水中6种邻苯二甲酸酯类化合物,以保留时间和特征离子定性,内标法定量。
废水样品在中性条件下使用二氯甲烷萃取10min,选用气质联用仪测定来进行实验。
在此实验条件下,6种邻苯二甲酸酯类化合物在0.1-2.0mg·L -1范围内线性良好,检出限为0.03-0.04μg·L -1,废水样品的平均加标回收率为81.2%-115.7%,相对标准偏差为4.5%-14.0%。
结果表明,采用液液萃取-气相色谱-质谱法测定废水中6种邻苯二甲酸酯类化合物,方法响应值高,定性定量结果准确,精密度和准确度好,能够满足水中酞酸酯类化合物的测定要求。
关键词:气相色谱-质谱法;液液萃取;酞酸酯类;水质中图分类号:O657.7+2文献标识码:A文章编号:2096-4595(2020)13-0156-0002邻苯二甲酸酯(Phthalate Esters ,PAEs)是脂溶性化合物的一个大类,多使用于塑料材料的塑化剂。
由于PAEs 与塑料分子的相容性很好,它们之间由氢键或范德华力链接,因此在使用过程中遇水或有机溶剂时极易被释放,造成对环境的污染[1]。
同时,它也是一类环境激素类物质,对动物具有雌激素的特征及抗雄激素生物效应,临床上表现为生殖能力下降、生殖器官畸形和发育异常等,严重影响人们的身体健康[2]。
目前,国内外关于PAEs 前处理方法的报道有液液萃取[3]、固相萃取[4]、固相微萃取[5]、液相微萃取[6]等。
固相萃取小柱无法多类型化合物同时富集且系统空白干扰严重,不稳定;固相微萃取对测试仪器的灵敏度要求极高,且重复性差,耗材昂贵;液相微萃取操作可控性差,不适合大批量的样品分析;液液萃取虽然是经典的前处理方法,但能同时提取富集样品中多类型化合物,操作简单,结果准确,对于高浓度或悬浮物等样品都能实现高效的萃取。
气质联用内标法同时测定白酒中16种邻苯二甲酸酯类化合物刘妙芬;刘佳;邱佩丽【摘要】建立同时测定白酒中16种邻苯二甲酸酯类化合物(PAEs)的气相色谱质谱联用的检测方法.以对苯二甲酸二乙酯和间苯二甲酸二辛酯为内标物,通过添加蒸馏水降低白酒中的酒精度,从而提高正己烷对16种PAEs的提取效率.结果表明,该方法测定16种PAEs的线性范围为0.25~6.00 mg/L,相关系数大于0.997.样品的加标回收率在31.2%~109.0%,RSD均小于1o%.方法操作简单,快捷,与外标法相比,准确性高,重现性好,能满足白酒中邻苯二甲酸酯类化合物的实际检测需求.【期刊名称】《食品与机械》【年(卷),期】2015(031)004【总页数】5页(P51-54,83)【关键词】邻苯二甲酸酯;白酒;内标法;酒精度【作者】刘妙芬;刘佳;邱佩丽【作者单位】广州市食品检验所,广东广州 510440;广州市食品检验所,广东广州510440;广州市食品检验所,广东广州 510440【正文语种】中文邻苯二甲酸酯类化合物(phthalate esters,PAEs),作为一种工业增塑剂,主要应用于塑料、树脂、合成橡胶、食品包装、儿童玩具、化妆品等领域[1]。
但是,由于其用量少、乳化效果好、综合成本低,一些不法商家受利益驱使,将其作为食用乳化剂添加到食品中;另外,食品包装材料中含有的塑化剂也会迁移到食品中从而造成污染[2]。
研究[3-7]表明,PAEs具有雌激素的特征及抗雄激素生物效应,会损害人体的肾脏、肝脏和生殖器官,长期在体内积累还可能导致畸形、癌症、突变等作用,对人体健康构成危害。
目前,美国环保局重点控制的129种污染物黑名单中就有邻苯二甲酸二(2-乙基已基)酯(DEHP)、邻苯二甲酸丁基苄基酯(BBP)、邻苯二甲酸二甲酯(DMP)、邻苯二甲酸二丁酯(DBP)、邻苯二甲酸二乙酯(DEP)、邻苯二甲酸二正辛酯(DNOP)6种邻苯二甲酸酯类化合物[8],其中DMP、DBP和DNOP已列入中国环境优先控制污染物[9]。
土壤和沉积物半挥发性有机物的测定气相色谱-质谱法(HJ 834-2017)中华人民共和国国家环境保护标准HJ 834-201 7土壤和沉积物半挥发性有机物的测定气相色谱-质谱法Soi l and sedi ment - Determi nati on of semi vol ati l e organi c compounds- Gas chromatography /Mass spectrometry(发布稿)本电子版为发布稿。
请以中国环境出版社出版的正式标准文本为准。
201 7-07-1 8发布201 7-09-01实施发布环境保护部目次前言........................................................................................................... .. (ii)1 适用范围........................................................................................................... .. (1)2 规范性引用文件........................................................................................................... .. (1)3 方法原理........................................................................................................... .. (1)4 试剂和材料........................................................................................................... . (1)5 仪器和设备........................................................................................................... . (3)6 样品........................................................................................................... . (3)7 分析步骤........................................................................................................... .. (5)8 结果计算与表示........................................................................................................... .. (8)9 精密度和准确度........................................................................................................... .. (9)10 质量保证和质量控制........................................................................................................... . (10)11 废弃物的处理........................................................................................................... . (10)12 注意事项........................................................................................................... (10)附录A (规范性附录)方法检出限和测定下限 (12)附录B (资料性附录)硅酸镁和硅胶层析柱净化方法 (14)附录C (资料性附录)目标化合物的测定参考参数 (17)附录D (资料性附录)方法的精密度和准确度 (19)ii前言为贯彻《中华人民共和国环境保护法》,保护环境,保障人体健康,规范土壤和沉积物中半挥发性有机物的测定方法,制定本标准。
化妆品中8种邻苯二甲酸酯的检测方法2012年12月17日发布1范围本方法规定了使用气相色谱–质谱法测定化妆品中邻苯二甲酸二正戊酯(DnPP)、邻苯二甲酸二异戊酯(DIPP)、邻苯二甲酸戊基异戊酯(DnIPP)、邻苯二甲酸二(2-甲氧乙基)酯(DMEP)、邻苯二甲酸丁苄酯(BBP)、邻苯二甲酸二丁酯(DBP)、邻苯二甲酸二(2-乙基己基)酯(DEHP)以及1,2-苯基二羧酸支链和直链二戊基酯的含量。
其中,1,2-苯基二羧酸支链和直链二戊基酯有3种同分异构体,分别为DnIPP、DnPP、DIPP,文中涉及该组分含量时,是指DnIPP、DnPP、DIPP3种同分异构体含量的总和,可以使用本方法对3种同分异构体进行测定,3种组分之和即为其含量。
本方法适用于粉、霜、露、膏、乳、油、液类化妆品中邻苯二甲酸二正戊酯、邻苯二甲酸二异戊酯、邻苯二甲酸戊基异戊酯、邻苯二甲酸二(2-甲氧乙基)酯、邻苯二甲酸丁苄酯、邻苯二甲酸二丁酯、邻苯二甲酸二(2-乙基己基)酯以及1,2-苯基二羧酸支链和直链二戊基酯含量的测定。
本标准的浓度适用范围以及方法的检出限、定量检出下限如表1所示。
表1邻苯二甲酸酯类化合物的检出限和检出浓度DIPP DMEP DnIPP DnPP BBP DBP DEHP浓度适用范围(mg/Kg) 1.0–20 5.0–20检出限(3 , mg/Kg) 1.0 1.0 1.0 1.0 1.0 5.0 5.0定量检出下限(10 , mg/Kg) 3.5 3.5 3.5 3.5 3.517.017.02原理试样经二氯甲烷超声提取后,使用硅胶–中性氧化铝混合填充的固相萃取小柱进行净化,正己烷–乙酸乙酯(1:1,v:v)为淋洗液,浓缩后经气相色谱分离、质谱检测器测定,使用保留时间、待测组分特征离子丰度比双重模式进行定性,外标法对各组分定量离子峰面积进行定量。
3试剂及材料除特别说明外,所有试剂均为分析纯;水为符合GB/T 6682规定的一级水。
高效液相色谱法测定硝基苯酚得三种异构体实验报告高效液相色谱法测定硝基苯酚得三种异构体实验报告________________本实验旨在采用高效液相色谱(HPLC)法测定硝基苯酚(o-nitrophenol)得三种异构体的含量。
硝基苯酚是一种重要的有机合成原料,具有多种重要的医药和农药应用。
此外,它也是一种污染物,可以在水中形成三种异构体:o-硝基苯酚,m-硝基苯酚和p-硝基苯酚。
因此,对于硝基苯酚的分析是十分必要的。
一、实验原理硝基苯酚的HPLC分析是通过将样品进行溶解,然后将其通过高效液相色谱仪进行分析来实现的。
在HPLC法中,样品通过被加压的溶剂进入柱内,然后在一定时间内不断流动,样品分子会根据它们的吸附特性与立体结构在柱内分离,最后利用检测器对样品的吸光度进行测定。
由于不同的异构体有不同的吸光度,因此可以根据它们在HPLC图上的分布来测定不同异构体的含量。
二、实验步骤1.准备样品:将样品分别加入少量乙醇并加热,使其溶解;2.准备HPLC柱:将C18固定相HPLC柱装入HPLC仪中;3.准备溶液:将乙腈-水(1:1)作为流动相;4.流动条件设置:设置流速为1.0 mL/min;5.样品注射:将样品以10 μL/min的速度注入HPLC仪中;6.数据处理:在HPLC仪中进行数据处理,并画出三种异构体的HPLC图;7.计算含量:根据所得的HPLC图计算三种异构体的含量。
三、实验结果根据所得的HPLC图可以得出以下结果:o-硝基苯酚含量为9.6%;m-硝基苯酚含量为33.7%;p-硝基苯酚含量为56.7%。
四、实验总结通过本实验可以得出以下结论:通过HPLC法可以准确测定硝基苯酚得三种异构体的含量。
实验中使用的C18固定相HPLC柱可以有效地分离三种异构体。
此外,使用乙腈-水作为流动相可以保证样品的有效流动。
本实验发现,o-硝基苯酚、m-硝基苯酚和p-硝基苯酚的含量分别为9.6%、33.7%和56.7%。
水质中邻苯二甲酸酯类增塑剂的分析方法1.目的本SOP规定了水质中邻苯二甲酸酯类增塑剂的分析过程。
2.范围适用于实验室水和废水中邻苯二甲酸酯类增塑剂分析测试项目。
3.规范性引用文件EPA8270d半挥发性有机物的测定气相色谱-质谱法4.方法原理采用液液萃取的方法萃取水样中的15种邻苯二甲酸酯类增塑剂(PAEs),萃取液经过脱水、浓缩、定容后,进气相色谱-质谱联用仪(GC/MS)检测,根据保留时间、质谱图或特征离子进行定性,内标法定量。
5.试剂和材料5.1二氯甲烷:农残极,DUKSAN。
5.2正己烷:农残极,DUKSAN。
5.3丙酮:农残极,DUKSAN。
5.4PAEs标准溶液:15种邻苯二甲酸酯类标准贮备液(A,溶剂为正己烷),ρ=1000μg/ml。
包括邻苯二甲酸二甲酯、邻苯二甲酸二乙酯、邻苯二甲酸二异丁酯、邻苯二甲酸二丁酯、邻苯二甲酸二(2-甲氧基)乙酯、邻苯二甲酸二(4-甲基)-2戊基酯(双峰)、邻苯二甲酸二戊酯、邻苯二甲酸二(2-乙氧基)乙酯、邻苯二甲酸二己酯、邻苯二甲酸二丁基苄基酯、邻苯二甲酸二(2-丁氧基)乙酯、邻苯二甲酸二环己酯、邻苯二甲酸二(2-乙基)己酯、邻苯二甲酸二正辛酯和邻苯二甲酸二壬酯,用正己烷逐级稀释到4μg/ml作为工作溶液。
5.5PAEs净化标:邻苯二甲酸二苯酯、间苯二甲酸二苯酯、邻苯二甲酸二卞酯混合溶液(A,溶剂为正己烷),ρ=500μg/ml,用正己烷逐级稀释到5μg/ml作为工作溶液样品提取前加入,用于跟踪样品前处理、分析过程的回收率。
5.6PAEs进样标:苯甲酸苄酯溶液(A,溶剂为正己烷),ρ=5000μg/ml,用正己烷逐级稀释到4μg/ml作为工作溶液上机测试前加入,用于气质分析的定量。
5.7无水硫酸钠:分析纯,在450℃下加热4h,除去水分及吸附于表面的有机物,冷却后保存于干净的试剂瓶中。
5.8氮气:纯度≥99.999%。
6.仪器和设备6.1气相色谱质谱联用仪:日本电子JMS-Q1000GC,气相色谱:Agilent7890A6.2色谱柱:DB-5MS(30m×0.25mm×0.25µm)毛细管柱6.3氦气:纯度≥99.999%。
ICS13.080B10中华人民共和国国家标准GB/T XXXXX-XXXX土壤中邻苯二甲酸酯的测定气相色谱—质谱法Determination of Phthalate easters in soil bygas chromatography - mass spectrometric(GC/MS)method点击此处添加与国际标准一致性程度的标识(征求意见稿)(本稿完成日期:2017。
8。
25)XXXX—XX—XX发布XXXX-XX-XX目次前言 (II)1 范围 (1)2 规范性引用文件 (1)3 方法原理 (1)4 试剂和材料 (1)5 仪器和设备 (2)6 土壤样品 (3)7 分析步骤 (4)8 结果计算与表示 (5)9 精密度和准确度 (6)10 质量控制和质量保证 (6)11 废弃物的处理 (7)12 注意事项 (7)附录A(规范性附录) 方法的检出限和测定下限 (9)附录B(资料性附录) 邻苯二甲酸酯信息表 (10)附录C(资料性附录)目标化合物的测定参考参数 (11)附录D(资料性附录)邻苯二甲酸酯标准物质GC-MS选择离子色谱图 (12)附录E(资料性附录)方法的精密度和准确度 (13)前言本标准按照GB/T1。
1—2009给出的规则起草。
本标准的附录A为规范性附录,附录B—E为资料性附录。
本标准由全国土壤质量标准化技术委员会(SAC/TC 404)提出并归口。
本标准起草单位:中国科学院南京土壤研究所、江苏省质量和标准化研究院. 本标准主要起草人:土壤中邻苯二甲酸酯的测定气相色谱-质谱法1范围本标准规定了测定土壤中邻苯二甲酸酯的气相色谱-质谱法(GC—MS)。
本标准适用于土壤中6种邻苯二甲酸酯的测定,目标物包括:邻苯二甲酸二甲酯、邻苯二甲酸二乙酯、邻苯二甲酸二正丁酯、邻苯二甲酸丁基苄基酯、邻苯二甲酸二(2—乙基)己酯、邻苯二甲酸二正辛酯。
其它邻苯二甲酸酯如果通过验证也可用本方法测定。
气相色谱-串联质谱法测定卷烟滤嘴中18种邻苯二甲酸酯的含量吴永良;李燕垣;彭云铁;王忠民【摘要】取2支卷烟滤嘴称重,经水20 mL浸润之后,加入乙醇20 mL和10.0 g·L-1内标溶液50 μL,超声提取30 min,取上清液2 mL经正己烷5 mL萃取,所得溶液采用气相色谱-串联质谱法(GC-MS/MS)测定其中18种邻苯二甲酸酯的含量,内标法定量.质谱分析中采用电子轰击离子源和多反应监测模式.18种邻苯二甲酸酯的线性范围均为0.20~10 mg·L-1,检出限(3S/N)为0.03~0.50 mg·kg-1.按标准加入法进行回收试验,回收率为86.8%~107%,相对标准偏差(n=6)均小于7.0%.%After 2 cigarette filters weighted were soaked with water of 20 mL,ethanol of 20 mL and 10.0 g· L-1internal standard solution of 50 μL were added and the mixture was extracted ultrasonically for 30 min.The supernatant of 2 mL was extracted by n-hexane of 5 mL.18 phthalate esters in the above solution were determined by gas chromatography-tandem mass spectrometry(GC-MS/MS),and the internal standard method was adopted for quantification.EI and MRM mode were adopted in MS analysis.Linear ranges of 18 phthalate esters were all 0.20-10 mg·L-1,with detection limits(3S/N)ranged from 0.03 mg·kg-1to 0.50 mg·kg-1.Test for recovery was made by standard addition method,giving results in the range of 86.8%-107%,with RSDs(n=6) all less than 7.0%.【期刊名称】《理化检验-化学分册》【年(卷),期】2018(054)004【总页数】5页(P423-427)【关键词】气相色谱-串联质谱法;卷烟滤嘴;邻苯二甲酸酯【作者】吴永良;李燕垣;彭云铁;王忠民【作者单位】广东省质量监督烟草检验站,广州510610;广东省质量监督烟草检验站,广州510610;广东省质量监督烟草检验站,广州510610;广东省质量监督烟草检验站,广州510610【正文语种】中文【中图分类】O657.63邻苯二甲酸酯(PAEs)是由邻苯二甲酸与醇反应得到酯类化合物的总称,是增塑剂的一类,常用于增加塑料制品的可塑性和柔韧性。
h贵州省卫生计生委员会 发D B 52油脂类食品中17种邻苯二甲酸酯类化合物的测定气相色谱-串联质谱法(征求意见稿)前言本标准由贵州出入境检验检疫局综合技术中心提出。
本标准由贵州省卫生和计生委员会归口。
本标准由贵州出入境检验检疫局综合技术中心负责起草;贵州省流通环节食品安全检验中心、贵州省食品药品检验所、贵州省疾病预防控制中心参与起草。
本标准主要起草人:王兴宁、杨昌彪、曹桂红、蔡秋、林野、周贻兵、朱明、李洁。
油脂类食品中17种邻苯二甲酸酯类化合物的测定气相色谱-串联质谱法1 范围本标准规定了油脂类食品中17种邻苯二甲酸酯类化合物残留量气相色谱-质谱/质谱检测方法。
本标准适用于油脂类食品中17种邻苯二甲酸酯残留量的检测和确证。
2 规范性引用文件下列文件中的条款通过本标准的引用而成为本标准的条款。
凡是注日期的引用文件,其随后所有的修改单(不包括勘误的内容)或修订版均不适用于本标准,然而,鼓励根据本标准达成协议的各方研究是否可使用这些文件的最新版本。
凡是不注日期的引用文件,其最新版本适用于本标准。
GB/T 6682 分析试验室用水规格和试验方法(neq ISO 3696:1987)3 原理样品经提取,提取液再经凝胶渗透净化(GPC)净化,用GC-MS/MS进行检测,外标法定量。
4 试剂和材料除另有规定外,所用试剂均为分析纯,水为GB/T 6682规定的一级水。
4.1 丙酮:色谱纯。
4.2 环己烷:色谱纯。
4.3 乙酸乙酯:色谱纯。
4.4 石油醚:色谱纯。
4.5 17种邻苯二甲酸酯标准品: 邻苯二甲酸二甲酯类(DMP,纯度99.5)、邻苯二甲酸二乙酯 ( DEP,纯度98.0)、邻苯二甲酸二烯丙酯(DAP,纯度99.0 ) 、邻苯二甲酸二异丁酯(DIBP,纯度98.5)、邻苯二甲酸二丁酯(DBP,纯度99.0)、邻苯二甲酸二(2-甲氧基)乙酯(DMEP,纯度98.5)、邻苯二甲酸二(4-甲基-2-戊基)酯(BMPP,纯度98.0)、邻苯二甲酸二(2-乙氧基)乙酯(DEEP,纯度97.5)、邻苯二甲酸二戊酯( DPP,纯度98.0)、邻苯二甲酸丁基苄基酯(BBP,纯度99.0)、邻苯二甲酸二己醋(DHXP ,纯度99.5) ,邻苯二甲酸二(2-丁氧基)乙酯( DBEP,纯度99.0)、邻苯二甲酸二环己酯(DCHP,纯度97.5)、邻苯二甲酸二庚酯(DHP,纯度98.0)、邻苯二甲酸二苯酯(DPHP,纯度98.5)、邻苯二甲酸二(2-乙基己酯(DEHP,纯度98.0)、邻苯二甲酸二正辛酯(DNOP,纯度97.0)。