带座轴承型号(完整版)
- 格式:doc
- 大小:627.00 KB
- 文档页数:10
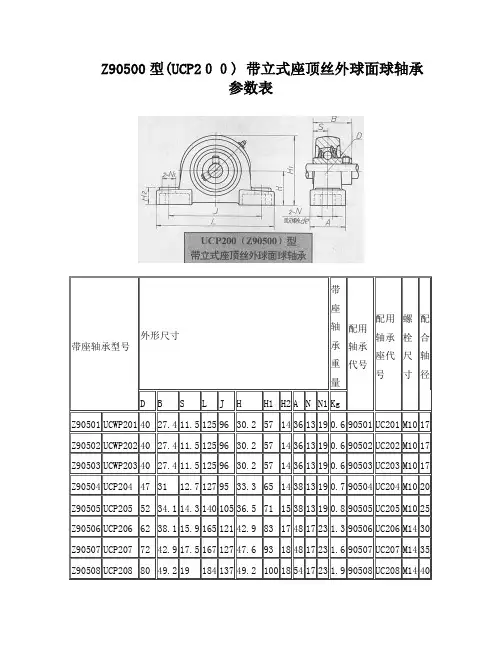
Z90500型UCP200带立式座顶丝外球面球轴承参数表
Z90600型UCP300带立式座顶丝外球面球轴承参数表
UCPH200ZH90500型带高中心立式座顶丝外球面球轴承参数表
ZA90500UCPA200型带窄立式座顶丝外球面球轴承参数表
F90500型UCFU200 带方形座顶丝外球面球轴承参数表
F90600型UCF300 带方形座顶丝外球面球轴承
L90500型UCFLU200 带菱形座顶丝外球面球轴承参数表
L90600型UCFL300 带菱形座顶丝外球面球轴承参数表
LA90500UCFA200型带可调菱形座顶丝外球面球轴承参数表
LA90500UCFA200型带可调菱形座顶丝外球面球轴承参数表
TY90500型UCFC200 带凸台圆形座顶丝外球面球轴承参数表
K90500型UCK200 带滑块座顶丝外球面球轴承参数表
K90600型UCT300 带滑块座顶丝外球面球轴承参数表
CL90500型SAPFL200 带冲压菱形座顶丝外球面球轴承参数表
H90500型UCC200 带环形座顶丝外球面球轴承参数表
H90600型UCC300 带环形座顶丝外球面球轴承参数表。
Z90500型(UCP200) 带立式座顶丝外球面球轴承参数表带座轴承型号外形尺寸带座轴承重量配用轴承代号配用轴承座代号螺栓尺寸配合轴径D B S L J H H1 H2 A N N1 KgZ90501 UCWP201 40 27.4 11.5 125 96 30.2 57 14 36 13 19 0.6 90501 UC201 M10 17 Z90502 UCWP202 40 27.4 11.5 125 96 30.2 57 14 36 13 19 0.6 90502 UC202 M10 17 Z90503 UCWP203 40 27.4 11.5 125 96 30.2 57 14 36 13 19 0.6 90503 UC203 M10 17 Z90504 UCP204 47 31 12.7 127 95 33.3 65 14 38 13 19 0.7 90504 UC204 M10 20 Z90505 UCP205 52 34.1 14.3 140 105 36.5 71 15 38 13 19 0.8 90505 UC205 M10 25 Z90506 UCP206 62 38.1 15.9 165 121 42.9 83 17 48 17 23 1.3 90506 UC206 M14 30 Z90507 UCP207 72 42.9 17.5 167 127 47.6 93 18 48 17 23 1.6 90507 UC207 M14 35 Z90508 UCP208 80 49.2 19 184 137 49.2 100 18 54 17 23 1.9 90508 UC208 M14 40Z90509 UCP209 85 49.2 19 190 146 54 106 20 54 17 23 2.2 90509 UC209 M14 45 Z90510 UCP210 90 51.6 19 206 159 57.2 114 21 60 20 26 2.6 90510 UC210 M16 50 Z90511 UCP211 100 55.6 22.2 219 171 63.5 126 23 60 20 26 3.3 90511 UC211 M16 55 Z90512 UCP212 110 65.1 25.4 241 184 69.8 138 25 70 20 26 4.6 90512 UC212 M16 60 Z90513 UCP213 120 65.1 25.4 265 203 76.2 151 27 70 25 31 5.9 90513 UC213 M20 65 Z90514 UCP214 125 74.6 30.2 266 210 79.4 157 27 72 25 31 6.6 90514 UC214 M20 70 Z90515 UCP215 130 77.8 33.3 275 217 82.6 163 28 74 25 31 7.4 90515 UC215 M20 75 Z90516 UCP216 140 82.6 33.3 292 232 88.9 175 30 78 25 31 9 90516 UC216 M20 80 Z90517 UCP217 150 85.7 34.1 310 247 95.2 187 32 83 25 31 11 90517 UC217 M20 85 Z90518 UCP218 160 96 39.7 327 262 101.6 200 33 88 27 33 13 90518 UC218 M22 90 UCP220 180 108 42 380 308 115 225 40 95 30 38 16 UC220 M24Z90600型(UCP300) 带立式座顶丝外球面球轴承参数表带座轴承型号外形尺寸带座配用轴承代号配用轴承座代号螺栓配合Z90628 UCP328 300 145 59 620 500 200 390 75 140 40 55 89 90628 UC328 Z628 P328 M33 140 UCPH200(ZH90500)型带高中心立式座顶丝外球面球轴承参数表带座轴承型号外形尺寸带座轴承重量配用轴承代号配用轴承座代号螺栓尺寸配合轴径D B S L J H H1 H2 A N N1 KgZH90503 40 27.4 11.5 127 95 70 101 15 40 13 19 1 90503 ZH503 M10 17 ZH90504 47 31 12.7 127 95 70 101 15 40 13 19 1 90504 ZH504 M10 20 ZH90505 52 34.1 14.3 140 105 80 114 16 50 13 19 1.2 90505 ZH505 M10 25 ZH90506 62 38.1 15.9 165 121 90 130 18 50 17 21 1.8 90506 ZH506 M14 30 ZH90507 72 42.9 17.5 167 127 95 140 19 60 17 21 2.4 90507 ZH507 M14 35 ZH90508 80 49.2 19 184 137 100 149 19 70 17 25 2.4 90508 ZH508 M14 40 ZH90509 85 49.2 19 190 146 105 157 20 70 17 25 3.7 90509 ZH509 M14 45ZH90510 90 51.6 19 206 159 110 165 22 70 20 25 4.1 90510 ZH510 M16 50 ZA90500(UCPA200)型带窄立式座顶丝外球面球轴承参数表带座轴承型号外形尺寸带座轴承重量配用轴承代号配用轴承座代号螺栓尺寸配合轴径D B S L J H H1 H2 H3 A dN KgZA90503 40 27.4 11.5 76 52 30.2 62 11 12 40 M10 0.6 90503 ZA503 M10 17 ZA90504 47 31 12.7 76 52 30.2 62 11 12 40 M10 0.6 90504 ZA504 M10 20 ZA90505 52 34.1 14.3 84 56 36.5 72 12 15 45 M10 0.8 90505 ZA505 M10 25 ZA90506 62 38.1 15.9 94 66 42.9 84 12 18 50 M12 1.2 90506 ZA506 M12 30 ZA90507 72 42.9 17.5 110 80 47.6 95 13 20 55 M12 1.7 90507 ZA507 M12 35 ZA90508 80 49.2 19 116 84 49.2 100 13 20 58 M12 2 90508 ZA508 M12 40 ZA90509 85 49.2 19 120 90 54.2 108 13 22 60 M12 2.2 90509 ZA509 M12 45ZA90510 90 51.6 19 130 94 57.2 116 14 25 64 M16 2.9 90510 ZA510 M16 50 F90500型(UCFU200) 带方形座顶丝外球面球轴承参数表带座轴承型号外形尺寸带座轴承重量配用轴承代号配用轴承座代号螺栓尺寸配合轴径D B S L J A A1 A2 N KgF90503 UCFU203 40 27.4 11.5 76 54 27 11 17 12 0.6 90503 F503 M10 17 F90504 UCFU204 47 31 12.7 86 63.5 30 11 19 12 0.7 90504 UC204 F504 FU204 M10 20 F90505 UCFU205 52 34.1 14.3 95 70 30 13 19 12 0.9 90505 UC205 F505 FU205 M10 25 F90506 UCFU206 62 38.1 15.9 108 82.5 33 13 20 12 1.1 90506 UC206 F506 FU206 M10 30 F90507 UCFU207 72 42.9 17.5 117 92 36 15 21 14 1.5 90507 UC207 F507 FU207 M12 35 F90508 UCFU208 80 49.2 19 130 101.5 39 15 24 16 1.9 90508 UC208 F508 FU208 M14 40F90509 UCFU209 85 49.2 19 137 105 40 16 24 16 2.3 90509 UC209 F509 FU209 M14 45 F90510 UCFU210 90 51.6 19 143 111 46 16 28 19 2.7 90510 UC210 F510 FU210 M16\M14 50 F90511 UCFU211 100 55.6 22.2 162 130 49 18 31 19 3.9 90511 UC211 F511 FU211 M16 55 F90512 UCFU212 110 65.1 25.4 175 143 53 18 34 19 4.7 90512 UC212 F512 FU212 M16 60 F90513 UCFU213 120 65.1 25.4 187 149.5 52 21 34 19 5.7 90513 UC213 F513 FU213 M16 65 F90514 UCFU214 125 74.6 30.2 193 152 54 22 35 19 6.1 90514 UC214 F514 FU214 M16 70 F90515 UCFU215 130 77.8 33.3 200 159 58 22 35 19 6.9 90515 UC215 F515 FU215 M16 75 F90516 UCFU216 140 82.6 33.3 208 165 58 22 35 23 8.1 90516 UC216 F516 FU216 M20 80 F90517 UCFU217 150 85.7 34.1 220 175 63 24 36 23 9.3 90517 UC217 F517 FU217 M20 85 F90518 UCFU218 160 96 39.7 235 187 68 24 42 23 11 90518 UC218 F518 FU218 M20 90 UCFU220 180 108 42 265 210 74 28 44 27 12 UC220 FU220 M22F90600型(UCF300) 带方形座顶丝外球面球轴承F90624 UCF324 260 126 51 370 290 110 40 65 41 50 90624 UC324 F624 F324 M36 120 F90626 UCF326 280 135 54 410 320 115 45 65 41 66 90626 UC326 F626 F326 M36 130 F90628 UCF328 300 145 59 450 350 125 55 75 41 90 90628 UC328 F628 F328 M36 140L90500型(UCFLU200) 带菱形座顶丝外球面球轴承参数表带座轴承型号外形尺寸带座轴承重量配用轴承代号配用轴承座代号螺栓尺寸配合轴径D B S L J H A A1 A2 N KgL90503 40 27.4 11.5 99 76.5 54 27 11 17 12 0.6 90503 L503 M10 17 L90504 UCFLU204 47 31 12.7 113 90 60 30 11 19 12 0.6 90504 UC204 L504 FLU204 M10 20 L90505 UCFLU205 52 34.1 14.3 125 99 68 30 13 19 12 0.7 90505 UC205 L505 FLU205 M10 25 L90506 UCFLU206 62 38.1 15.9 142 116.5 80 33 13 20 12 1 90506 UC206 L506 FLU206 M10 30L90507 UCFLU207 72 42.9 17.5 156 130 90 36 15 21 14 1.3 90507 UC207 L507 FLU207 M12 35 L90508 UCFLU208 80 49.2 19 172 143.5 100 39 15 24 14 1.7 90508 UC208 L508 FLU208 M12 40 L90509 UCFLU209 85 49.2 19 180 148.5 108 40 16 24 16 2 90509 UC209 L509 FLU209 M14 45 L90510 UCFLU210 90 51.6 19 190 157 115 46 16 28 18 2.5 90510 UC210 L510 FLU210 M16 50 L90511 UCFLU211 100 55.6 22.2 217 184 130 49 18 31 18 3.4 90511 UC211 L511 FLU211 M16 55 L90512 UCFLU212 110 65.1 25.4 235 202 140 53 18 34 18 4.3 90512 UC212 L512 FLU212 M16 60 L90513 UCFLU213 120 65.1 25.4 248 210 155 59 22 38 20.5 5 UC213 FLU213 M18 65 L90514 UCFLU214 125 74.6 30.2 257 216 160 62 22 38 20.5 5.6 UC214 FLU214 M18 70 L90515 UCFLU215 130 77.8 33.3 266 225 165 65 22 41 20.5 6.2 UC215 FLU215 M18 75L90600型(UCFL300) 带菱形座顶丝外球面球轴承参数表带座轴承型号外形尺寸带座轴承配用轴承代号配用轴承座代号螺栓尺寸配合轴径LA90500(UCFA200)型带可调菱形座顶丝外球面球轴承参数表带座轴承型号外形尺寸带座轴承重量配用轴承代号配用轴承座代号螺栓尺寸配合轴径D B S L J H H1 H2 A A1 A2 N N1 KgLA90500 40 27.4 11.5 102 78 60 54 40 25.5 12 15 10 10 0.7 90503 LA503 M8LA90504 47 31 12.7 102 78 60 54 40 25.5 12 15 10 10 0.6 90504 LA504 M8 20 LA90505 52 34.1 14.3 125 98 68 65 51 27 14 16 12 13 0.8 90505 LA505 M10 25 LA90506 62 38.1 15.9 144 117 80 72 58 31 14 18 12 13 1.2 90506 LA506 M10 30 LA90507 72 42.9 17.5 161 130 90 82 66 34 16 19 15 15 1.5 90507 LA507 M12 35 LA90508 80 49.2 19 175 144 100 87 71 36 16 21 15 15 1.8 90508 LA508 M12 40 LA90509 85 49.2 19 181 148 108 90 72 38 18 22 15 15 2.2 90509 LA509 M12 45 LA90510 90 51.6 19 190 157 115 94 76 40 18 22 15 15 2.6 90510 LA510 M12 50LA90511 100 55.6 22.2 219 184 130 104 86 43 20 25 16 17 3.6 90511 LA511 M14 55 LA90500(UCFA200)型带可调菱形座顶丝外球面球轴承参数表带座轴承型号外形尺寸带座轴承重量配用轴承代号配用轴承座代号螺栓尺寸配合轴径D B S L J H H1 H2 A A1 A2 N N1 KgLA90500 40 27.4 11.5 102 78 60 54 40 25.5 12 15 10 10 0.7 90503 LA503 M8LA90504 47 31 12.7 102 78 60 54 40 25.5 12 15 10 10 0.6 90504 LA504 M8 20 LA90505 52 34.1 14.3 125 98 68 65 51 27 14 16 12 13 0.8 90505 LA505 M10 25 LA90506 62 38.1 15.9 144 117 80 72 58 31 14 18 12 13 1.2 90506 LA506 M10 30 LA90507 72 42.9 17.5 161 130 90 82 66 34 16 19 15 15 1.5 90507 LA507 M12 35 LA90508 80 49.2 19 175 144 100 87 71 36 16 21 15 15 1.8 90508 LA508 M12 40LA90509 85 49.2 19 181 148 108 90 72 38 18 22 15 15 2.2 90509 LA509 M12 45 LA90510 90 51.6 19 190 157 115 94 76 40 18 22 15 15 2.6 90510 LA510 M12 50 LA90511 100 55.6 22.2 219 184 130 104 86 43 20 25 16 17 3.6 90511 LA511 M14 55TY90500型(UCFC200) 带凸台圆形座顶丝外球面球轴承参数表带座轴承型号外形尺寸带座轴承重量配用轴承代号配用轴承座代号螺栓尺寸配合轴径D B S D1 D2 J P A A1 A2 A3 N KgTY90503 40 27.4 11.5 58 97 53 75 19 4 9 6 12 0.5 90503 TY503 M10 17 TY90504 UCFC204 47 31 12.7 62 100 55.1 78 20.5 5 10 7 12 0.7 90504 UC204 TY504 FC204 M10 20 TY90505 UCFC205 52 34.1 14.3 70 115 63.5 90 21 6 10 7 12 1 90505 UC205 TY505 FC205 M10 25 TY90506 UCFC206 62 38.1 15.9 80 125 70.7 100 23 8 10 8 12 1.3 90506 UC206 TY506 FC206 M10 30TY90507 UCFC207 72 42.9 17.5 90 135 77.8 110 26 8 11 9 14 1.6 90507 UC207 TY507 FC207 M12 35 TY90508 UCFC208 80 49.2 19 100 145 84.8 120 26 10 11 9 14 2.1 90508 UC208 TY508 FC208 M12 40 TY90509 UCFC209 85 49.2 19 105 160 93.3 132 26 12 10 14 16 2.7 90509 UC209 TY509 FC209 M14 45 TY90510 UCFC210 90 51.6 19 110 165 97.6 138 28 12 10 14 16 3.1 90510 UC210 TY510 FC210 M14 50 TY90511 UCFC211 100 55.6 22.2 125 185 106.1 150 31 12 13 15 19 4.2 90511 UC211 TY511 FC211 M16 55 TY90512 UCFC212 110 65.1 25.4 135 195 113.1 160 36 12 17 15 19 5.3 90512 UC212 TY512 FC212 M16 60 TY90513 UCFC213 120 65.1 25.4 145 205 120.2 170 36 14 16 15 19 6 90513 UC213 TY513 FC213 M16 65 TY90514 UCFC214 125 74.6 30.2 150 215 125.1 177 40 14 17 18 19 7 90514 UC214 TY514 FC214 M16 70 TY90515 UCFC215 130 77.8 33.3 160 220 130.1 184 40 16 18 18 19 7.8 90515 UC215 TY515 FC215 M16 75 TY90516 UCFC216 140 82.6 33.3 170 240 141.4 200 42 16 18 18 23 9.3 90516 UC216 TY516 FC216 M20 80 TY90517 UCFC217 150 85.7 34.1 180 250 147.1 208 45 18 18 20 23 11 90517 UC217 TY517 FC217 M20 85 TY90518 UCFC218 160 96 39.7 190 265 155.5 220 50 18 22 20 23 13 90518 UC218 TY518 FC218 M20 90K90500型(UCK200) 带滑块座顶丝外球面球轴承参数表K90600型(UCT300) 带滑块座顶丝外球面球轴承参数表带座轴承型号外形尺寸带座轴承重量配用轴承代号配用轴承座代号配合轴径D B S L L1 L2 H H1 A A1 A2 N N1 N2 KgK90605 UCT305 62 38 15 122 76 12 89 80 36 12 26 26 16 36 1.4 90605 UC305 K605 T305 25 K90606 UCT306 72 43 17 137 85 14 100 90 41 16 28 28 18 41 1.8 90606 UC306 K606 T306 30 K90607 UCT307 80 48 19 150 94 15 111 100 45 16 32 30 20 45 2.4 90607 UC307 K607 T307 35 K90608 UCT308 90 52 19 162 100 17 124 112 50 18 34 32 22 50 3 90608 UC308 K608 T308 40 K90609 UCT309 100 57 22 178 110 18 138 125 55 18 38 34 24 55 4 90609 UC309 K609 T309 45 K90610 UCT310 110 61 22 191 117 20 151 140 61 20 40 37 27 61 5 90610 UC310 K610 T310 50 K90611 UCT311 120 66 25 207 127 21 163 150 66 22 44 39 29 66 6.4 90611 UC311 K611 T311 55 K90612 UCT312 130 71 26 220 135 23 178 160 71 22 46 41 31 71 7.6 90612 UC312 K612 T312 60 K90613 UCT313 140 75 30 238 146 25 190 170 80 26 50 43 32 70 9.7 90613 UC313 K613 T313 65CL90500型(SAPFL200) 带冲压菱形座顶丝外球面球轴承参数表H90500型(UCC200) 带环形座顶丝外球面球轴承参数表带座轴承型号外形尺寸带座轴承重量配用轴承代号配用轴承座代号配合轴径D B S D1 A A1 r KgY90503 UCWC203 40 27.4 11.5 67 20 10 1.1 0.5 90503 Y503 17 Y90504 UCC204 47 31 12.7 72 20 10 1.1 0.5 90504 UC204 Y504 C204 20 Y90505 UCC205 52 34.1 14.3 80 22 11 1.1 0.7 90505 UC205 Y505 C205 25 Y90506 UCC206 62 38.1 15.9 85 27 13.5 1.1 0.9 90506 UC206 Y506 C206 30 Y90507 UCC207 72 42.9 17.5 90 28 14 1.1 1 90507 UC207 Y507 C207 35 Y90508 UCC208 80 49.2 19 100 30 15 1.5 1.3 90508 UC208 Y508 C208 40 Y90509 UCC209 85 49.2 19 110 31 15.5 1.5 1.6 90509 UC209 Y509 C209 45 Y90510 UCC210 90 51.6 19 120 33 16.5 1.5 2 90510 UC210 Y510 C210 50 Y90511 UCC211 100 55.6 22.2 125 35 17.5 1.5 2.2 90511 UC211 Y511 C211 55 Y90512 UCC212 110 65.1 25.5 130 38 19 1.5 2.6 90512 UC212 Y512 C212 60Y90513 UCC213 120 65.1 25.5 140 40 20 2 3.1 90513 UC213 Y513 C213 65 H90600型(UCC300) 带环形座顶丝外球面球轴承参数表带座轴承型号外形尺寸带座轴承重量配用轴承代号配用轴承座代号配合轴径D B S D1 A A1 r KgY90605 UCC305 62 38 15 90 26 13 1.5 1.1 90605 UC305 Y605 C305 25 Y90606 UCC306 72 43 17 100 28 14 1.5 1.4 90606 UC306 Y606 C306 30 Y90607 UCC307 80 48 19 110 32 16 2 1.8 90607 UC307 Y607 C307 35 Y90608 UCC308 90 52 19 120 34 17 2 2.2 90608 UC308 Y608 C308 40 Y90609 UCC309 100 57 22 130 38 19 2.1 2.7 90609 UC309 Y609 C309 45 Y90610 UCC310 110 61 22 140 40 20 2.1 3.3 90610 UC310 Y610 C310 50 Y90611 UCC311 120 66 25 150 44 22 2.1 3.9 90611 UC311 Y611 C311 55 Y90612 UCC312 130 71 26 160 46 23 2.1 4.8 90612 UC312 Y612 C312 60。
skf带座轴承型号尺寸SKF带座轴承(Pillow Block Bearings)是一种常用的机械零件,它能够在旋转轴上提供支撑和定位功能。
本文将介绍一些常见的SKF带座轴承型号及其尺寸。
1. SKF SY 20 TF带座轴承SKF SY 20 TF带座轴承是一种直径为20毫米的轴承,它采用灰铸铁座体和球轴承结构,配有标准内螺纹孔和润滑孔。
该型号的带座轴承适用于轻型应用,如食品加工设备、输送带、辊道和包装机械等。
2. SKF SY 40 TF带座轴承SKF SY 40 TF带座轴承直径为40毫米,与SY 20 TF相比,它具有更高的承载能力和更大的座体尺寸。
这种带座轴承通常用于重型应用,如冶金设备、矿山机械和建筑工程机械等。
3. SKF UCP 205带座轴承SKF UCP 205带座轴承直径为25毫米,它采用灰铸铁座体和球轴承结构。
该型号的带座轴承常用于农业机械、纺织机械和食品加工设备等领域。
4. SKF UCFL 204带座轴承SKF UCFL 204带座轴承直径为20毫米,它采用两个螺栓固定座体和球轴承结构。
该型号的带座轴承适用于机床、冶金机械和化工设备等场合。
5. SKF UCF 208带座轴承SKF UCF 208带座轴承直径为40毫米,它采用四个螺栓固定座体和球轴承结构。
这种带座轴承通常用于冶金设备、矿山机械和建筑工程机械等重型应用。
除了上述提到的型号之外,SKF还提供了许多其他尺寸和型号的带座轴承,以满足不同应用的需求。
这些带座轴承具有高质量、耐用和可靠的特点,能够在恶劣的工作环境下正常运行。
SKF带座轴承的安装和维护非常重要。
在安装时,应确保座体和轴承之间的配合间隙适当,并使用适当的润滑剂。
在使用过程中,要定期检查轴承的运行状态,及时更换磨损或损坏的部件,并进行适当的润滑。
SKF带座轴承是一种常见且重要的机械零件,它能够提供轴承支撑和定位功能,广泛应用于各种机械设备中。
选择合适的型号和尺寸的带座轴承对于设备的正常运行至关重要,因此在选型和使用过程中应仔细考虑各种因素,并按照SKF的安装和维护要求进行操作。