阻燃或耐火电线电缆的型号表示法
- 格式:doc
- 大小:22.00 KB
- 文档页数:1
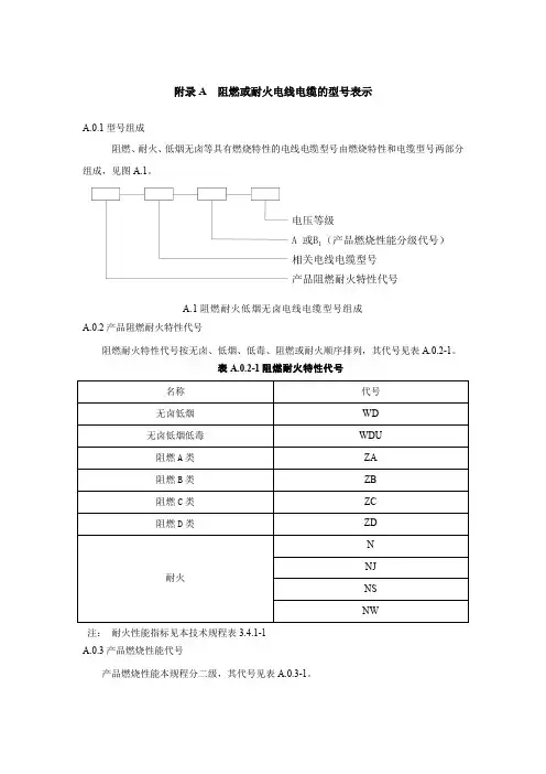
附录A 阻燃或耐火电线电缆的型号表示A.0.1型号组成阻燃、耐火、低烟无卤等具有燃烧特性的电线电缆型号由燃烧特性和电缆型号两部分组成,见图A.1。
A.1阻燃耐火低烟无卤电线电缆型号组成A.0.2产品阻燃耐火特性代号阻燃耐火特性代号按无卤、低烟、低毒、阻燃或耐火顺序排列,其代号见表A.0.2-1。
表A.0.2-1阻燃耐火特性代号注:耐火性能指标见本技术规程表3.4.1-1A.0.3产品燃烧性能代号产品燃烧性能本规程分二级,其代号见表A.0.3-1。
表A.0.3-1燃烧性能代号注: A、B1级为《电缆及光缆燃烧性能分级》GB 31247—2014标准内规定的燃烧性能分级,需要此类电线电缆时加注。
A.0.4 产品表示示例1 阻燃电缆表示示例:示例1:铜芯,交联聚乙烯绝缘聚烯烃护套电力电缆,无卤低烟,阻燃A类,额定电压0.6/1 kV,表示为:WDZA-YJY-0.6/1若还有B1级燃烧性能要求,表示为:WDZA-YJY-B1-0.6/12 低毒电缆表示示例:示例1:铜芯,交联聚乙烯绝缘聚烯烃护套电力电缆,无卤低烟低毒,阻燃C类,额定电压0.6/1 kV,表示为:WDUZC-YJY-0.6/1若还有B1级燃烧性能要求,表示为:WDUZC-YJY-B1-0.6/13 耐火电缆表示示例:例1:铜芯,交联聚乙烯绝缘聚烯烃护套电力电缆,无卤低烟,阻燃B类,供火加机械冲击和喷水的耐火,额定电压0.6/1 kV,表示为:WDZBNS-YJY-0.6/1 GB/T 19666;GB/T 12706.1示例2:铜芯,交联聚乙烯绝缘聚烯烃护套电力电缆,无卤低烟,阻燃C类,供火加机械冲击的耐火,额定电压0.6/1 kV,表示为:WDZCNJ-YJY-0.6/1 GB/T 19666;GB/T 12706.1示例3:铜芯,不燃类耐火电缆,供火加机械冲击和喷水的耐火,额定电压0.75 kV,表示为:NW-BTTZ-A-0.75。
型号含义:R-连接用软电缆(电线),软结构。
V-绝缘聚氯乙烯。
V-聚氯乙烯绝缘 V-聚氯乙烯护套B-平型(扁形)。
S-双绞型。
A-镀锡或镀银。
F-耐高温P-编织屏蔽P2-铜带屏蔽P22-钢带铠装Y—预制型、一般省略,或聚烯烃护套FD—产品类别代号,指分支电缆。
将要颁布的建设部标准用FZ表示,其实质相同YJ—交联聚乙烯绝缘V—聚氯乙烯绝缘或护套ZR—阻燃型NH—耐火型WDZ—无卤低烟阻燃型WDN—无卤低烟耐火型例如:SYV 75-5-1(A、B、C)S: 射频Y:聚乙烯绝缘V:聚氯乙烯护套A:64编B:96编C:128编75:75欧姆5:线径为5mm 1:代表单芯SYWV 75-5-1S: 射频Y:聚乙烯绝缘W:物理发泡V:聚氯乙烯护套75:75欧姆5:线缆外径为5MM 1:代表单芯例如:RVVP2*32/0.2 RVV2*1.0 BVRR: 软线VV:双层护套线P屏蔽2:2芯多股线32:每芯有32根铜丝0.2:每根铜丝直径为0.2MMZR-RVS2*24/0.12ZR: 阻燃R: 软线S:双绞线2:2芯多股线24:每芯有24根铜丝 0.12:每根铜丝直径为0.12mm 型号、名称RV 铜芯氯乙烯绝缘连接电缆(电线)AVR 镀锡铜芯聚乙烯绝缘平型连接软电缆(电线)RVB 铜芯聚氯乙烯平型连接电线RVS 铜芯聚氯乙烯绞型连接电线RVV 铜芯聚氯乙烯绝缘聚氯乙烯护套圆形连接软电缆ARVV 镀锡铜芯聚氯乙烯绝缘聚氯乙烯护套平形连接软电缆RVVB 铜芯聚氯乙烯绝缘聚氯乙烯护套平形连接软电缆RV-105 铜芯耐热105℃聚氯乙烯绝缘聚氯乙烯绝缘连接软电缆AF-205AFS-250AFP-250镀银聚氯乙氟塑料绝缘耐高温-60℃~250℃连接软电线2、规格表示法的含义规格采用芯数、标称截面和电压等级表示①单芯分支电缆规格表示法:同一回路电缆根数*(1*标称截面)0.6/1KV,如:4*(1*185)+1*95 0.6/1KV②多芯绞合型分支电缆规格表示法:同一回路电缆根数*标称截面0.6/1KV,如:4**185+1*95 0.6/1KV③多芯同护套型分支电缆规格表示法:电缆芯数×标称截面-T,如:4×25-T3、完整的型号规格表示法因为分支电缆包含主干电缆和支线电缆。
电线电缆符号表示型号含义:R一连接用软电缆(电线),软结构。
V-绝缘聚氯乙烯。
V-聚氯乙烯绝缘V -聚氯乙烯护套B一平型(扁形)。
S一双绞型。
A一镀锡或镀银。
F—耐局温P一编织屏敝P2—铜带屏敝P22—钢带铠装Y—预制型、一般省略,或聚烯轻护套FD-产品类别代号,指分支电缆。
将要颁布的建设部标准用FZ表示,其实质相同YJ一交联聚乙烯绝缘V一聚氯乙烯绝缘或护套ZR-阻燃型NH—耐火型WDZ-无卤低烟阻燃型WDN 一无卤低烟耐火型例如:SYV 75-5-1(A、B、C)S:射频Y:聚乙烯绝缘V:聚氯乙烯护套A : 64编B: 96 编C: 128编75: 75欧姆5:线径为5mm 1:代表单芯SYWV 75-5-1S:射频Y:聚乙烯绝缘W:物理发泡V:聚氯乙烯护套75: 75欧姆5:线缆外径为5MM 1 :代表单芯例如:RVVP2*32/0.2 RVV2*1.0 BVRR:软线VV:双层护套线P屏蔽2: 2芯多股线32:每芯有32根铜丝0.2:每根铜丝直径为0.2MM ZR-RVS2*24/0.12ZR:阻燃R:软线S:双绞线2: 2芯多股线24: 每芯有24根铜丝0.12:每根铜丝直径为0.12mm 型号、名称RV铜芯氯乙烯绝缘连接电缆(电线)AVR镀锡铜芯聚乙烯绝缘平■型连接软电缆(电线)RVB铜芯聚氯乙烯平■型连接电线RVS铜芯聚氯乙烯绞型连接电线RVV铜芯聚氯乙烯绝缘聚氯乙烯护套圆形连接软电缆ARVV镀锡铜芯聚氯乙烯绝缘聚氯乙烯护套平■形连接软电缆RVVB铜芯聚氯乙烯绝缘聚氯乙烯护套平■形连接软电缆RV —105铜芯耐热105 C聚氯乙烯绝缘聚氯乙烯绝缘连接软电缆A已205AFV 250AFJ 250镀银聚氯乙氟塑料绝缘耐高温—60C -250C连接软电线2、规格表示法的含义规格采用芯数、标称截面和电压等级表示①单芯分支电缆规格表示法:同一回路电缆根数* (1*标称截面)0.6/1KV ,如:4*(1*185)+1*95 0.6/1KV②多芯绞合型分支电缆规格表示法:同一回路电缆根数*标称截面0.6/1KV ,如:4**185+1*95 0.6/1KV③多芯同护套型分支电缆规格表示法:电缆芯数x标称截面-T,如:4X25-T3、完整的型号规格表小法因为分支电缆包含主干电缆和支线电缆。
电线电缆表示方法主要由型号、规格及标准编号这三个部分组成。
1、型号的含义电气装备用电线电缆及电力电缆的型号主要由以下七部分组成:有些特殊的电线电缆型号最后还有派生代号。
下面将最常用的电线电缆型号中字母的含义介绍一下:1)类别、用途代号A-安装线 B-绝缘线 C-船用电缆K-控制电缆 N-农用电缆 R-软线U-矿用电缆 Y-移动电缆 JK-绝缘架空电缆M-煤矿用ZR-阻燃型 NH-耐火型 ZA-A级阻燃ZB-B级阻燃 ZC-C级阻燃 WD-低烟无卤型2)导体代号T—铜导线(略) L-铝芯3)绝缘层代号V—PVC塑料 YJ—XLPE绝缘X—橡皮 Y—聚乙烯料F—聚四氟乙烯4)护层代号V-PVC套 Y-聚乙烯料N-尼龙护套 P-铜丝编织屏蔽 P2-铜带屏蔽L-棉纱编织涂蜡克 Q-铅包5)特征代号B-扁平型 R-柔软C-重型 Q-轻型G-高压 H-电焊机用S-双绞型6)铠装层代号2—双钢带 3—细圆钢丝4—粗圆钢丝7)外护层代号1—纤维层 2—PVC套3—PE套2、最常用的电气装备用电线电缆及电力电缆的型号示例VV—铜芯聚氯乙烯绝缘聚氯乙烯护套电力电缆VLV—铝芯聚氯乙烯绝缘聚氯乙烯护套电力电缆YJV22—铜芯交联聚乙烯绝缘钢带铠装聚氯乙烯护套电力电缆 KVV—聚氯乙烯绝缘聚氯乙烯护套控制电缆227IEC 01(BV)—简称BV,一般用途单芯硬导体无护套电缆227IEC 02(RV)—简称RV,一般用途单芯软导体无护套电缆227IEC 10(BVV)—简称BVV,轻型聚氯乙烯护套电缆227IEC 52(RVV)—简称RVV,轻型聚氯乙烯护套软线227IEC 53(RVV)—简称RVV,普通聚氯乙烯护套软线BV—铜芯聚氯乙烯绝缘电线BVR—铜芯聚氯乙烯绝缘软电缆BVVB—铜芯聚氯乙烯绝缘聚氯乙烯护套扁型电缆JKLYJ—交联聚乙烯绝缘架空电缆YC、YCW—重型橡套软电缆YZ、YZW—中型橡套软电缆YQ、YQW—轻型橡套软电缆YH—电焊机电缆3、规格规格又由额定电压、芯数及标称截面组成。
电缆规格型号代表意思(转)型号含义:R-连接用软电缆(电线),软结构。
V-绝缘聚氯乙烯。
V-聚氯乙烯绝缘V-聚氯乙烯护套B-平型(扁形)。
S-双绞型。
A-镀锡或镀银。
F-耐高温P-编织屏蔽P2-铜带屏蔽P22-钢带铠装Y—预制型、一般省略,或聚烯烃护套FD—产品类别代号,指分支电缆。
将要颁布的建设部标准用FZ表示,其实质相同YJ—交联聚乙烯绝缘V—聚氯乙烯绝缘或护套ZR—阻燃型NH—耐火型WDZ—无卤低烟阻燃型WDN—无卤低烟耐火型例如:SYV75-5-1(A、B、C)S:射频Y:聚乙烯绝缘V:聚氯乙烯护套A:64编B:96编C:128编75:75欧姆5:线径为5MM1:代表单芯SYWV75-5-1S:射频Y:聚乙烯绝缘W:物理发泡V:聚氯乙烯护套75:75欧姆5:线缆外径为5MM1:代表单芯例如:RVVP2*32/0.2RVV2*1.0BVRR:软线VV:双层护套线P屏蔽2:2芯多股线32:每芯有32根铜丝0.2:每根铜丝直径为0.2MMZR-RVS2*24/0.12ZR:阻燃R:软线S:双绞线2:2芯多股线24:每芯有24根铜丝0.12:每根铜丝直径为0.12MM型号、名称RV铜芯氯乙烯绝缘连接电缆(电线)AVR镀锡铜芯聚乙烯绝缘平型连接软电缆(电线)RVB铜芯聚氯乙烯平型连接电线RVS铜芯聚氯乙烯绞型连接电线RVV铜芯聚氯乙烯绝缘聚氯乙烯护套圆形连接软电缆ARVV镀锡铜芯聚氯乙烯绝缘聚氯乙烯护套平形连接软电缆RVVB铜芯聚氯乙烯绝缘聚氯乙烯护套平形连接软电缆RV-105铜芯耐热105oC聚氯乙烯绝缘聚氯乙烯绝缘连接软电缆AF-205AFS-250AFP-250镀银聚氯乙氟塑料绝缘耐高温-60oC~250oC连接软电线2、规格表示法的含义规格采用芯数、标称截面和电压等级表示①单芯分支电缆规格表示法:同一回路电缆根数*(1*标称截面),0.6/1KV,如:4*(1*185)+1*950.6/1KV②多芯绞合型分支电缆规格表示法:同一回路电缆根数*标称截面,0.6/1KV,如:4**185+1*950.6/1KV③多芯同护套型分支电缆规格表示法:电缆芯数×标称截面-T,如:4×25-T电力电缆、控制电缆型号含义[1]-[2][3][4][5][6][7][8]-[9][1]ZR-阻燃,NH-耐火,ZA(IA)-本安[2]用途。
NH---耐火ZR---阻燃(也可单独用Z表示,eg:ZA 、ZB 、ZC ,分三个等级,A级最高)WDZB-BYJ 低烟无卤阻燃聚烯烃护套,交联聚乙烯绝缘电线,耐压750V。
wdzb 分别是无卤、低烟、阻燃、聚烯烃,B指电线,YJ是交联聚乙烯绝缘,750指耐压等级.WDZB-BYJ环保电线环保电线聚烯烃护套电线,具有优异的阻燃,低烟,低毒性能,克服了传统的含卤聚合物燃时产生大量烟雾使人窒息和腐蚀仪器设备的缺陷,WDZN-BYJ 铜芯辐照交联低烟无卤阻燃耐火聚烯烃绝缘电线“WD”-无卤低烟,“Z”-阻燃(阻燃ZR),“N”-耐火(NH),注:1 电缆长期允许工作温度为90℃、105℃,表示时在型号后加上-105,90℃时省略。
2 电缆分阻燃型和耐火型,阻燃型电缆分为A类、B类和C类、相应型号表示为WDZA、WDZB、WDZC,当用户未注明阻燃类别时按C类阻燃执行;耐火型电缆表示为WDZN,耐火型仅适用于铜芯电缆。
RVSRVS电线全称:铜芯聚氯乙烯绝缘绞型连接用软电线、对绞多股软线,简称双绞线,俗称“花线”,现阶段此种线材多用于消防系统,也叫“消防线”。
字母S代表双绞线字母R代表软线字母V代表聚氯乙烯(绝缘体)RVS双绞线的用途:1.多用于消防火灾自动报警系统的探测器线路。
2.适用于家用电器、小型电动工具、仪器仪表及动力照明用线。
双白芯用于直接接灯头线;红蓝芯用于消防、报警等;红白芯用于广播、电话线;红黑芯用于广播线。
3.用于连接功放与音响设备、广播系统传输经功放机放大处理的音频信号。
RVSPRVSP表示:普通屏蔽铜芯聚氯乙稀绝缘绞型连接软电线NHRV是耐火型铜芯聚氯乙稀绝缘连接软电线;HBYV铜芯实心聚乙烯绝缘聚氯乙烯护套平行线(电话线);RVSP是普通铜芯聚氯乙稀绝缘绞型连接软电线;HYV铜芯聚氯乙烯绝缘聚氯乙烯护套室内通信电缆。
HYV-5×(2×0.8)代表电缆内有5对0.8mm2线。
阻燃电缆与普通电缆价格差C级阻燃电缆比普通电缆要高3~6%;表示为ZRC或ZRB级阻燃电缆比普通电缆要高10~20%;表示为ZRBA级阻燃电缆比普通电缆要高2~3倍。
表示为ZRA或GZR如何辨别阻燃电缆与耐火电缆防火电线电缆是具有防火性能电线电缆的总称,重庆泰山电缆指出通常分为阻燃电线电缆和耐火电线电缆两种。
1、阻燃电线电缆阻燃是指阻滞、延缓火焰沿着电线电缆的蔓延,使火灾不扩展,该类型电缆着火后具有自熄性能。
阻燃电缆按国度实验规范(GB12666-99)可分为三个等级:ZRA、ZRB、ZRC。
在普通产品命名中,ZRA通常用GZR表示,属称高阻燃电缆或隔氧层电缆或高阻燃隔氧层电缆。
ZRC在普通阻燃产品中表示ZR。
阻燃电缆是坚持普通电缆的电性能和理化性能的同时,具有自熄性,即不易熄灭,或当电缆因故本身着火或是外火源引燃着火时,在着火熄灭后电缆不再继续熄灭,或熄灭时间很短(60分钟以内),或延燃长度很短。
无卤阻燃电缆相关于含卤阻燃电缆有低毒、低烟、无卤的优点。
阻燃级别不高,根本上是C类。
其缘由是卤素自在基的吞氧灭火能效要大于非卤化物阻燃剂降解温的能效。
隔氧层阻燃技术主要是在电缆绝缘线芯与电缆外护套之间充填一层无机金属水化物,它是无毒、无嗅、不含卤素的白色胶状物。
隔氧层阻燃电缆在不改动电缆构造,资料原始参数的状况下,可适用于低、中、高压电力电缆、控制电缆及通讯电缆,并使电缆阻燃A类化。
2、耐火电线电缆耐火指在火焰熄灭状况下能坚持一定时间的运转,即坚持电路的完好性,泰山电缆该类型电缆在火焰中具有一定时间的供电才能。
耐火电缆按国度实验规范(GB12666-99)可分为二个等级:NHA、NHB;在普通产品命名中,NHA通常用GNH表示,属称高耐火电缆。
NHB在普通耐火产品中表示为NH。
耐火电缆在火灾发作时能持续工作(传送电流和信号),其自身延燃与否不在考核之列。
阻燃电缆在火灾发作时很快中止工作,其功用在于难燃和不涉及能自熄。
电线电缆的型号规格的解释及表示方法电线电缆的型号规格的解释及表示方法以电力电缆为例电力电缆的型号及品种主要有以下几个方面35kV及以下电力电缆型号及产品表示方法1.用汉语拼音第一个字母的大写表示绝缘种类、导体材料、内护层材料和结构特点。
如用Z代表纸(zhi);L代表铝(lv);Q代表铅(qian);F代表分相(fen);ZR代表阻燃(zuran);NH代表耐火(naihuo)。
2.用数字表示外护层构成,有二位数字。
无数字代表无铠装层,无外被层。
第一位数字表示铠装,第二位数字表示外被,如粗钢丝铠装纤维外被表示为41。
3.电缆型号按电缆结构的排列一般依次序为:绝缘材料;导体材料;内护层;外护层。
;4.电缆产品用型号、额定电压和规格表示。
其方法是在型号后再加上说明额定电压、芯数和标称截面积的阿拉伯数字。
如VV42-10 3×50表示铜芯、聚氯乙稀绝缘、粗钢线铠装、聚氯乙稀护套、额定电压10kV、3芯、标称截面积50mm2的电力电缆。
电力电缆型号各部分的代号及其含义1.绝缘种类:V代表聚氯乙稀;X代表橡胶;Y代表聚乙烯;YJ代表交联聚乙烯;Z代表纸。
2.导体材料:L代表铝;T(省略)代表铜。
3.内护层:V代表聚氯乙稀护套;Y聚乙烯护套;L铝护套;Q铅护套;H橡胶护套;F氯丁橡胶护套。
4.特征:D不滴流;F分相;CY充油;P贫油干绝缘;P屏蔽;Z直流。
5.控制层:0无;2双钢带;3细钢丝;4粗钢丝。
6.外被层:0无;1纤维外被;2聚氯乙稀护套;3聚乙烯护套。
7.阻燃电缆在代号前加ZR;耐火电缆在代号前加NH。
充油电缆型号及产品表示方法充油电缆型号由产品系列代号和电缆结构各部分代号组成。
自容式充油电缆产品系列代号CY。
外护套结构从里到外用加强层、铠装层、外被层的代号组合表示。
绝缘种类、导体材料、内护层代号及各代号的排列次序以及产品的表示方法与35kV及以下电力电缆相同。
如CYZQ102 220/1×4表示铜芯、纸绝缘、铅护套、铜带径向加强、无铠装、聚氯乙稀护套、额定电压220kV、单芯、标称截面积400mm2的自容式充油电缆。
电线电缆表示方法主要由型号、规格及标准编号这三个部分组成。
1、型号的含义电气装备用电线电缆及电力电缆的型号主要由以下七部分组成:有些特殊的电线电缆型号最后还有派生代号。
下面将最常用的电线电缆型号中字母的含义介绍一下:1)类别、用途代号A-安装线B-绝缘线C-船用电缆K-控制电缆N-农用电缆R-软线U-矿用电缆Y-移动电缆JK-绝缘架空电缆M-煤矿用ZR-阻燃型NH-耐火型ZA-A级阻燃ZB-B级阻燃ZC-C级阻燃WD-低烟无卤型2)导体代号T—铜导线(略)L-铝芯3)绝缘层代号V—PVC塑料YJ—XLPE绝缘X—橡皮Y—聚乙烯料F—聚四氟乙烯4)护层代号V-PVC套Y-聚乙烯料N-尼龙护套P-铜丝编织屏蔽P2-铜带屏蔽L-棉纱编织涂蜡克Q-铅包5)特征代号B-扁平型R-柔软C-重型Q-轻型G-高压H-电焊机用S-双绞型6)铠装层代号2—双钢带3—细圆钢丝4—粗圆钢丝7)外护层代号1—纤维层2—PVC套3—PE套2、最常用的电气装备用电线电缆及电力电缆的型号示例VV—铜芯聚氯乙烯绝缘聚氯乙烯护套电力电缆VLV—铝芯聚氯乙烯绝缘聚氯乙烯护套电力电缆YJV22—铜芯交联聚乙烯绝缘钢带铠装聚氯乙烯护套电力电缆KVV—聚氯乙烯绝缘聚氯乙烯护套控制电缆227IEC 01(BV)—简称BV,一般用途单芯硬导体无护套电缆227IEC 02(RV)—简称RV,一般用途单芯软导体无护套电缆227IEC 10(BVV)—简称BVV,轻型聚氯乙烯护套电缆227IEC 52(RVV)—简称RVV,轻型聚氯乙烯护套软线227IEC 53(RVV)—简称RVV,普通聚氯乙烯护套软线BV—铜芯聚氯乙烯绝缘电线BVR—铜芯聚氯乙烯绝缘软电缆BVVB—铜芯聚氯乙烯绝缘聚氯乙烯护套扁型电缆JKLYJ—交联聚乙烯绝缘架空电缆YC、YCW—重型橡套软电缆YZ、YZW—中型橡套软电缆YQ、YQW—轻型橡套软电缆YH—电焊机电缆3、规格规格又由额定电压、芯数及标称截面组成。
电线电缆表示方法主要由型号、规格及标准编号这三个部分组成。
1、型号的含义电气装备用电线电缆及电力电缆的型号主要由以下七部分组成:有些特殊的电线电缆型号最后还有派生代号。
下面将最常用的电线电缆型号中字母的含义介绍一下:1)类别、用途代号A-安装线 B-绝缘线 C-船用电缆K-控制电缆 N-农用电缆 R-软线U-矿用电缆 Y-移动电缆 JK-绝缘架空电缆M-煤矿用ZR-阻燃型 NH-耐火型 ZA-A级阻燃ZB-B级阻燃 ZC-C级阻燃 WD-低烟无卤型2)导体代号T—铜导线(略) L-铝芯3)绝缘层代号V—PVC塑料 YJ—XLPE绝缘X—橡皮 Y—聚乙烯料F—聚四氟乙烯4)护层代号V-PVC套 Y-聚乙烯料N-尼龙护套 P-铜丝编织屏蔽 P2-铜带屏蔽L-棉纱编织涂蜡克 Q-铅包5)特征代号B-扁平型 R-柔软C-重型 Q-轻型G-高压 H-电焊机用S-双绞型6)铠装层代号2—双钢带 3—细圆钢丝4—粗圆钢丝7)外护层代号1—纤维层 2—PVC套3—PE套2、最常用的电气装备用电线电缆及电力电缆的型号示例VV—铜芯聚氯乙烯绝缘聚氯乙烯护套电力电缆VLV—铝芯聚氯乙烯绝缘聚氯乙烯护套电力电缆YJV22—铜芯交联聚乙烯绝缘钢带铠装聚氯乙烯护套电力电缆 KVV—聚氯乙烯绝缘聚氯乙烯护套控制电缆227IEC 01(BV)—简称BV,一般用途单芯硬导体无护套电缆227IEC 02(RV)—简称RV,一般用途单芯软导体无护套电缆227IEC 10(BVV)—简称BVV,轻型聚氯乙烯护套电缆227IEC 52(RVV)—简称RVV,轻型聚氯乙烯护套软线227IEC 53(RVV)—简称RVV,普通聚氯乙烯护套软线BV—铜芯聚氯乙烯绝缘电线BVR—铜芯聚氯乙烯绝缘软电缆BVVB—铜芯聚氯乙烯绝缘聚氯乙烯护套扁型电缆JKLYJ—交联聚乙烯绝缘架空电缆YC、YCW—重型橡套软电缆YZ、YZW—中型橡套软电缆YQ、YQW—轻型橡套软电缆YH—电焊机电缆3、规格规格又由额定电压、芯数及标称截面组成。
阻燃耐火电缆型号代号
电缆型号代号通常由一系列字母、数字和特殊字符组成,用于表示电缆的不同特性,如阻燃性能、用途、电缆结构等。
不同的地区和标准可能有不同的型号代号体系。
以下是一些常见的阻燃耐火电缆型号代号的示例:
1.阻燃型号代号:
•NH(耐火):Non-Halogen,表示电缆中不含卤素元素。
•ZR(阻燃):Flame Retardant,表示电缆具有阻燃性能。
•FR(阻燃):Flame Resistant,也表示电缆具有阻燃性能。
2.用途和性能型号代号:
•WDZ(耐火,低烟,阻燃):Weather Resistant, Low Smoke, Flame Retardant。
•CU/XLPE/SWA/PVC WDZ-BSEN50267-2-2:铜芯,交联聚乙烯绝缘,钢丝铠装,聚氯乙烯护套,耐火低烟,符
合BSEN50267-2-2标准。
3.电缆结构型号代号:
•YJV(铜芯聚氯乙烯绝缘聚乙烯护套电缆):Copper Conductor, PVC Insulated, PVC Sheathed Power Cable。
•ZR-YJV(阻燃铜芯聚氯乙烯绝缘聚乙烯护套电缆):Flame Retardant Copper Conductor, PVC Insulated, PVC
Sheathed Power Cable。
这些型号代号通常是根据相关国家或地区的标准制定的,并且可
能会有所不同。
在选择电缆时,建议查阅相关标准文档或与供应商联系,以确保选用符合特定要求的阻燃耐火电缆。
阻燃和耐火电线电缆标识识别及其使用场所
一、电线电缆燃烧特性代号
二、阻燃和耐火电线电缆的型号由产品燃烧特性代号和相关电线电缆型号两部分组成,前半部分表示为产品燃烧特性代号,后半部分表示为相关电线电缆型号。
施工现场常用阻燃、耐火电线电缆产品的表示方法示例如下:
例1:聚氯乙烯绝缘聚氯乙烯护套阻燃A类电力电缆为:ZA-VV ;
例2:交联聚乙烯绝缘聚氯乙烯护套阻燃B类电力电缆为:ZB-YJV;
例3:交联聚乙烯绝缘聚氯乙烯护套阻燃C类耐火电力电缆为:ZCN-YJV ;
例4:交联聚乙烯绝缘聚烯烃护套无卤低烟阻燃B类电力电缆为:WDZB-YJY ;例5:聚氯乙烯绝缘阻燃D类固定布线用电线为:ZD-BV。
三、使用场所:
1、对一类高层建筑以及重要的公共场所等防火要求高的建筑物,应采用阻燃低烟无卤交联聚乙烯绝缘电力电缆、电线或无烟无卤电力电缆、电线。
2、建筑高度为50m~100m且19 层~34 层的一类高层住宅建筑,用于消防设施的供电干线应采用阻燃耐火线缆, 10 层~18 层的二类高层住宅建筑,用于消防设施的供电干线应采用阻燃耐火类线缆。
19 层及以上的一类高层住宅建筑,公共疏散通道的应急照明应采用低烟无卤阻燃的线缆。
10 层~18 层的二类高层住宅建筑,公共疏散通道的应急照明宜采用低烟无卤阻燃的线缆。
3、地铁供电系统中的电力电缆与控制电缆,在地下敷设时应采用低烟无卤阻燃电缆,在地上敷设时可采用低烟阻燃电缆。
为应急照明、消防设施供电的电缆,明敷时应采用低烟无卤耐火铜芯电缆或矿物绝缘耐火电缆。
电线电缆表示方法主要由型号电线电缆表示方法主要由型号、规格及标准编号这三个部分组成。
1、型号的含义电气装备用电线电缆及电力电缆的型号主要由以下七部分组成:有些特殊的电线电缆型号最后还有派生代号。
下面将最常用的电线电缆型号中字母的含义介绍一下:1)类别、用途代号A-安装线B-绝缘线C-船用电缆K-控制电缆N-农用电缆R-软线U-矿用电缆Y-移动电缆JK-绝缘架空电缆M-煤矿用ZR-阻燃型NH-耐火型ZA-A级阻燃ZB-B级阻燃ZC-C级阻燃WD-低烟无卤型2)导体代号T—铜导线(略)L-铝芯3)绝缘层代号V—PVC塑料YJ—XLPE绝缘X—橡皮Y—聚乙烯料F—聚四氟乙烯4)护层代号V-PVC套Y-聚乙烯料N-尼龙护套P-铜丝编织屏蔽P2-铜带屏蔽L-棉纱编织涂蜡克Q-铅包5)特征代号B-扁平型R-柔软C-重型Q-轻型G-高压H-电焊机用S-双绞型6)铠装层代号2—双钢带3—细圆钢丝4—粗圆钢丝7)外护层代号1—纤维层2—PVC套3—PE套2、最常用的电气装备用电线电缆及电力电缆的型号示例VV—铜芯聚氯乙烯绝缘聚氯乙烯护套电力电缆VLV—铝芯聚氯乙烯绝缘聚氯乙烯护套电力电缆YJV22—铜芯交联聚乙烯绝缘钢带铠装聚氯乙烯护套电力电缆KVV—聚氯乙烯绝缘聚氯乙烯护套控制电缆227IEC 01(BV)—简称BV,一般用途单芯硬导体无护套电缆227IEC 02(RV)—简称RV,一般用途单芯软导体无护套电缆227IEC 10(BVV)—简称BVV,轻型聚氯乙烯护套电缆227IEC 52(RVV)—简称RVV,轻型聚氯乙烯护套软线227IEC 53(RVV)—简称RVV,普通聚氯乙烯护套软线BV—铜芯聚氯乙烯绝缘电线BVR—铜芯聚氯乙烯绝缘软电缆BVVB—铜芯聚氯乙烯绝缘聚氯乙烯护套扁型电缆JKLYJ—交联聚乙烯绝缘架空电缆YC、YCW—重型橡套软电缆YZ、YZW—中型橡套软电缆YQ、YQW—轻型橡套软电缆YH—电焊机电缆3、规格规格又由额定电压、芯数及标称截面组成。
阻燃耐火电缆阻燃耐火电缆系列产品适用于凡是在火灾时,仍需保持正常运行的线路如工业及民用建筑的消防系统,应急照明系统,救生系统,报警及重要的监控回路等。
常用于:1、消防泵,喷淋泵,消防电梯的供电线路及控制电线。
2、防火卷帘门,电动防火门,排烟系统风机,排烟阀,防火阀的供电控制线路。
3、消防报山东警系统的手动报警线路,消防广播及电话线路。
4、高层建筑及机场,地铁等重要中煤设施中的安保闭路电视线路。
5、集中供电的应急照明线路,控制及保护电源线路。
6、大中型变配电所重要的继电保护线路及操作电源线路。
7、计算机监控线路。
阻燃耐火电缆产品表示方法(1) 阻燃耐火电线电缆的型号表示方法:阻燃耐火电线电缆的型号是在普通电缆的型号前加○-△-□,○-是指阻燃代号用Z表示,△-是阻燃级别代号,阻燃级别分为A,B,C,D四个级别,□-是耐火电线电缆的代号,用N表示。
阻燃耐火A类耐火:ZAN 阻燃Bsh10类耐火:ZBN 阻燃C类耐火:ZCN。
(2) 产品用型号、额定电压、芯数、标称截面和标准号表示。
耐火型电线电缆的说明耐火型电线电缆是指在规定试验条件下,在火焰中燃烧一定时间内能保持正常运行的电缆。
(1)按GB/T19216-2003《在火焰条件下电缆或光缆的线路完整性试验》的标准要求,耐火电线电缆的必须在750℃下燃烧90min,2A熔丝不熔断。
(2)耐火型电线电缆采用耐高温的有机隔火带作耐火层。
按照GB/T19666-2005,耐火电线电缆可以分为阻燃耐火电线电缆和非阻燃耐火电线电缆。
阻燃耐火电线电缆主要是在绝缘或护套中加入阻燃剂,就可以同时满足阻燃特性。
非阻燃耐火电线电缆就是在绝缘或护套中不添加阻燃剂,它不具备阻燃特性。
(3)根据GB/T18380.3-2002规定的试验条件,阻燃电线电缆分为A、B、C、D四个等级。
见下表:阻燃等级供火温度供火时间成束敷设电缆的非金属材料体积碳化高度自息时间适用产品A ≥815℃ 40min ≥7升/米≤2.5米≤1h 耐火阻燃电缆B ≥815℃ 40min ≥3.5升/米≤2.5米≤1h 耐火阻燃电缆C ≥815℃ 20min ≥1.5升/米≤2.5米≤1h 耐火阻燃电缆D ≥815℃ 20min ≥0.5升/米≤2.5米≤1h 耐火阻燃电缆。
阻燃耐火电缆型号代号
常见的阻燃耐火电缆型号代号如下:
1. NH-VV:阻燃聚氯乙烯绝缘聚氯乙烯护套电力电缆
2. NH-YJV:阻燃聚氯乙烯绝缘交联聚乙烯护套电力电缆
3. NH-KVV:阻燃聚氯乙烯绝缘聚氯乙烯护套控制电缆
4. NH-KYJV:阻燃聚氯乙烯绝缘交联聚乙烯护套控制电缆
5. NH-BV:阻燃聚氯乙烯单芯电缆
6. NH-RV:阻燃聚氯乙烯绝缘软线
7. NH-BVV:阻燃聚氯乙烯绝缘聚氯乙烯护套电线
8. NH-CVVB:阻燃聚氯乙烯绝缘聚氯乙烯护套合成材料包带控制线缆
9. NH-KVVP:阻燃聚氯乙烯绝缘聚氯乙烯护套控制电缆
10. NH-KYJVP2:阻燃聚氯乙烯绝缘聚氯乙烯护套交联聚乙烯绝缘屏蔽控制电缆
请注意,上述代号仅是一部分常见的阻燃耐火电缆型号,具体型号代号还有很多种类,可根据需要选择合适的型号代号。
电线电缆型号中每个字母代表什么电线电缆型号中每个字母代表什么⼀.型号⽤字母及数字含义:NH——通过GB12666.6类耐⽕试验;ZR——通过GB12666.5类成束燃烧试验;B——低卤(型号末位);C——⽆卤低烟(型号末位);YJ——绝缘;V——低卤阻燃聚氯⼄烯护套或衬层;S——热塑性聚烯烃护套或衬层;22——钢带铠装低卤阻燃聚氯⼄烯外护套;24——钢带铠装热塑性聚烯烃外护套。
⼆.型号及表⽰的电缆名称,见表型号名称NH/ZR-YJV-B 绝缘低卤、阻燃、耐⽕型电⼒电缆NH/ZR-YJV22-B 绝缘低卤、阻燃、耐⽕型钢带NH-ZR-YJS-C 交联聚⼄烯绝缘⽆卤低烟、阻燃热塑性聚烯烃衬垫(或护层)耐⽕型电⼒电缆NH-ZR-YJS24-C 交联聚⼄烯绝缘⽆卤低烟、阻燃热塑性聚烯烃衬垫(或护层)耐⽕型电⼒电缆450/750V及以下代号含义K -------V -------聚氯⼄烯V -------聚氯⼄烯P -------铜丝编织屏蔽R -------软导体结构Y -------聚⼄烯P2 -------铜带屏蔽ZR -------YJ -------交联聚⼄烯Y -------聚⼄烯22 -------钢带铠装NH -------KVV22聚氯⼄烯绝缘聚氯⼄烯护套钢带铠装控制电缆。
KYJVP-ZR交联聚⼄烯绝缘聚氯⼄烯护套铜丝编织屏蔽阻燃控制电缆。
KYJVP2-NH 交联聚⼄烯绝缘聚氯⼄烯护套铜带屏蔽耐⽕控制电缆。
主要⽤途及使⽤特性适⽤于450/750V及以下的控制、监控回路及保护线路等。
交联聚⼄烯(XLPE)绝缘控制电缆长期允许⼯作温度不超过90℃,聚氯⼄烯绝缘、聚⼄烯绝缘控制电缆长期允许⼯作温度不超过70℃,安装不低于0℃。
铜带屏蔽或钢带铠装电缆的弯曲半径应不⼩于电缆外径的12倍,其它类型电缆的弯曲半径不⼩于电缆外径的6倍。
电⼒电缆各型号中符号含义T: 铜(⼀般省略,不写进型号中)L: 铝V:聚氯⼄烯绝缘或护套YJ: 交联聚氯⼄烯绝缘22: 钢带铠装32: 细钢丝铠装42: 粗钢丝铠装再具体⼀些如下:产品型号中拼⾳字母所代表的意义(⽆括号的字)A:(聚)胺(脂),安(装),铝塑料护套(Alpeth)B:扁,半,编(织),泵、布、(聚)苯(⼄烯),玻(璃纤维),补,平⾏C:车、醇、采(掘机)、瓷、重(型),船⽤,蓄电(池),磁充,偿,(黄腊)绸,(三)醋(酸薄膜),⾃承式D:带,(不)滴(流),灯,电,(冷)冻(即耐寒),丁(基橡⽪),镀E:⼆(层),野(外),对称结构(代号),⼄(丙橡⽪)(EPR)F:(聚四)氟(⼄烯),分(相),⾮(燃性),飞(机),泡沫聚⼄烯(YF)G:钢、沟、改(性漆)、管、⾼(压)H:合(⾦),环(氧漆),焊、花、通讯电缆(⽤途代号),H(H型,即分相屏蔽结构),寒J:绞、加(强),加(厚),锯,局(⽤)K:(真)空,卡(普隆),控制,铠装,空⼼。
阻燃或耐火电线电缆的型号表示法(引自DBJ08-93-2002)
1. 型号组成
阻燃或耐火电线电缆的型号由燃烧特性和电缆型号两部分组成:
结构特征材料电缆型号用途燃烧特性
2. 燃烧特性代号
代号按无卤、低烟、阻燃、耐火顺序排列。
名称代号阻燃A级ZA 阻燃B级ZB 阻燃C级ZC 阻燃D级ZD 耐火N 无卤低烟WD
3. 电缆型号由用途、材料和结构特征组成
a. 用途代号名称代号电力省略控制K 布线B 数字传输HS
b. 材料代号名称代号铜导体省略聚氯乙稀绝缘V 交联聚乙烯绝缘YJ
聚氯乙稀护套V 聚稀烃护套Y 铜护套T
c. 结构特征名称代号重载Z 轻载Q
d. 举例a) 聚氯乙稀绝缘、聚氯乙稀护套A级阻燃电力电缆的型号为:ZA-VV。
b) 交联聚乙稀绝缘、聚氯乙稀护套A级阻燃电力电缆的型号为:ZA-YJV
c) 交联聚乙稀绝缘、聚氯乙稀护套B级阻燃耐火电力电缆的型号为:ZBN-YJV
d) 交联聚乙稀绝缘、聚稀烃护套无卤低烟A级阻燃电力电缆的型号为:WDZA-YJY
e) 交联聚乙稀绝缘、聚稀烃护套无卤低烟B级阻燃耐火电力电缆的型号为:WDZBN-YJY
f) 交联聚乙稀绝缘、聚烯烃护套无卤低烟C级阻燃控制电缆的型号为:WDZC-KYJY
g) 交联聚乙稀绝缘无卤低烟C级阻燃布电线的型号为:WDZC-BYJ
h) 矿物绝缘重载电缆的型号为:BTTZ
产品型号名称主要用途
VV VLV铜芯(铝芯)阻燃型聚氯用于固定敷设的阻
乙烯绝缘聚氯乙烯护套电力电缆燃场所
YJV YJLV 铜芯(铝芯)阻燃型交联用于固定敷设的阻
聚乙烯绝缘聚氯乙烯护套电力电缆燃场所
VV22VLV22 铜芯(铝芯)阻燃型聚氯用于承受较大机械
乙烯绝缘钢带铠装聚氯乙外力固定敷设的阻
烯护套电力电缆燃场所
YJV22 YJLV22 铜芯(铝芯)阻燃型交用于承受较大机械
联聚乙烯绝缘钢带铠装外力固定敷设的阻
聚氯乙烯护套电力电缆燃场所
VV32VLV32 铜芯(铝芯)阻燃型聚用于承受较大机械
氯乙烯绝缘细钢丝铠装外力抗拉强度较高
聚氯乙烯护套电力电缆的固定敷设的阻燃
场所
YJV32 YJLV32 铜芯(铝芯)阻燃型交用于承受较大机械
联聚乙烯绝缘细钢丝铠外力抗拉强度较高
装聚氯乙烯护套电力电缆的固定敷设的阻燃场所
VV42VV42 铜芯(铝芯)阻燃型聚用于承受较大机械
氯乙烯绝缘粗钢丝铠装外力抗拉强度较高
聚氯乙烯护套电力电缆的固定敷设的阻燃场所
YJV42YJV42 铜芯(铝芯)阻燃型交用于承受较大机械
联聚乙烯绝缘粗钢丝铠外力抗拉强度较高
装聚氯乙烯护套电力电缆的固定敷设的阻燃
场所。