工期定额
- 格式:xls
- 大小:585.50 KB
- 文档页数:8
下面是我计算的某实际工程的定额工期,不知道是不是算对了?计算依据:建设部2000年2月16日颁布施行的《全国统一建筑安装工程工期定额》。
一、本工程工期计算及依据根据第一章单项工程说明条款,总工期为±0.000以下工期与±0.000以上之和,再根据有关条款另行增加附加工期。
1、±0.000以上工期定额第一章单项工程说明第八条的第7条中规定:“单项工程±0.000以上层数不同,有变形缝时,先按不同层数各自的面积查出相应工期,再以其中一个最大工期为基数,另加其他部分工期的25%计算。
”本工程±0.000以上按变形缝共分为A、B、C、D四个区。
A区连裙房共29层,40389m2,先套用综合楼工程的现浇框架结构编号1-771,24层以下,35000 m2以外,Ⅰ类地区,工期为840天。
根据定额总说明第十条的第3条规定:“单项(位)工程层数超出本定额时,工期可按定额中最高相邻层数的工期差值增加。
”A区为29层,比24层高出5层。
定额综合楼工程的现浇框架结构,编号1-766,22层以下,30000 m2以外的Ⅰ类地区的工期为760天。
编号1-761,20层以下,30000 m2以外的Ⅰ类地区的工期为720天。
22层与20层建筑面积相同,相差2层,工期天数相差40天,则主体高出5层的工期天数为:40/2×5=100天,故A区工期应为840+100=940天。
B区连裙房共29层,37864m2,工期同A区,亦为940天。
C区连裙房共5层,7000m2,套用定额综合楼工程的现浇框架结构,编号1-725,6层以下,7000m2以内的Ⅰ类地区的工期为275天。
D区连裙房共25层,39745m2,先套用综合楼工程的现浇框架结构编号1-771,24层以下,35000m2以外,Ⅰ类地区,工期为840天。
定额综合楼工程的现浇框架结构,编号1-766,22层以下,30000m2以外的Ⅰ类地区的工期为760天。
一、编制依据1. 国家及重庆市有关建设工程施工工期的法律法规、政策文件;2. 重庆市建设工程施工实际经验;3. 《重庆市建设工程施工工期定额》编制规范;4. 相关行业标准、规范和标准图集。
二、编制原则1. 科学性:依据实际情况,结合工程特点,确保定额的准确性;2. 实用性:定额应满足施工企业、建设单位、监理单位等各方需求;3. 可比性:定额应与其他地区、行业定额具有可比性;4. 可行性:定额应具有可操作性和可执行性。
三、适用范围《重庆市建设工程施工工期定额》适用于重庆市行政区域内各类建设工程,包括但不限于:1. 房屋建筑;2. 公共建筑;3. 市政工程;4. 市政设施;5. 机电安装工程;6. 道路桥梁工程;7. 隧道工程;8. 水利水电工程;9. 环境保护工程;10. 其他建设工程。
四、工期确定方法1. 定额法:根据工程量、施工工艺、施工环境等因素,参照定额标准确定工期;2. 工序法:根据施工工序的顺序和持续时间确定工期;3. 综合法:结合定额法和工序法,综合考虑各类因素确定工期。
五、工期调整1. 因设计变更、工程量增加等原因导致工期延长时,应按实际发生情况调整工期;2. 因施工质量、安全、环保等原因导致工期延误时,应按相关规定进行处理。
六、工期管理1. 施工单位应按照《重庆市建设工程施工工期定额》要求,合理安排施工进度,确保工程按期完成;2. 建设单位、监理单位应加强对施工工期的监督和管理,确保工期目标的实现。
总之,《重庆市建设工程施工工期定额》是重庆市建设工程施工工期的基本依据,对于确保工程质量和进度具有重要意义。
在实际施工过程中,各方应严格按照定额要求,加强工期管理,确保工程顺利进行。
建筑工程工期定额建筑工程工期定额是指根据工程特点及施工经验,对各种工程项目在规定条件下所需要的施工时间进行估算和制订的标准。
它是指导施工进度的重要依据,对于保障工程质量、控制工程进度具有重要意义。
下面将从工期定额的定义、制定过程以及应用等方面进行论述。
一、工期定额的定义工期定额是根据施工经验、实际情况以及工程特点,对各项施工工序的时间进行把握和预估,制定的施工时间的计划标准。
它不仅涉及到施工工序的时间规划,还包括一些常规性的施工准备工作,如调拨材料、设备和人力、调整施工节奏等。
工期定额具有科学性和规范性,是施工进度管理的依据。
二、工期定额的制定过程工期定额的制定过程需要根据具体的工程项目进行,一般分为以下几个步骤:1. 调研与分析:在确定工程项目之后,需要对工程目标进行详细的调研和分析。
包括对工程项目的规模、地理环境、材料设备等方面进行综合考虑。
只有充分了解工程项目的具体情况,才能制定出准确的工期定额。
2. 经验总结与比较:根据之前类似的工程项目,通过总结经验和比较,获取施工工序所需的时间数据。
这个过程需要结合实际情况进行综合判断,考虑因素包括工程规模、人力、材料供应等。
3. 计算与评估:根据经验数据和工程特点,进行时间计算和评估。
这个阶段需要根据实际情况进行调整和修正,以保证制定的工期定额具有可行性和准确性。
4. 评审与修订:通过内部评审和外部专家的意见,对工期定额进行评审和修订。
这个过程是确保工期定额的可行性和合理性的保证。
三、工期定额的应用工期定额在建筑工程项目中的应用范围广泛,不仅对工程的进度控制起到重要作用,也对质量控制提供了依据。
下面分别从进度控制和质量控制两个方面进行论述。
1. 进度控制:工期定额的制定使得施工方可以根据预先制定好的工期计划进行施工。
可以根据工期定额对施工进度进行监控,确保施工按计划进行。
同时,如果发现进度滞后,也可以根据工期定额进行调整,以保证整个施工过程的顺利进行。
武汉市建设工程施工工期定额武汉市建设工程施工工期定额1. 引言武汉市建设工程施工工期定额是为了规范建设工程施工过程中的工期管理,提高工程施工的效率和质量而制定的。
本详细列出了武汉市建设工程施工工期定额的各个方面,包括施工工期的计算方法、工期控制的原则和措施等。
2. 施工工期计算方法2.1 工程项目划分将建设工程项目根据不同的工程类别和规模进行划分,以便进行工期计算和管理。
2.2 分步法计算工期根据工程项目的实际情况,采用分步法计算工期,即将工程项目分为不同的施工阶段,并分别计算每一个阶段的工期。
2.3 工期延误预测通过对建设工程项目进行分析和评估,预测可能存在的工期延误因素,并在工期计算中进行合理考虑。
3. 工期控制原则3.1 合理安排施工进度根据工程项目的设计和施工条件,合理安排施工进度,保证工程施工的顺利进行。
3.2 提前预留工期考虑到可能存在的不可控因素,需要提前预留一定的工期,以应对突发情况和工程变更。
3.3 工期监督和检查建立完善的工期监督和检查机制,对施工过程进行实时监控,及时发现和处理工期延误问题。
4. 工期控制措施4.1 资源调配合理调配施工所需的人力、物力和财力资源,保证施工进度的顺利推进。
4.2 进度计划管理制定详细的施工进度计划,并根据实际情况进行调整和优化,实现工期的控制和管理。
4.3 风险管理对可能影响工期的风险进行评估和管理,提前采取相应的措施,防范和应对潜在的工期延误风险。
5. 附件本所涉及的附件如下:附件一:武汉市建设工程施工工期计算表附件二:武汉市建设工程施工进度计划表附件三:相关法律法规6. 法律名词及注释本所涉及的法律名词及注释如下:法律名词一:《中华人民共和国建设工程法》- 该法规定了建设工程施工的相关法律责任和管理要求。
法律名词二:《建设工程施工管理条例》- 该条例详细规定了建设工程施工的各个环节的管理要求和程序。
序号类别定额编号层数或名称建筑面积或规格结构类型(装修标准)1类1工业建筑单层厂房(一类)3-11500以内混合结构90 2工业建筑单层厂房(一类)3-215000以内预制门架结构205 3工业建筑单层厂房(一类)3-317000以内预制门架结构225 4工业建筑单层厂房(一类)3-417000以外预制门架结构250 5工业建筑单层厂房(一类)3-511000以内预制排架结构180 6工业建筑单层厂房(一类)3-612000以内预制排架结构195 7工业建筑单层厂房(一类)3-713000以内预制排架结构210 8工业建筑单层厂房(一类)3-815000以内预制排架结构230 9工业建筑单层厂房(一类)3-917000以内预制排架结构250 10工业建筑单层厂房(一类)3-10110000以内预制排架结构270 11工业建筑单层厂房(一类)3-11115000以内预制排架结构295 12工业建筑单层厂房(一类)3-1211000以内混合结构100 13工业建筑单层厂房(一类)3-13120000以内预制排架结构325 14工业建筑单层厂房(一类)3-14125000以内预制排架结构355 15工业建筑单层厂房(一类)3-15125000以外预制排架结构390 16工业建筑单层厂房(一类)3-1611000以内现浇框架结构215 17工业建筑单层厂房(一类)3-1712000以内现浇框架结构230 18工业建筑单层厂房(一类)3-1813000以内现浇框架结构245 19工业建筑单层厂房(一类)3-1915000以内现浇框架结构265 20工业建筑单层厂房(一类)3-2017000以内现浇框架结构285 21工业建筑单层厂房(一类)3-21110000以内现浇框架结构310 22工业建筑单层厂房(一类)3-22115000以内现浇框架结构335 23工业建筑单层厂房(一类)3-2312000以内混合结构115 24工业建筑单层厂房(一类)3-24120000以内现浇框架结构360 25工业建筑单层厂房(一类)3-25125000以内现浇框架结构390 26工业建筑单层厂房(一类)3-26130000以内现浇框架结构420 27工业建筑单层厂房(一类)3-27130000以外现浇框架结构455 28工业建筑单层厂房(一类)3-2813000以内混合结构130 29工业建筑单层厂房(一类)3-2915000以内混合结构155 30工业建筑单层厂房(一类)3-3015000以外混合结构185 31工业建筑单层厂房(一类)3-3111000以内预制门架结构155 32工业建筑单层厂房(一类)3-3212000以内预制门架结构170 33工业建筑单层厂房(一类)3-3313000以内预制门架结构1852类3类100115 215235 235255 260280 190210 205225 220240 240260 260280 280300 305325 110125 335355 365385 400420 230255 245270 260285 280305 300330 325355 350380 125140 375405 405435 435465 470500 140155 165180 195210 165185 180200 195215。
工期定额和工期计算第一节概述一、工期定额的编制工期定额是指在一定的经济和社会条件下,在一定时期内由建设行政主管部门制定并发布的工程项目建设消耗时间标准。
工期定额具有一定的法规性,对确定具体工程项目的工期具有指导意义,体现了合理建设工期,反映了一定时期国家、地区或部门不同建设项目的建设和管理水平。
工程工期同工程造价、工程质量一起被视为工程项目管理的三大目标。
工期是影响发承包价格的主要因素之一,为此,城乡建设环境保护部于1985年颁发了《建筑安装工程工期定额》,对加强建筑企业的生产经营管理、缩短施工工期、提高经济效益等方面,起到了积极的作用。
近年来,随着科学技术的不断进步、管理水平的提高,建设部组织有关方面进行了修订。
于2000年2月颁发“关于发布《全国统一建筑安装工程工期定额》的通知”(建标[2000]38号)(以下简称工期定额),自2000年2月16日起施行。
(一)编制依据1.国家有关法律、法规及工时制实施办法。
2.原城乡建设环境保护部1985年发布的《建筑安装工程工期定额》。
3.建设部关于修编工期定额的文件:建标11998]10号文件《关于修订建安工程工期定额的通知》。
4.现行建筑安装工程劳动定额、基础定额。
5.现行建筑安装工程设计标准、施工验收规范、安装操作规程、质量评定标准。
6.已完工程合同工期、实际工期等调研资料。
7.部分省、自治区、直辖市修订工期定额的调研、测算资料。
8.其他有关资料(二)编制原则工期定额的编制遵循以下原则:1.工期定额的修订从有利于国家宏观调控,有利于市场竞争以及当前工程设计、施工和管理的实际出发,既要坚持定额水平的合理性,又要考虑各地区自然条件等差异对工期的影响。
2.地区类别划分的原则由于我国幅员辽阔,各地自然条件差别较大,同类型工程在不同地区的实物工程量和所采用的建筑机械设备存在差异,所需的施工工期也就不同。
为此,工期定额按各省省会所在地近十年的平均气温和最低气温,将全国划分为1、2、3类地区。
工程定额工期制度一、总则1. 本制度旨在明确工程项目的工期管理要求,确保工程按期完成,提高工程效率,保障工程质量。
2. 本制度适用于所有参与本工程项目的建设、设计、施工、监理及相关管理和服务人员。
3. 工程定额工期是指在正常施工条件下,完成规定工程量所需的标准时间。
二、工期定额的制定1. 工期定额应根据国家相关标准、规范及实际工程特点,结合历史数据和先进经验进行制定。
2. 工期定额应考虑工程的复杂性、技术难度、施工条件、材料供应等因素。
3. 工期定额应由专业人员编制,经项目管理团队审核,最终由项目负责人批准实施。
三、工期管理责任1. 项目负责人对工程的整体工期负责,确保工程按照既定的工期定额顺利推进。
2. 施工单位应按照工期定额组织施工,合理安排人力资源和机械使用,避免无故延误工期。
3. 监理单位应对施工进度进行监督,确保施工单位遵守工期定额要求。
4. 设计单位应及时提供必要的设计文件和技术支持,以免影响工程进度。
四、工期调整1. 因不可抗力或重大设计变更等原因导致无法按原定工期完成时,应及时提出工期调整申请。
2. 工期调整应详细说明调整原因、调整内容及新的工期计划。
3. 工期调整需经过项目管理团队评审,并报项目负责人批准后方可执行。
五、工期考核与奖惩1. 对于按期或提前完成工程任务的单位和个人,应给予表彰和奖励。
2. 对于因管理不善、技术不足或其他主观原因导致工期延误的单位和个人,应进行责任追究,并根据情节轻重给予相应的处罚。
六、附则1. 本制度自发布之日起生效,由项目管理办公室负责解释。
2. 本制度如有更新,将及时通知各相关单位和人员。
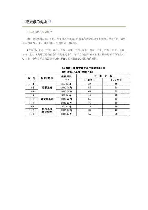
工期定额的构成[1]1)工期按地区类别划分由于我国幅员辽阔,各地自然条件差别较大,同类工程的建筑设备和实物工程量不同,故将全国划分为I、Ⅱ、Ⅲ类地区,分别制定工期定额。
I类地区:上海、江苏、浙江、安徽、福建、江西、湖北、湖南、广东、广西、四JII、贵州、云南、重庆。
I类地区是指省会所在地最近十年,年平均气温在15℃以上,最冷月份平均气温O。
C以上,全年日平均气温等于(或小于)5℃的天数在90天以内的地区。
Ⅱ类地区:北京、天津、河北、山西、山东、河南、陕西、甘肃、宁夏。
Ⅱ类地区是指省会所在地最近十年,年平均气温在8~15。
C,最冷月平均气温在一lo~o℃之间,全年日平均气温等于(或小于)5℃的天数在90~150天之间的地区。
Ⅲ类地区:内蒙、辽宁、吉林、黑龙江、西藏、青海、新疆。
Ⅲ类地区是指省会所在地最近十年,年平均气温在8℃以下,最冷月平均气温在一10℃以下,全年日平均气温等于(或小于)5℃的天数在150天以上的地区。
同一省、自治区内由于自然条件悬殊,各省、自治区建设行政主管部门可按上述原则,确定本省、自治区内的地区类别,并报经建设部批准,允许分别实行两种地区类别的工期定额。
2)定额项目的划分(1)单项工程按建筑物用途、结构类型、建筑面积、层数划分等划分;(2)专业工程按专业施工项目、用途、安装设备的规格、能力、工程量等划分。
[编辑]工期定额的有关规定[1](1)地基与基础处理。
基础施工较为复杂,工期定额将土0.00以下工程及有无地下室情况作了专门考虑。
在施工中遇有不可预见的障碍物、古墓、文物等需要处理,经承发包双方协商,可按实际处理,顺延工期。
(2)气候方面。
定额按各地的气温差异划分I、Ⅱ、Ⅲ类地区,应按工程所在地确定地区类别使用定额。
施工技术规范或设计要求冬季不能施工而造成工程主导工序连续停工的,经承发包双方确认,可顺延工期。
(3)自然灾害。
对不可抗拒的自然灾害造成工程停工,经承发包双方确认,可以顺延工期。
建设工程合同工期定额是指在正常施工条件下,完成一定规模、一定复杂程度的建设工程所需时间的标准。
它是建设单位确定工期目标、招标工期的依据,也是签订工程施工合同、调解处理施工工期纠纷的依据,同时也作为投标人编制施工组织设计、确定投标工期、安排施工进度的参考。
一、工期定额的编制原则1. 科学性原则:工期定额的编制应充分运用现代科学技术和管理方法,充分考虑施工过程中的各种因素,确保定额的准确性和实用性。
2. 实用性原则:工期定额应具有广泛的应用性,既能满足大型工程的需要,也能适应小型工程的要求。
3. 合理性原则:工期定额的编制应充分考虑施工过程中的合理性,确保工期的合理性和可行性。
4. 灵活性原则:工期定额应具有一定的灵活性,以适应不同地区、不同工程的特点和需求。
二、工期定额的编制方法1. 数据收集:通过对同类工程的历史施工数据进行收集和整理,分析施工过程中的各种因素,为工期定额的编制提供数据支持。
2. 统计分析:对收集到的数据进行统计分析,找出施工过程中的规律性和特点,为工期定额的编制提供依据。
3. 经验总结:结合同类工程的施工经验,总结出施工过程中的关键环节和控制点,为工期定额的编制提供参考。
4. 制定工期定额:根据数据收集、统计分析和经验总结,制定出各类工程的工期定额。
5. 审核修订:对制定的工期定额进行审核和修订,确保工期定额的准确性和实用性。
三、工期定额的应用1. 工期目标的确定:建设单位根据工期定额,结合工程的特点和需求,确定合理的工期目标。
2. 招标工期的确定:建设单位根据工期定额,确定招标工期,确保工程在规定的时间内完成。
3. 工程施工合同的签订:双方根据工期定额,确定合同工期,作为工程施工合同的重要内容。
4. 工期纠纷的处理:在工程施工过程中,如发生工期纠纷,双方可依据工期定额进行调解和处理。
5. 施工组织设计的编制:投标人根据工期定额,编制施工组织设计,确定投标工期和施工进度。
四、工期定额的优点1. 提高工程建设的效率:工期定额为工程建设提供了明确的时间标准,有助于提高工程建设的效率。
建筑工程施工工期定额一、定额工期的意义定额工期对于建筑工程的施工管理具有重要作用,它具有以下几点意义:1、规范施工进度:定额工期规定了工程应该在什么时间内完成,有利于施工单位和监理单位控制施工进度,确保工程按时完工。
2、保证工程质量:定额工期有利于施工单位安排合理的施工计划,避免施工加班和超时施工,从而保证工程质量。
3、保障工程安全:定额工期可以合理安排施工工序和施工方法,避免施工过程中发生事故,保障工人的安全。
4、节约成本:合理的定额工期可以避免施工单位的人力、物力、时间资源的浪费,从而降低施工成本。
二、定额工期的制定定额工期的制定需要结合实际的建筑工程情况,一般包括以下几个步骤:1、确定工程的施工内容和施工方法:首先要明确工程的具体施工内容和施工方法,包括施工工序、施工标准、施工材料等方面的要求。
2、分析施工条件:根据工程的具体情况,包括地理环境、气候条件、人力资源等方面的情况进行分析,确定工程施工的基本条件。
3、编制施工计划:根据工程的具体情况,编制合理的施工计划,包括施工工序、施工时间、资源需求等内容。
4、确定定额工期:根据施工计划和施工条件,确定合理的定额工期,并进行审核和确认。
5、监控实施:施工单位在实施过程中要严格按照定额工期进行施工管理,及时调整施工计划,确保工程按时完工。
三、定额工期的管理定额工期的管理是建筑工程施工管理中非常重要的一环,要做好定额工期管理需要注意以下几个方面:1、建立健全的管理体系:建立定额工期管理的组织架构和管理体系,明确各级管理人员的职责和权限。
2、加强监督检查:加强对施工单位的监督检查,确保施工单位按照定额工期进行施工管理。
3、及时沟通协调:及时与施工单位进行沟通协调,解决施工中可能出现的问题,保证施工进度。
4、做好记录和归档:及时记录施工工程的施工情况和进度,并做好归档,方便后续查阅。
5、总结经验教训:定期总结施工中的经验教训,完善施工管理工作,提高工期管理水平。
工期定额(2000)
工期定额是指在建设项目中,按照不同工程项目的特点和施工技术要求,制定出来的
反映工程建设全过程各项施工工作所需时间的一种定量指标。
通俗的说,工期定额就是对
整个工程建设的时间进行规划和分配,统筹各个施工工序的时间,进而保证项目能够按时、按质、按量地完成。
工期定额通常分为人天工时和工期天数两种,它们是建设项目中时间
管理的重要依据和基础。
在建设项目中,工期定额的制定和应用对工程建设的安全、质量和效益都有着重要的
作用。
首先,工期定额可以有效地控制工程建设的时间进度,合理安排施工工作,降低工
程建设成本和风险。
其次,工期定额可以帮助工程管理者更好地监督施工现场,协调各个
工程项目之间的关系,避免工作交叉和失误,从而提高工程质量和效率。
最后,工期定额
还可以对施工人员进行考核和激励,促进他们的工作积极性和责任心,提高团队合作效
率。
工期定额的编制需要考虑到多种因素,如工程项目的类型、工艺流程、材料设备、施
工环境和现场条件等。
同时,还需要对施工组织、安全生产、质量控制、维护保养和验收
等方面进行全面的规划和安排。
因此,在编制工期定额时,需要利用现代科技手段,如计
算机辅助设计、建模仿真等,提高规划的科学性和可靠性。
总的来说,工期定额是建设项目中不可或缺的管理工具,它对工程建设的安全、质量
和效益有着重要的作用。
在今后的建设项目中,我们需要进一步优化和完善工期定额的制
定和应用,推动建设项目的可持续发展和进步。
(建筑工程管理)建筑安装工程工期定额建筑安装工程工期定额总说明一、《建筑安装工程工期定额》(以下简称本定额)是在2000年《全国统一建筑安装工程工期定额》和《建筑工程建筑面积计算规范》(GB/T50353-2013)基础上,依据国家现行产品标准、设计规范、施工及验收规范、质量评定标准和技术、安全操作规程,按照正常施工条件、常用施工方法、合理劳动组织及平均施工技术装备程度和管理水平,并结合我国目前建设工程施工的实际情况编制的。
二、本定额适用于中华人民共和国行政区域(不含港澳台地区)内建筑安装工程的新建、扩建和改建。
三、本定额是编制建设工程施工招标文件、签订工程施工合同、合理确定工期、调解处理工期纠纷的依据;是施工企业编制施工组织设计、确定投标工期、安排施工进度、办理工期索赔的参考依据。
四、本定额共分四部分。
五、本定额工期以日历天为单位。
本定额工期,是指自开工通知中载明的开工日期起,完成各章、节所包含的全部工程内容,至竣工之日的日历天数(包括法定节假日)。
六、工程竣工日期的确定原则:(一)建设工程经竣工验收合格的,承包人提交竣工验收报告之日为竣工日期;(二)建设工程未经竣工验收,发包人擅自使用的,发包人擅自使用建设工程之日为竣工日期。
(三)发承包双方按合同完整履约。
七、本定额工期不包括施工准备(如三通一平、地面地下障碍物处理)和竣工文件编制所需的时间。
本定额工期,不包括打试验桩和基础施工前的降水时间。
建筑安装工程工期不包括室外工程和园林绿化工程。
市政工程和室外工程、庭院、园林绿化工程执行相应定额。
八、本定额工期综合考虑了冬季施工、雨季施工、一般气候影响、常规土质和节假日等因素,并结合常规设计、施工规范、技术操作规程等综合因素确定的。
经现场监理确认,冬季和雨季引起的停工超过定额工期1%以上的,工期应相应增加。
九、本定额工期已综合考虑预拌混凝土和现场搅拌混凝土、预拌砂浆和现场搅拌砂浆的施工因素,使用时不得调整。
国家工期定额文稿归稿存档编号:[KKUY-KKIO69-OTM243-OLUI129-G00I-FDQS58-全国统一建筑安装工程工期定额总说明一、《全国统一建筑安装工程工期定额》(以下简称“本定额”)是在原城乡建设环境保护部1985年制定的《建筑安装工程工期定额》基础上,依据国家建筑安装工程质量检验评定标准、、施工及验收规范等有关规定,按正常施工条件、合理的劳动组织,以施工企业技术装备和管理的平均水平为基础,结合各地区工期定额执行情况,在广泛调查研究的基础上修编而成。
二、本定额是编制招标文件的依据,是签定建筑安装工程施工合同、确定合理工期及施工索赔的基础,也是施工企业编制施工组织设计、确定投标工期、安排施工进度的参考。
三、由于我国幅员辽阔,各地气候条件差别较大,故将全国划分为Ⅰ、Ⅱ、Ⅲ类地区,分别制定工期定额。
I类地区:上海、江苏、浙江、安徽、福建、江西、湖北、湖南、广东、广西、四ill、贵州、云南、重庆、海南。
Ⅱ类地区:北京、天津、河北、山西、山东、河南、陕西、甘肃、宁夏。
Ⅲ类地区:内蒙、辽宁、吉林、黑龙江、西藏、青海、新疆。
同一省、自治区内由于气候条件不同,也可按工期定额地区类别划分原则,由省、自治区建设行政主管部门在本区域内再划分类区,报建设部批准后执行。
设备安装和机械施工工程不分地区类别,执行统一的工期定额。
四、本定额是按各类地区情况综合考虑的,由于各地施工条件不同,允许各地有15%以内的定额水平调整幅度,各省、自治区、直辖市建设行政主管部门可按上述规定,制定实施细则,报建设部备案。
五、单项工程工期是指单项工程从基础破土开工(或原桩位打基础桩)起至完成建筑安装工程施工全部内容,并达到国家验收标准之日止的全过程所需的日历天数。
六、本定额工期以日历天数为单位。
对不可抗力的因素造成工程停工,经承发包双方确认,可顺延工期。
七、因重大设计变更或发包方原因造成停工,经承发包双方确认后,可顺延工期。
全国市政工程施工工期定额是指在市政工程建设中,根据各类工程的特点和施工条件,制定出的标准施工工期。
工期定额的制定有助于加强市政工程建设管理,科学地制定工资和考核工期,保证甲乙双方的权益。
本文将详细介绍全国市政工程施工工期定额的相关内容。
一、工期定额的分类全国市政工程施工工期定额分为三类:市政工程、公用管道工程和市政公用厂、站工程。
1. 市政工程:包括道路、桥梁、排水管道、泵站和驳岸五类工程。
2. 公用管道工程:包括给水、热力、燃气、电信和电力五类工程。
3. 市政公用厂、站工程:包括给水、污水、燃气和热力四类工程。
二、工期定额的制定依据工期定额的制定依据主要包括以下几个方面:1. 工程项目的特点:根据不同工程项目的特点,制定相应的工期定额。
例如,道路工程与桥梁工程的施工周期有所不同,因此制定的工期定额也有所区别。
2. 施工条件:考虑施工现场的地质、气候、交通等因素,制定合理的工期定额。
例如,在地质条件复杂的地区,施工周期可能会相应延长。
3. 施工工艺:根据不同的施工工艺,制定相应的工期定额。
例如,采用新技术、新工艺的工程,施工周期可能会缩短。
4. 劳动力、材料、设备等资源供应情况:充分考虑劳动力、材料、设备等资源的供应情况,确保工期定额的合理性。
三、工期定额的应用在市政工程建设中,工期定额的应用具有重要意义。
1. 确定合同工期:在签订承发包合同时,应以工期定额的工期为基础,确定合同工期。
这有助于保证甲乙双方的权益,避免因工期纠纷引发的法律风险。
2. 编制可行性研究报告、设计任务书、初步设计和编制标书:在项目前期阶段,应以工期定额为依据,合理预测项目的施工周期,为项目决策提供依据。
3. 施工进度管理:施工过程中,应以工期定额为标准,加强对施工进度的监控和管理,确保工程按时完成。
4. 工程验收与结算:工程验收时,以工期定额为依据,对施工周期进行评估。
在工程结算时,工期定额也可作为计算人工、材料、设备等成本的依据。
工程施工工期定额是指在正常施工条件下,完成一定数量的施工内容所需的时间。
工期定额是施工组织设计的重要依据,对于保证工程质量、安全和进度具有重要作用。
本文将从工期定额的定义、作用、制定原则以及应用等方面进行详细阐述。
一、工期定额的定义工期定额是指在正常施工条件下,完成一定数量的施工内容所需的时间。
它是一种技术经济指标,反映了施工过程中各种因素的综合效果。
工期定额包括单位工程工期定额、分部分项工程工期定额和施工过程工期定额等。
二、工期定额的作用1. 科学合理地安排施工进度:工期定额为施工单位提供了完成施工任务的合理时间,有助于施工单位科学合理安排施工进度,确保工程按时完成。
2. 提高施工效率:工期定额明确了施工任务的时间要求,有助于施工单位提高施工效率,优化资源配置,降低施工成本。
3. 保证工程质量:工期定额保证了施工过程中有足够的时间进行质量控制,有助于提高工程质量。
4. 确保施工安全:工期定额考虑了施工过程中的安全因素,有助于施工单位加强安全管理,减少安全事故的发生。
5. 有利于工程索赔:工期定额为施工单位提供了工程延期的依据,有利于施工单位在工程延期时进行索赔。
三、工期定额的制定原则1. 科学性:工期定额的制定应基于大量的施工数据和经验,确保其科学性和准确性。
2. 实用性:工期定额应具有较强的实用性,能够满足各类工程的施工需求。
3. 稳定性:工期定额应具有一定的稳定性,避免频繁调整。
4. 灵活性:工期定额应具有一定的灵活性,以便根据不同工程的实际情况进行调整。
四、工期定额的应用1. 施工组织设计:施工单位在编制施工组织设计时,应依据工期定额合理安排施工进度,确保工程按时完成。
2. 工程招标:招标单位在制定招标文件时,应参考工期定额确定工程工期,作为合同约定的依据。
3. 工程施工:施工单位在施工过程中,应严格按照工期定额进行施工,确保工程进度。
4. 工程监理:监理单位应依据工期定额对施工进度进行监督,确保工程按计划进行。