职工(新工人)安全教育登记表(模版)
- 格式:xls
- 大小:20.50 KB
- 文档页数:2
新工人入场三级安全教育登记表第一节个人基本信息登记
1. 姓名:
2. 性别:
3. 年龄:
4. 学历:
5. 工作经验:
6. 职务:
7. 联系方式:
第二节安全教育记录
1. 工地或单位名称:
2. 工地或单位地址:
3. 教育日期:
4. 教育地点:
5. 教育方式:
6. 教育内容:
第三节安全知识学习情况
1. 安全生产法律法规学习情况:
2. 安全操作规程学习情况:
3. 应急预案学习情况:
4. 安全警示标志学习情况:
5. 安全防护用品学习情况:
第四节安全意识培养情况
1. 安全风险感知情况:
2. 安全责任意识培养情况:
3. 安全行为规范培养情况:
第五节安全操作技能培训情况
1. 工作操作技能培训情况:
2. 使用安全工具及设备培训情况:
3. 高空作业技能培训情况:
4. 电气安全操作培训情况:
5. 灭火器使用培训情况:
第六节安全意识与技能考核情况
1. 安全知识考核成绩:
2. 安全意识培养成效评估:
3. 安全操作技能考核成绩:
第七节教育记录审核
1. 教育记录审核人员:
2. 审核日期:
第八节签名
新工人签名:日期:教育记录审核人员签名:日期:。
新工人三级安全教育记录卡范本一、工人基本信息:姓名:性别:年龄:职务:入职时间:二、培训内容:1. 安全意识教育:1.1 安全意识的重要性安全意识是每个工人应具备的基本素质,它关乎到我们自身的安全和生命健康。
在工作中,我们要时刻保持警惕,不断提醒自己注意安全,牢记“安全第一”的原则。
1.2 安全风险认识在工作环境中存在各种安全风险,包括高处坠落、电击、火灾等。
我们需要了解这些风险,并采取相应的措施来防范和应对。
1.3 安全操作规范在进行工作时,我们要遵守相关的操作规范,如正确使用工具设备、佩戴个人防护用品、遵循工作程序等。
只有正确操作,才能减少事故的发生。
2. 应急救援培训:2.1 灭火知识火灾是工作中常见的安全事故之一,我们要学会使用灭火器材,了解不同种类火灾的处理方法,如电器火灾、化学品火灾等。
2.2 逃生自救技能当发生紧急情况时,我们要迅速冷静,寻找逃生通道,采取正确的逃生方法,如下降绳的使用、逃生门的打开等。
3. 规章制度宣讲:3.1 公司安全规章制度公司制定了一系列的安全规章制度,我们要了解并遵守,如禁止吸烟、禁止私自更改设备等规定。
3.2 职业道德规范作为一名合格的工人,我们不仅要具备专业技能,还要遵守职业道德规范,如团结协作、诚实守信等。
4. 工作现场安全培训:4.1 工作现场安全隐患在工作现场存在各种安全隐患,我们要认真观察并及时报告,如电线裸露、地面不平整等。
4.2 工作现场安全警示工作现场会设置相应的安全警示标志,我们要了解这些标志的含义,并遵守标志所示的安全要求。
三、培训效果评估:我已经参加了新工人三级安全教育培训,通过学习我对安全意识的重要性有了更深层次的理解,对各种安全风险和操作规范也有了更全面的认识。
我会牢记培训中学到的知识和技能,努力做到严守规章制度、正确操作,保障自身安全,并能及时报告和处理工作现场的安全隐患。
签名:日期:新工人三级安全教育记录卡范本(二)一、个人信息姓名:性别:出生日期:入职日期:所在部门:职位:联系电话:二、培训信息3级安全教育日期:培训地点:培训主题:安全意识和基本知识三、培训内容记录(1)安全意识培训内容:1. 工作安全意识的重要性和必要性;2. 岗位职责和工作流程;3. 工作中可能遇到的安全风险和事故;4. 安全操作规程和标准;5. 工作中应遵守的安全规定;6. 各类安全防护用品的正确使用方法。
新工作人员入场三级安全教育表格(含教
育内容记录)
一、教育内容记录
1. 基本安全知识教育
- 目的:确保新工作人员了解基本的安全知识,并掌握相关规定和要求。
- 内容:包括但不限于安全意识培养、员工责任与义务、应急预案、安全防范等。
2. 工作场所安全教育
- 目的:使新工作人员了解工作场所中的各种安全风险和事故预防措施,提高对工作环境的安全意识。
- 内容:包括但不限于办公区域安全、电器设备使用安全、防火安全、紧急情况应对等。
3. 职业卫生安全教育
- 目的:帮助新工作人员了解职业卫生的重要性,有效预防和减轻职业病以及其他与工作相关的健康问题。
- 内容:包括但不限于职业病防护、劳动卫生法规、个人防护用品使用等。
二、表格填写说明
请按下方表格填写新工作人员的教育情况,并记录教育内容和培训日期:
请填写完成后交由人力资源部进行归档,以备查阅和审核。
新工人入场三级安全教育登记表模版一、基本信息登记部分1.工人姓名:2.性别:3.年龄:4.联系电话:5.身份证号码:6.所属单位/工地:7.工种:8.入场日期:9.紧急联系人:10.紧急联系电话:二、教育内容部分1.安全生产法律法规知识:工人对安全生产法律法规的掌握情况(包括劳动合同法、安全生产法、建筑法等):2.安全生产基本知识:工人掌握的安全生产基本知识(包括防护用品的使用、紧急疏散逃生等):3.危险源与风险防控:工人了解的各类危险源和相应的风险防控措施(包括高处作业、电气安全、机械设备等):4.事故案例分析:工人对事故案例的分析情况,以及对该案例的反思和预防措施的思考:5.现场安全操作培训:工人是否接受了现场安全操作培训,包括使用工具、机械设备操作等:6.应急救援知识:工人是否掌握了应急救援知识,包括急救技能、灭火器使用等:7.个人防护用品使用:工人了解个人防护用品的种类、使用方法及时效性检查情况:三、考核部分1.安全考核指标:根据工人所属岗位,制定相应的安全考核指标并进行考核:2.考核评分:根据工人的表现和掌握情况,进行考核评分:3.考核结果:根据考核评分和工人的实际情况,给出相应的考核结果和建议:四、责任追究部分1.违反安全规定情况:如工人曾经有过违反安全规定的情况,请注明具体情况:2.责任追究:根据工人的违规行为,执行相应的责任追究措施:以上是新工人入场三级安全教育登记表的模版,主要包含了基本信息登记、教育内容、考核以及责任追究等方面的内容。
该表格旨在确保新工人对安全生产法律法规和基本知识的掌握,提高工人的安全意识和操作能力,确保工地的安全生产。
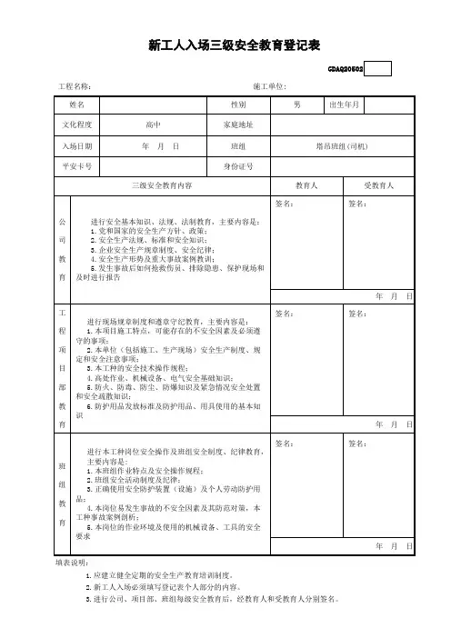
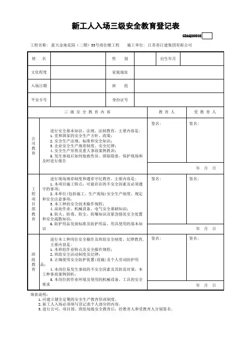
职工三级安全教育记录卡编号:姓名:性别:身份证号码:家庭住址:文化程度:入场时间:年月日单位:工种:(木工□电工□模板工□架子工□砼工□钢筋工□力工□安装工□植筋□1、新工人必须进入公司安全教育。
“新工人”包括:新进公司的合同工、临时工、学习和代培人员,脱岗六个月又重新上岗的职工。
写2、《三级安全教育记录卡》是单人单卡,是对职工进行三级教育的主要原始记录和凭证,是说在发生伤亡事故后分折事故责任的重要资料之一,各有关部门都要按标准要求认真填写明并妥善保管好。
3、本表必须由本人签名,任何人都不得违法代签。
青建集团股份公司海悦城项目部新工人入场安全教育考试题单位:姓名:工种:考试分数:一、填空题(每空3分,合计:72分)1我国安全生产方针是:、、。
2、施工现场“三宝”是指:、、。
“四口”是指:、、、。
3、进入施工现场人员必须正确佩戴、高处作业必须正确使用、施工现场、禁止穿拖鞋和、现场动火必须开、设看火人或采取其他防火措施。
4、开挖槽、坑、沟深度超过米,应根据土质和深度情况按规定放坡或加可靠的支撑,并设置人员上、下坡道或爬梯,爬梯两侧应用密目安全网封闭;当基坑开挖深度超过米时,必须在边沿处设立安全防护栏杆,用密目安全网封闭。
槽、坑、沟边1米范围内不得堆土、料具、停置极具。
5、施工现场分步、分项工程,必须经工长或施工员进行《安全技术交底》、履行签字手续后方可进行正常作业,施工人员必须按照内容进行操作。
6、现场以下的孔洞,用坚实的盖板盖住,有防止挪动、移位的措施;现场1.5X1.5米以上的孔洞,四周设,中间支挂水平安全网。
7、电梯井口必须设高度的金属防护门,电梯井内首层和首层以上每隔水平安全网,安全网应封闭严密。
8、蛙式打夯机必须,操作人员必须和穿绝缘鞋。
二、判断题(在括弧内正确的打√,错误的打×,每题2分,合计28分)1、新入场人员必须经过安全生产三级教育,经过考试合格后,方可上岗作业。
()2、建筑施工从业人员应履行的安全义务教育有:服从管理、遵章守纪、正确佩戴和使用劳动防护用品、接受安全生产教育培训、掌握安全生产技能、发现事故隐患及时报告。
工程名称:创业园D3/D4/D5/D7/D8 厂房宿舍楼受教育工种:钢筋工班组:班组闽建安表(二)---1
工程名称:创业园D3/D4/D5/D7/D8 厂房宿舍楼受教育工种:木工班组:班组闽建安表(二)---1
工程名称:创业园D3/D4/D5/D7/D8 厂房宿舍楼受教育工种:砼工班组:班组闽建安表(二)---1
工程名称:创业园D3/D4/D5/D7/D8 厂房宿舍楼受教育工种:水电工班组:班组闽建安表(二)---1
工程名称:创业园D3/D4/D5/D7/D8 厂房宿舍楼受教育工种:土方工班组:班组闽建安表(二)---1
工程名称:创业园D3/D4/D5/D7/D8 厂房宿舍楼受教育工种:碰焊工班组:班组闽建安表(二)---1
工程名称:创业园D3/D4/D5/D7/D8 厂房宿舍楼受教育工种:架子工班组:班组闽建安表(二)---1
工程名称:创业园D3/D4/D5/D7/D8 厂房宿舍楼受教育工种:钢管架工班组:班组闽建安表(二)---1
工程名称:创业园D3/D4/D5/D7/D8 厂房宿舍楼受教育工种:管理员班组:班组闽建安表(二)---1。
工地工人入场安全教育记录表范文日期:___________________工地名称:___________________工地地址:___________________工程项目:___________________班组名称:___________________工人姓名:___________________工人身份证号码:_________________1. 安全教育内容:a) 工地安全规章制度:- 所有工人必须遵守工地安全规章制度,包括但不限于佩戴安全帽、穿戴安全鞋、使用安全带等。
- 工人不得在工地上饮酒、吸烟或使用任何违禁物品。
- 工人应当遵守作业现场的管制区域,不得擅自进入未授权的区域。
- 工人应当及时上报发现的安全隐患,确保工地的安全。
b) 危险源辨识和控制:- 工人应当熟悉工地上的危险源,如高空作业、电气设备等,并采取相应的控制措施。
- 工人应当确保所有的机械设备和工具都处于正常工作状态,并遵守正确的操作方法。
- 工人应当使用个人防护装备,如安全帽、护眼镜、耳塞等,以减少事故的发生。
c) 紧急疏散和救援演练:- 工人应当熟悉工地上的紧急疏散路线和安全出口,并确保这些路线的畅通。
- 工人应当了解紧急疏散和救援的程序,如火灾报警、灭火操作等。
d) 职业健康防护:- 工人应当定期进行职业健康体检,并遵循预防职业病的措施。
- 工人应当合理安排作息时间,做好身体保健,以保证工作质量和人身安全。
2. 入场安全教育记录:日期工人姓名工人身份证号码工人签字___________________ _________________________________________________________ _________________________________________________________ _________________________________________________________ _________________________________________________________ _________________________________________________________ _________________________________________________________ _________________________________________________________ _________________________________________________________ _________________________________________________________ ______________________________________3. 安全教育验证:本人已阅读以上安全教育内容,并理解其中的内容和要求。
新工人三级安全教育记录卡范本
姓名:性别:入职日期:
部门:岗位:职务:
培训日期:培训地点:培训时长:
一、基本安全常识培训
培训内容:安全生产法律法规、安全生产管理体系、劳动保护法、职业病防治法、安全生产责任制等
培训机构:培训讲师:
培训学时:培训地点:
学习进度:培训成绩:
备注:
二、安全操作规程培训
培训内容:岗位操作规程、用电安全操作规程、危险品管理及防护、作业许可制度等
培训机构:培训讲师:
培训学时:培训地点:
学习进度:培训成绩:
备注:
三、事故案例剖析培训
培训内容:近期发生的事故案例剖析、事故原因分析及防范措施等
培训机构:培训讲师:
培训学时:培训地点:
学习进度:培训成绩:
备注:
四、专业技能培训
培训内容:必要的专业技能培训,如机械设备操作、电工、焊接、安装等
培训机构:培训讲师:
培训学时:培训地点:
学习进度:培训成绩:
备注:
五、安全生产知识培训
培训内容:防火防爆安全知识、用电安全知识、高处作业安全知识、防护用品使用方法等
培训机构:培训讲师:
培训学时:培训地点:
学习进度:培训成绩:
备注:
六、交底
工作岗位的安全技术交底及操作规程讲解等。
交底日期:
交底人:
七、复训
复训日期:复训内容:
复训机构:复训讲师:
复训成绩:学习进度:
备注:
八、安全工作台账
安全事故情况:安全检查情况:安全隐患整改情况:安全生产奖惩:备注:
以上内容由个人填写,确认无误后请签字:
日期:。