供应商HSE表现评价表
- 格式:docx
- 大小:275.14 KB
- 文档页数:3
HSE表现评价指标及对评价指标的统计分析############################# ####年06月01日1、识别方法与分级依据经验和各种相关资料进行分析,利用作业条件风险性评价(LEC法)和矩阵法进行评价。
LEC法是一种常用的定性评价法——评分法,用来评价作业条件的风险性。
风险性以下式表示:D=LEC式中L——发生事故的可能性太小;E——人体暴露在这种风险环境中的频繁程度;C——一旦发生事故会造成的损失后果;D——风险性。
评价方法如下:针对被评价的具体的作业条件,由工程项目部风险评估小组,组织有关人员依据过去的经历、有关的知识,经充分讨论,估定L、E、C的分数值。
然后计算三个指标的乘积,得出风险性分值。
由分数来定义风险等级。
L——发生事故的可能性大小E——人体暴露在这种风险环境中的频繁程度C——发生事故产生的后果D——风险性分值2、风险一览表风险评价一览表危险登记与控制措施a.危险登记与控制措施危险类别:劳保用品或设备防护装置损坏危险识别与描述:如果配置不合格的劳保用品或不按施工作业需要配置劳保用品,员工会面临各种安全、健康损害,有些设备缺少必要的安全保护装置或防护罩发生损坏,都会增加事故发生的危险几率。
另一方面员工对劳保用品的穿戴不够重视或不能正确穿戴使用劳保用品,以及劳保防护用品损坏或丢失等都可能造成身体伤害。
危险包括:因天热等原因不愿穿戴劳保用品而造成被划伤或身体各部位砸伤,因不戴防护手套、眼镜造成手臂、眼睛损伤,以及缺乏安全防护罩、警戒装置和护栏而引起事故.。
危险评估:中度面临频率:频繁,员工每日都面临这种危险,必须加以控制潜在危害:意外的各种突发事件等恶化因素:急救知识缺乏,措施不当,原有疾病等危险控制:(包括减少对危险的面临机会)1)严格按照劳保用品管理有关规定,按时足量发放劳保用品,保证施工中各工中需要。
2)制定严格的检查督促措施,提高防范意识。
3)加强安全教育,增强员工穿戴劳保用品的自觉性4)针对相关的设备、设施、施工作业环境,指导员工正确穿戴劳保用品,正确使用防护设施。
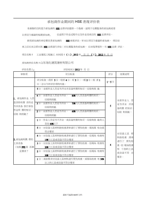
承包商作业期间的HSE 表现评价表本表格的目的是为承包商的 HSE 业绩评估提供一个指南。
适用于长期服务的承包商或者 也适用于作业过程中以及作业结束后的 HSE 业绩评估。
使用承包商的单位要负责承包商的HSE 表现评估。
针对以项目为基础的承包商, 项目结束之后应该立即对其 HSE 业绩进行评估;对长期服务的承包商, 应该每季度作一次 HSE 业绩 评估。
项目名称: 工业建筑工程施工 时间段:(从)_2012年_ 月 日_(至)_2012年 月 日 承包商单位名称:山东海化建筑建材有限公司以项目为基础的短期承包商,评价负责人: 评价时间:2012年 月 日5分:班前会内容全面(包括作业内容、步骤、分工、风险、 控制措施和应急等);清楚并能突出重点;全员参与; 双向沟通5分:被评价时间段现场抽查和谈话发现所有人员清楚相关 作业风险,所有风险控制措施落实到位4分:被评价时间段现场抽查和谈话发现有极个别人员不清 楚相关风险,或有极个别控制措施未落实到位3分:被评价时间段现场抽查和谈话发现有少数人员不清楚 相关风险,或有少数风险控制措施未落实到位2分:被评价时间段现场抽查和谈话发现有部分人员不清楚 相关风险,或有部分风险控制措施未落实到位1分:被评价时间段现场抽查和谈话发现有一半以上人员不 清楚相关风险,或有关键控制措施未落实到位5分:被评价时间段现场抽查发现现场始终保持干净整洁; 工具、设备和材料摆放整齐有序;危险区域被隔离和 /或设置警示;气瓶等被可靠固定;保持安全通道畅 通;孔洞采取了防坠落措施;地面没有油污4分:被评价时间段现场抽查发现极个别情况下不能完全满 足以上要求3分:被评价时间段现场抽查发现少数几次不能完全满足以 上要求2分:被评价时间段现场抽查多次发现不能完全满足以上要 求 1分:被评价时间段现场抽查几乎每次发现不能完全满足以 上要求5分:被评价时间段现场抽查发现所有人员在作业期间工衣 穿戴整齐;戴安全眼镜;安全帽系好帽带;高噪音区 使用听力保护装置; 登高作业正确使用安全带;打磨 等作业正确使用面罩;使用适当的手部保护等4分:被评价时间段现场抽查发现极个别情况下不能完全满 足以上要求3分:被评价时间段现场抽查发现少数几次不能完全满足以 上要求2分:被评价时间段现场抽查多次发现不能完全满足以上要 求 1分:被评价时间段现场抽查几乎每次发现不能完全满足以 上要求3.承包商作业人 员是否能够在班 前会上充分有效 地沟通相关的作 业信息?4分:以上4点中的1点不能完全满足要求 3分:以上4点中的2点不能完全满足要求 2分:以上4点中的3点不能完全满足要求 1分:被评价时间段发现有不召开班前会的现象班前会内容 不全面,个别 风险控制措 施不到位。
目录HSE 文件清单 (4)HSE文件发放审批单 (5)HSE文件发放记录 (6)HSE文件接收记录 (7)HSE文件修改单 (8)HSE文件借阅登记表 (9)HSE文件销毁清单 (10)HSE记录清单 (11)HSE记录查阅登记表 (12)记录销毁清单 (13)培训需求分析表 (14)HSE培训计划 (15)HSE培训记录 (16)HSE培训资格证书记录 (17)HSE培训台帐 (18)安全教育及培训记录 (19)安全会议和信息台帐 (20)安全检查表分析(SCL)记录 (21)工作危害分析(JHA)记录 (22)预先危害分析(PHA)记录 (23)失效模式与影响分析(FMEA)记录 (24)重大及不可容许风险和控制措施清单 (25)HSE目标、指标和管理方案规划表 (26)环境因素检查表 (27)环境因素识别评价表 (28)重大影响环境因素及控制措施清单 (29)隐患整改通知书 (30)隐患整改反馈单 (31)HSE法律法规、标准及其他要求清单 (32)HSE法律法规、标准及其他要求符合性评审记录 (33)承包商HSE管理机制检查清单 (1)承包商HSE资格预审记录 (3)合格承包商名录 (4)承包商施工现场检查记录......................................................................................................... 错误!未定义书签。
供应商HSE资格预审记录......................................................................................................... 错误!未定义书签。
采购物资HSE风险评价表 .................................................................................................... 错误!未定义书签。
(质量认证)HSS表格汇总HSE目标、指标和管理方案规划表年度:目标:总负责:指标:绩效参数:编号:HSE105-B06制表人:审查人:批准人:日期:日期:日期:环境因素检查表编号:HSE106-B01环境因素识别评价表编号:HSE106-B02重大影响环境因素及控制措施清单编号:HSE106-B03隐患整改通知书编号:HSE107-B01隐患整改反馈单编号:HSE107-B02HSE法律法规、标准及其他要求清单编号:HSE108-B01HSE法律法规、标准及其他要求符合性评审记录单位:评审日期:编号:HSE108-B02承包商HSE管理机制检查清单编号:HSE109-B01承包商HSE资格预审记录编号:HSE109-B02合格承包商名录编号:HSE109-B03承包商施工现场检查记录编号:HSE109-B04承包商HSE表现评价记录编号:HSE109-B05评审部门: 记录人: 年月日供应商HSE资格预审记录编号:HSE110-B01预审部门:记录人:年月日采购物资HSE风险评价表编号:HSE110-B02合格供应商名录编号:HSE110-B02编制:批准:日期:供应商HSE表现评价表编号:HSE110-B04评价人:评价时间:技术交底记录编号:HSE112-B01高处作业票编号:HSE112-B02二联由审批人留存,保留三个月。
起重、吊装作业工作票编号:HSE112-B03大件、非常规运输作业票编号:HSE112-B04员保存。
脚手架搭设作业票编号:HSE112-B05安全人员保存。
临时用电票编号:HSE112-B061、本票一式三份,由用电人、供电主管部门、供电执行部门各一份。
2、本票保存期为三个月。
3、用电结束后,第一联由供电执行部门签字后,由用电执行人交供电主管部门。
用火票编号:HSE112-B07注:1、此火票签发按用火规定手续办理。
2、监护人有权随时终止用火,所列措施如没完全落实,用火人可拒绝用火。
河口采油厂年职工HSE培训办班计划编号:HC/HSE—CX01—JL—01·1·HSE培训计划审批表编号:HC/HSE—CX01—JL—02说明:1、此表办班前一周报培训中心审批。
2、基层队每周集中2小时上一次技术课的学习不填报此表。
·2·特种作业人员统计表工种:编号:HC/HSE—CX01—JL—03填表:单位:(章)·3·HSE 专业教育培训台帐编号:HC/HSE—CX01—JL—04·4·三级安全教育记录编号:编号:HC/HSE—CX01—JL—05使用说明:1.表一式三份,由二级单位、三级单位安全部门、基层单位填写。
2.此表由二、三级安全部门、基层单位各留存一份。
·5·河口采油厂HSE法律法规及其它要求条款清单·6·河口采油厂HSE法律法规及标准符合性评审表被评审单位:评审人员:评审时间:编号:HC/HSE—CX02—JL—02·7·信息交流记录表编号:HC/HSE—CX03—JL—01·8·文件发文审批表编号:HC/HSE—CX04—JL—01·9·文件发放登记表编号:HC/HSE—CX04—JL—02·10·文件接收登记表编号:HC/HSE—CX04—JL—03·11·文件更改通知单修改码:编号:HC/HSE—CX04—JL—04·12·文件修改记录页编号:HC/HSE—CX04—JL—05·13·文件借阅、复印登记表编号:HC/HSE—CX04—JL—06·14·文件回收、销毁登记表编号:HC/HSE—CX04—JL—07批准人:校核人:经办人:销毁时间:年月日·15·HSE记录清单单位:统计日期:编号:HC/HSE—CX05—JL—01·16·记录借阅登记表编号:HC/HSE—CX05—JL—02·17·HSE记录销毁登记表编号:HC/HSE—CX05—JL—03·18·安全检查分析(SCL)记录表编号:HC/HSE—CX06—JL—01 区域/工艺过程:装置/设备/设施:分析人员:日期:·19·工作危害分析(JHA)记录表编号:HC/HSE—CX06—JL—02工作/任务:区域/工艺过程:分析人员:日期:·20·失效模式与影响分析(FMEA)记录编号:HC/HSE—CX06—JL—03 区域/工艺过程:系统:参考资料:分析人员:日期:·21·河口采油厂重大及不可容忍危害清单(JHA)编号:HC/HSE—CX06—JL—04·22·环境因素识别表编号:HC/HSE—CX07—JL—01 单位:岗位:识别人:·23·环境因素评价表单位:区域/工段:编号:HC/HSE—CX07—JL—02 识别人及岗位:日期:审核人:日期:·24·河口采油厂重大环境因素清单(HP)编号:HC/HSE—CX07—JL—03·25·隐患上报表单位:编号:HC/HSE—CX08—JL—01注:此表为三、四级单位对无法自行整改隐患的上报。