施工原始记录精编
- 格式:docx
- 大小:117.47 KB
- 文档页数:57
贵州公路建设项目道真至瓮安高速公路隧道超前导洞开挖工程原始记录承包单位:合同号:贵州公路建设项目道真至瓮安高速公路隧道超前支护施工原始记录承包单位:合同号:DSD-03贵州公路建设项目道真至瓮安高速公路隧道开挖断面施工原始记录承包单位:合同号:道真至瓮安高速公路隧道现场监控量测施工原始记录(一)承包单位:合同号:监理单位:编号:隧道名称:埋设日期:年月日量测项目:开挖日期:年月日道真至瓮安高速公路隧道现场监控量测施工原始记录(二)承包单位:合同号:监理单位:编号:道真至瓮安高速公路隧道锚喷支护施工原始记录(一)承包单位:合同号:道真至瓮安高速公路隧道锚喷支护施工原始记录(二)承包单位:合同号:施工现场技术负责人:记录:监理员:日期:DSD-06贵州公路建设项目道真至瓮安高速公路隧道压浆原始记录承包单位:合同号:压浆班组:编号:DSD-07贵州公路建设项目道真至瓮安高速公路隧道管棚安装检查记录表承包单位:合同号:DSD-08贵州公路建设项目道真至瓮安高速公路隧道施工观测原始记录承包单位:合同号:施工现场技术负责人:测量:记录:监理员:日期:道真至瓮安高速公路隧道洞身开挖测量记录表承包单位:合同号:道真至瓮安高速公路隧道洞身开挖情况记录表承包单位:合同号:道真至瓮安高速公路隧道成洞净空检查记录表承包单位:合同号:道真至瓮安高速公路隧道防水系统施工原始记录承包单位:合同号:道真至瓮安高速公路隧道钢拱架支护施工原始记录承包单位:合同号:道真至瓮安高速公路隧道开挖断面施工原始记录承包单位:合同号:道真至瓮安高速公路隧道锚杆支护施工原始记录承包单位:合同号:道真至瓮安高速公路隧道钻爆施工原始记录承包单位:合同号:。
工程施工原始记录表[精编版]
施工原始记录表
目录
第1页共6页序
表格名称编号
施工原始记录表
目录
第2页共6页
施工原始记录表
目录
第3页共6页
施工原始记录表
目录
第4页共6页
施工原始记录表
目录
第5页共6页
施工原始记录表
目录
第6页共6页
....................................................................... ........................................
工程施工原始记录表[精编版]
施工原始记录表
目录
第1页共6页序
表格名称编号号
施工原始记录表
目录
第2页共6页
施工原始记录表
目录
第3页共6页
施工原始记录表
目录
第4页共6页
施工原始记录表
目录
第5页共6页
施工原始记录表
目录
第6页共6页
....................................................................... ........................................。
涵洞工程施工原始记录日期:2023年6月1日地点:XXX项目施工现场天气:晴施工单位:XXX建筑工程有限公司监理单位:XXX监理有限公司一、人员到岗1. 项目经理:XXX2. 施工队长:XXX3. 工程监理:XXX4. 施工人员:共计20人二、施工设备情况1. 挖掘机:XXX型号,数量1台2. 推土机:XXX型号,数量1台3. 混凝土搅拌机:XXX型号,数量1台4. 压路机:XXX型号,数量1台5. 其他小型施工机械:XXX6. 安全防护设备:齐全三、施工进度以及施工过程记录6月1日早上8:00,施工人员到岗,进行晨检并进行安全教育培训。
确认各项设备完好,作业人员精神状态良好。
8:30,开始进行挖掘洞口。
挖掘机按照设计要求进行挖掘,保证洞口尺寸符合图纸要求。
推土机协助进行土石方的处理,确保洞口周围的土石方均匀。
10:00,挖掘工程完成,开始对涵洞洞口进行加固处理。
使用混凝土搅拌机进行混凝土搅拌,确保混凝土配合比准确,运输至洞口进行浇筑。
保持施工现场整洁,确保混凝土浇筑质量。
12:00,对已浇筑的混凝土进行养护,设置警示线,避免人员和机械进入施工区域。
对已使用的施工机械进行维护和检修,确保设备良好状态。
14:00,对已浇筑的混凝土进行质量检测,保证混凝土的抗压强度符合设计要求。
进行维护人员持证上岗培训,确保施工现场安全。
16:00,开始进行道路铺设和整平工作。
使用压路机进行道路整平,确保道路平整,无明显起伏。
进行施工现场的清理工作,确保施工现场干净整洁。
18:00,施工结束,做好施工记录,确保所有工程进度和施工质量。
四、施工过程中的注意事项及问题解决1. 施工过程中,各项机械设备运转正常,未出现故障情况。
2. 施工现场安全教育培训落实到位,施工人员严格遵守安全操作规程,未发生安全事故。
3. 施工队长与监理单位保持密切联系,协调处理施工过程中的问题,确保施工进度顺利进行。
4. 施工现场环境整洁,无杂物遗留,确保施工现场安全。
机电安装工程质量检验班组施工原始记录分部工程名称:机械安装分项工程名称:梯子间安装 共 第 页施 工 单 位:河北纵横工程有限公司单位工程名称:新三矿北区风井井筒装备安装单位工程名称:A甲44182005 3 施工队长: (签章) 技术员: (签章) 施工班长: (签章)机电安装工程质量检验班组施工原始记录分部工程名称:施 工 单 位:分项工程名称: 管子、管件及阀门的检验 共 第 页单位工程名称:A甲44182005 3 施工队长: (签章) 技术员: (签章) 施工班长: (签章)机电安装工程质量检验班组施工原始记录分部工程名称:分项工程名称: 管子、管件及阀门的检验 共 第 页施 工 单 位:单位工程名称:A甲44182005 3 施工队长: (签章) 技术员: (签章) 施工班长: (签章)机电安装工程质量检验班组施工原始记录分部工程名称:施 工 单 位:分项工程名称: 管道加工 共 第 页单位工程名称:A甲44182005 3 施工队长: (签章) 技术员: (签章) 施工班长: (签章)机电安装工程质量检验班组施工原始记录分部工程名称:分项工程名称: 管道加工 共 第 页施 工 单 位:单位工程名称:A甲44182005 3 施工队长: (签章) 技术员: (签章) 施工班长: (签章)机电安装工程质量检验班组施工原始记录分部工程名称:施 工 单 位:分项工程名称: 管道加工 共 第 页单位工程名称:A甲44182005 3 施工队长: (签章) 技术员: (签章) 施工班长: (签章)机电安装工程质量检验班组施工原始记录分部工程名称:分项工程名称: 管道焊接 共 第 页施 工 单 位:单位工程名称:A甲44182005 3 施工队长: (签章) 技术员: (签章) 施工班长: (签章)机电安装工程质量检验班组施工原始记录分部工程名称:施 工 单 位:分项工程名称: 管道安装 共 第 页单位工程名称:A甲44182005 3 施工队长: (签章) 技术员: (签章) 施工班长: (签章)机电安装工程质量检验班组施工原始记录分部工程名称:分项工程名称: 管道安装 共 第 页施 工 单 位:单位工程名称:A甲44182005 3 施工队长: (签章) 技术员: (签章) 施工班长: (签章)机电安装工程质量检验班组施工原始记录分部工程名称:施 工 单 位:分项工程名称: 管道安装 共 第 页A甲44182005 3 施工队长: (签章) 技术员: (签章) 施工班长: (签章)机电安装工程质量检验班组施工原始记录分部工程名称:机械安装分项工程名称: 管道系统试验及涂漆 共 第 页施 工 单 位:河北纵横工程有限公司单位工程名称:新三矿北区地面空压机安装施 工 单 位:河北纵横公司机电安装分公司单位工程名称:A甲44182005 3 施工队长: (签章) 技术员: (签章) 施工班长: (签章)机电安装工程质量检验班组施工原始记录分部工程名称:分项工程名称: 试运转 共 第 页施 工 单 位:河北纵横公司机电安装分公司单位工程名称:A甲44182005 3 施工队长: (签章) 技术员: (签章)机电安装工程质量检验班组施工原始记录分部工程名称:项工程名称: 管道系统试验及涂漆 共 第 页施 工 单 位:河北纵横公司机电安装分公司A甲44182005 3 施工队长: (签章) 技术员: (签章)机电安装工程质量检验班组施工原始记录分部工程名称:项工程名称: 垫铁、基础螺栓及二次灌浆 共第页单位工程名称:施 工 单 位:河北纵横公司机电安装分公司单位工程名称:A甲44182005 3 施工队长: (签章) 技术员: (签章)机电安装工程质量检验班组施工原始记录分部工程名称:分项工程名称: 离心泵安装 共 第 页施 工 单 位:河北纵横公司机电安装分公司A甲44182005 3 施工队长: (签章) 技术员: (签章)机电安装工程质量检验班组施工原始记录分部工程名称:单位工程名称:薛村矿矸石电厂建110KV站升压站改线工程工程名称: 杆塔基础 共 第 页施 工 单 位:河北纵横公司机电安装分公司A甲44182005 3 施工队长: (签章) 技术员: (签章)机电安装工程质量检验班组施工原始记录分部工程名称:单位工程名称:薛村矿矸石电厂建110KV站升压站改线工程工程名称: 杆塔基础 共 第 页施 工 单 位:河北纵横公司机电安装分公司A甲44182005 3 施工队长: (签章) 技术员: (签章)机电安装工程质量检验班组施工原始记录分部工程名称:单位工程名称:薛村矿矸石电厂建110KV站升压站改线工程程名称: 杆塔基础 共 第 页A甲44182005 3 施工队长: (签章) 技术员: (签章)机电安装工程质量检验班组施工原始记录施 工 单 位:河北纵横公司机电安装分公司分部工程名称:单位工程名称:薛村矿矸石电厂建110KV站升压站改线工程工程名称: 导线、避雷线架设 共 第 页施 工 单 位:河北纵横公司机电安装分公司A甲44182005 3 施工队长: (签章) 技术员: (签章机电安装工程质量检验班组施工原始记录分部工程名称:单位工程名称:薛村矿矸石电厂建110KV站升压站改线工程项工程名称: 导线、避雷线架设 共 第 页施 工 单 位:河北纵横公司机电安装分公司A甲44182005 3 施工队长: (签章) 技术员: (签章机电安装工程质量检验班组施工原始记录分部工程名称:单位工程名称:薛村矿矸石电厂建110KV站升压站改线工程项工程名称: 导线、避雷线架设 共 第 页施 工 单 位:河北纵横公司机电安装分公司A甲44182005 3 施工队长: (签章) 技术员: (签章机电安装工程质量检验班组施工原始记录分部工程名称:单位工程名称:薛村矿矸石电厂建110KV站升压站改线工程项工程名称: 导线、避雷线架设 共 第 页施 工 单 位:河北纵横公司机电安装分公司A甲44182005 3 施工队长: (签章) 技术员: (签章机电安装工程质量检验班组施工原始记录分部工程名称:单位工程名称:薛村矿矸石电厂建110KV站升压站改线工程项工程名称: 导线、避雷线架设 共 第 页A甲44182005 3 施工队长: (签章) 技术员: (签章。
市政工程混凝土施工原始记录施工项目:市政工程混凝土施工工程地点:XXX市区XX街道XX号施工单位:XXX建筑工程有限公司施工日期:20XX年XX月XX日施工原始记录编号:XXX施工标准:按照《市政工程混凝土施工技术规范》进行施工。
施工过程:1.准备工作:a)根据混凝土施工方案,准备好施工所需的材料和设备。
b)对施工现场进行清理,确保施工区域干净整洁,无污染物和障碍物。
c)检查施工设备和工具的运行状况,确保安全可靠。
2.现场测量:a)根据设计要求,在施工区域进行测量定位,确保施工位置准确。
b)测量混凝土浇筑区域的尺寸、高程和坡度,保证混凝土施工质量。
3.模板工程:a)按照设计要求,搭建混凝土模板和支撑体系,确保模板的稳固和水平。
b)根据施工图纸,对模板进行调整和修正,确保混凝土施工的尺寸和形状符合要求。
4.钢筋工程:a)根据设计图纸和钢筋加工要求,对钢筋进行加工和折弯。
b)在模板上按照设计要求预埋布设钢筋,确保钢筋的准确位置和间距。
c)检查钢筋的质量和尺寸,确保钢筋的强度和承载能力满足要求。
5.混凝土配制:a)按照设计要求,选择合适的水泥、骨料和掺合料进行配制。
b)根据设计配合比,精确控制配制中各材料的比例和用量。
c)加水搅拌混凝土,确保混凝土的均匀性和流动性。
d)对混凝土进行试块制作,进行强度试验和质量检查。
6.混凝土浇筑:a)准备好混凝土泵车和输送管道,确保混凝土的顺畅输送。
b)根据设计要求,逐段进行混凝土浇筑,确保浇筑质量和均匀性。
c)在浇筑过程中,及时测量混凝土的坍落度和饱和度,保证施工质量。
7.养护工程:a)对已浇注的混凝土进行养护,防止混凝土过早干燥和开裂。
b)采取覆盖保温、水养护等措施,确保混凝土的强度和耐久性。
施工中遇到的问题及处理情况:1.在浇筑过程中,因混凝土流动性不足,出现浇筑不均匀的情况。
经调整混凝土配制比例和加水量,解决了问题。
2.段混凝土浇筑时遇到雨水,造成混凝土表面受到水浸泡,影响了施工质量。
施工负责人:技术负责人:填表人:
施工负责人:技术负责人:填表人:
施工负责人:技术负责人:填表人:
施工负责人:技术负责人:填表人:
油技路10-5-001
施工负责人:技术负责人:填表人:
施工负责人:技术负责人:填表人:
工程名称:南三油库输油管道巡线路维修工程(北段)油技路10-5-004
施工负责人:技术负责人:填表人:
工程名称:南三油库输油管道巡线路维修工程(北段)油技路10-5-004
施工负责人:技术负责人:填表人:
工程名称:南三油库输油管道巡线路维修工程(北段)油技路10-5-004
施工负责人:技术负责人:填表人:
工程名称:南三油库输油管道巡线路维修工程(北段)油技路10-5-004
施工负责人:技术负责人:填表人:
工程名称:南三油库输油管道巡线路维修工程(北段)油技路10-5-004
施工负责人:技术负责人:填表人:
工程名称::南三油库输油管道巡线路维修工程(南段)油技路10-5-004
施工负责人:技术负责人:填表人:
工程名称::南三油库输油管道巡线路维修工程(北段)油技路10-5-009
施工负责人:技术负责人:填表人:
工程名称::南三油库输油管道巡线路维修工程(北段)油技路10-5-009
施工负责人:技术负责人:填表人:
工程名称::南三油库输油管道巡线路维修工程(北段)油技路10-5-009
施工负责人:技术负责人:填表人:
工程名称::南三油库输油管道巡线路维修工程(北段)油技路10-5-009
施工负责人:技术负责人:填表人:
工程名称::南三油库输油管道巡线路维修工程(北段)油技路10-5-009
施工负责人:技术负责人:填表人:。
分部工程施工原始记录一、工程概述本次施工项目为XX公司承担的XX工程分部工程,主要包括土建工程、钢结构工程、安装工程和装饰工程。
工程位于XX地区,占地面积XX平方米,建筑面积XX平方米。
工程分为三个施工阶段,分别为前期准备、主体施工和后期装修。
本次记录主要针对主体施工阶段的原始数据进行整理和记录。
二、施工人员及设备1. 施工人员:本次主体施工阶段共投入施工人员XX人,其中管理人员XX人,技术人员XX人,一线工人XX人。
2. 施工设备:本次施工共使用各类施工设备XX台,包括挖掘机XX台,混凝土泵车XX台,塔吊XX台,装载机XX台等。
三、施工进度及质量1. 施工进度:本次主体施工阶段按照施工计划顺利进行,各分部分项工程按时完成,无延误现象。
具体进度如下:(1)土方工程:挖方XX立方米,填方XX立方米,完成率XX%。
(2)地基与基础工程:完成地基处理XX立方米,基础浇筑XX立方米,完成率XX%。
(3)主体结构工程:完成柱子XX根,梁XX根,板XX块,完成率XX%。
2. 施工质量:本次主体施工阶段严格遵循施工方案和质量标准,加强过程控制,确保工程质量。
具体质量情况如下:(1)土方工程:挖方尺寸、深度、边坡坡度均符合设计要求,无坍塌、积水现象。
(2)地基与基础工程:地基处理符合设计要求,基础浇筑混凝土强度、平整度、蜂窝、麻面等质量指标均达到规范要求。
(3)主体结构工程:柱子、梁、板等构件尺寸、垂直度、焊接质量均符合设计要求,无裂缝、变形等质量问题。
四、安全生产及环保措施1. 安全生产:本次施工严格遵守安全生产法律法规,落实安全生产责任制,加强安全培训和教育,确保施工现场安全。
施工现场实现全封闭管理,设置安全警示标志,定期开展安全检查,发现问题及时整改。
2. 环保措施:本次施工严格执行环保法规,采取有效措施减少施工过程中对环境的影响。
具体措施如下:(1)施工现场设置围挡,减少噪声、扬尘污染。
(2)施工垃圾及时清理,分类存放,定期运输至指定地点处理。
施工原始记录范文施工单位:XX建筑工程有限公司项目名称:XX工程项目地址:XX市XX区XX路XX号日期:2024年1月1日天气:晴天工期:2024年1月1日-2024年1月1日参与人员:施工队长:张三施工人员:李四、王五施工工作内容及进度:1.完成场地平整工作,准备开挖基坑。
2.完成基坑开挖工作,开始进行基础施工。
3.基础施工进行到地下一层。
4.进行主体结构施工,目前进行到地上三层。
5.开始进行室内装饰工程。
质量检查:1.检查了基坑开挖工作,未发现质量问题。
2.检查了主体结构施工,发现一些楼板存在偏差,已要求相关人员进行整改。
安全检查:1.进行了施工现场安全检查,发现施工人员未按要求佩戴安全帽,已要求其立即佩戴。
2.对施工现场的临时电力设施进行了检查,发现存在漏电现象,已进行修理。
材料使用情况:1.混凝土使用量:200立方米。
2.钢筋使用量:10吨。
3.水泥使用量:100袋。
4.砂石使用量:500吨。
设备使用情况:1.使用了挖掘机进行基坑开挖。
2.使用了起重机进行主体结构施工。
3.使用了水泥搅拌机进行混凝土制作。
其他问题记录:2.在施工过程中发现工地周边存在安全隐患,已向工地负责人报告并采取了相应措施。
备注:此次施工工作按照相关设计图纸和施工方案进行,施工质量及安全问题将继续密切关注,确保工程顺利进行。
签字:施工队长-张三日期:2024年1月1日以上是一个施工原始记录的示例,具体的施工原始记录应根据实际情况进行补充和修改。
在实际的施工过程中,施工原始记录是非常重要的文件,可以用于施工质量验证和工程管理,确保施工工作的顺利进行。
DQL-01XXXXXXXXX有限公司建设项目XX至XX高速公路挖孔桩施工原始记录承包单位:XXXXXXXXXX工程有限公司合同号:ADQL-02XXXXXXXXX有限公司建设项目XX至XX高速公路钻孔灌注桩施工原始记录承包单位:XXXXXXXX工程有限公司合同号:A施工现场技术负责人:记录:复核:监理员:日期:ADQL-03XXXXXXXXXX有限公司建设项目XXXXXX高速公路钻(挖)孔桩终孔后灌注混凝土前原始记录承包单位:XXXXXXXXXXXXX工程有限公司合同号:施工现场技术负责人:记录:监理员:日期:DQL-04XXXXXXX有限公司建设项目XXXXXXXX高速公路挖孔桩(墙)基础验收原始记录承包单位:合同号:施工现场技术负责人:记录:监理员:日期:DQL-05XXXXXXXXX有限公司建设项目XXXXXXX高速公路特大桥桩基终孔验收记录表施工单位:合同号:填表说明:1、本表由各参加桥梁桩基成孔验收单位代表填写;2、各方代表均有明确意见;2、填写时必须有明确意见。
AA DQL-06XXXXXXX有限公司建设项目XXXXXXXX高速公路沉井下沉施工原始记录承包单位:合同号:桩号部位:沉井名称:沉井高度:除土方法:施工现场技术负责人:记录:监理员:日期:DQL-07XXXXXXXXXX有限公司建设项目XXXXXXXX高速公路水下混凝土灌注原始记录承包单位:XXXXXXXXXXXXXXXXX工程有限公司合同号:AAAA DQL-08XXXXXXXXXXXXXX有限公司建设项目XXXXXXXXXXXX高速公路预应力管道原始记录承包单位:合同号:施工现场技术负责人:记录:监理员:日期:DQL-09XXXXXXXXXXXXXXX有限公司建设项目XXXXXXXXXXXXX高速公路预应力张拉(后张法)原始记录承包单位:合同号:监理单位:编号:张拉负责人:油泵操作员:记录:监理员:日期:ADQL-10XXXXXXXXXXXXXXXX有限公司建设项目XXXXXXXXXXXXX山高速公路预应力张拉原始记录(两端张拉)承包单位:合同号:张拉混凝土强度:编号:ADQL-11XXXXXXXXXXXXXXXX有限公司建设项目XXXXXXXXXXX高速公路预应力张拉记录汇总表承包单位:合同号:编号:ADQL-12XXXXXXXXXXX有限公司建设项目XXXXXXXXXXXX高速公路构件压浆原始记录承包单位:项目名称:桩号:合同号:编号:A施工现场技术负责人:压浆负责人:记录:监理员:日期:AAA DQL-13XXXXXXXXXXXXXXXXX有限公司建设项目XXXXXXXXXXX高速公路梁(板)封端原始记录承包单位:合同号:施工现场技术负责人:记录:监理员:日期:A ADQL-14XXXXXXXXX有限公司建设项目XXXXXXXXX高速公路梁(板)安装原始记录承包单位:合同号:A施工现场技术负责人:记录:复核:监理员:日期:AXXXXXXXXXXXX高速公路主索鞍、散索鞍安装检查原始记录承包单位:合同号:施工现场技术负责人:检测:复核:监理员:日期:AXXXXXXXXXXXX高速公路主缆索股质量检查原始记录承包单位:合同号:ADQL-17XXXXXXXXXXXX有限公司建设项目XXXXXXXXXXXX高速公路主缆防护检查原始记录承包单位:合同号:A施工现场技术负责人:检测:复核:监理员:日期:DQL-18XXXXXXXXXXXX有限公司建设项目XXXXXXXXXXXX高速公路主缆索股力检查原始记录承包单位:合同号:A施工现场技术负责人:检测:复核:监理员:日期:DQL-19XXXXXXXXXXXX有限公司建设项目XXXXXXXXXXXX高速公路吊杆长度偏差检查原始记录承包单位:合同号:AA DQL-20XXXXXXXXXXXX有限公司建设项目XXXXXXXXXXXX高速公路主缆索股紧缆后空隙率、缆径检查原始记录承包单位:合同号:A DQL-21XXXXXXXXXXXX有限公司建设项目XXXXXXXXXXXX高速公路加劲肋涂装内、外面漆膜厚度检查原始记录承包单位:合同号:A DQL-22XXXXXXXXXXXX有限公司建设项目XXXXXXXXXXXX高速公路加劲肋焊接时节段间缝宽检查原始记录承包单位:合同号:DQL-23XXXXXXXXXXXX有限公司建设项目XXXXXXXXXXXX高速公路加劲梁节段尺寸偏差、锚座检查原始记录承包单位:合同号:A施工现场技术负责人:记录:复核:监理员:日期:A。
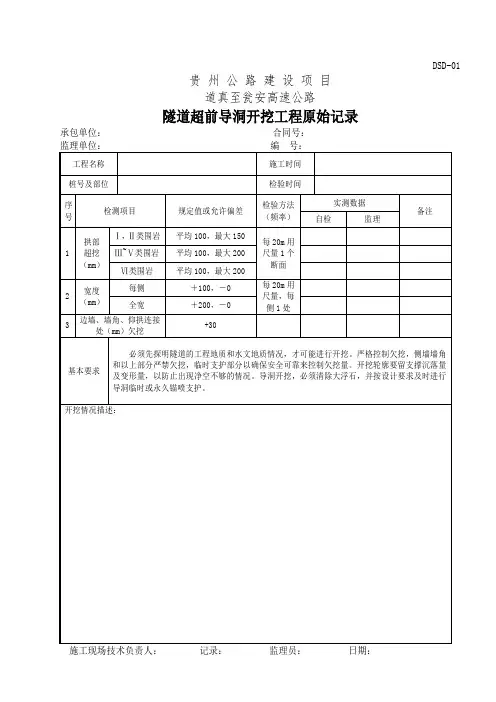
隧道工程现场施工原始记录(全套资料表格)项目名称:道真至瓮安高速公路隧道超前导洞开挖工程原始记录承包单位。
监理单位。
序号桩号及部位检测项目检验方法规定值或允许偏差实测数据平均值(mm)最大值(mm)施工时间检验时间自检监理备注1 拱部Ⅰ,Ⅱ类围岩 1超挖Ⅲ~Ⅴ类围岩宽度每侧全宽边墙、墙角、仰拱连接处(mm)欠挖 20m用尺量1个 20m用尺量,每侧1处 +100,- +200,- +30 100 150 100 200 100 2002 Ⅵ类围岩这是道真至瓮安高速公路隧道超前导洞开挖工程的原始记录。
在进行开挖前,必须先探明隧道的工程地质和水文地质情况。
施工过程中,必须严格控制欠挖,侧墙、墙角和以上部分严禁欠挖。
为确保安全可靠,临时支护部分可以用来控制欠挖量。
开挖轮廓要留支撑沉落量及变形量,以防止出现净空不够的情况。
导洞开挖时,必须清除大浮石,并按设计要求及时进行导洞临时或永久锚喷支护。
项目名称:道真至瓮安高速公路隧道超前支护施工原始记录承包单位。
监理单位。
桩号及部位开挖方法进尺桩号开挖轮廓线超前支护施工时间这是道真至瓮安高速公路隧道超前支护施工的原始记录。
在施工过程中,我们按照设计要求进行开挖,并进行了超前支护。
我们记录了开挖的桩号及部位、进尺桩号、开挖轮廓线、超前支护的设计和实际情况以及施工时间。
项目名称:道真至瓮安高速公路隧道开挖断面施工原始记录承包单位。
监理单位。
桩号及部位检验项目项次实测数据这是道真至瓮安高速公路隧道开挖断面施工的原始记录。
我们记录了不同桩号及部位的检验项目和实测数据。
施工记录:贵州公路建设项目道真至瓮安高速公路隧道现场监控量测施工原始记录(一)承包单位:监理单位:隧道名称:埋设日期:量测项目:开挖日期:测点里程:初读数时间:记录时间:年月日时量测值计算值测点号纪要年月日时年月日时年月日时年月日时年月日时年月日时年月日时年月日时年月日时备注施工现场技术负责人:量测:计算:复核:监理员:日期:贵州公路建设项目道真至瓮安高速公路隧道现场监控量测施工原始记录(二)承包单位:监理单位:桩号:距洞口距离:量测断面编号:相对量测时间观测值温度修正相对第上一间隔收敛修正后观一次收温测线测ⅠⅡ平均值值测值敛值次收时间速度度点编号年月日时敛值mmmmmmmmmmmmmmmmmmdmm/d 备注量测初始值应在开挖后2小时读出。
土方路基填筑工程施工原始记录施工单位:XXXX工程有限公司监理单位:XXXX监理有限公司项目名称:土方路基填筑工程工程地址:XXXXXX工程概况:本土方路基填筑工程位于XXXXX,总用地面积为XXXX平方米,道路总长度为XX千米。
工程起点为XXXX,终点为XXXX,共有XX个路段。
本工程的主要内容是对道路路基进行填筑加固,以提高道路的承载能力和平整度。
施工日期:2024年XX月XX日施工天气:XX℃,多云施工人员:1.施工队长:XXX2.机械操作员:XXX3.劳务工人员:X名施工设备:1.推土机型号:XX2.振动压路机型号:XX1.施工准备阶段:-施工队伍按照施工计划到达现场,按要求进行施工区域的标定,并设立施工警示牌。
-检查施工所需的机械设备,确保其正常运转,并进行必要的维护保养工作。
-抽查劳务工人员的劳动防护用品是否齐全,进行安全教育和交底工作。
2.路基平整工作:-使用推土机对道路路基进行平整,清除路基上的杂物和障碍物。
-推土机进行多次的来回平整,确保路基平整度和纵横坡满足设计要求。
-对路基进行测量和检查,确保达到规定的宽度、高度和坡度要求。
3.路基填筑工作:-使用推土机将填料运送至道路路基,保持填筑面的平整。
-按照设计要求和层均厚的原则进行填筑,每层填筑后进行均匀压实。
-使用振动压路机对填筑层进行多次的压实,确保填筑层的密实度和稳定性。
-对填筑过程中出现的问题进行及时处理,如填筑材料不足、填筑层不平整等情况。
-对填筑层的厚度、平整度进行抽检,确保达到设计要求。
-对压实度进行抽测,记录每次压实工艺参数和结果,确保压实质量合格。
-定期对施工现场进行检查,确保施工现场的秩序和安全。
-对施工过程中发现的问题及时进行整改,并进行记录。
5.安全生产管理:-制定安全生产计划,并组织安全人员对施工现场进行巡查。
-警示标志、警戒线和安全设施设置完善,确保施工现场的安全。
-对劳务工人员进行安全教育和培训,加强施工作业人员的安全意识。
公路路面工程沥青面层施工原始记录一、项目概况项目名称:XX公路路面工程项目地点:XX省XX市工程编号:XXXXXX施工单位:XX建设集团二、施工人员项目经理:XXX施工班组:XX班组三、施工机具和材料1.施工机具:沥青混合料搅拌机、压路机、铺面机、平板振动器等2.施工材料:沥青混合料、级配料、沥青柏油等四、施工日期和天气状况施工日期:XXXX年XX月XX日天气状况:晴五、施工工艺和步骤1.确定施工区域,并将现场清理干净,确保路面平整。
2.路面底基层施工:在现有路面基层上,铺设级配料,进行初压。
3.沥青面层施工:将沥青混合料装入沥青混合料搅拌机中,搅拌均匀后,将其倒入铺面机中,按照设计要求进行铺设,然后用平板振动器进行均匀压实。
4.交通指示标志:施工完毕后,立即设置交通指示标志,确保交通安全。
六、施工记录1.施工前检查在施工前,检查施工机具和施工材料是否齐全,计算好所需材料的量,确保施工顺利进行。
2.确认施工区域经过测量和规划,确认施工区域,并做好相应的交通管控工作。
3.路面底基层施工使用级配料进行路面底基层施工,确保路面基层平整,初压均匀。
4.沥青面层施工将沥青混合料装入沥青混合料搅拌机中,按照设计要求搅拌均匀,然后将其倒入铺面机中,通过铺面机进行均匀铺设,确保路面平整,厚度均匀。
5.沥青面层压实使用压路机对沥青面层进行均匀压实,确保沥青与路面基层的粘结牢固。
6.交通指示标志设置施工完毕后,立即设置交通指示标志,确保交通安全,避免发生交通事故。
七、工程质量验收1.对施工完成的沥青面层进行质量验收,检查路面平整度、厚度、密实度等指标是否符合设计要求。
2.进行质量验收后,如有不符合要求的地方,及时进行整改和修复。
八、安全措施1.在施工现场设置合适的警示标志,提醒过往车辆注意交通安全。
2.施工人员必须佩戴好安全帽、工作服等个人防护用品,严禁越过警示线接近施工区域。
3.施工机具和材料必须整齐摆放,避免堆放不当导致安全事故发生。
水泥砼施工原始记录施工单位:XXX公司地点:XXX工地日期:XXXX年XX月XX日施工人员:1.班组长:2.操作工:3.检查员:4.施工成员:1.工程名称:XXX工程2.工程部位:XXX部位3.施工内容:XXX内容施工过程:1.施工前准备工作:a.确认施工图纸,了解施工任务;b.检查施工设备、工具是否符合要求,确认施工材料是否齐全;c.检查施工现场是否符合安全要求。
2.混凝土原材料验收:a.水泥:检查水泥厂家、生产日期、包装是否完好,发现问题及时通知相关人员;b.骨料:检查骨料类型、粒径、含泥量等指标,确保符合规范要求;c.砂:检查砂类型、颗粒形状、含泥量等指标,确保符合规范要求;d.混凝土外加剂:检查外加剂是否具备验收合格证明;e.混凝土配比设计:确定设计配比是否符合要求。
3.设备和工具确认:a.检查搅拌车、输送泵等设备是否正常运转;b.检查计量设备的准确性;c.检查工具是否完好,如铲子、砼斗等。
4.施工过程:a.搅拌设备的操作情况:确认搅拌车操作人员是否准确把握计量排放比例,搅拌过程中是否出现异常情况;b.运输情况:记录混凝土运输车的车牌号、发车时间、到达时间、回厂时间等;c.浇筑情况:记录每一次浇筑的开始时间、结束时间、浇筑部位、浇筑厚度等;d.养护措施:记录养护时间、方法,并保持养护区域卫生;e.现场测量:记录测量值、测量时间和测量位置,并与设计要求进行对比。
5.施工质量检查:a.检查施工现场环境是否整洁、安全;b.检查浇筑混凝土表面是否平整、无裂纹、无杂物等;c.检查混凝土强度试验结果是否符合设计要求;d.检查混凝土密实性、坍落度、抗渗性等指标;e.检查混凝土表面的养护情况。
6.施工结束工作:a.清理施工现场,清除杂物;b.维护设备、工具,做好保养工作;c.汇总施工过程中的记录,并进行整理归档。
备注:1.若发现施工过程中的问题、异常情况或变更,及时通知相关人员,并记录在案;2.工作完成后,交付相关人员验收,并存档备案;3.如有必要,将本记录报告给监理工程师或建设单位负责人。
砌体工程施工原始记录填写一、项目基本情况项目名称:XX砌体工程施工项目地点:XX市XX区XX路XX号项目负责人:XX施工单位:XX建筑工程有限公司监理单位:XX监理工程有限公司工程简介:本工程是XX大厦的砌体工程,主要包括外墙、隔墙、柱砌体等部分的施工。
二、施工前准备1. 确认施工方案和图纸:施工前,负责人对施工方案和相关图纸进行确认,确保施工方案符合设计要求。
2. 准备施工材料和工具:按照工程需要,准备好砖头、砂浆、水泥等施工材料,以及砌筑工具、安全防护用品等。
三、施工过程记录日期:2022年3月1日天气情况:晴天施工内容:外墙砌体施工人员:缪师傅、张工、李工1. 早上8点整,施工人员到达施工现场,进行工地安全检查,确认施工现场安全。
2. 8点30分,开始进行外墙砌体施工,首先进行基座砌筑,缪师傅负责指导,张工和李工进行砌筑作业。
3. 10点,完成第一层外墙砌体施工,进行验收。
符合质量要求。
4. 10点30分,开始进行第二层外墙砌体施工,由张工和李工进行作业,缪师傅负责现场指导。
5. 12点,中午休息一小时,施工人员在工地临时休息间进餐。
6. 13点,继续进行外墙砌体施工,进行第三层砌筑。
7. 15点,完成当天的外墙砌体施工,现场整理并进行材料清点确认。
日期:2022年3月2日天气情况:多云施工内容:隔墙砌体施工人员:王工、刘工、赵工1. 8点整,施工人员到达施工现场,进行工地安全检查,确认施工现场安全。
2. 8点30分,开始进行隔墙砌体施工,首先进行基座砌筑,王工负责指导,刘工和赵工进行砌筑作业。
3. 10点,完成第一层隔墙砌体施工,进行验收。
符合质量要求。
4. 10点30分,开始进行第二层隔墙砌体施工,由刘工和赵工进行作业,王工负责现场指导。
5. 12点,中午休息一小时,施工人员在工地临时休息间进餐。
6. 13点,继续进行隔墙砌体施工,进行第三层砌筑。
7. 15点,完成当天的隔墙砌体施工,现场整理并进行材料清点确认。
市政工程砌体工程施工原始记录项目名称:XX市市政工程砌体工程施工项目编号:XX-XXXX施工单位:XX建筑有限公司日期:XX年XX月XX日工程部位:XX市XX路XX号监理单位:XX监理有限公司一、施工前准备工作1.确认施工区域范围并进行标识,维护安全警示标志,并为施工区域搭建合适的安全防护措施。
2.确认工程图纸和设计要求,对砌体工程的材料进行备货,并将材料样品交由监理单位审核。
3.清理施工区域,确保施工平整,清除障碍物。
4.安装场地临时设施,如围挡、临时宿舍等。
二、施工过程记录1.XX年XX月XX日:开始进行基础与地下管道施工的准备工作。
清理基础区域,确保基础平整,清除杂物。
同时对地下管道进行勘测和布置。
2.XX年XX月XX日:基础施工完成后,开始进行墙体砌筑。
根据图纸要求,选用规格为XXX的砖进行砌筑。
砌筑过程中,确保砖与砖之间的垂直和水平度符合要求,并采用水泥砂浆进行粘结。
3.XX年XX月XX日:墙体砌筑完成后,进行墙体灌浆工作。
采用封闭式灌浆,确保墙体的结实和稳定。
灌浆过程中,确保灌浆孔位置正确,不留死角。
4.XX年XX月XX日:开始进行外表面墙面处理工作。
根据设计要求采用涂料或石材进行外表面处理,确保墙面的美观和耐用。
5.XX年XX月XX日:对室内墙体进行饰面处理。
根据设计要求,采用石材、瓷砖等材料进行墙面饰面,确保内部墙面的美观和实用。
三、质量检查记录1.施工过程中,监理单位进行多次巡查,并记录施工质量情况。
检查合格情况如下:a.基础平整度符合设计要求;b.墙体砌筑垂直度和水平度符合设计要求;c.灌浆后墙面结实稳定,灌浆孔位置准确。
2.施工过程中,发现砌体工程质量存在以下问题,需整改:a.墙体砌筑中存在部分砖与砖之间垂直度不符合设计要求的情况,需要重新拆除砌筑;b.外表面墙面处理中发现墙面涂料有不均匀或剥落现象,需要重新处理。
四、安全记录1.施工期间,未发生人员伤亡事故或设备损坏事件。
工程施工原始记录范本一、项目概况项目名称:XX工程建设单位:XX公司工程地点:XX市XX区XX街道工程类型:XX工程工程规模:XX平方米工程进度:初步施工阶段二、施工单位总承包单位:XX建筑有限公司施工队伍:XX施工队项目负责人:XX施工队长:XX三、施工前准备1. 施工单位于XX年XX月XX日XX时XX分进场,进行了现场勘察和测量。
2. 施工单位于XX年XX月XX日XX时XX分完成了土方开挖,清场,场地平整和围栏搭建等前期准备工作。
3. 施工单位于XX年XX月XX日XX时XX分完成了第一次材料运输和仓库搭建工作。
四、施工过程记录1. XX年XX月XX日XX时XX分,施工队进行了基础开挖和基础浇筑的工作。
2. XX年XX月XX日XX时XX分,施工队进行了主体结构的施工工作,包括模板搭设,钢筋绑扎和混凝土浇筑等工作。
3. XX年XX月XX日XX时XX分,施工队进行了屋面施工的工作,包括防水层铺设和保温层施工等工作。
4. XX年XX月XX日XX时XX分,施工队进行了装饰工程的施工工作,包括墙面粉刷,地面铺贴和门窗安装等工作。
5. XX年XX月XX日XX时XX分,施工队进行了设备安装和调试工作,包括电气设备安装和管道铺设等工作。
五、质量检验报告1. 基础工程质量检验报告:XX年XX月XX日检验结果合格。
2. 主体结构工程质量检验报告:XX年XX月XX日检验结果合格。
3. 屋面施工工程质量检验报告:XX年XX月XX日检验结果合格。
4. 装饰工程质量检验报告:XX年XX月XX日检验结果合格。
5. 设备安装工程质量检验报告:XX年XX月XX日检验结果合格。
六、安全生产记录1. 施工单位严格按照安全生产要求,对施工现场进行了安全隐患排查和整改。
2. 施工单位加强了对施工现场作业人员的安全培训和教育,确保施工过程中无安全事故发生。
3. 施工单位配备了专业的安全监管人员,对施工现场的安全管理工作进行了全面监督和检查。
市政工程冲击碾压施工原始记录日期:XXXX年XX月XX日地点:XX市XX区XX路施工人员:XXXXX施工单位:XXXXX公司施工内容:冲击碾压工程名称:XX市道路改造工程一、施工前准备工作1.根据设计要求,对施工区域进行清理,将杂物、垃圾等进行清除。
2.检查施工设备,确保设备安全可靠,保证施工过程顺利进行。
二、施工过程记录1.日期:XXXX年XX月XX日1)开始时间:XX时XX分2)天气情况:晴天3)温度:XX℃2.施工区域:XX路段3.施工方法:冲击碾压4.施工设备:振动碾压机、压路机等5.施工人员:XXXXX6.施工内容:对XX路段进行碾压,提高道路平整度和承重能力。
三、施工实施情况记录1.施工区域划定明确,进行有效的交通管控,确保施工安全。
2.按照施工计划,依次对道路进行冲击碾压施工,保证工程进度。
3.施工过程中,严格按照技术要求操作,确保施工质量。
4.施工人员穿戴好劳动防护用品,确保人身安全。
四、施工质量记录1.在施工过程中,进行了实时检测,确保施工质量。
2.碾压后道路平整度符合设计要求,保证道路安全通行。
3.检测人员:XXXXX4.检测结果:碾压后道路平整度达到XX标准,满足道路改造要求。
五、现场注意事项记录1.施工期间,注意施工现场安全,加强对施工区域的管控,确保施工人员、行人和车辆安全。
2.施工期间,严禁擅自进入施工区域的人员,确保施工顺利进行。
3.做好环境保护工作,减少对周边环境的影响。
六、施工结束情况记录1.日期:XXXX年XX月XX日1)结束时间:XX时XX分2)天气情况:晴天3)温度:XX℃2.施工区域清理:将施工区域内的杂物、垃圾等进行清理,保持道路整洁。
3.设备归位:将使用的施工设备进行归位,确保设备安全可靠。
4.施工单位负责人签字确认。
七、存在的问题及改进措施1.问题:施工期间存在交通拥堵现象。
改进措施:增加交通疏导人员,加强交通管控,提前告知周边居民和司机,请他们选择其他道路绕行。
施工原始记录精编 Document number:WTT-LKK-GBB-08921-EIGG-22986
石家庄市南绕城高速公路项目
填前地表处理原始记录表
施工单位:合同号:
监理单位:编号:
施原-001
质检员:质检工程师:
现场监理:
石家庄市南绕城高速公路项目
填土路基施工原始记录表
施工单位:山东黄河工程集团有限公司合同号:NRC-5 监理单位:河北四方公路工程咨询有限公司编号:
施原-002
质检员:质检工程师:现场监理:
石家庄市南绕城高速公路项目
填石路基施工原始记录表
施工单位:合同号:监理单位:编号:施原-003
质检员:质检工程师:
现场监理:
石家庄市南绕城高速公路项目
路基翻浆处理原始记录表
施工单位:合同号:监理单位:编号:施原-004
质检员:质检工程师:现场监理:
石家庄市南绕城高速公路项目
强夯施工原始记录表
施工单位:合同号:监理单位:编号:施原-005
质检员:质检工程师:
现场监理:
石家庄市南绕城高速公路项目
沉降量观测记录表施工单位:合同号:
监理单位:编号:
施原-006
质检员:质检工程师:现场监理:
石家庄市南绕城高速公路项目
垫层土工织物施工原始记录表施工单位:合同号:监理单位:编号:施原-007
质检员:质检工程师:现场监理:
石家庄市南绕城高速公路项目
开挖基底原始记录表施工单位:合同号:
监理单位:编号:
施原-008
质检员:质检工程师:
现场监理:
石家庄市南绕城高速公路项目
大开挖基底原始记录表施工单位:合同号:
监理单位:编号:
施原-009
质检员:质检工程师:
现场监理:
石家庄市南绕城高速公路项目
墩台基础工程原始记录表施工单位:合同号:
监理单位:编号:
施原-010
质检员:质检工程师:
现场监理:
石家庄市南绕城高速公路项目
基础工程施工原始记录表
施工单位:合同号:
监理单位:编号:施原-011
质检员:质检工程师:现场监理:
石家庄市南绕城高速公路项目
砌体工程施工原始记录表
施工单位:合同号:
监理单位:编号:
施原-012
质检员:质检工程师:现场监理:
石家庄市南绕城高速公路项目
台后、锥坡填土施工原始记录表
施工单位:合同号:
监理单位:编号:
施原-013
质检员:质检工程师:
现场监理:
石家庄市南绕城高速公路项目
钻孔原始记录表
施工单位:山东黄河工程集团有限公司合同号:NRC-5
监理单位:河北四方公路工程咨询有限公司编号:施原-014
质检员:质检工程师:
现场监理:
石家庄市南绕城高速公路项目
挖孔原始记录表
施工单位:合同号:监理单位:编号:施原-015
质检员:质检工程师:
现场监理:
石家庄市南绕城高速公路项目
钻孔桩水下混凝土灌注记录表
施工单位:合同号:
监理单位:编号:
施原-016
质检员:质检工程师:现场监理:
石家庄市南绕城高速公路项目
预应力构件压浆原始记录表
施工单位:合同号:监理单位:编号:施原-017
质检员:质检工程师:现场监理:
石家庄市南绕城高速公路项目
预应力张拉施工原始记录表
施工单位:合同号:监理单位:编号:施原-018
质检员:质检工程师:
现场监理:
石家庄市南绕城高速公路项目
梁板安装原始记录表施工单位:合同号:监理单位:编号:施原-020
质检员:质检工程师:现场监理:
石家庄市南绕城高速公路项目
混凝土施工原始记录表
施工单位:合同号:
监理单位:编号:
施原-021
质检员:质检工程师:现场监理:
石家庄市南绕城高速公路项目
预制构件施工原始记录表
施工单位:合同号:
监理单位:编号:
施原-022
质检员:质检工程师:
现场监理:
石家庄市南绕城高速公路项目
水泥混凝土路面施工原始记录表
施工单位:合同号:
监理单位:编号:
施原-023
质检员:质检工程师:现场监理:
石家庄市南绕城高速公路项目
水稳拌和楼现场施工控制记录表
施工单位:合同号:监理单位:编号:
场监理:
石家庄市南绕城高速公路项目
水稳施工现场控制记录表
施工单位:合同号:监理单位:编号:
监理:
石家庄市南绕城高速公路项目
沥青路面施工现场控制记录表施工单位:合同号:
石家庄市南绕城高速公路项目
沥青拌合楼现场施工控制记录表施工单位:合同号:
监理单位:编号:
施原-027
承包商现场负责人:拌和站站长:现场监理:
石家庄市南绕城高速公路项目
透层、粘层和封层施工原始记录
施工单位:合同号:
监理单位:编号:施
石家庄市南绕城高速公路项目
交通安全设施安装施工原始记录
施工单位:合同号:
监理单位:编号:
场监理:
石家庄市南绕城高速公路项目
隧道工程现场监控量测记录表
施工单位:合同号:监理单位:编号:施原-030
记录:测量工程师:测量监理工
程师:
石家庄市南绕城高速公路项目
隧道工程周边位移现场监控量测记录表
施工单位:合同号:
监理单位:编号:
记录:测量工程师:测量监理工程师:
石家庄市南绕城高速公路项目
隧道工程周边位移现场监控量测记录表
施工单位:合同号:监理单位:编号:。