接地装置安装分项工程质量验收记录表(最新)
- 格式:xlsx
- 大小:11.40 KB
- 文档页数:1
避雷带及引下线安装分部工程质量验收表工程编号:8-1表号:DL/T 5161.1表5.0.2序号分项工程名称分项验收结论备注1综合楼避雷带及引下线安装合格验收结论:验收单位签字施工单位年月日监理单位年月日接地装置安装分部工程质量验收表工程编号:8-2表号:DL/T 5161.1表5.0.2序号分项工程名称分项验收结论备注1屋外接地装置安装合格2屋内接地装置安装合格3电气二次系统等电位接地装置安装合格验收结论:验收单位签字施工单位年月日监理单位年月日全站地下-0.8m 接地网分项工程质量验收表工程编号:8-2-1.2表号:DL/T 5161.6表1.0.2安装位置全站地下-0.8m 接地网工序检验项目性质质量标准质量验收结果单项结论原材料检查接地材料材质、规格主控符合设计文件要求,有合格证明文件合格降阻材料材质、规格符合设计文件要求,有合格证明文件垂直接地极敷设接地极顶面埋设深度主控符合设计文件要求,设计无要求时应不小于0.8m埋深0.8米,符合设计要求合格接地极间距离不小于2倍接地极长度间距10米合格水平接地极敷设接地极顶面埋设深度(包括通过道路时的埋深)主控符合设计文件要求,设计无要求时应不小于0.8m埋深0.8米,符合设计要求合格水平接地极的间距符合设计文件要求,设计无要求时应不小于5m 间距7米,符合设计要求合格接地极与建筑物的距离符合设计文件要求间距大于1.5米,符合设计要求合格均压带敷设间距符合设计文件要求接地网的外缘各角应成圆弧形且闭合,圆弧的半径不小于1/2临近均压带间距半径为6m 的圆弧形合格接地线保护措施通过道路、铁路、管道等交叉处及可能使接地线遭机械损伤处用角钢覆盖或穿钢管;穿过已有建(构)筑物处有钢管或其他坚固的保护套穿钢管保护合格断接卡的位置、数量及保护措施符合设计文件要求断接卡位置、数量符合设计要求并设置断线盒保护合格引向建筑物入口处的接地点标识白底黑色的“”刷白色底漆并标以黑色“〨”符号合格标识位于接地点正上方,便于识别标识位于接地点正上方,便于识别合格接地装置连接焊接搭接长度扁钢与扁钢(槽钢)主控不小于2倍宽度,且焊接面不小于3面圆钢与圆钢或圆钢与扁钢(槽钢)主控双面焊接时不小于6倍圆钢直径单面焊接时不小于12倍圆钢直径直接焊接,或在接触部表号:DL/T 5161.6续表1.0.2工序检验项目性质质量标准质量验收结果单项结论接地装置连接焊接部位检查焊缝外观质量符合要求,无焊渣、表面防腐合格;放热焊接头无气孔放热焊接无气孔,并刷防腐沥青漆合格螺栓连接部位的检查连接规范、防松可靠断接卡螺栓连接紧固合格压接端子连接部位的检查紧密、电气连接可靠与其他连接装置间连接点数符合设计文件要求,且不小于2点大于2点,可靠连接形成闭合回路合格降阻和防腐施工降阻施工符合设计或产品技术文件要求接地极的防腐材料和质量符合设计文件要求回填土回填土质量符合设计文件要求,无腐蚀性,无石块、建筑垃圾粘土回填,无石块、建筑垃圾合格分层夯实符合设计文件要求250mm厚,分层夯实合格验收结论:验收单位签字施工单位年月日屋内接地装置安装分项工程质量验收表工程编号:8-2-2表号:DL/T 5161.6表2.0.2安装位置变电综合楼屋内工序检验项目性质质量标准质量验收结果单项结论原材料检查接地材料材质、规格主控符合设计文件要求,有合格证明文件-50×6热镀锌扁钢,合格证明文件齐全合格接地装置安装明敷接地线敷设位置符合设计文件要求,便于检查,不妨碍设备拆卸检修支持件安装支持件间距水平直线部分0.5m~1.5m垂直部分 1.5m~3.0m转弯部分0.3m~0.5m支持件固定主控牢固沿建筑物敷设时与建筑物的间距与建筑物平行,间距为10mm~15mm水平敷设时的距地面高度250mm~300mm跨越建筑物伸缩缝或沉降缝的措施应有伸缩补偿装置接地线弯成弧状合格穿过墙壁、楼板处的保护措施加装钢管或坚固的保护管穿管保护合格引向建筑物的入口处的接地点标识白底黑色的“”刷白色底漆并标以黑色“〨”符号合格标识位于接地点正上方,便于识别标识位于接地点正上方,便于识别合格电气装置的接地与接地母线或接地网的连接主控连接可靠、无串接连接可靠、无串接合格接地体连接扁钢与扁钢(槽钢)主控焊接长度不小于2倍宽度,且焊接不小于3个棱边搭接110mm,3面满焊合格圆钢与圆钢或圆钢与扁钢的连接长度主控双面焊接长度不小于6倍圆钢直径单面焊接长度不小于12倍圆钢直径焊接部位检查主控焊缝外观质量符合要求,无焊渣,表面防腐合格焊缝饱满,无焊渣合格表号:DL/T 5161.6续表2.0.2工序检验项目性质质量标准质量验收结果单项结论接地装置安装与屋外或其他接地装置连接点数主控符合设计文件要求,且不小于2点与屋外主接地网27点连接合格接地线与支持件间连接牢固其他明敷接地线标识15mm~100mm等宽的黄色、绿色相间的条纹标识中性线标识淡蓝色标识淡蓝色标识合格验收结论:验收单位签字施工单位年月日综合楼避雷带接地装置安装分项工程质量验收表工程编号:8-1-1表号:DL/T 5161.6表3.0.2安装位置综合楼楼顶工序检验项目性质质量标准质量验收结果单项结论集中接地装置敷设材料材质、规格主控符合设计文件要求,有合格证明或复检结论合格接地极顶面埋设深度主控符合设计文件要求,设计无要求时应不小于0.8m 接地极间距离不小于2倍接地极长度与接地网连接可靠引下线安装器材材质、规格主控符合设计文件要求-50×6热镀锌扁钢,合格证明文件齐全合格引下线与接地网的连接可靠引下线与避雷带焊接牢固,与主接地网螺栓连接紧固合格引下线固定牢固暗敷固定牢固合格断接卡设置与连接符合设计文件要求暗敷接线盒保护,距地1.6米,与主地网螺栓连接合格其他接地装置安装用作避雷针接地引线的金属筒体与接地极的连接两点对称,可靠独立避雷针及其接地装置与道路或建筑物的出入口距离主控≥3m ;当小于3m 时,应采取均压措施或铺设卵石或沥青地面独立避雷针和避雷线独立的集中接地装置与接地网的地中距离≥3m ;不能满足时,应符合设计文件要求避雷针或防雷金属网与建筑物顶部的其他金属物体连接可靠且连成一体可靠且连成一体合格厂、站内避雷线检查挡内不应有接头验收结论:验收单位签字施工单位年 月 日继电保护及安全自动装置的接地装置安装分项工程质量验收表工程编号:8-2-3表号:DL/T 5161.6表4.0.2安装位置变电综合楼工序检验项目性质质量标准质量验收结果单项结论等电位接地网装置安装材料材质、规格铜制材料,截面不小于100mm2TMY-25×4铜排,合格证明文件齐全合格与主接地网的连接主控采用不小于50mm2、不小于4根的铜缆与主接地一点直接连接,且连接位置远离强电场4根VV-1.0-1×50电缆与主地网1点连接合格屏柜下的等电位接地网连成环网,用绝缘子固定连成环网,用绝缘子固定合格屏柜内的等电位接地铜排截面不小于100mm2,用绝缘子固定25×4铜牌,用绝缘子固定牢固合格屏柜内等电位接地铜排与等电位接地网连接铜芯电缆,截面不小于50mm2合格电缆屏蔽层接地采用截面不小于4mm2的多股铜线与等电位铜排可靠连接,接地方式符合设计文件要求合格等电位接地铜排的固定符合设计文件要求用膨胀螺丝将380V绝缘子固定于沟道内上方沟壁,铜排与绝缘子螺栓固定合格其他电压互感器、电流互感器的二次回路接地电流回路各绕组一点接地,公用电压回路全站一点接地,接地点位置符合设计文件要求电流回路各绕组一点接地,公用电压回路全站一点接地,接地点位置符合设计文件要求合格控制电缆铠装层直接接地直接接地合格验收结论:验收单位签字施工单位年月日全站地下-0.8米接地网屋外接地装置隐蔽前检查签证工程编号:8-2-1.2表号:DL/T 5161.6表6.0.2检查范围全站地下-0.8m接地网检查项目检查结果备注接地沟深度(m)-0.8米水平接地极材质、规格垂直接地极材质、规格接地装置连接方法热熔焊接地极搭接长度接地极焊接面数水平与垂直接地极连接方法热熔焊焊接处的防腐措施刷沥青防腐漆接地装置顶面距地面高度(m)-0.8米沟内有无石块、建筑垃圾无石块建筑垃圾接地装置布置图应有份数1实有份数1验收结论:验收单位签字施工单位年月日接地电阻测试签证工程编号:表号:DL/T 5161.6表6.0.4测试范围测试日期年月日天气情况环境温度(℃)测试方案及过程简述:接地电阻实测值(Ω)接地电阻设计值(Ω)测试人员资格检查情况检测用设备、仪器检查情况施工记录资料检查情况附件:接地电阻测试报告,接地导通测试报告验收结论:[经检查验收:××接地网接地电阻测试记录及报告(接地电阻测试、接地导通测试)真实、齐全,所测区域接地电阻符合设计规定,接地导通合格]验收单位签字施工单位年月日。
接地装置安装检验批(可以直接使用,可编辑优秀版资料,欢迎下载)接地装置安装报审/验表工程名称:编号:填表说明:本表一式二份,项目监理机构、施工单位各一份。
接地装置安装检验批质量验收记录07070101现场验收检查原始记录共页第页监理工程师:专业工长:质检员:年月日--------------------------------工程工程报验申请表工程项目名称:施工合同段: 编号:注:本表一式3份,施工单位2份,监理单位1份.--------------------------------------工程钻(挖)孔桩孔内灌注水下混凝土前检查证----------------------------------------工程钻(挖)孔桩桩位检查表年月日-------------------------------------工程钻(挖)孔桩成孔检查表填表单位:填表:工地主管:年月日-----------------------------------------工程---------------------------------------工程水下混凝土灌注记录表编号:注:(1)附注栏中应绘桩位示意图;(2)采用套管钻机时,应增列套管底口高程和套管埋入深度。
------------------------------------工程钻孔检验批质量验收记录表-----------------------------------------工程钢筋(连接及安装)工程检验批质量验收记录表(Ⅱ)--------------------------------------------工程混凝土(原材料及配合比)检验批质量验收记录表(Ⅰ)----------------------------------------工程钻(挖)孔记录-----------------------------------------工程钢筋(原材料及加工)检验批质量验收记录(Ⅰ)----------------------------------------工程混凝土(原材料)检验批质量验收记录(Ⅰ)工程检查证编号:绿化资料目录1、附录A施工现场质量管理检查记录2、附录B园林建筑小品、假山叠石、绿化工程分部(子分部)工程、分项工程划分3、附录B园林建筑小品、假山叠石、绿化工程分部(子分部)工程、分项工程划分续表4、附录C检验批质量验收记录5、附录D分项工程质量验收记录6、附录E分部(子分部)工程质量验收记录7、表F-1单位(子单位)工程质量竣工验收记录8、表F-2园林工程质量控制资料核查记录9、表F-3单位(子单位)工程安全和功能检验8、表F-4单位(子单位)工程观感质量评定表9、表F-4-1绿化单位工程观感质量评定表11、表F-4-2园林建筑小品工程观感质量评定表12、表F-4-3假山叠石单位工程观感质量评定表13、竹结构工程检验批质量验收记录14、木结构工程检验批质量验收记录15、中、简瓦屋面工程检验批质量验收记录17、嵌草地坪检验批质量验收记录18、碎拼大理石工程检验批质量验收记录19、卵石面层检验批质量验收记录20、定形石块面层检验批质量验收记录21、面层检验批质量验收记录22、水泥花砖面层检验批质量验收记录23、混凝土板块面层检验批质量验收记录24、运动型草坪工程检验批质量验收记录25、栽植土基层处理检验批质量验收记录26、栽植土进场检验批质量验收记录27、栽植土地形整理检验批质量验收记录28、植物材料工程检验批质量验收记录129、植物材料工程检验批质量验收记录230、树木栽植工程检验批质量验收记录31、草坪、花坛、地被栽植工程检验批质量验记录32、大树移植工程检验批质量验收记录33、表F-4-4大树移植工程观感质量评定表34、假山、叠石检验批质量验收记录35、分项工程质量验收表36、附件表37、38、39、附录A 施工现场质量管理检查记录注:此表由现场监理工程师填写,总监(建设单位项目负责人)进行检查,并做出检查结论。
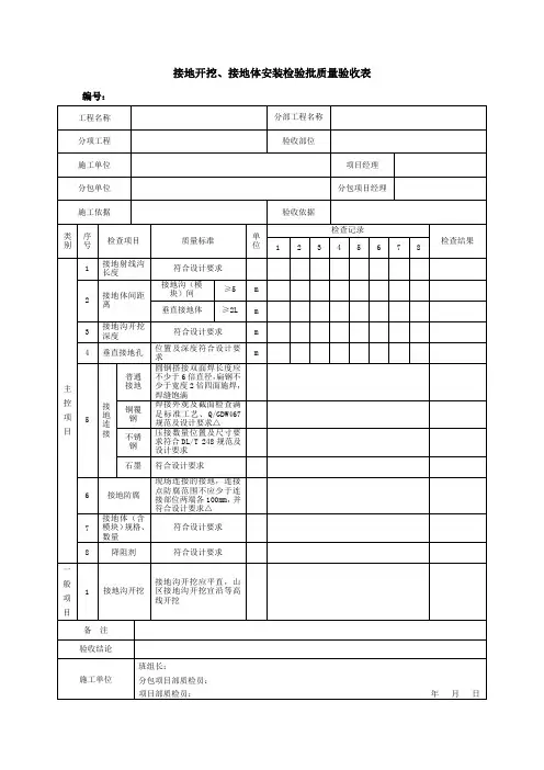
接地开挖、接地体安装检验批质量验收表编号:
填表说明:
1.适用范围及要求:本表格适用于输电线路工程水平、垂直等接地装置的铁塔接地沟开挖及安装的验收,包括石墨、铜覆钢、不锈钢等材质类型的接地,接地开挖的验收工作在安装前进行,安装在接地未回填前进行,验收完成当日填写本表。
质量验收以施工图、国网标准工艺以及《电气装置安装工程接地装置施工及验收规范》(GB 50169)要求为依据,包括但不限于接地电阻测量值、接地引下线的弯制和材质、接地沟回填情况等。
2.检查数量:
应测量接地方框、接地射线的长度并记录,其中:
1) 接地射线沟的长度应全部测量,接地数量按照设计图纸,分别记录在表,;
2) 两接地沟间距离应抽检至少2个点,并记录实测距离;
3) 两接地模块间距离应抽检至少4个点,并记录实测距离;
4) 两垂直接地体间距离应全部测量,如上表空格不够可增补,并记录全部实测距离。
垂直接地体间距中的L指垂直接地体长度;
5) 接地沟和接地方框应随机抽检10个点的埋深,记录其中4个埋深最浅点的开挖深
度;
6) 垂直接地装置所有接地孔的深度均应进行测量,如上表空格不够可增补,并记录全
部实测深度。
3.检验批划分:以单基铁塔接地沟开挖为一个检验批。
表1.综合布线系统安装分项工程质量验收记录表(Ⅰ)编号:编号:编号:编号:表5.视频安防监控系统分项工程质量验收记录表编号:安全防范综合管理系统分项工程质量验收记录表编号:出入口控制(门禁)系统分项工程质量验收记录表编号:表8.入侵报警系统分项工程质量验收记录表编号:停车场(库)管理系统分项工程质量验收记录表编号:表10.综合防范功能分项工程质量验收记录表编号:表11.电源系统分项工程质量验收记录表(Ⅰ)编号:表12.电源系统分项工程质量验收记录表(Ⅱ)编号:防雷与接地系统分项工程质量验收记录表(Ⅰ)编号:防雷与接地系统分项工程质量检测记录表(Ⅱ)编号:表15.机房消防系统分项工程质量验收记录表编号:表16.机房空调与通风系统分项工程质量验收记录表编号:表17.数据通信接口分项工程质量验收记录表编号:系统实时性、可维护性、可靠性分项工程质量验收记录表编号:表19.现场设备安装及检测分项工程质量验收记录表编号:中央管理工作站及操作分站分项工程质量验收记录表编号:表21.有线电视系统分项工程质量验收记录表编号:公共广播与紧急广播系统分项工程质量验收记录表编号:计算机网络系统检测分项工程质量验收记录表(Ⅰ)编号:计算机网络系统检测分项工程质量验收记录表(Ⅱ)编号:网络安全系统检测分项工程质量验收记录表(Ⅰ)编号:网络安全系统检测分项工程质量验收记录表(Ⅱ)编号:应用软件系统检测分项工程质量验收记录表(Ⅰ)编号:应用软件系统检测分项工程质量验收记录表(Ⅱ)编号:系统集成可维护性和安全性分项工程质量验收记录表编号:表30.系统集成网络连接分项工程质量验收记录表编号:表31.系统集成整体协调分项工程质量验收记录表编号:系统集成综合管理及冗余分项工程质量验收记录表编号:表33.系统数据集成分项工程质量验收记录表编号:表34.安防子系统检测记录编号:表35.强制措施条文检测记录表编号:表36.系统(分部工程)检测汇总表系统(工程)名称:编号:不高中语文,语文试卷,计算机,付出了大量高中语文,语文试卷,计算机努力,表37.单位/分部工程竣工报验单工程名称:编号:看作整十数试商;当初商偏大或偏小时,就要分别调小或调大。
接地装置施工分项工程质量验收记录表(线地1)工程编号:110kV县铺线全线拉线杆塔更换为自立塔改造Q/CSG表1-B.30设计桩号N50 接地型号B20s测量时气温25℃施工日期2013年10月17日检查日期2013年10月26日序号检验项目性质质量标准(允许偏差)施工单位自检结果质量等级启委会验收组抽查结果合格值合格值1 接地体规格关键设计值:12符合设计要求合格符合设计要求2 接地电阻值关键设计值:30Ω实测值8.8Ω合格不大于设计值比设计值小5%计算季节系数后5.72Ω合格3 接地体连接□圆钢双面焊关键搭接长度≥6倍值径符合设计要求合格□扁钢四面焊搭接长度≥2倍宽度4 接地体埋深重要设计值:600mm610mm 合格不小于设计值5 接地体放射线长度重要设计值:60000mm60000mm 合格不小于设计值6 降阻剂使用情况重要符合GB50233—2005第8.0.8条规定/ 合格7 接地体防腐重要符合设计要求符合设计要求合格8 引下线安装一般与杆塔连接应接良好牢固、整齐、统一美观符合要求合格9 回填土一般符合GB50233-2005第4.0.11条规定符合规范合格10 接地装置实际敷设简图:受电侧60米9米60米9米9米60米60米9米送电侧CBA DQ/CSG表1-B.30(续)监理单位验收意见(评级):启委会验收组验收意见:合格:项不合格:项缺陷处理情况:验收单位质量验收结论签名班组年月日施工队年月日项目部年月日监理年月日启委会验收组(只对所抽检分项年月日工程签名确认)备注测量接地电阻值时的季节系数为: 1.4。
防雷及接地安装隐蔽工程检查验收记录编号:(01-18/03-02/04-02/05-16)/06-17 /(08-20/09-01)□□□1 / 30防雷及接地安装隐蔽工程检查验收记录编号:(01-18/03-02/04-02/05-16)/06-17 /(08-20/09-01)□□□2 / 303 / 30防雷及接地安装隐蔽工程检查验收记录编号: (01-18/03-02/04-02/05-16)/06-17 /(08-20/09-01)□□□4 / 30防雷及接地安装隐蔽工程检查验收记录编号:(01-18/03-02/04-02/05-16)/06-17 /(08-20/09-01)□□□5 / 30防雷及接地安装隐蔽工程检查验收记录编号:(01-18/03-02/04-02/05-16)/06-17 /(08-20/09-01)□□□6 / 30防雷及接地安装隐蔽工程检查验收记录编号: (01-18/03-02/04-02/05-16)/06-17 /(08-20/09-01)□□□7 / 30防雷及接地安装隐蔽工程检查验收记录编号: (01-18/03-02/04-02/05-16)/06-17 /(08-20/09-01)□□□防雷及接地安装隐蔽工程检查验收记录编号:(01-18/03-02/04-02/05-16)/06-17 /(08-20/09-01)□□□8 / 30防雷及接地安装隐蔽工程检查验收记录9 / 30编号:(01-18/03-02/04-02/05-16)/06-17 /(08-20/09-01)□□□10 / 30防雷及接地安装隐蔽工程检查验收记录编号:(01-18/03-02/04-02/05-16)/06-17 /(08-20/09-01)□□□11 / 30防雷及接地安装隐蔽工程检查验收记录编号:(01-18/03-02/04-02/05-16)/06-17 /(08-20/09-01)□□□12 / 30电线导管敷设隐蔽工程检查验收记录编号:(01-18/03-02/04-02/05-16)/06-17 /(08-20/09-01)□□□13 / 30防雷及接地安装隐蔽工程检查验收记录编号:(01-18/03-02/04-02/05-16)/06-17 /(08-20/09-01)□□□14 / 3015 / 30防雷及接地安装隐蔽工程检查验收记录编号:(01-18/03-02/04-02/05-16)/06-17 /(08-20/09-01)□□□16 / 30防雷及接地安装隐蔽工程检查验收记录编号:(01-18/03-02/04-02/05-16)/06-17 /(08-20/09-01)□□□17 / 30防雷及接地安装隐蔽工程检查验收记录编号:(01-18/03-02/04-02/05-16)/06-17 /(08-20/09-01)□□□电线导管敷设隐蔽工程检查验收记录18 / 30编号:(01-18/03-02/04-02/05-16)/06-17 /(08-20/09-01)□□□19 / 30防雷及接地安装隐蔽工程检查验收记录编号:(01-18/03-02/04-02/05-16)/06-17 /(08-20/09-01)□□□20 / 30防雷及接地安装隐蔽工程检查验收记录编号:(01-18/03-02/04-02/05-16)/06-17 /(08-20/09-01)□□□21 / 30防雷及接地安装隐蔽工程检查验收记录编号:(01-18/03-02/04-02/05-16)/06-17 /(08-20/09-01)□□□防雷及接地安装隐蔽工程检查验收记录编号:(01-18/03-02/04-02/05-16)/06-17 /(08-20/09-01)□□□23 / 30防雷及接地安装隐蔽工程检查验收记录编号:(01-18/03-02/04-02/05-16)/06-17 /(08-20/09-01)□□□25 / 30防雷及接地安装隐蔽工程检查验收记录编号:(01-18/03-02/04-02/05-16)/06-17 /(08-20/09-01)□□□26 / 30防雷及接地安装隐蔽工程检查验收记录编号:(01-18/03-02/04-02/05-16)/06-17 /(08-20/09-01)□□□27 / 30防雷及接地安装隐蔽工程检查验收记录编号:(01-18/03-02/04-02/05-16)/06-17 /(08-20/09-01)□□□28 / 30防雷及接地安装隐蔽工程检查验收记录编号:(01-18/03-02/04-02/05-16)/06-17 /(08-20/09-01)□□□防雷及接地安装隐蔽工程检查验收记录编号:(01-18/03-02/04-02/05-16)/06-17 /(08-20/09-01)□□□29 / 3030 / 30。