漆包线检验标准
- 格式:doc
- 大小:290.50 KB
- 文档页数:2
东莞立亚达电子有限公司Dong Guan Readore Electronics Co,Ltd ISO 9000 三阶文件文件编号QA -J- 01 A 版本 A页码第1页共17页标题IQC检验标准细则—02漆包线生效日期检查处2.标志正确、清楚抽样样本数目视检查/ √其它供应商出货检验报表每批1份目视检查/ √材质证明三个月附1次目视检查/ √环境物质测试报告1年1次目视检查/ √保证函每批1份目视检查/ √东莞立亚达电子有限公司文件编号QA -J- 01 AISO 9000 三 阶 文 件页码第2页 共17页标 题IQC 检验标准细则—02漆包线生效日期东莞立亚达电子有限公司文件编号QA -J- 01 A2.检验标准说明:2.1IQC 对漆包线进行检验时,其抽样标准定订如下:2.1.1 漆包线是供货商以连续生产之方式及一次性配料生产同一批之材料;2.1.2依此物料之特性,故订出抽验标准及判定依据如下(所谓的抽样轴数,是指抽取试验样品之载体,而非指试验品数);抽样表:2.2漆包线耐压试验: 2.2.1漆包线均要做耐压试验;三层绝缘线依照第一种进行耐压试验。
2.2.2圆形漆包线试验条件及规格(漏电流: 0.5mA 时间1S):(转下页) 注:a. 直径在0.100mm 及以下的用圆棒法试验;直径在0.100mm 以上,2.500mm及以下的用扭绞法试验;直径在2.500mm 以上的用铝箔法试验; b. 介于相邻直径间的中间规格导线,取较大直径相应的破坏电压值;c. 圆棒法: 取试样12cm,单层、紧密、均匀地卷绕30圈于直径为1.0mm 的钢棒上,电压施于漆膜与钢棒之间; d. 扭绞法: 取试样12cm(线头镀锡),弯折并缠绕扭合成一股(线径与扭合次数如下表),电压施于漆膜与导体之间:e.受检批重量(Kg) 抽样轴数 次要缺点允收/拒收0~45 1 0/1>45~175 2 0/1>175~350 3 0/1>350~550 4 0/1 >550~1450 5 1/2 >1450~3000 6 1/2>3000~4000 8 1/2>4000~7000 10 2/3 >7000~10000 12 2/3 以上线径(mm) 0.120 0.180 0.290 0.410 0.710 1.200 2.500 扭合次数302420161296圆形漆包线试验条件及规格(漏电流: 0.5mA 时间1S)东莞立亚达电子有限公司 文件编号 QA -J- 01 A 版本 A 导体直径 mm 破坏电压(VAC)0种1种 2种 0.018110 0.020 250 120 0.022 275 130 0.025 300 150 0.028 325 170 0.032 375 190 0.036 425 225 0.040 475 250 0.045 550 275 0.050 600 300 0.056 650 325 0.063 700 375 0.0717004250.080 1200 850 425 0.090 1300 900 500 0.100 1400 950 500 0.112 3900 2700 1300 0.125 4100 2800 1500 0.140 4200 3000 1600 0.160 4400 3200 1700 0.180 **** **** 1700 0.200510035001800Dong Guan Readore Electronics Co,LtdISO 9000 三 阶 文 件页码 第4页 共17页标 题IQC 检验标准细则—02漆包线生效日期2.2.3方形漆包线试验方法(金属箔电极法)及规格:a. 取6mm 宽的薄金属箔置于13mm 宽的粘胶带中央,并将此种胶带剪成74mm 长的小段作为电极;b. 取4个此种电极,金属箔朝向,导线绝缘层紧密平贴于间距51mm 的方形导线棱角处,胶带至少包覆漆包线一圈半;c. 测试电路之漏电流为0.5mA,电压分别顺次施于各电极与导体间;d. 测试电压从O 开始以500(±20%)VAC/1SEC 的速率均匀增加至漆包线被击穿,最小击穿电压如下:e. 若在正常的实验室条件下,高压试验失败,重新取线,使线不受任何外力及弯曲,在60±3℃烘干20±1分钟,冷却至室温,再按照前面的程序,做高压测试。
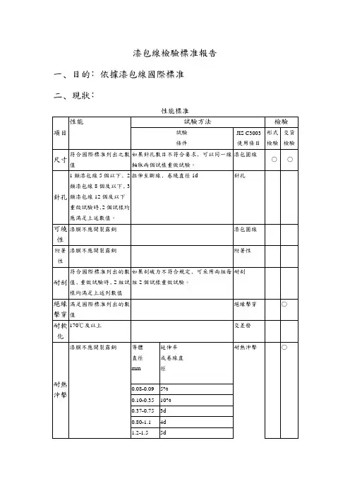
漆包线检验标准QZY-21.外观检验:表面光滑,色泽均匀,无漆瘤和白色润滑剂,表面绝缘漆膜无脱落、氧化、划痕、损伤,无打结现象2.尺寸检验:2.1漆包线直径:标准参照IEC60317对照表,检验方法:千分尺2.2导体直径:标准参照IEC60317对照表,检验方法:千分尺2.3漆包线直径:标准参照IEC60317对照表,检验方法:千分尺2.4导体误差值:标准参照IEC60317对照表4.电性能:4.1电阻:取要检验的漆包线1m,将两端的漆膜刮去,测量漆包线的电阻,电阻测量值要与IEC60317的要求电阻范围内;标准温度20度,换算公式:20度的电阻/234.5+标准温度=实际测量电阻/234.5+测量温度。
4.2可焊性:①剪取需要检验的铜线材料;②根据材料可焊性条件范围设定锡炉温度;③使用温度测量器对锡炉温度测量确认锡炉温度在材料承认书的可焊性条件范围内;④焊锡条件依材料承认书,铜线上锡效果:当铜线浸锡后目检表面着锡面积95%以上,不遗留残渣。
⑤.非直焊性线径剥皮处理后依(第①-④点)作业。
4.3针孔测试:见针孔测试标准4.4击穿电压:取漆包线0.5m对折一次,将对折部位剪断并刮去四根线漆皮,然后再对折两次,并将对折后的漆包线扭成麻花状态,(两端各有两个线头)分别用高压仪测试同一端的两根线头的高压,(高压标准:参照附件IEC60317Ⅱ级标准)。
5、记录检验人员依据检验标准的要求执行操作检验,将检验数据记录在检验报表中。
编制:罗朝国审核:批准:线径(mm )麻花圈数<0.2533圈0.25-0.4516圈>0.4512圈漆包线针孔检验标准1.主题内容与适用范围:本标准适用于本企业漆包线检验之用。
2.操作过程:配置溶液及接线:A.配置盐水溶液:食盐30克,清水10公斤,浓度为3‰;B.配置酚酞溶液:酒精100克,酚酞3克;C.配置溶液:每10公斤盐水溶液加入20毫升酚酞溶液。
D.按图1检查盐浴装置正负极接线是否正确。
漆包铜扁线进厂检验国标漆包线检验标准 QZY-21.外观检验:表面光滑,色泽均匀,无漆瘤和白色润滑剂,2.尺寸检验:2.1 漆包线直径:标准参照GB/T6109 ,检验方法:千分尺2.2 导体直径: 标准参照GB/T6109,检验方法:千分尺2.3 漆包线直径:标准参照GB/T6109,检验方法:千分尺2.4 导体误差值:标准参照GB/T61093.机械特性:3.1 伸长率:标准参照GB/T6109,检验方法:拉长仪器,计算方法:(拉伸后的长度-拉伸前的长度)/拉伸前的长度的比;3.2 急拉断:标准按照每秒2米的速度急拉,检验漆膜无开裂,3.3 圆棒卷绕:将不同规格的漆包线与相对应的铜棒绕上十圈,检验漆膜无开裂,铜棒的直径参照GB/T6109要求;3.4 热冲击: 将卷绕漆包线放在烘箱中(悬挂在烘箱中间位置)烘0.5小时,烘箱温度与漆包线对应的规格要求,参照GB/T6109,烘完以后检验漆膜无开裂。
4.电性能:4.1 电阻:取要检验的漆包线1m, 将两端的漆膜刮去,测量漆包线的电阻,电阻测量值要与GB/T6109的要求电阻范围内;标准温度20度,换算公式:20度的电阻/234.5+标准温度=实际测量电阻/234.5+测量温度;4.2 盐浴测试:见盐浴测试标准4.3 击穿电压:取漆包线0.5m对折一次,将对折部位剪断并刮去四根线漆皮,然后再对折两次,并将对折后的漆包线扭成麻花状态,(两端各有两个线头)分别用高压仪测试同一端的两根线头的高压,(高压标准:参照附件国家2级标准)。
编制: 批准:漆包线盐浴检验标准1. 主题内容与适用范围:本标准适用于本企业漆包线检验之用。
2. 操作过程:配置溶液及接线:A. 配置盐水溶液:食盐30克,清水10公斤,浓度为3‰;B. 配置酚酞溶液:酒精100克,酚酞3克;C. 配置溶液:每10公斤盐水溶液加入20毫升酚酞溶液。
图1D. 按图1检查盐浴装置正负极接线是否正确。
浙江赛安电气科技有限公司编号:QR-18-01漆包圆绕组线检验规范1.适用范围:本规范适用于线规为0.10mm~2.50.mm的2级漆膜聚酯漆包圆绕组线。
2.引用标准:GB6109 漆包圆绕组线GB4074.2 漆包线试验方法(尺寸测量)GB4074.11 漆包线试验方法(热冲击试验)GB4074.17 漆包线试验方法(击穿电压试验)3.技术要求:3.1 漆包圆线应符合GB6109的规定。
3.1.1漆膜应光滑、均匀,不应有影响产品性能的缺陷。
3.1.2 漆包铜线的直径、漆层的最小厚度和漆包线最大外径,应符合表1的规定。
3.1.3 按表2的规定圈绕后,在规定温度的热冲击后漆膜应不开裂。
3.1.4 在室温条件下,用扭纹法试验,其击穿电压应符合表3规定。
3.1.5 节能认证一致性核查:QZY-2/155 制造商:江苏大通机电有限公司。
4. 验收规则及试验方法:4.1验收产品检验合格证。
4.2 测量工具仪器:千分尺、耐压台,电热鼓风箱(0~300℃)、放大镜。
4.3 抽取样本:每种规格型号抽取GB2828-87 特殊检查水平S-2(以筒数计算),每筒抽取长4000mm.4.4 试验方法4.4.1 尺寸测量:a.漆包圆线直径D:在相距1000mm,的两个位置上每个位置沿试样圆周均匀分布的三处进行测量。
b.漆包圆线导体直径d: 在相距1000mm的两个位置上,用任何不损坏导体的方法(一般用酒精灯烧漆包线至发红,然后冷却至常温,再用洁净物轻轻擦净)去掉绝缘层,在每个位置上,沿试样圆周均匀分布的三处进行测量。
c.测量结果的计算:取漆包线和漆包线导体各两个位置上六个测量值的平均值作为漆包线直径D和漆包线导体直径d的测量结果。
d.f值(导体圆度的误差)的计算:f值按下式计算:f=d1-d2d1—同一截面导体直径最大测量值,mmd2—同一截面导体直径最小测量值,mme.漆膜厚度的计算:漆膜厚度按下式计算:漆膜厚度=D-df.以上测量结果应符合表1规定。
美标漆包线标准
美标漆包线标准是指美国国家标准协会(ANSI)对漆包线的质量和性能要求所制定的标准。
漆包线是一种由导体线缠绕在绝缘层上并经过涂漆、干燥、浸泡等工艺制成的电线,主要用于电子电器、电机、变压器等设备中。
美标漆包线标准主要包括以下几个方面:
1. 明确漆包线的材料和制造工艺要求,包括导体的材质、绝缘层和涂漆材料的规格和性能等。
2. 规定漆包线的尺寸和外观要求,包括直径、形状、表面平整度等,以保证漆包线的质量和可靠性。
3. 规定漆包线的电性能要求,包括电阻、介电强度、绝缘电阻等,以保证漆包线在电气设备中的可靠性和安全性。
4. 定义漆包线的各种试验方法和检验标准,包括外观检验、电性能测试、耐热性试验、耐湿性测试等,以保证漆包线的质量和一致性。
美标漆包线标准是漆包线制造和使用的重要依据,也是保证漆包线质量和性能的必要条件。
制造企业和用户应根据标准要求严格控制和检验漆包线的质量,确保漆包线的安全可靠性。
- 1 -。
拟定时间一.适用范围:1.本公司生产之所有漆包线均适用本规格承认书。
2.漆包线种类:UEW、UEWF、UEW+ NY、UEWF+NY、UEWH、UEWH+NY,包括系列有色线(R、B、G)、EIW、EIW+ NY、PEW、PEW+ NY。
3.NY 漆包线、双被覆尼龙NY 涂料,具有优良的耐磨性及排线,便于高速绕线作业。
二.检验项目:适用于所有种类漆包线。
1.UEW 系列包括:UEW+ NY 系列有色线。
2.PEW 系列包括:PEW+ NY。
3.EIW 系列包括:EIW+NY。
4.UEWF 系列包括:UEWF+NY 系列有色线。
5.UEWH 系列包括:UEWH+NY 系列有色线。
1 外观7 直焊性2 尺寸8 耐热冲击3 针孔9 耐软化性4 伸长率10 密著性5 绝缘破坏电压11 曲伸性6 导体电阻三.耐温等级:1.UEW:聚胺酯漆包线,耐热等级为 B 级130︒C,可直焊(UL-E196072)。
2.UEW F:聚胺酯漆包线,耐热等级为 F 级155︒C,可直焊(U L-E196072)。
3.PEW:聚酯瓷漆包线,耐热等级为 F 级155︒C 不可直焊性(U L-E196072)。
4.EIW:聚酯亚胺漆包线,耐热等级为H 级有 180︒C 和200︒C,可直焊与不可直焊二种(U L-E196072)。
5.UEW H:聚胺脂漆包线,耐热等级为H 级180C,可直焊(U L-E196072)。
漆包线针孔检验指导书一.使用器材:针孔试验机、水盆、锡炉、清水杯、酒精灯、剪刀、提钩、3 寸胶轴、5 寸胶轴。
二.试验原料:食盐、酒精、酚酞、清水。
三.测试条件:1.测试环境温度:一般条件使用温度:22.5±12.5C。
2.测试环境湿度:一般条件使用湿度:5020%。
3.测试电流电压:DC12V 电流电压一分钟。
4.溶液之配方比例:浓度为3%的酚酞酒精溶液加入到浓度为0.2%的食盐水中,比例适中。
四.测试原理:根据电解铜的原理,2CU+2H2O 通电2CUO(红色)+2H2,汽孔处呈红色状,即为针孔。
漆包线检验规范总则23 检验规范总则23.1 取样总则试样应从整盘或整轴的漆包线上取样,取样时,漆包不得承受张力或不必要的弯曲。
23.2 试验环境所有试验均应在15℃~35℃,相对湿度为45%~75%的条件下进行。
23.3 抽样方案判定准则23.3.1 同机台每天(24小时,即在早、中、晚三个时段内)生产送检的同一品种规格为一大批,同机每班生产的品种规格为一小批。
23.3.2 当同一机台每天生产一种品种规格时,每小批应抽样2轴,且两轴的编号应分别是机台两边任部进行全性能检验,首件应标识清楚且标注送样时间,质管部在1.5小时内应及时出具《成品检验报告》交车间,合格则继续生产;首检某项目不合格时,车间应按上述规定再次送至质管部进行该项目或相关项目首件确认(由车间根据调整的某工艺参数需确定的相关项目,若车间未有要求,一般只就不合格项目再进行首检)。
23.3.3 车间或技术部在生产过程进行工艺调整时,应视具体调整情况决定是否进行全部项目检验或部分项目检验,并知会检验员。
在车间或技术部未通知的情况下,一般就原不合格项目进行再次检验。
23.3.4 当同一机台开机生产一种品种规格时,每小批首检应抽样4轴(收线为20头及以下的)或6轴(收线为20头以上的),且取样轴的编号应对半分别是机台两边的线头号,若送检线全是机台一边所生产(另一边未开),则每小批相应只抽样2轴或3轴。
23.4 以上抽样方案有不合格产品时,应加倍抽样,加倍抽样仍有不合格时应进行该批数量全检。
23.5首件成品检验机台停机后开机或转规格出成品线时,必须用线盘卷取100m左右试样(首件)送至质管24 检验记录24.1一般情况下,每大批中每小批均应单独出具一份《成品检验报告》;若每大批中有一小批不合格,则应单独出具一份《成品检验报告》并附《品质异常处理单》;若每批不合格数大于或等于3盘,则应填写《品质异常处理单》报车间,每批不合格数小于3盘,则应填写《质量信息反馈单》报车间。
1.目的:规范流程,指导工作。
2.适用范围:本规程适用于500V以下交流电机,圆线绕组的绕线操作工艺。
3.主要内容:3.1 领料3.1.1 注意技术部下发的定子线圈图纸,根据其下方表格的线规一栏中所示线径和右下角标题栏中的材料类别,向仓库领取相应的漆包线。
常用的漆包线类型为QZ-2。
例如:按图纸中的重量向仓库领取裸导体直径为0.85mm、热级为130的改性聚酯漆包铜圆线。
漆包线常用代号说明:3.1.2 测量漆包线:测量工具;微米干分尺,精确度O.002mm ;酒精灯;抹布;打火机。
漆包圆线,导体直径d<0.100mm时,测力0.1-1.0N;导体直径d≥0.100mm测力I-8N。
漆包扁线测力4-8N。
①.测量外形尺寸(外经)D:即导体涂上一层绝缘漆膜后所测得的直径。
对于圆线,当导体标称直径d≤0.200mm时,在相距各1m的3个位置,各测量一次外径,记录3个测量值,取其平均值作为外径。
当导体标称直径d>0.200mm时,相距1m的两个位置上,每个位置沿线周均分测量3次外径,记录6个测量值,取其平均值作为外径。
对于扁线,在相距各100mm的3个位置上各测量宽边和窄边尺寸1次,取再穿过保护桶上方的两个瓷嘴穿过线架前方的多孔瓷嘴,套上若干个白色套管,数目约为当天所需加工的定子铁心个数乘以9再加上1。
根据定子铁心的型号和规格,如:B5、B7、F4等等,以及定子铁心长度,来选择相例如:加工2个如下要求的定子铁心按:“R”→“0”“1”“0”“0”“9”“6”→“R”→“0”“2”“0”“0”“9”“6”→“R”→“0”“3”“0”“0”“9”“6”→……→“R”→“7”“2”“0”“0”“9”“6”→“B”“R”→“START”注意:如果需加工此定子铁心的数目超过2个时,比如说上面这个例子改为加工4个定子铁心,即AA=144圈,由于AA max= 99圈,则剩余的45圈必须要进行第二次设置,输入则改为:“R”→“0”“1”“0”“0”“9”“6”→“R”→“0”“2”“0”“0”“9”“6”→“R”→“0”“3”“0”“0”“9”“6”→……→“R”→“9”“9”“0”“0”“9”“6”→“B”“R”→“START”,绕完这99圈后,再接着绕需要的45圈线,重新再设置:“R”→“0”“1”“0”“0”“9”“6”→“R”→“0”“2”“0”“0”“9”“6”→“R”→“0”“3”“0”“0”“9”“6”→……→“R”→“4”“5”“0”“0”“9”“6”→“B”“R”→“START”最终一共完成4台电机所需的线圈数,共144圈线。
漆包线检验细则(总3页) -CAL-FENGHAI.-(YICAI)-Company One1
-CAL-本页仅作为文档封面,使用请直接删除
首页格力电器中山
小家电
质控部检验细则
漆包线生效日期:
共3页第 1 页
1 主题内容与适用范围
本细则规定了漆包线的技术要求和检验项目等。
本细则适用于QA、1UEW、2UEW型号的漆包线检验。
2 引用标准
QJ 环保产品中有害物质控制管理标准
GB 6109.1 漆包线圆绕线
GB 3048 金属导体材料电阻率试验方法
GB 12350 小功率电动机的安全要求
GB 5089 交流电风扇电动机通用技术条件
ZK-SX-070201 外协外购件入厂验收通则
3 检验项目
3.1 外观
线轴无刮伤、破裂,漆包线色泽均匀,表面光滑、无伤痕无污物,漆膜无剥落。
漆
膜不粘结,用指甲刮漆膜不脱落,外观不应有刮伤、汽泡、漆皮爆裂等影响使用性
能的缺陷。
3.2尺寸、结构
3.2.1导体直径、直流电阻值、最小漆膜厚度、最大完成外径、断裂伸长率符合相关国
标要求。
3.3 耐压试验
取500mm样品对折,用扭绞装置均匀扭绞,扭绞部分的长度为125mm(保证8-10个
扭绞数),将扭绞试样的端环处剪开,剪开部位的选择应保证被剪开处试样的两个端
头间距有足够大,一根接地一根接电压,按国标要求施加耐压不击穿(泄漏电流
0.5mA)。
编制
审核
会签
标准化
数据审核
S103. DOC批准标记处数更改文件号签字日期首页格力电器中山质控部检验细则。
漆包线检验标准
1.外观检验:
表面光滑,色泽均匀,无漆瘤和白色润滑剂,表面绝缘漆膜无脱落、氧化、划痕、损伤,无打结现象
2.尺寸检验:
2.1 漆包线直径:标准参考IEC60317对照表,检验方法:千分尺
2.2 导体直径:标准参考IEC60317对照表,检验方法:千分尺
2.3 漆包线漆膜厚度:标准参考IEC60317对照表,检验方法:千分尺
2.4 导体误差值:标准参考IEC60317对照表
3.电性能:
3.1 电阻
取要检验漆包线1m, 将两端漆膜刮去,测量漆包线电阻,电阻测量值要和IEC60317要求电阻范围内;标准温度20度,换算公式:20度电阻/234.5+标准温度=实际测量电阻/234.5+测量温度。
3.2 可焊性
①剪取需要检验铜线材料;
②依据材料可焊性条件范围设定锡炉温度;
③使用温度测量器对锡炉温度测量确定锡炉温度在材料认可书可焊性条件范围内;
④焊锡条件依材料认可书,铜线上锡效果:当铜线浸锡后目检表面着锡面积95%以上,不遗留残渣。
⑤.非直焊性线径剥皮处理后依(第①-④点)作业。
3.3 针孔及漏电流测试
3.3.1配置溶液及接线
A. 配置盐水溶液:食盐30 克,清水10 千克,浓度为3‰;
B. 配置酚酞溶液:酒精100 克,酚酞3 克;
C. 配置溶液:每10 千克盐水溶液加入20 毫升酚酞溶液;
D. 按图1 检验盐浴装置正负极接线是否正确。
导电体接正极直接接入盐浴池,被测定转子接负极;
E. 将电源正负极正确连接后,通直流电12V1000mA,每次做盐浴前要检验溶液导电性能,将“+”和“-”极直接浸入盐浴池中,观察电流表读数,导通电流是否达成标准值:500mA,当电流达成500mA及以上才可测试。
3.3.2 漏电流及针孔数测试标准
3.3.2.1 电流法测试标准
3.3.2.2针孔数测试标准
如针孔数量少于五个且不在同一个部位30米之内,则能够接收,其它情形均不能接收。
3.4 击穿电压
取漆包线0.5m对折一次,将对折部位剪断并刮去四根线漆皮,然后再对折两次,并将对折后漆包线扭成麻花状态,扭绞33圈,(两端各有两个线头)分别用高压仪测试同一端两根线头耐高压能力。
(高压标准:参考附件IEC60317 Ⅱ级标准)。