新版GMP检查评定标准(大输液)
- 格式:doc
- 大小:269.00 KB
- 文档页数:10
药品GMP认证(原料药)检查评定标准一、药品GMP认证(原料药)检查项目共172项,其中关键项目(条款号前加“*”)47项,一般项目125项。
二、药品GMP认证(原料药)检查时,应根据申请认证的范围确定相应的检查项目,并进行全面检查和评定。
三、检查中发现不符合要求的项目统称为“缺陷项目”。
其中,关键项目不符合要求者称为“严重缺陷”,一般项目不符合要求者称为“一般缺陷”。
四、缺陷项目如果在申-请认证的各剂型或产品中均存在,应按剂型或产品分别计算。
五、在检查过程中,企业隐瞒有关情况或提供虚假材料的,按严重缺陷处理。
检查组应调查取证并详细记录。
六、结果评定(一)未发现严重缺陷,且一般缺陷≤20%,能够立即改正的,企业必须立即改正;不能立即改正的,企业必须提供缺陷整改报告及整改计划,方可通过药品GMP认证。
严重缺陷或一般缺陷>20%的,不予通过药品GMP认证。
一、机构与人员*0301 企业应建立药品生产和质量管理机构,明确各级机构和人员的职责。
看企业组织机构图,查生产质量管理组织机构及功能设置(图示),是否涵盖生产、质量、物料仓储、设备、销售及人员管理等内容,并有负责培训的职能部门/人员。
1.有企业的组织机构图。
1.1组织机构图中体现企业各部门的设置、隶属关系及各部门之间的关系,其中生产和质量管理部门分别独立设置。
1.2组织机构图中体现质量管理部门受企业负责人直接领导。
1.3组织机构图中明确各部门名称及部门负责人。
2.岗位职责。
2.1制定了各级领导的岗位职责。
2.2制定了各部门及负责人的职责,特别是质量管理部门有独立的权限,并能对生产等部门执行《药品生产质量管理规范》进行临督和制约。
2.3制定了各岗位的岗位职责。
2.4岗位职责的制定能体现GMP的所有规定,权力、责任明确,且无交叉,无空白。
0302 企业应配备一定数量的与药品生产相适应的具有相应的专业知识、生产经验及工作能力,应能正确履行其职责的管理人员和技术人员。
新药品GMP认证检查评定标准培训新药品GMP认证检查评定标准培训是针对新药品GMP认证检查评定标准的一种培训,旨在提高相关从业人员对于新药品GMP认证检查评定标准的理解和掌握,以提高其在实际工作中的工作效率和工作质量。
本文将从以下几个方面来介绍新药品GMP认证检查评定标准培训的相关内容。
一、新药品GMP认证检查评定标准的概述新药品GMP认证检查评定标准是国家食品药品监督管理局在2011年发布的,主要是为了规范药品生产企业的生产流程,确保药品的质量和安全性。
新药品GMP认证检查评定标准主要包括了药品生产企业的基础设施、生产流程、生产记录、药品原辅材料的质量控制、药品的检验、药品的贮存等方面的规定。
只有符合新药品GMP认证检查评定标准的生产企业才能获得药品生产资质证书,才能生产符合标准的药品。
二、新药品GMP认证检查评定标准培训的意义1.规范相关企业的生产流程,提高药品的质量和安全性。
2.提高从事相关工作人员对于新药品GMP认证检查评定标准的理解和掌握,确保其在实际工作中的工作效率和工作质量。
3.为相关企业提供了一种培训机会,帮助企业提高内部管理水平和员工的素质。
三、新药品GMP认证检查评定标准培训的内容1.新药品GMP认证检查评定标准的基本概念和意义。
2.新药品GMP认证检查评定标准规定的主要内容和要求。
3.新药品GMP认证检查评定标准规定的主要流程和程序。
4.新药品GMP认证检查评定标准的审核要点和注意事项。
5.新药品GMP认证检查评定标准的相关法律法规和政策。
四、新药品GMP认证检查评定标准培训的实施方式1.理论学习:通过讲解和讨论,让学员了解新药品GMP 认证检查评定标准的基本概念和要求。
2.现场观摩:安排学员到符合新药品GMP认证检查评定标准的企业进行现场观摩和学习,了解实际生产流程和操作规范。
3.案例分析:通过提供相关案例分析,让学员加深对新药品GMP认证检查评定标准的理解和掌握。
4.交流互动:开展交流和互动,让学员分享自己的经验和看法,提高学员对于新药品GMP认证检查评定标准的学习兴趣和热情。
机构与人员药品GMP认证(原料药)检查评定标准一、药品GMP认证(原料药)检查项目共172项,其中关键项目(条款号前加“*”)47项,一般项目125项。
二、药品GMP认证(原料药)检查时,应根据申请认证的范围确定相应的检查项目,并进行全面检查和评定。
三、检查中发现不符合要求的项目统称为“缺陷项目”。
其中,关键项目不符合要求者称为“严重缺陷”,一般项目不符合要求者称为“一般缺陷”。
四、缺陷项目如果在申请认证的各剂型或产品中均存在,应按剂型或产品分别计算。
五、在检查过程中,企业隐瞒有关情况或提供虚假材料的,按严重缺陷处理。
检查组应调查取证并详细记录。
六、结果评定(一)未发现严重缺陷,且一般缺陷≤20%,能够立即改正的,企业必须立即改正;不能立即改正的,企业必须提供缺陷整改报告及整改计划,方可通过药品GMP认证。
严重缺陷或一般缺陷>20%的,不予通过药品GMP认证。
- 1 –培训教材一、机构与人员*0301 企业应建立药品生产和质量管理机构,明确各级机构和人员的职责。
看企业组织机构图,查生产质量管理组织机构及功能设置(图示),是否涵盖生产、质量、物料仓储、设备、销售及人员管理等内容,并有负责培训的职能部门/人员。
1.有企业的组织机构图。
1.1组织机构图中体现企业各部门的设置、隶属关系及各部门之间的关系,其中生产和质量管理部门分别独立设置。
1.2组织机构图中体现质量管理部门受企业负责人直接领导。
1.3组织机构图中明确各部门名称及部门负责人。
2.岗位职责。
2.1制定了各级领导的岗位职责。
2.2制定了各部门及负责人的职责,特别是质量管理部门有独立的权限,并能对生产等部门执行《药品生产质量管理规范》进行临督和制约。
2.3制定了各岗位的岗位职责。
2.4岗位职责的制定能体现GMP的所有规定,权力、责任明确,且无交叉,无空白。
0302 企业应配备一定数量的与药品生产相适应的具有相应的专业知识、生产经验及工作能力,应能正确履行其职责的管理人员和技术人员。
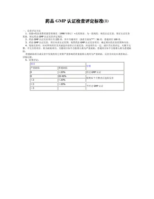
药品GMP认证检查评定标准(1)一、反省评定方法1、依据«药品消费质量管理规范〔1998年修订〕»及其附录,为一致规范,规范认证反省,保证认证任务质量,制定药品GMP认证反省评定规范。
2、药品GMP认证反省项目共225项,其中关键项目〔条款号前加"*"〕56项,普通项目169项。
3、药品GMP认证反省,须以央求认证范围,依照药品GMP认证反省项目,确定相应的反省范围和内容。
4、现场反省时,应对所列项目及其涵盖内容停止片面反省;应逐项作出一定,或许否认的评定。
凡属不完整、不完全的项目,称为缺陷项目;关键项目如不合格那么称为严重缺陷;普通项目如不合格那么称为普通缺陷。
普通缺陷项目或反省中发现的其它效果严重影响药质量量那么视同为严重缺陷。
反省员对此应调查取证,详细记载。
5药品GMP认证反省条款药品GMP认证反省评定规范——机构与人员(反省中心)药品消费和质量管理的组织机构对保证药品消费全进程受控至关重要:适当的组织机构及人员装备是保证药质量量的关键要素;人员的职责必需以文件方式明白规则;培训是实施药品GMP的重要环节。
(反省条款及方法)*0301 企业能否树立药品消费和质量管理机构,明白各级机构和人员的职责1.观察企业组织机构图,查消费质量管理组织机构及功用设置(图示),能否涵盖消费、质量、物料仓储、设备、销售及人员管理等外容,并有担任培训的职能部门/人员。
2.反省企业分管消费及质量的担任人、消费及质量管理部门相关中层干部基本状况,内容包括:姓名、职务、职称、学历、毕业院校、所学专业、从药年限、所在岗位等。
3.消费管理部门和质量管理部门担任人通常有一些共同的质量责任,如:3.1制定书面规程和其他文件;3.2抵消费环境的监控;3.3工厂卫生;3.4工艺验证和剖析仪器的校验;3.5人员培训,包括质量保证系统及其实施,3.6供应商的审计;3.7被委托(加工或包装)方的同意和监视;3.8物料和产品贮存条件确实定和监控;3.9记载的归档;3.10对GMP实施状况加以监控等;3.1l因监控某些影响质量的要素而停止取样、实验或调查。
药品GMP认证检查评定标准
一、药品GMP认证检查项目共259项,其中关键项目(条款号前加“*”)92项,一般项目167项。
二、药品GMP认证检查时,应根据申请认证的范围确定相应的检查项目,并进行全面检查和评定。
三、检查中发现不符合要求的项目统称为“缺陷项目”。
其中,关键项目不符合要求者称为“严重缺陷”,一般项目不符合要求者称为“一般缺陷”。
四、缺陷项目如果在申请认证的各剂型或产品中均存在,应按剂型或产品分别计算。
五、在检查过程中,企业隐瞒有关情况或提供虚假材料的,按严重缺陷处理。
检查组应调查取证并详细记录。
六、结果评定
(一)未发现严重缺陷,且一般缺陷≤20%,能够立即改正的,企业必须立即改正;不能立即改正的,企业必须提供缺陷整改报告及整改计划,方可通过药品GMP认证。
(二)严重缺陷或一般缺陷>20%的,不予通过药品GMP认证。
国家局2007年10月29日网上公布
备注:对于化学制剂共有178项检查条款,其中关键项目57项,一般条款121条(原化学药品大容量注射液认证检查项目共138项,关键项目27项,一般项目111项)。
本标准从2008年1月1日实施。
药品GMP认证检查项目。