CAD制图的图幅尺寸和标题栏要求(完整资料).doc
- 格式:doc
- 大小:284.00 KB
- 文档页数:3
CAD图纸幅面与标题栏
一、内容目录:
图纸幅面;图框格式;标题栏;图线字体;比例尺寸;标注基本要求与规则;表面粗造度;形位公差;基本作图方法;平面图形的分析与作图。
1、图纸幅面
图纸幅面是指图纸宽度与长度组成的图面。
绘制图样时,应采用表中规定的图纸基本幅面尺寸。
基本幅面A0、A1、A2、A3、A4共5种。
图纸幅面包括需装订的幅面和不需装订的幅面,其尺寸应符合GB/T14689—93标准要求。
(需装订的幅面)
(不需装订的幅面)
注:无论有装订边和无装订边,都应在图幅内画出图框,图框采用黑实线。
基本幅面及图框尺寸(单位mm)
幅面代号A0 A1 A2 A3 A4
B×L 841×1189 594×841 420×594 297×420 210×297
A 25
C 10 5
e 20 10
图框格式:
一般采用A4竖装和A3横装。
标题栏:
标题栏的内容主要是关于图纸的一些信息,如图的名称、绘图时间、工艺、所用材料、图形比例、图号、单位名称及设计、审核、批准等有关人员的签字。
其位置一般在绘图图纸的右下角,其中文字方向为看图方向,在AutoCAD中,在标题栏绘制完成后,一般将其创建为块,然后启用块插入工具将其插入到图纸指定位置,在正规的图纸上,标题栏的格式和尺寸应按GB10609.1-89的规定绘制,如下图所示。
公差标注:。
CAD图纸幅面与标题栏一、内容目录:图纸幅面;图框格式;标题栏;图线字体;比例尺寸;标注基本要求与规则;表面粗造度;形位公差;基本作图方法;平面图形的分析与作图。
1、图纸幅面图纸幅面是指图纸宽度与长度组成的图面。
绘制图样时,应采用表中规定的图纸基本幅面尺寸。
基本幅面A0、A1、A2、A3、A4共5种。
图纸幅面包括需装订的幅面和不需装订的幅面,其尺寸应符合GB/T14689—93标准要求。
(需装订的幅面)(不需装订的幅面)注:无论有装订边和无装订边,都应在图幅内画出图框,图框采用黑实线。
基本幅面及图框尺寸(单位mm)幅面代号A0 A1 A2 A3 A4B×L 841×1189 594×841 420×594 297×420 210×297A 25C 10 5e 20 10图框格式:一般采用A4竖装和A3横装。
标题栏:标题栏的内容主要是关于图纸的一些信息,如图的名称、绘图时间、工艺、所用材料、图形比例、图号、单位名称及设计、审核、批准等有关人员的签字。
其位置一般在绘图图纸的右下角,其中文字方向为看图方向,在AutoCAD中,在标题栏绘制完成后,一般将其创建为块,然后启用块插入工具将其插入到图纸指定位置,在正规的图纸上,标题栏的格式和尺寸应按GB10609.1-89的规定绘制,如下图所示。
公差标注:中国美术史名词解释1、陶器 ①人类利用泥土烧,制造的使用器皿或陶艺品,是史前人类社会的重大发明; ②按照用途分:饮食器,炊煮器,储藏器 ③ 按照陶质分:红,白,灰,黑 ④按照装饰分:拟形陶,彩陶,素陶,印纹陶 ⑤按照纹样分:动物纹,植物纹,人形纹2、彩陶 ① 带有彩绘纹样装饰的史前陶器; ②彩绘颜料以赤铁矿为主,多饰以几何图案和动植物花纹; ③在造型装饰、图案纹样的处理上,体现了当时审美能力和工艺制作已达到客观水平。
1. 鹳鱼石斧彩陶盆 ① 1978年河南省临汝县阎村出土 ② 属新石器时代仰韶文化类型。
CAD制图图纸框及标题栏的标准CAD制图是一种常用的设计工具,它可以用来创建和编辑各种类型的图纸。
而图纸框和标题栏是图纸上的重要组成部分,用于标示和记录图纸的相关信息。
本文将介绍CAD制图图纸框及标题栏的标准规范。
一、图纸框的要求图纸框是CAD制图中的一个重要组成部分,它一般位于图纸的四个边界上,并用来界定图纸的边界范围。
以下是图纸框的标准要求:1. 图纸框应该具有一定的宽度和高度,通常情况下,它的宽度要大于图纸的边界线宽度,以便与图纸的内容有所区分。
2. 图纸框的线条应该是黑色的,线宽一般为0.7mm,以保证图纸的清晰可见。
同时,图纸框的线条应该是连续的,不得有中断或交叉的情况。
3. 图纸框的四个角上应该有明显的圆角处理,以避免锐角刺伤人员。
4. 图纸框的上下边界上应该有明确的刻度线,用来标示图纸的名称、比例尺、日期等信息。
刻度线的长度一般为图纸框的宽度的1/4。
二、标题栏的要求标题栏是CAD制图图纸框内的一部分,用于记录图纸的基本信息。
以下是标题栏的标准要求:1. 标题栏应该位于图纸框的顶部或底部,并占据图纸框的一定宽度,一般情况下,它的宽度约为图纸框的1/3。
2. 标题栏应该包含图纸的名称、绘图者姓名、审核者姓名、图纸的版本号等基本信息。
其中,图纸的名称应该置于标题栏的中心位置,字号要大于其他信息。
3. 标题栏上的文字应该使用宋体字体,字号应根据实际情况选择,一般不小于5mm,以便于清晰可见。
4. 标题栏上的信息应该居中排列,行间距应适当,以保证整体美观、易读。
三、其他注意事项除了上述的图纸框和标题栏的要求外,还有一些其他的注意事项:1. 图纸的比例尺应该在标题栏中明确标明,以便于使用者按照比例进行测量和使用。
2. 图纸框和标题栏中的文字、符号等内容应该具有一定的对比度和清晰度,以保证在打印或复制时不会出现模糊现象。
3. 在CAD制图中,应遵循规范、准确的命名方式,以避免出现混淆或误解的情况。
cad竖向标题栏尺寸标准
在CAD制图中,标题栏通常位于图纸的顶部,用于填写图纸的相关信息,如图纸名称、比例尺、作者等。
竖向标题栏的尺寸标准一般如下:
1. 高度:通常为图纸高度的1/4或1/5,具体尺寸可以根据图纸的具体情况进行调整。
2. 宽度:一般为100到200个CAD单位,也可以根据图纸的具体情况进行调整。
3. 内容:标题栏中的内容应包括图纸名称、图纸编号、编制单位、编制人员、审核人员、日期等信息。
4. 字体:标题栏中的字体应清晰易读,一般采用Arial或Times New Roman等常用字体。
需要注意的是,以上尺寸标准为一般情况下的参考值,具体尺寸应根据图纸的具体情况进行调整。
同时,在实际应用中,还需要考虑图纸的打印尺寸和装订方式等因素,以保证标题栏的合理性和美观性。
Auto CAD图纸幅面与标题栏目录:图纸幅面;图框格式;标题栏;图线字体;比例尺寸;标注基本要求与规则;表面粗造度;形位公差;基本作图方法;平面图形的分析与作图;图纸幅面是指图纸宽度与长度组成的图面。
绘制图样时,应采用表中规定的图纸基本幅面尺寸。
基本幅面A0、A1、A2、A3、A4共5种。
图纸幅面(GB/T14689—93)幅面代号A0A1A2A3A4B×L 841×1189594×841420×594297×420210×297a25c105 e2010图框格式一般采用A4竖装或A3横装需要装订的图样(留装订边图框格式)不需要装订的图样(不留装订边图框格式)注意:无论是否留有装订边,都应在图幅内画出图框。
图框用粗实线绘制。
(2)(4)标题栏(GB/T10609.1—89)标题栏的内容主要是关于图纸的一些信息,如图的名称、绘图时间、工艺、所用材料、图形比例、图号、单位名称及设计、审核、批准等有关人员的签字。
其位置一般在绘图图纸的右下角,其中文字方向为看图方向,在Auto CAD 中,在标题栏绘制完成后,一般将其创建为块,然后启用块插入工具将其插入到图纸指定位置,在正规的图纸上,标题栏的格式和尺寸应按GB10609.1-89的规定绘制,如下图所示。
学校用简易标题栏,学校的制图作业一般使用下图所示的简易标题栏。
年 月 日(年 月 日)180签名分区更改文件号标记处数(签名)工艺1212审核设计批准16121216标准化(年 月 日)(签名)7101016161216(图样代号)(图样名称)(9)共 张 第 张506.5阶段标记重量910比例1820(单位名称)(材料标记)4×6.512128×7(=56)图线图线、字体和比例是图形的重要组成部分。
各种图线、字体在图形中都有各自的规定和用法,正确使用图线和字体能使读图者对所绘图形所要说明的问题一目了然。
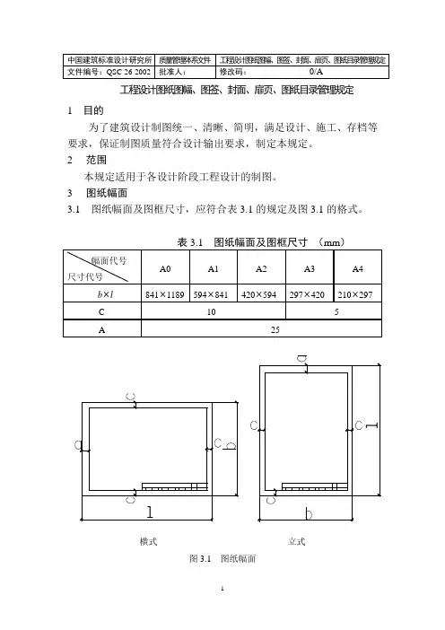
工程设计图纸图幅、图签、封面、扉页、图纸目录管理规定1 目的为了建筑设计制图统一、清晰、简明,满足设计、施工、存档等要求,保证制图质量符合设计输出要求,制定本规定。
2范围本规定适用于各设计阶段工程设计的制图。
3图纸幅面3.1 图纸幅面及图框尺寸,应符合表3.1的规定及图3.1的格式。
横式立式图3.1 图纸幅面3.2 图纸短边不得加长,长边可按表3.2规定的尺寸加长。
3.3 A0—A2图一般宜横式使用,必要时也可立式使用。
3.4 一个专业所用图纸,不宜多于两种幅面。
4 标题栏与会签栏4.1 标题栏均设置在图纸的右下角(见图2.1)。
4.2 标题栏的尺寸为180 40,按图3.2的格式分区。
审定、审核、校对、设计主持人、工种负责人及设计,除本人签字外,还应有宋体字打印的实名栏。
标题采用黑体字(图4.2)。
4.3 会签栏的格式见图3.3。
会签人的姓名也设置为实名栏和签名栏。
一个会签栏不够时,可并列两个。
不需会签的图纸可不设会签栏。
图4.2 标题栏图4.3 会签栏5 图线、字体、比例、符号、定位轴线、常用建筑材料图例、画法及尺寸注法等,均按《房《屋建筑制图统一标准》的规定执行。
6 图号图号的编写按以下规定:首字以“总、建、结、水、暖、电、弱、动、讯”标注。
后面文字根据设计阶段确定:初步设计为“初”;施工图设计为“施”。
7 扉页中国建筑标准设计研究所交付的方案设计和初步设计,均应有扉页。
7.1 扉页格式见图7.1。
7.2 扉页上的签字7.2.1 重要项目的方案设计和初步设计,扉页上应有所长、总建筑(工程)师、设计主持人和方案设计人的签名,签署必须完备。
7.2.2. 一般项目的方案设计和初步设计,扉页上应有室主任、主任建筑(工程)师、设计主持人和方案设计人的签名,签署必须完备。
8 图纸目录8.1 作为报批图纸的初步设计图纸,在装订本的所有图纸前应填写全部图纸目录。
8.2 施工图设计,各专业在施工图中应列出图纸目录,格式见图8.2。
图幅、标题栏格式粗实线0.6mm,细实线按默认(0.25mm),边框内线1.0mm,边框外线0.6mm,标题栏外线0.6mm,文字标注用细线层,边框以图纸大小为限,例:标题栏:明细表:注:标题栏和明细表线条粗细边框用0.6mm,其余中间线条按默认。
其中加括号的为自己所填写内容,其余不变,填写时不加括号。
企业专用图框制作在CAD绘图中,图框里一般都包含标题栏、附加栏、代号栏、参数栏等重要信息栏,各种各样的图形都需要按标准放于图框中,企业的图框在要求上更加严格。
那么,企业如何制作符合自己需要的图框呢?下面我们就通过CAD2012来演示一下如何制作图框。
我们知道,标准的图幅分为A0、A1、A2、A3、A4五种,今天的演示中,我们就以A3图幅为例来进行介绍。
1、创建图层,设置颜色随层、线性为实线、线宽0.7mm(如下图)。
2、绘制一个A3大小的矩形作为图纸的外形,选择第一点(0,0),选择对角点(420,297)(如下图)。
3、以图纸边界为参照绘制出图框边界线,在这里主要控制图框两对角点(25,5)和(415,292),以两点为参照绘制矩形(如下图)。
4、绘制标题栏,同样“rec”绘制矩形,捕捉到右下角点,指定另一角点(-140,,32),注意在绘制标题栏选择细实线就可以了(如下图)。
5、采用偏移并辅助修剪命令,完成图中标题栏内部的绘制(如下图)。
6、用单行文字书写功能完成标题栏的填写,并在绘制前使用文字样式“st”控制文字显示(如下图)接着,完成附加栏、代号栏、参数栏的绘制和修改。
在完成图框绘制后,建立外部块并打开永久块创建窗口,选择基点和块的名称、图块存放的位置。
这样,下次我们需要图框时,就可以直接把块插入到绘图区域中来了。
表1图纸幅面及图框格式尺寸幅面代号A0 A1 A2 A3 A4B×L 841×1189 594×841 420×594 297×420 210×297a 25c 10 5e 20 102)标题栏和明细表(GB/T 10609.1 – 1989)每张图纸上都必须画出标题栏,装配图有明细表。
标题栏按图1所示绘制和填写,明细表按图2所示绘制和填写。
图1 标题栏图2 明细表2、字体(GB/T 14691—1993)(1)书写字体必须做到:字体工整、笔画清楚、间隔均匀,排列整齐。
(2)字体的号数,即字体高度h,其公称尺寸系列为:1.8,2.5,3.5,5,7,10,14,20mm。
(3)汉字应写成长仿宋体字,并采用国家正式公布推行的简化字。
汉字的高度h不应小于3.5mm,其字宽一般为h/(约0.7h)。
(4)汉字书写的要点在于横平竖直,注意起落,结构均匀,填满方格。
(5)字母和数字分为A型和B型。
A型字体的笔画宽度d为字高(h)的1/14,B型字体笔画宽度为字高的1/10。
在同一图样上只允许选用一种型式的字体。
字母和数字可写成斜体或直体,但全图要统一。
斜体字字头向右倾斜,与水平基准线成75°。
3、图线1)基本线型根据国标GB/T 17450-1998《技术制图图线》,在机械制图中常用的线型有实线、虚线、点画线、双点画线、波浪线、双折线等(见表2)。
表2基本线型及应用2)图线的宽度图线的宽度d应根据图形的大小和复杂程度,在下列数系中选择:0.18,0.25,0.35,0.5,0.7,1,1.4,2mm。
在机械图样上,图线一般只有两种宽度,分别称为粗线和细线,其宽度之比为2:1。
在通常情况下,粗线的宽度采用0.5或0.7 mm,细线的宽度采用0.25或0.35 mm。
在同一图样中,同类图线的宽度应一致。
4.比例表3 常用比例原值比例1:1缩小比例(1:1.5)1:2 (1:2.5)(1:3)(1:4)1:5 1:101:2×10n (1:2.5×10n)(1:3×10n)(1:4×10n)1:5×10n (1:6×10n)放大比例2:1 (2.5:1)(4:1)5:11×10n:1 2×10n:1 (2.5×10n:1)(4×10n:1)5×10n:1注:n为正整数。
CAD图纸幅里与题目栏之阳早格格创做
一、真质目录:
图纸幅里;图框要领;题目栏;图线字体;比率尺寸;标注基原央供与准则;表面细制度;形位公好;基原做图要领;仄里图形的分解与做图.
1、图纸幅里
图纸幅里是指图纸宽度与少度组成的图里.画制图样时,应采与表中确定的图纸基原幅里尺寸.基原幅里A0、A1、A2、A3、A4同5种.
图纸幅里包罗需拆订的幅里战没有需拆订的幅里,其尺寸应切合GB/T14689—93尺度央供.
(需拆订的幅里)
(没有需拆订的幅里)注:无论有拆订边战无拆订边,皆应正在图幅内画出图框,图框采与乌真线.
基原幅里及图框尺寸(单位mm)
幅里代号A0 A1 A2 A3 A4
B×L 841×1189 594×841 420×594 297×420 210×297
A 25
C 10 5
e 20 10
图框要领:
普遍采与A4横拆战A3横拆.
题目栏:
题目栏的真质主假如闭于图纸的一些疑息,如图的称呼、画图时间、工艺、所用资料、图形比率、图号、单位称呼及安排、考查、接受等有闭人员的签名.其位子普遍正在画图图纸的左下角,其华笔墨目标为瞅图目标,正在AutoCAD中,正在题目栏画制完毕后,普遍将其创修为块,而后开用块拔开工具将其拔出到图纸指定位子,正在正规的图纸上,题目栏的要领战尺寸应按GB10609.1-89的确定画制,如下图所示.
公好标注:。
标题栏规定尺⼨(完整资料).doc此⽂档下载后即可编辑标题栏规定尺⼨必要时,可以按规定加长,加长幅⾯的尺⼨由基本幅⾯的短边成整数倍增加后得出,如图1-1。
例如A3×4的幅⾯是1189×420,A3的幅⾯为420×297。
再如A1×3的幅⾯,A1幅⾯为841×594,A1的短边乘以3。
图1-1图纸幅⾯及加长幅⾯1.2 图框格式及⽅向符号图纸可以横放也可以竖放。
画图之前先⽤粗实线画出边框线,尺⼨在表1.1中可以查到。
格式分为留有装订边和不留装订边两种。
分别见图。
(a)(b)不留有装订边图样的图框格式(c)(d)留有装订边图样的图框格式图1-2图框格式为了使图样复制与缩微摄影时定位⽅便,各号图纸均应在图纸各边长的中点处分别画出对中符号。
对中符号⽤粗实线绘制,长度从纸边界伸⼊图框内5mm。
同时为明确绘图与看图时图纸的⽅向,应在图纸的下边对中符号处画⼀个⽅向符号。
图1-3对中符号与看图⽅向符号1.3标题栏图纸上必须有标题栏。
⼀般情况下,标题栏画在图纸的右下⾓,紧贴下边框线和右边框线。
(如图)如需要也允许标题栏如下图所⽰,但此时必须加⽅向符号以表明绘图,看图⽅向。
标题栏主要内容如图1-4所⽰。
国家标准对标题栏内容并没有硬性规定,企业可以根据情况填加其它需要的内容图1-4标题栏及明细表的格式及尺⼨2.⽐例(GB/T14690-93)⽐例是图中图形与其实物相应要素的线性尺⼨之⽐。
作图时,应尽可能地按机件的实际⼤⼩画出以⽅便看图。
如果机件太⼤或太⼩,可采⽤缩⼩或放⼤的⽐例画图。
国家标准中推荐供优先选⽤的⽐例,如表1-2。
必要时也允许采⽤图1-3中的⽐例。
同⼀机件不同视图应采⽤相同的⽐例,⽐例应标准在标题栏中,个别视图采⽤与标题栏不同的⽐例,应在视图名称的下⽅或右侧标注⽐例。
例如:表1-2国家标准中推荐供优先选⽤的⽐例表1-3允许采⽤的⽐例种类⽐例原值⽐例1:1放⼤⽐5:12:15×10n:12×10n:11×10n:1种类⽐例原值⽐例1:1放⼤⽐5:12:15×10n:12×10n:11×10n:10号字:7号字:⼤写拉丁字母:⼩写拉丁字母:阿拉伯数字:罗马字母:4.图线(GB/T17450-1998)4.1图线形式常⽤的⼯程图线图线形式如下表1-4。
图纸幅面和标题栏有关规定
图1-37在“图1-37 图纸基本幅面的尺寸”中,各项参数的含义如下:(1)B、L:图纸的宽度和长度;
(2)a:留给装订的一边的空余宽度;
(3)c:其他3条边的空余宽度;
(4)e:无装订边时的各空余宽度。
图框格式分留装订边(如图1-38所示)和不留装订边(如图1-39所示)两种,但同一产品的图样只能采用同一种格式,并均画出图框线和标题栏。
图1-38 留有装订边的图纸格式
图1-39 不留装订边的图纸格式
每张图样都必须画出标题栏。
标题栏的格式和尺寸如图1-40所示。
标题栏的外边框是粗实线,其余是细实线。
一般情况下,标题栏位于图纸的右下角,同时也允许位于图纸右上角。
标题栏中文字的书写方向即为看图方向。
图1-40。
标题栏规定尺寸必要时,可以按规定加长,加长幅面的尺寸由基本幅面的短边成整数倍增加后得出,如图1-1。
例如A3×4的幅面是1189×420,A3的幅面为420×297。
再如A1×3的幅面,A1幅面为841×594,A1的短边乘以3。
图1-1图纸幅面及加长幅面1.2 图框格式及方向符号图纸可以横放也可以竖放。
画图之前先用粗实线画出边框线,尺寸在表1.1中可以查到。
格式分为留有装订边和不留装订边两种。
分别见图。
(a)(b)不留有装订边图样的图框格式(c)(d)留有装订边图样的图框格式图1-2图框格式为了使图样复制与缩微摄影时定位方便,各号图纸均应在图纸各边长的中点处分别画出对中符号。
对中符号用粗实线绘制,长度从纸边界伸入图框内5mm。
同时为明确绘图与看图时图纸的方向,应在图纸的下边对中符号处画一个方向符号。
图1-3对中符号与看图方向符号1.3标题栏图纸上必须有标题栏。
一般情况下,标题栏画在图纸的右下角,紧贴下边框线和右边框线。
(如图)如需要也允许标题栏如下图所示,但此时必须加方向符号以表明绘图,看图方向。
标题栏主要内容如图1-4所示。
国家标准对标题栏内容并没有硬性规定,企业可以根据情况填加其它需要的内容图1-4标题栏及明细表的格式及尺寸2.比例(GB/T14690-93)比例是图中图形与其实物相应要素的线性尺寸之比。
作图时,应尽可能地按机件的实际大小画出以方便看图。
如果机件太大或太小,可采用缩小或放大的比例画图。
国家标准中推荐供优先选用的比例,如表1-2。
必要时也允许采用图1-3中的比例。
同一机件不同视图应采用相同的比例,比例应标准在标题栏中,个别视图采用与标题栏不同的比例,应在视图名称的下方或右侧标注比例。
例如:表1-2国家标准中推荐供表1-3允许采用的比例优先选用的比例字体示例d/2 线 d/2 4折线 d/2约d/2 过渡线约d/2 齿轮的分度圆及分度线d表示线约d/2断线极限位置的轮廓线、影轮廓线图线的画法举例如图1-4。
【最新整理,下载后即可编辑】
CAD图纸幅面与标题栏
一、内容目录:
图纸幅面;图框格式;标题栏;图线字体;比例尺寸;标注基本要求与规则;表面粗造度;形位公差;基本作图方法;平面图形的分析与作图。
1、图纸幅面
图纸幅面是指图纸宽度与长度组成的图面。
绘制图样时,应采用表中规定的图纸基本幅面尺寸。
基本幅面A0、A1、A2、A3、A4共5种。
图纸幅面包括需装订的幅面和不需装订的幅面,其尺寸应符合GB/T14689—93标准要求。
(需装订的幅面)
(不需装订的幅面)
注:无论有装订边和无装订边,都应在图幅内画出图框,图框采用黑实线。
基本幅面及图框尺寸(单位mm)
图框格式:
一般采用A4竖装和A3横装。
标题栏:
标题栏的内容主要是关于图纸的一些信息,如图的名称、绘图时间、工艺、所用材料、图形比例、图号、单位名称及设计、审核、批准等有关人员的签字。
其位置一般在绘图图纸的右下角,其中文字方向为看图方向,在AutoCAD中,在标题栏绘制完成后,一般将其创建为块,然后启用块插入工具将其插入到图纸指定位置,在正规的图纸上,标题栏的格式和尺寸应按GB10609.1-89的规定绘制,如下图所示。
公差标注:。