防护服穿脱(二级防护)考核标准
- 格式:doc
- 大小:59.50 KB
- 文档页数:4
穿脱防护服步骤及评分细则穿脱防护服评分细则穿防护服顺序穿防护服是防止污染物接触到身体的重要步骤。
以下是穿防护服的正确顺序:步骤一:戴帽子(5)在戴帽子之前,需要将长发绾成发髻,刘海向上梳理。
然后将帽子由额前向脑后罩于头部,帽沿前齐眉,确保无头发外露。
分值:5分步骤二:戴口罩(10)戴口罩的过程中,需要注意以下几点:1.一只手托着口罩置于面部合适位置,另一只手将口罩系带置于头部合适位置。
2.双手置于鼻夹处,同时稍用力均匀压紧鼻夹,使鼻夹贴合鼻梁处。
在此过程中,双手不接触面部任何部位。
3.进行口罩密闭试验:快速呼气2次,检查是否有漏气。
分值:10分步骤三:穿防护服(10)穿防护服的顺序是先穿下肢,后穿上肢。
具体步骤如下:1.打开防护衣后,将拉链拉至合适位置。
2.左右手握住左右袖口的同时,抓住防护服腰部的拉链开口处。
3.先穿下肢,后穿上肢,然后将防护帽扣至头部,盖住一次性帽子,面颊两侧覆盖口罩左右边缘,再将拉链完全拉上后,密闭拉链口,颈部拉链覆盖口罩下缘。
分值:10分步骤四:戴手套(5)戴手套的正确方法是先带上手套后,将手套反折一部分,然后将防护服袖口处稍拉向手掌部并固定,将手套反折部分紧套于防护服袖口。
分值:5分步骤五:穿隔离衣(5)穿隔离衣的正确步骤如下:1.打开隔离衣后,手提隔离衣领口。
2.右手提衣领,左手伸入衣袖内,右手将衣领向上拉,露出左手,以同样方法穿另一只衣袖。
3.两手由衣领中央顺边缘向后系好颈后系带,捏住隔离衣边缘在背后将衣边对齐,然后折叠,将腰带拉至背后折叠处系好。
后背完全包裹覆盖防护服。
分值:5分步骤六:戴外层手套(5)戴外层手套的正确方法是先带上手套后,将手套反折一部分,然后将隔离衣袖口处稍拉向手掌部并固定,将手套反折部分紧套于隔离衣袖口。
分值:5分步骤七:戴护目镜(5)将护目镜戴至眼部合适位置,调节舒适度,上压防护服帽沿,下压外科口罩。
分值:5分整体要求(5)穿防护服的过程中,需要保证操作稳、准、轻、快,符合操作原则。
预防新型冠状病毒感染防护用品穿脱操作规程【目的】正确合理地选择和使用个人防护用品,防止医护人员通过口鼻、手、皮肤和眼睛等接触潜在的传染性物质,阻止传染病的传播。
【评估】1.工作区域及暴露的风险。
2.根据工作区域及暴露的风险进行分级防护:一级防护:预检分诊点,引导患者去发热门诊人员,普通急诊留观区,门诊,普通病区重症监护病房等二级防护:发热门诊及隔离病区内,隔离重症病区,疑似及确诊患者转运、陪检、尸体处置时等。
三级防护:为疑似或确诊患者实施吸痰、气管插管、气管切开和手术时等。
【准备】医务人员:穿分体式工作服物品:一级防护:一次性工作帽、医用外科口罩、一次性隔离衣、一次性乳胶手套、手消毒液、防护面屏(必要时)。
二级防护:医用防护服或一次性隔离衣、一次性工作帽、医用防护口罩、护目镜或防护面屏、一次性乳胶手套、一次性鞋套或靴套、手消毒液、防雾喷剂(必要时)。
三级防护:在二级防护基础上加正压头套或全面防护型呼吸防护器。
环境:清洁干燥,正确区分清洁区、潜在污染区、污染区。
【方法】一级防护:穿:洗手一戴一次性工作帽一戴医用外科口罩T穿一次性隔离衣(手持隔离衣,露出肩袖内口T左手深入袖内,露出左手一换左手持衣领穿右手T系领口T将隔离衣边向前拉,见到边缘捏住T同法捏住另外一侧边缘—在背后对齐边缘向一侧折叠T系好腰带一戴一次性乳胶手套(手套应包裹住隔离衣袖口)T进入工作区域脱:(污染区)手消T(半污染区)解开腰带一扯开衣领T脱下一次性隔离衣及手套(边脱边将污染面向内包裹)放入医疗垃圾桶T手消T脱一次性工作帽、医用外科口罩T洗手二级防护:穿:(清洁区)去除个人物品,洗手,换分体式贴身工作服、工作鞋袜一手卫生一检查所有物品的型号、是否在有效期内、包装是否破损一戴一次性工作帽T戴医用防护口罩(进行密闭性检查)T穿一次性防护服/隔离衣(检查防护月因隔离衣是否破损)T戴护目镜/防护面屏T检查手套有无破损,戴一次性乳胶手套(手套应包裹住防护服袖口/隔离衣袖口)T穿一次性靴套般套一检查防护用品穿戴符合规范要求一进入污染区脱:(污染区)手卫生(手套表面有可见污物时,流动水洗手)一(进入缓冲区)手卫生一(进入一脱区)手卫生T摘护目镜/防护面屏,放入指定容器(双手提拉后侧系带摘除护目镜/防护面屏,避免手触碰护目镜/防护面屏)T脱防护月因隔离衣,连同手套、靴套/鞋套(从内向外向下反卷,动作轻柔)一手卫生T(进入二脱区)手卫生T摘医用防护口罩(先摘下颈后(下方)系带,再摘下耳后(上方)系带;摘除过程中手避免触碰口罩,避免口罩触碰身体),摘一次性帽子T手卫生T戴医用外科口罩T(进入清洁区)个人卫生处置。
穿脱防护服评分标准穿脱防护服是医务人员在进行感染性疾病防控工作时必不可少的环节,正确的穿脱防护服程序可以有效地降低医务人员感染的风险。
因此,对于医务人员的穿脱防护服操作进行评分标准是非常重要的。
本文将从穿脱防护服的步骤、操作规范和注意事项等方面,提出一套评分标准,以期提高医务人员的穿脱防护服的操作规范性和安全性。
1. 穿脱防护服的步骤。
首先,医务人员应该在清洁的环境下进行穿脱防护服的操作。
在穿脱防护服之前,要先进行手部的卫生消毒,确保双手干净无菌。
然后穿戴手套,接着穿戴防护服,注意衣服的尺寸要合适,不能过紧或者过松。
穿戴好防护服后,再戴上口罩和护目镜,最后再戴上帽子和鞋套。
在脱防护服时,要按照相反的顺序进行,先脱掉鞋套和帽子,然后脱掉口罩和护目镜,接着脱下手套,最后脱下防护服。
整个过程要注意动作轻柔,避免污染。
2. 操作规范。
在穿脱防护服的过程中,医务人员要保持专注和细心,严格按照规定的步骤进行操作。
尤其是在脱防护服的过程中,要特别小心,避免因操作不当而污染自己。
另外,医务人员在穿脱防护服时要注意避免与外界环境接触,尽量减少外部污染的可能性。
操作过程中要时刻保持手部的清洁,避免双手受到污染。
3. 注意事项。
在穿脱防护服时,医务人员要时刻注意自己的安全,避免因操作不慎而导致感染。
另外,要注意防护服的清洁和消毒,确保下次使用时是干净无菌的。
同时,还要定期对防护服进行检查,确保防护服的完好无损,避免因防护服破损而导致感染的风险。
综上所述,穿脱防护服是医务人员工作中非常重要的一环,正确的穿脱防护服程序可以有效地降低感染的风险。
因此,对医务人员的穿脱防护服操作进行评分标准是非常必要的。
通过规范的评分标准,可以有效地提高医务人员的操作规范性和安全性,保障医务人员的健康和安全。
希望本文提出的穿脱防护服评分标准能够得到广泛的应用,为医务人员的工作提供更好的保障。
穿脱防护用品操作流程及评分标准科室姓名年月日
穿脱防护用品
(一)目的
保护患者和工作人员,避免互相传播,减少感染和交叉感染的发生。
(二)注意事项
1.穿防护用品时,需确保密闭性,尽量避免暴露
2.脱防护用品时,按重污染到轻污染依次脱下,避免污染面接触清洁面,每一步操作前后需行手卫生
3.工作过程中,任何防护用品如有破损,行手卫生后立即更换
4、隔离衣每日更换,如有潮湿或污染,应立即更换,避免接触清洁物品。
5.离开隔离区前,应对佩戴的眼镜进行消毒。
6.医务人员接触多个同类传染病人时,隔离衣或防护服可连续使用。
7隔离衣或防护服被病人血液、体液、污物污染时,应及时更换。
8.隔离区工作的医护人员应每日监测体温两次,体温超过3
7.5℃及时就诊。
穿脱隔离衣技术操作考核规范注意事项及相关知识:1.隔离衣与防护服的使用:应根据诊疗工作的需要,选用隔离衣或防护服。
隔离衣应后开口,能遮盖住全部衣服和外露的皮肤。
2.隔离衣:用于保护医务人员避免受到血液、体液和其它感染性物质污染,或用于保护患者避免感染的防护用品。
根据与患者接触的方式包括接触感染性物质的情况和隔离衣阻隔血液和体液的可能性选择是否穿隔离衣和选择其型号。
3.下列情况应穿隔离衣:接触经接触传播的感染性疾病患者如传染病患者、多重耐药菌感染患者等。
对患者进行保护性隔离时,如大面积烧伤患者、骨髓移植患者等患者的诊疗、护理时。
可能受到患者血液、体液、分泌物、排泄物喷溅时。
4.穿脱防护用品要领:脱比穿更重要;面部、呼吸道防护最重要,所以最先穿,最后脱;口罩的质量与正确佩戴,比数量更重要5.医务人员防护分级:一般防护、一级防护、二级防护、三级防护6.一般防护:适用对象:适用于普通门(急)诊、普通病房的医务人员防护配备:工作服、工作帽和医用口罩或外科口罩。
防护要求:严格遵守标准预防的原则。
7.一级防护:适用对象:适用于发热门(急)诊的医务人员;防护配备:工作服、工作裤、工作鞋、工作帽、医用口罩或外科口罩;防护要求:遵循标准预防, 洗手和手消毒等。
8.二级防护:防护对象:进入传染病诊室、留观室、病区的医务人员(传染病流行期);可能接触病人体液或污染物品的医、护、技、工勤等人员;转运传染病人的医务人员和司机;防护配备:隔离服、防护镜、外科口罩或医用防护口罩、鞋套、面罩、手套。
9.三级防护:防护对象:给传染病人进行有创操作,如气管切开、气管插管护理、吸痰等操作时;为传染病人进行尸解时等。
防护要求:在二级防护的基础上加用防护面罩或其它有效的防护用品。
穿脱防护服评分标准1(2)穿脱防护技术流程【用物准备】速干手消毒液、一次性帽子、医用防护口罩、防护服、手套、护目镜、一次性防护靴、鞋套穿防护服(一次性防护服为例)第一步:洗手,戴N95口罩,一只手托着口罩,扣于面部适当的位置,另一只手将口罩系带戴在合适的部位,压紧鼻夹,紧贴于鼻梁处,检查口罩密闭性,双手不接触面部任何部位。
第二步:戴一次性隔离帽,戴帽子时注意双手不接触面部,头发全部包裹帽子内。
第三步:穿防护服,检查防护服是否破损,不要触及地面、墙面。
拉开拉链,将防护服联体帽,衣袖抓在手中,避免与地面接触,先穿下衣,再穿上衣,将联体帽戴好,将帽子拉至眉弓处,讲一次帽子盖住,拉上拉链,将防护条撕开,紧密贴合。
第四步:戴内层一次性乳胶手套,并用乳胶手套将防护服的袖口扎住,手套覆盖袖口应达10cm以上。
第五步:穿一次性隔离衣,不要接触地面、墙面等,检查有效期和完整性,将隔离衣边缘在身后叠压平整,并将腰部系带在身侧打结。
第六步:戴外层乳胶手套,检查有效期,有无破损,将袖口整理平整,并用手套将隔离衣的袖口扎好,手套覆盖袖口应达10cm以上,整理手套,是双层手套紧密贴合,便于工作。
第七步:穿防护靴以及鞋套。
整理隔离衣并相互检查,注意身后叠压平整,隔离衣下摆要覆盖靴套。
第八步:带护目镜,一手持镜体,将护目镜置于眼部,另一只手将弹性系带拉到头部后方固定,注意双手不接触面部,护目镜尽可覆盖防护服帽子口罩以及两侧面颊部皮肤,不能有任何皮肤暴露在外。
第九步:第九步:队员相互检查防护着装,适当活动检查,确认无误后才可以进入隔离病房工作。
脱防护服第一步:洗手,脱一次性鞋套,将鞋套放入黄色污物袋中,手消毒。
第二步:将外层手套与一次性隔离衣一起脱下:脱一次性隔离穿衣,脱隔离衣时注意将隔离衣污染面向里,衣领及衣边卷至中央,将外层手套一并,慢慢平移装入黄色污物袋中,手消毒。
第三步:摘下护目镜,将护目镜发放入消毒桶中浸泡,手消毒。
第四步:将内手套与一次性隔离衣一起脱下:左手保持牵拉位置不变,右手捏住右侧颞部防护服,向后上方提拉防护服帽子,头部顺势脱离,并将防护服拉至肩部,逐渐将防护服拉至肘部,双手在背后操作,于污染面形成的空间内将防护服袖子连带内层手套一并脱去,将防护服缓慢边脱变卷,逐渐至鞋套水平,将靴套一并卷折在内并脱下,装入黄色污物袋中,手消毒。
根据穿脱防护衣评分标准完整版本
介绍
本文档旨在提供穿脱防护衣评分标准的完整版本,以便对防护衣的性能进行准确评估和比较。
穿脱防护衣评分标准
1. 防护性能评分
根据防护性能的指标,将穿脱防护衣分为三个等级:
- 级别一:提供高等级的防护性能,适用于高风险环境;
- 级别二:提供中等等级的防护性能,适用于一般风险环境;
- 级别三:提供低等级的防护性能,适用于低风险环境。
2. 材料评分
根据防护衣所使用的材料的质量和性能,将其分为以下等级:- 级别一:采用高质量材料制作,提供出色的防护性能;
- 级别二:采用中等质量材料制作,提供良好的防护性能;
- 级别三:采用低质量材料制作,提供基本的防护性能。
3. 舒适度评分
根据穿脱防护衣的舒适度,将其分为以下等级:
- 级别一:提供优秀的舒适度,适合长时间穿戴;
- 级别二:提供良好的舒适度,适合中等时间穿戴;
- 级别三:提供基本的舒适度,适合短时间穿戴。
4. 适用范围评分
根据穿脱防护衣适用的范围和环境,将其分为以下等级:
- 级别一:适用范围广,能够应对多种环境和风险;
- 级别二:适用范围较窄,能够应对特定环境和风险;
- 级别三:适用范围有限,只能应对特定环境和风险。
总结
通过本文档提供的穿脱防护衣评分标准,您可以准确评估和比较不同防护衣的性能。
请注意,这些评分标准仅供参考,具体选择还需根据实际需求进行综合考量。
穿脱防护服法操作规程及评分标准概述本文档旨在制定穿脱防护服的法操作规程及评分标准,以确保操作的安全和有效性。
穿脱防护服法操作规程1. 预备阶段- 在清洁的环境下准备所需的防护服和相关装备。
- 检查防护服的完整性和功能性,确保无任何损坏或缺陷。
- 按照正确的顺序排列所需的物品,以便操作时更加便捷。
2. 穿脱防护服的步骤- 开始穿脱防护服前,进行充分的手部卫生,确保双手清洁。
- 穿脱防护服时,应严格按照制定的顺序进行操作,避免遗漏或错误。
- 在穿脱防护服的过程中,尽量避免触碰外表面,以防止交叉感染的发生。
- 穿脱防护服后,进行彻底的手部卫生,确保双手彻底清洁。
3. 防护服的维护与清洁- 用完后,应将防护服放置在指定的存放位置,避免受到污染或损坏。
- 定期对防护服进行检查,修复任何损坏的部分或替换不可修复的防护服。
- 使用适当的清洁剂和方法进行防护服的清洁和消毒。
- 在清洁防护服时,应注意使用正确的个人防护措施,避免接触到有害物质。
评分标准评分标准用于对穿脱防护服操作的准确性和规范性进行评估。
根据操作的正确程度和符合标准的程度,给予不同的评分。
1. 步骤顺序的正确性:操作者依照规程中指定的顺序进行穿脱防护服的步骤。
- 优秀:步骤顺序完全正确,不漏步骤。
- 良好:步骤顺序基本正确,仅有个别轻微错误。
- 合格:步骤顺序有较大误差,但最终完成操作。
- 不合格:步骤顺序明显错误,无法完成操作。
2. 操作的完成度:操作者在穿脱防护服时是否做到完整、仔细、彻底。
- 优秀:操作完整、仔细、彻底,没有任何疏漏。
- 良好:操作基本完整、仔细、彻底,仅有个别轻微疏漏。
- 合格:操作有较大疏漏,但整体完成度较高。
- 不合格:操作明显疏漏,无法达到规定的完成度。
3. 个人卫生与安全意识:操作者是否遵守个人卫生和安全规范。
- 优秀:严格遵守个人卫生和安全规范,未出现任何违规行为。
- 良好:基本遵守个人卫生和安全规范,仅有个别轻微违规行为。
穿脱防护服评价标准
注意事项:
1.使用后的一次性防护用品严格按照医疗废物处置,并始终保持医疗垃圾桶处于关闭状态。
2.可复用的防护用品应严格消毒灭菌。
3.防护服被患者血液、体液、污物污染时,应及时更换。
注释:
评分等级:
A级表示操作熟练、规范,无缺项、无污染,与病人沟通自然,语言通俗易懂;
B级表示操作熟练、规范,有1-2处缺项、污染,与病人沟通不够自然;
C级表示操作欠熟练、规范,有2-3处缺项、污染,与病人沟通较少;
D级表示操作欠熟练,有4处以上缺项、污染,与病人没有沟通。
穿脱防护服操作评分标准---(基础版)防护服应立即放入指定的医疗废物中。
手卫生(按七步洗手法进行,不低于15s)步骤3:脱手套单手捏住另一只手套的外侧,轻轻向下脱下手套,将手套反卷,污染面向内,直到手套被卷成一团;再用已脱下的手套,捏住另一只手套的外侧,轻轻向下脱下手套,将手套反卷。
污染面向内,直到手套被卷成一团。
手卫生(按七步洗手法进行,不低于15s)步骤4:脱鞋套双手握住鞋套,将鞋套外侧向内翻转,将鞋套反卷,污染面向内,直到鞋套被卷成一团;再用已脱下的鞋套,握住另一只鞋套,将鞋套外侧向内翻转,将鞋套反卷,污染面向内,直到鞋套被卷成一团。
手卫生(按七步洗手法进行,不低于15s)步骤5:脱防护鞋双手捏住鞋跟,向下脱下防护鞋,将鞋子放入指定的医疗废物中。
手卫生(按七步洗手法进行,不低于15s)步骤6:手卫生按七步洗手法进行,不低于15s。
手卫生后,离开穿脱区域。
为了确保医护人员的安全,正确的穿戴和脱下防护服至关重要。
在脱下防护服之前,必须先进行手卫生。
按照“七步洗手法”,彻底清洁双手,不少于15秒。
在脱下防护服的第一步,必须将一次性帽子摘下来。
弯腰低头,从侧后方向前方摘下帽子,然后将其投入医疗废物中。
再次进行手卫生。
在脱下防护服的第二步,必须摘下医用防护口罩。
弯腰伸脖,身体前倾,先解开下面的系带,再解开上面的系带。
不要接触口罩污染面。
用手仅捏住口罩的系带,将其丢进医疗废物中。
再次进行手卫生。
在脱下防护服的最后一步,必须更换一次性外科口罩并消毒鼻腔和外耳道。
如果使用的是可复用物品(如防护面屏),则应将其放入指定专用回收中。
总体评分将根据操作规范、步骤娴熟和动作轻柔等因素进行评定。
防护服一二三级防护标准
一级防护要求:工作服、一次性使用帽子、一次性使用隔离衣和一次性使用手套、一次性使用外科口罩。
二级防护:一次性使用帽子、医用防护口罩、护目镜或防护面罩、医用防护服或工作服外罩一件医用防护服、一次性使用手套、一次性使用鞋套。
三级防护:除按二级防护要求外,全面型呼吸防护器或更高级别带电动送风过滤式呼吸器。
一二三级防护内容
1、一级防护适用范围
①对新型冠状病毒感染的肺炎病例的密切接触者进行医学观察的人员。
②样本运送人员。
③一般呼吸道发热门急诊医务人员。
2、二级防护适用范围
①对新型冠状病毒感染的肺炎出现症状的密切接触者、疑似病例或确诊病例进行流行病学调查的人员。
②在疫源地内进行终末消毒的人员。
③在生物安全柜内对标本进行处理和检测的实验室人员。
④病人转运的司机和医务人员。
⑤进入新型冠状病毒肺炎隔离留观室、隔离病房或隔离病区进行诊疗、清洁消毒的医务人员。
3、三级防护适用范围
①对新型冠状病毒感染的肺炎出现症状的密切接触者、疑似病例或确诊病例进行标本采集人员。
②标本处理和检测时可能产生气溶胶操作的人员。
③对新型冠状病毒感染的肺炎观察或确诊病例实施可能产生气溶胶近距离治疗操作例如气管内插管、雾化治疗、诱发痰液的检查、支气管镜、呼吸道痰液抽吸、气管切口的护理、胸腔物理治疗、鼻咽部抽吸、面罩正压通气(如BIPAP 和CPAP)、高频震荡通气、复苏操作、死后肺组织活检等医务人员。
④处理患者血液、分泌物、排泄物和死亡患者尸体的工作人员。
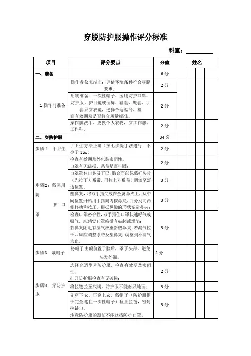
穿脱防护服操作评分标准考生编号:成绩:监考老师:年月日项目标准分扣分细则扣分
操作准备
护士准备:着分体工作服、工作鞋,不佩带首饰、手表,不涂指甲,修剪指甲。2着装不规范-2
用物准备:速干手消毒剂、一次性医用帽子、医用防护口罩、护目镜、防护服、一次性乳胶手套、靴套、医疗垃圾桶。4用物不全-2摆放乱-1未检查用物质量、有效期-1
操作要点
穿防护服:洗手:用速干手消毒剂消毒双手(六步)。2
未洗手-2
洗手不规范-1戴医用防护口罩:一手托住防护口罩,有鼻夹的一面背向外。用防护口罩罩住鼻口及下巴,鼻夹部向上紧贴面部。用另一只手将下方系带拉过头顶,放在颈后双耳下。再将上方系带拉至头顶中部。将双手指尖放在金属鼻夹上,从中间位置开始,用手指向内按鼻夹,并分别向两侧移动和按压,根据鼻梁的形状塑造鼻夹。检查气密性。10未佩戴-10
托口罩手法不正确-1戴口罩手法不正确-1系带固定位置不正确-1鼻夹未塑形-2鼻夹塑形手法不正确-1未检查气密性-2
检查气密性方法不正确-1戴一次性医用帽子:帽子应包住所有头发及耳朵。2未佩戴-2
未遮住所有头发及耳朵-2戴护目镜:检查护目镜有无破损与松懈。上缘压住医用帽子,下缘压住防护口罩,调整头带松紧度。4未佩戴-4
护目镜佩戴不规范-1佩戴后未检查-2戴第一层手套:用一只手捏住手套翻折部分(手套内面)取出手套,对准五指戴上。已戴手套手指插入另一只手套的翻边内面,将另一只手套戴好。检查手套完整性。4
未佩戴-4
佩戴不正确-2未检查完整性-2
穿防护服:检查防护服有无破损。先穿下衣再穿上衣。戴好帽子。拉上拉链并压紧密封胶条。检查穿戴后的严密性和适合性(深蹲、转体等动作)。
12
未穿戴-12
未检查防护服完整性-2手持方法不正确-1穿防护服顺序错误-1胶条未压紧-1操作中污染-1穿戴后未检查-2戴第二层手套:另一手捏住手套翻折部分(手套内面)取出手套,对准五指戴上,将翻边压住袖口。掀起另一只袋口,已戴手套手指插入另一只手套的翻边内面,将手套戴好,将翻边压住袖口。检查手套完整性。
穿脱防护服技术(二级防护)操作考核评分标准
科室:姓名:考核人员考核日期:年月日
理论问答:
1. 二级防护的适应范围和防护要求?
答:适用范围(1)对新型冠状病毒感染的肺炎出现症状的疑似、确诊病例、轻症病例和无症状感染者进行流行病学调查的人员;(2)病人转运的司机和医务人员。
防护要求:戴一次性使用帽子、医用防护口罩(N95 或更高级别医用防护口罩)、护目镜
(防雾型)或防护面罩(防雾型)、医用防护服或穿工作服(白大褂)外罩一件医用防护服、
戴一次性使用手套、穿工作鞋或胶靴、防水靴套等,必要时增加防水围裙和防水隔离衣等。
2.三级防护的适应范围?
答:适用范围(1)对新型冠状病毒感染的肺炎出现症状的密切接触者、疑似、确诊病例、
轻症病例和无症状感染者进行标本采集人员。
(2)在生物安全柜内标本处理和检测时可能
产生气溶胶操作的人员.(3)对新型冠状病毒感染的肺炎观察或确诊病例实施可能产生气
溶胶近距离治疗操作例如气管内插管、雾化治疗、诱发痰液的检查、支气管镜、呼吸道痰
液抽吸、气管切口的护理、胸腔物理治疗、鼻咽部抽吸、面罩正压通气(如 BIPAP 和 CPAP)、
高频震荡通气、复苏操作、死后肺组织活检等医务人员。
(4)处理患者血液、分泌物、排
泄物和死亡患者尸体的工作人员;(5)进入新型冠状病毒肺炎隔离留观室、隔离病房或隔
离病区进行诊疗、清洁消毒的医务人员;(6)病例(疑似病例、确诊病例)和感染者(轻
症病例、无症状感染者)转运人员。
(7)在疫源地内进行终末消毒的人员。
3.个人防护的注意事项?
答:(1)个人防护用品(尤其是呼吸防控用品)质量对感染防护效果影响较大,应选择符
合要求的产品。
(2)医用防护口罩每 4 小时应更换一次,遇污染或潮湿,应及时更换。
验人员在给患者采样时一般可选择戴双层手套;消毒人员在进行消毒时应使用橡胶手套,
必要时穿长筒胶鞋。
戴手套前应检查手套是否有破损。
(3)离开隔离区前应对重复使用的
防护用品进行消毒。
脱下的防护眼罩、长筒胶鞋等非一次性使用的物品应直接放入盛有
消毒液的容器内浸泡;电动送风过滤式呼吸器可用2000mg/L 的含氯消毒剂对其表面湿式擦拭。
其余一次性使用的物品应放入黄色医疗废物收集袋中作为医疗废物集中处置。
(4)接触疑似病例,隔离衣等防护用品应在接触每个病例之间进行更换。
(5)防护用品被患者血液、体液、污物污染时,应及时更换。
(6)在初次选用医用防护口罩或呼吸面具时,进行适合性检验。
在每次佩戴医用防护口罩或呼吸面具时应进行佩戴气密性自检。
(7)脱卸防护用品时,注意双手不接触内部穿着的衣物和皮肤。