第4章齿轮传动—答案(完整资料).doc
- 格式:doc
- 大小:68.50 KB
- 文档页数:6
齿轮传动一、选择题7-1.对于软齿面的闭式齿轮传动,其主要失效形式为 。
A .轮齿疲劳折断B .齿面磨损C .齿面疲劳点蚀D .齿面胶合7-2.一般开式齿轮传动的主要失效形式是。
A .轮齿疲劳折断B .齿面磨损C .齿面疲劳点蚀D .齿面胶合7-3.高速重载齿轮传动,当润滑不良时,最可能出现的失效形式为 。
A .轮齿疲劳折断B .齿面磨损C .齿面疲劳点蚀D .齿面胶合7-4.齿轮的齿面疲劳点蚀经常发生在 。
A .靠近齿顶处B .靠近齿根处C .节线附近的齿顶一侧D .节线附近的齿根一侧7-5.一对 45 钢调质齿轮,过早的发生了齿面点蚀,更换时可用 的齿轮代替。
A .40Cr 调质B .适当增大模数 mC .45 钢齿面高频淬火D .铸钢 ZG310-5707-6.设计一对软齿面减速齿轮传动,从等强度要求出发,选择硬度时应使 。
A .大、小齿轮的硬度相等B .小齿轮硬度高于大齿轮硬度C .大齿轮硬度高于小齿轮硬度D .小齿轮用硬齿面,大齿轮用软齿面7-7.一对齿轮传动,小轮材为 40Cr ;大轮材料为 45 钢,则它们的接触应力。
A .H 1 =H 2B. H 1 <H 2C .H 1 >H 2D .H 1 ≤H 2 7-8.其他条件不变,将齿轮传动的载荷增为原来的 4 倍,其齿面接触应力 。
A .不变B .增为原应力的 2 倍C .增为原应力的 4 倍D .增为原应力的 16 倍7-9.一对标准直齿圆柱齿轮,z l = 21,z 2 = 63,则这对齿轮的弯曲应力 。
A. F 1 > F 2B. F 1 < F 2C.F 1=F 2D.F 1 ≤F 27-10.对于开式齿轮传动,在工程设计中,一般 。
A .先按接触强度设计,再校核弯曲强度B .只需按接触强度设计C.先按弯曲强度设计,再校核接触强度D.只需按弯曲强度设计。
7-7.设计闭式软齿面直齿轮传动时,选择小齿轮齿数z1的原则是。
A.z1越多越好B.z1越少越好C.z1≥17,不产生根切即可D.在保证弯曲强度的前提下选多一些7-12.设计硬齿面齿轮传动,当直径一定,常取较少的齿数,较大的模数以。
习 题(答案)1.选择题1)一般开式齿轮传动的主要失效形式是 3 。
(1)齿面胶合 (2)齿面疲劳点蚀(3)齿面磨损或轮齿疲劳折断 (4)轮齿塑性变形2)高速重载齿轮传动,当润滑不良时,最可能出现的失效形式是 1 。
(1)齿面胶合 (2)齿面疲劳点蚀(3)齿面磨损 (4)轮齿疲劳折断3)材料为45钢齿轮,经调质处理后其硬度值约为 2 。
(1)(45~50)HRC (2)(220~270)HBW(3)(160~180 )HBW (4)(320~350)HBW4)齿面硬度为(56~62)HRC 的合金钢齿轮的加工工艺过程为 3 。
(1)齿坯加工、淬火、磨齿、滚齿 (2)齿坯加工、淬火、滚齿、磨齿(3)齿坯加工、滚齿、渗碳淬火、磨齿 (4)齿坯加工、滚齿、磨齿、淬火5)齿轮传动中齿面的非扩展性点蚀一般出现在 2 。
(1)跑合阶段 (2)稳定性磨损阶段(3)剧烈磨损阶段 (4)齿面磨料磨损阶段6)对于开式齿轮传动,在工程设计中,一般 4 。
(1)按接触强度设计齿轮尺寸,再校核弯曲强度(2)按弯曲强度设计齿轮尺寸,再校核接触强度(3)只需按接触强度设计(4)只需按弯曲强度设计7)一对标准直齿圆柱齿轮,已知1z =18,2z =72,则这对齿轮的接触应力 3 。
(1)H2H1σσ> (2)H2H1σσ<(3)H2H1σσ= (4)H2H1σσ≤8)一对标准渐开线圆柱齿轮要正确啮合时,它们的 2 必须相等。
(1)直径 (2)模数(3)齿宽 (4)齿数9)设计闭式硬齿面齿轮传动时,若直径一定,则应取较少齿数,使模数增大以 2 。
(1)提高齿面接触强度 (2)提高齿根弯曲疲劳强度(3)减少加工切削量,提高生产率 (4)提高抗塑性变形能力10)在直齿圆柱齿轮设计中,若中心距保持不变,而把模数增大,则可以 2 。
(1)提高齿面接触强度 (2)提高轮齿的弯曲强度(3)弯曲与接触强度均可提高 (4)弯曲与接触强度均不变11)当 4 ,则齿根弯曲强度增大。
第四章齿轮传动计算题专项训练(答案);1、已知一标准直齿圆柱齿轮的齿数z=36,顶圆d;2、已知一标准直齿圆柱齿轮副,其传动比i=3,主;3、有一对标准直齿圆柱齿轮,m=2mm,α=20;4、某传动装置中有一对渐开线;5、已知一对正确安装的标准渐开线正常齿轮的ɑ=2;解:144=4/2(Z1+iZ1)Z1=18Z2;d 1=4*18=72d2=4*54=216第四章齿轮传动计算题专项训练(答案)1、已知一标准直齿圆柱齿轮的齿数z=36,顶圆da=304mm。
试计算其分度圆直径d、根圆直径df、齿距p以及齿高h。
2、已知一标准直齿圆柱齿轮副,其传动比i=3,主动齿轮转速n1=750r/mi n,中心距a=240mm,模数m=5mm。
试求从动轮转速n2,以及两齿轮齿数z1和z 2。
3、有一对标准直齿圆柱齿轮,m=2mm,α=200, Z1=25,Z2=50,求(1)如果n1=960r/min,n2=?(2)中心距a=?(3)齿距p=?答案: n2=480 a=7 5 p=6.284、某传动装置中有一对渐开线。
标准直齿圆柱齿轮(正常齿),大齿轮已损坏,小齿轮的齿数z1=24,齿顶圆直径da1=78mm, 中心距a=135mm, 试计算大齿轮的主要几何尺寸及这对齿轮的传动比。
解: 78=m(24+2) m=3 a=m/2(z1 +z2) 135=3/2(24+z2) z2 =66 da2=3*66+2*3=204 df2=3*66-2*1.25*3=190.5 i =66/24=2.755、已知一对正确安装的标准渐开线正常齿轮的ɑ=200,m=4mm,传动比i12 =3,中心距a=144mm。
试求两齿轮的齿数、分度圆半径、齿顶圆半径、齿根圆半径。
解: 144=4/2(Z1+iZ1) Z1=18 Z2=3*18=54d1=4*18 =72 d2=4*54 =216da1=72+2*4=80 ra1=(72+2*4)/2=40da2=216+2*4=224 ra2=(216+2*4)/2=112df1=72-2*1,25*4=62 rf1=(72-2*1,25*4)/2=31 df2=216-2*1,25*4=206 rf 2=(216-2*1,25*4)/2=1036、已知一对外啮合标准直齿圆柱齿轮传动的标准中心距a=150mm,传动比i12=4, 小齿轮齿数Z1=20。
齿轮传动一、选择题7-1.对于软齿面的闭式齿轮传动,其主要失效形式为________。
A .轮齿疲劳折断 B .齿面磨损C .齿面疲劳点蚀D .齿面胶合7-2.一般开式齿轮传动的主要失效形式是________。
A .轮齿疲劳折断 B .齿面磨损C .齿面疲劳点蚀D .齿面胶合7-3.高速重载齿轮传动,当润滑不良时,最可能出现的失效形式为________。
A .轮齿疲劳折断 B .齿面磨损C .齿面疲劳点蚀D .齿面胶合7-4.齿轮的齿面疲劳点蚀经常发生在________。
A .靠近齿顶处 B .靠近齿根处C .节线附近的齿顶一侧D .节线附近的齿根一侧7-5.一对45钢调质齿轮,过早的发生了齿面点蚀,更换时可用________的齿轮代替。
A .40Cr 调质B .适当增大模数mC .45钢齿面高频淬火D .铸钢ZG310-5707-6.设计一对软齿面减速齿轮传动,从等强度要求出发,选择硬度时应使________。
A .大、小齿轮的硬度相等 B .小齿轮硬度高于大齿轮硬度C .大齿轮硬度高于小齿轮硬度D .小齿轮用硬齿面,大齿轮用软齿面7-7.一对齿轮传动,小轮材为40Cr ;大轮材料为45钢,则它们的接触应力________。
A .=B. <1H σ2H σ1H σ2H σC .> D .≤1H σ2H σ1H σ2H σ7-8.其他条件不变,将齿轮传动的载荷增为原来的4倍,其齿面接触应力________。
A .不变B .增为原应力的2倍C .增为原应力的4倍D .增为原应力的16倍7-9.一对标准直齿圆柱齿轮,z l = 21,z 2 = 63,则这对齿轮的弯曲应力________。
A. > B. < 1F σ2F σ1F σ2F σC. = D. ≤1F σ2F σ1F σ2F σ7-10.对于开式齿轮传动,在工程设计中,一般________。
A .先按接触强度设计,再校核弯曲强度B .只需按接触强度设计C.先按弯曲强度设计,再校核接触强度 D.只需按弯曲强度设计。
课程名:机械设计基础(第四章) 题型计算题、作图题1. 已知一对外啮合正常齿制标准直齿圆柱齿轮m=3mm,z仁19,z2=41,试计算这对齿轮的分度圆直径、中心距。
(6分)解:两齿轮分度圆直径:d仁mz1=3 x 19=57mm d2=mz2=3 x 41=123mm 中心距:a=(d1+d2)/2=(57+123)/2=90mm2. 已知一对外啮合标准直齿圆柱齿轮的标准中心距a=160mm,齿数z仁20,z2=60 ,求模数和分度圆直径。
(6分)解:由于a=m(z1+z2)/2 故模数m=2a/(z1+z2)=(2 x 160)/(20+60)=4mm分度圆直径:d仁mzl = 4x 20= 80mm d2=mz2=4 x 60=240mm3. 已知一正常齿制标准直齿圆柱齿轮的齿数z=25,齿顶圆直径Da=135mm,求该齿轮的模数。
(6分)解:因正常齿制的齿顶高系数为1, Da=m(z+2)=135mm该齿轮的模数m=135/(z+2)=135/(25+2)=5mm*4已知一正常齿制标准直齿圆柱齿轮 a =20 ° , m=10mm,z=40 ,试分别求出分度圆、齿顶圆上渐开线齿廓的曲率半径和压力角。
(10分)解:1)分度圆直径:D=mz=10 x 40=400mm 压力角:a = 20°分度圆上渐开线齿廓的曲率半径:P = d sin 口=彳00x sin 20 * = 68 4mm2 22)齿顶圆直径:Da=m(z+2)=10 x (40+2)=420mm基圆直径:Db=Dcos a =400 x cos20=375.877mm1 Db 4 375.877齿顶圆压力角:-■ a= cos cos 26.5Da 420齿顶圆上渐开线齿廓的曲率半径:蔦in : 420sin26.5‘ = 93.7mm*5试比较正常齿制渐开线标准直齿圆柱齿轮(外齿轮)的基圆和齿根圆,在什么条件下基圆大于齿根圆?什么条件下基圆小于齿根圆?(10分)解:基圆直径:Db=mzcos a齿根圆直径:Df=m(z-2h a*-2c*)=m(z —2- 2X 0.25)=m(z — 2.5)mzcos £ i m(z -2.5)令基圆 >齿根圆: 2 5z £ ------- ----- =41.451 -cos20°故齿数Z V 42时,基圆直径〉齿根圆直径;Z > 42时,基圆直径V齿根圆直径。
第四章齿轮传动计算题专项训练(答案);1、已知一标准直齿圆柱齿轮的齿数z=36,顶圆d;2、已知一标准直齿圆柱齿轮副,其传动比i=3,主;3、有一对标准直齿圆柱齿轮,m=2mm,α=20;4、某传动装置中有一对渐开线;5、已知一对正确安装的标准渐开线正常齿轮的ɑ=2;解:144=4/2(Z1+iZ1)Z1=18Z2;d 1=4*18=72d2=4*54=216第四章齿轮传动计算题专项训练(答案)1、已知一标准直齿圆柱齿轮的齿数z=36,顶圆da=304mm。
试计算其分度圆直径d、根圆直径df、齿距p以及齿高h。
2、已知一标准直齿圆柱齿轮副,其传动比i=3,主动齿轮转速n1=750r/mi n,中心距a=240mm,模数m=5mm。
试求从动轮转速n2,以及两齿轮齿数z1和z 2。
3、有一对标准直齿圆柱齿轮,m=2mm,α=200, Z1=25,Z2=50,求(1)如果n1=960r/min,n2=?(2)中心距a=?(3)齿距p=?答案: n2=480 a=7 5 p=6.284、某传动装置中有一对渐开线。
标准直齿圆柱齿轮(正常齿),大齿轮已损坏,小齿轮的齿数z1=24,齿顶圆直径da1=78mm, 中心距a=135mm, 试计算大齿轮的主要几何尺寸及这对齿轮的传动比。
解: 78=m(24+2) m=3 a=m/2(z1 +z2) 135=3/2(24+z2) z2 =66 da2=3*66+2*3=204 df2=3*66-2*1.25*3=190.5 i =66/24=2.755、已知一对正确安装的标准渐开线正常齿轮的ɑ=200,m=4mm,传动比i12 =3,中心距a=144mm。
试求两齿轮的齿数、分度圆半径、齿顶圆半径、齿根圆半径。
解: 144=4/2(Z1+iZ1) Z1=18 Z2=3*18=54d1=4*18 =72 d2=4*54 =216da1=72+2*4=80 ra1=(72+2*4)/2=40da2=216+2*4=224 ra2=(216+2*4)/2=112df1=72-2*1,25*4=62 rf1=(72-2*1,25*4)/2=31 df2=216-2*1,25*4=206 rf 2=(216-2*1,25*4)/2=1036、已知一对外啮合标准直齿圆柱齿轮传动的标准中心距a=150mm,传动比i12=4, 小齿轮齿数Z1=20。
齿轮传动欧阳歌谷(2021.02.01)一、选择题7-1.对于软齿面的闭式齿轮传动,其主要失效形式为________。
A.轮齿疲劳折断 B.齿面磨损C.齿面疲劳点蚀 D.齿面胶合7-2.一般开式齿轮传动的主要失效形式是________。
A.轮齿疲劳折断 B.齿面磨损C.齿面疲劳点蚀 D.齿面胶合7-3.高速重载齿轮传动,当润滑不良时,最可能出现的失效形式为________。
A.轮齿疲劳折断 B.齿面磨损C.齿面疲劳点蚀 D.齿面胶合7-4.齿轮的齿面疲劳点蚀经常发生在________。
A.靠近齿顶处 B.靠近齿根处C.节线附近的齿顶一侧 D.节线附近的齿根一侧7-5.一对45钢调质齿轮,过早的发生了齿面点蚀,更换时可用________的齿轮代替。
A.40Cr调质 B.适当增大模数mC.45钢齿面高频淬火 D.铸钢ZG310-5707-6.设计一对软齿面减速齿轮传动,从等强度要求出发,选择硬度时应使________。
A.大、小齿轮的硬度相等 B.小齿轮硬度高于大齿轮硬度C.大齿轮硬度高于小齿轮硬度 D.小齿轮用硬齿面,大齿轮用软齿面7-7.一对齿轮传动,小轮材为40Cr;大轮材料为45钢,则它们的接触应力________。
A.1Hσ=2Hσ B. 1Hσ<2HσC.1Hσ>2HσD.1Hσ≤2Hσ7-8.其他条件不变,将齿轮传动的载荷增为原来的4倍,其齿面接触应力________。
A.不变 B.增为原应力的2倍C.增为原应力的4倍 D.增为原应力的16倍7-9.一对标准直齿圆柱齿轮,z l= 21,z2= 63,则这对齿轮的弯曲应力________。
A.1Fσ>2FσB.1Fσ<2FσC.1Fσ=2FσD.1Fσ≤2Fσ7-10.对于开式齿轮传动,在工程设计中,一般________。
A.先按接触强度设计,再校核弯曲强度 B.只需按接触强度设计C.先按弯曲强度设计,再校核接触强度 D.只需按弯曲强度设计。
第四章齿轮传动§4-3 其它类型齿轮传动一、填空题1.2.外啮合)。
3.4.5.6.7. 在蜗杆传动的中间平面内,8.二、判断题(X)1.斜齿轮具有两种模数,以端面模数作为标准模数。
(法平面)(√)2.一对内啮合的斜齿圆柱齿轮,它们的旋向是相同的。
(X)3.对于标准直齿锥齿轮,规定以小端的几何参数作为其标准值。
(大端)(X)4.一对啮合的蜗轮蜗杆,它们的旋向是相反的。
(相同)(√)5.蜗轮蜗杆传动可以获得很大的传动比。
(√)6.在蜗轮蜗杆传动中,蜗杆的导程角和蜗轮的螺旋角相等。
(X)7.为了使蜗轮转速降低一半,可以不另换蜗轮,而采用双头蜗杆代替原来的单头蜗杆。
(双头会使速度增加一倍,i12=n1/n2=z2/z1)(√)8.直齿锥齿轮用于相交轴齿轮传动,两轴的交角可以是90°,也可以不是90°,一般多用于两轴垂直相交成90°的场合。
(X)9.蜗杆传动具有传动比大、承载能力大、传动效率高的特点。
(低)(X)10.蜗杆传动的传动比与蜗杆头数、蜗轮齿数成正比。
三、选择题1.标准直齿锥齿轮,只计算( A )的几何尺寸,并规定( A )的几何参数A.大端B.小端2.蜗杆传动的中间平而通过( A ) 且垂直于( B )A. 蜗杆轴线B.蜗轮轴线C.蜗杆端面D.蜗轮端面3. 在蜗轮齿数不变的情况下,钢杆头数( B ),则传动比越大。
A.多B.少C. 不变4. 在蜗杆传动中,蜗杆的( A )模数和蜗轮的( C )模数应相等,并为标准。
A. 轴向B.法向C.端面5. 如下围所示,轮1为( B ) 圆柱齿轮,轮2为( A ) 圆柱齿轮。
A.左旋斜齿B. 右旋斜齿C.直齿四、名词解释1.螺旋角(P60)---在斜齿圆柱齿轮分度圆柱面上,螺旋线的切线与通过切点的圆柱面直母线之间所夹的锐角称为螺旋角。
2.蜗杆导程角(P62)---圆柱蜗杆的分度圆柱螺旋线的切线与端平面之间所夹的锐角称为导程角。
4-1已知一条渐开线,其基圆半径为r b =50mm ,试求:(1)渐开线在向径r K =65mm 的点K 处的曲率半径ρK 、压力角αK 及展角θK ;(2)渐开线在展角θK =10°时的压力角αK 及向径r K 。
解:(1)(2)4-2当α=20°的正常齿渐开线标准齿轮的齿根圆和基圆相重合时,其齿数为多少?又若齿数大于求出的数值,则基圆和根圆哪一个大?解:当基圆与根圆重合时:当时:当z≥42时,由式(*)可知,等号左边不变右边增大,说明根圆大于基圆。
4-3一对渐开线外啮合直齿圆柱齿轮机构,已知两轮的分度圆半径分别为r 1=30mm ,r 2=54mm ,α=20°,试求:(1)当中心距a '=86mm 时,啮合角α'等于多少?两个齿轮的节圆半径r 1′和r 2′各为多少?(2)当中心距a '=87mm 时,啮合角α'和节圆半径r 1′和r 2′又各等于多少?(3)以上两种中心距下,齿轮节圆半径的比值是否相等?为什么?mmr inv r r K b K K K K K K K b K 5331.413439tan 50tan 542578793.713752.0180/34393439tan tan 3439715137.3976923.06550cos ='⨯=α=ρ'''===π⨯'-'=α-α=α=θ'==α===α mmr r K b K K K 8171.670342cos 50cos 0342174533.010='=α='=α==θ )2(cos 2**c h z m r mzr a f b --=α=fb r r =α-+=*+-=α--=αcos 1)(2)()(21cos )2(cos 2******c h z zc h c h z m mz a a a 25.01**==c h a ,45.419396.0125.12cos 1)(2**=-⨯=α-+=c h z a解:(1)(2)(3)两种中心距下,齿轮节圆半径的比值相等,因为:6132233878.23)9178.0(cos )20cos 8684(cos )cos (cos 111'''====α'=α'--- a a mm r r mm r r 2857.553878.23cos 20cos 54cos cos 7143.303878.23cos 20cos 30cos cos 2211=⨯=α'α='=⨯=α'α='25248666.24)9073.0(cos )20cos 8784(cos )cos (cos 111'====α'=α'--- a a mm r r mmr r 9286.553878.23cos 20cos 54cos cos 0714.318666.24cos 20cos 30cos cos 2211=⨯=α'α='=⨯=α'α='常数==''1212b b r r r r4-4一对正常齿渐开线外啮合直齿圆柱齿轮机构,已知α=20°,m =5mm ,z 1=19,z 2=42,试:(1)计算两轮的几何尺寸r 、r b 、r a 和标准中心距a 以及实际啮合线段21B B 的长度和重合度εα;(2)用长度比例尺μl =1mm/mm 画出r 、r b 、r a 、理论啮合线21N N ,在其上标出实际啮合线21B B ,并标出单齿啮合区和双齿啮合区。
齿轮传动选择题7-1.对于软齿面的闭式齿轮传动,其主要失效形式为A.轮齿疲劳折断 B .齿面磨损C.齿面疲劳点蚀 D .齿面胶合7-2.般开式齿轮传动的主要失效形式是A.轮齿疲劳折断 B .齿面磨损C.齿面疲劳点蚀 D .齿面胶合7-3.高速重载齿轮传动,当润滑不良时,最可能出现的失效形式为A.轮齿疲劳折断 B .齿面磨损C.齿面疲劳点蚀 D .齿面胶合7-4.齿轮的齿面疲劳点蚀经常发生在A.靠近齿顶处 B .靠近齿根处C.节线附近的齿顶一侧 D .节线附近的齿根一侧7-5.一对45 钢调质齿轮,过早的发生了齿面点蚀,更换时可用的齿轮代替。
A.40Cr 调质 B .适当增大模数mC.45 钢齿面高频淬火 D .铸钢ZG310-5707-6.设计一对软齿面减速齿轮传动,从等强度要求出发,选择硬度时应使A.大、小齿轮的硬度相等 B .小齿轮硬度高于大齿轮硬度C.大齿轮硬度高于小齿轮硬度 D .小齿轮用硬齿面,大齿轮用软齿面7-7.一对齿轮传动,小轮材为40Cr ;大轮材料为45 钢,则它们的接触应力A.H1 =H2 B. H 1 V H2C.H1 > H 27-8.其他条件不变,D.将齿轮传动的载荷增为原来的 4 倍,其齿面接触应力A.不变 B .增为原应力的2 倍C.增为原应力的4倍 D .增为原应力的16 倍7-9.一对标准直齿圆柱齿轮,z l = 21,z2 = 63,则这对齿轮的弯曲应力A.F1 > F 2B.C.F1 = F27-10 .对于开式齿轮传动,在工程设计中,F1VF 2 D. F1 W F 2A.先按接触强度设计,再校核弯曲强度 B .只需按接触强度设计C.先按弯曲强度设计,再校核接触强度 D •只需按弯曲强度设计。
7-7 .设计闭式软齿面直齿轮传动时,选择小齿轮齿数z1 的原则是7-12 .设计硬齿面齿轮传动,当直径一定,常取较少的齿数,较大的模数以7-20 .圆柱齿轮传动的中心距不变,减小模数、增加齿数,可以B .变位系数 xA . z 1 越多越好B . z 1 越少越好C. z i > 17,不产生根切即可 D •在保证弯曲强度的前提下选多一些A 提高轮齿的弯曲疲劳强度B .提高齿面的接触疲劳强度 C.减少加工切削量,提高生产率D .提高轮齿抗塑性变形能力7-13. 一对减速齿轮传动中,若保持分度圆直径d 1 不变,而减少齿数并增大模数,其齿面接触应力将A 增大B .减小 C.保持不变D .略有减小7-14 .设计齿轮传动时,若保持传动比i 和齿数和z . = z i + Z 2不变,而增大模数m ,则齿轮的 A 弯曲强度提高,接触强度提高 B .弯曲强度不变,接触强度提高 C.弯曲强度与接触强度均不变 D .弯曲强度提高,接触强度不变7-15 .在下面的各种方法中, 不能提高齿轮传动的齿面接触疲劳强度。
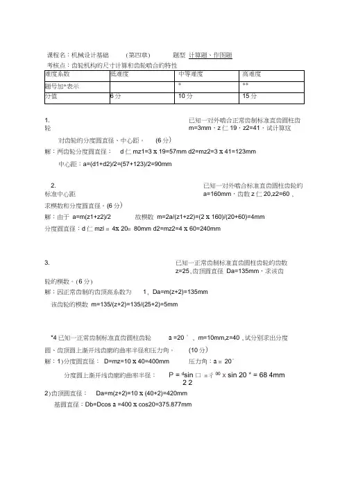
课程名:机械设计基础 (第四章) 题型 计算题、作图题 考核点:齿轮机构的尺寸计算和齿轮啮合的特性难度系数低难度中等难度高难度题号加*表示***分值6分10分15分1.已知一对外啮合正常齿制标准直齿圆柱齿轮m=3mm ,z1=19,z2=41,试计算这对齿轮的分度圆直径、中心距。
(6分)解:两齿轮分度圆直径:d1=mz1=3×19=57mm d2=mz2=3×41=123mm 中心距:a=(d1+d2)/2=(57+123)/2=90mm 2.已知一对外啮合标准直齿圆柱齿轮的标准中心距a=160mm ,齿数z1=20,z2=60,求模数和分度圆直径。
(6分)解:由于a=m(z1+z2)/2 故模数m=2a/(z1+z2)=(2×160)/(20+60)=4mm 分度圆直径:d1=mz1=4×20=80mm d2=mz2=4×60=240mm 3.已知一正常齿制标准直齿圆柱齿轮的齿数z=25,齿顶圆直径Da=135mm ,求该齿轮的模数。
(6分)解:因正常齿制的齿顶高系数为1,Da=m(z+2)=135mm 该齿轮的模数 m=135/(z+2)=135/(25+2)=5mm *4 已知一正常齿制标准直齿圆柱齿轮α=20°,m=10mm,z=40,试分别求出分度圆、齿顶圆上渐开线齿廓的曲率半径和压力角。
(10分)解:1)分度圆直径:D=mz=10×40=400mm 压力角:α=20° 分度圆上渐开线齿廓的曲率半径:mm d 4.6820sin 2400sin 2=︒⨯==αρ2)齿顶圆直径:Da=m(z+2)=10×(40+2)=420mm 基圆直径:Db=Dcos α=400×cos20=375.877mm 齿顶圆压力角:︒===--5.26420877.375cos cos 11Da Db a α齿顶圆上渐开线齿廓的曲率半径:mm Da a a 7.935.26sin 2420sin 2=︒==αρ*5 试比较正常齿制渐开线标准直齿圆柱齿轮(外齿轮)的基圆和齿根圆,在什么条件下基圆大于齿根圆?什么条件下基圆小于齿根圆?(10分) 解:基圆直径:Db=mzcos α齿根圆直径:Df=m(z-2h a *-2c *)=m(z -2-2×0.25)=m(z -2.5)令基圆>齿根圆:45.4120cos 15.2)5.2(cos =︒-<->z z m mz α故齿数Z <42时,基圆直径>齿根圆直径;Z ≥42时,基圆直径<齿根圆直径。
齿轮传动习题与答案齿轮传动一、多项选择题7-1.对于软齿面的闭式齿轮传动,其主要失效形式为________。
a.轮齿疲劳折断c.齿面疲劳点蚀b、齿面磨损D.齿面胶合7-2.一般开式齿轮传动的主要失效形式是________。
a.轮齿疲劳折断c.齿面疲劳点蚀b、齿面磨损D.齿面胶合7-3.高速重载齿轮传动,当润滑不良时,最可能出现的失效形式为________。
a.轮齿疲劳折断c.齿面疲劳点蚀b、齿面磨损D.齿面胶合7-4.齿轮的齿面疲劳点蚀经常发生在________。
a.靠近齿顶处b、靠近齿根,D.靠近节线的齿根一侧c.节线附近的齿顶一侧7-5. 一对45钢淬火回火齿轮的齿面过早点蚀,可在更换时使用更换新齿轮。
a、40Cr调质b.适当增大模数md.铸钢zg310-570c、 45钢齿面高频淬火7-6.设计一对软齿面减速齿轮传动,从等强度要求出发,选择硬度时应使________。
a.大、小齿轮的硬度相等b、小齿轮的硬度高于大齿轮c.大齿轮硬度高于小齿轮硬度a.?h1=?h2c.?h1>?h2a.不变d、小齿轮采用硬齿面,大齿轮采用软齿面b.?h1<?h2d.?h1≤?h2b.增为原应力的2倍d.增为原应力的16倍7-7. 一对齿轮传动,小轮材质40Cr;如果大车轮的材料为45钢,则其接触应力为_____。
7-8.其他条件不变,将齿轮传动的载荷增为原来的4倍,其齿面接触应力________。
c、增加到原始应力的4倍7-9.一对标准直齿圆柱齿轮,zl=21,z2=63,则这对齿轮的弯曲应力________。
a.?f1>?f2b.?f1<?f2c.?f1=?f2Df1≤? f27-10.对于开式齿轮传动,在工程设计中,一般________。
a、首先根据接触强度进行设计,然后检查弯曲强度。
B.仅根据接触强度进行设计。
C.首先根据弯曲强度进行设计,然后检查接触强度。
D.仅根据弯曲强度进行设计。
7-7.在设计闭式软齿面直齿圆柱齿轮传动时,小齿轮齿数Z1的选择原则为____。
【最新整理,下载后即可编辑】
课程名:机械设计基础(第四章)题型计算题、作图题
考核点:齿轮机构的尺寸计算和齿轮啮合的特性
1.已知一对外啮合正常齿制标准直齿圆柱齿轮m=3mm,
z1=19,z2=41,试计算这对齿轮的分度圆直径、中心距。
(6分)
解:两齿轮分度圆直径:d1=mz1=3×19=57mm d2=mz2=3×41=123mm
中心距:a=(d1+d2)/2=(57+123)/2=90mm
2.已知一对外啮合标准直齿圆柱齿轮的标准中心距a=160mm,齿数z1=20,z2=60,求模数和分度圆直径。
(6分) 解:由于a=m(z1+z2)/2 故模数m=2a/(z1+z2)=(2×160)/(20+60)=4mm
分度圆直径:d1=mz1=4×20=80mm d2=mz2=4×60=240mm
3.已知一正常齿制标准直齿圆柱齿轮的齿数z=25,齿顶圆直径Da=135mm,求该齿轮的模数。
(6分)
解:因正常齿制的齿顶高系数为1,Da=m(z+2)=135mm
该齿轮的模数 m=135/(z+2)=135/(25+2)=5mm
*4 已知一正常齿制标准直齿圆柱齿轮α=20°,m=10mm,z=40,试分别求出分度圆、齿顶圆上渐开线齿廓的曲率半径和压力角。
(10分)
解:1)分度圆直径:D=mz=10×40=400mm 压力角:α=20°
分度圆上渐开线齿廓的曲率半径:mm d 4.6820sin 2
400sin 2=︒⨯==αρ 2)齿顶圆直径:Da=m(z+2)=10×(40+2)=420mm
基圆直径:Db=Dcos α=400×cos20=375.877mm
齿顶圆压力角:︒===--5.26420877.375cos cos 11Da Db a
α 齿顶圆上
渐开线齿廓的曲率半径:mm Da a a 7.935.26sin 2
420sin 2=︒==αρ
*5 试比较正常齿制渐开线标准直齿圆柱齿轮(外齿轮)的基圆和齿根圆,在什么条件下基圆大于齿根圆?什么条件下基圆小于齿根圆?(10分)
解:基圆直径:Db=mzcos α
齿根圆直径:Df=m(z-2h a *-2c *)=m(z -2-2×0.25)=m(z -2.5) 令基圆>齿根圆:45.4120cos 15.2)5.2(cos =︒
-<->z z m mz α 故齿数Z <42时,基圆直径>齿根圆直径;Z ≥42时,基
圆直径<齿根圆直径。
*6.有一半径为Rb=30mm 的基圆,求渐开线上半径为Rk=40mm 处的压力角αk 和曲率半径ρK 各为多少?(10分) 解:︒===--4.4140
30cos cos 11Rk Rb k α mm R k k k 45.264.41sin 40sin =︒⨯==αρ
*7.今测得一标准齿轮齿顶圆直径Da=208mm ,齿根圆直径Df=172mm, 齿数Z =24, 试求该齿轮的模数与齿顶高系数、分度圆的齿厚。
(10分)
解:全齿高:ha=(Da -Df)/2=(208-172)/2=9 mm
齿顶高系数ha *=1, 顶隙系数c *=0.25,
mm c
h ha m a 425.029**=+=+= 则模数分度圆的齿厚 s=πm/2=3.14159×4/2=6.283mm
**8在技术革新中拟使用现有两个标准直齿圆柱齿轮,已测得一个齿轮的参数为:Z1=22,齿顶圆直径Da1=240mm ,另一个齿轮为:Z2=98,全齿高h a =22.5mm ,试判断这两个齿轮能否正确啮合传动?(15分)
解:齿轮1:mm z Da m 102
2224021=+=+=
齿轮2:mm c
h ha m a 1025.025.22**=+=+= 两齿轮模数相等,压力角相等。
故能正确啮合。
*9.已知一对外啮合标准直齿圆柱齿轮的标准中心距
a=360mm ,传动比i=3,模数m=10mm ,试求两轮的齿数与分度圆直径。
(10分) 解:由1
22)21(Z Z i Z Z m a =
+=得: 两轮的齿数:18)13(103602)1(21=+⨯=+=i m a Z ,Z2=iZ1=3×18=54 mm 分度圆直径:D1=mZ1=10×18=180 mm , D2=mZ2=10×54=54 mm
*10试根据渐开线特性说明一对模数相等,压力角相等,但齿数不等的渐开线标准直齿圆柱齿轮,其分度圆齿厚、齿顶圆齿厚和齿根圆齿厚是否相等,哪一个较大。
(10分) 解:设齿轮1的齿数为Z1,齿轮2的齿数为Z2,且Z1<Z2
依题意:两齿轮分度圆的齿厚只与模数有关,因模数相等,故两齿轮的分度圆上齿厚相等。
因渐开线的形状取决于基圆的大小,而Db=mzcos α,齿数少的基圆小,形状越弯曲,所以齿轮1的齿顶圆齿厚和齿根圆齿厚小于齿轮2的齿顶圆齿厚和齿根圆齿厚。
**1l 已知一对正常齿渐开线标准斜齿圆柱齿轮a=25Omm, z1=23,z2=98, m 。
=4mm ,试计算其螺旋角、当量齿数、分度圆直径。
(15分) 解:螺旋角︒=⨯+⨯=+=534.14)250
2)9823(4arccos()2)21(arccos(a z z m n β
当量齿数36.25)534.14(cos 23cos 1133=︒==βZ Zv
04.108)534.14(cos 98cos 223
3=︒==βZ Zv 分度圆直径:D1=mZ1/cos β=95.041 mm
D2=mZ2/cos β=404.959 mm
**12试设计一对外啮合圆柱齿轮,已知z1=21,z2=32,m n =2,实际中心距为55mm ,问(1)该对齿轮能否采用标准直齿圆柱齿轮传动?(2)若采用标准斜齿圆柱齿轮传动来满足中心距要求,其分度圆螺旋角β、分度圆直径d1、d2各为若干?(15分)
解:1)若采用直齿轮,标准中心距a =m(Z1+Z2)/2=2(21+32)/2=53 mm<55mm,
故不能采用标准直齿轮传动,否则齿侧间隙过大。
2))若采用标准斜齿圆柱齿轮传动来满足中心距要求: 螺旋角β=arccos(53/55)=15.499°
分度圆直径: D1=mZ1/cos β=43.585 mm
D2=mZ2/cos β=66.415 mm
*13试求β=20°和β=30°的正常齿渐开线标准斜齿圆柱齿轮的不根切最小齿数。
(10分)
解:β=20°时:1.1420cos 17cos 17m in 33===βZ
β=30°时:1130cos 17cos 17m in 33===βZ
*14 试述一对直齿圆柱齿轮、一对斜齿圆柱齿轮、一对直齿圆锥齿轮的正确啮合条件。
(10分)
解:一对直齿圆柱齿轮的正确啮合条件是两齿轮的模数与压力角分别相等并等于标准值。
一对斜齿圆柱齿轮正确啮合条件是两齿轮的法面模数与压力角分别相等并等于标准值,外啮合时,两齿轮的螺旋角相等,旋向相反;内啮合时两齿轮的螺旋角相等,旋向相同。
一对直齿圆锥齿轮的正确啮合条件两齿轮的大端模数与压力角分别相等并等于标准值。
**15. 一对标准安装的渐开线标准直齿圆柱齿轮外啮合传动,已知a=100mm, z1=20,z2=30,α=20°,齿顶圆直径d a1=88mm 。
(1)试计算下列几何尺寸:齿轮的模数m;两轮的分度圆直径d1、d2;两轮的节圆直径d1′,d2′。
(2)若安装中心距增至a ’=102mm ,试问:两轮的节圆半径和啮合角各为多少?(15分)
解:1)21221*1z z a h z d m a a +=+=解得h a *=1, m=4 mm
两轮的分度圆直径d1=mz1=4×20=80 mm , d2=mz2=4×30=120 mm
两轮的节圆直径d1′=d1=80mm ,d2′=d2=120mm
2) 由acos α=a ’cos α’得 cos α’=acos α/a ’=100cos20/102=0.9213
啮合角α’=22.888° 两轮的节圆直径mm d d 6.81888
.22cos 20cos 80cos cos 11=⨯='='αα mm d d 4.122888
.22cos 20cos 120cos cos 22=⨯='='αα。