预应力混凝土用金属波纹管径向刚度、抗渗漏性试验原始记录
- 格式:docx
- 大小:21.71 KB
- 文档页数:2
7.2.2预应力混凝土预制梁(板)(模板与支架、钢筋、混凝土)制作、安装施工工艺标准1 总则1.1 适用范围本标准适用于本企业承接的城市桥梁工程中预应力混凝土预制梁(板)制作、安装的施工及验收。
1.2 参考标准及规范本标准依据现行国家标准《城市桥梁工程施工与质量验收规范》GJJ2-2008、《城市桥梁养护技术标准》GJJ99-2003、J281-2003、钢筋焊接及验收规程(JGJ18-2003) 、建筑施工扣件式钢管脚手架安全技术规范JGJ130-2001及《公路桥涵施工技术规范》(JTJ 041-2000)等的要求进行编制。
在工程施工时除执行本标准外,尚应符合现行国家、行业及地方有关标准(规范)的相应规定。
2 术语2.0.1预应力混凝土预制梁(板)指桥梁上部结构梁(板)在专门场地进行钢筋混凝土及预应力的预制施工,然后运至桥位进行安装的结构。
3 基本规定3.0.1 预制梁(板)所用的水泥、砂、石、水、外掺剂的质量和规格必须符合设计和规范的要求,并按规定的配合比施工。
3.0.2 预制梁(板)不得出现露筋和空洞现象。
3.0.3 预制梁(板)采用胶囊施工时,应采取有效措施防止胶囊上浮。
3.0.4 预制梁(板)在吊出预制底座时,混凝土强度不得低于设计要求的吊装强度;梁(板)在安装时,支承结构(墩台、盖梁、垫石)的强度应符合设计要求。
3.0.5 预制梁(板)安装前,墩台支座垫板必须牢固。
3.0.6 预制梁(板)就位后,梁两端支座应对位,梁(板)底与支座以及支座底与垫石顶必须密贴,否则应重新安装。
3.0.7 两梁(板)之间接缝填充材料的规格和强度应符合设计要求。
3.0.8 雨期应避免在雨中进行预制混凝土浇筑。
4 施工准备4.1 技术准备4.1.1 认真审核设计图纸,编制专项分项工程施工方案并报业主及监理审扣4.1.2 进行钢筋的取样试验、钢筋放样及配料单编制工作。
4.1.3 对模板进行进场验收。
4.1.4对混凝土各种原材料进行取样试验及混凝土配合比设计。
江苏上岗证考试预应⼒A江苏省建设⼯程质量检测⼈员岗位培训试卷预应⼒⽤材、钢绞线、锚夹具、波纹管(A卷)(满分120分,时间100分钟)成绩:⼀、单项选择题(每题2分、共40分)1、对1×7结构钢绞线,测量最⼤⼒总伸长率时,原始标距应()A、≥300mmB、≥400mmC、≥500mmD、≥800mm2、应⼒松弛性能试验期间,试样的环境温度应保持在( )内。
A、20℃±2℃B、10℃~35℃C、23℃±2℃D、23℃±5℃3、钢绞线的实际强度不能⾼于其抗拉强度级别()A、100MPaB、200MPaC、10%Fm D、20%Fm4、对预应⼒混凝⼟⽤钢棒,以下说法错误的是()A、光圆钢棒公称直径不过10mm时,应进⾏反复弯曲试验B、光圆钢棒公称直径⼤于10mm时,应进⾏160°-180°弯曲试验C、带肋钢棒⽆弯曲性能要求D、钢棒测量最⼤⼒总伸长时标距为300mm5、计算钢绞线抗拉强度时,截⾯积应取()A、钢绞线实测⾯积B、钢绞线参考⾯积C、根据公称直径计算的⾯积D、钢绞线单丝直径的总和6、标记为“预应⼒钢绞线1×7-15.20-1860-GB/T5224-2003”的钢绞线的性能结果数值应进⾏修约,现⾏标准中规定Rm的修约间隔为()MPa。
A、1B、5C、10D、507、锚具静载试验,对7孔锚,预应⼒筋效率系数应取值为()A、1.00B、0.99C、0.98D、0.978、预应⼒筋-锚具疲劳性能试验,对钢绞线,试验应⼒上限应为钢绞线抗拉强度标准值的,应⼒幅度不⼩于 MPa。
()A、70% 80B、80% 80C、65% 70D、65% 809、预应⼒筋-锚具组装件周期荷载试验,对有明显屈服台阶的预应⼒钢材,试验应⼒上限应为预应⼒钢材抗拉强度标准值的,下限为预应⼒钢材抗拉强度标准值的。
()A、90% 60%B、80% 50%C、90% 40%D、80% 40%10、关于锚夹具静载试验⽤钢绞线以下说法正确的是()A、多根钢绞线组装件中钢绞线的受⼒长度不应⼩于2mB、单根钢绞线组装件中钢绞线的受⼒长度不应⼩于1mC、试验⽤钢绞线应在代表性部位取⾄少3根进⾏母材⼒学性能试验合格⽅可使⽤D、钢绞线实测抗拉强度等级应与受检锚夹具的设计等级相同11、静载试验⽤测⼒系统,其不确定度不应⼤于()A、0.5%B、1%C、2%D、0.1%12、锚夹具洛⽒硬度试验,施加总试验⼒后保持时间应为()A、不超过3sB、1-8sC、4±2sD、不超过8s应不⼩于公称抗拉13、预应⼒混凝⼟⽤冷拉钢丝,其规定⾮⽐例伸长应⼒σp0.2强度的()A、80%B、90%C、75%D、85%14、塑料波纹管的环刚度应不⼩于 KN/m2。
预应力混凝土用金属波纹管1 范围本标准规定了预应力混凝土用金属波纹管的分类与标记,要求,试验方法,检验规则,包装、标志、运输、贮存和使用等内容。
本标准适用于以镀锌或不镀锌低碳钢带螺旋折叠咬口制成并用于后张法预应力混凝土结构构件中预留孔的金属管。
2 规范性引用文件下列文件中的条款通过本标准的引用而成为本标准的条款。
凡是注日期的引用文件,其随后所有的修改单(不包括勘误的内容)或修订版均不适用于本标准,然而,鼓励根据本标准达成协议的各方研究是否使用这些文件的最新版本。
凡是不注日期的引用文件,其最新版本适用于本标准。
GB 716 碳素结构钢冷轧钢带GB/T 2518 连续热镀锌钢板及钢带3 分类与标记3.1 分类预应力混凝土用金属波纹管按径向刚度分为标准型和增强型;按截面形状分为圆形与扁形;也可按每个相邻折叠咬口之间凸起波纹的数量分双波、多波。
3.2 标记预应力混凝土用金属波纹管的标记由代号、内径尺寸及径向刚度类别三部分组成:示例1:内径为70mm的标准型圆管标记为:JBG-70B。
示例2:内径为70mm的增强型圆管标记为:JBG-70Z。
示例3:长轴为65mm、短轴为20mm的标准型扁管标记为:JBG-65×20B示例4:长轴为65mm、短轴为20mm的增强型扁管标记为:JBG-65×20Z4 要求4.1 材料用于制作预应力混凝土用金属波纹管的钢带应为软钢带,性能符合GB 716的规定;当采用镀锌钢带时,其双面镀锌层重量不应小于60g/m2,性能应符合GB/T 2518的规定。
钢带应附有产品合格证或质量保证书。
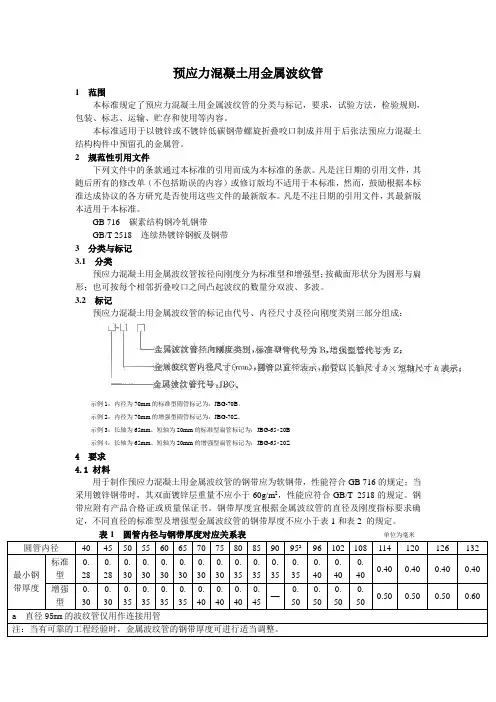
钢带厚度宜根据金属波纹管的直径及刚度指标要求确定,不同直径的标准型及增强型金属波纹管的钢带厚度不应小于表1和表2 的规定。
单位为毫米圆管内径40 45 50 55 60 65 70 75 80 85 90 95a 96 102 108 114 120 126 132最小钢带厚度标准型0.280.280.300.300.300.300.300.300.350.350.350.350.400.400.400.40 0.40 0.40 0.40 增强型0.300.300.350.350.350.350.400.400.400.45—0.500.500.500.500.50 0.50 0.50 0.60a 直径95mm的波纹管仅用作连接用管注:当有可靠的工程经验时,金属波纹管的钢带厚度可进行适当调整。
2.3.2预应力预制混凝土(模板、钢筋、混凝土)柱制作、安装施工工艺标准1 总则1.1 适用范围本标准适用于本企业承接的城市桥梁工程中预应力预制钢筋混凝土墩柱的安装的施工及验收。
1.2 参考标准及规范本标准依据现行国家标准《城市桥梁工程施工与质量验收规范》GJJ2-2008、《城市桥梁养护技术标准》GJJ99-2003、J281-2003、钢筋焊接及验收规程(JGJ18-2003)及《公路桥涵施工技术规范》(JTJ 041-2000)等的要求进行编制。
在工程施工时除执行本标准外,尚应符合现行国家、行业及地方有关标准(规范)的相应规定。
2 术语2.0.1预应力预制混凝土柱桥梁墩柱采用预应力钢筋混凝土结构,并在工厂或其它场地先制作完成,然后运至现场安装。
3 基本规定3.0.1 预制墩柱在浇筑过程,派专人负责成品保护工作,既要对钢筋进行修正,又要对预埋件进行看护、校正,在混凝土刚浇筑完毕时,对预埋件进行复查其准确性。
3.0.2 模板的拆除必须在混凝土强度达到规定要求后,且其表面及棱角不因拆模而受损时,方可拆除。
拆模宜按立模顺序逆向进行,不得损伤混凝土,井减少模板破损。
当模板与混凝土脱离后,方可拆卸、吊运模板。
3.0.3 预制墩柱起吊装车前,其混凝土强度必须达到规定的强度3.0.4 构件移运时的起吊(支承)点位置应符合设计给定位置不得随意变更其位置,如需变更必须同设计协商确定。
``3.0.5 构件运输时的支承位置应与吊点位置一致。
3.0.6 构件的堆放场地应排水良好。
3.0.7 雨期应避免在雨中进行预制墩柱安装及混凝土浇筑。
杯口内存有积水时,应在墩柱安装前清理干净。
4 施工准备4.1 技术准备4.1.1 认真审核设计图纸,编制专项分项工程施工方案并报业主及监理审查。
4.1.2 进行钢筋的取样试验、钢筋放样及配料单编制工作。
4.1.3 对构件进行进场验收。
4.1.4对混凝土各种原材料进行取样试验及混凝土配合比设计。
2023年试验检测师之桥梁隧道工程题库及精品答案单选题(共50题)1、对于设计荷载等级为公路-Ⅰ级的桥梁,《公路桥涵设计通用规范》(JTGD60-2015)将跨径≤5m的车道荷载的集中力提高到()。
A.180kNB.240kNC.270kND.360kN【答案】 C2、山岭公路隧道排水系统水的流程是()。
A.围岩——环向排水管——横向排水盲管——纵向排水管——中央排水管B.围岩——环向排水管——纵向排水管——横向排水盲管——中央排水管C.围岩——纵向排水管——环向排水管——横向排水盲管——中央排水管D.围岩——环向排水管——横向排水盲管——中央排水管——纵向排水管【答案】 B3、地表下沉横断面上一般布置()个测点,两测点的间距为2~5m。
A.1-5B.5-7C.7-11D.11-15【答案】 C4、某隧道衬砌结构为一次喷护15cm厚混凝土和二次模筑30cm厚混凝土复合衬砌,两次混凝土之间有一层柔性防水层。
用超声平测法测得超声波速为4200m/s,用冲击一回波法测定其平均峰值频率为8kHz。
结合上述内容,回答下列问题。
(3)冲击一回波法是()测试方法。
A.双面对测B.单面反射C.双面斜测D.双面双点【答案】 B5、全断面法可用于()围岩的中小跨度隧道。
A.I~Ⅱ级B.I~Ⅲ级C.Ⅱ~Ⅲ级D.I~Ⅳ级【答案】 B6、隧道防水混凝土衬砌每()需要做一组抗渗试件。
A.50mB.100mC.200mD.500m【答案】 C7、桥梁荷载试验,对预应力混凝土与组合结构桥,在控制荷载工况下相对残余变形一般不大于()。
A.5%B.10%C.15%D.20%【答案】 D8、用于钢筋力学性能检测的试验机应选择合适的量程,试件破坏荷载必须在试验机全量程的()之间。
A.10%~90%B.20%~80%C.10%~80%D.20%~90%【答案】 B9、除新桥首个工况:桥梁荷载试验荷载在桥上的稳定时间不少于()。
A.2minB.5minC.10minD.15min【答案】 B10、回答单桩竖向抗压极限承载力确定方法的问题。
沈铁改扩建路基二标项目部原材料质量管理制度编制:审核:批准:二〇一四年六月十九日原材料质量管理流程图备注:实线流程为项目部自检对原材质量的控制流程;虚线流程为项目部结合具有检测资质实验室检测结果对原材质量的控制流程。
原材料质量管理制度沈铁改扩建路基二标工程,质量第一。
为把好工程材料关,按照“源头把关,过程控制,精细管理”的原则,现制订如下质量管理制度,实施全面质量管理。
1、所有进场的主要材料:水泥、钢筋、钢绞线、外加剂、粉煤灰、锚具、板式支座、金属波纹管、精轧螺纹钢等必须有质量证明书或出厂合格证,供方应在合格供方名录内,否则不允许进场。
2、主要材料进场后,均由物机部出据《原材料试验委托单》,通知试验室及现场或试验监理对该批材料进行见证抽样检验。
3、试验室对原材料检验的结果以《原材料检验结果反馈单》的形式通知物机部。
4、物机部收到合格的《原材料检验结果反馈单》后方可使用。
并按定额进行出库使用。
不合格产品应予退货或降级使用。
5、进场原材料的程序及奖惩办法:㈠原材料验收由项目部相关部门组织并验收⑴采购前对供方资质和质量进行实地考察,评价合格后列入供方名录;⑵购料到场后先由项目部实验室进行自检;⑶自检合格后,通知驻地监理或业主代表进行审查;⑷及时做好相关部门验证登记资料。
㈡奖罚办法⑴采购合格供方名录外原材料罚款物机部验收人员50元/次,以后再犯此类错误加重处罚物机部负责人;⑵物资进场24小时向实验室进行报验资料,填写《原材料试验委托单》,报验滞后罚款相关人员20元/次,漏报罚款相关人员和负责人各50元/次;⑶实验室接到委托单后,要及时安排实验员实地取样检验,并在接到委托书后24小时内把《原材料检验结果反馈单》传递到项目物机部,滞后或者不按规定程序对相关人员或负责人罚款20元/次;⑷物机部工地验收人员在没有收到《原材料检验结果反馈单》,就对进场原材料进行发放使用,对相关人员和部门负责人各罚款200元/次;⑸项目其他人员或者施工队,私自使用待检或者不合格产品,要对其相关人员罚款200元/次,对施工对罚款2000元/次;⑹物机部工地验收人员要及时填写或更改原材料标识牌上的检验状态,发现一次罚款20元/批/次;⑺实验室要及时联络驻地监理对进场物资进行取样检验,并做好相关资料,因工作不当照成进场材料不能按时使用,对有责人员罚款20元/次;⑻每月考核一次,对能够进行及时报验和查验、并把相关资料登记完善的相关人员进行一次奖励200元/月,并对部门负责人奖励100元/月。
2023年试验检测师之桥梁隧道工程练习题(一)及答案单选题(共40题)1、《公路隧道设计规范》(ITGD70-2004)规定二次衬砌混凝土的抗渗等级在有冻害地段及最冷月份平均气温低于-15℃的地区不低()。
A.P10B.P8C.P12D.P6【答案】 B2、某梁式桥跨径组合为I0m+10m+10m,毎跨横冋由15块钢筋混凝土空心板梁组成上部件划分中,上部承重构件和上部一般构件的构件数应为()A.15,14B.45,14C.45,42D.15,42【答案】 C3、某应变测点实测弹性值为90×10-6,残余应变为10×10-6,计算应变为150×10-6,则相对残余应变为()。
A.11.1%B.6.7%C.10.0%D.12.5%【答案】 C4、对某特大桥(五跨连续梁桥)进行控制检测,由于该桥在竣工时未按规定设置永久观测点,大桥管养部门根据要求对该桥进行观测点补设。
结合上题内容,回答下列问题:如需进行桥面高程永久测点设置,每跨至少设()个位置()个测点。
A.5,5B.5,10C.10,10D.10,20【答案】 B5、公路隧道结构定期检查频率正确的是()A.一级,1次/3年B.二级,1次/2年C.三级,1次/年D.四级,1次/半年【答案】 B6、钢绞线应力松弛性能试验要求环境温度应始终保持在()。
A.20℃±2℃B.25℃±2℃C.30℃±2℃D.15℃±2℃【答案】 A7、以下检测方法不属于隧道内混凝土衬砌厚度检测方法的是()。
A.凿芯法B.回弹法C.地质雷达法D.激光断面仪法【答案】 B8、隧道监控量测,位移管理Ⅲ等级标准为()。
A.U<Uo/3B.Uo/3≤U<2Uo/3C.Uo/4≤U<3Uo/4D.U>2Uo/3【答案】 A9、拱腰以上锚杆通常承受()。
(2013真题)A.拉力B.压力C.剪力D.弯曲应力【答案】 B10、高速公路运营隧道二次衬砌进行地质雷达无损专项检测。
2023年试验检测师之桥梁隧道工程自我提分评估(附答案)单选题(共50题)1、关于隧道监控量测中锚杆轴力检测,表述正确的是()。
A.锚杆轴力属必测项目B.常采用钢弦式测力计进行测量C.拱腰上测孔应水平方向钻孔布置D.每根测力锚杆上布置1个测点【答案】 B2、公路隧道按跨度分类,中跨度隧道的划分标准为()。
A.B小于9mB.9m小于等于B小于14mC.14m小于等于B小于18mD.B大于等于18m【答案】 B3、后张法预应力混凝土构件,孔道压浆材料3h钢丝间泌水率为()。
A.0%B.1%C.2%D.4%【答案】 A4、混凝土中氯离子含量检测,混凝土氯离子含量()时,可评定钢筋锈蚀的可能性不确定。
A.>2B.<0.15C.[0.15;0.40]D.[0.40;0.70]【答案】 C5、对于设计荷载等级为公路-Ⅰ级的桥梁,《公路桥涵设计通用规范》(JTGD60-2015)将跨径≤5m的车道荷载的集中力提高到()。
A.180kNB.240kNC.270kND.360kN【答案】 C6、混凝土坍落度不大于()时宜采用振动台振实试件。
A.20mmB.30mmC.50mmD.90mm【答案】 D7、某三跨连续梁桥进行定期检查,经综合技术状况评定后,该桥评定为四类桥。
结合上题内容,回答下列问题:(4)定期检查的间隔时间最长不超过()。
B.2年C.3年D.5年【答案】 C8、预应力混凝疑土桥梁用塑料波纹管环刚度试验时,应选择的试样管材数量和试样截取长度分别为()。
A.3根,500mm±10mmB.3根,300mm±10mmC.5根,500mm±10mmD.5根,300mm±10mm【答案】 D9、根据交通行业标淮《公路桥梁板式橡胶支座》规定:公路桥梁圆形四氟滑板氯丁橡胶支座,短边尺寸为400mm,长边尺寸为600mm,厚度为47mm,其正确标记为()。
A.GJZ400×600×47(CR)B.GJZ400×600×47(NR)C.GYZF4400×600×47(CR)D.GJZF4400×600×47(NR)【答案】 C10、公称直径为25的HRBF335热轧钢筋的弯芯直径为()。
2023年试验检测师之桥梁隧道工程自我提分评估(附答案)单选题(共50题)1、某在用五跨梁桥通过静载试验确定其承载力,据此回答:5)已知上题挠度测点的计算挠度值为3.00mm,则以下说法正确的是()。
A.校验系数λ=0.76,承载力满足要求B.校验系数λ=0.86,承载力满足要求C.校验系数λ=0.76,承载力不满足要求D.校验系数λ=0.86,承载力不满足要求【答案】 A2、3.两车道隧道开挖后采用喷射混凝土支护,某检测单位对该隧道初期支护的质量进行检测。
请回答下列问题:(3)对2批喷射混凝土试件采用标准试验方法测得28d极限抗压强度如下表所示,第1批有12组试件,第2批有9组试件,设计强度均为25MPa,检测结果为()。
A.第1批合格,第2批合格B.第1批不合格,第2批合格C.第1批合格,第2批不合格D.第l批不合格,第2批不合格【答案】 C3、《公路桥梁承载能力检测评定规程》规定,对符合下述条件,如()的在用桥梁,可通过荷载试验进行承载能力检测评定。
5)该桥遭受()。
(2017真题)(2017检师真题)A.(主体)严重损伤B.桥面严重漏水C.桥墩被火熏黑D.重大自然灾害【答案】 D4、隧道初期支护阶段当位移速率大于()时应密切关注围岩动态。
A.1mm/dB.1-0.2mm/dC.0.2mm/dD.0.4mm/d【答案】 A5、喷射混凝土厚度要求每10延米至少检查一个断面,再从拱顶中线起每隔()凿孔检查一个点。
A.1mB.2mC.3mD.5m【答案】 C6、在石料单轴抗压强度试验中,试件破坏荷载应大于压力试验机全程的()且小于压力试验机全程的80%。
A.10%B.15%C.20%D.25%【答案】 C7、某桥梁钻孔灌注桩的桩长为30m,桩径φ600mm,采用锚桩反力法进行承载力检测,基准桩与试桩的距离应()(2017真题)A.≥2mB.≥2.4mC.≥3mD.≥3.6m【答案】 B8、隧道施工控制测量,长度≥6000m时平面控制测量等级应满足()。
作业指导书之杨若古兰创作(波纹管试验)中铁东南科学研讨院无限公司目录一、金属波纹管检测1.开展项目表1 开展检测项目2.根据文件表2 根据文件3.次要仪器设备表3 次要仪器设备4.操纵规程游标卡尺操纵规程4.1.1.握尺方法:用手握住主尺,四个手指抓紧,大姆指按在游标尺的右下侧半圆轮上,并用大姆指轻轻挪动游标使活动量爪能卡紧被测物体,略旋紧固定螺钉,再进行读数.4.1.2从游标尺的零刻度线对准的主尺地位,读出主尺毫米刻度值(取整毫米为整数X)找出游标尺的第几(n)刻线和主尺上某一刻线对齐,则游标读数为:n ×精度(精度由游标尺的分度决定)总测量长度为:ι=X+n×精度4.2.1.使用千分尺时先要检查其零位是否校准,是以先松开锁紧安装,清除油污,特别是测砧与测微螺杆间接触面要清洗干净.检查微分筒的端面是否与固定套管上的零刻度线重合,若不重合应先扭转旋钮,直至螺杆要接近测砧时,扭转测力安装,当螺杆刚好与测砧接触时会听到喀喀声,这时候停止动弹.读数时,先以微分筒的端面为准线,读出固定套管下刻度线的分度值(只读出以毫米为单位的整数),再以固定套管上的水平横线作为读数准线,读出可动刻度上的分度值,读数时应估读到最小刻度的十分之一,即0.001毫米.4.3.1.调试试验机四个调平脚,使圆形水平泡局中,试验机处于水平形态;4.3.2.根据分歧规格的波纹管,选择好试验夹具,并将上夹具连接在杠杆上,下夹具放在试验平台上;4.3.3.调节加载杠杆和校准传感器;将试样放在试验机上,调节受压机构,将试验平台缓缓上升,让波纹管与上下夹具基本接触;开启试验机上的“升”按键,当加载到规定的试验荷载时,立即按停若尚未达到预定值时,可采取手摇方式使其达到预定值停止;记录加载数值和变形量.5.试验/检测方法及步调5.1圆管尺寸5内径测量:用游标卡尺的两内测脚张开到略小于被测尺寸,在金属波纹管内再慢慢张开内测脚直至轻轻接触金属波纹管的内概况,记录此时读数.在相垂直的直径方向上测量两次,取平均值.5.1.2外径测量:用游标卡尺的两外测脚张开到略大于被测尺寸,而后自在放入金属波纹管,以固定测脚贴靠金属波纹管波峰外侧,然后将活动测脚轻轻推向金属波纹管,记录此时读数.在相垂直的直径方向上测量两次,取平均值.用游标卡尺的两内测脚沿金属波纹管扁管的长轴方向测量其最大内径,此时读数值为U1,沿金属波纹管扁管的短轴方向测量其最大内径,此时读数值为U2.在金属波纹管不带波峰处用游标卡尺的两外测脚测量其管壁厚度,在分歧地位测量两次,取平均值.5.4集中荷载下径向刚度试验5.4.1.调试试验机四个调平脚,使圆形水平泡局中,试验机处于水平形态;5.4.2.根据分歧规格的波纹管,选择好试验夹具,并将上夹具连接在杠杆上,下夹具放在试验平台上;5.4.3.调节加载杠杆和校准传感器;将试样放在试验机上,调节受压机构,将试验平台缓缓上升,在波谷的地位上放10mm的圆钢;开启试验机上的“升”按键,以不超出20N/s的速度加载到规定的试验荷载时,立即按停;若尚未达到预定值时,可采取手摇方式使其达到预定值停止;记录加载数值和变形量.5.5均布荷载下径向刚度试验5.5.1.调试试验机四个调平脚,使圆形水平泡局中,试验机处于水平形态;5.5.2.根据分歧规格的波纹管,选择好试验夹具,并将上夹具连接在杠杆上,下夹具放在试验平台上;5.5.3.调节加载杠杆和校准传感器;将试样放在试验机上,调节受压机构,将试验平台缓缓上升,让波纹管与上下夹具基本接触;开启试验机上的“升”按键,以不超出20N/s的速度加载到规定的试验荷载时,立即按停.若尚未达到预定值时,可采取手摇方式使其达到预定值停止;记录加载数值和变形量.5.6抗渗漏功能试验5.6.1承受荷载后抗渗漏功能试验将已进行过抗集中荷载试验的试件的另一端,按集中荷载试验方法,在管内放入倍圆管内径(扁管为短边长度)的圆钢,施加1000N的集中荷载,制成集中荷载感化后抗渗漏功能试验试件.试件竖放将此次加荷部位朝下,下端封闭,用水灰比的纯水泥浆灌入试件,其灌注高度为,观察概况渗漏情况30min.5.6.2曲折后抗渗漏功能试验将预应力混凝土用金属波纹管弯成圆弧,圆弧半径为:圆管为30倍内径,扁管短轴方向为30倍短轴长度,长轴方向为30倍长轴长度且不大于800倍预应力钢丝直径.灌入水灰比为的纯水泥浆,水泥浆高度不低于,观察概况渗漏情况30min.6.数据处理6.1.1.钢带厚度及尺寸偏差试验结果取平均值,精确到.6.1.2.径向刚度的计算:7.原始记录表格金属波纹管试验记录表编号:序号:任务单编号:试验环境:试验规程:样品描述:仪器设备名称及型号:试验者:复核者:日期:二、塑料波纹管检测1.开展项目表1 开展检测项目2.根据文件表2 根据文件表3 次要仪器设备4.操纵规程紧缩试验机操纵规程4.11大致确定试样在末地位的最小环刚度.把试样a的该地位和压力机板上相接触,或把第一个试样放置时,把另外两个试样b、c的放置地位顺次绝对于第一个试样转120°和240°放置..输入试样宽度、管直径、程序主动算出尺度规定的变形量进行试样.紧缩到尺度规定变形量当前主动停机.液晶显示器上显示出的变形量、最大拉力、刚度、试验速度等参数.4.2 游标卡尺操纵规程4.2.1.握尺方法:用手握住主尺,四个手指抓紧,大姆指按在游标尺的右下侧半圆轮上,并用大姆指轻轻挪动游标使活动量爪能卡紧被测物体,略旋紧固定螺钉,再进行读数.4.2.2从游标尺的零刻度线对准的主尺地位,读出主尺毫米刻度值(取整毫米为整数X)找出游标尺的第几(n)刻线和主尺上某一刻线对齐,则游标读数为:n ×精度(精度由游标尺的分度决定)总测量长度为:ι=X+n×精度4.3.1.使用千分尺时先要检查其零位是否校准,是以先松开锁紧安装,清除油污,特别是测砧与测微螺杆间接触面要清洗干净.检查微分筒的端面是否与固定套管上的零刻度线重合,若不重合应先扭转旋钮,直至螺杆要接近测砧时,扭转测力安装,当螺杆刚好与测砧接触时会听到喀喀声,这时候停止动弹.读数时,先以微分筒的端面为准线,读出固定套管下刻度线的分度值(只读出以毫米为单位的整数),再以固定套管上的水平横线作为读数准线,读出可动刻度上的分度值,读数时应估读到最小刻度的十分之一,即0.001毫米.4.4落锤式冲击试验机操纵规程4.4.1.开机,先接通电源,再打开电控箱电源开关.此时,电源唆使灯亮,机器开始自检.待2秒中当前显示0000,手动唆使灯亮,此时机器方可使用.4.4.2.试样安装,打开试样室门,动摇工作台右边板的手轮,使试样可以放入试样室,将试样置于支持V型铁上,并固定.4.4.3.试验操纵,根据试验请求,选择合适的锤杆.并由此调节支持管壁上限位的地位(支持管上标有正文).根据试验的请求选择试验方法.4.5柔韧性试验架操纵规程把摆布两片R型模板分别安装在底座横梁上;根据管材的分歧直径调节两R型模板,然后用螺栓固定在横梁上. 4.6箱式电阻炉操纵规程4.6.1将欲灼烧的物资均匀盛装在洁净坩埚中,用长柄坩埚16钳送入炉膛内,关闭炉门.4.6.2打开电源开关和温度自动控制台开关. 调节温度设定旋钮至所须温度.4.6.3待温度唆使调节仪指针升高至设定 2 温度时,电炉断电,唆使仪右边红色指使灯亮,炉温降低;当温度唆使仪指针退离设定温度时,电炉通电,此时右边绿色.唆使灯亮.如此反复,使炉温坚持恒定.4.6.4灼烧终了,先关闭温度自动控制台开关,再切断电源开关. 将炉门打开一条小缝,让其降温加快;待温度降至 200 度下时,缓慢打开炉门,用长柄坩埚钳取出被灼烧物,关闭炉门.4.7电热鼓风干燥箱操纵规程4.7.1将制备好的试件放入工作室中,把玻璃温度计拔出箱顶中间出风口调节器,门关闭;4.7.2启动电源开关,数秒后,PV显示屏和SV显示屏分别显示工作室温度和设定值;4.7.3然后按仪表操纵使用说明书中的设定框图顺序操纵仪表;4.7.4面板上的累时器是该老化箱的工作时间的累计;4.7.5本箱备有两种分歧类型的底板,在使用鼓风时,请用无孔的绝热底板,在使用天然对流时,请使用有孔的底板,并同时把工作室内二测的风孔全部关闭,以包管热空气由下而上的均匀通过试样概况;4.7.6当试样达到规定温度和时间后,取出试样进行下一步试验.4.8拉力计规程4.8.1按顺序打开试验机开关、油泵开关,检测试验机油泵是否正常工作;4.8.2根据试样的外形及尺寸,把响应的钳口装入上下钳口座内;4.8.3装夹试样,装上引申计;4.8.4开始试验:试样断裂后,关闭送油阀,取下断裂试样后再停止油泵工作;4.8.5测量,录入数据,打印陈述.4.8.6试验后将试台降低,活塞不宜落到油缸底,稍留一点距离以利下次使用.4.8.7试验终了后将试验机上的污渍擦拭干净,做好设备润滑调养工作.对没有喷漆的概况擦拭干净后利用面纱沾少量的机油再擦一遍,以防止生锈,旱季期间更留意擦拭.4.9真空泵规程4.9.1开泵前的筹办:检查泵体各部位的螺丝紧固情况,清洁泵四周的杂物,邮箱油位在1/2—2/3处,电机防护罩残缺,电机盘动灵活,无卡涩景象,点动电机检查电机转向.4.9.2开泵:打开真空泵的出气阀,关闭出气管路的排水阀,进气管路进气阀,泄压阀,打开泵进口阀,将转换开关旋至手动,启动电机,缓慢开启进气阀门,观察真空度的大小.4.9.3运转中的检查:每天检查油位,油位在1/2—2/3处,检查机组的振动,声音是否异常,定期打开真空泵出气管的排水阀,4.9.4停泵:关闭泵进口阀门,进气管路上的阀门,停止电机,打开泄压阀,破除泵内的真空,打开出气管路上的排水阀,放尽残水后关闭.4.9.5停泵后的调养:长时间停泵应定期检查泵内的旋片,并擦干泵内的水分,紧密关闭真空泵的进气阀门,防止管内有杂物进入泵内,从头启动真空泵时,要换油.5.试验/检测方法及步调5.1外观检查用肉眼直接观察5.2尺寸测量5.2.1 无效长度用最小刻度不大于5mm的卷尺测量管材的无效长度.且至多测量三处,均匀分布在管材圆周上,当由测量值计算算数平均值时,按表4的规定修约结果作为管材的总长,用机械切割并能包管垂直切割的管材可以在一处测量(1)用π尺直接测量法.(2)用游标卡尺的两外测脚张开到略大于被测尺寸,而后自在靠近塑料波纹管,以固定测脚贴靠塑料波纹管波峰外侧,然后将活动测脚轻轻推向塑料波纹管,记录此时读数.在相垂直的直径方向上测量两次,取平均值.(1)用内径π尺直接测量.(2)用游标卡尺的两内测脚张开到略小于被测尺寸,在塑料波纹管内再慢慢张开内测脚直至轻轻接触塑料波纹管的内概况,记录此时读数.在相垂直的直径方向上测量两次,取平均值.将管材沿圆周进行很多于四等份的均分,测量层压壁厚及内层壁厚,读取最小值.表1 壁厚的测量单位为毫米5.4环刚度试验切取足够长的管材,在管材的外概况,以任一点为基准,每隔120°沿管材长度方向划线并分别做好标识表记标帜.将管材按规定长度切割为a,b,c三个试样,试样截面垂直于管材的轴线.注:如果管材存在最小壁厚线,则以此为基准线.每个试样按以下表的规定沿圆周方向等分测量3~6个长度值,计算其算术平均值为试样长度,精确到1mm表长度测量数对于每个试样,在所有的测量值中,最小值不该小于最大值的倍.公称直径小于或等于1500mm的管材,每个试样的平均长度应在300mm±10mm.公称直径大于1 500mm的管材,每个试样的平均长度不小于(单位为mm).有垂直肋、波纹或其他规则结构的结构壁管,切割试样时,在满足a,b或c的长度请求的同时,应使其所含的肋、波纹或其他结构起码.切割点应在肋与肋,波纹与波纹或其他结构的中点.对于螺旋管材,切割试样,应在满足a,b或c的长度请求的同时,使其所含螺旋数起码.带有加强肋的螺旋管和波纹管,每个试样的长度,在满足a,b或c 的请求下,应包含所无数量的加强肋,肋数很多于3个.分别测量a,b,c三个试样的内径d ia、d ib、d ie.应通过横断面中点处,每隔45°顺次测量4处,取算术平均值,,每次的测量应精确到内径的0.5%.分别记录a、b、c每个试样的平均内径d ia、d ib、d ie 按照下式计算三个值的平均值:试验应在产品生产出至多24h后才可以进行取样.对于型式检验或在有争议的情况下,试验应在生产出21天±2天进行.试样应在试验温度23℃±2℃的环境中按GB/T 2918规定进行形态调节24h后,进行试验.①将经过形态调节的试样放在试验机两压板之间,如果能确定试样在某地位的环刚度最小,把试样a的地位和压力机上板相接触,或把第一个试样放置时,把另两个试样b、c的放置地位顺次绝对应第一个试样扭转120°和240°放置.②对于每一个试样,放置好变形测量仪并检查试样的角度地位.放置试样时,使其长轴平行于压板,然后放置于试验机的地方地位.使上压板和试样恰好接触且能夹持住试样,根据表30规定以恒定的速度紧缩试样直到至多达到的变形,按照规定精确记录力值和变形量.当须要确定环柔度时,继续紧缩直至达到环柔度所需的变形.③变形量是通过直接测量试样内径的变更来得到.5.5局部横向荷载试验取样件长1100mm,在试样中部地位波谷处取一点,用端部为R=6mm的圆柱顶压头施加横向荷载F,请求在30秒内达到规定荷载值800N,持荷2min后观察管材概况是否破裂;卸荷5min后,在加荷处测量塑料波纹管外径的变形量.如图:每根试验试验一次,记录数据,取5根试样平均值作为终极结果. 5.6纵向荷载试验截取长1100mm的塑料波纹管管节试样,不必内衬,施加纵向荷载),计算紧(N),持荷10min缩量.塑料波纹管管节内径与施加纵向荷载见表.K:管节纵向紧缩量与管节长度之比:管节纵向紧缩量(单位:mm)5.6柔韧性试验将一根长1100mm的试样,垂直的固定在测试平台上,其圆弧半径r 应符合表5规定;将试样上部900mm的范围内,用手向两侧缓慢曲折试样至弧形模板地位,摆布来去曲折5次,当试样曲折至终极结束地位坚持曲折形态2min后,观察塞规能否顺利从波纹管中通过.表5塑料波纹管柔韧性单位为毫米5.7.2外径小于或等于40mm的试样,每个试样只能承受一次冲击.5.7.3外径大于40mm的试样在进行冲击试验时,首先使落锤冲击在1号线上,若试样未破坏,则按试样制备规定,再对2号标线进行冲击,直至试样破坏或全部标线都冲击一次.5.7.4逐一对试样进行冲击,直至取得判定结果.表分歧外径管材试样应划线数为10%.TIR值---其冲击破坏总数除以冲击总数即为真实冲击率,以百分数暗示.5.8拉伸功能℃±2℃5.8.2测量试样标距间中部的宽度和最小厚度,精确到0.01mm,计算最小截面积5.8.3将试样安装在拉力试验机上(4.1)并使其轴线与拉伸应力的方向分歧,使夹具松紧适宜以防止试样滑落(4.2)5.8.4使用引申计,将其放置或调整在试样的标线上(4.4).5.8.6记录试样的应力/应变曲线直至试样断裂,并在此曲线上标出试样达到屈服点时的应力和断裂时标距间的长度;或直接记录屈服点处的应力值及断裂时标线间的长度.如试样从夹具处滑落或在平行部位以外渐宽处发生拉伸变形并断裂,从头取不异数量的试样进行试验,试验过程中真实严谨的填写试验原始记录.5.9拉拔力试验±2℃.5.9.2调试仪器至工作形态.5.9.3测量管材内径的最大值、最小值,取算数平均值;测量管材外径的最大值、最小值,取算数平均值.5.9.4用以下公式计算试验所须要的力K:式中:σt:聚乙烯管材的答应设计应力de:管材平均外径,mmd:管材平均内径,mm5.9.5 K值去小数点后一名无效数字5.9.6 将试样固定在拉力计上(或吊挂于框架上),在30s内逐步施加到计算的力K,坚持试样在恒定的纵向拉力下1h,检查试验链接出是否松脱.在三个试样中,试样连接处均未松脱,则认为通过试验.5.10密封功能试验将两根波纹管管节、管节接头和连接接头安装好,两端密封,管节接头排气孔连接真空泵(功率不小于2.2kW),测定真空度,真空度不大于-0.07MPa.5.11抗老化功能试验5.11.1将烘箱升温达到(150±2)℃.5.11.2试验前,应先测量试样壁厚,在管件主体上拔取横截面,在圆周面上测量间隔均匀的至多六点的壁厚,计算算术平均值作为平均壁厚e,精确到0.1mm.5.11.3将试样放入烘箱内,是其中一承口向下竖立,试样不得与其他试样和烘箱壁接触,不容易放置平稳或受热软压后易倾倒的试样可用支架支持.5.11.4待烘箱温度回升至设定温度时开始计时,根据试样的平均壁厚确定试样在烘箱内恒温时间(见表).5.11.5恒温时间到达后,从烘箱中取出试样,当心不要损伤试样或使其变形.待试样在空气中冷却至室温,检查试样出现的缺陷,并确定缺陷的尺寸是否在结果判定的范围内.5.12灰分试验把坩埚放在马弗炉内,在实验温度下加热至恒重.将其放入干燥器内至多1h,使其冷却至室温,并在分析天平上称量,精确到0.1mg.将按相干材料规范规定进行预干燥的或已知其挥发物含量的试样放入已知质量的称量瓶中.称重,精确至0.1mg或试样量的0.1%,试样量的多少以能发生5mg至50mg灰分为准.如果坩埚足够大,能容纳相当于5mg至50mg灰分的试样,则可直接把试样放在坩埚内称重.对体积较大的材料可先压成小块,然后再破碎成尺寸合适的碎片.将试样放入坩埚中,不克不及超出坩埚高度的一半,然后直接在本生灯或其他合适的加热源上加热,使其缓慢的燃烧.燃烧不成太剧烈,以避免灰分粒子损失.冷却后再加其余的试样.反复上述操纵直至烧完整部试样.把坩埚放入已预热至规定温度的马弗炉中,煅烧30min.把坩埚放入干燥器内冷却1h,或使其冷却至室温,并在分析天平上称量,精确至0.1mg.在不异条件下再煅烧30min,直至恒重,即接踵两次称量结果之差不大于0.5mg.6试验/检测结果处理判定6.1 外观塑料波纹管外观应光洁,表面内内壁不该有破裂、气泡、裂口、硬块及影响使用的划伤.管材无效长度普通为6m,其他长度由供需双方协商确定.管材外径的公差应符合以下公式计算的数值:d em,min≥×d ed em,max≤×d e其中d e为管材生产商规定的外径,计算结果保存一名小数.(1)用上面的公式计算a、b、c每个试样的环刚度:式中:Fi——绝对于管材3.0%变形时的力值,单位为千牛(kN);Li—试样长度,单位为米(m);Yi—变形量,单位为米(m),绝对应于%变形时的变形量,如:每个试样环刚度的计算值Sa、Sb、Sc,精确到小数后第二位(2)计算管材的环刚度,单位为千牛每平方米(kN/m²),在求三个值的平均值时,用以下公式:塑料波纹管承受横向局部荷载时,持荷2min,管节概况不该出现破裂;卸荷5min后,管节变形量不该超出管节外径的10%.塑料波纹管承受纵向荷载时,管节纵向紧缩量与管节长度之比不大于0.8%.塑料波纹管按照请求反复曲折5次后,采取公用球形塞规,应能顺利地从塑料波纹管节中通过.塑料波纹管低温落锤冲击试验的真实冲击率(TIR)最大答应值为10%.塑料波纹管拉伸屈服应力不小于20MPa;高密度聚乙烯塑料波纹管的断裂伸长率不小于500%,聚丙烯塑料波纹管的断裂伸长率不小于400%.将塑料波纹管管节与管节接头、连接接头安装好的试样,固定在拉力计上,坚持恒定拉力,持续1h,连接处不松脱.将两根波纹管管节、管节接头和连接接头安装好,测定真空度,真空度不大于-0.07MPa.经抗老化性试验后,不该出现分层、开裂或气泡.采取注塑成型的塑料波纹管,灰分含量不该超出7%.接踵二次测定结果之差不大于平均值的10%.7.原始记录表格塑料波纹管环刚度、横向荷载、柔韧性、抗冲击性记录表编号:序号:任务单编号:试验环境:试验规程:样品描述:仪器设备名称及型号:试验者:复核者:日期:塑料波纹管外观、尺寸测量记录表编号:序号:任务单编号:试验环境:试验规程:样品描述:仪器设备名称及型号:塑料波纹管纵向荷载、拉伸功能、拉拔力试验记录表编号:序号:任务单编号:试验环境:试验规程:样品描述:仪器设备名称及型号:试验者:复核者:日期:塑料波纹密封性、抗老化、灰分试验记录表编号:序号:任务单编号:试验环境:试验规程:样品描述:仪器设备名称及型号:。
2021年桥梁隧道工程练习题和答案(Part11)共3种题型,共85题一、单选题(共35题)1.采用低应变反射波法检测桩身完整性时,当检测结果为:①曲线不规则,可见桩间反射,第一子波与入射波反相位,后续子波与入射波同相位,反射子波的波幅与病害尺寸正相关;②可见桩底反射,此时桩身缺陷应判断为()。
A:离析B:扩径C:缩径D:桩底沉渣【答案】:B【解析】:采用低应变反射波法检测桩身完整性时,对桩身病害情况的判别可依据以下内容:(1)离析:①曲线不规则,一般见不到桩底反射;②第一反射子波与入射波同相位,幅值与离析的程度正相关,但频率明显降低。
③中、浅部严重离析,可见到多次反射子波。
(2)扩径:请参见题干内容,限于篇幅,这里不再赘述。
(3)缩径:曲线不规则,可见桩间反射,第一反射子波与入射波同相位,后续反射子波与入射波反相位,反射子波的振幅大小与缩径尺寸正相关。
(4)桩底沉渣:桩底存在沉渣,桩底反射波与入射波同相位,其幅值大小与沉渣的厚度正相关。
如下图所示2.桥涵施工现场水泥性能检测时,散装水泥每一验收批数量为()。
A:100tB:200tC:400tD:500t【答案】:D【解析】:检查数量:按同一生产厂家、同一等级、同一品种、同一批号且连续进场(厂)的水泥,袋装不超过200t为一批,散装不超过500t为一批,每批抽样数量不应少于一次。
3.采用对测的方式进行基桩完整性超声检测时,收发换能器以相同步长由下向上移动,其步长不应大于()。
A:A:10cmB:B:20cmC:C:25cmD:D:30cm【答案】:A【解析】:(1)对测(普查)。
发射和接收换能器分别置于两声测管的同一高度,自下而上,将收发换能器以相同步长(不大于100mm)向上提升,进行水平检测。
若平测后,存在桩身质量的可疑点,则进行加密平测,以确定异常部位的纵向范围。
4.火灾设施报警控制器定期检修的是().A:A:清洁表面B:B:检查防水性能C:C:线缆连接是否正常D:D:报警试验【答案】:D【解析】:火灾报警设施的火灾报警控制器中报警试验为定期检修项目。
水运材料练习(总分100分,考试时长90分钟)一、单项选择题(每小题2 分,共 100分)1、钢结构防腐厚膜涂层进行针孔检测,针孔数不应超过检测点的()。
A、0.2B、0.25C、0.28D、0.32、硅酸盐水泥的终凝时间不得迟于()min。
A、400B、390C、380D、6003、钢绞线应力松弛性能试验,允许至少用()h的测试数据推算1000h的松弛率值。
A、100B、120C、150D、2004、水下不分散混凝土坍落度试验,计算结果精确到()mm。
A、2B、5C、10D、15、预应力混凝土桥梁用塑料波纹管在800N作用下,管材残余变形量不得超过管材外径的()。
A、3%B、5%C、7%D、10%6、当石灰粉煤灰稳定材料的强度不能够满足路面结构层的设计强度要求时,可外加混合料质量()的水泥。
A、0.01B、0.02C、1%-3%D、1%-2%7、测定粉煤灰烧失量,取1g试样置于瓷坩埚中,在()高温炉中灼烧()。
A、900-1000℃,10-20minB、大于900℃,大于15minC、950-1000℃,15-20minD、1000-300℃,30min8、普通硅酸盐水泥的强度等级分为()。
A、42.5、42.5R、52.5、52.5R四个等级B、32.5、32.5R、42.5、42.5R、52.5、52.5R六个等级C、42.5、42.5R、52.5、52.5R、62.5、62.5R六个等级D、32.5、42.5、52.5、62.5四个等级9、对石灰进行化学分析时,主要是测定()的含量。
A、有效氧化镁B、有效氧化钙C、有效氧化钙和氧化镁D、氧化钙和氧化镁.10、标准养护的混凝土试块拆模前的养护温度为()。
A、20℃2℃B、20℃3℃C、20℃5CD、25℃3℃11、在砂石料堆上进行取样时,以下做法正确的是()。
A、在砂堆的原表面均匀分布的8个部位抽取共8份砂,组成一组样品B、先铲除石料堆表层,在石料堆表面均匀分布的各部位抽取共15份石子,组成一组样品C、砂子样品缩分时应先把砂风干拌和均匀后进行,可采用分料器缩分,或采用人工四分法缩分D、石子应在自然状态下先行拌匀后堆成锥体后再进行缩分12、修补砂浆抗拉强度试验的龄期为()。