与顾客有关的过程控制程序
- 格式:doc
- 大小:37.50 KB
- 文档页数:3
与顾客有关的过程控制程序_ISO13485医疗器械企业质量体系认证技术文件与顾客有关的过程控制程序1、目的识别顾客对公司生产的产品需求与期望。
2、适用范围顾客对公司产品的要求及产品售出后顾客的信息反馈等的管理和控制。
3、职责3.1销售部会同其他部门负责对顾客的合同、产品的要求、订单的处理作出评审。
3.2销售部识别顾客对产品的需求,对顾客的信息反馈应及时反应到相关部门。
4、控制程序4.1销售部识别顾客对产品提出的各种要求,包括交付的方式、价格等。
4.2销售部在接到合同或订单以后,应对合同和订单组织相关部门对合同实施评审,以确保产品能满足顾客的要求。
4.3合同评审的方式,对订单货少的可以由销售人员在上签字或写上意见可作为评审,对订货量大的合同或顾客有特别要求的合同由总经理组织相关部门进行合同评审.应保持相关记录,合同评审记录实行编号管理,便于追溯,由销售部负责保管.4.4对有现货的常规合同,由销售部对产品名称、型号规格数量直接评审并记录在合同单上。
4.5对无库存的常规合同,由生产部会同技术部及相关部门进行合同评审。
4.6对产品要求进行评审后,由销售部与顾客签订合同或执行订单。
4.7当合同或订单由于某种原因需要更改时,应把更改的要求及时传达到有关部门,必须要求对更改的内容重新进行确认。
并将结果反馈给顾客。
4.8销售部对产品在售出前及销售过程中通过产品的目录向顾客介绍产品,回答顾客的问询。
产品售出后收集顾客对产品要求的反馈信息,处理顾客抱怨或投诉,以了解顾客对产品是否满意。
4.9当产品发生任何形式的变化或发现产品存在有在用户使用过程中可能产生伤害或死亡事件的质量隐患时,管理者代表及时编制书面通知,通知用户和公告机构,以免造成任何不利的后果。
5、相关文件5.1《服务控制程序》YH/QP-125.2《顾客信息反馈控制程序》YH/QP-175.2《忠告性通知和事故报告》YH/QP-245.3《售后监督程序》YH/QP-296、相关记录6.1用户投诉及处理记录QP07-016.2顾客信息反馈单QP17-016.3销售记录QP07-02。
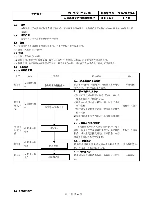
1.0 目的
本程序规定了在投标或接受合同/订单之前如何准确理解顾客要求,充分评估履行合同的能力,,确保能按合同规定要求履约。
2.0 适用范围
适用于本公司产品销售合同的评审活动。
3.0 职责
3.1 销售部负责合同评审组织和管理工作;负责产品报价的核算和批准。
3.2各部门负责参与合同评审。
4.0 术语
4.1合同:有约束力的协议。
4.2常规合同:指顾客无特殊要求,公司已形成生产和质量保证能力,对于交货期有保证的合同。
4.3特殊合同:包括顾客有特殊要求的合同、紧急交货的合同、新产品开发涉及的客户要求/工程规范等。
5.0 工作程序
5.1 投标报价流程
5.2 合同评审程序
5.3 顾客沟通
6.0 过程绩效指标及计算方法
合同评审率 = 被评审合同/收到合同总数量×100% 7.0 相关文件
记录控制程序
产品质量先期策划
8.0 质量记录
合同/订单评审表
销售计划
电话记录
质量反馈单
库存报表。
1.0目的确保顾客的需求和期望得到充分理解并加以实现,规范公司生产销售的运作,保证生产销售合同的顺利执行,确保向顾客提供满意的生产和服务。
2.0范围适用于对顾客要求的识别、对产品要求和销售合同的评审及与顾客的沟通。
3.0定义评审:审核本公司是否具备提供符合客户要求的产品及服务能力。
4.0权责4.1业务部负责顾客需求的识别、合同评审的组织、评审记录的保管及客户沟通(含交付以后)。
4.2PMC对综合生产能力进行评审;品质部对合同中产品验收标准的内容进行评审;研发部对合同或订单中有关技术标准、环保要求进行评审;生产部对生产能力、设备能力进行评审;采购部对原材料采购周期进行评审。
4.3总(副)经理负责合同的签署。
5.0程序5.1顾客需求的识别业务部负责识别顾客对产品的需求与期望,业务员提供市场调研、与客户的联络等,识别顾客对产品的需求和期望;并根据接到的顾客订单要求,如合同草案,技术协议等填写在《合同评审表》,包括以下内容:5.1.1顾客明示的产品要求,包括产品质量要求及涉及可用性、交付及交付后的售后服务(如运输、保修,培训等)、价格等方面的要求。
5.L2顾客没有明确要求,但预期或规定的用途所必要的产品要求,这是一类习惯上陞含的潜在要求,公司为满足顾客要求应做出承诺。
5.L3顾客没有规定,但国家强制性标准及法律法规的要求,如产品绿色环保要求,无铅零件的最高温度与时间管制要求等。
5.L4公司的附加要求,如要求的付款方式和期限等。
5.1.5对于医疗器械产品销售对象的选择应符合医疗器械管理相关法规的要求,对于经销商、代理商应具有合法的医疗器械经营资质,并具有与本公司提供产品相适应的经营范围。
5.L6对于客户产品的要求,业务员有责任反映在相关文件中(比如订单的PO附页、产品外观图、丝印图、BOM等)并确保其准确性。
对于顾客产能的需求,业务员和PMC负责人有责任共同评估并回应顾客,并与顾客达成一致。
5.1.7如果顾客提供非文件化的要求时(如口头订单),业务员一定要通过书面形式(如邮件确认、合同回签等正式文件)同顾客确认清楚其要求,以免误会和纠纷。
与顾客有关过程控制程序1目1.1充分识别顾客对产品和效劳要求和期望,实施持续改良,确保实现对顾客质量承诺、环境和效劳承诺。
1.2对销售合同〔包括投标文件〕合理性、可行性进展评审来证实公司满足要求能力,同时维护公司合法权益。
1.3收集QEM信息,解答顾客咨询,正确处理投诉、增加顾客满意度。
2适用范围适用于与顾客有关过程控制,包括对顾客要求识别、对产品有关要求评审、与顾客沟通〔包括产品售前售中售后效劳、投标、合同履约等〕和对顾客财产管理。
3职责3.1 销售部销售人员应有足够包装专业知识,以确保在和顾客谈判中能熟练识别顾客要求;在承受合同或订单前组织有关部门对产品需求进展评审,并负责与顾客沟通,保存评审记录。
3.2 采购部采购人员应负责评审所需原材料采购能力,建立有关采购合同联系渠道。
3.3 技术部工艺主管人员负责评审产品工艺及制造能力。
3.4 技术质量部负责对产品质量要求和检测能力评审。
3.5 各车间应评审设备满足和交货保证能力。
3.6 平安生产监察部负责对人员满足能力评审。
3.7 物流部门负责对运输满足能力评审。
3.8 总经理负责对重要、大型合同做出决策、把关及审批。
4 工作程序1〕与产品有关要求确定:顾客明示和隐含对产品交付和交付后产品性能、用途、使用所必须要求;与产品有关法律法规要求;满足产品质量性能和效劳要求以及任何迎合顾客超前意识要求;公司认为有必要任何附加要求。
2〕与产品有关要求评审:应评审与产品有关要求,评审要在对顾客承诺之前进展〔如提交投标书、合同或订单以及合同或订单更改之前〕。
确保我们有能力满足产品、效劳所要求规定与合同或订单一致;以及有关污染预防方面要求。
顾客要求识别4.2.1 销售人员应在投标、报价、洽谈等活动过程中熟练识别顾客对订购产品各种要求。
1〕质量要求包括原料确定、制作标准、使用性能、产品可靠性、技术指标特点和外观要求等;2〕交付要求包括供货方式、制作周期、交付条件、交货期限、运输和捆扎包装规定等;3〕产品支持性效劳包括售前售中售后效劳、使用说明、配件、防范措施等应承当义务。
与顾客有关的过程控制程序1、目的明确顾客的要求并形成文件,通过评审和沟通,满足客户要求并争取超越客户期望。
本标准适用于顾客要求的识别、产品要求的评审及与顾客的沟通。
3、相关文件3.1引用文件《中华人民共和国合同法》(主席令九届第15号,1999年10月1日起施行)《中华人民共和国消费者权益保护法》(主席令第8届第11 号,自1994年1月1日起施行《中华人民共和国产品质量法》(1993年9月1日起施行)3.2公司管理制度《不合格品控制程序》《纠正措施控制程序》《销售管理制度》4、术语与定义沟通:沟通是不同的行为主体,通过各种载体实现信息的双向流动,形成行为主体的感知,以达到特定目标的行为过程。
合同评审:为确定合同草案或意向达到规定目标的适宜性、充分性和有效性所进行的审查活动。
顾客满意:组织应监视客户对其需求和期望已得到满足的程度的感受。
组织应确定获取、监视和评审该信息的方法。
5、职责5.1公司分管领导销售副总负责与产品有关的要求的评审工作,审批经评审后的合同。
5.2销售部5.2.1业务员负责所有与顾客要求有关的信息的调查收集、确认和回馈顾客;5.2.2业务员负责顾客满意度控制与顾客档案的维护;5.2.3业务员负责监督相关职能与顾客签定合同、合约、协议,确定已明确其中的要求;5.2.4开单员负责将与顾客有关过程的信息在内部及时地传递和沟通,及时准确地满足顾客在产品功能实现过程、管理体系过程、服务过程中的实物和信息需求。
5.3各部门5.3.1技术部负责评审满足合同要求的新产品的设计能力、实施能力。
5.3.2生产部负责评审满足合同要求的数量、交期能力。
5.3.3质量管理中心负责评审满足合同要求的检验验证能力。
6、要求6.1合同和订单评审的范围合同和订单在下列几种情况下需要评审:6.1.1首次签定的合同和订单;6.1.2顾客特殊要求:顾客对合同内签订的条款作出以外的特殊要求;6.1.3新顾客:新开发的顾客,首次供货。
09与顾客有关的过程控制程序顾客过程控制程序是一种通过有效策略管理顾客关系的程序,旨在提高顾客满意度,增加销售额,建立良好的品牌形象。
这种程序主要涉及到顾客接待、订单处理、售后服务等环节。
下面将详细介绍顾客过程控制程序及其实施步骤。
一、顾客接待1.寻找潜在顾客:通过市场调研、推广活动、客户推荐等方式,主动寻找潜在顾客。
二、订单处理1.产品展示与试用:向顾客展示产品的特点、优势、使用方法等,允许顾客进行产品试用,增加顾客对产品的了解。
2.客户询价:向顾客了解购买意向并提供报价。
根据顾客的反馈,可进行协商与议价,达成双方满意的价格。
3.订单确认与支付:根据顾客需求,确认订单内容,并告知顾客付款方式与支付流程。
接收顾客支付,并确认款项到账后,进行订单发货或服务安排。
三、售后服务1.发货与交付:按照约定的时间、地点将产品交付给顾客,并提供必要的安装、调试等服务。
2.售后支持:在顾客使用产品过程中,如遇到问题,及时提供有效的解决方案,并提供返修、维护等服务。
通过良好的售后支持,增强顾客满意度和忠诚度。
4.建立客户档案:将顾客的订单信息、沟通记录、售后服务记录等进行整理和归档,建立健全的客户档案,以备以后查阅和分析。
顾客过程控制程序的实施步骤如下:第一步:确定目标和策略在制定顾客过程控制程序前,需要明确该程序的目标和策略。
例如,提高客户满意度、提高销售额、提升品牌形象等。
根据目标制定相应的策略,如增加营销推广活动、优化服务流程等。
第二步:顾客培训与培训为了成功实施顾客过程控制程序,需要对员工进行培训与培训。
员工需要了解该程序的目标、策略和操作流程,并学习与顾客沟通、销售技巧等相关知识和技能。
第三步:建立顾客信息管理系统建立顾客信息管理系统用于记录顾客登记信息、订单处理信息、售后服务记录等。
这可以帮助企业更好地了解顾客需求,提供更个性化、更有针对性的服务。
第四步:持续监控和改进为了确保顾客过程控制程序的有效实施,企业需要持续监控和改进该程序。
修订记录核准:审核:制订:1.目的:为明确顾客对产品和服务的要求,做好售前、售中、售后的服务工作,确保满足顾客的各项要求。
2.适用范围:本程序适用公司与客户相关的产品生产和服务过程:订单处理与合同评审;顾客财产与资料管理;顾客投诉与退货处理;顾客满意度采集等。
3.权责:3.1销售部:负责识别顾客对产品的价格、交货期、服务等的要求,以及与顾客做相关的沟通。
3.2研发部:负责识别顾客对产品的技术规格、可靠性测试和安全规范的要求;验证顾客模具;管控顾客档案资料等。
3.3生产/采购/品质:参与合同评审,确保交付的产品满足顾客的要求。
4.作业程序:4.1订单处理与合同评审:4.1.1识别订单的要求:(1)明示的要求:型号或品名、结构图形和结构参数;采用板材,表面电镀或涂装,以及价格、交货期、包装的要求。
(2)隐含的要求:产品预期的、规定用途的要求,诸如可焊性,无分层起泡、无刮花…等。
(3)法律法规的要求:符合产品标准要求,以及安全性和环保的要求。
4.1.2订单的确定:(1)本公司产品技术要求的确定,源于顾客设计的输出,因此在接洽制作样板时,无论是销售员或研发部样板员,均应尽可能主动地、全面并准确地识别顾客的需求和期望,准确无误地尽早形成样板输出,以取得顾客对样板的确认。
(2)有安全认证要求的,研发部样板员注意予以确定。
(3)顾客出于本身产量、成本和质量要求的考虑,确定是否开模和采用板面工艺,销售员或样板员应识别后,在其后的首份订单(或合同)予以说明,以供评审。
(4)当有新产品或有特殊工艺特殊质量要求的产品,研发部样板员应在工程输入时进行识别,并报告研发部负责人会同评价审定工艺方案,必要时可报告品质部负责人会同确定方案。
当识别有采取“补充质量计划”需求时应备案,并在其后的首份订单(或合同)予以说明。
4.1.3合同的评审:4.13.1评审应在接受订单合同之前进行,基于对产品要求的评审结果,也是向顾客做出提供产品的承诺;本公司对所有订单合同均要逐份作出评审,如果是口头协议均要形成书面文件。
10与顾客有关的过程控制程序过程控制程序是指用于管理和控制顾客相关活动的一系列程序。
这些程序在商业、服务行业和零售行业中广泛应用,可以提高顾客满意度、提高销售额和增加利润。
下面将介绍10个与顾客有关的过程控制程序。
2.排队管理程序:这个程序用于管理顾客的排队,以确保公平和高效的服务。
它可以通过电子屏幕和语音提示,向顾客提供实时信息,帮助他们了解自己的位置和等待时间。
3.顾客关系管理程序:这个程序用于管理和分析顾客信息,包括购买历史、偏好、反馈和投诉。
它可以帮助企业更好地了解顾客需求,提供个性化的服务和推荐产品,提高客户满意度和忠诚度。
4.售后服务程序:这个程序用于管理和处理顾客的售后问题和投诉。
它可以建立一个统一的售后服务系统,帮助企业快速响应并解决问题,保障顾客权益,维护企业声誉。
5.库存管理程序:这个程序用于管理产品库存,确保商品充足并避免缺货。
它可以通过预测需求和自动补货,帮助企业提供及时和准确的产品,满足顾客的购买需求。
6.采购管理程序:这个程序用于管理供应商关系和采购流程,确保及时获得高质量和有竞争力的产品。
它可以帮助企业减少采购成本,提高产品质量,提供更有竞争力的价格给顾客。
7.支付管理程序:这个程序用于管理各种支付方式,包括现金、信用卡和移动支付。
它可以提供多种支付选项,简化支付流程,提高交易速度和安全性,提供更便捷的支付体验给顾客。
8.反馈管理程序:这个程序用于管理顾客的反馈和评价。
它可以收集、分析和响应顾客的反馈,及时改进产品和服务,增加顾客满意度和忠诚度。
9.促销管理程序:这个程序用于管理促销活动,包括打折、赠品和积分兑换。
它可以帮助企业提高销售额,吸引新顾客并保持现有顾客的忠诚度。
10.数据分析程序:这个程序用于分析销售数据和顾客行为,帮助企业了解销售趋势、顾客需求和市场竞争。
它可以为企业提供有用的信息和洞察,支持决策制定和优化经营策略。
综上所述,过程控制程序在顾客相关活动中发挥着重要的作用。
XXXX医疗器械有限公司与顾客有关的过程控制程序1 目的为满足顾客要求和期望、规范与顾客有关过程的控制,以确保产品质量满足法律法规和标准要求。
2 范围适用于与顾客有关要求的确定、评审与沟通。
3 职责供销部负责本程序控制,相关部门配合。
4 工作程序4.1 顾客需求的识别4.1.1 供销部负责识别顾客对产品的要求,根据定货要求或口头(电话)订单,规范填写合同或口头(电话)订单,注明产品名称、规格型号、技术要求、交货日期及售后活动要求。
4.1.2 对顾客明示或未明示的产品要求,须与顾客沟通明确产品要求,并作出承诺。
4.1.3 应遵守和执行国家有关法律法规。
4.1.4 企业应在产品使用说明书上注明附加的要求。
4.2 对产品要求的评审4.2.1 在投标、接受合同或订单前,供销部应对已识别的顾客要求及本企业确定的附加要求,组织相关部门进行评审。
4.2.2 对顾客没有以文件形式提供的产品要求,如口头(电话)订单,应经供销部长审批并确认。
4.3 对合同的评审、签订、实施及修改。
4.3.1 对常规合同,应对其生产能力、交货日期及原材料采购能力进行评审,经管代批准。
4.3.2 对“口头(电话)订单”应填写“口头(电话)订单”,经供销部长审批、即为评审。
4.3.3 对书面合同或特殊要求订单,应经供销部组织相关部门评审,经管代批准。
4.3.4 合同评审确认后,由供销部负责与顾客签定并负责执行。
4.3.5 合同如需修改,应通知相关部门并填写“合同修改记录”,必要时应对修改合同重新进行评审、确认。
4.4 与顾客的沟通4.4.1 在产品售出或销售过程中,供销部应通过各种渠道向顾客介绍产品、回答顾客的咨询,并在“产品销售记录”中予以记录,建好销售台帐。
4.4.2 产品售出后应收集顾客的反馈信息,认真处理顾客投诉或抱怨,以取得顾客的最终满意。
4.4.3 内外部信息反馈的重大产品质量问题,应及时发布忠告性通告给相关顾客,追回全部发出产品。
XXXXXXXXXXXXXXXXX
与顾客有关的过程控制程序
1 目的
公司通过有效地控制要求识别、要求评审、顾客沟通等过程,确保顾客各方面的要求得以实现,达到顾客满意,增强顾客信赖与忠诚。
2 适用范围
与产品有关的要求识别、销售合同评审及顾客沟通等过程。
3 职责
3.1销售部
3.1.1 负责统筹负责对顾客的要求进行识别,及相关信息的收集;
3.1.2 负责组织有关部门进行价格评审和合同评审;
3.1.3 负责与顾客的沟通与联络,与顾客有关过程信息的传递;
3.1.4 负责产品发货;
3.1.5 负责对销售合同及相关资料进行收集、整理、保存。
3.2 质量控制部负责对销售合同中产品验收标准及检测能力的评审。
3.3 技术部或模具部负责顾客提供的图纸及技术文件要求进行识别、评审。
3.4 生产部负责对销售合同中产品交付期限的评审。
3.5 采购部负责按时完成销售合同中所需求原材料的供应能力的评审。
3.6 财务部负责提供产品成本信息。
4 工作程序
4.1与产品有关要求的识别
4.1.1要求分类
a)顾客明确提出的要求
“顾客明确提出的要求”是顾客通过合同、订单、技术协议书、订货电话等方式提出的要求,通常包括:产品规格型号、数量、单价、品质要求、包装、交。
与顾客有关的过程控制程序QL-CX-2017-61、目的确保充分理解顾客要求,并通过对要求的评审以确定能否对顾客作出承诺,以满足顾客要求。
2、范围适用于对顾客有关要求的识别与评审。
3、职责3.1业务部负责顾客要求的评审,并确定能否满足顾客要求。
3.2业务部负责与顾客的交流、沟通。
4、工作程序4.1与产品有关要求的确定业务部负责识别顾客对产品的需求与期望:a) 顾客对产品明示的要求,包括产品质量要求及涉及规格品种、数量、交付、支持服务(如运输,保修、培训等)价格、交货期、交货地点等方面的要求;b) 顾客虽然没有明确要求,但预期或规定的用途所必要的产品要求;c) 产品适用的法律法规要求;d) 公司认为必要的任何附加要求。
4.2与产品有关要求的评审4.2.1在签定合同或接受订单之前,业务部应确保已对已顾客的要求、产品的要求及公司确定的附加要求进行了评审。
4.2.2合同的分类目前主要为顾客下达的生产订单。
4.2.3评审内容a) 订单号、产品目的地、交货期、产品外包装要求、运输方式。
b) 产品要求:种类、规格、图案、颜色、数量、价格、标示、产品包装/数量要求和标记等。
c) 是否具有满足合同各项条款要求的能力。
4.2.4评审方式a) 由业务员将生产订单交相关部门评审,相关部门负责人签字以确认能否按时执行合同。
b) 业务部根据订单要求编制生产进度表,并分发到有关职能部门。
4.3与顾客沟通4.3.1在产品售出前及销售过程中,业务部通过电话、网络、走访等形式向顾客介绍公司产品,回答顾客询问;4.3.2核对订购每批产品的型号、规格、数量等,了解顾客的意见并及时提供相关的产品的信息。
4.3.3对顾客的反馈信息,必须及时进行回复,必要时按《纠正和预防措施控制程序》进行处理,相应记录见《客户反馈及处理记录》。
4.4评审记录4.4.1订单文本及相关记录由业务部保管,保存期详见《记录清单》。
5、相关文件《文件控制程序》《纠正和预防措施控制程序》6、记录《生产任务单》《客户反馈及处理记录》。
与顾客有关过程控制程序过程控制程序是指在服务型行业中,为保证服务流程的高效顺畅、提供质量优良的服务而采取的一系列管理措施。
在与顾客有关的过程中,过程控制程序主要包括以下几个方面。
一、排队管理顾客到店后,往往需要进行排队等候。
为了提高服务效率,减少顾客的等待时间,可以采取以下措施:1.设置合理的排队区域,使排队顾客有足够的空间,避免拥堵。
2.根据业务繁忙程度,设立合理的柜台或窗口数量,确保每个柜台都有人进行服务。
3.引入排队机制,通过识别号码,使顾客按顺序进行办理,防止不必要的争执和插队现象。
4.设立取号机,使顾客可以自主取号,由系统或工作人员根据顾客的需求来安排办理业务的顺序。
二、服务质量控制提供优质的服务是企业吸引和保留顾客的关键,为此,需要关注以下几个方面:1.培训员工,提升服务技能和专业知识。
员工需要了解企业的产品和服务,能够准确回答顾客的问题和解决顾客的需求。
2.建立服务标准和流程,确保每个员工都按照统一的标准和流程进行服务。
并时刻关注顾客的需求和反馈,及时改进和优化服务流程。
3.设立监督机制,对员工进行监督和考核,通过客户满意度调查、投诉处理等方式,收集顾客对服务的评价和意见,及时发现问题并采取措施加以改进。
三、顾客关怀和沟通顾客关怀和沟通是保持和增强顾客忠诚度的重要方式,可以通过以下措施来实施:1.建立顾客档案,记录顾客的基本信息和交流记录,了解顾客的需求和偏好,以提供个性化的服务。
3.组织客户活动和培训班,增进企业与顾客之间的互动和交流,提供顾客共享经验和知识的机会。
4.建立客户投诉体系,确保顾客的投诉能够得到及时的解决和反馈,恢复顾客的信心和满意度。
四、质量监控和改进为了不断提高服务质量和客户满意度,需要进行定期的质量监控和改进:1.建立质量监控体系,制定服务质量评估标准和指标,并定期对员工和服务流程进行评估。
通过监测和统计服务质量指标,发现问题并采取改进措施。
2.开展员工培训和持续改进活动,提高员工的服务技能和意识。
与顾客有关的过程控制程序1目的有效处理与顾客有关的过程,确保满足顾客要求。
2适用范围本程序适用于与产品有关要求的确定、评审与变更的控制。
3权责3.1 生产部负责与顾客有关的销售过程的归口管理;3.2 相关部门配合实施。
4 工作程序4.1 工作流程图4.2 生产部组织有关部门应从以下方面,识别并关注“与产品有关的要求”:A 顾客规定的要求(如产品质量要求),包括交付及交付后活动的要求;B 顾客虽未明确提出,但与用途有关的必需的要求;C 与产品有关的法律法规的要求;D 公司承诺的附加要求。
4.3 初始评审4.3.1 每年初,总工程师应组织有关部门分析、评价现有产品的技术、生产与服务保证能力。
4.3.2 生产部应就现有能力分析、评价的结果,编制《初始评审报告》,交各部门负责人会签后,报总经理批准。
4.3.3 生产部保存《初始评审报告》。
4.4 专项评审4.4.1 专项评审的对象:超出年度能力承诺的销售合同/协议、订单要求,即特殊合同或订单。
4.4.2 在《与产品有关要求评审表》上记录顾客的特殊要求。
4.4.3 生产部应将《与产品有关要求评审表》传递至相关部门/人员,并组织他们评审特殊要求。
4.4.4 参加评审的人员应在《与产品有关要求评审表》中明确评审意见,生产部经理综合评审意见,作出评审结论。
4.4.5 所谓明确的评审意见及结论,应包括:A 基本要求:特殊条款是否明确,本公司是否接收;B 重点要求:满足特殊要求,公司需要采取的专门措施;4.4.6 根据评审结论处理合同、订单。
4.4.7 成功实施的特殊合同、订单应视为年度可行性承诺的补充,即类似合同、订单不再进行专项评审。
4.5 合同执行4.5.1 有库存的产品,生产部组织发货。
4.5.2 库存不足的产品,生产部制订生产计划,组织生产。
4.6 与产品有关要求的变更4.7.1 对上述与产品有关要求的更改,生产部均应按本程序规定的组织评审。
5 相关表格/记录5.1初始评审报告5.2与产品有关要求评审表与顾客有关的过程控制程序受控状态:文件制/修订履历表文件分发与顾客有关的过程控制程序受控状态:DC2-0800101与产品有关要求的评审表填表时间:与顾客有关的过程控制程序受控状态:DC2-0800102初始评审报告填表时间:与顾客有关的过程控制程序受控状态:。
与顾客有关的过程控制程序1.目的对确保顾客的需求和期望得到充分理解的过程做出规定,并加以实施和保持。
2.范围适用于对顾客要求的识别、对产品要求的评审及与顾客沟通。
3.职责4.1销售部——负责识别顾客的需求和期望;——负责组织有关部门对产品需求进行评审,并负责与顾客沟通;3.2生产部——参加产品要求评审,负责对产品的生产交货周期、包装有特殊要求等进行评审。
——参加合同评审,负责对技术要求、工艺能力进行评审.3.3品保部——参加合同评审,负责对质量要求、检测能力进行评审;3.4采购部——参加产品要求评审,负责对特殊材料采购的供应能力以及采购及时性等进行评审。
3.5总经理——负责审批特殊合同的产品要求的评审。
4.程序4.1顾客要求的识别销售部负责识别顾客对产品的需求与期望,根据顾客规定的订货要求,如合同草案、投标标书、技术协议草案等填写在《合同评审表》中:a)顾客明示的产品要求,包括产品质量要求及涉及可用性、交付、支持服务(如运输、保修)、价格等方面的要求;b)顾客没有明确要求,但预期或规定的用途所必须的产品要求。
这是一类习惯上隐含的潜在要求,本公司为满足顾客要求应做出承诺;C)顾客没有规定,但国家强制性标准及法律法规规定的要求。
4.2产品要求评审的要求4.1.1在投标、接受合同或订单之前,销售部应对已识别的顾客要求及本公司确定的附加要求(如成本)组织相关部门对标书、合同的产品要求实施评审。
4.2.2根据经济合同法分四个方面内容评审:a)技术评审:对顾客提出的技术质量要求方面进行评审。
b)能力评审:对交付期、交付地点、产品规格、数量等进行评审,以确保在规定期限内有能力完成。
C)商务评审:对顾客要约的文字表述、包装运输服务、产品价格、付款方式等要素进行评审,明确合同规定,以便履行。
d)法律评审:对违约责任、提供担保等法律责任和风险进行评审,以明确双方经济责任。
4.2.3合同评审原则:合同评审必须是接收合同或投标之前进行。
与顾客有关的过程控制程序1 目的和适用范围1.1 目的对确保顾客的需求和期望得到充分理解的过程做出规定,并加以实施和保持。
1.2 适用范围适用于对顾客要求的识别,对产品要求的评审及与顾客的沟通。
2 职责2.1 业务部销售人员负责识别顾客的需求与期望,组织有关部门对产品需求进行评审,并负责与顾客沟通。
2.2 总经理负责审批特殊合同的产品要求评审表。
3 相关/支持文件3.1 《文件资料控制程序》3.2 《顾客满意度控制程序》4 定义无5 程序内容5.1 顾客需求的识别销售人员负责识别顾客对产品的需求与期望,根据顾客规定的仓储及订货要求,如合同、传真及口头订单等识别与产品有关的要求:(1) 顾客明示的产品要求,包括产品质量要求及支持服务(如运输等)、时效、价格等方面的要求;(2) 顾客没有明确要求,但预期或规定的用途所必要的产品要求。
这是一类习惯上隐含的潜在要求,公司为满足顾客要求应作出承诺;(3) 顾客没有规定,但国家强制性标准及法律法规规定的要求。
5.2 对产品要求的评审5.2.1 在接受合同或定单之前,销售人员应对已识别的顾客要求及本公司确定的附加要求组织相关部门对其实施评审。
5.2.2 评审5.2.2.1 产品要求的评审应在接受订单、合同签定之前进行,应确保:(1) 产品要求(包括顾客要求和公司自行确定的附加要求)得到规定,文字规定明确、完善无遗漏。
(2) 顾客没有以文件形式要求时(如口头定单),顾客要求在接受前得到确认,无可疑问题或不一致问题;(3) 与以前表述不一致的合同或订单要求(如报价单)已予以解决;(4) 公司有能力满足规定的要求。
(5) 符合国家法律、法规的有关要求;5.2.2.2 合同分类公司合同或订单分为常规合同和特殊合同两类:(1) 常规合同为产品规格、型号、价格、性质要求、质量责任、数量、交货期和包装符合公司规定范围的合同或订单;(2) 特殊合同为产品规格、型号、价格、货款结算方式、性能要求、质量责任、数量、交货期和包装,超出公司常规经营范围的合同或订单。
与顾客有关的过程控制程序1.目的为充分理解顾客的要求且确保有能力履行,公司应对涉及产品的各种要求进行确认和评审,并与顾客沟通,以避免顾客要求不能满足所带来的责任和风险。
2.范围本程序适用于与产品有关的顾客明示的要求、习惯上隐含的潜在的要求、与产品有关的法律法规要求和公司的附加要求的确定、评审和与顾客的沟通。
3.职责3.1经营部归口管理与产品有关的要求的确定和评审工作,负责在评审时提供形成文件(或没有形成文件)的顾客要求。
3.2工程部负责对顾客的技术要求进行评审。
3.3质安部负责对质量要求进行评审。
4.工作程序4.1与产品有关要求的确定4.1.1经营部负责收集并确认顾客规定的产品要求,包括产品质量要求、造价要求、工期要求、交付要求、交付后要求或顾客明示的其他要求。
4.1.2经营部组织有关部门对隐含的要求即预期规定的用途所必要的产品质量和产品特性(工程质量、保修和服务等方面要求)要求进行确认。
4.1.3对与产品有关的法律法规要求进行确认。
4.1.4经营部负责收集公司内部确定的所有附加要求,并与顾客进行沟通。
4.1.5顾客明示的要求和公司内部的附加要求应尽量形成文件。
4.2合同分类4.2.1常规合同是指一般性和无特殊要求的合同。
4.2.2特殊合同是指有特殊要求的合同。
4.3与产品有关的要求的评审4.3.1评审应在公司向顾客作出提供产品的承诺之前(如投标之前和接受合同及接受合同的更改之前)进行。
4.3.2经营部应对招投(议)标文件进行评审,报总经理批准。
4.3.3对于常规合同,由经营部组织有关部门人员对与产品有关的要求进行评审,报总经理审批。
4.3.4特殊合同,由经营副总经理组织经营部、工程部、质安部等部门采用会议的方式进行评审,将评审结果报总经理审批。
4.3.5在接到电话或口头要求时,接话人必须作好文字记录,并向经营部负责人、总经理汇报,尽快形成文字,转变成书面合同后才有效。
4.3.6与产品有关的所有要求都应经过评审并得到规定。
1 目的
明确顾客的要求并形成文件,通过评审和沟通,满足顾客要求并争取超越顾客期望。
2 适用范围
本程序适用于顾客要求的识别,产品要求的评审及与顾客的沟通。
3 职责
3.1销售部负责评审产品的质量要求及技术要求。
3.2销售部经理负责审核合同的合法性、完整性,包括价格条款及货款支付方式。
3.3 总经理负责审批项目合同。
4 工作程序
4.1 订单的接收
销售部业务员在接到客户传来的订单或合同后,登记在“合同登记表”内。
4.2产品要求的确定
4.2.1由销售部业务员收集客户对产品要求的资料。
产品要求主要包括产品技术要求、交付要求及支持要求。
4.2.2如果在客户所提供的要求中有超越业务人员的权限,业务人员必须上报部门负责人共同商定。
4.2.3如客户提出的要求与供应商确定的要求有异议的,由业务人员和部门负责人配合与客户和供应商之间进行协调,最终达成一个三方可以接受的产品的综合要求。
其中书面的或非书面的要求必须通过客户和供应商确认。
4.2.4如果三方未到处共识的,须以客户为主重新寻求可以满足要求的供应商。
如仍然不能达成的,由部门业务人员将资料作为备用文件存档。
4.3 对产品要求的评审
4.3.1合同评审应在接受合同或订单之前进行,确保明确并满足顾客的要求。
大额合同必须经过总经理的审批后,方可签订合同。
4.4 合同的签订和执行
4.4.1合同评审后,由总经理授权人代表本公司与顾客签订合同或其它形式答复顾客,并将相应的信息以书面形式传递到相关部门,作为商品采购等依据。
4.4.2销售部负责跟进并记录合同的执行情况。
4.5合同的修订
当合同要求由于某种原因需要变更时,应修改相应的文件(如合同、定单等),并把变更的要求与顾客协商一致,并通知相关部门或人员。
必要时,
如作较大更改,则对更改的内容还需再评审。
4.6 产品的配送
4.6.1产品装车前应对运输车辆进行检查,如车辆的防水情况,有无防水设施及设施可用情况(如篷布)、车辆有无安全设备。
(如灭火器等)、有无行驶资格,及车辆运输运资格等。
4.6.2 产品装车完毕后,按客户要求的到货时间,敦促并监控车辆安全、准时送达指定地点。
4.6.3 本公司车辆必须严格按照规定进行定期保养和年检。
4.7与顾客沟通
4.7.1在产品售出前及销售过程中,销售部应通过多种渠道(如网上宣传、交易会等)向顾客介绍产品,回答顾客的咨询,并予以记录。
4.7.2根据需要将合同的执行情况随合同的进展反馈给顾客,包括产品要求方面的更改,要与组织内部相关部门及顾客协调一致。
4.7.3产品售出后,要搜集顾客的反馈信息,妥善处理顾客投诉,以取得顾客的持续满意。
4.8保存与合同评审相关的记录。
5 相关文件
《顾客满意度测量控制程序》
6 记录
6.1 合同登记表
6.2 合同、订单评审记录
6.3 顾客投诉及处理情况登记表。