细 集 料 检 验 报 告
- 格式:xls
- 大小:15.49 KB
- 文档页数:2
沥青混合料目标配合比报告工程名称:太重风电大型设备加工中心项目厂房建设周边整治工程
、
沥青混合料目标配合比试验报告
沥青混合料目标配合比报告工程名称:太重风电大型设备加工中心项目厂房建设周边整治工程
沥青混合料目标配合比报告
集料(粗、细)试验报告
矿粉试验报告
集料筛分试验报告
集料筛分试验报告
沥青混合料马氏体积计算表
委托单位:中冶天工集团有限公司工程名称:太重风电大型设备加工中心项目厂房建设周边整治工程试验日期:2015年7月16日
沥青混合料马氏体积计算表
委托单位:中冶天工集团有限公司工程名称:太重风电大型设备加工中心项目厂房建设周边整治工程试验日期:2015年7月14日
委托单位:陕西红叶园林绿化设计工程集团有限公司工程名称:集宁区白泉山主题公园建设工程试验编号:WZJ2012—LP—013 试验日期:2012年6月12日委托编号:WZJ2012-WT-156
委托单位:陕西红叶园林绿化设计工程集团有限公司工程名称:集宁区白泉山主题公园建设工程试验编号:WZJ2012—LP—013 试验日期:2012年6月12日委托编号:WZJ2012-WT-156
委托单位:陕西红叶园林绿化设计工程集团有限公司工程名称:集宁区白泉山主题公园建设工程试验编号:WZJ2012—LP—013 试验日期:2012年6月13日委托编号:WZJ2012-WT-156
沥青碎石目标配合比报告。
2.试验仪器——容量瓶(500mL)说明两点:浸泡24h ,目的是让试样充分吸水,排除气泡,即开口孔隙中充满水,所以测的是表观密度;(2)称量水+试样+容量瓶的总质量和称量水+容量瓶的总质量时,严格保证水面的弯液面下缘与瓶颈刻度线齐平。
第四节细集料试验检测(1)表观相对密度计算公式采用水的密度计算: 采用水温修正系数计算:2.仪器设备——饱和面干试模4.试验步骤说明:纯粹的容量瓶只能测定细集料的表观密度,试验过程中只有3个质量数据。
而增加一个坍落筒,可以人工制造细集料的饱和面干状态,试验过程中则有4个质量数据,即增加了饱和面干试样质量的计算既可以算出表观密度,又可以算出毛体积密度第四节细集料试验检测用坍落筒制造饱和面干试样称取饱和面干试样约300g (m 3)称水+容量瓶+试样总质量(m 2)称水+容量瓶总质量(m 1)倒出试样烘干,称重(m 0)(1)(2)(3)(4)说明:第一个公式,即表观密度计算公式与容量瓶法完全一样,就是容量瓶法。
本试验由于增加了试样的饱和面干状态的试样,才有了后面计算公式,即表干密度、毛体积密度以及吸水率。
致,否则会影响装填的紧密效果,即密度。
、细集料含泥量试验(筛洗法)(1)本方法仅用于测定天然砂中泥和粘土的含量。
本方法不适用于人工砂、成分较多的细集料。
(2)对于天然砂,可以把所有做是泥。
国标《建设用砂》和《公路工程沥青路面施工技术规范》都是这样规定的。
细集料试验检测(5)计算公式在,即细集料的洁净程度。
试验结束,统计加入亚甲蓝溶液总量5.计算(2)机械振荡器:使试筒产生横向的直4.试验步骤第四节细集料试验检测冲洗液加入试筒100mm刻度线120g试样加入试筒冲洗液冲洗并灌注380mm刻度线静置20min测量絮状物高度h1和沉淀物高度h2计算砂当量SE=h2÷h15.计算与读数示意图土的级配要求:集料规格要求:集料规格要求:级配类型和级配曲线矿质混合料组成设计•在矿料颗粒分布的整个区间里,从中间剔除一个或连续几个粒级,形成一种不连续的级配间断级配第五节矿质混合料组成设计第五节矿质混合料组成设计(2)图解法①绘制坐标框图。
T0304-2000 粗集料密度及吸水率试验(网篮法)1 目的与适用范围本方法适用于测定碎石、砾石等各种集料的表观相对密度、表干相对密度、毛体积相对密度、表观密度、表干密度、毛体积密度,以及粗集料的吸水率。
2 仪具与材料2.1 天平或浸水天平:可悬挂吊篮测定集料的水中质量,称量应满足试样数量称量要求,感量不大于最大称量的0.05%.2.2 吊篮:耐锈蚀材料制成,直径和高度为150mm左右,四周及底部用1mm~2mm 的筛网编制成具有密集的孔眼。
2.3 溢流水槽:在称量水中质量时能保持水面高度一定。
2.4 烘箱:允控温在105±5摄氏度。
2.5 温度计。
2.6 标准筛。
2.7 盛水容器(如搪瓷盘)。
2.8 其它:刷子、毛巾等。
3 试验准备3.1 将取来的试样用4.75mm(方孔筛)或5mm(圆孔筛)标准筛过筛,用四分法缩分至要求的质量,分两份备用。
对沥青路面用粗集料,应对不同规格的集料分别测定,不得混杂,所取的每一份集料试样应基本上保持原有的级配。
3.2 经缩分后供测定密度和吸水率的粗集料质量应符合表1的规定。
3.3 将每一份集料试样浸泡在水中,仔细洗去附在集料表面的尘土和石粉,经多次漂洗干净至水清澈为止。
清洗过程中不得散失集料颗粒。
4.1 取试样一份装入干净的搪瓷盘中,注入洁净的水,水面至少应高出试样2cm,轻轻搅动石料,使附着石料上的气泡逸出。
在室温下保持浸水24h。
4.2 将吊篮挂在天平的吊钩上,浸入溢流水槽中,向溢流水槽中注水,水面高度至水槽的溢流孔为止,将天平调零。
4.3 调节水温在15~25摄氏度范围内。
将试样移入吊篮中,溢流水槽中的水面高度由水槽的溢流孔控制,维持不变。
称取集料的水中质量(m)。
w4.4 提起吊篮,稍稍滴水后,将试样倒入浅搪瓷盘中,或直接将粗集料集料倒在拧干的湿毛巾上,注意不得有颗粒丢失,或有小颗粒附在吊篮上。
稍稍倾斜搪瓷盘,用毛巾吸走漏出的自由水,用拧干的湿毛巾轻轻擦干颗粒的表面水,至表面看不到发亮的水迹,即为饱和面干状态。
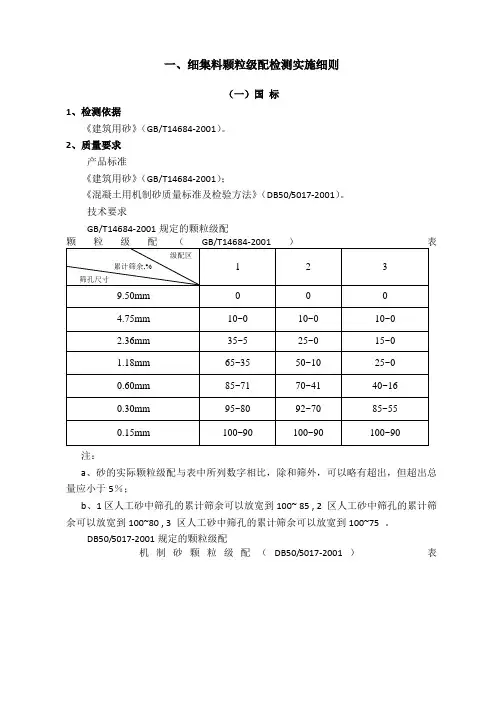
一、细集料颗粒级配检测实施细则(一)国标1、检测依据《建筑用砂》(GB/T14684-2001)。
2、质量要求产品标准《建筑用砂》(GB/T14684-2001);《混凝土用机制砂质量标准及检验方法》(DB50/5017-2001)。
技术要求GB/T14684-2001规定的颗粒级配注:a、砂的实际颗粒级配与表中所列数字相比,除和筛外,可以略有超出,但超出总量应小于5%;b、1区人工砂中筛孔的累计筛余可以放宽到100~ 85 , 2 区人工砂中筛孔的累计筛余可以放宽到100~80 , 3 区人工砂中筛孔的累计筛余可以放宽到100~75 。
DB50/5017-2001规定的颗粒级配机制砂颗粒级配(DB50/5017-2001)表注:砂的实际颗粒级配与表中所列数字相比,除和筛外,可以略有超出,但超出总量应小于5%。
3、适用范围适用于建设工程检测普通混凝土用天然砂和人工砂的颗粒级配及粗细程度。
4、主要仪器设备方孔筛:孔径为、、、、、及,筛底和筛盖各一只;鼓风烘箱:能使温度控制在105±5℃;天平:称量1000g,分度值1g;摇筛机;浅盘和硬、软毛刷等。
5、检测前的准备检测设备必须经过送检和自检合格。
用四分法将样品缩分至约1100g作为颗粒级配检测的试样,并将试样放在烘箱中烘干至恒重,冷却至室温。
筛除大于颗粒,记录筛余百分率。
样品数量:每个样品检2份试样。
6、检测步骤准确称取试样500g,精确至1g。
将试样倒入按筛孔大小顺序从上到下排列的套筛上。
将套筛装入摇筛机,摇筛约10min,然后,取出套筛,再按筛孔大小顺序,在清洁的盘上逐个进行手筛,直至每分钟通过量小于试样总量的%时为止。
通过的试样并入下一号筛,并和下一号筛中的试样一起过筛,按这样顺序进行,直至各号筛全部筛完为止。
称量各号筛的筛余量,精确至1g。
筛分后,各号筛的筛余量和底盘中剩余量的总和与筛分前的试样总量相比,其相差不得超过1%,否则须重新试验。
细集料筛分试验报告
报告编号: [编号]
试验日期: [日期]
试验目的: 进行细集料的筛分试验,以确定其颗粒分布。
试验设备:
1. 筛分机
2. 筛网
3. 试验坛
4. 试验样品
试验步骤:
1. 准备试验样品,根据实际需要取得一定量的细集料样品。
2. 将试验样品放入筛分机,启动筛分过程。
3. 筛分机按照设定的筛孔大小对样品进行筛分,同时将通过筛孔的细集料收集起来。
4. 将筛分得到的细集料分别称重,并记录重量。
5. 对不同筛孔下的细集料重量进行统计,绘制颗粒分布曲线。
试验结果:
根据试验,得到细集料在不同筛孔下的重量如下:
筛孔号|重量(g)
------|------
筛孔1|10
筛孔2|20
筛孔3|30
筛孔4|40
细集料的颗粒分布曲线如下所示:
[插入颗粒分布曲线图]
结论:
根据试验结果,细集料的颗粒分布以筛孔4为最大值,并随着筛孔变小而逐渐减小。
根据需要,可以根据颗粒分布曲线调整细集料的使用比例。
附注:
1. 试验结果可能存在一定误差,请酌情考虑。
2. 试验未考虑其他因素对细集料颗粒分布的影响,仅供参考。
关于万龙试验软件如何填写的几点建议1.粗集料试验:试样描述如何填写,报告编号和试验编号如何填写,粗集料试验报告中取样地点如何填写,试验编号填1 …还是01….,结论如何填写,技术负责人意见如何填写。
粗集料密度及吸水率试验报告中集料用途如何填写,结论、技术负责人意见。
粗集料堆积密度及空隙率试验报告中振实密度及空隙率是否填写,压碎值报告及含泥量报告、针片状报告无法确定内容同上。
记录表手写,是否包括工程名称、承包单位、监理单位、试验单位、标准依据,建议以上内容打印,其余手写。
2.细集料试验:试样描述是否填河砂,堆积密度及紧装密度报告中集料种类、集料用途、取样地点如何填写,平均紧装密度试验是否也做,记录表手写内容同粗集料。
3.水泥试验:水泥试验报告中水泥用途是否写正在施工的工程部位,细度检验一栏不同等级的水泥是否都写,水泥比表面积测定(勃氏法)对于不同等级的水泥是否都写,试验编号、报告编号、结论及技术负责人意见如何填写。
水泥胶砂强度报告中无法确定内容同上。
记录表手写,建议打印内容同上。
4.钢筋原材料试验:试样描述如何填写,结论及技术负责人意见如何填写,记录表手写,建议打印内容同上。
5.钢筋焊接试验:试样描述如何填写,代表部位及数量一栏中数量是否填写多少个接头,试验尺寸中一栏焊接长度、焊口直径是否填写,焊接质量评述中搭接焊和闪光对焊怎样描述。
结论及技术负责人意见、试验编号,报告编号该如何填写。
6.水泥混凝土立方体抗压强度试验报告:试样描述如何填写,结论、报告编号、试验编号及技术负责人意见如何填写。
7.建议所有的试验报告做一份样本参考。
附件:试验报告扫描件四合同项目部试验室2009-3-26。
水泥混凝土用细集料筛分试验(干筛法)操作规程1.用9.5mm筛筛除其中的超粒径材料。
2.将样品拌匀,缩分至每份不少于550g的试样两份,烘干至恒重。
3.准确称取烘干试样约500g,准确至0.5g,置于套筛的最上面一只(即4.75mm 筛)上。
4.整体摇筛约l0min(手筛或摇筛机筛),然后逐个进行手筛,至每分钟筛出量不超过筛上剩余量的0.1%时为止。
5.称量各筛筛余试样质量,精确至0.5g。
各筛分计筛余量和底盘中剩余量的总量与筛分前的试样总量,相差不得超过后者的1%。
6.计算分计筛余百分率、累计筛余百分率和质量通过百分率。
7.绘制级配曲线。
8.计算砂的细度模数。
9.应进行两次平行试验,以试验结果的算术平均值作为测定值。
如两次试验所得的细度模数之差大于0.2,应重新进行试验。
水泥混凝土用细集料表观密度试验(容量瓶法)操作规程1.用9.5mm筛筛除其中的超粒径材料。
2.将缩分至650g左右的试样在温度为105℃±5℃的烘箱中烘干至恒重,并在干燥器内冷却至室温,分成两份备用。
3.称取烘干的试样约300g(m0),装入盛有半瓶洁净水的容量瓶中。
4.摇转容量瓶,使试样在已保温至23℃±1.7℃的水中充分搅动以排除气泡,塞紧瓶塞,在恒温条件下静置24h左右,然后用滴管添水,使水面与瓶颈刻度线平齐,再塞紧瓶塞,擦干瓶外水分,称其总质量(m2)。
5.倒出瓶中的水和试样,将瓶的内外表面洁净,再向瓶内注入同样温度的洁净水(温差不超过2℃)至瓶颈刻度线,塞紧瓶塞,擦干瓶外水分,称其总质量(m1)。
5.数据处理细集料的表观相对密度按下式计算:ra=m0 / (m0+ m1- m2)式中:ra ——细集料的表观相对密度,无量纲;m0——试样的烘干质量(g)m1——水及容量瓶总质量,gm2——试样、水及容量瓶总质量,g;水泥混凝土用粗集料针片状颗粒含量试验(规准仪法)操作规程1.将集料在室内风干至表面干燥,缩分至规定的质量,称量。
细集料检测作业指导书一、适用范围本细则适用于一般工业及民用建筑和构筑物中普通混凝土用砂及公路工程用集料的质量检测。
检测项目包括细集料的细度模数、表观密度、堆积密度、紧密密度、含泥量、泥块含量、含水率、吸水率、有机物含量、轻物质含量、氯离子含量、坚固性、云母含量、贝壳含量、石粉含量、硫化物和硫酸盐含量、碱集料反应的测定。
二、编制依据1、《普通混凝土用砂质量标准及检验方法》JGJ52-922、《水运工程混凝土试验规程》JTJ270-983、《建筑用砂》GB/T14684-20014、《公路工程集料试验规程》JTJ058-20005、《关于淡化砂使用的通知》甬地管[1993]4号6、《数值修约规则》GB8170-877、《极限数值的表示方法和判定标准》GB1250-89三、采用的仪器设备四、检测项目、被测参数及允许变化范围1、颗粒级配(1)砂的颗粒级配与表中所列的累计筛余百分比率相比,除去5.00mm和0.630mm外,允许稍有超出分界线,但其总量百分率不应大于5%。
(2)筛分析试验,被测参数大小及允许范围:级配三个区:砂粗细程度:粗、中、细。
被测参数中,所有各筛的分计筛余量和底盘中剩余时的总和与筛分前的试样总量相比,其相差不得大于1%。
底上分计筛余量必须记录,而在分、累计百分率计算中则排除在外;细度模数:μf1、μf2之差大于0.20则重做。
注:粗砂μ1=3.7~3.1中砂μ1=3.0~2.3 细砂μ1=2.2~1.6对有抗冻、抗渗或其它特殊要求的混凝土用砂,含泥量应不大于3.0%对C10和C10以下的混凝土用砂,根据水泥标号,其含泥量可予以放宽对有抗冻、抗渗或其它特殊要求的混凝土用砂,其泥块含量应不大于1.0%对C10和C10以下的混凝土用砂,应根据水泥标号,其泥块含量可予以放宽。
4、砂的表观密度试验参数大小及允许范围:2500-2700kg/m3。
5、砂的松散堆积密度试验参数大小及允许范围:1300-1700 kg/m3。