法兰盘机械加工工艺过程综合卡片
- 格式:doc
- 大小:206.00 KB
- 文档页数:11
831004法兰盘加工工艺卡片班级学号姓名机械加工工序卡片工序名称粗车Φ10012.034.0--mm端面及外圆柱面,粗车B面,粗车Φ90外圆柱面工序号 11020114 30 石真卫零件名称CA6140车床法兰盘零件号831004零件数量 1 同时加工零件数 1材料HT200 毛坯设备夹具辅助工具名称型号专用夹具游标卡尺转塔式车床C365L安装工步安装及工步说明刀具走刀次数(次)走刀长度(mm)切削深度(mm)进给量(mm/r)切削速度(m/min)基本工时(min)1 1以Φ0017.045-mm端面及外圆柱面定位,粗车Φ10012.034.0--mm端面及外圆柱面,粗车B面,粗车Φ90外圆柱面90︒焊接式直头外圆车刀11111.21.241.20.90.90.90.8158.61321331220.0980.11.250.07班级学号姓名机械加工工序卡片工序名称粗车Φ0017.045-mm端面及外圆柱面,粗车Φ90mm右端面。
工序号 21020114 30 石真卫零件名称CA6140车床法兰盘零件号831004零件数量 1 同时加工零件数 1材料HT200 毛坯设备夹具辅助工具名称型号专用夹具游标卡尺转塔式车床C365L安装工步安装及工步说明刀具走刀次数(次)走刀长度(mm)切削深度(mm)进给量(mm/r)切削速度(m/min)基本工时(min)1 1以Φ10012.034.0--mm端面及外圆柱面定位,粗车Φ017.045-mm端面及外圆柱面,粗车Φ90mm右端面。
90︒焊接式直头外圆车刀1111.21.31.20.90.80.8187891220.060.090.07班级 学号 姓名 机械加工工序卡片 工序名称 钻Φ20045.00+mm 孔,并粗铰。
工序号 3102011430石真卫零件名称 CA6140车床法兰盘零件号 831004 零件数量 1 同时加工零件数1 材料HT200毛坯设备夹具辅助工具名称 型号 专用夹具游标卡尺转塔式车床C365L安装 工步 安装及工步说明 刀具 走刀次数(次) 走刀长度(mm) 切削深度(mm) 进给量(mm/r) 切削速度(m/min) 基本工时(min)1 1以Φ10012.034.0--mm 端面及外圆柱面定位,钻Φ20045.00+mm 孔,并粗铰。
机械加工工序卡产品型号零件图号工序号010 共11页零件名称法兰盘工序名称第1 页材料名称铸铁硬度HT200机床型号车床C6140单件工时0.63准备终结时间班产件数:↓↓工序号加工内容转速r/min 切削速度m/min切削深度mm进给量mm/r夹具名称专用夹具1 粗车100柱体左端面136 4.5 4.50.73量具名称游标尺制定:校对:批准:机械加工工序卡产品型号零件图号工序号020 共11页零件名称法兰盘工序名称第2页材料名称铸铁硬度HT200机床型号车床C6140单件工时准备终结时间班产件数:↓↓工序号加工内容转速r/min 切削速度m/min切削深度mm进给量mm/r夹具名称专用夹具1 钻18孔322 18 91 0.762 扩19.8孔136 8.5 910.923 粗铰19.94 132 8.26 91 1.684 精铰20 132 8.29 91 1.245 倒角(内孔左侧)430 27量具名称游标尺制定:机械加工工序卡产品型号零件图号工序号030 共11页零件名称法兰盘工序名称第3页材料名称铸铁硬度HT200机床型号车床C6140单件工时准备终结时间班产件数:↓↓↓↓工序号加工内容转速r/min 切削速度m/min切削深度mm进给量mm/r夹具名称专用夹具1 粗车左端面136 38.4 4.5 0.732 粗车100右端面136 42.7 4.5 0.733 半精车左端面238 74.7 0.7 0.244 半精车100右端面238 74.7 1.1 0.245 半精车90左端面322 91 1.1 0.246 精车100左端面322 101.1 0.8 0.237 粗车100外圆183 57.5 2.1 0.768 粗车90外圆183 51.7 2.10.769 粗车45外圆322 45.5 0.55 0.5210 半精车100外圆322 101.1 0.55 0.2811 半精车90外圆280 91 0.2812 倒角(100)238 74.713 倒角(90)238 6714 车过渡圆430量具名称游标尺制定:机械加工工序卡机械加工工序卡产品型号零件图号工序号040 共11页零件名称法兰盘工序名称第4页材料名称铸铁硬度HT200机床型号车床C6140单件工时准备终结时间班产件数:↓↓工序号加工内容转速r/min 切削速度m/min切削深度mm进给量mm/r夹具名称专用夹具1 粗车¢90右端面136 38.4 4.2 0.732 半精车90左端面322 91.0 1.1 0.243 精车90右端面322 91.0 0.8 0.234 车3*2退刀槽322 50.6 3 0.415 粗车¢45外圆322 45.5 2.175 0.526 半精车¢45外圆550 77.7 0.5 0.28量具名称游标尺制定:机械加工工序卡机械加工工序卡产品型号零件图号工序号050 共11页零件名称法兰盘工序名称第5页材料名称铸铁硬度HT200机床型号车床C6140单件工时准备终结时间班产件数:工序号加工内容转速r/min 切削速度m/min切削深度mm进给量mm/r夹具名称专用夹具1 粗车¢45右端面322 45.7 3.5 0.542 倒角(内孔右侧)430 27 13 倒角(¢45右侧)430 60.76 3.5量具名称游标尺制定:机械加工工序卡机械加工工序卡产品型号零件图号工序号060 共11页零件名称法兰盘工序名称第6页材料名称铸铁硬度HT200机床型号铣床X61W单件工时准备终结时间班产件数:工序号加工内容转速r/min 切削速度m/min切削深度mm进给量mm/r夹具名称专用夹具1 粗铣两侧面980 255 3 0.142 精铣两侧面83.6 47.5 0.55 0.08量具名称游标尺制定:机械加工工序卡机械加工工序卡产品型号零件图号工序号070 共11页零件名称法兰盘工序名称第7 页材料名称铸铁硬度HT200机床型号独臂钻床Z525单件工时准备终结时间班产件数:↓↓工序号加工内容转速r/min 切削速度m/min切削深度mm进给量mm/r夹具名称专用夹具1 钻6孔1700 21 0.22 铰6孔679 12.8 1 0.26量具名称游标尺制定:机械加工工序卡机械加工工序卡产品型号零件图号工序号080 共11页零件名称法兰盘工序名称第8 页材料名称铸铁硬度HT200机床型号独臂钻床Z525单件工时准备终结时间班产件数:工序号加工内容转速r/min 切削速度m/min切削深度mm进给量mm/r夹具名称专用夹具1 钻4*9孔850 21.6 0.40量具名称游标尺制定:机械加工工序卡机械加工工序卡产品型号零件图号工序号090 共11页零件名称法兰盘工序名称第9 页材料名称铸铁硬度HT200机床型号万能外圆磨床M114W单件工时准备终结时间班产件数:工序号加工内容转速r/min 切削速度m/min切削深度mm进给量mm/r夹具名称专用夹具1 磨削外圆100 26702 磨削90外圆26703 磨削45外圆2670量具名称游标尺制定:机械加工工序卡机械加工工序卡产品型号零件图号工序号0100 共11页零件名称法兰盘工序名称第10 页材料名称铸铁硬度HT200机床型号万能外圆磨床M114W单件工时准备终结时间班产件数:工序号加工内容转速r/min 切削速度m/min切削深度mm进给量mm/r夹具名称专用夹具1 磨削B面40 6.3量具名称游标尺制定:机械加工工序卡机械加工工序卡产品型号零件图号工序号0110 共11页零件名称法兰盘工序名称第11 页材料名称铸铁硬度HT200机床型号卧轴矩台平面磨床(M7112)单件工时准备终结时间班产件数:工序号加工内容转速r/min 切削速度m/min切削深度mm进给量mm/r夹具名称专用夹具1 磨削90突台距离轴线24mm的侧平面100.01量具名称游标尺制定:四参考文献1.《机械制造技术基础》吉林大学于俊一、邹青主编,2006年1月第一版,机械工业出版社。
附表1 机械加工工艺过程卡片1附表2 机械加工工艺过程卡片2附表3 机械加工工艺过程卡片3附表4 数控加工工序卡4附表5 数控加工工序卡5附表6 数控加工工序卡6附表7 数控加工工序卡7附表8 数控加工刀具卡片8附表9 数控加工刀具卡片9附表10 数控加工刀具卡片10湖南科技大学潇湘学院数控加工进给路线图产品型号零件图号产品名称连接法兰盘零件名称法兰盘材料牌号45钢毛坯种类锻件毛坯外形尺寸Φ700×211备注工序号工序名称设备名称设备型号程序编号夹具代号夹具名称冷却液车间02 粗精车右端面及轮廓数控机床ck6140O0001 3爪卡盘乳化液数控加工11湖南科技大学潇湘学院数控加工进给路线图产品型号零件图号产品名称连接法兰盘零件名称法兰盘材料牌号45钢毛坯种类锻件毛坯外形尺寸Φ700×211备注工序号工序名称设备名称设备型号程序编号夹具代号夹具名称冷却液车间02粗精车Φ140孔及内槽数控机床ck6140O00013爪卡盘乳化液数控加工12湖南科技大学潇湘学院数控加工进给路线图产品型号零件图号产品名称法兰盘零件名称法兰盘材料牌号45钢毛坯种类锻件毛坯外形尺寸Φ700×211备注工序号工序名称设备名称设备型号程序编号夹具代号夹具名称冷却液车间03 数控机床ck6140O0002 3爪卡盘乳化液数控加工13湖南科技大学潇湘学院数控加工进给路线图产品型号零件图号产品名称连接法兰盘零件名称法兰盘材料牌号45钢毛坯种类锻件毛坯外形尺寸Φ700×211备注工序号工序名称设备名称设备型号程序编号夹具代号夹具名称冷却液车间03 粗精车Φ224孔数控机床ck6140O0002 3爪卡盘乳化液数控加工14湖南科技大学潇湘学院数控加工进给路线图产品型号零件图号产品名称连接法兰盘零件名称法兰盘材料牌号45钢毛坯种类锻件毛坯外形尺寸Φ700×211备注工序号工序名称设备名称设备型号程序编号夹具代号夹具名称冷却液车间04 钻铰所有孔立式加工中心XH714O0003 专用夹具乳化液数控加工15湖南科技大学潇湘学院数控加工进给路线图产品型号零件图号产品名称连接法兰盘零件名称法兰盘材料牌号45钢毛坯种类锻件毛坯外形尺寸Φ700×211备注工序号工序名称设备名称设备型号程序编号夹具代号夹具名称冷却液车间05 粗精车左端面及轮廓立式加工中心XH714O0004 专用夹具乳化液数控加工16附录17 数控加工程序O0001:N0010 G40 G17 G90 G70N0020 G91 G28 Z0.0N0030 T00 M06N0040 G0 G90 X-.7181 Y.4098 S0 M03 N0050 G43 Z.6693 H00N0060 G83 Z-.9055 R.6693 F9.8 Q0.0 N0070 X.7139 Y.417N0080 X.0042 Y-.8268N0090 G80N0100 M02O0002:N0010 G40 G17 G90 G70N0020 G91 G28 Z0.0N0030 T00 M06N0040 G0 G90 X-.6988 Y1.2104 S0 M03N0050 G43 Z.1969 H00N0060 G83 Z-1.7717 R.1969 F9.8 Q0.0N0070 X-1.3976 Y0.0N0080 X-.6988 Y-1.2104N0090 X.6988N0100 X1.3976 Y0.0N0110 X.6988 Y1.2104N0120 G80N0130 M02O0003:N0010 G40 G17 G90 G70N0020 G91 G28 Z0.0N0030 T00 M06N0040 G0 G90 X-2.3828 Y-1.3846 S0 M03N0050 G43 Z-1.1849 H00N0060 G83 X-.9508 Y-.5578 R-1.1849 F9.8Q0.0N0070 G80N0080 M02O0004:17N0010 G40 G17 G90 G70N0020 G91 G28 Z0.0N0030 T00 M06N0040 G0 G90 X.0042 Y-.8268 S0 M03 N0050 G43 Z.6693 H00N0060 G83 Z-.9055 R.6693 F9.8 Q0.0 N0070 X-.7181 Y.4098N0080 X.7139 Y.417N0090 G80N0100 M02O0005:N0010 G40 G17 G90 G70N0020 G91 G28 Z0.0N0030 T00 M06 N0040 G0 G90 X-.6988 Y-1.2104 S0 M03N0050 G43 Z1.1811 H00N0060 G83 Z-1.5748 R1.1811 F9.8 Q0.0N0070 X-1.3976 Y0.0N0080 X-.6988 Y1.2104N0090 X.6988N0100 X1.3976 Y0.0N0110 X.6988 Y-1.2104N0120 G80N0130 M02O0006:N0010 G40 G17 G90 G70N0020 G91 G28 Z0.0N0030 T00 M06N0040 G0 G90 X-.6988 Y-1.2104 S0 M03N0050 G43 Z1.1811 H00N0060 G83 Z-.9843 R1.1811 F9.8 Q0.0N0070 X-1.3976 Y0.0N0080 X-.6988 Y1.2104N0090 X.6988N0100 X1.3976 Y0.0N0110 X.6988 Y-1.2104N0120 G80N0130 M02O0007:N0010 G40 G17 G90 G70N0020 G91 G28 Z0.0N0030 T00 M0618N0040 G0 G90 X-2.3828 Y-1.3846 S0 M03 N0050 G43 Z-1.1849 H00 N0060 G83 X-.9508 Y-.5578 R-1.1849 F9.8Q0.0N0070 G80N0080 M0219。
台州学院机械工程学院机械加工工艺过程卡片
产品型号零件图号
产品y1称零件名称CA6140法兰盘共2页第2页
每毛坯件数每台件数备注
工序号工名
序称
工序内容
车
间
工
段
设备工艺装备
工时
准终单件
40 车半精车①45外圆面,①90外圆面,B面外圆面。
C620-1 型
卧式车床
5.4min
45 车精车①45外圆面,①90外圆面,B面外圆面,车B面上圆角,C620-1 型卧式车床
50 车精车右端面C620-1 型
卧式车床
93。
偏头车刀三爪卡盘0.9min
55 车精车左端面
C620-1 型
卧式车床
93°偏头车刀三爪卡盘0.14min 60 钻钻4个①9的孔C616A 型麻花钻
65 钻钻①4孑L,绞①6孔C616A 型麻花钻
70 划线划线、刻字
75 检测、入库
设计(日期)
校对(日
期)
审核(日期)标准化(日期)会签(日期)
标记处数更改文
件号
签字日期
标
记
处数
更改文
件号
签字日期
材料牌号毛坯种类铸造毛坯外形尺寸
HT200。
机械制造教研室机械加工工序卡产品型号零件名称零件号FL-04法兰盘工序名称铸造毛坯时效处理工序号10技检要求检验是否符合该工序尺寸基准面外圆材料同时加工零件数设备牌号硬度名称型号HT200 220HBS 1夹具定额代号名称单件时间(分)每班次数每台件数工人等级工步号工步内容走刀长度(毫米)走刀次数切削深度(毫米)切削速度(米/秒)主轴转速(转/分)进给量(毫米/转)机动时间(分)辅助时间(分)刀具辅具量具名称规格数量名称规格数量名称规格10 铸件,时效处理拟制日期审核日期批准日期共 20 页第 1 页机械制造教研室机械加工工序卡产品型号零件名称零件号FL-04法兰盘831004工序名称粗车φ100mm柱体左端面、外圆,粗车B面工序号10技检要求检验是否符合该工序尺寸基准面外圆材料同时加工零件数设备牌号硬度名称型号HT200 220HBS 1 车床CA6140夹具定额代号名称单件时间(分)每班次数每台件数工人等级KAPAN 三爪卡盘 1 1 A工步号工步内容走刀长度(毫米)走刀次数切削深度(毫米)切削速度(米/秒)主轴转速(转/分)进给量(毫米/转)机动时间(分)辅助时间(分)刀具辅具量具名称规格数量名称规格数量名称规格20 粗车∅100柱体左端面94 1 2 100 480 0.9 0.098 0.8 09号90°偏头车刀1 三爪卡盘 1 游标卡尺30 粗车∅100mm外圆柱面10 1 2 150 480 0.9 0.1 0.5 09号90°偏头车刀1 三爪卡盘 1游标卡尺40 粗车B面 1 2 133 400 0.9 0.83 0.5 09号90°偏头车刀1 三爪卡盘 1游标卡尺50 粗车∅90外圆面 2 2 150 480 0.9 0.87 0.5 09号90°偏头车刀1 三爪卡盘 1游标卡尺机械制造教研室机械加工工序卡产品型号零件名称零件号FL-04法兰盘831004工序名称钻中心孔φ18,扩孔φ19.8,粗铰中心孔φ19.94,精铰中心孔φ20mm 工序号 3技检要求检验是否符合该工序尺寸基准面外圆材料同时加工零件数设备牌号硬度名称型号HT200 220HBS 1 钻床Z525摇臂钻床夹具定额代号名称单件时间(分)每班次数每台件数工人等级KAPAN 三爪卡盘 1 1 A工步号工步内容走刀长度(毫米)走刀次数切削深度(毫米)切削速度(米/秒)主轴转速(转/分)进给量(毫米/转)机动时间(分)辅助时间(分)刀具辅具量具名称规格数量名称规格数量名称规格60 钻孔保证尺寸∅18mm 91 1 2 31.4 555 0.3 0.098 0.8 高速钢直柄麻花钻∅181 三爪卡盘 1 游标卡尺70 扩孔保证尺寸∅19.8mm 91 1 2 17.4 275 0.3 0.1 0.5 高速钢直柄麻花钻∅19.81 三爪卡盘 1游标卡尺80 粗铰孔保证尺寸∅19.94mm 91 1 2 16.7 2750.5 0.83 0.5锥柄机铰刀1 三爪卡盘 1游标卡尺90 精铰孔保证尺寸∅20 91 1 2 17.2 2750.5 0.87 0.5 锥柄机铰刀∅20 1三爪卡盘 1 游标卡尺拟制日期审核日期批准日期共 20 页第 3 页机械制造教研室机械加工工序卡产品型号零件名称零件号FL-04法兰盘831004工序名称粗车右φ45mm右端面、外圆,φ90mm外圆及右端面工序号 3技检要求检验是否符合该工序尺寸基准面外圆材料同时加工零件数设备牌号硬度名称型号HT200 220HBS 1 车床CA6140夹具定额代号名称单件时间(分)每班次数每台件数工人等级KAPAN 三爪卡盘 1 1 A工步号工步内容走刀长度(毫米)走刀次数切削深度(毫米)切削速度(米/秒)主轴转速(转/分)进给量(毫米/转)机动时间(分)辅助时间(分)刀具辅具量具名称规格数量名称规格数量名称规格100 粗车∅45mm端面94 1 27.4 94 600 1.2 0.098 0.8 09号90°偏头车刀1 三爪卡盘 1 游标卡尺110 粗车∅45mm外圆至∅46.2mm 10 1 4.4 117.75 750 2.2 0.1 0.5 09号90°偏头车刀1 三爪卡盘 1游标卡尺120 粗车∅90mm右端面 1 1.2 135 480 1.2 0.83 0.5 09号90°偏头车刀1 三爪卡盘 1游标卡尺拟制日期审核日期批准日期共 20 页第 4 页机械制造教研室机 械 加 工 工 序 卡产品型号零件名称零件号FL-04法兰盘831004工序名称半精车φ100左端面、外圆,半精车B 面并倒角C1.5,半精车φ90外圆,φ20左侧倒角C1 工序号 3技检要求 检验是否符合该工序尺寸基准面 外圆材料同时加工零件数设备牌号硬度名称型号HT200 220HBS 1 车床CA6140夹具定 额代号名称 单件时间(分) 每班次数 每台件数 工人等级KAPAN三爪卡盘11 A 工步号 工步内容走刀长度(毫米) 走刀次数 切削深度(毫米) 切削速度(米/秒) 主轴转速(转/分) 进给量(毫米/转) 机动时间(分) 辅助时间(分)刀具 辅具量具名称规格数量 名称规格 数量 名称规格 130 半精车∅100mm 端面 94 1 2 100 480 0.9 0.098 0.8 09号90°偏头车刀 1 三爪卡盘 1 游标卡尺 140 半精车∅100mm 外圆至∅102mm 10 1 2 150 480 0.9 0.1 0.5 09号90°偏头车刀 1 三爪卡盘 1 游标卡尺 150 半精车B 面 1 2 133 400 0.9 0.83 0.5 09号90°偏头车刀 1 三爪卡盘 1 游标卡尺 160 半精车∅90mm 外圆∅92mm 2 2 150 480 0.9 0.87 0.5 09号90°偏头车刀1 三爪卡盘 1 游标卡尺 170 车∅100,∅90外圆倒角C1.5,∅20孔左端倒角C122150 480 0.9 0.87 0.545°成形车刀1 三爪卡盘1游标卡尺 拟制日期审核 日期批准日期共 20 页 第 5 页 机械制造教研室 机 械 加 工 工 序 卡 产品型号 零件名称 零件号 FL-04 法兰盘 831004 工序名称 半精车φ100左端面、外圆,半精车B 面并倒角C1.5,半精车φ90外圆,φ20左侧倒角C1 工序号 3 技检要求 检验是否符合该工序尺寸 基准面 外圆 材料 同时加工零件数 设备 牌号 硬度 名称 型号 HT200 220HBS 1 车床 CA6140 夹具 定 额 代号 名称 单件时间(分) 每班次数 每台件数 工人等级 KAPAN 三爪卡盘 1 1 A 工步号工步内容 走刀长度(毫米) 走刀次数 切削深度(毫米) 切削速度(米/秒) 主轴转速(转/分) 进给量(毫米/转) 机动时间(分) 辅助时间(分) 刀具 辅具 量具 名称规格 数量 名称规格 数量 名称规格 180 半精车∅100mm 外圆至∅102mm 10 1 2 150 480 0.9 0.1 0.5 09号90°偏头车刀 1 三爪卡盘 1 游标卡尺190 半精车B 面 23 1 2 133 400 0.9 0.83 0.5 09号90°偏头车刀 1 三爪卡盘 1 游标卡尺 200 半精车∅90mm外圆∅92mm 23 2 2 150 480 0.9 0.87 0.5 09号90°偏头车刀 1 三爪卡盘 1 游标卡尺 210车∅100,∅90外圆倒角C1.5,∅20孔左端倒角C11 2 2 150 480 0.9 0.87 0.545°成形车刀 1 三爪卡盘 1 游标卡尺拟制日期审核日期 批准日期共 20 页 第 6 页机械制造教研室机械加工工序卡产品型号零件名称零件号FL-04法兰盘831004工序名称半精车右φ45mm外圆及右端面,倒角C7,半精车φ90mm右侧面,切槽3×2,车φ20mm孔右端倒角C1 工序号 3技检要求检验是否符合该工序尺寸基准面外圆材料同时加工零件数设备牌号硬度名称型号HT200 220HBS 1 车床CA6140夹具定额代号名称单件时间(分)每班次数每台件数工人等级KAPAN 三爪卡盘 1 1 A工步号工步内容走刀长度(毫米)走刀次数切削深度(毫米)切削速度(米/秒)主轴转速(转/分)进给量(毫米/转)机动时间(分)辅助时间(分)刀具辅具量具名称规格数量名称规格数量名称规格270 精车∅100mm端面94 1 2 100 480 0.9 0.098 0.8 09号90°偏头车刀1 三爪卡盘 1 游标卡尺280 精车∅100mm外圆至∅100mm 10 1 2 150 480 0.9 0.1 0.5 09号90°偏头车刀1 三爪卡盘 1游标卡尺290 精车B面保证尺寸∅45mm 28 1 2 133 400 0.9 0.83 0.5 09号90°偏头车刀1 三爪卡盘 1游标卡尺300 车过渡圆角R5 2 2 2 150 750 0.9 0.87 0.5 R5圆角车刀1 三爪卡盘 1游标卡尺拟制日期审核日期批准日期共 20 页第 8 页机械制造教研室机械加工工序卡产品型号零件名称零件号FL-04法兰盘831004工序名称钻中心孔φ18,扩孔φ19.8,粗铰中心孔φ19.94,精铰中心孔φ20mm 工序号 3技检要求检验是否符合该工序尺寸基准面外圆材料同时加工零件数设备牌号硬度名称型号HT200 220HBS 1 钻床Z525摇臂钻床夹具定额代号名称单件时间(分)每班次数每台件数工人等级KAPAN 三爪卡盘 1 1 A工步号工步内容走刀长度(毫米)走刀次数切削深度(毫米)切削速度(米/秒)主轴转速(转/分)进给量(毫米/转)机动时间(分)辅助时间(分)刀具辅具量具名称规格数量名称规格数量名称规格350 钻孔保证尺寸∅18mm 91 1 2 31.4 555 0.3 0.098 0.8 高速钢直柄麻花钻∅181 三爪卡盘 1 游标卡尺360 扩孔保证尺寸∅19.8mm 91 1 2 17.4 275 0.3 0.1 0.5 高速钢直柄麻花钻∅19.81 三爪卡盘 1游标卡尺370 粗铰孔保证尺寸∅19.94mm 91 1 2 16.7 2750.5 0.83 0.5锥柄机铰刀1 三爪卡盘 1游标卡尺380 精铰孔保证尺寸∅20 91 1 2 17.2 2750.5 0.87 0.5 锥柄机铰刀∅20 1三爪卡盘 1 游标卡尺拟制日期审核日期批准日期共 20 页第 10 页机械制造教研室机械加工工序卡产品型号零件名称零件号FL-04法兰盘831004工序名称半精车φ100左端面、外圆,半精车B面并倒角C1.5,半精车φ90外圆,φ20左侧倒角C1 工序号 3技检要求检验是否符合该工序尺寸基准面外圆材料同时加工零件数设备牌号硬度名称型号HT200 220HBS 1 车床CA6140夹具定额代号名称单件时间(分)每班次数每台件数工人等级KAPAN 三爪卡盘 1 1 A工步号工步内容走刀长度(毫米)走刀次数切削深度(毫米)切削速度(米/秒)主轴转速(转/分)进给量(毫米/转)机动时间(分)辅助时间(分)刀具辅具量具名称规格数量名称规格数量名称规格420 半精车∅100mm端面94 1 2 100 480 0.9 0.098 0.8 09号90°偏头车刀1 三爪卡盘 1 游标卡尺430 半精车∅100mm外圆至∅102mm 10 1 2 150 480 0.9 0.1 0.5 09号90°偏头车刀1 三爪卡盘 1游标卡尺440 半精车B面 1 2 133 400 0.9 0.83 0.5 09号90°偏头车刀1 三爪卡盘 1游标卡尺450 半精车∅90mm外圆∅92mm 2 2 150 480 0.9 0.87 0.5 09号90°偏头车刀1 三爪卡盘 1游标卡尺460车∅100,∅90外圆倒角C1.5,∅20孔左端倒角C1 2 2 150 480 0.9 0.87 0.545°成形车刀1 三爪卡盘 1游标卡尺拟制日期审核日期批准日期共 20 页第 12 页机械制造教研室机械加工工序卡产品型号零件名称零件号FL-04法兰盘831004工序名称钻4Xφ9mm透孔工序号 3技检要求检验是否符合该工序尺寸基准面外圆材料同时加工零件数设备牌号硬度名称型号HT200 220HBS 1 铣床X63夹具定额代号名称单件时间(分)每班次数每台件数工人等级KAPAN 铣床夹具 1 1 A工步号工步内容走刀长度(毫米)走刀次数切削深度(毫米)切削速度(米/秒)主轴转速(转/分)进给量(毫米/转)机动时间(分)辅助时间(分)刀具辅具量具名称规格数量名称规格数量名称规格550 钻孔保证尺寸∅4mm 94 1 2 100 200 0.9 0.098 0.8 高速钢直柄麻花钻∅81 钻床夹具 1 游标卡尺560 扩孔保证尺寸∅6mm 10 1 2 150 200 0.9 0.1 0.5 高速钢直柄扩孔钻∅8.41钻床夹具1游标卡尺拟制日期审核日期批准日期共 20 页第 16 页机械制造教研室机械加工工序卡产品型号零件名称零件号FL-04法兰盘831004工序名称钻φ4mm孔,扩、铰φ6mm孔工序号 3技检要求检验是否符合该工序尺寸基准面外圆材料同时加工零件数设备牌号硬度名称型号HT200 220HBS 1 铣床X63夹具定额代号名称单件时间(分)每班次数每台件数工人等级KAPAN 铣床夹具 1 1 A工步号工步内容走刀长度(毫米)走刀次数切削深度(毫米)切削速度(米/秒)主轴转速(转/分)进给量(毫米/转)机动时间(分)辅助时间(分)刀具辅具量具名称规格数量名称规格数量名称规格570 钻4X∅9mm孔保证尺寸∅8mm 94 1 2 100 200 0.9 0.098 0.8 高速钢直柄麻花钻∅81 钻床夹具 1 游标卡尺580 扩4X∅9mm孔保证尺寸∅8.4mm 10 1 2 150 200 0.9 0.1 0.5 高速钢直柄扩孔钻∅8.41钻床夹具1游标卡尺590 铰4X∅9mm孔保证尺寸∅9mm 28 1 2 133 290 0.9 0.83 0.5 锥柄机铰刀∅91钻床夹具1游标卡尺拟制日期审核日期批准日期共 20 页第 17 页。
831004法兰盘加工工艺卡片班级学号姓名机械加工工序卡片工序名称粗车Φ10012.034.0--mm端面及外圆柱面,粗车B面,粗车Φ90外圆柱面工序号 11020114 30 石真卫零件名称CA6140车床法兰盘零件号831004零件数量 1 同时加工零件数 1材料HT200 毛坯设备夹具辅助工具名称型号专用夹具游标卡尺转塔式车床C365L安装工步安装及工步说明刀具走刀次数(次)走刀长度(mm)切削深度(mm)进给量(mm/r)切削速度(m/min)基本工时(min)1 1以Φ0017.045-mm端面及外圆柱面定位,粗车Φ10012.034.0--mm端面及外圆柱面,粗车B面,粗车Φ90外圆柱面90︒焊接式直头外圆车刀11111.21.241.20.90.90.90.8158.61321331220.0980.11.250.07班级学号姓名机械加工工序卡片工序名称粗车Φ0017.045-mm端面及外圆柱面,粗车Φ90mm右端面。
工序号 21020114 30 石真卫零件名称CA6140车床法兰盘零件号831004零件数量 1 同时加工零件数 1材料HT200 毛坯设备夹具辅助工具名称型号专用夹具游标卡尺转塔式车床C365L安装工步安装及工步说明刀具走刀次数(次)走刀长度(mm)切削深度(mm)进给量(mm/r)切削速度(m/min)基本工时(min)1 1以Φ10012.034.0--mm端面及外圆柱面定位,粗车Φ017.045-mm端面及外圆柱面,粗车Φ90mm右端面。
90︒焊接式直头外圆车刀1111.21.31.20.90.80.8187891220.060.090.07班级 学号 姓名 机械加工工序卡片 工序名称 钻Φ20045.00+mm 孔,并粗铰。
工序号 3102011430石真卫零件名称 CA6140车床法兰盘零件号 831004 零件数量 1 同时加工零件数1 材料HT200毛坯设备夹具辅助工具名称 型号 专用夹具游标卡尺转塔式车床C365L安装 工步 安装及工步说明 刀具 走刀次数(次) 走刀长度(mm) 切削深度(mm) 进给量(mm/r) 切削速度(m/min) 基本工时(min)1 1以Φ10012.034.0--mm 端面及外圆柱面定位,钻Φ20045.00+mm 孔,并粗铰。
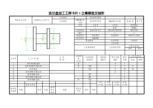
法兰盘加工工序卡片1之青柳念文创作湖南工业大学机械加工工序卡片产品型号零(部件)图号产品称号CA6140法兰盘零(部件)称号CA6140法兰盘共10 页第1页车间工序号工序名资料商标Ⅰ粗车HT200毛坯种类毛坯外形尺寸每毛坯可制件数每台件数铸件 1 1设备称号设备型号设备编号同时加工件数卧式车床CA6140夹具编号夹签字称切削液三爪卡盘工位器具编号工位器签字称工序工时(s)准终单件工步号工步内容工艺装备主轴转速(r/s)切削速度(m/min)进给量(mm/r)背吃刀量(mm)进给次数工步工时(s)机动辅助1 粗车Φ100端面8 4 12 粗车Φ100外圆柱面8 132 1 2 63 粗车B面126 2 15 754 粗车Φ90外圆柱面 4 15 粗车Φ45端面89 16 粗车Φ45外圆柱面89 27 粗车Φ90端面8 122 1设计(日期)审核(日期)尺度化(日期)会签(日期)更改文件号标识表记标帜处数签字日期标识表记标帜处数更改文件号签字日期潍坊学院机电工程学院机械加工工序卡片产品型号零(部件)图号产品称号CA6140法兰盘零(部件)称号CA6140法兰盘共 10页第 2页车间工序号工序名资料商标Ⅱ钻孔HT200毛坯种类毛坯外形尺寸每毛坯可制件数每台件数铸件 1 1设备称号设备型号设备编号同时加工件数立式钻床Z525夹具编号夹签字称切削液三爪卡盘工位器具编号工位器签字称工序工时(s)准终单件工步号工步内容工艺装备主轴转速(r/s)切削速度(m/min)进给量(mm/r)背吃刀量(mm)进给次数工步工时(s)机动辅助1 钻Φ18的孔35 37,82 扩Φ设计(日期) 审核(日期)尺度化(日期)会签(日期)标识表记标帜处数更改文件号签字日期标识表记标帜处数更改文件号签字日期湖南工业大学机械加工工序卡片产品型号零(部件)图号产品称号法兰盘零(部件)称号法兰盘共 10页第 3页车间工序号工序名资料商标Ⅲ精铰HT200 毛坯种类毛坯外形尺寸每毛坯可制件数每台件数铸件 1 1设备称号设备型号设备编号同时加工件数夹具编号夹签字称切削液工位器具编号工位器签字称工序工时(s)准终单件工步号工步内容工艺装备主轴转速(r/s)切削速度(m/min)进给量(mm/r)背吃刀量(mm)进给次数工步工时(s)机动辅助1 精铰Φ20的孔 5设计(日期)审核(日期)尺度化(日期)会签(日期)标识表记标帜处数更改文件号签字日期标识表记标帜处数更改文件号签字日期湖南工业大学机械加工工序卡片产品型号零(部件)图号产品称号法兰盘零(部件)称号法兰盘共 10页第 4页车间工序号工序名资料商标Ⅳ半精车HT200 毛坯种类毛坯外形尺寸每毛坯可制件数每台件数铸件 1 1设备称号设备型号设备编号同时加工件数卧式车床CA6140夹具编号夹签字称切削液工位器具编号工位器签字称工序工时(s)准终单件工步号工步内容工艺装备主轴转速(r/s)切削速度(m/min)进给量(mm/r)背吃刀量(mm)进给次数工步工时(s)机动辅助1 半精车Φ100端面8 12 半精车Φ100外圆柱面8 132 13 半精车B面126 1 1354 半精车Φ90外面柱面 15 半精车Φ45端面187 16 半精车Φ45外圆柱面96 17 半精车Φ90端面134 18 车Φ100柱倒角 19 Φ45过渡圆弧 5 110 Φ90柱体倒角67 111 Φ20右倒角27 1 112 3*2退刀槽 1设计(日期)审核(日期)尺度化(日期)会签(日期)标识表记标帜处数更改文件号签字日期标识表记标帜处数更改文件号签字日期法兰盘加工工序卡片5湖南工业大学机械加工工序卡片产品型号零(部件)图号产品称号法兰盘零(部件)称号法兰盘共 10页第5页车间工序号工序名资料商标Ⅴ精车HT200毛坯种类毛坯外形尺寸每毛坯可制件数每台件数铸件 1 1设备称号设备型号设备编号同时加工件数卧式车床CA6140夹具编号夹签字称切削液工位器具编号工位器签字称工序工时(s)准终单件工步号工步内容工艺装备主轴转速(r/s)切削速度(m/min)进给量(mm/r)背吃刀量(mm)进给次数工步工时(s)机动辅助1 精车Φ100左端面8 12 精车Φ100外圆柱面8 132 13 精车B面8 126 1 2824 精车Φ45外圆柱面96 2 455 精车Φ90端面134 1设计(日期)审核(日期)尺度化(日期)会签(日期)标识表记标帜处数更改文件号签字日期标识表记标帜处数更改文件号签字日期法兰盘加工工序卡片6湖南工业大学机械加工工序卡片产品型号零(部件)图号产品称号法兰盘零(部件)称号法兰盘共 10页第 6页车间工序号工序名资料商标Ⅵ粗铣HT200 毛坯种类毛坯外形尺寸每毛坯可制件数每台件数铸件 1 1设备称号设备型号设备编号同时加工件数组合机床夹具编号夹签字称切削液工位器具编号工位器签字称工序工时(s)准终单件工步号工步内容工艺装备主轴转速(r/s)切削速度(m/min)进给量(mm/r)背吃刀量(mm)进给次数工步工时(s)机动辅助1 粗铣距中心线34mm的平面 52 1352 粗铣距中心距24mm的平面 5 4 360设计(日期)审核(日期)尺度化(日期)会签(日期)标识表记标帜处数更改文件号签字日期标识表记标帜处数更改文件号签字日期法兰盘加工工序卡片7湖南工业大学机械加工工序卡片产品型号零(部件)图号产品称号法兰盘零(部件)称号法兰盘共 10页第 7页车间工序号工序名资料商标Ⅶ精铣HT200 毛坯种类毛坯外形尺寸每毛坯可制件数每台件数铸件 1 1设备称号设备型号设备编号同时加工件数组合机床夹具编号夹签字称切削液工位器具编号工位器签字称工序工时(s)准终单件工步号工步内容工艺装备主轴转速(r/s)切削速度(m/min)进给量(mm/r)背吃刀量(mm)进给次数工步工时(s)机动辅助1 精铣Φ90两平面 12 135设计(日期)审核(日期)尺度化(日期)会签(日期)标识表记标帜处数更改文件号签字日期标识表记标帜处数更改文件号签字日期法兰盘加工工序卡片8湖南工业大学机械加工工序卡片产品型号零(部件)图号产品称号法兰盘零(部件)称号法兰盘共 10页第8页车间工序号工序名资料商标Ⅷ钻孔HT200毛坯种类毛坯外形尺寸每毛坯可制件数每台件数铸件 1 1设备称号设备型号设备编号同时加工件数立式钻床Z525夹具编号夹签字称切削液工位器具编号工位器签字称工序工时(s) 准终单件工步号工步内容工艺装备主轴转速(r/s)切削速度(m/min)进给量(mm/r)背吃刀量(mm)进给次数工步工时(s)机动辅助1 钻4*Φ9孔30设计(日期)审核(日期)尺度化(日期)会签(日期)标识表记标帜处数更改文件号签字日期标识表记标帜处数更改文件号签字日期法兰盘加工工序卡片9湖南工业大学机械加工工序卡片产品型号零(部件)图号产品称号CA6140法兰盘零(部件)称号法兰盘共 10页第 9页车间工序号工序名资料商标Ⅸ钻、扩HT200 毛坯种类毛坯外形尺寸每毛坯可制件数每台件数铸件 1 1设备称号设备型号设备编号同时加工件数立式钻床Z525夹具编号夹签字称切削液工位器具编号工位器签字称工序工时(s) 准终单件工步号工步内容工艺装备主轴转速(r/s)切削速度(m/min)进给量(mm/r)背吃刀量(mm)进给次数工步工时(s)机动辅助1 钻Φ4mm孔302 扩Φ6mm孔30设计(日期)审核(日期)尺度化(日期)会签(日期)标识表记标帜处数更改文件号签字日期标识表记标帜处数更改文件号签字日期法兰盘加工工序卡片10湖南工业大学机械加工工序卡片产品型号零(部件)图号产品称号法兰盘零(部件)称号CA6140法兰盘共 10页第 10页车间工序号工序名资料商标Ⅹ磨HT200毛坯种类毛坯外形尺寸每毛坯可制件数每台件数铸件 1 1设备称号设备型号设备编号同时加工件数轻型外圆磨床MQ1350A夹具编号夹签字称切削液工位器具编号工位器签字称工序工时(s)准终单件。
机械加工工艺过程综合卡片机械加工工艺过程综合卡片是机械加工领域中的一个重要工具。
它是一种用于记录机械加工工艺过程的文档,其中既包括工艺参数、工具选型、加工顺序等信息,也包括质量控制、检验标准、安全措施等内容。
机械加工工艺过程综合卡片的设计和使用对于提高机械加工质量、降低工艺成本、提高生产效率都非常重要。
机械加工工艺过程综合卡片的设计过程包括以下几个方面:1. 确定加工流程机械加工工艺过程的设计首先需要确定加工流程,即机械加工件的每个工序的加工顺序。
在确认加工流程的时候,需要综合考虑工件的形状、材料、强度要求、工艺要求等诸多因素,以确保工艺过程的稳定性和效率性。
2. 选取合适的工具和设备机械加工工艺过程综合卡片对于工具和设备选型的描述非常重要。
选用合适的工具和设备能够确保加工质量、提高加工效率,进而降低成本。
反之,如选错工具和设备则会导致加工质量低下、效率低下,增加成本。
3. 制定加工参数制定加工参数是机械加工工艺过程综合卡片设计的另一个关键环节。
加工参数包括切速、进给量、切削深度、刀具纵向前进量、冷却液的使用等。
合理的加工参数的选择对于保证加工质量、生产效率、工具寿命都非常重要。
4. 设定检验标准机械加工工艺过程综合卡片中需要设定检验标准,确保产品的质量符合要求。
检验标准应该具备明确的规定,能够量化产品工艺指标,并且能够由操作员进行操作、检查和记录。
5. 设计质量检查和控制措施机械加工工艺过程综合卡片中应该包含质量检测和控制措施的设计和实施方案。
通过设计高效的质量检查和控制措施,能够及时发现和纠正生产过程中的问题,最大限度地避免产品质量问题对产品工艺和成本的影响。
除了设计方面,机械加工工艺过程综合卡片的使用也非常重要。
1. 熟悉卡片内容操作员应该先了解和熟悉机械加工工艺过程综合卡片中的内容。
只有深入理解工艺过程和规范,才能更好地进行加工操作。
2. 严格遵守卡片内容操作员在进行机械加工操作的时候,应该严格按照机械加工工艺过程综合卡片中的内容进行操作,保证加工过程的稳定性和质量。
机械加工工艺过程卡片产品型号GB/T9119-2000-10kg零件图号产品名称平焊法兰盘零件名称共 1 页第 1 页材料牌号45钢毛坯种类锻造毛坯外形尺寸28.4*φ204.4每个毛坯可制件数每台件数备注工序号工名序称工序内容车间工段设备工艺装备工时夹具刀具量具准终单件1 粗车右端面C620 - 1卧式车床YT15硬质合金,刀杆尺寸16x25mm ,=90,=122 粗车直径φ200mm的外圆表面3 粗车直径φ132mm的外圆4 粗车左端面5 钻φ30mm的孔Z550立式钻床直径30mm高速钢钻头6 钻φ80mm的孔直径80mm高速钢钻头7 粗镗直径为φ91mm的孔C620 - 1卧式车床YT15硬质合金设计(日期)校对(日期)审核(日期)罗刚冯豪标记处数更改文件号签字日期标记处数更改文件号签字日期附录:5附录:6机械加工工艺过程卡片GB/T9119-2000-10kg零件图号产品名称平焊法兰盘零件名称共 1 页第 1 页材料牌号45钢毛坯种类锻造毛坯外形尺寸28.4*φ204.4每个毛坯可制件数每台件数备注工序号工名序称工序内容车间工段设备夹具刀具量具准终单件8 半精车右端面C620 - 1卧式车床YT15硬质合金,刀杆尺寸16x25mm ,=90,=129 半精车直径φ200mm的外圆表面10 半精车直径φ132mm的外圆表面11 半精车左端面12 半精镗直径为φ91mm的孔13 精镗直径为φ91mm的孔YT30硬质合金,=45、直径20mm的圆形镗刀设计(日期)校对(日期)审核(日期)罗刚冯豪标记处数更改文件号签字日期标记处数更改文件号签字日期附录:7机械加工工艺过程卡片GB/T9119-2000-10kg零件图号产品名称平焊法兰盘零件名称共 1 页第 1 页材料牌号45钢毛坯种类锻造毛坯外形尺寸28.4*φ204.4每个毛坯可制件数每台件数备注工序号工名序称工序内容车间工段设备夹具刀具量具准终单件。
机械加工工艺过程综合卡片
长春理工大学 零 件 号 080321140 材 料 HT200 编 制 霍艳霞 2010-6-28
机械加工工艺过程综合卡片
零件名称 法兰盘 毛坯重量 1.4kg 指 导 张树仁、许颖
生产类型 批量生产 毛坯种类 铸件 审 核
工 序 安装(工位) 工 步 工序说明 工序简图 机 床 夹 具 或 辅助工具 刀 具 量
具
I 1 1 2 3 4 5 6 7 8 9 粗车Ø100mm的端面 半精车Ø100mm的端面 精车Ø100mm的端面 粗车Ø100mm的外圆柱面
粗车B面
钻Ø20mm的孔
扩Ø20mm的孔
精绞Ø20mm的
孔
车Ø20mm内孔
的倒角 CA6140 车床夹具 车刀 直径Ø18的钻头 直径为Ø19.8的扩孔钻 直径为Ø19.8的铰刀 车刀
游
标
卡
尺
内
径
千
分
尺
长春理工大学 零 件 号 080321140 材 料 HT200 编 制 霍艳霞 2010-6-28
机械加工工艺过程综合卡片
零件名称 法兰盘 毛坯重量 1.4kg 指 导 张树仁、许颖
生产类型 批量生产 毛坯种类 铸件 审 核
工 序 安装(工位) 工 步 工序说明 工序简图 机 床 夹 具 或 辅助工具 刀 具 量
具
2 1
1 2 3 4 5 6 7 8 9 10 11 12 13 粗车Ø45mm端面
半精车Ø45mm的
端面
精车Ø45mm的端
面
粗车Ø45mm的外
圆柱面
半精车Ø45mm的
外圆柱面
精车Ø45mm的外
圆柱面 粗车Ø90mm端面 半精车Ø90mm端面 精车Ø90mm端面 粗车Ø90mm外圆柱面 车Ø20内孔倒角 车Ø45外圆柱面倒角 车3×2退刀槽 CA6140
车床夹具 车 刀 游
标
卡
尺
长春理工大学 零 件 号 080321140 材 料 HT200 编 制 霍艳霞 2010-6-28
机械加工工艺过程综合卡片
零件名称 法兰盘 毛坯重量 1.4kg 指 导 张树仁、许颖
生产类型 批量生产 毛坯种类 铸件 审 核
工 序 安装(工位) 工 步 工序说明 工序简图 机 床 夹 具 或 辅助工具 刀 具 量
具
3 1 1 2 3 4 5 6 7 半精车Ø100mm的外圆柱面 精车Ø100mm的外圆柱面 半精车B面 精车B面 车Ø45mm两端的过渡圆弧 车Ø100mm外圆柱面上的倒角 车Ø90mm外圆柱面上的倒角 CA6140 专用夹具 车刀
游
标
卡
尺
长春理工大学 零 件 号 080321140 材 料 HT200 编 制 霍艳霞 2010-6-28
机械加工工艺过程综合卡片
零件名称 法兰盘 毛坯重量 1.4kg 指 导 张树仁、许颖
生产类型 批量生产 毛坯种类 铸件 审 核
工 序 安装(工位) 工 步 工序说明 工序简图 机 床 夹 具 或 辅助工具 刀 具 量
具
4 1 1 2 3 4 粗铣距中心线34mm的平面 精铣距中心线34mm的平面 粗铣距中心线24mm的平面 精铣距中心线24mm的平面 铣床
专用夹具 铣 刀 游
标
卡
尺
长春理工大学 零 件 号 080321140 材 料 HT200 编 制 霍艳霞 2010-6-28
机械加工工艺过程综合卡片
零件名称 法兰盘 毛坯重量 1.4kg 指 导 张树仁、许颖
生产类型 批量生产 毛坯种类 铸件 审 核
工 序 安装(工位) 工 步 工序说明 工序简图 机 床 夹 具 或 辅助工具 刀 具 量
具
5 1
1
2 3 钻Ø4mm的孔 钻Ø6mm的孔 绞Ø6mm的孔 钻床
Z525
专
用
夹
具
直径为
Ø4mm
的钻头
直径为
Ø6mm
的钻头
直径为
Ø6mm
的绞刀
内
径
千
分
尺
长春理工大学 零 件 号 080321140 材 料 HT200 编 制 霍艳霞 2010-6-28
机械加工工艺过程综合卡片
零件名称 法兰盘 毛坯重量 1.4kg 指 导 张树仁、许颖
生产类型 批量生产 毛坯种类 铸件 审 核
工 序 安装(工位) 工 步 工序说明 工序简图 机 床 夹 具 或 辅助工具 刀 具 量
具
6 1 1
钻4-Ø9mm的
透孔 透孔 钻床 Z525
专
用
夹
具
直径为
Ø9mm
的钻头
内
径
千
分
尺
长春理工大学 零 件 号 080321140 材 料 HT200 编 制 霍艳霞 2010-6-28
机械加工工艺过程综合卡片
零件名称 法兰盘 毛坯重量 1.4kg 指 导 张树仁、许颖
生产类型 批量生产 毛坯种类 铸件 审 核
工 序 安装(工位) 工 步 工序说明 工序简图 机 床 夹 具 或 辅助工具 刀 具 量
具
7 1
1
2
3 抛光Ø100mm的外圆柱面 抛光Ø45mm的外圆柱面 抛光B面
专
用
夹
具
长春理工大学 零 件 号 080321140 材 料 HT200 编 制 霍艳霞 2010-6-28
机械加工工艺过程综合卡片
零件名称 法兰盘 毛坯重量 1.4kg 指 导 张树仁、许颖
生产类型 批量生产 毛坯种类 铸件 审 核
工 序 安装(工位) 工 步 工序说明 工序简图 机 床 夹 具 或 辅助工具 刀 具 量
具
8 1 1
抛光距中心线
24mm的平面
专用夹具 砂 轮 眼
睛
识
别
长春理工大学 零 件 号 080321140 材 料 HT200 编 制 霍艳霞 2010-6-28
机械加工工艺过程综合卡片
零件名称 法兰盘 毛坯重量 1.4kg 指 导 张树仁、许颖
生产类型 批量生产 毛坯种类 铸件 审 核
工 序 安装(工位) 工 步 工序说明 工序简图 机 床 夹 具 或 辅助工具 刀 具 量
具
8 1 1
抛光距中心线
24mm的平面
专用夹具 砂 轮 眼
睛
识
别
长春理工大学 零 件 号 080321140 材 料 HT200 编 制 霍艳霞 2010-6-28
机械加工工艺过程综合卡片
零件名称 法兰盘 毛坯重量 1.4kg 指 导 张树仁、许颖
生产类型 批量生产 毛坯种类 铸件 审 核
工 序 安装(工位) 工 步 工序说明 工序简图 机 床 夹 具 或 辅助工具 刀 具 量
具
8 1 1
抛光距中心线
24mm的平面
专用夹具 砂 轮 眼
睛
识
别
长春理工大学 零 件 号 080321140 材 料 HT200 编 制 霍艳霞 2010-6-28
机械加工工艺过程综合卡片
零件名称 法兰盘 毛坯重量 1.4kg 指 导 张树仁、许颖
生产类型 批量生产 毛坯种类 铸件 审 核
工 序 安装(工位) 工 步 工序说明 工序简图 机 床 夹 具 或 辅助工具 刀 具 量
具
8 1 1
抛光距中心线
24mm的平面
专用夹具 砂 轮 眼
睛
识
别