安装图例
- 格式:doc
- 大小:54.00 KB
- 文档页数:9
一、工艺管道施工图常用图例名称图例名称图例闸阀异径管压力调节阀偏心异径管升降式止回阀堵板旋启式止回阀法兰减压阀法兰连接电动闸阀丝堵滚动闸阀人口自动截门流量孔板带手动装置的截门放气管浮力调节阀防雨罩密闭式弹簧安全阀地漏开启式弹簧安全阀压力表放气阀U型压力表自动放气阀自动记录压力表立管及立管上阀门水银温度计挡住阀二次蒸发器疏水器室外架空管道固定支架∩型补偿器室外架空煤气道管单层支架套管补偿器室外架空煤气道管摇摆支架波型、鼓型补偿器漏气检查点一、工艺管道施工图常用图例名称图例名称图例离心水泵防火器手摇泵地沟∪型膨胀穴喷射泵地沟安装孔热交换器地沟及检查井立式油水分离器(用于压缩空气)Dg≤80弹簧支(吊)架卧式油水分离器(用于压缩空气)Dg≥100 单、双、三接头立式集水器(用于压缩空气)导向支架地沟排风口吊架流量表二、通风空调工程常用图例名称图形名称图形带导流叶片弯头消声弯头伞形风帽送风口回风口圆形散流器方形散流器插板阀蝶阀对开式多叶调节阀光圈式启动调节阀风管止回阀防火阀三通调节阀三、给排水、采暖常用图例名称图形名称图形闸阀化验盆洗涤盆截止阀污水池延时自闭冲洗阀带沥水板洗涤盆减压阀盥洗盆球阀妇女卫生盆止回阀立式小便器消音止回阀挂式小便器蝶阀蹲式大便器柔性防水套管坐式大便器检查口小便槽清扫口引水器通气帽淋浴喷头圆形地漏雨水口方形地漏水泵水锤消除器水表可曲挠橡胶接头防回流污染止回阀水表井水龙头名称图形名称图形手提式灭火器灭火设备安装处所推车式灭火器控制和指示设备固定式灭火系统(全淹没)报警息动固定式灭火系统(局部应用)火灾报警装置固定式灭火系统(指出应用区)消防通风口1、消防工程辅助符号名称图形名称图形水阀门手动启动泡沫或泡沫液出口电铃无水入口发声器BC类干粉热扬声器ABC类干粉烟电话卤代烷火焰光信号二氧化碳易爆气体2、消防工程灭火器符号名称图形名称图形清水灭火器卤代烷灭火器推车式ABC类干粉灭火器泡沫灭火器二氧化碳灭火器推车式卤代烷灭火器BC类干粉灭火器推车式泡沫灭火器水桶ABC类干粉灭火器推车式BC类干粉灭火器沙桶3、消防管路及配件符号名称图形名称图形干式立管消防水管线干式立管消防水罐(池)干式立管泡沫混合液管线报警阀干式立管消火栓开式喷头干式立管消防泵闭式喷头干式立管泡沫比例混合器水泵结合器湿式立管泡沫产生器泡沫混合器立管泡沫液管4、消防工程固定灭火器系统符号名称图形名称图形水灭火系统(全淹没)ABC类干粉灭火系统手动控制灭火系统泡沫灭火系统(全淹没)卤代烷灭火系统BC类干粉灭火系统二氧化碳灭火系统5、消防工程灭火设备安装处符号名称图形名称图形二氧化碳瓶站ABC干粉罐泡沫罐站BC干粉灭火罐站消防泵站6、消防工程自动报警设备符号名称图形名称图形消防控制中心火灾报警装置温感探测器感光探测器手动报警装置烟感探测器气体探测器报警电话火灾警铃火灾报警扬声器火灾报警发声器火灾光信号装置表3.0.1 管道图例序号名称图例备注1 生活给水管2 热水给水管3 热水回水管4 中水给水管5 循环给水管6 循环回水管7 热媒给水管8 热媒回水管9 蒸汽管10 凝结水管11 废水管可与中水源水管合用12 压力废水管13 通气管14 污水管15 压力污水管16 雨水管17 压力雨水管18 膨胀管19 保温管20 多孔管21 地沟管22 防护套管23 管道立管X:管道类别L:立管1:编号24 伴热管25 空调凝结水管26 排水明沟27 排水暗沟注:分区管道用加注角标方式表示:如J1、J2、RJ1、RJ2……。
桥架支吊架制作安装图例(2008)编制:李汉军绘图:张鹏安装分公司深圳经理部编制说明1.电缆桥架支架应根据图纸要求及现场情况制作;安装时应拉通线控制水平及垂直度;2.电缆桥架水平安装的支架间距为1.5~2m;垂直安装的支架间距不大于2m;在水平长度超过20米或在转弯、转角处应设固定支架;3.采用顶爆螺丝工艺安装时,钻头选择应与顶爆螺丝匹配,然后在通丝螺杆上带双螺母锁定,采用扳手与顶爆螺丝连接牢固;4.非镀锌电缆桥架间连接板的两端跨接铜芯接地线,接地线最小截面积不小于4mm2,采用焊锡铜接线端子连接,连接处应进行除漆处理;Φ8×30mm顶爆螺丝Φ8通丝螺杆L30×3角钢楼 板桥 架50×50~200×50Φ8×25mm六角螺丝50×50~200×100桥架水平支架制作图楼 板Φ8×50mm膨胀螺丝L30×3角钢桥 架Φ8×25mm六角螺丝50×50~200×100桥架水平固定支架制作图(正视)楼 板L30×3角钢Φ8×50mm膨胀螺丝L30×3角钢桥 架Φ8×25mm六角螺丝50×50~200×100桥架水平固定支架制作图(侧视)Φ10×40mm顶爆螺丝Φ10通丝螺杆L40×4角钢楼 板桥 架300×100~400×150300×100~400×150桥架水平支架制作图Φ8×25mm六角螺丝楼 板Φ10×65mm膨胀螺丝L40×4角钢桥 架Φ8×25mm六角螺丝300×100~400×150桥架水平固定支架制作图(正视)楼 板L40×4角钢Φ10×65mm膨胀螺丝L40×4角钢桥 架Φ8×25mm六角螺丝300×100~400×150桥架水平固定支架制作图(侧视)Φ12×50mm顶爆螺丝Φ12通丝螺杆L50×5角钢楼 板桥 架500×100~600×150500×100~600×150桥架水平支架制作图Φ8×30mm六角螺丝楼 板Φ12×70mm膨胀螺丝L50×5角钢桥 架Φ8×30mm六角螺丝500×100~600×150桥架水平固定支架制作图(正视)楼 板L50×5角钢Φ12×70mm膨胀螺丝L50×5角钢桥 架Φ8×30mm六角螺丝500×100~600×150桥架水平固定支架制作图(侧视)Φ12×70mm膨胀螺拴6.3#槽钢6.3#槽钢楼 板桥 架800×150~1000×150150×150×8mm钢板Φ8×30mm六角螺丝800×150~1000×150桥架水平支架制作图(正视)楼 板桥 架Φ12×70mm膨胀螺拴150×150×8mm钢板6.3#槽钢6.3#槽钢Φ8×30mm六角螺丝800×150~1000×150桥架水平支架制作图(侧视)墙 体50×50~200×100桥架垂直安装支架制作图(俯视)Φ8×50mm膨胀螺丝L30×3角钢L30×3角钢Φ8×25mm六角螺丝50×50~200×100桥架垂直安装支架制作图(侧视)墙 体300×100~400×150桥架垂直安装支架制作图(俯视)Φ10×65mm膨胀螺丝L40×4角钢L40×4角钢Φ8×30mm六角螺丝300×100~400×150桥架垂直安装支架制作图(侧视)墙 体500×150~600×150桥架垂直安装支架制作图(俯视)Φ12×70mm膨胀螺丝L50×5角钢L50×5角钢Φ10×30mm六角螺丝500×150~600×150桥架垂直安装支架制作图(侧视)墙 体800×150~1000×150桥架垂直安装支架制作图(俯视)Φ12×70mm膨胀螺丝L60×6角钢L60×6角钢Φ10×30mm六角螺丝800×150~1000×150桥架垂直安装支架制作图(侧视)Φ10×40mm~Φ12×50mm顶爆螺丝Φ10~Φ12通丝螺杆L30×3~L40×4角钢楼 板桥 架200×100~300×150双层桥架(宽度相加小于600mm)水平支架制作图Φ8×25mm六角螺丝桥 架200×100~300×150楼 板Φ10×65mm~Φ12×70膨胀螺丝桥 架L30×3~L40×4角钢桥 架Φ8×25mm六角螺丝双层桥架(宽度相加小于600mm)水平固定支架正视图楼 板桥 架Φ8×25mm六角螺丝桥 架双层桥架(宽度相加小于600mm)水平固定支架制作侧视图Φ10×65mm~Φ12×70膨胀螺丝L30×3~L40×4角钢L30×3~L40×4角钢楼 板Φ12×70膨胀螺丝桥 架L50×5角钢桥 架Φ8×30mm六角螺丝双层桥架(宽度相加700~1000mm)水平固定支架图楼 板Φ12×70膨胀螺丝桥 架L60×6角钢桥 架Φ8×30mm六角螺丝双层桥架(宽度相加1100~1400mm)水平固定支架图。
水电图纸符号图例字符,符号SC:钢管PC:PVC聚乙烯阻燃性塑料管CT:桥架WC:沿墙暗敷设WS:沿墙明敷设CC:沿顶板暗敷设F:暗敷在地板内CE:沿顶板明敷YJV:电缆SYV:电视线PE:接地(黄绿相兼) PEN:接零(蓝色)3项线(火线):A项(黄) B项(绿) C项(红) KV:(电压)千伏 BV:散线MEB:总等电位LEB:局部等电位线路敷设方式代号PVC——用阻燃塑料管敷设DGL——用电工钢管敷设VXG——用塑制线槽敷设GXG——用金属线槽敷设KRG——用可挠型塑制管敷设⑦线路明敷部位代号LM—沿屋架或屋架下弦敷设ZM——沿柱敷设QM——沿墙敷设PL——沿天棚敷设③线路暗敷部位代号LA——暗设在梁内ZA—暗设在柱内QA—暗设在墙内PA——暗设在屋面内或顶棚内DA—暗设在地面或地板内PNA—暗设在不能进入的吊顶内④照明灯具安装方式代号D——吸顶式L——链吊式 G———管吊式B——壁装式R———嵌入式BR———墙壁内安装(4)设备标注方法’⑦配电线路的标注方法a——b(c×d)e——f其中:a--回路编号b--导线型号c--导线根数d--导线截面e--敷设方式及穿管管径f--敷设部位表示2根导线表示3根导线表示n根导线⑦照明灯具标注方法一般标注方法:灯具吸顶安装标注方法:其中:a--灯数 b--型号或编号c--每盏照明灯具的灯泡个数d--灯泡容量,W e--灯泡安装高度,m f--安装方式L--光源种类,白炽灯或荧光灯一、室内电气工程的组成:指供电和用电工程外线工程、变配电工程、室内配线工程、电力工程、照明工程、防雷工程、接地工程、发电工程和弱点工程(消防报警|广播、电话|闭路电视、互联网等)二、室内电气施工图的作用、组成、特点1、图纸的作用:说明电气工程的构成和功能,描述电气工程的工作原理,提供安装技术数据和使用维护的依据。
2、图纸的组成:设计说明、电气系统图、电气平面图、设备布置图、安装接线图、电气原理图、详图等。
桥架支吊架制作安装图例(2008).编制说明1.电缆桥架支架应根据图纸要求及现场情况制作;安装时应拉通线控制水平及垂直度;2.电缆桥架水平安装的支架间距为1.5~2m;垂直安装的支架间距不大于2m;在水平长度超过20米或在转弯、转角处应设固定支架;3.采用顶爆螺丝工艺安装时,钻头选择应与顶爆螺丝匹配,然后在通丝螺杆上带双螺母锁定,采用扳手与顶爆螺丝连接牢固;4.非镀锌电缆桥架间连接板的两端跨接铜芯接地线,接地线最小截面积不小于4mm2,采用焊锡铜接线端子连接,连接处应进行除漆处理;.楼板Φ8×30mm顶爆螺丝Φ8通丝螺杆L30×3角钢桥架50×50~200×50Φ8×25mm六角螺丝50×50~200×100桥架水平支架制作图.楼板Φ8×50mm膨胀螺丝L30×3角钢桥架Φ8×25mm六角螺丝50×50~200×100桥架水平固定支架制作图(正视).楼板L30×3角钢Φ8×50mm膨胀螺丝L30×3角钢桥架Φ8×25mm六角螺丝50×50~200×100桥架水平固定支架制作图(侧视).楼板Φ10×40mm顶爆螺丝Φ10通丝螺杆桥架300×100~400×150L40×4角钢Φ8×25mm六角螺丝300×100~400×150桥架水平支架制作图.楼板Φ10×65mm膨胀螺丝L40×4角钢桥架Φ8×25mm六角螺丝300×100~400×150桥架水平固定支架制作图(正视).楼板L40×4角钢Φ10×65mm膨胀螺丝L40×4角钢桥架Φ8×25mm六角螺丝300×100~400×150桥架水平固定支架制作图(侧视).楼板Φ12×50mm顶爆螺丝Φ12通丝螺杆桥架500×100~600×150L50×5角钢Φ8×30mm六角螺丝500×100~600×150桥架水平支架制作图.楼板Φ12×70mm膨胀螺丝L50×5角钢桥架Φ8×30mm六角螺丝500×100~600×150桥架水平固定支架制作图(正视).楼板L50×5角钢Φ12×70mm膨胀螺丝L50×5角钢桥架Φ8×30mm六角螺丝500×100~600×150桥架水平固定支架制作图(侧视).楼板150×150×8mm钢板Φ12×70mm膨胀螺拴6.3#槽钢桥架800×150~1000×1506.3#槽钢Φ8×30mm六角螺丝800×150~1000×150桥架水平支架制作图(正视).楼板150×150×8mm钢板Φ12×70mm膨胀螺拴6.3#槽钢桥架Φ8×30mm六角螺丝6.3#槽钢800×150~1000×150桥架水平支架制作图(侧视).墙体L30×3角钢Φ8×50mm膨胀螺丝L30×3角钢Φ8×25mm六角螺丝50×50~200×100桥架垂直安装支架制作图(俯视).桥架墙Φ8×50mm膨胀螺丝体L30×3角钢Φ8×25mm六角螺丝50×50~200×100桥架垂直安装支架制作图(侧视).墙体L40×4角钢Φ10×65mm膨胀螺丝L40×4角钢Φ8×30mm六角螺丝300×100~400×150桥架垂直安装支架制作图(俯视).桥架墙Φ10×65mm膨胀螺丝体L40×4角钢Φ8×30mm六角螺丝300×100~400×150桥架垂直安装支架制作图(侧视).墙体L50×5角钢Φ12×70mm膨胀螺丝L50×5角钢Φ10×30mm六角螺丝500×150~600×150桥架垂直安装支架制作图(俯视).桥架墙Φ12×70mm膨胀螺丝体L50×5角钢Φ10×30mm六角螺丝500×150~600×150桥架垂直安装支架制作图(侧视).墙体L60×6角钢Φ12×70mm膨胀螺丝L60×6角钢Φ10×30mm六角螺丝800×150~1000×150桥架垂直安装支架制作图(俯视).墙体L60×6角钢Φ10×30mm六角螺丝800×150~1000×150桥架垂直安装支架制作图(侧视)..楼板Φ10×40mm~Φ12×50mm顶爆螺丝桥架200×100~300×150Φ10~Φ12通丝螺杆桥架200×100~300×150L30×3~L40×4角钢Φ8×25mm六角螺丝双层桥架(宽度相加小于600mm)水平支架制作图.楼板Φ10×65mm~Φ12×70膨胀螺丝桥架L30×3~L40×4角钢桥架Φ8×25mm六角螺丝双层桥架(宽度相加小于600mm)水平固定支架正视图.楼板L30×3~L40×4角钢Φ10×65mm~Φ12×70膨胀螺丝L30×3~L40×4角钢桥架桥架Φ8×25mm六角螺丝双层桥架(宽度相加小于600mm)水平固定支架制作侧视图.楼板Φ12×70膨胀螺丝L50×5角钢桥架桥架Φ8×30mm六角螺丝双层桥架(宽度相加700~1000mm)水平固定支架图.楼板Φ12×70膨胀螺丝L60×6角钢桥架桥架Φ8×30mm六角螺丝双层桥架(宽度相加1100~1400mm)水平固定支架图单纯的课本内容,并不能满足学生的需要,通过补充,达到内容的完善..。
一、工艺管道施工图常用图例名称图例名称图例闸阀异径管压力调节阀偏心异径管升降式止回阀堵板旋启式止回阀法兰减压阀法兰连接电动闸阀丝堵滚动闸阀人口自动截门流量孔板带手动装置的截门放气管浮力调节阀防雨罩密闭式弹簧安全阀地漏开启式弹簧安全阀压力表放气阀U型压力表自动放气阀自动记录压力表立管及立管上阀门水银温度计挡住阀二次蒸发器疏水器室外架空管道固定支架∩型补偿器室外架空煤气道管单层支架套管补偿器室外架空煤气道管摇摆支架波型、鼓型补偿器漏气检查点一、工艺管道施工图常用图例名称图例名称图例离心水泵防火器手摇泵地沟∪型膨胀穴喷射泵地沟安装孔热交换器地沟及检查井立式油水分离器(用于压缩空气)Dg≤80弹簧支(吊)架卧式油水分离器(用于压缩空气)Dg≥100 单、双、三接头立式集水器(用于压缩空气)导向支架地沟排风口吊架流量表二、通风空调工程常用图例名称图形名称图形带导流叶片弯头消声弯头伞形风帽送风口回风口圆形散流器方形散流器插板阀蝶阀对开式多叶调节阀光圈式启动调节阀风管止回阀防火阀三通调节阀三、给排水、采暖常用图例名称图形名称图形闸阀化验盆洗涤盆截止阀污水池延时自闭冲洗阀带沥水板洗涤盆减压阀盥洗盆球阀妇女卫生盆止回阀立式小便器消音止回阀挂式小便器蝶阀蹲式大便器柔性防水套管坐式大便器检查口小便槽清扫口引水器通气帽淋浴喷头圆形地漏雨水口方形地漏水泵水锤消除器水表可曲挠橡胶接头防回流污染止回阀水表井水龙头名称图形名称图形手提式灭火器灭火设备安装处所推车式灭火器控制和指示设备固定式灭火系统(全淹没)报警息动固定式灭火系统(局部应用)火灾报警装置固定式灭火系统(指出应用区)消防通风口1、消防工程辅助符号名称图形名称图形水阀门手动启动泡沫或泡沫液出口电铃无水入口发声器BC类干粉热扬声器ABC类干粉烟电话卤代烷火焰光信号二氧化碳易爆气体2、消防工程灭火器符号名称图形名称图形清水灭火器卤代烷灭火器推车式ABC类干粉灭火器泡沫灭火器二氧化碳灭火器推车式卤代烷灭火器BC类干粉灭火器推车式泡沫灭火器水桶ABC类干粉灭火器推车式BC类干粉灭火器沙桶3、消防管路及配件符号名称图形名称图形干式立管消防水管线干式立管消防水罐(池)干式立管泡沫混合液管线报警阀干式立管消火栓开式喷头干式立管消防泵闭式喷头干式立管泡沫比例混合器水泵结合器湿式立管泡沫产生器泡沫混合器立管泡沫液管4、消防工程固定灭火器系统符号名称图形名称图形水灭火系统(全淹没)ABC类干粉灭火系统手动控制灭火系统泡沫灭火系统(全淹没)卤代烷灭火系统BC类干粉灭火系统二氧化碳灭火系统5、消防工程灭火设备安装处符号名称图形名称图形二氧化碳瓶站ABC干粉罐泡沫罐站BC干粉灭火罐站消防泵站6、消防工程自动报警设备符号名称图形名称图形消防控制中心火灾报警装置温感探测器感光探测器手动报警装置烟感探测器气体探测器报警电话火灾警铃火灾报警扬声器火灾报警发声器火灾光信号装置表3.0.1 管道图例序号名称图例备注1 生活给水管2 热水给水管3 热水回水管4 中水给水管5 循环给水管6 循环回水管7 热媒给水管8 热媒回水管9 蒸汽管10 凝结水管11 废水管可与中水源水管合用12 压力废水管13 通气管14 污水管15 压力污水管16 雨水管17 压力雨水管18 膨胀管19 保温管20 多孔管21 地沟管22 防护套管23 管道立管X:管道类别L:立管1:编号24 伴热管25 空调凝结水管26 排水明沟27 排水暗沟注:分区管道用加注角标方式表示:如J1、J2、RJ1、RJ2……。
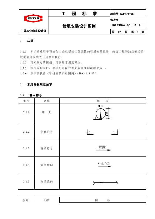
1 总则
1.0.1 本标准适用于石油化工企业新建工艺装置的管道安装设计,改造工程和油品储运系统的管道安装设计可参照执行。
1.0.2 对未规定的图便,可参照本规定派生。
1.0.3 执行本标准时,尚应符合现行有关规范和标准的要求。
1.0.4 本标准代替《管线安装设计图例》(BA3-1-1-83)。
2 常用图例规定如下
注:(1)在菱形符号内用阿拉伯数字注明修改次娄数
注:(1) 按实际波数画。
注:(1)本节仅适用于装置设备布置图,对于管道布置图可根据需要派生。
编制牛中军
校审徐心兰
审定张德姜
会签徐思文
叶维祯。
水电图纸符号图例字符,符号钢管聚乙烯阻燃性塑料管SC:PC:PVC 沿墙暗敷设桥架CT:WC:沿墙明敷设沿顶板暗敷设WS:CC:暗敷在地板内沿顶板明敷F:CE:电缆电视线SYV:YJV:接零蓝色接地黄绿相兼)(()PEN:PE: 项线火线项黄项绿项红电压千伏散BV:)( )(B)( ) C3 KV:(():A线总等电位局部等电位LEB:MEB:线路敷设方式代号用阻燃塑料管敷设PVC用电工钢管敷设——DGL用塑制线槽敷设——VXG 用金属线槽敷设——GXG 用可挠型塑制管敷设——KRG⑦线路明敷部位代号沿屋架或屋架下弦敷设—LM 沿柱敷设沿墙敷设沿天棚敷——QM——PL 设ZM ③线路暗敷部位代号暗设在梁内暗设在柱内暗设在墙内—ZALA QA暗设在屋面内或顶棚内暗设在地面或地板内—DA PA 暗设在不能进入的吊顶内—PNA④照明灯具安装方式代号吸顶式链吊式管吊式————— D ——GL 墙壁内安装壁装式嵌入式——R———BBR ——设备标注方法'(4)⑦配电线路的标注方法a——b(c× d)e—— f其中:回路编号导线型号导线根数c-- a-- b-- 敷设部位导线截面敷设方式及穿管管径e--f --d表示根导线表示根导线表示根导线 2 3 n⑦照明灯具标注方法一般标注方法:灯具吸顶安装标注方法:其中:灯数型号或编号b-- a-- 灯泡容量,每盏照明灯具的灯泡个数c-- d-- W灯泡安装高度,安装方式f-- e--m 光源种类,白炽灯或荧光灯L--一、室内电气工程的组成:指供电和用电工程外线工程、变配电工程、室内配线工程、电力工程、照明工程、防雷工程、接地工程、发电工程和弱点工程(消防闭路电视、互联网等)| 广播、电话| 报警.二、室内电气施工图的作用、组成、特点图纸的作用:说明电气工程的构成和功能,描述电1、气工程的工作原理,提供安装技术数据和使用维护的依据。
2、图纸的组成:设计说明、电气系统图、电气平面图、设备布置图、安装接线图、电气原理图、详图等。
桥架支吊架制作安装图例(2008)编制说明1.电缆桥架支架应根据图纸要求及现场情况制作;安装时应拉通线控制水平及垂直度;2.电缆桥架水平安装的支架间距为1.5〜2m;垂直安装的支架间距不大于2m;在水平长度超过20米或在转弯、转角处应设固定支架;3.采用顶爆螺丝工艺安装时,钻头选择应与顶爆螺丝匹配,然后在通丝螺杆上带双螺母锁定,采用扳手与顶爆螺丝连接牢固;4.非镀锌电缆桥架间连接板的两端跨接铜芯接地线,接地线最小截面积不小于4mm2,采用焊锡铜接线端子连接,连接处应进行除漆处理;中8通丝螺杆L30X 3角钢\①8X25mmk 角螺丝50 x 50〜200X 10娘架水平支架制作图①8X 30m®爆螺丝\、①8X 25mmK 角螺丝50x 50〜200X 100桥架水平固定支架制作图(正视)L30X 3角750X 50〜200X 100桥架水平固定支架制作图(侧视)300X 100〜400X 150桥架水平支架制作图L40X 4角钢桥架'x①8X 25m亦角螺丝300X 100〜400X 150桥架水平固定支架制作图(正视)300X 100〜400X 150桥架水平固定支架制作图(侧视)500X 100〜600X 150桥架水平支架制作图桥架500 X 100〜600 X150①8X 30m 亦角螺丝中12通丝螺杆L50X 5角钢~~~500X 100〜600X 150桥架水平固定支架制作图(正视)500X 100〜600X 150桥架水平固定支架制作图(侧视)800X 150〜1000X 150桥架水平支架制作图(正视)800X 150〜1000X 150桥架水平支架制作图(侧视)L30X 3角钢550X 50〜200X 10娘架垂直安装支架制作图(俯视)50X 50〜200X 100桥架垂直安装支架制作图(侧视)20300X 100〜400x 150桥架垂直安装支架制作图(俯视)300X 100〜400X 150桥架垂直安装支架制作图(侧视)25500X 150〜600X 150桥架垂直安装支架制作图(俯视) t ①10x 30mmk 角螺丝 L50X ①12X70m 膨胀螺丝L50X5角钢I —D !R ]舟500X 150〜600X 150桥架垂直安装支架制作图(侧视)L60X 6用钢30800X 150〜100OX 150桥架垂直安装支架制作图(俯视)800X 150〜1000X 150桥架垂直安装支架制作图(侧视)\①10 X 40m济中12 X 50ml®爆螺丝中10〜①12通丝螺杆L30X 3〜L40X 4角钢、、、①8X25mmk角螺丝双层桥架(宽度相加小于600mm水平支架制作图双层桥架(宽度相加小于600mrh水平固定支架正视图7 - * 口 * ' ‘板 &L.•京'一".'- W "i 'lb -| i; %》 'A “ ・ / »■ J % 4 ■. 7、,‘.,,• K ■ '■ % * L* L - - r ... - " - - 弓 \*.七 勺 —/ .地"申一屯 \①8 X 25mim\角螺丝双层桥架(宽度相加小于600mm 水平固定支架制作侧视图L30X 3〜L40X 4角钢 中10X 65mrw ①12X 70膨胀螺丝国]L30X 3〜L40X 4角钢架双层桥架(宽度相加700〜1000mm水平固定支架图双层桥架(宽度相加1100〜1400mm水平固定支架图。
桥架支吊架制作安装图例(2008)编制说明1.电缆桥架支架应根据图纸要求及现场情况制作;安装时应拉通线控制水平及垂直度;2.电缆桥架水平安装的支架间距为1.5~2m;垂直安装的支架间距不大于2m;在水平长度超过20米或在转弯、转角处应设固定支架;3.采用顶爆螺丝工艺安装时,钻头选择应与顶爆螺丝匹配,然后在通丝螺杆上带双螺母锁定,采用扳手与顶爆螺丝连接牢固;4.非镀锌电缆桥架间连接板的两端跨接铜芯接地线,接地线最小截面积不小于4mm2,采用焊锡铜接线端子连接,连接处应进行除漆处理;Φ8×30mm顶爆螺丝Φ8通丝螺杆L30×3角钢楼 板桥 架50×50~200×50Φ8×25mm六角螺丝50×50~200×100桥架水平支架制作图楼 板Φ8×50mm膨胀螺丝L30×3角钢桥 架Φ8×25mm六角螺丝50×50~200×100桥架水平固定支架制作图(正视)楼 板L30×3角钢Φ8×50mm膨胀螺丝L30×3角钢桥 架Φ8×25mm六角螺丝50×50~200×100桥架水平固定支架制作图(侧视)Φ10×40mm顶爆螺丝Φ10通丝螺杆L40×4角钢楼 板桥 架300×100~400×150300×100~400×150桥架水平支架制作图Φ8×25mm六角螺丝楼 板Φ10×65mm膨胀螺丝L40×4角钢桥 架Φ8×25mm六角螺丝300×100~400×150桥架水平固定支架制作图(正视)楼 板L40×4角钢Φ10×65mm膨胀螺丝L40×4角钢桥 架Φ8×25mm六角螺丝300×100~400×150桥架水平固定支架制作图(侧视)Φ12×50mm顶爆螺丝Φ12通丝螺杆L50×5角钢楼 板桥 架500×100~600×150500×100~600×150桥架水平支架制作图Φ8×30mm六角螺丝楼 板Φ12×70mm膨胀螺丝L50×5角钢桥 架Φ8×30mm六角螺丝500×100~600×150桥架水平固定支架制作图(正视)楼 板L50×5角钢Φ12×70mm膨胀螺丝L50×5角钢桥 架Φ8×30mm六角螺丝500×100~600×150桥架水平固定支架制作图(侧视)Φ12×70mm膨胀螺拴6.3#槽钢6.3#槽钢楼 板桥 架800×150~1000×150150×150×8mm钢板Φ8×30mm六角螺丝800×150~1000×150桥架水平支架制作图(正视)楼 板桥 架Φ12×70mm膨胀螺拴150×150×8mm钢板6.3#槽钢6.3#槽钢Φ8×30mm六角螺丝800×150~1000×150桥架水平支架制作图(侧视)墙 体50×50~200×100桥架垂直安装支架制作图(俯视)Φ8×50mm膨胀螺丝L30×3角钢L30×3角钢Φ8×25mm六角螺丝50×50~200×100桥架垂直安装支架制作图(侧视)墙 体300×100~400×150桥架垂直安装支架制作图(俯视)Φ10×65mm膨胀螺丝L40×4角钢L40×4角钢Φ8×30mm六角螺丝300×100~400×150桥架垂直安装支架制作图(侧视)墙 体500×150~600×150桥架垂直安装支架制作图(俯视)Φ12×70mm膨胀螺丝L50×5角钢L50×5角钢Φ10×30mm六角螺丝500×150~600×150桥架垂直安装支架制作图(侧视)墙 体800×150~1000×150桥架垂直安装支架制作图(俯视)Φ12×70mm膨胀螺丝L60×6角钢L60×6角钢Φ10×30mm六角螺丝800×150~1000×150桥架垂直安装支架制作图(侧视)Φ10×40mm~Φ12×50mm顶爆螺丝Φ10~Φ12通丝螺杆L30×3~L40×4角钢楼 板桥 架200×100~300×150双层桥架(宽度相加小于600mm)水平支架制作图Φ8×25mm六角螺丝桥 架200×100~300×150楼 板Φ10×65mm~Φ12×70膨胀螺丝桥 架L30×3~L40×4角钢桥 架Φ8×25mm六角螺丝双层桥架(宽度相加小于600mm)水平固定支架正视图楼 板桥 架Φ8×25mm六角螺丝桥 架双层桥架(宽度相加小于600mm)水平固定支架制作侧视图Φ10×65mm~Φ12×70膨胀螺丝L30×3~L40×4角钢L30×3~L40×4角钢楼 板Φ12×70膨胀螺丝桥 架L50×5角钢桥 架Φ8×30mm六角螺丝双层桥架(宽度相加700~1000mm)水平固定支架图楼 板Φ12×70膨胀螺丝桥 架L60×6角钢桥 架Φ8×30mm六角螺丝双层桥架(宽度相加1100~1400mm)水平固定支架图Welcome 欢迎您的下载,资料仅供参考!。
水电图纸图例大全,电气、弱电、给排水常用图例
建筑水电学看图例,必须先知道图纸里各种样式符号的名称,我们通常称之为:图例。
图例通常设计在【设计总说明】,也有部分图纸图例设计在平面图旁。
建筑水电图纸识图必须先从图例看起,这是最基本,也是最基础的识图开始。
图例里,包括了各种水与电在平面图的设计样式,如:开关插座、龙头地漏等。
还有图例相对应的安装高度尺寸,比如开关插座的安装高度等,都可以在图例表里找到。
下面就给大家列出最常用的水电图纸图例:
电气图例:
建筑电气图例
建筑电气图例中,插座的分类一般用字母来代替,比如普通插座旁多了一个字母R,则用来表示热水器插座。
上图中,左边图例,右边为相对应的安装高度。
弱电图例
弱电图例给排水图例。
桥架支吊架制作安装图例(2008)编制说明1.电缆桥架支架应根据图纸要求及现场情况制作;安装时应拉通线控制水平及垂直度;2.电缆桥架水平安装的支架间距为1.5~2m;垂直安装的支架间距不大于2m;在水平长度超过20米或在转弯、转角处应设固定支架;3.采用顶爆螺丝工艺安装时,钻头选择应与顶爆螺丝匹配,然后在通丝螺杆上带双螺母锁定,采用扳手与顶爆螺丝连接牢固;4.非镀锌电缆桥架间连接板的两端跨接铜芯接地线,接地线最小截面积不小于4mm2,采用焊锡铜接线端子连接,连接处应进行除漆处理;Φ8×30mm顶爆螺丝Φ8通丝螺杆L30×3角钢楼 板桥 架50×50~200×50Φ8×25mm六角螺丝50×50~200×100桥架水平支架制作图楼 板Φ8×50mm膨胀螺丝L30×3角钢桥 架Φ8×25mm六角螺丝50×50~200×100桥架水平固定支架制作图(正视)楼 板L30×3角钢Φ8×50mm膨胀螺丝L30×3角钢桥 架Φ8×25mm六角螺丝50×50~200×100桥架水平固定支架制作图(侧视)Φ10×40mm顶爆螺丝Φ10通丝螺杆L40×4角钢楼 板桥 架300×100~400×150300×100~400×150桥架水平支架制作图Φ8×25mm六角螺丝楼 板Φ10×65mm膨胀螺丝L40×4角钢桥 架Φ8×25mm六角螺丝300×100~400×150桥架水平固定支架制作图(正视)楼 板L40×4角钢Φ10×65mm膨胀螺丝L40×4角钢桥 架Φ8×25mm六角螺丝300×100~400×150桥架水平固定支架制作图(侧视)Φ12×50mm顶爆螺丝Φ12通丝螺杆L50×5角钢楼 板桥 架500×100~600×150500×100~600×150桥架水平支架制作图Φ8×30mm六角螺丝楼 板Φ12×70mm膨胀螺丝L50×5角钢桥 架Φ8×30mm六角螺丝500×100~600×150桥架水平固定支架制作图(正视)楼 板L50×5角钢Φ12×70mm膨胀螺丝L50×5角钢桥 架Φ8×30mm六角螺丝500×100~600×150桥架水平固定支架制作图(侧视)Φ12×70mm膨胀螺拴6.3#槽钢6.3#槽钢楼 板桥 架800×150~1000×150150×150×8mm钢板Φ8×30mm六角螺丝800×150~1000×150桥架水平支架制作图(正视)楼 板桥 架Φ12×70mm膨胀螺拴150×150×8mm钢板6.3#槽钢6.3#槽钢Φ8×30mm六角螺丝800×150~1000×150桥架水平支架制作图(侧视)墙 体50×50~200×100桥架垂直安装支架制作图(俯视)Φ8×50mm膨胀螺丝L30×3角钢L30×3角钢Φ8×25mm六角螺丝50×50~200×100桥架垂直安装支架制作图(侧视)墙 体300×100~400×150桥架垂直安装支架制作图(俯视)Φ10×65mm膨胀螺丝L40×4角钢L40×4角钢Φ8×30mm六角螺丝300×100~400×150桥架垂直安装支架制作图(侧视)墙 体500×150~600×150桥架垂直安装支架制作图(俯视)Φ12×70mm膨胀螺丝L50×5角钢L50×5角钢Φ10×30mm六角螺丝500×150~600×150桥架垂直安装支架制作图(侧视)墙 体800×150~1000×150桥架垂直安装支架制作图(俯视)Φ12×70mm膨胀螺丝L60×6角钢L60×6角钢Φ10×30mm六角螺丝800×150~1000×150桥架垂直安装支架制作图(侧视)Φ10×40mm~Φ12×50mm顶爆螺丝Φ10~Φ12通丝螺杆L30×3~L40×4角钢楼 板桥 架200×100~300×150双层桥架(宽度相加小于600mm)水平支架制作图Φ8×25mm六角螺丝桥 架200×100~300×150楼 板Φ10×65mm~Φ12×70膨胀螺丝桥 架L30×3~L40×4角钢桥 架Φ8×25mm六角螺丝双层桥架(宽度相加小于600mm)水平固定支架正视图楼 板桥 架Φ8×25mm六角螺丝桥 架双层桥架(宽度相加小于600mm)水平固定支架制作侧视图Φ10×65mm~Φ12×70膨胀螺丝L30×3~L40×4角钢L30×3~L40×4角钢楼 板Φ12×70膨胀螺丝桥 架L50×5角钢桥 架Φ8×30mm六角螺丝双层桥架(宽度相加700~1000mm)水平固定支架图楼 板Φ12×70膨胀螺丝桥 架L60×6角钢桥 架Φ8×30mm六角螺丝双层桥架(宽度相加1100~1400mm)水平固定支架图。
1.3 CAB.LINK™系统的组成部分1.3.1 EoC 主端设备 Cab.Link10主端面板指示灯说明:PWR : 电源指示灯;LINK : 以太网连接指示灯; CAB : 设备工作灯。
1.3.2 EoC 从端设备Cab.Link20从端面板示意图:接口从左到右依次为:CABLE 接口:上连混合信号; TV 接口:下接电视机或机顶盒; Ethernet 接口:以太网接口; DC12V :电源接口。
Reset Default 按键Reset Default 按键用于恢复设备出厂默认设置。
a) 主机:按住主机的Reset Default 键4S 以上就能复位主机。
注意复位后主机会重启。
复位后主机的默认IP 地址为:192.168.2.1,且设备默认为主机。
b) 从机:按从机的Reset Default 键4S 以上的时间就能复位从机,从机会重启并自动去掉IP 地址,且设备默认为从机。
CABLETVReset DefaultEthernetDC 12V1.3.3 Cab.Link10、Cab.Link20产品功能与技术指标:1.3.4 Cab.link ™系统配件有源桥接/耦合器示意图● 当作有源桥接器1) 桥接器接口如下:TV+60V+D 1:设备的第1端口,主要信号流为:有线电视信号和60V 交流电和数字信号的输入;TV+60V 2: 设备的第2端口,主要信号流为:有线电视信号和60V 交流电的输出;TV+60V 3: 设备的第3端口,主要信号流为:有线电视信号和60V 交流电的输入;TV+60V+D 4:设备的第4端口,主要信号流为:有线电视信号、60V 交流电和数字信号的输出;2)桥接器使用时的连接电路图:●当作双路耦合器:1)双路耦合器接口如下:Cable IN :数字信号的输入;60V OUT: 60V交流电输出;TV+60V+D 1:设备的第1端口,主要信号流为:有线电视信号和60V交流电和数字信号的输出;TV+60V 2:设备的第2端口,主要信号流为:有线电视信号和60V交流电的输入;TV+60V 3:设备的第3端口,主要信号流为:有线电视信号和60V交流电的输入;TV+60V+D 4:设备的第4端口,主要信号流为:有线电视信号和60V交流电和数字信号的输出;2)桥接器当两路耦合器用的连接电路图:注意:双路耦合器当单路耦合器使用时,一定要把另外不用的一路用75Ω假负载堵上,为了防止不用的那一路信号回射,对主路信号产生干扰,同时在野外使用时也可以防水。
一、导线穿管表示SC——焊接钢管; MT——电线管;PC——PVC塑料硬管;FPC——阻燃塑料硬管;CT——桥架;MR——金属线槽;M——钢索;CP——金属软管;PR——塑料线槽;RC——镀锌钢管二、导线敷设方式表示DB——直埋;TC——电缆沟;BC——暗敷在梁内;CLC——暗敷在柱内;WC——暗敷在墙内;CE——沿天棚顶敷设;CC——暗敷在天棚顶内;SCE——吊顶内敷设;F——地板及地坪下;SR——沿钢索;BE ——沿屋架,梁;WE——沿墙明敷三、灯具安装方式的表示CS——链吊;DS——管吊;W——墙壁安装;C——吸顶;R——嵌入;S——支架;CL——柱上沿钢线槽:SR 沿屋架或跨屋架:BE沿柱或跨柱:CLE 穿焊接钢管敷设:SC穿电线管敷设:MT 穿硬塑料管敷设:PC穿阻燃半硬聚氯乙烯管敷设:FPC 电缆桥架敷设:CT金属线槽敷设:MR 塑料线槽敷设:PR用钢索敷设:M穿聚氯乙烯塑料波纹电线管敷设:KPC穿金属软管敷设:CP 直接埋设:DB导线敷设部位的标注沿或跨梁(屋架)敷设:AB暗敷在梁内:BC 沿或跨柱敷设:AC暗敷设在柱内:CLC 电缆沟敷设:TC沿墙面敷设:WS 暗敷设在墙内:WC沿天棚或顶板面敷设:CE 暗敷设在屋面或顶板内:CC 吊顶内敷设:SCE 地板或地面下敷设:FC DTQ30——32/2P 这两个是两种塑壳断路器的型号HSM8——63C/3P 适用于照明回路中,为3极开关,额定电流为63A (3联开关)DTQ30——32/2P 也是塑壳断路器的一种,额定电流32A,2极开关四、型号的含义R-连接用软电缆(电线),软结构。
V-绝缘聚氯乙烯。
V-聚氯乙烯绝缘V-聚氯乙烯护套B-平型(扁形)。
S-双绞型。
A-镀锡或镀银。
F-耐高温P-编织屏蔽P2-铜带屏蔽P22-钢带铠装Y—预制型、一般省略,或聚烯烃护套FD—产品类别代号,指分支电缆。
将要颁布的建设部标准用FZ表示,其实质相同YJ—交联聚乙烯绝缘V—聚氯乙烯绝缘或护套ZR—阻燃型NH—耐火型WDZ—无卤低烟阻燃型WDN—无卤低烟耐火型例如:SYV 75-5-1(A、B、C)S: 射频 Y:聚乙烯绝缘 V:聚氯乙烯护套 A:64编 B:96编 C:128编 75:75欧姆 5:线径为5MM 1:代表单芯SYWV 75-5-1S: 射频 Y:聚乙烯绝缘 W:物理发泡 V:聚氯乙烯护套 75:75欧姆 5:线缆外径为5MM 1:代表单芯例如:RVVP2*32/0.2 RVV2*1.0 BVR R: 软线 VV:双层护套线 P屏蔽2:2芯多股线 32:每芯有32根铜丝 0.2:每根铜丝直径为0.2MM ZR-RVS2*24/0.12ZR: 阻燃 R: 软线 S:双绞线2:2芯多股线 24:每芯有24根铜丝 0.12:每根铜丝直径为0.12MM 型号、名称RV 铜芯氯乙烯绝缘连接电缆(电线)AVR 镀锡铜芯聚乙烯绝缘平型连接软电缆(电线) RVB 铜芯聚氯乙烯平型连接电线 RVS 铜芯聚氯乙烯绞型连接电线RVV 铜芯聚氯乙烯绝缘聚氯乙烯护套圆形连接软电缆 ARVV 镀锡铜芯聚氯乙烯绝缘聚氯乙烯护套平形连接软电缆 RVVB 铜芯聚氯乙烯绝缘聚氯乙烯护套平形连接软电缆RV-105 铜芯耐热105oC聚氯乙烯绝缘聚氯乙烯绝缘连接软电缆 AF -205AFS-250AFP-250 镀银聚氯乙氟塑料绝缘耐高温-60oC~250oC连接软电线五、规格表示法的含义规格采用芯数、标称截面和电压等级表示①单芯分支电缆规格表示法:同一回路电缆根数*(1*标称截面),0.6/1KV,如:4*(1*185)+1*95 0.6/1KV②多芯绞合型分支电缆规格表示法:同一回路电缆根数*标称截面,0.6/1KV,如:4**185+1*95 0.6/1KV③多芯同护套型分支电缆规格表示法:电缆芯数×标称截面——T,如:4×25——T矿用铠装控制电缆;MKVV22,MKVV32 2*0.5,3*0.75,4*4,—37*1.5mm 铠装控制电缆;KVV22,KVV32,KVVR22 2*0.5,3*0.75,4*4,—37*1.5mm铠装屏蔽控制电缆KVVP——22,RVVP——22,KVVRP——22,KVVP2——22,KVVRP2——22 2*0.5,3*0.75,4*4,——————37*1.5mm铠装阻燃控制电缆;ZR——KVV22,ZR——KVV32,ZR——KVVR22 2*0.5,3*0.75,4*4,——————37*1.5mm 铠装阻燃屏蔽控制电缆; ZR——KVVP22,ZR——KVVRP22,ZR——KVVP2——22,ZR——KVVRP2——22 2*0.5,3*0.75,4*4,————————37*1.5mm铠装通信电缆;HYA22,HYA23,HYA53,HYV22,HYV23 5对,10对———————2400对,0.4——0.5——0.6——0.7——0.8——0.9线径铠装充油通信电缆;HYAT22,HYAT23,NYAT53 5对,10对———800对0.4——0.5——0.6——0.7——0.8——0.9线径铠装阻燃通信电缆;ZR——HYA22,ZR——HYA23,ZR——HYA53,WDZ——HYA23,WDZ——HYA53 5对,10对———————2400对,0.4——0.5——0.6——0.7——0.8——0.9线径矿用铠装阻燃通信电缆;MHYA22,MHYV22,MHYA32,MHYV325对,10对—————200对,0.5——0.6——0.7——0.8——0.9——1.0线径铠装计算机电缆;DJYVP22,ZR——DJYVP22,DJYVRP22,DJYPV22,ZR——DJYPV22DJYPVR22DJYPVP22,DJYPVRP22,ZR——DJYPVP22,ZR——DJYPVPR22 1*2*0.75 2*2*1.0 3*2*1.5 —————————30*2*1.5mm 铠装铁路信号电缆;PZY23,PTY23,PZY22,PTY22,PZYH23,PTYH23PZYA23,PZYA22,PZYAH22,PTYAH22,PTYAH32,PZY32 4芯——6芯——8芯——9芯————————————6六、字符电路图符号大全:AAT——电源自动投入装置交流继电器AC——交流电 KV——电压继电器DC——直流电 L——线路FU——熔断器 QF——断路器G——发电机 QS——隔离开关M——电动机 T——变压器HG——绿灯 TA——电流互感器HR——红灯 TV——电压互感器HW——白灯 W——直流母线HP——光字牌 YC——合闸线圈K——继电器 YT——跳闸线圈KA(NZ)——电流继电器(负序零序) PQS——有功无功视在功率KD——差动继电器 EUI——电动势电压电流KF——闪光继电器 SE——实验按钮KH——热继电器 SR——复归按钮KM——中间继电器 f——频率KOF——出口中间继电器 Q——电路的开关器件KS——信号继电器 FU——熔断器KT——时间继电器 FR——热继电器KV(NZ)——电压继电器(负序零序) KM——接触器KP——极化继电器 KA——1、瞬时接触继电器KR——干簧继电器 2、瞬时有或无继电器KI——阻抗继电器 3、交流继电器KW(NZ)——功率方向继电器(负序零序) KT——延时有或无继电器KM——接触器 SB——按钮开关KA——瞬时继电器;瞬时有或无继电器; Q——电路的开关器件FU——熔断器KM——接触器直流母线——WBKA——1、瞬时接触继电器插接式(馈电)母线——WIB2、瞬时有或无继电器电力分支线——WP3、交流继电器照明分支线——WLKT——延时有或无继电器应急照明分支线——WE SB——按钮开关电力干线——WPMSA——转换开关照明干线——WLM电流表——PA 应急照明干线——WEM 电压表——PV 滑触线——WT有功电度表——PJ 合闸小母线——WCL无功电度表——PJR 控制小母线——WC频率表——PF 信号小母线——WS相位表——PPA 闪光小母线——WF最大需量表(负荷监控仪)——PM 事故音响小母线——WFS功率因数表——PPF 预报音响小母线——WPS有功功率表——PW 电压小母线——WV无功功率表——PR 事故照明小母线——WELM 无功电流表——PAR 避雷器——F声信号——HA 熔断器——FU光信号——HS 快速熔断器——FTF指示灯——HL 跌落式熔断器——FF红色灯——HR 限压保护器件——FV绿色灯——HG 电容器——C黄色灯——HY 电力电容器——CE蓝色灯——HB 正转按钮——SBF白色灯——HW 反转按钮——SBR连接片——XB 停止按钮——SBS插头——XP 紧急按钮——SBE插座——XS 试验按钮——SBT端子板——XT 复位按钮——SR电线电缆母线——W 限位开关——SQ接近开关——SQP 手动控制开关——SH时间控制开关——SK 液位控制开关——SL湿度控制开关——SM 压力控制开关——SP速度控制开关——SS 温度控制开关辅助开关——ST 电压表切换开关——SV 电流表切换开关——SA整流器——U 可控硅整流器——UR控制电路有电源的整流器——VC 变频器——UF变流器——UC 逆变器——UI电动机——M 异步电动机——MA同步电动机——MS 直流电动机——MD绕线转子感应电动机——MW 鼠笼型电动机——MC 电动阀——YM 电磁阀——YV防火阀——YF 排烟阀——YS电磁锁——YL 跳闸线圈——YT合闸线圈——YC 气动执行器——YPAYA电动执行器——YE 发热器件(电加热)——FH 照明灯(发光器件)——EL 空气调节器——EV电加热器加热元件——EE 感应线圈电抗器——L励磁线圈——LF 消弧线圈——LA滤波电容器——LL 电阻器变阻器——R电位器——RP 热敏电阻——RT光敏电阻——RL 压敏电阻——RPS接地电阻——RG 放电电阻——RD启动变阻器——RS 频敏变阻器——RF限流电阻器——RC 光电池热电传感器——B压力变换器——BP 温度变换器——BT速度变换器——BV 时间测量传感器——BT1BK 液位测量传感器——BL 温度测量传感器——BHBM。