三菱伺服器的调试方法
- 格式:pdf
- 大小:1.13 MB
- 文档页数:3
2020三菱伺服增益调整方法及参数设置参数设置基于三菱MR-J系列伺服01.序文02.自动调整模式03响应性设定目录03.响应性设定content 04.手动调整模式三菱伺服增益调整方法及参数设置伺服放大器内置有实时自动调整功能,能实时地推断机械特性(负载惯量比并根据推断的结果自动设定最优的增益值利这个功能惯量比),并根据推断的结果自动设定最优的增益值。
利用这个功能可以容易地调整伺服放大器的增益。
三菱伺服增益调整方法及参数设置(1) 自动调整模式1伺服放大器在出厂状态下设定为自动调整模式1。
在此模式下,伺服放大器实时推断机械的负载惯量比,自动设定最优的增益。
通过自动调整模式1自动调整的参数如下表所示。
三菱伺服增益调整方法及参数设置(2) 自动调整模式2自动调整模式2在自动调整模式1下不能进行正常的增益调整时使用。
此模式下由于不能进行负载惯量比的推断,所以请设定正确的负载惯量比(参数No.PB06)的值。
通过自动调整模式2自动调整的参数如下表所示。
三菱伺服增益调整方法及参数设置(3) 调整步骤①使伺服电机加减速运行,负载惯量比推断机构会根据伺服电机的电流和电机速度实时推断负载惯量比。
推断的结果被写入参数No.PB06(对伺服电机负载惯量比)。
这个结果可在伺服放大器设置软件的状态显示画面下确认。
②在已经知道负载惯量比的值和不能很好地进行推断时,设定为“自动调整模式2”(参数No.PA08:0002),使负载惯量比的推断停止,请手动设定负载惯量比(参数No.PB06)。
三菱伺服增益调整方法及参数设置(3) 调整步骤③通过被设定的负载惯量比(参数No.PB06)的值和响应性(参数No.PA09),根据内部的增益表,自动设定最适合的增益。
④电源接通后,每隔60分钟将自动调整的结果写入EEP-ROM中。
电源接通时,已经保存在EEP-ROM中的各增益值将作为自动调整的初始值。
三菱伺服增益调整方法及参数设置出厂时设定由于自动调整功能出厂时被设为有效,因此只要运行伺服电机就能自动地根据机械状况设定最优的增益值。
三菱制定位单元起动伺服电机(步进电机等)顺序书1.前期准备①最小限的参数设定基本参数根据控制对象进行选择.水平、垂直移动装置为mm、旋转装置为degree最佳。
1转的脉冲数输入伺服电机式样书中记载的编码器、伺服电机每1转的分辨力。
1转的移动量根据机械构造,输入伺服电机转1转时装置的移动距离.因皮带轮的径以及钻孔螺丝端部的不同而不同,所以最好与机械设计担当者确认.根据需要进行选择。
如果是步进电机需要进行设定。
根据系统进行选择.零点信号有或无会产生结果不同,需要注意。
基本是負方向,因原点传感器的位置也有正方向的情况。
速度②根据机械构造需要重新设定的参数~31~3急停选择后的移动量设定③三菱伺服电机使用时需要设定的参数2.配线检查①原点传感器上确认原点信号的ON/OFF。
②上下限限制传感器上下限限制信号的ON/OFF。
3.电机旋转方向以及上下限限制传感器的方向确认①JOG运转中确认电机的旋转方向。
+JOG(离开原点传感器的方向)时,伺服电机的现在值增加吗?-JOG(接近原点传感器的方向)时,伺服电机的现在值减少吗?逆运转时,旋转方向的设定(Pr107orPr6)变更为相反的。
②上下限限位传感器方向确认上記①中,电机的旋转方向确认后,再度用+JOG起动伺服电机,如果用150mm标尺灯遮断上限限位传感器,确认伺服电机有没有停止.如果没有停止,再次确认上限限位传感器的配线以及方向性(需要确认上下限限位传感器是否反了。
)。
用同样方法确认下限限位传感器。
4.装置的可动范围的确认上記3.中的旋转方向以及上下限限位传感器的方向的确认作业如果完成了,JOG运转中移动装置至上下限限位传感器起动,确认装置的可动范围.5.原点复位①根据原点复位方式再确认必要的设定项目,特别要注意挡块停止方式时的原点复位扭矩限制值的设定,计数方式时得近点ドグON后的移动量设定要注意是否恰当。
②JOG运转中将装置移动至上下限限位传感器的正中位置,进行原点复位,如果装置移动至远离传感器的方向时,直接使装置停止,变更原点复位方向(Pr46)后,再度进行原点复位。
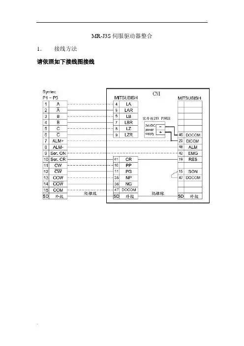
MR-J3S伺服驱动器整合1.接线方法
请依照如下接线图接线
2.参数调整
以下为供参考的建议参数值,基本参数一般不变,增益滤波器参数视不同的机台有所改变
MR-J3伺服参数表
(注:简称前面带有*的参数,设定后将电源断开,再重新接通电源,参数生效。
)
3.自动调谐方法和步骤
a.PA08设0001,PA09先设一个初始值,如:18;
b.手动或自动让该轴空跑,速度保证在让马达在1000RPM,比如螺距为
5mm的,则机台该轴向线速度保证在5000MM/MIN,并且至少要有一段
距离是等速运动,看机台是否会抖,有没有共振的声音发出,如果没有,则加大PA09再做;如果有,则说明PA09设定过大,则减小该值再试一
次,直到测试到一个合理的不响的值,有的时候如果觉得机台刚性太低
且又响,可以考虑打开滤波功能(PB13);
c.把PA08设0003,到此自动调谐以完成;
d.每个轴向可以设不同的PA09做自动调谐。
4.刚性调整
做好自动调谐后,就可以进行刚性调整了,相关参数有:
PB07:PG1 模型环增益
PB08:PG2 位置环增益
PB09:VG2 速度环增益
PB10:VIC 速度微分补偿
通常情况下,PB07、PB08、PB09相对调大,机台刚性高,响应快,加工好,但是过大机台会抖;PB10相对调小,机台刚性高,响应快,加工好,但是过大可能会导致机台抖动。
三菱伺服驱动器一键式调整操作流程三菱伺服放大器在投入正式使用前,最好都应该进行三菱伺服调整,以使三菱伺服放大器及伺服电机的性能能与连接机械的特性更好地匹配。
否则,在设备调试或使用过程中将可能发生机械振动、抖动、异响,如以下情况:三菱伺服放大器MR-JE系列及MR-J4系列都具有一键式调整功能(由于翻译原因可能又称为“一触式调整”),通过一键式调整,可以简单地完成伺服的调整。
但是在进行一键式调整之前需要进行一些准备工作,主要是让伺服电机循环地来回正反转。
up主刚开始接触这些产品的时候,就觉得为了进行一键式调整,特地去写让伺服电机循环来回正反转的程序还真不是一件容易的事情呢。
所以,接下来要介绍的方法是如何不通过程序使电机来回正反转。
另外,本文档介绍的方法需使用三菱伺服调整软件MR-Configurator2。
■调整前准备工作一键式调整需要在伺服电机运行中进行调整,因此,在进行调整期间,需要使伺服电机进行正反转反复运行。
可以先使用“测试运行”功能使伺服电机进行定位运行。
■各系列伺服放大器进入测试运行模式的方法:◎JE-A进入测试运行模式的方法(在伺服本体上操作):◎JE-B进入测试运行模式的方法:将参数PC05设置为0010,然后写入到伺服放大器,断电重启。
◎J4-A进入测试运行模式的方法(在伺服本体上操作):◎J4-B进入测试运行模式的方法:打开伺服放大器上方显示盖板,将拨码SW2的左边第一位向上拨,然后断电复位。
■进行测试运行使用软件MR-Configurator2,通过“菜单栏”-“测试运行”-“定位运行”打开以下窗口:设置完成后,点击“正转”,使电机运行。
■一键式调整通过“菜单栏”-“调整”-“一键式调整”打开以下窗口点击开始后,系统开始一键式调整,出现以下画面,整个调整过程大概几分钟。
调整过程中可能会出现伺服电机轻微啸响,属于正常情况。
调整完成后会出现以下画面,选择“是”。
接下来会弹出如下窗口,在右下方点击更新。
伺服控制器的在线调试和离线调试方法伺服控制器是一种广泛应用于自动化设备中的关键组件,用于精确控制电动机的运动。
为了确保伺服系统的稳定性和高效性,对伺服控制器进行调试是非常重要的。
在本文中,将介绍伺服控制器的在线调试和离线调试方法。
一、在线调试方法在线调试方法是指通过连接计算机与伺服控制器进行实时通信并对其进行调试。
下面将介绍几种常用的在线调试方法。
1. 参数调整在线调试的第一步是调整伺服控制器的参数。
通过电脑连接伺服控制器的调试软件,可以在实时监测电动机运动的过程中,对伺服控制器的参数进行调整。
例如,调整速度环、位置环等参数,以提高伺服系统的性能。
2. 功能测试在参数调整完成后,需要对伺服控制器的功能进行测试。
这包括测试伺服控制器的位置跟踪性能、速度响应性能、力矩控制性能等。
通过对伺服控制器的功能进行测试,可以检测其是否正常工作,并进行必要的调整以优化性能。
3. 故障排除在线调试还包括故障排除。
当伺服控制器出现故障或异常时,可以通过在线调试来识别问题的根本原因,并进行相应的修复。
通过观察监测数据,比如电流、速度、位置等,可以定位和解决故障。
二、离线调试方法离线调试方法是指在没有实际连接到伺服控制器的情况下对其进行调试。
下面将介绍几种常用的离线调试方法。
1. 仿真软件离线调试的一种常见方法是使用伺服控制器的仿真软件。
这些仿真软件可以模拟伺服控制器的工作环境,并提供一个可视化的界面,以便进行参数调整和功能测试。
通过仿真软件,可以在没有实际硬件设备的情况下进行调试,从而节省时间和成本。
2. 离线调试器伺服控制器通常会提供离线调试器,用于在没有实际硬件设备的情况下进行调试。
这些离线调试器可以模拟伺服控制器的工作,并提供各种参数调整和功能测试的选项。
通过离线调试器,可以预先测试和优化伺服控制器的性能,以避免后期的实际调试。
3. 脚本编程离线调试的另一种方法是使用脚本编程。
通过编写脚本,可以对伺服控制器进行参数调整、功能测试等操作。
CSD3伺服调试的基本步骤1.机械调试:这是伺服系统调试的第一步,主要是检查和调整机械结构的完整性和准确性。
包括检查传动机构是否正常,例如皮带、齿轮传动等;检查机械连杆和装配是否安全可靠,然后进行必要的调整和紧固;确保机械负载平衡,防止过载现象发生。
在进行机械调试时,需要注意的是调试人员应该具备足够的机械基础,对机械结构进行全面准确的检查。
2.电气调试:机械调试完成后,需要进行电气调试。
这一步主要是确保伺服驱动器与控制器之间的电气连接正确、稳定。
在进行电气调试时需要进行以下几个步骤:首先,检查电气连接,确保电源和信号线路的连接正确;其次,检查电气元件的安装和接线是否正确,包括电机、编码器、传感器等;然后,检查电气系统的接地情况,确保接地良好,防止干扰和电气漏电现象发生;最后,进行点对点的电气连通性测试,确保所有控制信号正常传输。
3.参数设置:参数设置是伺服调试的关键步骤之一,合理的参数设置可以使伺服系统达到最佳性能。
参数设置包括基本参数和高级参数两个方面。
基本参数包括速度环、电流环、位置环的比例和积分增益等;高级参数包括参考位置、速度和加速度限制、过流保护、限位保护等。
参数设置时应根据具体的应用场景和需求来调整,同时需要结合实际运行情况进行适当的调整和优化。
4.功能调试与优化:参数设置完成后,可以进行功能调试与优化。
功能调试是指通过控制指令对伺服系统进行操作,观察系统响应和运行效果,确保各功能正常工作。
在进行功能调试时,可以通过示教器或者编程方式对伺服系统进行控制。
优化是在功能调试的基础上,对参数进行细调。
通过观察和分析系统反馈信号,对参数进行微调,优化系统的性能和响应速度。
在进行CSD3伺服调试时,需要遵循以下几个原则:首先,系统调试应按照一定的顺序进行,确保每个步骤的准确性和完整性;其次,调试人员需要对伺服系统的原理和工作方式有一定的了解;再次,调试中应注意安全,避免发生可能的事故;最后,调试过程中要做好记录和整理,方便后续的维护和调试工作。
三菱伺服器的调试方法(一)三菱伺服调试是一个很重要也很繁琐的工作,需要懂得的调试方法要很多,梦翔宇科技公司技术部为大家整理的一些非常实用的常见调试方法。
三菱伺服器伺服电机常见的调试方法一、基本接线湛江市鸿瑞杰电气有限公司地址:湛江市南油南调路商业街南侧10016 号(湛江变频器维修中心)主电源输入采用~220V ,从L1、L3 接入(实际使用应参照操作手册);控制电源输入r 、t 也可直接接~220V;电机接线见操作手册第22、23 页,编码器接线见操作手册,切勿接错。
二、试机步骤1. JOG 试机功能三菱伺服仅按基本接线就可试机;在数码显示为初始状态‘r 0下',按‘SET键 ',然后连续按‘MODE' 键直至数码显示为‘AF-AcL ',然后按上、下键至‘A-FJoG ';按‘SET键 ',显示‘JoG-' 按:住‘^键'直至显示‘rEAdy '按;住‘<键'直至显示‘Sr-V on '按; 住‘ ^键'电机反时针旋转,按‘V电 '机顺时针旋转,其转速可由参数Pr57 设定。
按‘SET键 '结束。
2. 三菱伺服内部速度控制方式COM +(7脚)接+12~24VDC,COM- (41脚)接该直流电源地;SRV -ON (29脚)接COM-; 参数No.53、No.05 设置为1:(注此类参数修改后应写入EEPROM, 并重新上电)调节参数No.53, 即可使电机转动。
参数值即为转速,正值反时针旋转,负值顺时针旋转。
3. 三菱伺服位置控制方式COM +(7脚)接+12~24VDC,COM- (41脚)接该直流电源地;SRV -ON (29脚)接COM-;PLUS1(3 脚)、SIGN1(5脚)接脉冲源的电源正极(+5V );PLUS2(4脚)接脉冲信号,SIGN (6脚)接方向信号;参数No.02设置为0,No42 设置为3,No43 设置为1;PLUS (4脚)送入脉冲信号,即可使电机转动;改变SIGN2 即可改变电机转向。
三菱伺服软件调试一、软件基本设置1、双击SETUP154C图标——设置——系统设定——机种选择“MR——E——A”;——波特率选择“9600”——串口选择“COM3这是看你自己的计算机口了”——有站号——确定。
2、点站号设定:选00站。
3、点击参数——进行“参数设定、调整、变更清单显示、详细信息显示”里——点击“参数设定”——参数一览表“批量读取、核对、批量写入、变更清单、详细信息、初期设定、终止”。
4、参数写入操作步骤:修改表里相应参数值后——回车——点“写入”。
注意:有*好的参数伺服要停电后5S再启。
三)、软件调试运行功能(点动运行、定位运行、无电机运行、程序运行)1、试运行1)、点动运行操作试运行——点动运行——电机转速3000r/min注意设定时不要超过3000转——加减速时间常数1000ms——点正转停止或反转停止即可。
2)、定位运行操作试运行——定位运行——电机转速200r/min注意设定时不要超过3000转——加减速时间常数1000ms——移动量9310720pules——点正转停止或反转停止即可。
3)、程序运行操作试运行——程序运行——点“编辑”——在“程序运行”里点“编辑”——出现“程序运行—编辑”栏,在右边大空白栏里输入以下程序如下:TIMS(3):运行程序3次;SPN(1000):进给转速1000r/min;STC(500):伺服到达额定转速时间500ms;MOV(100000):正转给移动脉冲距离100000PULES;TIM(3) :等待下一步操作时间3秒;SPN(1000):进给转速1000r/min;STC(500) :伺服到达额定转速时间500ms;MOV(-100000) :正转给移动脉冲距离100000PULES;STOP:停止;按“确定”——反悔程序运行界面——点“启动”这时电机按你编制的程序要求运行。
MITSUBISHI三菱MR-E数字交流伺服 安装调试说明书 (2003.11版本) 目 录 1. 三菱MR-E连接示意图 2. 通电前的检查 3. 通电时的检查 4. 三菱MR-E伺服驱动器的参数设定方法 5. 三菱MR-E伺服驱动器的参数表 6. 三菱MR-E伺服驱动器的参数和性能优化调整 1.三菱MR-E连接示意图 重要提示: 由于电机和编码器是同轴连接,因此,在电机轴端安装带轮或连轴器时,请勿敲击。
否则,会损坏编码器。
(此种 情况,不在三菱的保修范围!) 2. 通电前的检查 1) 确认三菱MR-E伺服驱动器和电机插头的连接,相序是否正确: A. 中惯量电机HC-SFE 52(0.5KW)~152(1.5KW)的连接: 伺服驱动器 电机插头 U A V B W C 接地 D 刹车电源 B1 G 刹车电源 B2 H B. 中惯量电机HC-SFE 202(2.0KW)的连接: 伺服驱动器 电机插头 U A V B W C 接地 D 刹车电源 B1 E 刹车电源 B2 F 注: 电机相序错误,通电时会发生电机抖动现象。
刹车电源 B1、B2无极性。
2)确认三菱MR-E伺服驱动器CN2和伺服电机编码器联接正确, 接插件螺丝拧紧。
3)确认三菱MR-E伺服驱动器CN1和数控系统的插头联接正确, 接插件螺丝拧紧。
3.通电时的检查 1) 确认三相主电路输入电压在200V-220V范围内。
建议用户选用380V/200V的三相伺服变压器。
2)确认接地可靠。
4.三菱MR-E伺服驱动器的参数设定方法 三菱MR-E伺服驱动器修改参数的操作方法,如下: 1) 按“MODE”按钮,可切换显示以下6种方式, 2 切换到显示基本参数画面: 2) 按○·UP和○· DOWN键,选择想修改参数的参数号(例修改2号参3) 按2次○·SET键(想修改参数的参数值显示并闪烁)。
三菱伺服电机调试步骤三菱伺服调试步骤:一.纯软件调试:调试环境:采用仿真器调试调试任务:检验软件的正确性1.总调:接上各种传感器,对编码器编相应的信号单片机程序模仿伺服电机工作时的编码器信号,然后按工作情况-启动,调速,停机等各个工作状态调试。
(1 )多任务的参数是否打架,这里要展开才能说清楚,请多体会(2)多任务系统各个任务占用DSP的时间,是否有任务在极端情况下时间不够。
(3)注意极端情况,边缘情况是是否工作正常。
2.子系统调试:(1 )判断边缘状态下工作是否出问题(2)走通每一条路,判断结果和预期是否一致(3 )注意是否存在计算溢出二.直流低电压,低电流下调试:调试环境:用直流电源加30V或60V直流电压;烧写芯片调试;采用示波器,功率仪等对硬件数据监测,最好有DSP-电脑调试系统,将DSP 工作情况,检测参数传给电脑,同时将电脑的工作或调试命令传给DSP 。
调试任务:主要检验软件和硬件之间协调性(1 )各个工作状态下硬件数据(如电压,电流,波形,功率等)是否正常(2 )判断各个关键点的干扰情况。
关键点一般是指:为DSP 供电的3.3V 电源;编码器信号接收端;通讯信号接收端;功率模块电源;功率模块驱动信号端;功率模块保护信号接收端等。
记下这些关键点的干扰情况,好与后面强电加上后的干扰比较。
三.交流低功率下调试:调试环境:加交流电源,低功率负载;烧写芯片调试;采用示波器,功率仪等对硬件数据监测,DSP- 电脑调试系统。
调试任务:检验交流及其有关电路。
四.交流高功率下调试:调试环境:加交流电源,高功率负载;烧写芯片调试;采用示波器,功率仪等对硬件数据监测,DSP- 电脑调试系统。
调试任务:检验最恶劣干扰下系统工作状态;检验整流桥,功率模块,滤波电容发热情况;检验电机发热情况。
( 1 )在大功率情况下,测试关键点干扰情况,和直流小功率情况作比较,找出问题。
2 )检验大功率情况系统的各个参数( 3 )检验功率器件的发热情况( 4 )检验电机的发热情况( 5 )测试效率,转矩等到此,实验样机的三菱伺服电机调试完成一轮。
三菱伺服馬達調機步驟本文以 Mitsubishi 泛用型 AC servo motor 為安裝對象 , 介紹安裝及調整步驟。
1. 安裝圖 1 馬達安裝接線圖馬達與 Driver 接線圖如圖 1所示 , 安裝與調機時接線請參照此接線圖,第一次啟動馬達運轉時,請確認連接是否正確。
2. 信號與配線在位置控制模式下, Driver 標準接線圖如圖 2所示。
根據 Driver 與控制器連轉接板接線表需按表 1連接,以確保控制命令與回受訊號能正確的送出與接收。
圖 2 Driver控制訊號線接線圖表 1接線腳位列表3. 參數介紹Mitsubishi 泛用型 AC servo motor可設定之參數大致可分為三個部份,分別是基本參數、擴張參數Ⅰ、擴張參數Ⅱ:3.1. 基本參數基本參數共有 20個,其內容如表 2所示。
表 2 基本參數3.2. 擴張參數Ⅰ擴張參數Ⅰ共有 30個,其內容如表 3所示。
表 3 擴張參數Ⅰ3.3. 擴張參數Ⅱ擴張參數Ⅱ共有 27個,其內容如表 4所示。
表 4 擴張參數4. 基本運轉操作目前完成了安裝與線路連接 , 若要啟動馬達使其試運轉則還有一些基本參數待設定,根據下列順序一一調整至適應值。
A. 參數 19:首先需將所有參數設定在可讀寫之狀態下,將參數 19設定為 (000E,如此便可對所有參數進行修改。
B. 參數 0:在位置控制模式下,視回生電阻使用狀況 (通常不使用 , 參數 0建議設定為 (0000。
C. 參數 1:機能選擇參數,一般使用增量系統,無剎車訊號時,使用初始設定值(0002。
D. 電子齒輪比:齒輪比設定使用參數 3(CMX及參數 4(CDV,一般計算如 (式1 、 (式2 所示,先決定機器之最小移動量,根據機構設計可求出每轉所需送出之pulse 數 1f (式 1 ,再搭配馬達之解析能力,利用 (式 2 可求得電子齒輪比。
電子齒輪比設定範圍為500501≤≤CDVCMX 。