钢箱梁计算
- 格式:xls
- 大小:78.00 KB
- 文档页数:4
ES匝道钢箱梁上部结构计算书2017.11目录一、概述 (1)1.1桥梁简介 (1)1.2 模型概况 (1)1 设计规范 (1)2 参考规范 (1)3 主要材料及性能指标 (1)4 荷载 (2)二、模型概述 (2)2.1 第一体系建模 (3)2.2 第二体系建模 (4)三、结果验算 (5)3.1顶底板强度验算 (5)1 计算结果 (5)2 强度验算 (6)3.2 腹板验算 (7)1 厚度验算 (7)2 腹板强度验算 (7)3 腹板纵向加劲肋构造验算 (8)4 腹板横向加劲肋构造验算 (8)3.3 构件设计验算 (9)1 加劲肋构造验算 (9)2 受压板加劲肋刚度验算 (9)3 闭口肋几何尺寸验算 (10)4 支承加劲肋验算 (10)3.4刚度验算 (11)1 车道荷载挠度值 (11)2 正交异形板桥面顶板挠跨比 (12)3 横隔板刚度验算 (13)3.5 整体稳定验算 (13)3.6 疲劳验算 (13)四、结论 (14)一、概述1.1桥梁简介ES匝道桥为一单跨42m简支钢箱梁桥。
截面采用等截面形式,梁宽10.2m,梁高2m。
主梁线型为圆曲线,中心线位于半径R=682m的圆弧上。
顶板厚18mm,腹板和底板厚20mm,顶板U肋厚8mm,开口肋厚20mm。
材料采用Q345C材质。
图1.1典型钢箱梁横断面(mm)1.2 模型概况1 设计规范《公路工程结构可靠度设计统一标准》(GB/T 50283-1999);《公路工程技术标准》(JTG B01-2014)《公路桥涵设计通用规范》(JTG D60-2015)《公路钢结构桥梁设计规范》(JTG D64-2015)《钢结构设计规范》(GB50017-2014)《公路钢筋混凝土及预应力混凝土桥涵设计规范》(JTG D62-2004)2 参考规范《道路桥示方书·同解说》(日本道路协会,平成8年12月)3 主要材料及性能指标主梁采用Q345C钢材,其主要力学性能见下表。
钢箱梁吊装简易计算书(标准节段钢箱梁)1、吊装重量计算(1)钢箱梁自重:132.4T(2)滑轮组自量:18T(3)吊钩自重:10T(4)缆载吊机下钢绳重量(靠近索塔处取值):8T缆载吊机吊装重量(1)+(2)+(3)+(4):168.4T缆载吊机设计重量(取1.2倍冲击系数):Q=168.4×1.2=202T每段钢箱梁采用2组吊点吊装,每组吊点传递给缆载吊机荷载:P=202/2=101T2、缆载吊机杆件内力计算(按单片桁架进行计算,计算简图见附图1)缆载吊机中梁部分由型钢组拼,按桁架结构进行计算,节点按铰支进行简化。
端梁由整体型钢组焊,计算时简化为桁架和刚体两部分进行计算(假定9’和8’杆件、3’和0’杆件组成不可变体系,1’、4’、5’、6’、7’与其铰接连接),缆载吊机自重简化为集中荷载均匀分布在各个节点上。
(1)缆载吊机支点反力计算Ra=1.8+0.6+0.6+0.3+0.5+0.5+0.5+0.5/2+50.5=55.55T (2)中梁与端梁连接铰点A、B水平向受力计算(忽略竖向受力)N A= -[1.8×(1.24+0.74/2)+0.6×(2.48+0.74/2)+0.6×3.84+50.5×3.35]/1.75=-100.6T由力的平衡条件知:N B =-N A=100.6T(3)各杆件受力计算(单位:T)中梁:N1=0 N2=4.5(拉) N3=-107.5(压)N4=104.3(拉) N5=-3.2(压) N6=-2.1(压)N7=-109(压) N8=107.5(拉) N9=-1.5(压)N10=1.1(拉) N11=-109.8(压) N12=109(拉)N13=-0.7(压) N14=-110(压) N15=109.8(拉)N16=0.7(拉) N17=-0.5(压)端梁:N1’=55.55×1.61/1.60=55.9(拉)N4’=55.2√2=78.1(拉)N5’=-(55.55 ×0.365)/1.68=-12.1(压)N6’=-(55.65×3.35+1.8 ×1.24)/1.73=-109(压)N7’=sin6.6×12.1-55.55=-54.2(压)3、强度校核(1)中梁上弦杆件受压,按压杆进行校核,对弱轴进行验算。
1 设计要点1.1 总体设计达连坝大桥主桥为钢箱连续梁桥,跨径组合为(40+60+40)m,全长140m。
1.2 主桥上部结构设计概况(1)结构布置主桥为(40+60+40)m三跨钢箱连续梁桥,全长140m。
边中跨比为0.667。
桥梁横断面布置为:(0.5m防撞墙)+(14.75m车行道)+(0.5m防撞墙)=单幅桥总宽15.75m (2)钢箱梁主梁方案主梁采用等截面钢箱梁,单箱五室断面,桥面宽15.75m,箱宽12.0m,悬臂长1.925m。
主梁中心高度2.4m,高跨比1/25。
1.3 主桥下部结构设计概况见施工图纸。
1.4 主要材料(1)混凝土C15:承台基础垫层C30:过渡墩承台、防撞栏、桩基、主墩墩身、过渡墩墩身及盖梁C40:支座垫石(2)钢材主体结构采用Q345qD;附属结构采用Q235B;(3)支座主墩:LQZ3000GD、LQZ3000DX、LQZ3000SX;过渡墩:LQZ1500DX、LQZ1500SX;(4)伸缩缝伸缩缝:D160型伸缩缝。
2 计算依据2.1设计规范及参考资料(1)执行规范:《公路桥涵钢结构及木结构设计规范》(JTJ 025-86)《铁路桥梁钢结构设计规范》(TB 10002.2-2005)《钢结构设计规范》(GB 50017-2003)《公路桥涵设计通用规范》(JTG D60-2004)《公路钢筋混凝土及预应力混凝土桥涵设计规范》(JTG D62-2004)《公路桥梁抗风设计规范》(JTG/T D60-01-2004)(2)参考规范及文献资料:《日本道路桥示方书·同解说》《钢桥、混凝土桥及结合桥》BS5400 (1978~1982)《公路钢结构桥梁设计规范—征求意见稿》《现代钢桥》(上册)(吴冲主编 2006年4月)《公路钢结构桥梁设计规范》( 征求意见稿)《公路钢箱梁桥面铺装设计与施工技术指南》2.2技术标准(1)公路等级:双向6车道,一级公路。
米钢箱梁计算书公司标准化编码 [QQX96QT-XQQB89Q8-NQQJ6Q8-MQM9N]目录1.工程概况本项目跨径组合为35+50+35 米。
上部结构箱梁梁高米(箱梁内轮廓线高度)。
顶面全宽米,两侧各设米宽挑臂,箱梁顶底板设%横坡,腹板间距布置为++ 米。
箱梁顶板厚16 毫米,下设“U”形和板式加劲肋,“U”形加劲肋板厚8 毫米,板式加劲肋160×14 毫米;箱梁底板厚14 毫米,设“T”形加劲肋,加劲肋腹板120×8 毫米,翼缘100×10 毫米,间距300 或350 毫米;腹板厚12 毫米,设三道140×14 毫米板式加劲肋,各加劲肋除支承隔板处断开与支承隔板焊连外,其余加劲肋均穿过横隔板或挑臂并与之焊连。
普通横隔板间距约3 米,厚10 毫米,中部挖空设100×10 毫米翼缘。
桥台简支处支撑隔板板厚20 毫米,桥墩连续处支撑隔板板厚30 毫米,支撑隔板为围焊。
简支处隔板四角不设焊缝通过的切口,保证整个钢箱梁安装完成后的气密性;其他横隔板四角均设置焊缝通过的切口。
挑臂为“T”形截面,腹板厚10 毫米,下翼缘300×14 毫米。
2.结构计算分析模型2.1.主要规范标准.(1)《城市桥梁设计规范》(CJJ 11-2011)(2)《公路桥涵设计通用规范》(JTG D60-2004)(3)《公路圬工桥涵设计规范》(JTG D61-2005)(4)《公路钢筋混凝土及预应力混凝土桥涵设计规范》(JTG D62-2004)(5)《公路桥涵地基与基础设计规范》(JTG D63-2007)(6)《公路桥梁抗震设计细则》(JTG/T B02-01-2008)(7)《混凝土结构设计规范》(GB50010-2010)(8)《公路桥涵施工技术规范》(JTG/T F50-2011)(9)《城市桥梁工程施工与质量验收规范》(CJJ 2—2008)(10)《公路桥涵钢结构及木结构设计规范》(JTJ025—86)(11)《钢结构工程施工质量及验收规范》(GB50205-2001)(12)《铁路桥梁钢结构设计规范》(TB )2.2.主要材料及力学参数Q345qD:弹性模量E=×105MPa剪切模量G=×105MPa轴向容许应力:200MPa剪切容许应力:120MPa表2-1 钢材容许应力表2.3.计算荷载取值(1)结构设计安全等级:一级(2)永久作用自重:实际结构建立计算模型,由程序自动计算,材料容重取m3;横隔板:横隔板处按节点荷载加载,支点截面45kN,其余隔板处15kN;二期:8cm沥青混凝土铺装:25××13=26kN/m,墙式护栏按10kN/m计算,共计36kN/m。
箱梁计算公式
标题:箱梁计算公式
正文:
箱梁是一种常见的桥梁结构形式,其特点是截面形状类似于箱子,故得名箱梁。
在箱梁的计算中,需要考虑到梁的挠度和裂缝等问题,因此需要使用一些计算公式来计算箱梁的各项参数。
其中,最常见的计算公式是箱梁挠度的计算公式。
该公式计算的是箱梁在挠度作用下的挠度值,通常用单位长度梁的挠度值来表示。
该公式如下:
f = 0.85*F*L^3/(k*T^3)
其中,f 是挠度,单位为弧度;F 是作用在梁上的恒载重量,单
位为吨;L 是梁的长度,单位为米;k 是挠度系数,单位为弧度/米;T 是梁上的活载重量,单位为吨。
此外,还需要使用裂缝计算公式来计算箱梁的裂缝宽度。
该公式计算的是箱梁在裂缝作用下的裂缝宽度,通常用单位长度梁的裂缝宽度值来表示。
该公式如下:
s = 0.85*F*L^2/(k*T^2)
其中,s 是裂缝宽度,单位为毫米;F 是作用在梁上的恒载重量,单位为吨;L 是梁的长度,单位为米;k 是裂缝系数,单位为毫米/米;T 是梁上的活载重量,单位为吨。
箱梁的计算需要考虑到梁的挠度和裂缝等问题,因此需要使用一些计算公式来计算箱梁的各项参数。
上述公式只是其中的一部分,实
际应用中可能需要根据具体情况进行调整和修改。
5.8.3 钢箱梁设计计算示例一、设计资料1、设计荷载:城—A级2、桥面净宽:17.25m(四车道)3、标准跨径:45m4、计算跨径:44m5、主梁高度:1.80m6、高跨比: 1/24.47、主要材料:钢板采用符合国标《桥梁用结构钢》GB/T 714-2000的可焊接低合金高强度桥梁用结构钢Q345q,质量等级D级;桥面铺装采用0.08m的SMA沥青混凝土;8、设计规与参考:(1)城市桥梁设计荷载标准(CJJ77-98)(2)公路桥涵钢结构及木结构设计规(JTJ025-86)(3)铁路桥梁钢结构设计规(TB10002.2-2005)(4)道路桥示方书·钢桥篇(日本道路协会)(5)英国标准BS5400钢桥、混凝土桥及结合桥(西南交通大学)二、设计断面与尺寸钢箱梁的横断面、立面以及局部加劲构造见图5.8.3-1a、断面图b、立面图c、纵向U型加劲肋与横向加劲肋图5.8.3-1 设计断面与尺寸顶板:t=14mm腹板:t=12mm顶板纵向加劲肋:U型,上口宽360mm,下口宽240mm,高300mm,t=8mm,间距740mm顶板横向加劲肋:腹板高520mm,t=14mm;下翼板宽200mm,t=16mm;间距2.75m腹板竖向加劲肋;板宽400mm,t=12mm;底板纵向加劲肋:板宽200mm,t=12mm;底板横向加劲肋:腹板高400mm,t=12mm;上翼板宽200mm,t=14mm;间距2.75m三、桥面系(第二体系)计算箱梁顶板第二体系(桥面系)是由钢盖板、纵肋和横肋组成的正交异性板,该体系支撑在主梁上,仅承受桥面车轮荷载,见图5.8.3-2。
经典实用的手算方法有P-E法。
本例采用梁格系电算方法计算。
1、计算简图图5.8.3-2 桥面系梁格构造图单独计算第二体系时,主梁腹板位置按竖向支撑考虑,取5跨计算。
2、纵横肋的截面特性参考日本道路协会《道路桥示方书·III钢桥篇》6.2钢床板的有关规定。
1 设计要点1.1 总体设计达连坝大桥主桥为钢箱连续梁桥,跨径组合为(40+60+40)m,全长140m。
1.2 主桥上部结构设计概况(1)结构布置主桥为(40+60+40)m三跨钢箱连续梁桥,全长140m。
边中跨比为0.667。
桥梁横断面布置为:(0.5m防撞墙)+(14.75m车行道)+(0.5m防撞墙)=单幅桥总宽15.75m (2)钢箱梁主梁方案主梁采用等截面钢箱梁,单箱五室断面,桥面宽15.75m,箱宽12.0m,悬臂长1.925m。
主梁中心高度2.4m,高跨比1/25。
1.3 主桥下部结构设计概况见施工图纸。
1.4 主要材料(1)混凝土C15:承台基础垫层C30:过渡墩承台、防撞栏、桩基、主墩墩身、过渡墩墩身及盖梁C40:支座垫石(2)钢材主体结构采用Q345qD;附属结构采用Q235B;(3)支座主墩:LQZ3000GD、LQZ3000DX、LQZ3000SX;过渡墩:LQZ1500DX、LQZ1500SX;(4)伸缩缝伸缩缝:D160型伸缩缝。
2 计算依据2.1设计规范及参考资料(1)执行规范:《公路桥涵钢结构及木结构设计规范》(JTJ 025-86)《铁路桥梁钢结构设计规范》(TB 10002.2-2005)《钢结构设计规范》(GB 50017-2003)《公路桥涵设计通用规范》(JTG D60-2004)《公路钢筋混凝土及预应力混凝土桥涵设计规范》(JTG D62-2004)《公路桥梁抗风设计规范》(JTG/T D60-01-2004)(2)参考规范及文献资料:《日本道路桥示方书·同解说》《钢桥、混凝土桥及结合桥》BS5400 (1978~1982)《公路钢结构桥梁设计规范—征求意见稿》《现代钢桥》(上册)(吴冲主编 2006年4月)《公路钢结构桥梁设计规范》( 征求意见稿)《公路钢箱梁桥面铺装设计与施工技术指南》2.2技术标准(1)公路等级:双向6车道,一级公路。
计算书一、设计依据1.《苏州广济北延GY-A1项目“钢箱梁顶推专项施工方案”(论证稿)》2.《公路桥涵设计通用规范》(JTG D60-2004)3.《公路桥涵地基与基础设计规范》(JTJ024-85)4.《公路桥涵钢结构及木结构设计规范》(JTJ025-86)5.《公路桥涵施工技术规范》(JTJ041--2000)二、设计参数1.箱梁自重:钢箱梁自重按80.7kN/m进行计算。
2、导梁自重:导梁总重为316kN,建模时对其结构进行简化,按14.1kN/m 进行计算。
3、其它结构自重:由程序自动记入。
4、墩顶水平力:顶推施工中拼装平台处的支架墩顶受摩檫力F1作用,取摩檫系数μ为0.1;在11#墩处的支架由于是千斤顶牵引施工,受到千斤顶的作用力T,同时受到墩顶摩檫力F2的作用,取摩檫系数μ为0.1。
三、设计工况及荷载组合根据施工工艺及现场的结构形式,确定荷载工况如下:工况一:钢箱梁拼装阶段。
荷载组合为:钢箱梁自重+导梁自重+其它结构自重。
工况二:钢箱梁顶推阶段。
在钢箱梁顶推阶段按每顶推2.5m为一个工况,以箱梁端头顶推至12#墩为最后一个工况,共30个工况,以此进行各墩顶的受力和导梁的受力分析,其荷载组合为:钢箱梁自重+导梁自重。
根据以上工况的计算结果,统计出各临时墩的最大受力,对其结构进行分析。
对于11#墩的荷载组合为:墩顶作用力+顶推力+摩阻力+结构自重;对于其它各临时墩的荷载组合为:墩顶作用力+摩阻力+结构自重。
四、钢箱梁拼装阶段的受力分析4.1 贝雷支架的计算分析钢箱梁在贝雷支架上进行拼装,支撑箱梁的贝雷片的最大跨径为14m。
每个断面布置有四组贝雷片进行箱梁支撑,考虑1.4的不均匀分配系数,作用在每组贝雷片的作用力为F=80.7/4×1.4+2.7/3=29.2kN/m。
其计算模型及结果如下:计算模型弯矩图剪力图通过计算得贝雷片所受到的最大弯矩为M=715.4kNm,最大剪力为V=204.4kN。
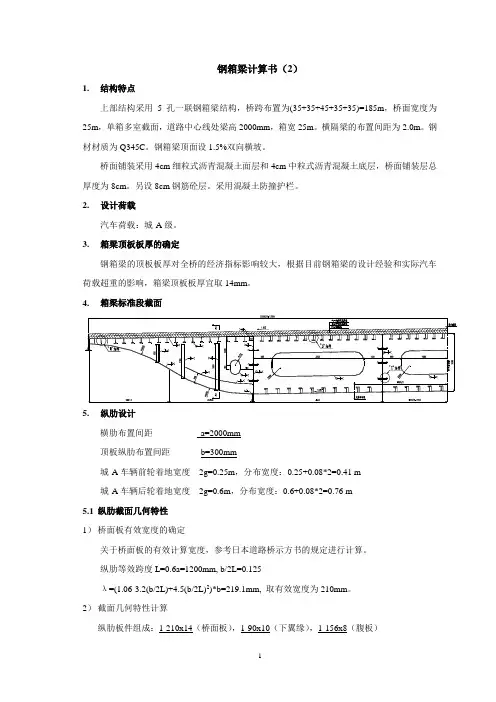
钢箱梁计算书(2)1.结构特点上部结构采用5孔一联钢箱梁结构,桥跨布置为(35+35+45+35+35)=185m,桥面宽度为25m,单箱多室截面,道路中心线处梁高2000mm,箱宽25m。
横隔梁的布置间距为2.0m。
钢材材质为Q345C。
钢箱梁顶面设1.5%双向横坡。
桥面铺装采用4cm细粒式沥青混凝土面层和4cm中粒式沥青混凝土底层,桥面铺装层总厚度为8cm。
另设8cm钢筋砼层。
采用混凝土防撞护栏。
2.设计荷载汽车荷载:城-A级。
3.箱梁顶板板厚的确定钢箱梁的顶板板厚对全桥的经济指标影响较大,根据目前钢箱梁的设计经验和实际汽车荷载超重的影响,箱梁顶板板厚宜取14mm。
4.箱梁标准段截面5.纵肋设计横肋布置间距a=2000mm顶板纵肋布置间距b=300mm城-A车辆前轮着地宽度2g=0.25m,分布宽度:0.25+0.08*2=0.41 m城-A车辆后轮着地宽度2g=0.6m,分布宽度:0.6+0.08*2=0.76 m5.1纵肋截面几何特性1)桥面板有效宽度的确定关于桥面板的有效计算宽度,参考日本道路桥示方书的规定进行计算。
纵肋等效跨度L=0.6a=1200mm, b/2L=0.125λ=(1.06-3.2(b/2L)+4.5(b/2L)2)*b=219.1mm, 取有效宽度为210mm。
2)截面几何特性计算纵肋板件组成:1-210x14(桥面板),1-90x10(下翼缘),1-156x8(腹板)A=50.88 cm2I= 2399.5 cm4Yc=12.2 cm (距下翼缘)Wt=413.7 cm3;Wb=196.7 cm35.2纵肋内力计算1)作用于纵肋上的恒载a)纵肋自重q1=21.48*1e-4*7.85e3*1.1=18.5 kg/mb)钢桥面板自重q2=0.014*b*7.85e3=38.5 kg/mc)桥面铺装(厚8cm)q3=0.08*b*2.4e3=67.2 kg/md)砼桥面板(厚8cm)q4=0.08*b*2.6e3=72.8 kg/me)恒载合计∑q=197.0 kg/m2)汽车冲击系数(1+μ)=1+0.4=1.43)作用于纵肋上的活载纵肋反力计算图式(尺寸单位:mm)采用Midas/Civil程序计算纵肋荷载横向分配值,后轮:在0.76m宽度内布1.0 t/m的均布力时,计算得到纵肋的最大反力为0.367 t。
钢箱梁重量计算公式钢箱梁是一种常见的钢结构,在桥梁建设等领域应用广泛。
要计算钢箱梁的重量,可不是一件简单的事儿,得有个靠谱的公式才行。
咱们先来说说钢箱梁的组成部分。
它就像是一个大的钢铁盒子,由顶板、底板、腹板、加劲肋等等好多部件构成。
这每一部分的钢材厚度、长度、宽度都不一样,所以计算起来还真得仔细点儿。
那钢箱梁重量的计算公式到底是啥呢?其实就是把钢箱梁各个部分的体积乘以钢材的密度。
比如说,有一个钢箱梁的顶板,长 10 米,宽 5 米,厚度是 0.2 米。
那顶板的体积就是 10×5×0.2 = 10 立方米。
钢材的密度一般取 7850 千克/立方米。
所以顶板的重量就是 10×7850 = 78500 千克,也就是 78.5 吨。
底板、腹板、加劲肋等等其他部分也都这么算,最后把所有部分的重量加起来,就是整个钢箱梁的重量啦。
我记得之前参与过一个桥梁建设项目,就碰到了计算钢箱梁重量的问题。
当时我们的团队为了确保计算的准确性,那可是反复测量、核对每一个尺寸。
有个小伙伴,拿着尺子在钢箱梁上量来量去,豆大的汗珠从额头滚落下来,都顾不上擦一擦。
我们把测量的数据仔细地记录下来,然后按照公式一步步计算。
结果算出来的重量和厂家提供的数据有一些出入,这可把我们急坏了。
大家又重新检查了一遍测量数据和计算过程,发现原来是有一个地方的尺寸记错了。
经过修正,最终得到了准确的重量,这才松了一口气。
在实际计算中,还得考虑一些其他因素。
比如钢材的材质不同,密度可能会有细微的差别。
还有,焊接部分的钢材重量也不能忽略。
总之,计算钢箱梁的重量需要耐心和细心,可不能马虎。
只有把每一个数据都搞准确,才能保证最终的结果可靠,让钢箱梁在工程中发挥出它应有的作用。
希望大家在遇到计算钢箱梁重量的时候,都能准确无误地完成任务!。
一、钢箱梁的计算流程及主要计算内容1.第一体系应力(梁体系):钢箱梁沿纵向整体受力,其受力特性为连续梁特性,跨中正弯矩最大,支座负弯矩最大。
因此利用桥梁建立纵向单梁模型,计算箱梁上下缘的最大拉应力及最大压应力。
本体系主要采用迈达斯建立纵向模型,计算强度,稳定,挠度,疲劳。
CDN计算有效宽度是K=4。
温度梯度采用英国400规范输入。
2.第二体系应力(桥面体系):钢桥面板作为桥面系直接承受车轮荷载作用,因此由纵肋和顶板组成结构系,把桥面上的荷载传递到横隔板上。
针对这一体系,把横隔板间的单根纵肋及一定宽度的桥面板作为整体(工字型截面),将横隔板作为支撑,计算其在外荷载作用下的应力,宽度采用纵肋间距计算的有效宽度,一般取横隔板间距作为计算跨径(一般间距1.5m或2.0m)。
一般取4-5跨作为计算模型,按连续梁计算出顶板的拉、压应力然后与第一体系计算出顶板的拉、压应力叠加。
单根纵肋计算出来的底板应力,为纵肋所受的力。
单根纵梁计算时活荷载加载方式:《参考五缘湾桥计算》。
汽车荷载:采用城-A级车辆荷载,钢桥面板局部受力分析时可不考虑桥面铺装层对车轮分布宽度的扩散作用,单个前轮横桥向着地宽度为0.25m,纵桥向着地宽度0.25m;单个中后轮横桥向着地宽度为0.6m,纵桥向着地宽度0.25m。
为方便计算,将车轮分布荷载简化为集中荷载计算。
纵肋的车轮分布荷载横向分配近似按杠杆法计算,单根纵肋分配到的轮重如下表所示:以4轴为例着地面积为600mm,单根纵肋上顶板宽307mm,分配轴重为:100/0.6*0.307=51.17KN表4-15单根纵肋分配到的轮重汇总表第二体系计算时采用车辆加载(冲击系数0.4),不计自重,底板没有第二体系,主要是因为底板没有直接荷载。
为什么要考虑第二体系?第一体系没有考虑横隔板对顶板(主要是车轮作用)的影响,忽略了顶板纵肋将力流引导到横隔板的这个流向,因此需要额外计算顶板加劲肋被隔板支撑的第二体系。