风机型号套定额对照表(含图片)
- 格式:xls
- 大小:171.00 KB
- 文档页数:6
消防高温排烟风机图片
HTF系列消防高温排烟风机适用于高层建筑、地下建筑及隧道、烘房等通风换在280℃高温条件下连续运转30分钟以上,介质温度100℃条件下连续运行20小理想的消防必备设施。
消防高温排烟专用风机性能的选择和型号说明
1、风机的性能表中列出的性能是最高效率范围内的性能,按风量分为五个性按性能表为准。
出厂的风机合格品是在额定风量下,全压值误差不超过±5%,准状态下的性能,无论技术文件或定货要求的性能均以标准状态为准。
2、风机安装方式可分为卧式和屋顶式,对风量、全压、安装尺寸等性能都有
3、HTF—Ⅰ、HTF—Ⅱ表示常压型消防高温排烟专用风机,叶型采用轴流式和HTF—Ⅱ(双速)两种;HTF—Ⅲ、HTF—Ⅳ表示中压消防高温排烟专
4、 HTF—X为消音型消防高温排烟专用风机,用户可根据实际需要选用不同
5、HTF—W系列屋顶式消防高温排烟专用风机,用户可根据实际需要选用阻钢制风帽。
6、HTF—D为低压型消防高温排烟专用风机。
7、特别说明:GYF与HTF系列风机是同类产品。
及隧道、烘房等通风换气或高温排烟。
能0℃条件下连续运行20小时/次不损坏,是
能,按风量分为五个性能工况点,选用时压值误差不超过±5%,性能选用表是标标准状态为准。
、安装尺寸等性能都有特殊要求。
风机,叶型采用轴流式:HTF—Ⅰ(单速)压消防高温排烟专
根据实际需要选用不同的种类。
可根据实际需要选用阻燃型玻璃钢风帽或。
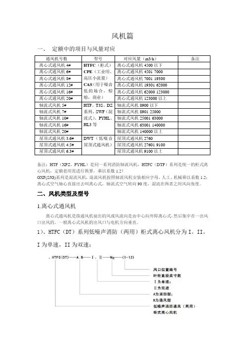
风机篇一、定额中的项目与风量对应备注:HTF(XPZ、PYHL)是同一系列消防轴流风机,HTFC(DTP)系列是统一的柜式离心风机,定额套用需进行换算,乘以系数1.2!GXF(SJG)系列是混流风机,混流风机按照轴流风机安装相应字母,人工、机械乘以系数1.2;离心式空气轴心直接出去叫离心式,轴流式空气转向90度,混流在两者之间风向角度。
二、风机类型及型号1.离心式通风机离心式通风机是指通风机扇出的风或风流向是由中心向外即离心式,然后集中在一出风口出风的。
一般离心式风机的出风口与电机方向垂直。
1)、HTFC(DT)系列低噪声消防(两用)柜式离心风机分为I。
II。
I为单速,II为双速;2)、GDF系列离心式管道风机①、型号说明②、性能参数(本机有两种形式可选用A、电机内置,B、电机外置)③、外形尺寸(电机内置与外置尺寸相同)2.轴流风机轴流式风机可以简单的认为是风走直线,直进直出。
空气流向与轴平行。
在工程项目中HTF(GYF)系列轴流风机运用较为广泛。
1)、HTF(GYF)系列消防高温排烟轴流通风机HTF(GYF)系列消防高温排烟轴流通风机型号说明2)、Dz系列低噪声轴流式通风机本系列风机有三种型式:DZ-11型壁式,DZ-12型岗位式,ZD-13管道式。
特殊场合按用户要求可加式成网罩,弯头或自垂百叶形式工。
本系列风机一般配用三相电机,按用户要求对0.55KW以下可配用单相电机。
可根据输送介质要求制成防腐,防爆型:FDZ为防腐型轴流通风机,用于输送有腐蚀性的气体;BDZ为防爆型轴流通风机,用于输送易燃易爆的气体。
FBDZ为防腐防爆型轴流通风机,用于输送有腐蚀性且易燃易爆的气体。
3)、SWF系列低噪声混流式通风机混流式通风机与轴流式风机外观大致相似,气流流向大致相同,但是混流式通风机气流流动方向在变化,经常有分流和合流现象出现。
常用到的风机机型有SWF-I(单速)、SWF-II(双速)。
SWF-IV(HLF)系列低噪声混流式风机箱HL3-2A型高效节能混流式通风机HTF(PYHL-14A)型高温排烟混流风机4)、GXF,SJG斜流式通风机斜流风机又名混流风机,外形类似轴流风机,是介于轴流风机和离心风机之间的风机。
定额中的风机的安装子目是按各类风机所对应的风量来确定的,如下列
通风机号数对应风量(m3/h)
离心式通风机安装4# 离心式通风机安装4500以下
离心式通风机安装6# 离心式通风机安装4501~7000
离心式通风机安装8# 离心式通风机安装7001~19300
离心式通风机安装12# 离心式通风机安装19301~62000
离心式通风机安装16# 离心式通风机安装62001~123000
离心式通风机安装20# 离心式通风机安装123000以上
轴流式通风机安装5# 轴流式通风机安装8900以下
轴流式通风机安装7# 轴流式通风机安装8901~25000
轴流式通风机安装10# 轴流式通风机安装25001~63000
轴流式通风机安装16# 轴流式通风机安装63001~140000
轴流式通风机安装20# 轴流式通风机安装140000以上
屋顶式通风机安装3.6# 屋顶式通风机安装2760以下
屋顶式通风机安装4.5# 屋顶式通风机安装2761~9100
屋顶式通风机安装6.3# 屋顶式通风机安装9100以上。
HTF(A)型轴流式排烟风机机号:4#-15# 风量:2300-93800m3/h 全压:102-819Pa特点:轴流轮毂式叶轮、采用高温电机,电机全封闭内置,设有专门的电机冷却系统效率高、噪声低、结构合理、体积小、安装方便。
应用:高层建筑、烘房、地下车库、地铁、隧道等消防排烟及送排通风,双速风机低速用于平时通排风、高速时为消防排烟机号转速(rpm)风量(m3/h)风压(Pa)单速功率(kW)双速功率(kW)噪声dB(A)重量(Kg)4 29006500520046004104905201.51.8/1.377 76 14503250260023001021221300.55 73 694.5 2900790058005005105906702.22.4/278 88 14503950290025001271471670.75 74 805 290098248861681751061075233/2.480 110 14504912443134101271531881.1 75 965.5 290015200120001090039859262144/386 135 **** **** 100 1.5 75 115注:双速风机重量参考同号中高速风机的重量。
HTF(A)型风机外尺寸表(单位:mm)注:屋顶式风机基础高度应≥250mm注:消声器长度可根据用户要求及消声量选取,除表中规定尺寸外,也可选择所需尺寸。
风机使用说明你所在的位置:首页>使用说明(一)特别注意事项1、风机外壳或电机外壳的接地必须可靠,禁止反方向旋转,禁止超额定电流运行,禁止缺相运行;2、风机轴承加油次数不少于1000小时/次,禁止在运转中维护风机。
(二)收货检验及风机安装前准备1、风机开箱前应检查包装是否完整无损,风机的铭牌参数是否符合要求,各随带附件是否完整齐全。
2、仔细检查风机在运输过程中有无变形或损坏,紧固件是否松动或脱落,叶轮是否有擦碰现象,并对风机各分零件进行检查。
离心风机和轴流风机区别在于:
1、离心风机改变了风管内介质的流向,而轴流风机不改变风管内介质的流向;
2、前者风量和风压都很大,后者风量和风压都很低;
3、前者安装较复杂,后者安装较简单;
4、前者电机与风机一般是通过轴连接的,后者电机一般在风机内;
5、前者常安装在空调机组进、出口处,锅炉鼓、引风机,等等,后者常安装在风管当中、或风管出口前端。
一般双速风机仍是轴流风机,风量对应如下:
消防双速高温排烟机属离心式风机,套离心式通风机定额,选子目是按通风量进行选择,查看消防双速高温排烟机的设备参数,对应定额子目的风机号数。
风机型号与风量对照表在通风系统、空调系统以及工业生产等众多领域中,风机是不可或缺的设备。
而了解风机型号与风量的对应关系,对于正确选择和使用风机至关重要。
本文将为您详细介绍风机型号与风量对照表的相关知识。
首先,我们需要明确什么是风机型号和风量。
风机型号通常是由一系列字母和数字组成,用于标识风机的类型、规格、性能等特征。
而风量则是指单位时间内通过风机的空气体积,一般以立方米每小时(m³/h)或立方英尺每分钟(CFM)为单位。
不同类型的风机,其型号编制方式和风量范围也有所不同。
常见的风机类型包括离心风机、轴流风机和混流风机。
离心风机是依靠叶轮旋转产生的离心力来推动空气流动。
其型号通常包含叶轮直径、转速、电机功率等参数。
例如,某离心风机型号为C4-72-5A,其中“C”表示离心式,“4”代表压力系数,“72”表示风机的比转数,“5”表示叶轮直径为 500mm,“A”表示传动方式。
离心风机的风量范围较广,从几百立方米每小时到数十万立方米每小时都有。
轴流风机则是通过叶轮的轴向推动使空气流动。
常见的轴流风机型号如 T35-11,其中“T”表示轴流式,“35”表示轮毂比,“11”表示机号。
轴流风机的风量相对较大,一般适用于需要大风量、低压力的场合。
混流风机结合了离心风机和轴流风机的特点,具有较高的效率和较宽的性能范围。
其型号编制方式也各有差异。
在实际应用中,风机型号与风量的对照关系会受到多种因素的影响。
例如,风机的转速、叶轮的形状和尺寸、风道的阻力等。
一般来说,风机的转速越高,风量越大;叶轮直径越大,风量也通常越大。
但风道阻力会减小实际的风量输出。
为了更直观地了解风机型号与风量的关系,以下为您提供一份常见离心风机型号与风量的对照表(仅作示例,实际数据可能因厂家和具体产品而有所不同):|风机型号|风量(m³/h)||||| C4-72-28A | 1131 2356 || C4-72-32A | 1688 3517 || C4-72-36A | 2664 5268 || C4-72-4A | 4012 7419 |需要注意的是,这只是一个简单的示例,实际选择风机时,还需要综合考虑风压、功率、效率、噪声等因素。
定额中的风机的安装子目按各类风机所对应的风量通风机号数对应风量(m3/h)
离心式通风机安装4# 离心式通风机安装4500以下
离心式通风机安装6# 离心式通风机安装4501~7000
离心式通风机安装8# 离心式通风机安装7001~19300 离心式通风机安装12# 离心式通风机安装19301~62000 离心式通风机安装16# 离心式通风机安装62001~123000 离心式通风机安装20# 离心式通风机安装123000以上轴流式通风机安装5# 轴流式通风机安装8900以下
轴流式通风机安装7# 轴流式通风机安装8901~25000 轴流式通风机安装10# 轴流式通风机安装25001~63000 轴流式通风机安装16# 轴流式通风机安装63001~140000 轴流式通风机安装20# 轴流式通风机安装140000以上屋顶式通风机安装3.6# 屋顶式通风机安装2760以下
屋顶式通风机安装4.5# 屋顶式通风机安装2761~9100
屋顶式通风机安装6.3# 屋顶式通风机安装9100以上。
序号规格型号单位数量HTFC-III-NO.22送风机1300*1500*120060002风机控制柜台2400HTFC-III-NO.18送风机1100*1200*100033704风机控制柜台13505SF-3.5-4 380V/0.37KW台27006风机控制柜台22407SF-3.5-6 380V/0.25KW台17008风机控制柜台12409SF-3.5-4 380V/0.09KW台170010风机控制柜台124011SF-3.5-6 380V/0.45KW台170012风机控制柜台124013风管减震器台81514ZP-100消声器1200*400100kg 260015ZP-100消声器1000*320100kg 148016280℃防火阀700*500个223917150℃防火阀1600*500个138018150℃防火阀1200*630个134619150℃防火阀800*630个127020150℃防火阀800*320个220521150℃防火阀500*250个114722150℃防火阀500*200个613923150℃防火阀320*200个212024消防排烟风口450*500个218025防雨百叶3000*350个224526防雨百叶2400*350个120027防雨百叶600*300个15328送风口500*500个183629吸风口300*300个840序号规格型号单位数量HTFC-III-NO.25送风机1500*1700*120075002风机控制柜台3420HTFC-III-NO.22送风机1300*1500*120060004风机控制柜台2400HTFC-III-NO.20送风机1200*1400*110054006风机控制柜台13507风管减震器台68油烟净化器700*1200*1000台19油烟净化器700*1200*1740台231台1台2台151台33台210油烟净化器700*1300*1000台111ZP-100消声器1200*500100kg1920 12ZP-100消声器800*800100kg1626 13ZP-100消声器1100*1100100kg2920 14ZP-100消声器1000*1000100kg1820 15ZP-100消声器900*900100kg1730 16150℃防火阀1200*500个1313 17150℃防火阀1000*1000个1398 18油烟净化器700*1600*1000台119150℃防火阀800*630个1267 20防雨百叶2500*500个1280 21送风口500*500个736。
风机功率与风量对照表由于安装工程定额第九册---通风空调工程的离心式、轴流式和屋顶式通风机安装是按型号大小套定额,而工程图纸中给的风机参数,具体可以参照风量对应型号通风机号数对应风量(m³/h)离心式通风机安装4#离心式通风机安装4500以下离心式通风机安装6# 离心式通风机安装4501~7000离心式通风机安装8# 离心式通风机安装7001~19300离心式通风机安装12# 离心式通风机安装19301~62000离心式通风机安装16# 离心式通风机安装62001~123000离心式通风机安装20# 离心式通风机安装123000以上轴流式通风机安装5# 轴流式通风机安装8900以下轴流式通风机安装7# 轴流式通风机安装8901~25000轴流式通风机安装10# 轴流式通风机安装25001~63000轴流式通风机安装16# 轴流式通风机安装63001~140000轴流式通风机安装20# 轴流式通风机安装140000以上屋顶式通风机安装3.6# 屋顶式通风机安装2760以下屋顶式通风机安装4.5# 屋顶式通风机安装2761~9100屋顶式通风机安装6.3# 屋顶式通风机安装9100以上注意:1、通风、空调设备安装项目中不包括设备费和应配备的地脚螺栓,应执行第一册另行计算。
2、通风、空调设备(吊顶式风机盘管除外)安装项目中未包括支架及减震台座的制作安装,应另行计算,执行设备支架制作安装相应项目,但镀锌钢板风管制作、安装项目中已包含法兰及托吊架支架安装。
3、卡式风机盘管安装,应执行吊顶式风机盘管安装项目,但其中人工、机械应乘以系数1.25。
4、电动手摇两用风机,应执行离心式通风机安装相应项目,但其中人工、机械应乘以系数1.30。
5、电动脚踏(双人)两用风机,应执行离心式通风机安装相应项目,但其中人工、材料、机械应乘以系数1.50;电动脚踏(四人)两用风机应执行离心式通风机安装相应项目,但其中人工、材料、机械应乘以系数1.80。