石灰窑拆除方案教学内容
- 格式:doc
- 大小:73.50 KB
- 文档页数:6
一、工程简介根据甲方要求,现决定拆除2台150t/d圆形双套筒气烧石灰窑,原德国“维马斯特”公司技术,双套筒气烧石灰窑总高度39,6M,有效高度23M,窑体直径Ø5020㎜,2台石灰窑配套共10台风机既相关工艺管路。
二、拆除范围⑴石灰窑本体:窑顶环形布料机、窑顶上料机构,琐锥装置,双层密封门,卷扬机提升装置,窑体钢结构分下窑体、和上窑体,窑体上下内筒,燃烧室,同流换热器,燃烧室,喷嘴,钢平台及钢梯,窑底料仓及出料机构。
⑵窑前通风系统:冷却风机、驱动助燃风机、废气风机,烟道、蝶阀、烟囱等⑶石灰窑本体管道:炉气,冷却,驱动,废气,除尘,空气等环形管道,蝶阀,膨胀节及管架。
⑷液压系统:窑顶环形布料液压系统及管路,窑底出料液压系统及管路。
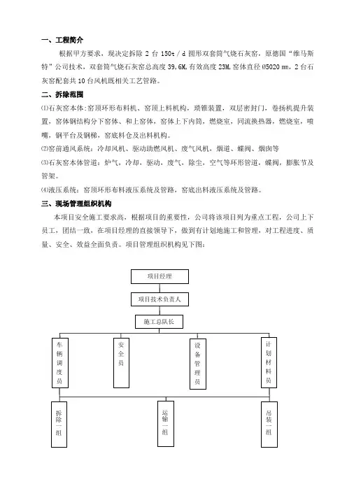
三、现场管理组织机构本项目安全施工要求高,根据项目的重要性,公司将该项目列为重点工程,公司上下员工,团结一致,在项目经理的直接领导下,做到有计划地施工和管理,对工程进度、质量、安全、效益全面负责。
项目管理组织机构见下图:1、项目部人员岗位职责⑴项目经理:全面负责工程施工管理,生产经营;工程质量责任人;安全生产第一责任人。
⑵技术负责人:负责工程技术管理组工作,参与经营决策,协调各专业技术施工的交叉作业,负责指导外购设备图纸汇审及订货,并协调项目经理做好相关工作。
⑶施工总队长:全面负责该施工工程的质量、安全、进度、文明施工等,并负责班组的调配和相互协调,协助项目经理工作。
⑷安全员:负责公司项目的安全生产文明施工,制定本项目的安全生产及文明施工制度,及时做好分项工程的安全防护措施技术交底,监督和检查施工现场的安全防护用品,放盗措施的落实,违章纠正检查,杜绝违章作业。
⑸车辆调度员:负责项目的吊车、运输车辆的安排。
⑹设备管理员:负责拆除后设备的编号,清点运输过程的安全,以及设备的堆放。
⑺计划材料员:负责购买合格的材料并组织进场、材料成本控制,并结合库房和其他人员验收入库,配合技术负责人,根据项目进程,有计划,有时间组织材料进场及现场材料管理。
回转窑拆卸方案介绍回转窑是一种用于生产水泥、石灰等的重要设备。
拆卸回转窑时需要严格遵守安全操作流程和拆卸方案,以确保工作人员的安全并保护设备的完整性。
本文档将提供一份简要的回转窑拆卸方案,旨在提供操作指导和注意事项。
操作步骤1. 进行安全检查:- 检查回转窑周围的安全隐患,如移除杂物并清理工作区域。
- 确保所有相关人员佩戴个人防护装备,如安全帽、防护眼镜和手套等。
- 验证相关工具和设备的正常运行状态。
2. 停止回转窑运转:- 关闭回转窑的电源,并断开电源线。
- 等待回转窑完全停止旋转,确保安全后方可继续拆卸工作。
3. 处理回转窑内残留物:- 清除回转窑内残留的材料,如水泥、石灰等,确保回转窑内干净无杂物。
4. 拆卸回转窑外壳:- 依据设备设计图纸和相关技术规范,拆卸回转窑的外壳。
- 使用适当的工具和设备,如螺丝刀、扳手等,拆卸紧固件并逐步移除外壳。
5. 拆卸回转窑内部构件:- 根据拆卸顺序和步骤,逐一拆卸回转窑内的构件,如滚筒、轴承、齿轮等。
- 使用合适的工具和设备,如起重机、千斤顶等,辅助拆卸工作。
6. 清理工作区域:- 清除回转窑拆卸过程中产生的垃圾和杂物。
- 检查拆卸过程中是否有遗漏的构件或部件,确保工作区域干净整洁。
7. 文件记录与整理:- 记录回转窑拆卸过程中的重要操作和注意事项,以备日后参考。
- 整理和妥善保管回转窑拆卸相关的文档和资料。
注意事项- 在操作过程中,严禁随意拆卸或破坏设备外壳和构件。
- 拆卸过程中应遵循设备制造商提供的拆卸指导和技术规范。
- 拆卸工作应由经过培训和资质认证的工作人员进行,确保其具备安全操作的能力。
- 拆卸过程中如发现异常情况,应立即停止操作,并报告相关负责人。
- 拆卸完成后,应及时清理工作区域,并进行设备的维护和保养。
请注意,本文档仅提供了一个简要的回转窑拆卸方案,并不能包含所有细节和具体操作步骤。
在实际操作中,请严格遵循相关的法律法规和安全标准,确保操作的安全性和合规性。
拆除废旧砖窑方案
在拆除废旧砖窑方面,应制定详细的拆除方案,确保安全、高效地完成任务。
以下是一个合理的拆除废旧砖窑方案:
1. 前期准备工作:
a. 对砖窑进行全面检查,评估其结构安全性和存在的潜在危险。
b. 移除周围堆放的材料和设备,确保拆除过程中不会受到干扰。
c. 准备必要的工具和设备,包括起重机械、挖掘机、破碎锤等。
2. 拆除过程:
a. 先解体砖窑的上部结构,如烟囱、砖墙等。
使用起重机械和破碎锤可以更高效地完成此任务。
b. 拆除砖窑的底部部分,使用挖掘机逐步清除砖窑下方的土壤。
c. 逐层拆除砖窑内部的砖块,确保砖窑的整体稳定。
d. 将拆除后的砖块和废弃物分类处理,如破碎的砖块可用于填充建筑材料。
3. 安全措施:
a. 在拆除过程中,工人需佩戴合适的安全防护装备,包括安全帽、防尘口罩、耐刺手套等。
b. 拆除过程中,严禁使用明火和易燃物品,防止发生火灾事故。
c. 确保工人掌握正确的操作技巧,并遵循安全操作规程。
d. 在拆除现场设置明显的警示标志,防止他人误入危险区域。
4. 环境保护:
a. 对拆除过程中产生的粉尘、污染物等进行有效控制,避免
对周围环境造成污染。
b. 妥善处理砖窑拆除后的废弃物,确保其符合环境标准要求。
c. 如有需要,可委托专业机构进行环境监测,确保拆除过程
的环境影响控制在合理范围内。
该方案旨在确保砖窑拆除工作的安全和环保,同时提高工作效率。
具体实施时,应根据实际情况进行调整,并配备专业人员进行操作指导和监督。
一、工程简介根据甲方要求,现决定拆除2台150t/d圆形双套筒气烧石灰窑,原德国“维马斯特”公司技术,双套筒气烧石灰窑总高度39,6M,有效高度23M,窑体直径Ø5020㎜,2台石灰窑配套共10台风机既相关工艺管路。
二、拆除范围⑴石灰窑本体:窑顶环形布料机、窑顶上料机构,琐锥装置,双层密封门,卷扬机提升装置,窑体钢结构分下窑体、和上窑体,窑体上下内筒,燃烧室,同流换热器,燃烧室,喷嘴,钢平台及钢梯,窑底料仓及出料机构。
⑵窑前通风系统:冷却风机、驱动助燃风机、废气风机,烟道、蝶阀、烟囱等⑶石灰窑本体管道:炉气,冷却,驱动,废气,除尘,空气等环形管道,蝶阀,膨胀节及管架。
⑷液压系统:窑顶环形布料液压系统及管路,窑底出料液压系统及管路。
三、现场管理组织机构本项目安全施工要求高,根据项目的重要性,公司将该项目列为重点工程,公司上下员工,团结一致,在项目经理的直接领导下,做到有计划地施工和管理,对工程进度、质量、安全、效益全面负责。
项目管理组织机构见下图:1、项目部人员岗位职责⑴项目经理:全面负责工程施工管理,生产经营;工程质量责任人;安全生产第一责任人。
⑵技术负责人:负责工程技术管理组工作,参与经营决策,协调各专业技术施工的交叉作业,负责指导外购设备图纸汇审及订货,并协调项目经理做好相关工作。
⑶施工总队长:全面负责该施工工程的质量、安全、进度、文明施工等,并负责班组的调配和相互协调,协助项目经理工作。
⑷安全员:负责公司项目的安全生产文明施工,制定本项目的安全生产及文明施工制度,及时做好分项工程的安全防护措施技术交底,监督和检查施工现场的安全防护用品,放盗措施的落实,违章纠正检查,杜绝违章作业。
⑸车辆调度员:负责项目的吊车、运输车辆的安排。
⑹设备管理员:负责拆除后设备的编号,清点运输过程的安全,以及设备的堆放。
⑺计划材料员:负责购买合格的材料并组织进场、材料成本控制,并结合库房和其他人员验收入库,配合技术负责人,根据项目进程,有计划,有时间组织材料进场及现场材料管理。
窑洞拆除方案一、引言窑洞是中国传统农村地区特有的建筑形式,具有悠久的历史和独特的文化价值。
然而,随着城市化进程的加快,窑洞逐渐成为城市发展中的障碍物,需要进行拆除。
本文将探讨窑洞拆除的方案,并就其环保、经济和社会影响进行分析。
二、窑洞拆除的原因1. 城市化进程:随着城市化进程的快速推进,农村地区逐渐向城市化转型,窑洞作为传统农村建筑,无法满足现代城市居住需求,因此需要拆除。
2. 建筑安全:由于窑洞多为传统土木结构,随着时间的推移,存在安全隐患,如墙体渗透、屋顶漏水等问题,拆除窑洞可以消除这些安全隐患。
3. 资源利用:窑洞本身占地面积较大,拆除后可以进行土地开发,用于更加合理和高效的利用,如建设住宅、商业用地等。
三、窑洞拆除的方案1. 方案选择:窑洞拆除方案应根据具体情况选择,包括窑洞的数量、位置、结构状况等因素。
可以采取全面拆除、局部拆除或改造利用等不同方案。
2. 拆除方式:窑洞的拆除可以采取机械拆除、人工拆除或爆破拆除等方式。
机械拆除速度快且效率高,但也存在对周围环境的影响;人工拆除相对较慢,但可以更加精细地控制拆除过程;爆破拆除可以快速拆除大面积窑洞,但需要进行严格的安全措施。
3. 环境保护:在窑洞拆除过程中,需要注意环境保护,避免对周围土壤、水源和空气造成污染。
合理处理拆除产生的废弃物,如砖石、木材等,可以进行分类处理和再利用。
4. 社会影响:窑洞拆除会对当地居民生活产生一定的影响,需要做好社会稳定工作。
可以提供合适的补偿措施,如提供新居住条件、就业机会等,减少拆除带来的不利影响。
四、窑洞拆除的影响分析1. 环保影响:窑洞的拆除可以减少土地资源的浪费,推动土地资源的合理利用。
同时,合理处理拆除产生的废弃物,有利于减少环境污染。
2. 经济影响:窑洞的拆除可以释放土地资源,用于城市建设和经济发展。
同时,拆除过程中需要投入人力物力,推动了相关产业的发展,促进了经济增长。
3. 社会影响:窑洞拆除后,居民的居住条件将得到改善,生活质量将提升。
石灰道路拆除施工方案1. 引言本文档旨在提供石灰道路拆除施工方案。
拆除工程的目标是安全、高效地将石灰道路进行拆除,并确保周边环境不受损害。
2. 施工准备在拆除工程开始前,需进行详细的施工准备工作。
具体步骤如下:1. 确认施工范围和拆除工程的时间计划。
2. 预先调查道路周边的地下管线、电缆等设施,并与相关部门沟通,确保施工不会对这些设施造成损坏。
3. 准备必要的材料和设备,包括拆除工具、运输工具等。
3. 施工步骤拆除工程的具体步骤如下:1. 清理和划定施工区域,确保施工现场安全和整洁。
2. 使用适当的拆除工具,对石灰道路进行逐步拆除。
在拆除过程中,要注意防止灰尘和碎石对周围环境造成污染。
3. 拆除完成后,及时清理施工现场,并进行必要的修复工作,确保道路的平整和安全。
4. 对拆除产生的废弃物进行分类和处理,符合环保要求。
4. 安全措施在拆除工程中,要始终确保施工人员和周围居民的安全。
具体的安全措施包括:1. 为施工人员提供必要的安全装备,如安全帽、手套等。
2. 设置明显的施工标志和警示牌,提醒周围行人和车辆注意施工区域。
3. 控制施工现场的进出口,确保只有经过培训并佩戴证件的人员才能进入。
4. 在施工过程中,注意对周围环境和设施的保护,避免造成安全隐患。
5. 环境保护在拆除工程中,要充分考虑环境保护的因素。
具体措施包括:1. 在拆除过程中,采取防尘措施,减少灰尘对周围环境的污染。
2. 对拆除产生的废弃物进行分类、处理和回收利用。
3. 使用环保材料和工艺,减少对自然环境的负面影响。
6. 施工监督和管理为确保拆除工程顺利进行,应设立专门的监督和管理机构。
具体任务包括:1. 监督施工过程的合规性和安全性。
2. 协调各个施工单位和相关部门之间的沟通和合作。
3. 对施工中发现的问题进行及时处理,并提出改进措施。
7. 结论通过本文档提供的石灰道路拆除施工方案,我们可以在保证安全的前提下,高效地完成拆除工程。
同时,我们应重视环境保护和施工质量控制,确保整个工程的顺利进行。
拆除炉窑施工方案1. 引言本文档旨在提供拆除炉窑的施工方案,确保施工过程安全、高效,并最大程度地减少对环境的影响。
拆除炉窑属于高风险工作,需要严格遵循安全规定和操作流程,以确保人员和设备的安全。
2. 施工前准备工作在正式进行拆除炉窑施工之前,需要做好以下准备工作:2.1 施工方案制定根据炉窑的具体情况,制定详细的拆除施工方案,包括拆除顺序、工艺流程、设备使用等内容。
安全专家应参与方案的制定,并进行评审和验证。
2.2 安全措施制定和强化相关的安全措施,包括施工现场的封闭和防护措施、周边环境的安全评估、施工人员的安全培训等。
2.3 设备备件准备检查和准备所需的拆除设备和备件,确保设备完好,并做好备用方案。
2.4 施工人员准备确定施工人员,并对其进行岗前培训,培养其安全意识和操作技能。
2.5 环境保护措施制定并执行环境保护措施,包括噪音、粉尘、废水的处理等,确保施工过程对周边环境的影响最小化。
3. 施工流程以下为拆除炉窑的一般施工流程:在施工现场进行布置和标示,设置安全警示标志,在施工区域周围划定安全防护区域。
3.2 施工设备调试检查和调试所需的拆除设备,确保其正常运行,确认设备和备件的准备情况。
3.3 炉窑燃料清空首先需要将炉窑内的燃料完全清空,确保炉窑不再存在燃烧的危险。
3.4 炉窑温度冷却等待炉窑完全冷却,确保温度达到安全拆除的要求。
3.5 拆除炉窑结构按照拆除方案,进行炉窑结构的拆卸工作。
拆卸过程中要注意严格遵循操作规程,确保拆除过程的安全和顺利进行。
完成拆除后,对施工现场进行彻底清理,清除残留物和垃圾,确保施工现场无遗留物。
4. 安全措施与风险评估拆除炉窑涉及到一定的风险,必须采取相应的安全措施,以下是常见的安全措施及风险评估:4.1 安全警示标识在施工现场设置必要的安全警示标志,警示施工人员注意安全。
4.2 个体防护装备施工人员必须佩戴符合安全标准的个体防护设备,如安全帽、防护眼镜、工作服、防护手套等。
石灰土拆除施工方案一、工程概况与目标本次石灰土拆除工程涉及对既有石灰土结构的解体与移除。
工程的主要目标是在确保安全、环保和效率的前提下,完成石灰土结构的拆除工作,为后续工程奠定基础。
二、施工前准备工作现场勘查:对施工现场进行详细勘查,了解石灰土结构的实际状况、周围环境及地下管线等。
施工图纸及方案设计:根据勘查结果,制定详细的施工图纸及拆除方案。
材料与设备准备:按照拆除方案,准备所需的拆除工具、运输车辆及其他辅助材料。
人员组织:组建专业的施工团队,明确各岗位职责,并进行必要的岗前培训。
三、拆除方法与步骤拆除方法:采用机械拆除与人工辅助相结合的方式,确保拆除过程安全可控。
拆除步骤:先对石灰土结构进行标记,然后按照从上至下、由外至内的顺序进行拆除,避免对周围结构造成影响。
四、安全防护措施现场设置警戒线,确保非施工人员不得进入拆除区域。
施工人员必须佩戴安全帽、防护眼镜、手套等个人防护用品。
定期对施工机械进行检查与维护,确保其处于良好工作状态。
五、环境保护措施对拆除过程中产生的扬尘进行洒水降尘处理,减少空气污染。
废弃物分类处理,可回收材料回收利用,不可回收材料妥善处理。
施工现场设置噪声防护措施,减少对周边环境的影响。
六、施工进度与时间安排制定详细的施工进度计划,确保各阶段任务按时完成。
设立进度监控机制,对施工进度进行实时监控与调整。
七、质量保证与验收标准严格按照施工图纸及国家相关规范进行拆除作业,确保施工质量。
拆除完成后,对现场进行清理,确保无残留物。
参照国家相关标准进行验收,确保工程质量达到要求。
八、人员培训与责任分配对施工人员进行岗前培训,提高其安全意识和操作技能。
明确各岗位职责,确保责任到人,提高工作效率。
设立奖惩机制,对表现优秀的员工进行表彰,对违反规定的员工进行处罚。
通过上述方案的实施,我们将确保石灰土拆除工程安全、高效、环保地完成,为后续工程奠定坚实基础。
石灰窑拆除工程环保方案一、前言随着环保意识的提高和国家对环境保护的要求日益严格,石灰窑拆除工程涉及公共安全和环境保护等问题,需要制定科学的环保方案,以减少对自然环境的影响,保护周边居民生活。
二、工程概况石灰窑拆除工程位于某地区的工业区,周边有居民区和农田。
石灰窑已经停产多年,但废弃的建筑结构、工业设备以及废渣等对周边环境造成了一定的影响。
拆除石灰窑的主要任务是清理废弃物、拆除建筑、处理废渣等,以恢复周边环境。
三、环境影响评价对于石灰窑拆除工程的环境影响,需要对拆除过程中可能产生的污染物、噪音、震动等进行全面评估,并提出相应的减排措施和监测方案。
1. 污染物排放控制(1)粉尘控制:在拆除过程中,会产生大量粉尘,严重影响周边居民生活和农田环境。
因此,必须对拆除现场进行封闭围栏,并使用喷淋设备对粉尘进行控制。
(2)废水处理:拆除过程中可能产生废水,需要设置沉淀池和过滤设备进行处理,确保排放水质符合国家标准。
(3)废渣处理:对于拆除产生的废弃建筑材料、设备等,应分类处理,通过合法渠道进行处置或回收利用。
2. 噪音和震动控制(1)对于拆除过程中产生的噪音和震动,需要在周边设置监测点,确保不超过国家规定的限值,并根据需要设置隔离屏障,减少对周边居民的影响。
3. 环境监测在拆除过程中,需要对粉尘、噪音、废水等进行定期监测,及时掌握环境质量数据,并对监测结果进行公开披露。
四、环保技术方案1. 拆除工艺采用机械化拆除工艺,减少人工操作,降低人员伤亡风险,同时减少对环境的影响。
2. 废弃物处理对于拆除产生的废弃建筑材料、设备等,进行分类处理,符合国家标准的废弃物通过正规渠道进行处置或回收利用。
3. 粉尘控制在拆除现场进行封闭围栏,设置喷淋设备对粉尘进行控制,并设立专门的粉尘监测点,监测粉尘浓度,确保在允许范围内。
4. 废水处理设置沉淀池和过滤设备进行废水处理,确保排放水质符合国家标准。
5. 环保设施建设在拆除现场周边设置环保设施,包括垃圾分类桶、污水收集罐等,方便施工人员进行分类处理,减少对环境的影响。
拆除窑炉施工方案1. 简介拆除窑炉是一项涉及到炉外设备和结构的工程,需要仔细计划和进行。
本文档将提供一个拆除窑炉的施工方案,包括准备工作、拆除步骤和注意事项。
2. 准备工作在开始拆除窑炉之前,需要进行一些准备工作,以确保施工的顺利进行。
2.1. 安全评估在进行拆除工作之前,必须进行全面的安全评估。
评估应包括但不限于以下内容:•周围环境的安全情况,包括建筑物和设备•拆除窑炉可能产生的噪音、振动和粉尘•工作人员必须采取的个人防护措施和安全操作规程•相关许可证和申请的审查和批准过程2.2. 施工计划制定一份详细的施工计划是非常重要的。
这份计划应包括以下内容:•工作团队的人员安排和责任分工•拆除过程中所需的工具和设备清单•施工过程中可能遇到的问题和预案•拆除后的清理和处理工作3. 拆除步骤3.1. 断开与窑炉的供应和连接在开始拆除窑炉之前,首先必须断开与窑炉的供应和连接。
这包括但不限于以下内容:•切断燃气、电力和水源的供应•断开与窑炉相连的管道和线缆•清除旧隔热材料和残留物3.2. 拆除窑炉结构拆除过程中,需要根据施工计划,逐步拆除窑炉的结构。
这包括但不限于以下步骤:•移除窑炉外壳•拆除窑炉的内部结构•分拆窑炉的主体部分3.3. 清理和处理废料拆除完成后,必须进行废料的清理和处理。
这包括但不限于以下内容:•将拆除窑炉产生的废料进行分类和处理•根据相关规定,进行废料的回收和处置4. 注意事项4.1. 安全注意事项在整个拆除过程中,必须严格遵守安全操作规程。
以下是一些安全注意事项:•所有工作人员必须佩戴合适的个人防护设备,如安全帽、护目镜、手套等•制定和实施引燃物控制措施,以防止火灾和爆炸的发生•使用适当的工具和设备,确保工作过程的稳定和安全•避免在恶劣的天气条件下进行拆除工作4.2. 环境保护和法规要求在拆除过程中,必须遵守环境保护和法规要求。
以下是一些需要注意的事项:•确保废料的分类和处理符合当地环保法规和标准•妥善处置建筑废弃物,以减少对环境的影响•申请和获得相关许可证和审批文件,确保拆除工作的合法性和合规性5. 总结本文档提供了一个拆除窑炉的施工方案,包括准备工作、拆除步骤和注意事项。
窑炉拆除作业施工方案一、概述窑炉拆除作业是指对已停用的窑炉进行拆除的过程。
本文档旨在提供一个窑炉拆除作业的施工方案,以确保施工过程安全、高效、环保。
二、施工前准备工作1.制定详细的施工计划,包括拆除的步骤、时间安排和所需设备。
2.确保施工人员具备相关的专业知识和经验,并进行必要的培训。
3.准备必要的工具和设备,包括起重机、切割机械、防护设备等。
4.对施工区域进行清理,确保周围环境干净整洁,以避免不必要的事故。
三、施工步骤1.拆除窑炉的外部设备和管道,包括输送系统、控制系统等,确保施工区域没有任何连接。
同时对这些设备进行分类和妥善保管,以备将来使用。
2.使用起重机将窑炉内的固定设备和构件移除,确保操作过程平稳、无摇晃,并及时进行检查和维护。
3.使用切割机械对窑炉的主体进行切割,分解成易于运输和处理的部件。
在切割过程中,要注意安全,避免产生火花和烟尘。
4.将切割下来的窑炉部件进行清理和分类,确保可回收部分的回收利用,同时将不可回收部分进行妥善处理,以保护环境。
5.对施工现场进行清理,清除残留物、垃圾和危险物品,恢复施工区域的整洁和安全性。
四、施工安全措施1.严格遵守相关的安全操作规程和标准,确保施工过程安全。
2.施工现场设置合适的警示标志和安全警示线,以防止未授权人员进入。
3.施工人员必须佩戴符合标准的个人防护装备,包括安全帽、防护眼镜、耳塞、手套等。
4.在切割和焊接时,要采取防火措施,确保周围环境没有易燃和可燃物。
5.使用起重机时,要进行合理的分析和计算,确保重物安全抓取、吊放和运输过程平稳、可靠。
五、环保处理1.对拆除窑炉产生的废料、碎片和杂物进行分类收集和处理。
2.将可回收利用的部分进行分类,如金属部件、玻璃等,送往相应的回收站点。
3.将不可回收的杂物和废料送往合法的处理场所进行处理,以确保符合环保要求。
4.施工场地清理后,进行环境检测,确保没有对周边环境造成污染。
六、施工后工作1.对施工过程中所使用的设备和工具进行检查和维护,确保其良好状态,并及时进行修理和更换。
窑炉设备拆除施工方案1. 引言窑炉设备拆除施工是工业生产过程中的一项重要工作。
本文档旨在提供一个窑炉设备拆除的施工方案,以确保施工的安全性和高效性。
2. 施工前准备在进行窑炉设备拆除施工之前,需做好以下准备工作:2.1. 施工方案制定根据实际情况制定窑炉设备拆除的施工方案,包括拆除顺序、拆除步骤、拆除工具和设备等。
2.2. 安全评估和风险分析进行全面的安全评估和风险分析,识别潜在的危险和风险,制定相应的应对措施。
2.3. 现场准备工作清理施工现场,确保施工所需的道路通畅,并设置相关警示标志和安全隔离措施。
3. 拆除工序3.1. 施工人员配备配备有丰富经验和专业技能的施工人员,包括项目经理、施工队长和施工工人。
3.2. 拆除顺序根据施工方案确定拆除顺序,通常从窑炉设备的上部开始,依次向下进行拆除。
3.3. 拆除步骤1.断电:确保窑炉设备断电,并采取相应的电气安全措施,以避免电气事故的发生。
2.拆除外部管道:先拆除与窑炉设备有关的外部管道,包括进料管道、出料管道和冷却水管道等。
3.拆除燃烧设备:拆除与窑炉燃烧有关的设备,包括燃烧器和燃气阀门等。
4.拆除窑炉本体:按照施工方案逐步拆除窑炉本体,注意安全防护措施,避免事故的发生。
5.清理施工现场:及时清理施工现场,确保安全和通行畅顺。
4. 安全措施4.1. 人身安全•所有施工人员必须配备个人防护装备,包括安全帽、防护眼镜、耳塞、防护服等。
•施工现场设置明显的警示标志,提醒人员注意安全。
•严禁一人独自进行拆除作业,必须有多人共同参与。
4.2. 电气安全•拆除前必须确认窑炉设备已断电,并采取有效的电气安全措施,如断开电源、贴上明显的断电标识等。
•施工现场严禁乱拉乱拆电缆和线路,避免电气事故的发生。
4.3. 气体安全•施工现场必须进行通风处理,确保工作区域内的气体浓度符合安全标准。
•施工过程中必须严格控制火源,避免引发火灾和爆炸事故。
4.4. 机械安全•使用合适的机械设备进行拆除作业,避免人力操作引发的伤害事故。
石灰窑人工拆除工程方案一、拆除前的准备工作1.1 安全评估与方案制定在进行石灰窑的人工拆除工程前,必须要进行全面的安全评估和方案制定。
这包括对现场环境、设备结构、拆除方式等等进行全面的调查和分析,确定拆除工程的难易程度和风险性,并据此制定详细的拆除方案。
1.2 设备检修与准备在进行拆除工程前,需要对石灰窑设备进行全面的检修和准备工作。
这包括检查设备结构的完整性和稳定性,对可能的危险部位进行加固和防护,以确保拆除过程中的安全。
1.3 材料准备拆除石灰窑需要使用一系列专业的拆除设备和工具,如高空作业平台、起重设备、焊接设备等。
同时,还需要准备相应的安全防护用具,如头盔、安全带、防护眼镜等。
另外,还需要准备相应的劳动力和施工队伍,以保证拆除工程的顺利进行。
1.4 环境保护石灰窑拆除工程通常会产生较多的废弃物和污染物,所以必须要做好环境保护工作。
在拆除工程进行时,要对废弃物进行分类、收集和处理,确保不对周边环境造成污染。
二、拆除工程实施2.1 前期准备在进行拆除工程实施前,需要对施工现场进行全面的检查和清理。
清理工作包括拆除现场周边的障碍物和杂草,确保施工的通畅性和安全性。
另外,还需要对现场进行围护,设置相应的安全警示标识和封闭围栏,禁止无关人员进入。
2.2 设备拆除根据拆除方案,施工队伍首先要对石灰窑设备进行分解和拆卸。
由于石灰窑设备通常为大型重型设备,所以需要使用大型起重设备和专业的拆卸工具。
同时,为了保证拆卸作业的安全性,需要使用专业的高空作业平台和安全防护用具,确保施工人员在高空作业时的安全。
2.3 结构拆除在进行设备拆除后,接下来要对石灰窑的结构进行拆除。
这是整个拆除工程中最为复杂和危险的环节。
由于石灰窑结构通常为混凝土或钢结构,所以需要使用专业的切割工具和爆破设备。
同时,为了避免拆除过程中出现的粉尘、噪音等污染物,需要采取相应的防护措施,保护周边环境的安全和清洁。
2.4 废弃物处理在拆除工程完成后,会产生大量的废弃物和废料。
一、工程简介
根据甲方要求,现决定拆除2台150t/d圆形双套筒气烧石灰窑,原德国“维马斯特”公司技术,双套筒气烧石灰窑总高度39,6M,有效高度23M,窑体直径Ø5020㎜,2台石灰窑配套共10台风机既相关工艺管路。
二、拆除范围
⑴石灰窑本体:窑顶环形布料机、窑顶上料机构,琐锥装置,双层密封门,卷扬机提升装置,窑体钢结构分下窑体、和上窑体,窑体上下内筒,燃烧室,同流换热器,燃烧室,喷嘴,钢平台及钢梯,窑底料仓及出料机构。
⑵窑前通风系统:冷却风机、驱动助燃风机、废气风机,烟道、蝶阀、烟囱等
⑶石灰窑本体管道:炉气,冷却,驱动,废气,除尘,空气等环形管道,蝶阀,膨胀节及管架。
⑷液压系统:窑顶环形布料液压系统及管路,窑底出料液压系统及管路。
三、现场管理组织机构
本项目安全施工要求高,根据项目的重要性,公司将该项目列为重点工程,公司上下员工,团结一致,在项目经理的直接领导下,做到有计划地施工和管理,对工程进度、质量、安全、效益全面负责。
项目管理组织机构见下图:
1、项目部人员岗位职责
⑴项目经理:全面负责工程施工管理,生产经营;工程质量责任人;安全生产第一责任人。
⑵技术负责人:负责工程技术管理组工作,参与经营决策,协调各专业技术施工的交叉作业,负责指导外购设备图纸汇审及订货,并协调项目经理做好相关工作。
⑶施工总队长:全面负责该施工工程的质量、安全、进度、文明施工等,并负责班组的调配和相互协调,协助项目经理工作。
⑷安全员:负责公司项目的安全生产文明施工,制定本项目的安全生产及文明施工制度,及时做好分项工程的安全防护措施技术交底,监督和检查施工现场的安全防护用品,放盗措施的落实,违章纠正检查,杜绝违章作业。
⑸车辆调度员:负责项目的吊车、运输车辆的安排。
⑹设备管理员:负责拆除后设备的编号,清点运输过程的安全,以及设备的堆放。
⑺计划材料员:负责购买合格的材料并组织进场、材料成本控制,并结合库房和其他人员验收入库,配合技术负责人,根据项目进程,有计划,有时间组织材料进场及现场材料管理。
四.劳动力计划
根据项目施工内容、工期要求及施工进度,拟定各种劳动力资源需用计划。
五、施工安排
1、总体安排
由于该工程是高空作业,工程量大、工期短, 要想在如此短的时间内完成2台石灰窑的拆除任务,必须各个专业全面开工和调度车辆密切配合运输。
2、施工班组安排
本工程我公司安排3个组进行施工,分别是拆除组、运输组、吊装组,具体分工如下:
⑴拆除组
1、负责窑体结构、管道、设备及各部件切割拆除。
⑵吊装组
1、负责本工程所有吊装任务,保证吊装及各方面的安全。
⑶运输组
1、负责本工程所有设备运输,运输工程中保证设备安全。
六、主要拆除方法
⑴现场租用2台吊车,一台35吨,一台25吨,用于吊装拆除;4台10吨板车用于运输设备。
⑵拆除先后顺序为:窑顶滑轮、滑轮支架及平台、窑顶下料斗、窑顶下料平台、平衡箱、窑顶液压机组及管路、窑顶锁锥、换热器、换热器支架、炉气上环管、窑顶外筒体(32-39米)、窑顶布料器、热器管、喷嘴管路、上喷嘴、上燃烧室、下喷嘴、下燃烧室、上内筒、外筒体(24-32米)、下内筒、外筒(8-24米)、下环管、
⑶平台和钢梯现场制做,根据图纸要求,及筒体逐步加高,进行安装。
⑷平台安装搭其临时移动脚手架。
随着平台增高脚手架也增高
⑸主体增高5米处,安装窑底料仓和下内筒立柱,主体增高8米处,窑体上下部分用螺栓连接,主体增高22米处,吊装窑体下内筒就位,临时租用65T吊车。
⑹主体增高32米处,吊装窑体上内筒就位,临时租用65T吊车。
⑺剩余7米窑体外筒,换热器,烟筒一次吊装就位,临时租用65T吊车。
⑻其它部件采用卷扬机,抱杆,到链等工具就位。
⑼设备砌筑部分全部验收完,窑体筒外安装一台吊盘,从窑体10M观察门输送耐火材料,进行窑体砌筑。
⑽窑底料仓,振动给料机,出灰机,液压系统及管路安装。
⑾上料轨道采用放线固定轨道支架,分段铺设安装
⑿液压管道采用管材预酸洗,安装完毕后再进行一次系统循环酸洗,最后再进行系统循环油冲洗。
⒀整个安装过程中,设备或其它部件在吊装时,前期准备工作充足,实施方案,计划的确定,有专职起重工现场指挥操作。
七.施工机具投入计划
八、临建、水、电
1、施工道路利用现有的道路,并根据施工现场情况,在不影响其它生产,临时通道,由甲方协调制订。
2、根据施工内容,拟在现场建临时设施有:现场工程指挥部、包括材料仓库、工具房、临时住宿等。
3、工程施工人员生活用水,甲方协调管路给水。
4、生活用水应与施工用水分设管道,并统一受甲方人员制定调配。
5、施工用电由甲方在现场制定接线端口或设置安全总配电箱一只,分配电箱,开关箱按三级配电两级保护的要求配置,装表计量电源。
6、施工用电要和生产用电分开,确保生产或其它动力正常运行,做好防护措施,确保用电安全可靠。
10、主要施工技术方案和措施
10.1.设备安装工程
10.1.1施工顺序
石灰窑设备包括窑壳、出料装置、出料液压装置,平台钢梯、石灰窑上下内筒、上料装置、窑顶布料装置、布料液压装置,下料锁灰装置,换热器,燃烧室,喷嘴,环形管路系统,外围除尘装置,原料输送系统,排空烟筒。
安装程序大至如下:
基础验收窑壳卷制现场组对筒体吊装基础连接固定平台钢梯
下内筒筒体吊装上内筒、换热器筒体吊装窑顶布料装置
布料液压装置下料锁灰装置上料装置筑窑出料装置喷嘴、燃烧室,出料液压装置环形管路系统外围除尘装置,原料输送系统,排空烟筒电气仪表
13.3安全控制措施
13.3.1 项目经理直接领导安全工作,充分发挥安全保证体系的作用,实行安全生产承包合同制度,落实施工队长、施工班长、施工员和安全员岗位责任制、层层签订《安全生产责任书》,强化安全责任人职责,做到“职责分明,分层落实”。
13.3.2加强安全教育,提高广大干部和职工的安全意识,使施工人员思想上真正树立“安全第一,预防为主”,严格执行安全生产制度和操作规程,自觉遵守安全施工检查标准以及各种规章制度,定期分析、检查安全和工作动态。
13.3.3制定和完善安全检查制度,实现安全领导值班制和安全工作“三检制”,做到日常监督检查,定期检查,班级自查相结合,及时发现问题及时处理。
13.3.4实行安全生产奖惩制度,通过严格检查、考核、评比,重奖重惩,保证安全总目标实现。
13.3.5项目经理定期举行安全会议,及时传达上级文件精神,总结安全工作,布置下一阶段安全工作任务,从而将安全工作落实到位。
13.3.6 针对不同的施工部位,制定不同的安全防护措施,针对不同的岗位和设备,制定相应详细的岗位安全操作规程(包括机械设备操作规程)
13.3.8 新工人上岗前必须进行三级安全教育,经过考试合格后方能上岗,并通过墙报、安全标语等形式经常开展安全知识宣传教育活动,提高广大职工的安全意识和安全素质。
13.3.9 交生产任务的同时要做好安全技术交底,各工种操作人员必须严格执行安全操作规程,进入施工现场必须戴安全帽,严禁酒后及带病上岗。
实行挂牌上岗制度,严禁非施工人员进入施工现场。
13.3.10 加强照明管理,各施工区、道路设备足够的照明系统,以确保夜间的施工安全。
13.3.11 安全员每天做好施工现场安全检查工作,发现不安全因素和事故隐患,及时通知施工队长、施工员、项目经理,以便及时派人处理。
13.3.12 氧气、乙炔瓶不得放在易燃易爆管道和电线下面,二者距离不得少于5米,与明火距离同时不得小于10米
13.3.13 根据项目高空作业的特殊性,认真落实“三宝”利用,即安全帽、安全网、安全带利用,做好楼梯口、进出口、上下口、交叉口,及“临边”的防护工作。
14文明施工管理
1、在组织施工中,认真贯彻执行建设部及有关部门关于施工现场文明施工管理的各项规定
2、施工现场与周边环境有明显的分隔,设立醒目的标示。
3、施工现场场地平整,道路通畅,临时水电有人管理,不得有长流水、长明灯。
15、施工工期
1、拆除总工期:25天。