质量计划3(羟丙)
- 格式:doc
- 大小:25.50 KB
- 文档页数:1
质量工作计划
一、目标和任务。
1. 确保产品质量符合国家标准和客户要求。
2. 提高生产流程中的质量控制和管理。
3. 降低产品质量问题的发生率,提高客户满意度。
二、工作内容。
1. 完善质量管理体系,建立质量管理手册和流程文件。
2. 加强原材料的质量检验和供应商管理,确保原材料的质量符合要求。
3. 定期对生产过程进行质量把控,及时发现和解决质量问题。
4. 加强产品成品检验,确保产品的质量符合标准。
5. 建立质量问题反馈机制,对客户投诉和质量问题进行及时处理和改进。
6. 培训员工,提高员工的质量意识和技能。
三、时间安排。
1. 完善质量管理体系,月底前完成。
2. 加强原材料质量检验和供应商管理,每季度进行一次评估。
3. 定期对生产过程进行质量把控,每周进行一次检查。
4. 加强产品成品检验,每批产品出厂前进行检验。
5. 建立质量问题反馈机制,每月对客户投诉进行整理和分析。
6. 培训员工,每季度进行一次质量管理培训。
四、责任人。
1. 质量管理体系完善,质量部负责。
2. 原材料质量检验和供应商管理,采购部负责。
3. 生产过程质量把控,生产部负责。
4. 产品成品检验,质检部负责。
5. 质量问题反馈机制建立,客户服务部负责。
6. 员工培训,人力资源部负责。
五、预期效果。
1. 产品质量得到提升,客户投诉率下降。
2. 生产效率提高,成本降低。
3. 公司形象得到提升,市场竞争力增强。
质量计划
NO:QBXWS20051203 1.目的:通过实验确定羟丙纤维素产品的生产工艺,改进产品外观质量(消除絮状物),提高产品收率,降低产品生产成本。
2.实施步骤:方案制定培训试生产产品检验工艺验证
修改工艺确定工艺和岗位SOP
3.职责
3.1质量技术部负责试生产方案的制定,试产报告的拟订和报审。
3.2一车间主任负责质量计划的组织试产。
3.3工艺员、质监员负责试产过程中工艺执行和过程产品的送检。
4.实施方案
4.1原料:100品号精制棉、次氯酸钠、工业盐酸、片碱、环氧丙烷、工艺用水4.2配料、干燥:
在正常碱化设备中,用40公斤碱配制密度为1.15的碱液,全部喷入110公斤精制棉,控制流化床温度70-80度进行干燥,干燥过程中注意进料均匀,注意观察物料的颜色,温度过高物料变成黄。
4.3醚化:将干燥后的物料投入醚化机内,升温30度开始加入环氧丙烷,控制反应温度80度以下反应3小时。
4.4中和:中和釜内加入2000工艺用水升温到50度加入75公斤醋酸投入5公斤次氯酸钠,继续升温到90度观察物料外观情况再决定是否水解。
5.所需配备资源
正常运转所需人员、设备、原料、水电汽。
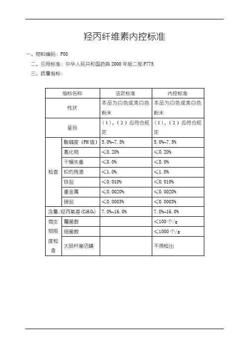
6.检验标准:
本公司该产品内控标准。
7.质量计划于2005年12月23日执行。
8.注意醋酸应提前准备,因在该季节环境温度下为固体,应提前进行溶解好。
编制人:杨春凤审批准:日期:2005年12月23 日。
2023年质量控制员Q3工作计划引言:在当今竞争激烈的市场环境中,质量控制是企业取得成功的关键因素之一。
作为一名质量控制员,在Q3期间,我们将制定有效的工作计划,以提高产品质量和客户满意度,进一步巩固企业的竞争优势。
一、品质绩效目标质量控制员需要与团队合作,制定可衡量和可跟踪的品质绩效目标,以确保产品质量得以提升。
a) 感知性质量:通过客户反馈、市场调研等手段了解产品在市场中的表现,制定提升产品质量的具体目标。
例如,通过客户调研,了解产品的使用体验和客户满意度,并根据反馈结果制定改进计划。
b) 内在质量:通过制定产品检验标准、流程优化等措施确保产品质量的内在稳定性。
例如,建立更加严格的产品检验标准,优化检验流程,从而提升产品的一致性和可靠性。
二、质量改进计划a) 引入质量改进方法:在Q3期间,质量控制员需要引入一些先进的质量管理方法,如六西格玛、PDCA循环等,来促进质量问题的发现和解决。
例如,通过六西格玛方法,对生产过程进行详细的数据分析,找出影响产品质量的关键因素,从而有效降低产品缺陷率。
b) 建立质量改进团队:质量控制员需要与其他部门合作,共同建立一个质量改进团队,通过跨部门协作来解决质量问题。
例如,与生产部门协作,开展员工培训,提高生产操作的准确性和标准化程度,进一步降低产品缺陷率。
三、供应商质量管理在Q3期间,质量控制员需要加强对供应商的质量管理,确保所采购的原材料和零部件的质量符合要求。
a) 建立供应商评估体系:质量控制员需要与采购部门合作,建立供应商评估体系,对供应商进行定期评估和监控。
例如,根据供应商的交货准时率、产品质量稳定性等指标,对供应商进行评估,并制定相应的改进计划。
b) 与供应商合作解决质量问题:质量控制员需要与供应商建立良好的合作关系,及时沟通和解决质量问题。
例如,及时反馈供应商的产品质量问题,并与其协商解决方案,确保供应链的稳定性和产品质量的持续改进。
四、质量培训计划为了加强团队成员的质量意识和能力,质量控制员需要制定质量培训计划,并定期组织培训活动。
质量攻关进度计划
项目计划进度
羟丙纤维素2006.1-3月分完成实验、试产
4月份完成实验结果报告
羧甲淀粉钠4、5月份在车间改造时间完成质量计划,
因经过干燥设备的改造实验知道膨胀率跟
干燥有一定的关系,车间改造后开始启用
进行实验,在三个月内完成。
关于产品文号申报计划
申报文号计划4月份完成立项材料的编写
5-6月份完成立项工作(省安监处受理后
30个工作日)完成材料初审和现场审核)
6-7月份完成样品的抽样检验(省局抽样后
30个工作日完成检验)
8-9省局收到样品检验报告后50个工作日
进行技术评审。
12月份之前拿到文号。
目的:建立一个羟丙甲纤维素的质量标准范围:适用于羟丙甲纤维素责任者:内容:品名:羟丙甲纤维素拼音名:Qiangbingjia Xianweisu英文名:Hypromellose本品为2-羟丙基醚甲基纤维素。
根据甲氧基与羟丙氧基含量的不同将羟丙甲纤维素分为四种取代型,即1828、2208、2906、2910型。
按干燥品计算,各取代型甲氧基(-OCH3)、羟丙氧基(-OCH2CHOHCH3)的含量应符合附表的规定。
【性状】本品为白色或类白色纤维状或颗粒状粉末;无臭。
本品在无水乙醇、乙醚或丙酮中几乎不溶;在冷水中溶胀成澄清或微浑浊的胶体溶液。
【鉴别】(1)取本品1g,加热水(80~90℃)100ml,不断搅拌,在冰浴中冷却,成黏性液体;取2ml置试管中,沿管壁缓缓加0.035%蒽酮的硫酸溶液1ml,放置5分钟,在两液界面处显蓝绿色环。
(2)取鉴别(1)项下的黏性液体适量,倾注在玻璃板上,俟水分蒸发后,形成一层有韧性的薄膜。
【检查】酸碱度取本品1.0g(以干燥品计),边搅拌边加入90℃的水50g中,冷却后,用水调节溶液至100g,搅拌至溶解完全,依法测定(附录ⅥH),pH 值应为5.0~8.0。
黏度取本品10.00g,按干燥品计算,加90℃的水使样品与水总重为500.0g,制成2.0%(g/g)的混悬液,充分搅拌约10分钟,直至颗粒得到完全均匀的分散和润湿,置冰浴中冷却,冷却过程中继续搅拌40分钟,离心除去气泡,必要时加冷水调节重量;用旋转式黏度计(NDJ-5),在20℃±0.1℃,依法测定(附录ⅥG第二法),黏度应为标示黏度的80%~120%(标示粘度为5)。
第 1 页共2 页羟丙甲纤维素质量标准第 2 页 共 2 页 水中不溶物 取本品1.0g ,置烧杯中,加80~90℃的热水100ml ,溶胀约15分钟后,在冰浴中冷却,加水300ml (必要时可适当增加水的体积,确保溶液滤过),并充分搅拌,用经105℃干燥至恒重的1号垂熔玻璃坩埚滤过,烧杯用水洗净,洗液并入上述垂熔玻璃坩埚中,滤过,在105℃干燥至恒重,遗留残渣不得过5mg (0.5%)。
羟丙甲纤维素国标
羟丙甲纤维素,又称为羟丙基甲基纤维素,是一种水溶性纤维
素衍生物,常用作增稠剂、乳化剂和稳定剂。
在国际上,羟丙甲纤
维素的国际标准通常是以英文缩写HPMC(Hydroxypropyl Methyl Cellulose)来表示。
而在中国,羟丙甲纤维素的国家标准是GB/T 23858-2009《羟丙甲纤维素》。
根据国家标准GB/T 23858-2009,《羟丙甲纤维素》规定了羟
丙甲纤维素的技术要求、试验方法、检验规则、标志、包装、运输、贮存等内容。
其中,技术要求包括外观、纯度、粘度、水分、残留
物等指标,试验方法包括外观检查、纯度测定、粘度测定、水分测定、残留物测定等。
这些规定旨在保证羟丙甲纤维素产品的质量和
安全性,以满足不同行业的需求。
羟丙甲纤维素作为一种功能性多用途助剂,在建筑材料、涂料、医药、食品、化妆品等领域有着广泛的应用。
在建筑材料中,羟丙
甲纤维素常用作水泥砂浆、瓷砖胶、石膏制品等的增稠剂和乳化剂,能够改善产品的加工性能和使用性能。
在医药领域,羟丙甲纤维素
常用作胶囊的成型剂、眼药水的稳定剂等,具有良好的生物相容性
和可溶性。
在食品工业中,羟丙甲纤维素常用作稳定剂和增稠剂,
能够提高食品的口感和质地。
总的来说,羟丙甲纤维素作为一种重要的功能性助剂,在各个领域都有着广泛的应用前景。
国家标准GB/T 23858-2009的制定和实施,有助于规范羟丙甲纤维素产品的生产和质量控制,促进相关行业的健康发展。
质量部QA(技术中心)
工作计划
1、完善食品添加剂羟丙基甲基纤维素批生产记录。
2、整理包衣粉生产所用原材料的分供方档案。
3、包衣粉生产批生产记录。
4、设计印发包衣粉和食品添加剂羟丙基甲基纤维素、药用辅料羟丙基甲基纤维素质量台账,并整理2012年记录.
5、联系山东省食品药品检验所、江苏省食品药品检验所、中国药科大学及上海药品检验所、广东省药品检验所关于我公司产品羟丙甲纤维素、乙基纤维素、甲基纤维素、羟丙纤维素、微晶纤维素、高取代羟丙基纤维素、羟丙基甲基纤维素邻苯二甲酸酯、琥珀酸酯、乙基纤维素水分散体、羟乙基纤维素及普鲁兰多糖的2015版标准增修订事项(包括样品提供、资料申请和部门接触)。
6、和山东省食品药品监督管理局和国家食品药品监督管理局联系关于药用辅料GMP的申报事项(包括人员外出培训)
7、美国客户提出不合格项整改事项,并监督其执行。
8、产品稳定性考察和产品有效期的确定事项。
9、理顺所有文件并做好修订和完善发放登记。
10、整理各种质量记录并做好登记编号和设计印发.
11、做好准备迎接技术监督局关于食品添加剂的现场监督检查(包括记录、车间现场、仓库、供应商审计材料)。
12、杭州民生、连云港豪森、武汉健民审计提出问题的整改和完善。
13、工业用水系统的验证。
14、GMP软件资料(包括法律法规、岗位职责、管理制度等)的培训学习和完善.
15、偏差、变更和自检等内容的整理完善.
16、其他相关的临时性工作安排。
质量部QA(技术中心)
2012.08。
23。
质量计划书最简单三个步骤下载温馨提示:该文档是我店铺精心编制而成,希望大家下载以后,能够帮助大家解决实际的问题。
文档下载后可定制随意修改,请根据实际需要进行相应的调整和使用,谢谢!并且,本店铺为大家提供各种各样类型的实用资料,如教育随笔、日记赏析、句子摘抄、古诗大全、经典美文、话题作文、工作总结、词语解析、文案摘录、其他资料等等,如想了解不同资料格式和写法,敬请关注!Download tips: This document is carefully compiled by the editor. I hope that after you download them, they can help you solve practical problems. The document can be customized and modified after downloading, please adjust and use it according to actual needs, thank you!In addition, our shop provides you with various types of practical materials, such as educational essays, diary appreciation, sentence excerpts, ancient poems, classic articles, topic composition, work summary, word parsing, copy excerpts, other materials and so on, want to know different data formats and writing methods, please pay attention!质量计划书最简单三个步骤导言在任何项目中,质量是至关重要的。
羟丙甲纤维素质量标准
1.目的
本标准规定羟丙甲纤维素检验项目,技术参数指标及检验方法依据等内容,作为质量控制和质量保证的准则。
2.范围
适用于羟丙甲纤维素的质量控制。
3.责任
供应部按此标准采购,质量保证部、综合一车间、生产技术部应按此标准验收,质量控制部按此标准检验。
4.标准依据
《中国药典》2010版二部
5.标准内容
5.1 物料代号:
39-018-02
5.2规格:化学试剂
5.3检验项目及限度要求:
5.4取样和检验依据:
《物料、中间产品、成品取样管理制度》WJ/ZL·(gl)·001-06 《羟丙甲纤维素检验标准操作程序》KY/H009·WJ/ZL·(bc) ·017-00 5.5 合格物料供应商
重庆兴顺化工有限公司
5.6贮存条件:密闭保存。
5.7复验期:。
加上目标、职责分配1.原材料控制废钢、生铁原料由物资回收公司及其他公司提供。
铁合金类原料采用招标方式选取, 按照《原材料及加工标准》进行验收和根据生产工艺要求加工处理, 分类挂牌堆放。
其他原料按进货检验标准控制。
2.铸件化学成份控制铸件产品化学成份, 在发展的过程中逐步形成了一种优化而科学的控制曲线, 韧性和硬度相结合, 达到一种最佳状态。
在生产当中, 我们针对不同的工况条件, 对研磨体选定不同的材质配方, 使化学元素成份控制在最佳范围, 除了常规的元素之外, 我们自行研制两种变质剂, 一种是以稀土等为主导的变质剂, 另一种是以硼和钒等微量元素为主体的变质剂, 这些变质剂均十分有效地调整了产品的韧性和硬度及热处理的相变温度点。
3.过程工艺控制采用金属模铸造成型工艺, 其中有两个关键:一是激冷工艺。
浇注温度与模具温度之间存在着1500度左右的温差, 钢水高温浇注后就会产生激冷, 使铸球晶粒更加细化组织更加致密。
增强韧性及耐磨性能。
二是局部硬化工艺。
同一种材质或配件上, 根据其需要承受冲击而又要经受磨损的部位进行硬化处理。
根据耐冲击和耐磨的双重需要分别完成。
独特的铸造成型工艺, 首先可以使产品内部组织晶粒细化而更加致密, 使碳化物呈放射状排列, 在适宜的基体组织中, 放射状含铬碳化物在铸球呈点接触时, 这种碳化物会再次载入基体, 不断形成硬质层, 从而使硬度和韧性保持在合理的交会点上, 提高了耐磨部位的韧性和硬度。
自己加上机械加工过程的控制描述和流程图4.热处理工艺控制(最好加上电镀)热处理工艺是保证和提高产品质量的最后一道工序, 也是非常重要的一道工序。
“津龙”牌研磨介质的良好性能, 必须通过最佳的热处理工艺才能得到充分体现。
不同材质、不同的规格、不同的产品, 都需要不同的工艺曲线来加以保证, 从而达到我们所需要的产品物理性能。
热处理工艺有两个要领: 第一是要让产品在加热和淬火过程中烧得透、淬得透, 达到我们所需要的基体组织和金相标准;第二是充分运用正火、淬火、回等工艺, 极大限度地消除由于铸造和淬火产生的应力, 以保证产品在服役期间达到所要求的质量标准。
羟丙纤维素合作协议书目录序言 (4)一、背景和必要性研究 (4)(一)、羟丙纤维素项目承办单位背景分析 (4)(二)、羟丙纤维素项目背景分析 (5)二、羟丙纤维素项目建设地分析 (6)(一)、羟丙纤维素项目选址原则 (6)(二)、羟丙纤维素项目选址 (7)(三)、建设条件分析 (7)(四)、用地控制指标 (9)(五)、用地总体要求 (10)(六)、节约用地措施 (11)(七)、总图布置方案 (12)(八)、运输组成 (14)(九)、选址综合评价 (17)三、后期运营与管理 (17)(一)、羟丙纤维素项目运营管理机制 (17)(二)、人员培训与知识转移 (18)(三)、设备维护与保养 (18)(四)、定期检查与评估 (19)四、工艺先进性 (20)(一)、羟丙纤维素项目建设期的原辅材料保障 (20)(二)、羟丙纤维素项目运营期的原辅材料采购与管理 (20)(三)、技术管理的独特特色 (22)(四)、羟丙纤维素项目工艺技术设计方案 (23)(五)、设备选型的智能化方案 (24)五、羟丙纤维素项目收尾与总结 (25)(一)、羟丙纤维素项目总结与经验分享 (25)(二)、羟丙纤维素项目报告与归档 (28)(三)、羟丙纤维素项目收尾与结算 (30)(四)、团队人员调整与反馈 (31)六、人员培训与发展 (32)(一)、培训需求分析 (32)(二)、培训计划制定 (33)(三)、培训执行与评估 (34)(四)、员工职业发展规划 (36)七、质量管理与监督 (37)(一)、质量管理原则 (37)(二)、质量控制措施 (39)(三)、监督与评估机制 (41)(四)、持续改进与反馈 (42)八、合作伙伴关系管理 (45)(一)、合作伙伴选择与评估 (45)(二)、合作伙伴协议与合同管理 (46)(三)、风险共担与利益共享机制 (47)(四)、定期合作评估与调整 (48)九、员工福利与团队建设 (49)(一)、员工福利政策制定 (49)(二)、团队建设活动规划 (50)(三)、员工关怀与激励措施 (50)(四)、团队文化与价值观塑造 (52)十、危机管理与应急响应 (53)(一)、危机预警机制 (53)(二)、应急预案与演练 (55)(三)、公关与舆情管理 (56)(四)、危机后期修复与改进 (58)序言随着全球市场一体化步伐的加快,跨界合作已经成为推动企业发展新趋势。
质量计划
NO:QBXWS20051202 1.目的:通过实验确定羟丙纤维素产品的生产工艺,改进产品外观质量(消除絮状物),提高产品收率,降低产品生产成本。
2.实施步骤:方案制定培训试生产产品检验工艺验证
修改工艺确定工艺和岗位SOP
3.职责
3.1质量技术部负责试生产方案的制定,试产报告的拟订和报审。
3.2一车间主任负责质量计划的组织试产。
3.3工艺员、质监员负责试产过程中工艺执行和过程产品的送检。
4.实施方案
4.1原料:100品号精制棉、次氯酸钠、工业盐酸、片碱、环氧丙烷、工艺用水4.2配料、干燥:
配制密度为1.15的碱液500公斤,投入110公斤精制棉,浸泡1.5小时后脱去碱液,在控制流化床温度70-80度精心干燥,干燥过程中注意进料均匀,注意观察物料的颜色,温度过高物料变成黄。
4.3醚化:将干燥后的物料投入醚化机内,升温30度开始加入环氧丙烷,控制反应温度80度以下反应3小时。
4.4中和:中和釜内加入2000工艺用水升温到50度加入75公斤醋酸投入5公斤次氯酸钠,继续升温到90度观察物料外观情况再决定是否水解。
5.所需配备资源
正常运转所需人员、设备、原料、水电汽。
6.检验标准:
本公司该产品内控标准。
7.质量计划于2005年12月23日执行。
8.注意醋酸应提前准备,因在该季节环境温度下为固体,应提前进行溶解好。
编制人:杨春凤审批准:日期:2005年12月23 日。