土木工程安全管理教程1
- 格式:docx
- 大小:22.45 KB
- 文档页数:4
浅谈土木工程施工质量管理与安全管理摘要:本文从“土木工程的施工质量管理、土木工程施工安全管理和施工安全保障体系”三个方面,对土木工程施工质量管理与安全管理进行了论述,旨在与同行交流,共同进步。
关键词:土木工程的施工质量和安全管理直接影响着工程的进度和效益。
安全是施工顺利进行的保障,质量是工程的生命。
安全管理不到位,施工就无法正常进行,施工质量不到位,就无法顺利通过验收,同时,还影响着竣工后的使用效果。
一、土木工程施工质量管理(一)加强土木工程施工管理,确保施工质量1、工程质量管理一是监理单位、设计单位、施工单位、建设单位应加强对设计方案、设计图纸等设计文件的质量进行会审。
重点审核设计是否符合建设单位的要求,设计方案是否科学、规范、合理,设计意图是否明确,建筑工程与周边的环境是否和谐。
对施工设计图纸进行检查,查看各种标准、数据是否相符吻合。
另外,要检查设计图纸是否正确反映设计方案、计算是否正确、尺寸标注是否有误、选用材料以及施工要求是否合理、整体设计中各个部门的设计是否协调等。
二是对施工方案、经费预算的科学性、可行性、施工技术的工艺,结构的稳定性、牢固性等进行检查。
三是对施工人员和工程质量管理人员等进行质量管理意识培训,提高质量意识。
特别是应对施工人员在施工前首先熟悉施工操作流程要求,熟练掌握施工操作要领,做到心中有数,提高土木工程施工质量意识。
四是把质量管理与员工个人待遇联系起来,实现质量奖罚制度。
对于严格按照要求施工,施工质量过硬的人员,应进行一定的奖励,对于施工质量不合格,甚至导致返修的相关责任人应进行一定的处罚。
四是着重把好工程材料质量的关口。
对进场材料的质量实行三检制度。
对于质量不合格的材料,坚决清退出场,确保材料入场质量关。
2、加强工程施工监理一是工程施工监理人员应其实履行监理职责,对工程进行全程动态监理。
二是对重要部位的施工应严格执行旁监制度,确保关键部位的工程质量。
对施工工序的交接、小项目的验收严格地对质量进行控制,并必须进行签字确认,才能流入下一道工序;二是工程监理人员应加强与施工单位质检部门的协调和配合,及时督促施工单位质检人员进行工程质量检查落实。
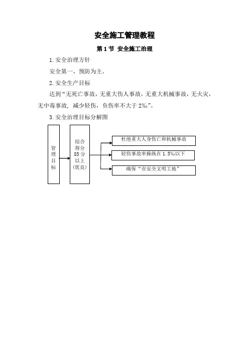
安全施工管理教程第1节安全施工治理1.安全治理方针安全第一、预防为主。
2.安全生产目标达到“无死亡事故,无重大伤人事故,无重大机械事故,无火灾,无中毒事故, 减少轻伤,负伤率不大于2‰”。
3.安全治理目标分解图第2节安全组织与治理体系施工现场安全生产治理体系是施工企业和施工现场整个治理体系的一个组成部分。
施工现场安全生产治理体系的建立不仅是为了满足工程项目部自身安全生产的要求,同时也是为了满足相关方对施工现场安全生产治理体系的连续改善和安全生产保证能力的信任。
以项目经理为首,由项目副经理、专业安全工程师,各施工队及各施工班组等各方面的治理人员组成本工程的安全治理组织机构。
1.安全治理组织机构2.安全生产责任2.1项目经理:全面负责施工现场的安全措施、安全生产等,保证施工现场安全。
2.2项目副经理:直截了当对安全生产负责,督促、安排各项安全工作,并按规定组织检查、做好记录。
2.3项目总工:制定项目安全技术措施和分部工程安全方案,督促安全措施落实解决施工过程中不安全的技术问题。
2.4安全员:监督检查施工全过程的安全生产,纠正违章,排除施工不安全因素,安排项目部安全活动及安全教育的开展,监督劳保用品的发放和使用。
2.5机电负责人:保证所使用的各类机械的安全使用,监督机械操作人员保证遵章操作,并对用电机械进行安全检查。
2.6施工工长(专业工程师):负责上级安排的安全工作的实施,制定分项工程安全方案,进行施工前的安全交底工作,监督并参与班组的安全学习。
3.安全生产治理制度3.1编制安全生产技术措施制度;3.2安全技术交底制;3.3专门工种职工实行持证上岗制度;对电工、电气焊工、起重吊装工、机械操作工、安装工、涂装工、架子工、铆工等专门工种实行持证上岗,无证者不得从事上述工种的作业。
3.4安全检查制度;公司每季度组织对项目部安全生产大检查,项目经理组织项目安全治理组成员每月对项目安全生产治理的执行情形进行检查。
土木工程施工安全手册土木工程施工安全手册是保障工人生命财产安全的重要文件。
它以详尽的安全规范和操作流程为依据,确保施工过程中的各项作业严格遵守安全要求,以减少或避免事故和伤亡的发生。
以下是一份典型的土木工程施工安全手册,它包含了许多重要内容和注意事项。
1. 引言为了确保土木工程施工过程中的安全和无事故,本安全手册旨在向施工人员提供必要的安全知识和技能,并规范施工过程中的各项安全措施。
希望所有参与施工的人员都能严格遵守本手册,共同打造一个安全、高效的工作环境。
2. 安全管理体系本章主要介绍了土木工程施工中的安全管理体系。
包括建立安全责任制、全员参与、安全教育培训、事故报告和处理等内容。
通过完善的安全管理体系,可以最大程度地降低施工过程中出现事故的风险。
3. 施工现场安全要求本节详细介绍了施工现场的安全要求。
包括施工进场准备、设备设施检查、现场清理、作业区划定和安全警示标识等。
确保施工现场的秩序井然,减少各种事故的可能性。
4. 安全操作规程本章列举了施工过程中常见的安全操作规程。
如高处作业、电焊作业、起重吊装、爆破作业等。
每一个环节都有详细的安全要求和操作流程,确保施工人员在操作过程中能充分认识到潜在的危险,并采取相应的防范措施。
5. 特种作业的安全要求本节重点介绍了土木工程施工中的一些特种作业的安全要求。
如钢结构安装、脚手架搭设、深基坑施工等。
这些特种作业通常涉及较高的风险和技术要求,需要严格遵守安全规定和操作规程。
6. 物料储存与使用本章主要介绍了在施工现场中物料的储存和使用。
包括危险品的储存、运输和处理,保持现场通道畅通,避免物料交叉污染等。
同时还包括了常见的施工材料的存放和使用注意事项。
7. 消防安全消防安全是土木工程施工过程中非常重要的一环。
本节介绍了消防器材的配置和使用,消防通道的设置,明火禁止作业等相关要求。
确保在发生火灾等突发情况时,能够及时进行灭火和疏散。
8. 急救与疏散本节重点介绍了事故发生时的急救措施和人员疏散情况。
土木工程安全管理1.引言在土木工程领域,安全管理是至关重要的一个方面。
无论是建设大型桥梁、道路、建筑物还是进行隧道挖掘,安全管理都是必不可少的工作。
本文将探讨土木工程安全管理的重要性、目标及常见的安全管理措施。
2.土木工程安全管理的重要性土木工程的特点决定了安全管理的重要性。
一方面,土木工程常常涉及对大量人力、物力和财力的投入,任何一次事故都可能导致巨大的经济损失。
另一方面,土木工程往往涉及复杂的工艺和设备,操作人员所面对的风险也较高。
因此,严格的安全管理是保证土木工程项目高质量完成、保护工作人员生命安全和保持经济可持续发展的关键。
3.土木工程安全管理的目标(1)预防事故的发生:土木工程安全管理的首要目标是预防事故的发生。
这需要从项目规划、设计、施工、运营等各个环节都充分考虑安全因素,明确安全标准和质量要求。
(2)保障工作人员的安全:土木工程项目通常需要许多工人参与,他们的安全是最重要的。
安全管理应确保工人接受适当的培训,并提供必要的防护装备和安全设施。
(3)保护环境的安全:土木工程的施工过程中往往会涉及到环境污染、土壤侵蚀等问题,安全管理的目标之一是保护环境的安全,减少对生态环境的不良影响。
4.常见的土木工程安全管理措施(1)安全规范和标准:制定和执行相关安全规范和标准,确保项目施工符合相应的安全要求。
(2)风险评估与管理:对土木工程项目进行全面的风险评估,包括施工过程中的各种风险因素,如高空作业、爆破作业等,采取相应的管理措施降低事故风险。
(3)安全培训和教育:对工程人员进行安全培训和教育,增强他们的安全意识和应急反应能力。
(4)现场管理:加强对现场管理的监督,确保施工现场的秩序和安全。
(5)技术创新:积极推广安全技术和设备的创新,提高施工过程中的安全性。
5.土木工程安全管理的挑战和对策(1)人为因素:人为因素是土木工程安全管理的一个重要挑战。
在施工中,可能存在不合理操作、疏忽大意、个人安全意识淡薄等问题。
土木工程安全规章管理制度第一章总则第一条为加强土木工程安全管理,确保土木工程建设过程中的安全生产,保障人员和财产安全,提高土木工程项目管理水平,制定本规章管理制度。
第二条本管理制度适用于所有从事土木工程建设的单位及相关人员,包括土木工程建设单位、监理单位、施工单位、设计单位、施工作业人员等。
第三条本管理制度遵循“安全第一、预防为主、全员参与、持续改进”的原则,建立科学、系统的土木工程安全管理制度,健全土木工程安全管理体系,确保土木工程项目的安全生产。
第二章组织机构第四条土木工程安全管理应当实行领导负责制,明确安全管理机构设置和职责分工。
第五条土木工程项目应当设立安全管理部门,配备专职安全管理人员,负责制定安全管理制度,组织实施安全教育培训,开展安全检查和评估,及时处理安全事故等。
第六条安全管理部门应当建立健全安全管理档案,包括安全培训记录、安全检查记录、事故调查处理记录等,并定期进行总结和归档。
第七条土木工程建设单位应当建立安全管理委员会,由工程领导班子成员及相关工作人员组成,负责审议工程安全管理工作的重大事项,协调处理重大安全事故等。
第八条监理单位应当设置专职安全监理人员,对施工单位的安全生产工作进行监督检查,及时发现和纠正安全隐患,提出整改意见。
第三章安全生产第九条土木工程建设单位应当开展安全生产教育培训,对施工作业人员进行安全操作、安全用电、安全用火等方面的培训,提高施工作业人员的安全意识和自我保护能力。
第十条施工单位应当建立健全安全生产责任制,明确各级管理人员和施工作业人员的安全生产职责,落实到位。
第十一条土木工程施工现场应当落实安全防护措施,配备必要的安全设施和器材,保障施工现场的安全生产。
第十二条对于施工现场的高空作业、起重吊装、电气安全等风险较大的作业,应当制定专门的作业方案,明确责任人和安全措施,进行安全技术交底,确保操作安全。
第十三条土木工程建设单位应当定期组织安全检查,对施工现场、设备设施、施工作业情况等进行全面检查,及时发现和处理安全隐患。
一、总则1.1 为加强土木工程施工过程中的安全管理,保障施工人员生命财产安全,预防和减少安全事故发生,根据国家有关安全生产法律法规,结合我国土木工程行业实际情况,特制定本制度。
1.2 本制度适用于所有土木工程施工项目,包括新建、改建、扩建等工程。
1.3 各施工单位应严格遵守本制度,建立健全安全生产责任制,确保施工安全。
二、安全责任2.1 施工单位应建立健全安全生产责任制,明确各级人员的安全职责。
2.2 施工项目经理为施工项目安全生产第一责任人,对施工项目的安全生产全面负责。
2.3 各级管理人员、技术人员、施工人员应按照职责分工,认真履行安全生产职责。
三、安全教育培训3.1 施工单位应定期对施工人员进行安全教育培训,提高安全意识。
3.2 新员工入职前,必须经过岗前安全教育培训,合格后方可上岗。
3.3 定期组织施工人员进行安全知识竞赛、安全技能培训等活动,提高施工人员的安全技能。
四、施工现场管理4.1 施工现场应设立明显的安全警示标志,确保施工区域安全。
4.2 施工现场应设置安全通道、防护设施,确保人员、车辆通行安全。
4.3 施工现场应配备必要的安全防护用品,如安全帽、安全带、防护眼镜等。
4.4 严格执行高空作业、爆破作业、起重作业等特种作业的安全操作规程。
五、安全监督检查5.1 施工单位应设立安全生产监督检查机构,定期对施工现场进行安全监督检查。
5.2 监督检查内容包括:施工现场安全管理、安全教育培训、安全防护设施、特种作业等。
5.3 对检查中发现的安全隐患,应立即整改,确保整改措施落实到位。
六、事故处理6.1 发生安全事故时,施工单位应立即启动应急预案,采取措施控制事故蔓延。
6.2 事故发生后,应迅速上报相关部门,并配合事故调查。
6.3 对事故责任人和责任单位进行严肃处理,追究相关责任。
七、附则7.1 本制度由施工单位负责解释。
7.2 本制度自发布之日起施行。
通过以上安全管理制度,旨在提高土木工程施工过程中的安全管理水平,保障施工人员生命财产安全,促进土木工程行业的健康发展。
土木工程安全管理在土木工程领域,安全管理是至关重要的一环。
由于土木工程的特殊性和复杂性,施工现场往往存在各种潜在的安全隐患,一旦发生事故往往会造成严重的后果。
因此,加强土木工程安全管理,预防事故的发生,保障施工人员的生命财产安全,是每一个土木工程从业者都应该重视和努力做好的工作。
一、安全意识教育要加强土木工程安全管理,首先要提高施工人员的安全意识。
施工单位应该定期组织安全教育培训,使施工人员了解各类安全事故的危害性,掌握应对突发情况的方法和技巧,增强自我保护意识。
通过安全意识教育,能够有效减少人为因素导致的事故发生,提升整体安全管理水平。
二、施工现场管理施工现场是土木工程安全管理的重要环节。
要加强对施工现场的管理,确保施工过程中各项安全措施的落实。
施工单位要建立健全安全管理制度,明确责任人和管理流程,定期组织安全检查,及时发现和排除安全隐患。
同时,要加强对施工现场的巡查和监控,提前预防可能发生的安全事故,做到事故防范和应急处理的双管齐下。
三、安全设备使用在土木工程施工中,安全设备的使用至关重要。
各类安全防护用具和设备,如安全帽、安全带、护目镜等,都是保障施工人员安全的重要工具。
施工单位要督促施工人员严格按照规定佩戴和使用安全设备,确保施工现场的安全防护措施到位。
同时,要定期对安全设备进行检查和维护,确保其安全可靠性,避免因安全设备损坏导致事故发生。
四、应急处理措施即使做好了充分的安全预防工作,事故仍有可能发生。
因此,土木工程安全管理也需要做好应急处理措施的准备。
施工单位要建立健全应急预案,规范应急处置程序,明确各岗位人员的责任和任务,提前做好各类事故的处理准备工作。
在事故发生时,要迅速组织人员进行疏散和救援,最大限度地减少事故造成的损失。
总之,土木工程安全管理是一项系统工程,需要各方共同努力,始终保持高度的警惕性和责任心。
只有做好全方位的安全管理工作,才能有效避免事故的发生,确保土木工程施工的顺利进行,同时也保障施工人员的生命财产安全。
土木工程施工安全管理一、土木工程施工安全管理的目的土木工程施工安全管理的目的是为了保障施工现场的安全,预防施工中可能发生的事故和灾害,保障施工人员的生命财产安全,减少事故损失,提高工程质量。
具体包括以下几个方面:1、确保施工现场的安全,预防施工事故发生。
2、保护施工人员的生命,减少人员伤亡。
3、保护施工设备和工程财产的安全,减少设备损坏。
4、提高工程质量,确保工程顺利完成。
5、保护环境,减少对周围环境的污染。
二、土木工程施工安全管理的基本原则1、安全第一。
安全是第一要务,没有安全就没有生产。
2、预防为主。
采取预防措施,避免事故的发生。
3、综合管理。
全员参与,各级负责,形成安全工作合力。
4、科学规划。
合理安排施工计划和流程,减少事故隐患。
5、强化监督。
加强对施工现场的监督,及时发现和处理安全问题。
6、持续改进。
不断总结经验,完善安全管理制度,提高工作质量。
三、土木工程施工安全管理的主要内容1、安全管理组织机构安全管理组织机构是土木工程施工安全管理的重要组成部分,包括安全管理部门、施工班组、安全员等。
安全管理部门负责制定安全管理制度和规定,监督安全工作的落实;施工班组负责具体的施工安全工作,安全员负责安全管理的具体执行。
同时,还应建立安全管理人员的培训机制,提高安全管理人员的专业素养。
2、安全管理制度安全管理制度是土木工程施工安全管理的基础,是规范施工现场安全工作的重要依据。
安全管理制度应包括安全生产责任制度、安全检查制度、安全教育培训制度、安全奖惩制度等内容,明确各级人员的安全管理职责,规范安全管理流程。
制度的完善和落实是确保施工现场安全的重要保障。
3、施工现场安全检查施工现场安全检查是土木工程施工安全管理的重要环节,通过定期、不定期的安全检查,及时发现和排除安全隐患,减少事故的发生。
安全检查内容包括施工设备的安全性检查、施工作业人员的安全操作检查、工作场所环境的整治检查等。
通过安全检查,建立安全隐患台账,跟踪处理安全隐患,确保施工现场的安全。
土木工程施工项目安全管理措施
1.明确责任:明确项目安全管理责任,对负责施工安全管理的人员进行培训,确保其具备相关的安全技术知识和管理经验。
2.制定安全管理制度:建立完善的安全管理制度,明确各个岗位的安全责任和操作规程,确保施工作业符合安全规范和标准要求。
3.施工安全技术措施:根据不同施工环境和项目特点,制定相应的安全技术措施,包括防护设施的设置和使用,危险作业的安全操作流程等。
4.人员培训:对施工人员进行安全教育和培训,提高其安全意识和安全知识,确保其具备安全操作的能力。
5.安全设施和装备:根据施工项目的特点和需求,合理配置相应的安全设施和装备,如安全帽、安全绳、警示标志等,确保人员在施工过程中的安全。
6.定期检查和评估:定期对施工现场安全进行检查和评估,发现安全隐患及时整改,确保施工过程中安全措施的有效性。
7.安全警示和宣传:在施工现场设置明显的安全警示标志和宣传栏,向施工人员传达安全信息,并定期组织安全知识培训和安全活动。
8.应急预案:制定施工现场的应急预案,明确应急疏散路线和逃生通道,合理设置消防器材和应急救援设备,提高应急处理的能力和效果。
9.施工现场管理:严格控制施工现场的人员流动和进出,设置安全警戒线和阻挡措施,防止人员误入危险区域。
10.监督检查:委托专业的安全监督机构对施工项目进行定期的监督检查,确保施工过程的安全和合法性。
以上是一些常见的土木工程施工项目安全管理措施,不同项目的安全
管理措施可能略有差异,但总体原则是以保障人员的生命安全为首要目标,通过科学的管理和有效的措施,最大限度地减少施工过程中的安全风险。
一、总则为了加强土木工程项目的安全管理,保障施工人员的人身安全和财产安全,预防和减少安全事故的发生,根据国家有关安全生产的法律、法规和标准,结合本项目的实际情况,特制定本制度。
二、安全责任1. 项目部安全责任(1)项目部是施工安全管理的责任主体,全面负责项目施工安全工作。
(2)项目部负责人对本项目的安全生产负总责,应确保施工安全管理制度落实到位。
2. 分包单位安全责任(1)分包单位应按照项目部的要求,建立健全安全生产责任制,确保分包工程的施工安全。
(2)分包单位负责人对本分包工程的安全生产负总责。
三、安全教育培训1. 项目部应对全体施工人员进行三级安全教育,包括班组教育、项目部教育和企业安全管理教育。
2. 新入场的施工人员必须进行岗前安全教育培训,合格后方可上岗作业。
3. 定期组织施工人员进行安全教育培训,提高施工人员的安全意识和操作技能。
四、安全技术交底1. 施工前,项目部应进行安全技术交底,明确施工过程中的安全风险和预防措施。
2. 交底内容应包括施工方案、安全措施、应急预案等。
3. 交底应由项目部负责人或技术负责人主持,相关施工人员必须参加。
五、安全检查与隐患排查1. 项目部应定期开展安全检查,发现问题及时整改。
2. 施工现场应设立安全警示标志,明确安全风险。
3. 对发现的安全隐患,应立即整改,并跟踪复查。
六、安全事故处理1. 发生安全事故时,项目部应立即启动应急预案,采取措施减少损失。
2. 对事故原因进行调查分析,查明责任,依法依规处理。
3. 对因安全生产责任不落实导致事故发生的,追究相关责任人的责任。
七、附则1. 本制度适用于本项目施工全过程。
2. 本制度由项目部负责解释。
3. 本制度自发布之日起施行。
《土木工程安全管理》课程设计任务书(安全工程专业)土木建筑学院二○一五年三月《土木工程安全管理》课程设计任务书一、课程设计目的通过课程设计,进一步巩固和加深对课堂所学土木工程安全管理理论、安全技能等知识的理解和掌握,使理论知识与实践相结合,培养学生在施工安全管理方面分析问题、解决问题的能力,为将来从事施工安全管理工作奠定良好的基础,更好地防范和遏制施工生产安全事故的发生。
二、课程设计任务编制土木工程施工中危险性较大的分部分项工程的安全专项施工方案。
三、基本内容与要求安全专项施工方案编制应当包括以下内容:(1)工程概况:危险性较大的分部分项工程概况、施工平面布置、施工要求和技术保证条件。
(2)编制依据:相关法律、法规、规范性文件、标准、规范及图纸(国标图集)、施工组织设计等。
(3)施工计划:包括施工进度计划、材料与设备计划。
(4)施工工艺技术:技术参数、工艺流程、施工方法、检查验收等。
(5)施工安全保证措施:组织保障、技术措施、应急预案、监测监控等。
(6)劳动力计划:专职安全生产管理人员、特种作业人员等。
(7)计算书及相关图纸。
在给定的课程设计题目中选定1题,6个学生一组,由组长统筹安排,共同完成。
设计成果用A4纸打印并装订成册,包括封面、目录、正文等内容。
在封面上写明班级、姓名、学号(格式附后),正文格式应美观有序。
四、课程设计时间本次课程设计时间为一周。
五、成绩评定以学生提交的设计成果质量、学生在设计中的表现进行综合考核,成绩分为优、良、中、及格、不及格五级。
六、参考书目(1)《中华人民共和国安全生产法》(2)《建设工程安全生产管理条例》(3)《公路工程施工安全技术规范》(JTG F90-2015)(4)《特种设备安全监察条例》(5)《危险性较大的分部分项工程安全管理办法》(建质[2009]87号)(6)《建筑机械使用安全技术规程》(JGJ33-2012)(7)《起重机设计规范》(GB3811-2008)(8)《钢结构设计规范》(GB50017-2003)(9)《公路桥涵设计通用规范》(TG D60-2004)(10)《公路桥涵施工技术规范》(JTG/F50-2011)(11)《公路路基施工技术规范》(JTJ F10—2006)(12)《钢结构工程施工质量验收规范》(GB50205-2001)等一、高边坡防护工程1、工程简介本合同段内深切边坡,位于互通区CK0+225~CK0+452.85R(EK0+300~EK0+440R)段右侧,该段路基全长227.85m,挖方共有12.85万方,该段路基边坡设计为分级开挖,最大边坡开挖高度为35.90米。
土木工程施工项目安全管理措施1.安全生产责任制度实施安全生产责任制度,确定项目安全生产的主体责任,明确各级管理人员的安全责任,落实相关人员的安全教育和培训,确保安全管理工作得到有效落实。
2.合理规划和设计在项目规划和设计阶段,要充分考虑安全因素,合理规划施工方案,确保施工过程中能够有效控制风险,减少事故发生的可能性。
3.安全技术措施采取必要的安全技术措施,包括建立完善的施工安全技术标准和操作规程,使用符合安全规范的施工材料和设备,确保工作场所的安全。
4.安全教育和培训对施工人员进行必要的安全教育和培训,提高其安全意识和技能,使其能够熟悉并掌握相应的安全操作规程和应急处理措施。
5.安全检查和监督建立健全的安全检查和监督体系,定期对施工现场进行安全检查,发现问题及时整改,确保施工过程中的安全。
6.安全防护设施在施工现场设置必要的安全防护设施,包括安全警示标识、安全网、护栏等,确保施工过程中的环境安全。
7.紧急救援措施建立健全的紧急救援机制,设置应急通道和应急设施,培训相关人员的急救技能和应急处理能力,保障在发生事故时能够及时有效地进行救援。
8.安全制度和管理制定并落实相应的安全制度和管理办法,包括安全交底制度、施工许可制度、工作票制度等,确保施工过程中的安全规范执行。
9.供应链管理与供应商、承包商等进行合作,确保所提供的材料、设备和服务符合安全要求,建立健全的供应链管理体系,确保可靠的供应,并进行供应商资质审查。
10.安全记录和经验总结建立健全的安全记录和经验总结制度,对施工过程中的事故和安全问题进行记录和总结,及时进行反馈和改进措施,为后续项目的安全管理提供经验和借鉴。
综上所述,土木工程施工项目的安全管理措施包括责任制度、规划设计、技术措施、教育培训、检查监督、防护设施、紧急救援、制度管理、供应链管理以及记录总结等方面,通过全方位的管理措施,提高施工过程中的安全性,确保项目的安全顺利进行。
土木工程中的施工安全管理施工安全是土木工程中至关重要的一环。
合理的施工安全管理不仅可以保护工人的生命安全和身体健康,还可以有效地减少事故发生,保障项目的顺利进行。
本文将从施工前的准备工作、施工中的安全措施以及施工后的安全评估三个方面,探讨土木工程中的施工安全管理。
一、施工前的准备工作在施工前,必须进行全面细致的安全准备工作,确保施工过程中的安全。
首先是制定施工安全管理方案。
根据工程的特点,制定相应的工作方案,并明确责任人和工作流程。
其次,进行安全风险评估。
对工程中可能存在的安全隐患进行全面的调查和评估,制定相应的防范措施。
同时,进行现场的安全布置。
在施工现场,设置明确的安全标识和警示牌,并配备必要的安全设施和防护用品,确保工人的安全。
二、施工中的安全措施在施工过程中,实施科学有效的安全措施是保障工人安全的关键。
首先是个人防护措施。
所有进入工地的工人都应配备必要的个人防护用品,如安全帽、安全鞋、防护眼镜等。
其次是安全操作规程的制定与执行。
在施工现场,应明确规定每个工种的操作规程,并通过培训和考核确保工人熟悉并执行这些规程。
此外,定期进行安全检查和巡视也是必不可少的。
通过定期的安全检查,及时发现和解决施工中存在的安全隐患,防止事故的发生。
三、施工后的安全评估施工结束后,进行安全评估是总结经验教训、提高安全管理水平的重要环节。
在安全评估中,应对整个施工过程进行回顾,并对施工中的安全管理措施进行评估。
评估的结果可以为今后的工程施工提供经验和借鉴。
同时,对施工中发生的事故进行事故调查,分析事故原因,寻找改进和防范的方法。
通过不断的安全评估和改进措施的实施,提高土木工程施工的安全管理水平。
综上所述,土木工程中的施工安全管理是确保施工过程安全的关键。
通过施工前的准备工作、施工中的安全措施以及施工后的安全评估,可以有效地预防和控制施工中的安全风险,保障工人的生命安全和身体健康。
只有高度重视施工安全管理,才能确保土木工程的顺利进行,保障工程质量和安全。
土木工程中的隐患排查与安全管理随着社会的发展和建设的不断推进,土木工程在我们生活中扮演着重要的角色。
然而,由于土木工程的特殊性质和复杂度,存在各种各样的潜在风险和安全隐患。
因此,对土木工程中的隐患进行排查和严格的安全管理显得尤为重要。
本文将探讨土木工程中常见的隐患,以及相关的安全管理措施。
1. 土木工程中的隐患1.1 施工现场安全隐患施工现场是土木工程中最容易发生事故的地方之一。
常见的施工现场安全隐患包括:a. 高处作业安全:高处作业时,人员没有佩戴安全带,脚手架搭设不牢固等问题。
b. 电气安全:电缆线路敷设不合理,电气设备未接地等问题。
c. 施工机具安全:施工机具未按规定使用,工作人员未接受相关培训等问题。
1.2 建筑结构安全隐患建筑结构安全隐患直接关系到土木工程的稳定性和使用寿命。
常见的建筑结构安全隐患包括:a. 基础不牢固:地基沉陷、地基承载力不足等问题。
b. 结构缺陷:钢筋混凝土质量不合格、施工中存在质量问题等。
c. 设计不合理:结构设计计算不准确、不符合规范标准等问题。
2. 土木工程安全管理措施为了排查并解决土木工程中的隐患,以提高工程质量和施工安全性,采取以下安全管理措施是必要的:2.1 隐患排查与识别应对土木工程的各个环节进行全面的隐患排查与识别,早发现、早处理。
可以采取以下方式来进行隐患排查与识别:a. 定期召开安全会议,广泛听取工程各方面人员的意见和建议。
b. 安排专业人员进行定期的安全巡查,记录隐患并及时报告。
c. 引入科技手段,如无人机巡查、红外线摄像等,提高隐患排查效率。
2.2 安全教育与培训土木工程从业人员应接受系统的安全教育与培训,增强他们的安全意识和操作技能。
具体的安全教育与培训可以包括:a. 定期组织安全知识培训,强调施工现场的安全规范和操作规程。
b. 针对高危险区域和高风险操作,进行专项培训和考核。
c. 检查工作人员的安全学习记录,确保安全知识的有效传达。
2.3 安全监管和责任落实为了确保土木工程的安全性,需要建立严格的安全监管机制和责任制度。
土木工程中的施工安全管理措施土木工程施工安全管理是保障施工过程中人员和财产安全的重要环节,有效的施工安全管理措施能够预防和减少事故的发生,提高施工安全水平。
下面将介绍一些常用的施工安全管理措施。
1.编制施工安全计划:在施工开始前,应编制详细的施工安全计划,包括安全组织机构、安全培训、施工作业流程等内容,明确责任与工作分工,合理分配人力资源,确保施工过程中安全工作的有效进行。
2.实行“三同时”原则:按照“设计、施工、检测、使用”四个阶段的要求,规范施工过程。
即在施工前,要明确设计文件、施工方案和安全技术措施的要求;施工过程中,要根据设计文件和施工方案进行施工管理,并配备专职安全管理人员;施工结束后,要进行检测和验收,确保施工质量和安全。
3.安全培训和教育:施工人员必须参加必要的安全培训,了解施工现场的安全操作规章制度、施工设备的使用方法等,提高其安全意识和防范意识。
同时还要定期进行安全教育,对施工人员进行安全知识的宣传和普及。
4.现场安全标志和警示标识:现场应设立必要的安全标志和警示标识,如施工展示牌、禁止入内标识、安全出口指示灯等,以提醒施工人员遵守安全规定和注意事项。
5.安全防护设施:根据施工环境和工作要求,应配备必要的安全防护设施,如安全网、防护栏杆、安全带等,保障施工人员的人身安全。
6.施工现场巡视和检查:施工现场应定期进行巡视和检查,及时发现并纠正存在的安全隐患,督促施工人员严格执行安全管理制度。
7.危险源的隔离和控制:对施工现场的危险源进行合理隔离,采取相应的措施进行控制。
如设置工作用火专区、临时用电设备的隔离保护等。
8.应急预案和救援措施:编制详细的应急预案,包括灭火、救生和紧急疏散等措施,针对各种可能发生的事故进行预先的准备和演练。
9.定期安全检查和评估:定期进行施工安全检查和评估,发现和解决问题,及时改进工作。
并针对施工中经常发生的事故原因进行分析,总结经验,提高施工安全管理水平。
土木工程技术中的施工现场安全管理方法施工现场安全管理是土木工程技术中非常重要的一环。
在施工现场中,存在各种各样的危险因素,如高处作业、电气设备、机械设备、人员密集等,如果不加以管理和控制,就会导致严重的安全事故发生。
因此,科学有效的施工现场安全管理方法对于确保施工工人的安全和项目的顺利进行至关重要。
本文将介绍一些土木工程技术中常用的施工现场安全管理方法。
首先,合理规划施工现场布局是施工现场安全管理的起点。
在施工前,施工管理人员应根据具体工程的要求,合理设计施工现场的布局。
合理的布局可以减少施工现场的拥挤程度,降低不同作业工序之间的干扰,提高施工效率的同时也可以减少意外发生的可能性。
在布局过程中,应充分考虑安全通道、疏散通道和临时设施的设置,确保现场人员能够迅速疏散和获得急救。
其次,加强人员培训和安全教育是施工现场安全管理的重要环节。
在施工现场,不同人员承担着不同的职责和工作内容,因此,他们所面临的安全风险也是不同的。
施工管理人员应针对不同的工种和岗位,进行针对性的培训和教育。
培训内容应包括施工现场的常见安全事故案例、安全操作规程、应急救援措施等。
通过培训和教育,提高施工人员的安全意识和自我保护能力,减少事故的发生。
同时,加强施工现场的监管和检查也是施工现场安全管理的重要手段。
施工管理人员应建立健全的监管机制,对施工现场的安全进行定期检查和日常巡查。
监管人员应查看现场是否存在安全隐患,检查施工人员是否按照操作规程进行作业,以及是否佩戴个人防护装备等。
如发现安全隐患,应立即采取措施进行整改,并记录下来以供评估和改进。
此外,施工现场也需要建立严格的安全管理制度和流程。
这些制度和流程应包括安全生产责任分工、施工现场安全管理的工作流程、应急预案等。
各个管理层级应清楚明确自己的职责和义务,同时要求施工人员按照流程进行工作和管理。
定期对现场的安全制度和流程进行评估和改进,以确保其有效性和适应性。
此外,现代科技的应用也为施工现场安全管理带来了便利。
土木工程中的施工安全管理措施施工安全管理是土木工程中非常重要的一环,合理的施工安全管理措施有助于预防和减少事故的发生,保障施工人员的身体健康和生命安全。
下面将就土木工程中的施工安全管理措施进行详细介绍。
1.制定施工安全管理规章制度:施工单位应根据工程特点制定相应的施工安全管理规章制度,并确保施工人员全部了解并遵守这些规章制度。
规章制度应包括施工现场安全操作规范、各种工种的安全注意事项、施工现场安全排查及整改措施等。
2.严格施工现场安全标识:施工现场应设立明显的安全标识,包括禁止吸烟、禁止火源、禁止乱堆物、禁止闯入等标志。
同时,设立安全警示牌,对施工现场的安全注意事项进行提示和警示,提醒施工人员注意安全。
3.实施安全教育和培训:施工单位应定期组织安全教育和培训,提高施工人员的安全意识和安全技能。
教育和培训的内容包括施工现场安全知识、各项安全操作规程、紧急疏散和救援等。
通过培训,使施工人员能够正确使用个人防护设备,掌握安全操作技巧,提高对危险源的识别和处理能力。
4.建立健全安全检查制度:施工单位应建立定期的安全检查制度,制定检查方案,定期对施工现场进行安全检查,及时发现并整改存在的安全隐患。
安全检查涉及到施工现场的临时设施、安全通道、消防设备、机械设备等方方面面。
检查结果应及时整理、记录,以备查看。
5.加强施工现场的风险防范:针对施工现场存在的各种风险,采取相应的防范措施。
例如,在高空作业时,应设置安全网和安全带,确保高空作业人员的安全。
在施工现场应设置警示线和围挡,划定作业区域,确保行人和机械设备的安全。
6.加强施工现场的消防安全:施工现场应配备足够的消防设备,包括消防器材、灭火器等。
同时,应制定消防应急预案,并进行定期的应急演练,以确保发生火灾时能够迅速、有效地进行灭火和疏散。
7.加强对特殊工种的安全防护:针对特殊工种,如钢筋工、焊工、高空作业工等,应加强对其的安全防护措施,包括提供安全帽、安全鞋、防护眼镜等个人防护装备,以及提供相应的培训和指导,确保其在施工过程中的安全。
1.管理系统的三个主要特性:目的性、整体性、层次性。
2.系统原理的基本原则:整分合原则、反馈原则、封闭原则、动态相关性原则。
文化管理是风险管理发展的必然结果。
3.土木工程安全管理是以安全为目的,通过管理的职能,进行有关安全方面的决策,计划,组织,指挥,协调及控制等工作,从而有效发现并分析生产过程中的各种不安全因素,预防各种意外事故,避免各种损失,保障员工的安全健康,推动企业安全生产的顺利发展,为提高经济效益和社会利益服务。
4.安全:是指客观事物的危险程度能够为人们普遍接受的状态。
5.现场围墙必须有项目技术负责人做出详细施工方案及方案说明,经项目经理审核,报公司批准后方可施工。
6.袋装水泥堆放:堆放高度小于10层,远离墙壁10 ~ 20 cm,架空高度20 ~ 30 cm.7.现场临建设施在搭建前必须由项目技术人员负责方案施工图设计,并经项目技术负责人及项目经理审核,报公司总工程师[批准后方可搭建。
8.栓口出水方向宜与墙壁呈90度,离地面1.2 m高。
9.一般临时设施区,每100m^2 ,配备10 L 灭火器1只。
临时木工区、油漆区、木工机具间等,每25 m^2应配置一个种类适合的灭火器,油库、危险品仓库应配备足量种类的灭火器。
10.“五牌一图”:工程概况牌、管理人员名单及监督电话牌、消防保卫牌、安全生产牌、文明施工牌、施工现场平面图。
11.起重机安装后,在无载荷情况下,塔身与地面的垂直度偏差值不得超过3/1000。
12.限速器按规定进行每三个月一次的坠落试验。
13.打桩施工场地应按坡度不大于3%,地基承载力不小于8.5 N/cm^2的要求进行平实。
14.泵送前应向料斗加入10 L清水和0.3 m^3的水泥砂浆,润滑泵及管道。
15.作业时,振动棒软管的弯曲半径不得小于500mm,并不得多于两个弯。
插入深度不应超过棒长的3 / 4,不宜触及钢筋、芯管及预埋件。
附着式振动器安装在混凝土模板上时,每次振动时间不应超过1min。
16.集水井降水法:集水井应设置在基础范围以外,地下水走向的上游。
17.土体开挖施工前,应通过建设单位组织的工程周边环境资料及其交底。
18.挖土应从上而下逐层挖掘,土方开挖应遵循“开槽支撑,先撑后挖,层层分挖,严禁掏(超)挖”的原则。
19.边坡坡面上如有局部渗出地下水时,应在渗水处设置过滤层,防止土粒流失,并应设置排水沟,将水引出坡面。
20.在干燥的砂土中应严禁采用冻结法施工。
21.土方直立壁开挖深度的因素:坑壁土的重度r、内摩擦角Ψ、黏聚力c ;安全系数k ;坑顶沿的均匀荷载q 。
22.当桩孔挖深超过5m以上时,离桩底2m 处必须设置半圆钢网挡板。
23.严禁用纯氧进行通风换气。
24.明(盖)挖施工方法简介:明挖顺作法;盖挖顺作法;盖挖逆作法;盖挖半逆作法。
25.压密注浆帷幕施工宜采取分段后退式注浆。
26.对富水、有突水可能或存在承压水的地段,采用挤压劈裂注浆以防止突水。
27.瓦斯从岩层中放出的类型:瓦斯的渗出(放出的瓦斯量最多);瓦斯的喷出;瓦斯的突出。
28.隧道通过瓦斯地区的施工方法,宜采用全断面开挖。
29.当隧道轴线接近于垂直构造线方向,断层规模较小,破碎带不宽,且含水量较小时,条件比较有利,可随挖随撑。
但当隧道轴线斜交或者平行于构造方向时,则隧道穿过破碎带的长度增大,并有增大侧压力,应加强边墙衬砌,及时封闭。
30.作业时氧气瓶与焊炬、割炬及其他明火的距离应大于10m,与乙炔瓶的距离不小于5m。
31.施工现场临时食堂的污水排放控制,要设置简易有效的隔油池。
32.采用手工掘进顶进时,应符合下列规定:工具管接触或切入土层后,自上而下分层开挖;在允许超挖的稳定土层中正常顶进时,管顶以上超挖量不得大于15mm。
33.滑坡地段开挖,应从滑坡两侧向中部自上而下进行,严禁全面拉槽开挖,弃土不得堆放在主滑槽内;开挖挡墙基槽也应从滑坡体两侧向中部分段跳槽进行,并加强支撑,及时砌筑和回填墙背。
34.平地机作业时,在坡道停放时,应使车头向下坡方向,并将刀片或松土器压入土中。
35.振动压路机作业时,起振和停振必须在压路机行走时进行。
36.电弧焊安全操作:容器内的照明电压不得超过12V,焊接时必须有人在场监护,严禁在已填涂过油漆或塑料的容器内焊接。
37.乙炔气焊安全操作:点燃焊(割)锯时,应先开乙炔阀点火,然后开氧气阀调整火焰。
关闭时应先关闭乙炔阀,再关闭氧气阀。
1.土木工程安全管理是以安全为目的,通过管理的职能,进行有关安全方面的决策、计划、组织、指挥、协调、控制等工作,从而有效地发现、分析生产过程中的各种不安全因素,预防各种意外事故,避免各种损失,保障员工的安全健康,推动企业安全生产的顺利发展,为提高经济效益和社会效益服务。
2.安全管理,企业在生产经营过程中,为实现安全生产而组织和使用人力、物力和财力等各种物质资源的过程。
基本内容包括:建立安全生产制度,贯彻安全技术管理,坚持安全教育和安全技术培训,组织安全检查,进行事故处理。
3.特种作业及人员范围包括:电工作业、金属焊接、切割作业、起重机械(含电梯)作业、企业内机动车辆驾驶、登高架设作业、锅炉作业、压力容器作业、制冷作业、爆破作业、矿山通风作业、矿山排水作业、矿山安全检查作业、矿山提升运输作业、采掘(剥)作业、矿山救护作业、危险品作业、经国家安全生产监督管理局批准的其他作业。
4.节段施工法:①悬臂浇筑法:悬臂浇筑法是以桥墩为中心,对称地向两岸利用挂篮浇筑梁节段的混凝土,待混凝土达到要求强度后,张拉预应力钢筋束,然后移动挂篮,进行下一节段的施工。
②悬臂拼装法:悬臂拼装法是将预制好的梁段,用驳船运到桥墩两侧,然后通过悬臂梁上(先建好的梁段)的一对起吊机械,对称吊装梁段,待就位后再施加预应力,并逐渐接长。
5.故障树分析:故障树是一种描述事故因果关系的有方向的“树”,把系统可能发生或已经发生的事故作为分析的起点,将导致事故的原因事件按照因果逻辑关系逐层列出,用树形图表示出来,构成一种逻辑模型,然后定性或定量地分析事件发生的各种可能途径及发生概率,找出避免事件发生的各种方案并优选出最佳安全对策。
6.事件树分析:事件树分析是用来分析普通设备故障或过程波动(称为初始事件)导致事件发生的可能性。
它与故障树正好相反,是一种从原因到结果的分析方法。
从一个初始事件开始,交替考虑成功与失败的两种可能性,然后再以这两种可能性作为新的初始事件,如此继续分析下去,直到找到最后的结果。
事件树分析是一种归纳分析法,事件树可提供记录事故后果的系统性的方法,并能确定导致事件后果事件与初始事件的关系。
7.安全预评价程序:准备阶段;危险、有害因素辨识与分析;确定安全预评价单元;选择安全预评价方法;定性、定量评价;安全对策措施及建议;安全预评价结论;编制安全预评价报告。
8.安全现状评价的工作程序:前期准备,危险、有害因素和事故隐患的识别,定性和定量评价,安全管理现状评价,确定安全对策措施及建议,确定评价结论,安全现状评价报告完成。
1.施工安全管理的基本内容:①建立安全生产制度②贯彻安全技术管理③坚持安全教育和安全技术培训④组织安全检查⑤进行事故处理2.使用单位应为起重机建立设备档案的内容:①每次启用时间及安装地点②日常使用保养、维修、变更、检变和试验等记录③安装拆除程序及说明④设备、人身事故记录⑤设备存在的问题和评价⑥技术要求和对使用人员的培训记录⑦用电、提升安全保护。
3.大体积混凝土浇注施工:①全面分层,适用于结构的平面尺寸不太大,施工时从短边开始,沿长边进行比较适宜②分段分层,适用于厚度不太大而面积或长度较大的结构。
混凝土从底层开始浇筑,进行一定距离后浇筑第二层,如此依次向前浇筑以上各分层。
③斜面分层,适用于结构的长度超过厚度的3倍,振捣工作应从浇筑层的下端开始,逐渐上移,以保证混凝土施工质量。
4.基础工程施工安全策划重点:①降排水作业,基础沉降的监测②土方开挖方案的合理选择③支护体系的监测④桩基础施工的机械和人员管理⑤雨季施工的安全管理⑥脚手架的搭设和管理⑦临时用电的安全管理5.改造工程施工安全控制措施:①建立健全的改造施工安全责任体系。
②建立改造施工安全管理制度。
③加强安全生产培训和考核。
④加大安全投入与完善安全设施。
⑤开展安全管理的监督与日常检查。
⑥提高施工安全技术。
⑦建立事故应急救援预案⑧推行改造工程施工安全生产条件验收评审制度。
6.发生塌方的主要原因:(1)地质因素:①隧道穿过断层及其破碎带,一经开挖,潜在应力释放,围岩失稳而坍塌。
②当通过各种堆积体时,由于结构松散,颗粒间无胶结或胶结差,开挖后引起坍塌。
③在挤压破碎带、岩脉穿插带、节理密集带等破碎结构地层中,岩块间互相挤压牵制,一经开挖则立即失稳。
在软弱结构面发育的情况下,或泥质充填物过多时,也易产生较大的坍塌。
④在构造运动的作用下,薄层岩体形成的小褶曲、错动发育地段等,在施工中也常发生塌方。
⑤岩层软硬相间,或有软弱夹层的岩体,在地下水的作用下,软弱面的强度大大降低,因而发生滑坍。
⑥地下水的软化、浸泡、冲蚀、溶解等作用加剧岩体的失稳和坍塌。
(2)施工方法和措施不当:①施工方法选择不当,工序间距安排不合理,各工序间距拉得较长,地层暴露时间过久,引起围岩松动、风化,导致塌方的发生。
②喷锚不及时,或喷混凝土质量、厚度不符合要求。
③采用钢支撑时,支撑架设质量欠佳,支撑与围岩不密贴,两者间的空隙填塞不密实,或连接不够牢固,不能满足围岩压力所需要的强度要求。
④抽换支撑操作不当,或者当支撑已出现受力过大的现象而未及时加固。
⑤爆破作业不当,用药量过多。
⑥处理危石措施不当,引起危石坠落,牵动岩层坍塌。
7.隧道在不同部位遇到溶洞时的跨越措施:a)当隧道一侧遇到狭长而较深的溶洞时,可加深该侧的边墙基础通过。
b)当隧道底部遇有较大溶洞并有流水时,可在隧道以下砌筑浆砌片石支墙,支撑隧道结构,并在支墙内套设涵管引排溶洞水。
c)当隧道边墙部分遇到较大、较深的溶洞,不宜加深边墙基础时,可在边墙部位或隧底以下筑拱跨过。
d)当隧道中部及底部遇有深狭的溶洞时,可加强两边墙基础,并根据情况设置桥台架梁通过。
e)溶洞上大下小,且有部分充填物时,可将隧道顶部的充填物清除,然后在隧道底部标高以下设置钢筋混凝土横梁及纵梁,横梁两端嵌入岩层。
f)隧道穿过大溶洞,情况较为复杂时,可根据情况,以边墙梁及行车梁通过。
8.暗挖施工安全策划重点:(1)建立健全安全保证体系,设置安全管理机构,制定完善的安全管理制度。
(2)暗挖法隧道施工应遵循“管超前、严注浆、短开挖、强支护、快封闭、勤量测”的原则。
(3)对采用钻爆法施工的暗挖隧道施工方案进行专家评审,评审专家应当对隧道和工程周边环境的安全性给出明确结论。
(4)暗挖隧道施工穿越房屋建筑、重要市政道路与管线、水利设施、渠河湖海、既有铁路和隧道的,施工方应配合建设、勘察,设计、监理等单位,开工前对施工条件进行评估。