钢筋闪光对焊连接
- 格式:docx
- 大小:43.27 KB
- 文档页数:7
闪光对焊原理和要求闪光对焊焊接过程的本质就是通过适当的物理-化学过程,使两个分离表面的金属连为一体,达到焊接目的。
焊接装配面为对接接头,接通电源并使其断面逐渐移近达到局部接触,利用电阻加热这些接触点(产生闪光)使其断面金属融化,直到端面部位在一定深度范围内达到预定温度时,迅速施加顶锻力完成焊接的方法,包括连续闪光对焊与预热闪光对焊。
一、对焊过程分析连续闪光对焊焊接循环由闪光、顶锻、保持、休止等程序组成。
闪光、顶锻二个连续阶段组成连续闪光对焊接头形成过程。
而保持、休止等程序则是对焊操作过程中所必须的。
预热闪光对焊则对其焊接循环中(闪光之前)设有预热阶段。
闪光的形成实质:接通电源并使两焊件端面轻微接触。
对口间将形成许多具有很小电阻的小触点,在很大电流密度的加热下,瞬间融化而形成连接对口两端的液体过梁。
同时在液体表面张力径向电磁压缩效应力,电磁斥力,电磁引力作用下,再加上强烈的加热。
过梁内部其他的表面之间形成巨大的压力差。
例如:再低碳钢闪光对焊中,资料表明,过梁中的电流密度在爆破瞬间可高达3000A/mm2,爆破瞬间金属蒸气压力可达数百大气压,而它的温度高达6000—8000℃,液态金属微滴以超过60m/s的温度从对口间隙抛射出来,形成火花急流—闪光。
闪光对焊时,为了获得优质接头,闪光阶段结束时必须满足以下三个要求:1. 对口金属尽量不被氧化。
这就要求闪光进行的稳定而又激烈,尤其要控制好闪光过程中焊件不应该短路,否则,将使端面局部过热。
2.在对口及其附近区域获得合适的温度分布。
其标志沿对口端面加热均匀,沿焊件长度获得合适的温度分布,端面上有一层厚的液态金属层。
3.顶锻是闪光对焊后期阶段,是对焊件施加顶锻力,使烧化端面紧紧接触,并使其实现优质结合所必须的操作。
闪光对焊时,为了获得优质接头,顶锻结束时必须满足下面基本要求:即对口及临近区域获得足够而又适当的塑性变形。
实践证明,要保证闪光结束时端面完全不被氧化是难以办到的,而安全可靠的途径是使那些在闪光节段氧化了的金属,利用顶锻随液体金属尽量排撞挤到毛刺中去。
钢筋闪光对焊是将两钢筋安放成对接形式,压紧于两电极之间,利用电阴热使接触点金属熔化,产生强烈飞溅,形成闪光,迅速加顶锻力完成的一种压焊方法。
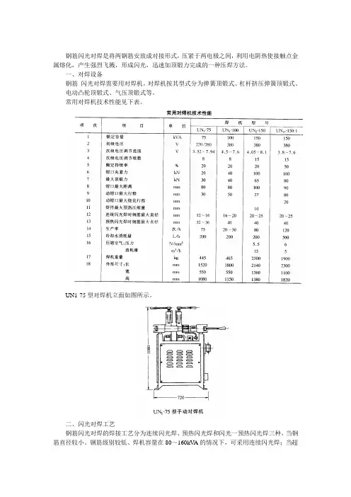
一、对焊设备钢筋闪光对焊需要用对焊机。
对焊机按其型式分为弹簧顶锻式、杠杆挤压弹簧顶锻式、电动凸轮顶锻式、气压顶锻式等。
常用对焊机技术性能见下表。
UN1-75型对焊机立面如图所示。
二、闪光对焊工艺钢筋闪光对焊的焊接工艺分为连续闪光焊、预热闪光焊和闪光一预热闪光焊三种。
当钢筋直径较小、钢筋级别较低、焊机容量在80~160kV A的情况下,可采用连续闪光焊;当超过上述情况,且钢筋端面较平整,宜采用预热闪光焊;当钢筋端面不平整,应采用闪光一预热闪光焊。
连续闪光焊所能焊接的钢筋上限直径,应根据焊机容量、钢筋级别等具体情况而定,并应符合表的规定:Ⅳ级钢筋对焊时,应采用预热闪光焊或闪光一预热闪光焊工艺。
当接头拉伸试验结果发生脆性断裂,或弯曲试验不能达到规定要求时,应在对焊机上进行焊后热处理。
热处理工艺应符合下列要求:1.待接头冷却至常温,将电极钳口调至最大间距,重新夹紧;2.应采用最低的变压器级数,进行脉冲式通电加热;每次脉冲循环,应包括通电时间间歇时间,并宜为3s;3.焊后热处理温度应在750~850℃选择,随后在环境温度下自然冷却。
采用UN2-150型对焊机(电动凸轮传动)或UN17-150-1型对焊机(气一液压转动)进行大直径钢筋焊接时,宜先采取锯割或气割方式对钢筋端面进行平整处理,然后,采取预热闪光焊工艺,并应符合下列要求:1.闪光过程应强烈、稳定;2.顶锻凸块应垫高;3.应准确调整并严格控制各过程的起点和止点。
三、焊接参数闪光对焊的焊接参数包括调伸长度、烧化留量、顶锻留量以及变压器级数等。
连续闪光焊时的留量应包括烧化留量、有电顶锻留量和无电顶锻留量。
闪光一预热闪光焊时的留量应包括:一次烧化留量、预热留量、二次烧化留量、有电顶锻留量和无电顶锻留量。
下图:调伸长度的选择,应随钢筋级别的提高和钢筋直径的加大而增加。
2.钢筋闪光对焊施工工艺标准2.1.总则2.1.1.适用范围本工艺适用于直径14~25mm的HPB235、HRB335、HRB400钢筋接长的对焊焊接。
2.1.2.术语(1)闪光对焊:闪光对焊是将两根钢筋安放成对接形式,利用焊接电流通过两根钢筋接触点产生的电阻热,使接触点金属熔化,产生强烈的飞溅,形成闪光,迅速施加顶锻力完成的一种压焊方法。
(2)对焊连接:通过钢筋热熔顶锻压力作用,使两根钢筋热熔后粘接,将一根钢筋受到的力传递至另一根钢筋的连接方法。
(3)抗拉强度:接头试件在拉伸试验过程中,按钢筋公称面积计算所达到的最大拉应力值。
2.1.3.基本规定(1)含有焊接接头的钢筋在冷拉过程中,若在接头部位发生断裂时,可切除热影响区后再焊再拉;但不得多于两次。
且其冷拉工艺与要求应符合现行国家标准《混凝土结构工程施工质量验收规范》(GB50204)的规定。
(2)在工程开工或每批钢筋正式焊接之前,应进行现场条件下的焊接性能试验。
合格后,方可正式生产。
试件数量与要求,应与质量检查与验收时间相同。
(3)钢筋焊接施工之前,应清除钢筋或钢板焊接部位和与电极接触的钢筋表面上的锈斑、油污、杂物等;当钢筋端部有弯折、扭曲时,应予以矫直或切除。
(4)进行闪光对焊时,应随时观察电源电压的波动情况。
当电源电压下降大于5%或小于8%时,应提高焊接变压器级数;当大于或等于8%时,不得进行焊接。
(5)焊机应经常维护保养和定期检修,确保正常使用。
(6)对从事钢筋焊接施工的班组及有关人员应经常进行安全生产教育,执行现行国家标准《焊接与切割安全》GB9448中有关规定,并应执行和实施安全技术措施,加强焊工的劳动保护,防止发生烧伤、触电、火灾、爆炸以及烧坏焊接设备等事故。
(7)钢筋连接件的混凝土保护层厚度宜符合《混凝土结构工程施工质量验收规范》(GB50204)中,关于钢筋混凝土保护层最小厚度的规定,且不得小于15mm,连接件之间的横向净距不宜小于25mm。
钢筋闪光对焊规范要求篇一:钢筋闪光对焊基本要求钢筋闪光对焊基本要求连续闪光焊1、主要与焊机的容量、钢筋牌号和直径大小有密切关系,一定容量的焊机只能焊接与之相适应规格的钢筋。
当超过表中限值时,应采用预热闪光焊(预热闪光焊钢筋端面应较平整)。
2、据钢筋牌号、直径、焊机容量以及不同的工艺方法,选择合适变压器级数。
若变压器级数太低,次级电压也低,焊接电流小,就会使闪光困难,加热不足,更不能利用闪光保护焊口免受氧化;相反,如果变压器级数太高,闪光过强,也会使大量热量被金属微粒带走,钢筋端部温度升不上去。
3、电源电压的波动对焊接质量有较大影响,在现场施工时,由于用电设备多,往往造成电压下降较大,为此要求焊接电源的开关箱内,装设电压表,焊工可随时观察电压波动情况,及时调整焊接参数,以保证焊接质量。
4、闪光对焊时,应选择合适的调伸长度、烧化留量、顶锻留量以及变压器级数等焊接参数。
边续闪光焊时的留量应包括烧化留量、有电顶锻留量和无电顶锻留量。
5、闪光焊外观检查结果:1)接头处不得有横向裂纹;2)与电极接触的钢筋表面不得有明显烧伤;3)接头处的弯折角不得大于3,轴线偏移不得大于钢筋直径的0.1倍,且不得大于2mm。
4)钢筋接头应避开钢筋弯曲处,距弯曲点的距离不得小于钢筋直径的10倍。
6、当环境温度低于-5度条件下施焊时,焊接时宜采用预热闪光焊或闪光-预热闪光焊;可增加调伸长度,采用较低变压器级数,增加预热次数和间歇时间。
雨雪天要采取有效的遮蔽措施。
焊后未冷却接头不得碰到冰雪。
风速超过7.9m/s 时,应采取挡风措施。
7、操作要领是:1)预热要充分;2)顶锻前瞬间闪光要强烈:3)顶锻快而有力。
8、钢筋加工安装的其他要求1)弯起钢筋的弯折位置不得超过设计要求的20mm。
2)箍筋内净尺寸不得超过设计要求的±5mm,其中桥梁工程中不得超过±3mm。
3)钢筋安装要求:受力钢筋排距不得超过±5mm;分布钢筋间距不得超过±20mm;箍筋间距在绑扎骨架时不得超过±20mm;焊接骨架不得超过±10mm。
钢筋闪光对焊接头质量标准及检验方法引言:钢筋闪光对焊接头是建筑、桥梁等工程中常见的连接方式之一。
其质量直接关系到工程结构的牢固程度和稳定性。
为了确保钢筋闪光对焊接头的质量,需要根据一定的标准和采用适当的检验方法进行检验。
本文将介绍钢筋闪光对焊接头的质量标准及相应的检验方法,以提供参考。
一、钢筋闪光对焊接头质量标准1. 国家标准《钢筋闪光对焊接头技术规程》(GB/T 1499.2-2018)是国家对钢筋闪光对焊接头的质量标准进行统一的标准文档。
根据该标准,钢筋闪光对焊接头的质量应符合以下要求:(1)焊缝应均匀、连续,无缺陷和夹渣等缺陷;(2)焊缝与钢筋的连接牢固,焊缝与母材之间无明显的夹杂物;(3)焊接头表面应光洁,无裂纹、夹沙、气孔等缺陷;(4)焊接头尺寸应符合设计要求,无明显的凸起或凹陷。
2. 工程规范除了国家标准外,各行业的工程规范也会对钢筋闪光对焊接头的质量进行具体要求,例如建筑行业的《建筑钢筋工程施工及验收规范》(GB 50204-2015)、桥梁行业的《公路桥梁施工与验收规范》(JTG/T B02-2013)等。
这些规范主要是针对具体的工程类型,对焊接头的质量要求可能会有更为具体的规定,包括焊接头的尺寸、形状、角度、强度等。
二、钢筋闪光对焊接头质量检验方法1. 目视检验目视检验是最常用、最直观的一种检验方法。
通过裸眼观察焊接头的外观,可以初步判断焊接质量是否合格。
目视检验主要包括以下几个方面:(1)焊缝的均匀性和连续性;(2)焊缝表面的光洁度;(3)焊缝与母材之间的连接情况;(4)焊接头是否存在裂纹、夹沙和气孔等缺陷。
2. 检测仪器除了目视检验外,还可以使用一些专门的检测仪器进行检验,以更加准确地评估焊接头的质量。
(1)超声波探伤仪:用于检测焊缝中的夹杂物、气孔等缺陷。
(2)放射性检测仪器:用于检测焊接头的裂纹和缺陷。
3. 抽取样本在进行钢筋闪光对焊接头质量检验时,需要从焊接部位抽取样本进行检测。
钢筋气压焊及闪光对焊注意事项1 范围本工艺标准适用于工业与民用建筑现浇钢筋混凝土结构中直径14~40mm的ⅠⅢ级钢筋在垂直位置、水平位置或倾斜位置的对接连接。
当两钢筋直径不同时,也可用气压焊连接,但其两直径之差不得大于7mm。
2 施工准备2.1 材料及主要机具;2.1.1 钢筋:钢筋的级别、直径必须符合设计要求,有出厂证明书及复试报告单。
进口钢筋还应有化学复试单,其化学成分应满足焊接要求,并应有可焊性试验。
2.1.2 氧气(O2):气压焊采用氧气纯度应在99.5%以上,质量符合GB3863中Ⅰ类或Ⅱ类一级的技术要求。
2.1.3 乙炔气(C2H2):最好用瓶装溶解乙炔,质量应符合GB6819的要求。
其纯度必须在98%以上,磷化氢含量不得大于0. 06%,硫化氢含量不得大于0. l%,水分含量不得大于1L/m3,丙酮含量应不大于45g/m3。
如使用乙炔发生器直接生产的乙炔时,使用的电石质量要符合有关标准规定的优级品或一级品的要求。
2.1.4 主要机具:2.1.4.1 供气装置:应包括氧气瓶、溶解乙炔气瓶(或中压乙炔发生器)、干式回火防止器、减压器及胶管等。
氧气瓶和溶解乙炔气瓶的使用应遵照国家有关规定执行。
溶解乙炔气瓶的供气能力必须满足现场最大直径钢筋焊接时供气量的要求,若不敷使用时,可多瓶并联使用。
2.1.4.2 多嘴环管加热器:氧-乙炔混合室的供气量应满足加热圈气体消耗量的需要,多嘴环管加热器应配备多种规格的加热圈,以满足不同直径钢筋焊接的需要,多束火焰应燃烧均匀,调整火焰方便。
2.1.4.3 加压器:加压能力应达到现场最大直径钢筋焊接时所需要的轴向压力。
2.1.4.4 焊接夹具:应确保夹紧钢筋,并且当钢筋承受最大轴向压力时,钢筋与夹头之间不产生相对滑移;应便于钢筋的安装定位,并在施焊过程中保持足够的刚度;动夹头应与定夹头同心,并且当不同直径钢筋焊接时,仍应保持同心。
2.2 作业条件:2.2.1 焊工必须持有有效的焊工考试合格证。
浅谈钢筋闪光对焊(接头)作业摘要:在铁路建筑工程施工中,钢筋焊接优选钢筋闪光对焊。
闪光对焊是钢筋接头焊接中成本低、质量好、效率高的焊接方法,是建筑工程中大量采用的接头焊接方法。
通常闪光对焊焊接有三种方法:是连续闪光焊、预热-闪光焊;闪光-预热-闪光焊。
连续闪光焊适用于焊接直径小的钢筋接头;闪光-预热-闪光焊适用于焊接直径大的钢筋接头;预热-闪光焊是将闪光-预热-闪光焊去掉第一次闪光过程,在此指导书中不在赘述。
由于钢筋多数采用钢筋切断机断料,端部有压伤痕迹,端面不够平整,这时宜采用闪光-预热-闪光焊。
关键词:钢筋焊接闪光对焊工艺要点中图分类号:tu511.3+2文献标识码: a文章编号:1.对焊机工作原理(常用对焊机分为自动、手动两种)焊机的两个电极分别装在机身上,活动平板可沿机身导轨作水平直线移动,并与压力机构相连接。
将两个需要对焊的钢筋端部夹紧在两个电极内,随后接通电源。
电流从变压器的次级线圈流到接触板,再流至电极,使钢筋断面接触通电,借焊件本身的固有电阻和接触处所产生的接触电阻,产生热量,待足够的温度使钢筋端头熔化时,再利用压力机构将钢筋用力顶锻,使两根钢筋焊接在一起。
闪光对焊工艺2.1连续闪光焊(只用于焊接直径小的钢筋接头)将钢筋分别夹紧固定在电极和可动电极上,接通电源,使钢筋逐渐移近,端面逐渐接触,钢筋端面接触点在大电流作用下,迅速熔化、蒸发、爆破呈高温粒状金属,从焊口内高速飞溅出来,形成闪光现象。
而后再徐徐移动钢筋,使闪光连续发生,接头也同时被加热。
直至接头端面烧平,杂质闪掉,白热熔化时,搬动可动电极在顶锻压力下,液态金属排挤在焊口外,使两根钢筋焊牢。
连续闪光焊所能焊接的最大钢筋直径如下表:(场用对焊机为2.2闪光-预热-闪光焊(焊接大直径的钢筋多采用此方法)闪光-预热-闪光焊,一次闪光的目的是把钢筋端部的压伤部分利用闪光烧掉,使钢筋焊接断面平整,有利于提高和保证焊接接头质量。
一次闪光过后,进行预热阶段。
工程施工中钢筋的焊接连接方法混凝土结构设计规范规定,钢筋连接宜优先采用焊接连接。
钢筋的焊接质量与钢材的可焊性、焊接工艺有关。
钢材可焊性的好坏,受钢材所含化学元素种类及含量影响很大。
含碳、锰数量增加,则可焊性差,而含适量的钛,可改善可焊性。
焊接工艺(焊接工艺与操作水平)也影响焊接质量,即使可焊性差的钢材,若焊接工艺合宜,也可获得良好的焊接质量。
常用的焊接方法有闪光对焊、电阻点焊、电弧焊、电渣压力焊、埋弧压力焊和气压焊等。
1)闪光对焊闪光对焊属于焊接中的压焊(焊接过程中必须对焊件施加压力完成的焊接方法)。
钢筋的闪光对焊是利用对焊机,将两段钢筋端面接触,通过低电压强电流在钢筋接头处,产生高温,钢筋熔化,产生强烈的金属蒸气飞溅,形成闪光,施加压力顶锻,使两根钢筋焊接在一起,形成对焊接头,是钢筋焊接中常用的方法。
如图3. 23所示为对焊机基本构造示意图。
根据钢筋的品种、直径和选用的对焊机功率,闪光对焊分为连续闪光焊、预热闪光焊和闪光一预热闪光焊3种工艺。
对可焊性差的钢筋,对焊后采取通电热处理的方法,以改善对焊接头的塑性。
(1)连续闪光焊。
自闪光一开始,就徐徐移动钢筋,形成连续闪光,接头处逐步被加热,形成对焊接头。
连续闪光焊的工艺简单,适用于焊接直径25mm以下的钢筋。
钢筋对焊接头的外形见图3.24。
图3.23 对焊机基本构造示意图1-机架;2-变压器;3-钢筋;4-夹紧机构;5-固定座板;6-动板;7-送进机构;8-顶座;9-导轨图3. 24 钢筋对焊接头的外形图1-钢筋;2-接头(2)预热闪光焊。
在连续闪光焊前增加一次预热过程,以使钢筋均匀加热。
其工艺过程为预热-闪光-顶锻。
即先闭合电源,使两根钢筋端面交替轻微接触和分开,发出断续闪光使钢筋预热,当钢筋烧化到规定的预热留量后,连续闪光,最后进行顶锻。
适用于直径25mm以上端部平整的钢筋。
(3)闪光一预热一闪光焊。
在预热闪光焊前加一次闪光过程,使钢筋端面烧化平整,预热均匀。
钢筋闪光对焊接头质量标准及检验方法1. 引言钢筋闪光对焊接头是工程建设中常用的一种焊接方法,其质量直接影响着工程的安全和稳定性。
因此,制定合理的质量标准和选择适当的检验方法对于保障焊接质量,提高工程质量具有重要意义。
2. 钢筋闪光对焊接头质量标准钢筋闪光对焊接头质量标准的制定应遵循以下原则:2.1 符合国家标准或行业规范:钢筋闪光对焊接头质量标准应参照国家标准或行业规范,如《钢筋混凝土结构工程施工质量验收规范》等,确保符合国家的要求。
2.2 合理性:钢筋闪光对焊接头质量标准应合理、科学,符合工程实际情况,同时考虑工程的使用环境和要求。
2.3 统一性:钢筋闪光对焊接头质量标准应统一,避免因验收标准的不一致导致的不必要的纠纷和争议。
根据以上原则,钢筋闪光对焊接头的质量标准主要包括以下方面:2.4 外观质量:应检查焊缝外观,包括焊接头的形状、平整度、边缘清晰度等。
合格的焊接头外观应符合国家标准或行业规范要求。
2.5 强度性能:应检查焊接头的强度性能,包括抗拉强度、抗剪强度等。
焊接头的强度应满足施工设计要求,并符合国家相关标准。
2.6 尺寸精度:应检查焊接头的尺寸精度,包括焊缝的宽度、高度、长度等。
焊接头的尺寸精度应符合国家标准或行业规范的要求。
2.7 焊接缺陷:应检查焊接头是否存在缺陷,如焊接裂纹、气孔、夹渣等。
焊接头的缺陷应符合国家标准的规定,且不得影响工程的安全性。
3. 钢筋闪光对焊接头质量检验方法钢筋闪光对焊接头的质量检验是确保焊接质量符合标准的重要环节。
下面简要介绍几种常用的检验方法:3.1 目视检查:通过肉眼观察焊接头的外观质量,检查焊接头的形状、平整度、边缘清晰度等。
该方法简便易行,可以对焊接头的质量进行初步评估。
3.2 应变测量法:在焊接头附近放置应变片,通过检测应变片的变化来评估焊接头的强度性能。
该方法具有高精度、实时性等优点,适用于对焊接头的强度性能进行定量评估。
3.3 超声波检测法:通过对焊缝进行超声波检测,检测焊接头是否存在缺陷。
钢筋闪光对焊连接工艺钢筋采用预热闪光焊,对焊时要由专业施工人员进行操作,并且严格控制焊接参数,以确保对焊质量。
对焊时遵守“闪光过程短稳强烈,顶锻过程快速有力”的施工要领。
钢筋对焊完毕后进行外观检查,要求表面无裂纹和明显烧伤。
并有适量墩粗和均匀毛刺,且焊头弯折角度大于4度。
轴线偏移大于2mm的焊头将接头处两侧1.5mm处切除重焊。
焊完后放置对焊棚内自然降温。
1、施工准备⑴材料准备①钢筋:钢筋的级别、直径必须符合设计要求,有出厂证明书及复试报告单。
进口钢筋还应有化学复试单,其化学成分应满足焊接要求,并应有可焊性试验。
钢筋进场时,应按现行国家标准《钢筋混凝土用热轧带肋钢筋》GBl499等的规定抽取试件作力学性能检验,其质量必须符合有关标准的规定。
对有抗震设防要求的框架结构,其纵向受力钢筋的强度应满足设计要求;当设计无具体要求时,对一、二级抗震等级,检验所得的强度实测值应符合下列规定:钢筋的抗拉强度实测值与屈服强度实测值的比值不小于1.25;钢筋的屈服强度实测值与强度标准值的比值不大于1.3。
钢筋安装时,受力钢筋的品种、级别、规格和数量必须符合设计要求。
②主要机具:对焊机及配套的对焊平台、防护深色眼镜、电焊手套、绝缘鞋、钢筋切断机、空压机、水源、除锈机或钢丝刷、冷调直作业线。
常用对焊机主要技术数据⑵作业条件①焊工必须持有有效的考试合格证。
②对焊机及配套装置、冷却水、压缩空气等应符合要求。
③电源应符合要求,当电源电压下降大于5%,小于8%时,应采取适当提高焊接变压器级数的措施;大于8%时,不得进行焊接。
④作业场地应有安全防护设施,防火和必要的通风措施,防止发生烧伤、触电及火灾等事故。
⑤熟悉料单,弄清接头位置,做好技术交底。
2、工艺流程与操作工艺⑴工艺流程:检查设备→选择焊接工艺及参数→试焊、做模拟试件→送试→确定焊接参数→焊接→质量检验①连接闪光对焊工艺过程:②预热闪光对焊工艺工程:③闪光-预热闪光对焊工艺过程:⑵焊接工艺方法选择:当钢筋直径较小,钢筋级别较底,可采用连接闪光焊所能焊接的最大钢筋直径符合下表的规定。
钢筋混凝土中钢筋的连接方式钢筋混凝土中钢筋的连接方式通常有闪光对焊连接、电阻点焊连接、电弧焊连接、电渣压力焊连接、气压焊连接、埋弧压力焊连接。
1.闪光对焊连接闪光对焊连接采用的设备是手动对焊机、自动对焊机。
闪光对焊可以分为连续闪光焊、预热闪光焊和闪光—预热—闪光焊等三种工艺,根据钢筋品种、直径和所用焊机功率等选用。
(1)连续闪光焊连续闪光焊的工艺过程包括:连续闪光和顶锻过程。
施焊时,先闭合一次电路,使两钢筋端面轻微接触,此时端面的间隙中喷射出火花般熔化的金属微粒——闪光,接着,徐徐移动钢筋使两端面仍保持轻微接触,形成连续闪光。
当闪光持续到预定的长度,使钢筋端头加热到接近熔点时,就以一定的压力迅速进行顶锻。
先带电顶锻,再无电顶锻到一定长度,焊接接头即告完成。
(2)预热闪光焊预热闪光焊是在连续闪光焊前增加一次预热过程,以扩大焊接热影响区。
其工艺过程包括:预热、闪光和顶锻过程。
施焊时先闭合电源,然后使两钢筋端面交替地接触和分开,这时钢筋端面的间隙中发出断续的闪光,而形成预热过程。
当钢筋达到预热温度后进入闪光阶段,随后顶锻而成。
(3)闪光—预热—闪光焊闪光—预热—闪光焊是在预热闪光焊前加一次闪光过程,目的是使不平整的钢筋端面熔化平整,使预热均匀。
其工艺过程包括:一次闪光、预热、二次闪光及顶锻过程。
施焊时首先连续闪光,使钢筋端部闪平,然后同预热闪光焊。
钢筋直径较粗时,宜采用预热闪光焊与闪光-预热-闪光焊。
2.电阻点焊连接将钢筋交叉点置于点焊机的两电极间,因接触点的电阻较大,当钢筋通电发热至一定温度后,加压使焊点焊合,这种焊接方法称为电阻点焊。
电阻点焊连接采用的设备是单点点焊机、多头点焊机、悬挂式点焊机。
点焊过程可分为预压、加热熔化、冷却结晶三个阶段。
加热熔化阶段包括两个过程:在通电开始一段时间后,接触点扩大,固态金属因加热而膨胀。
在焊接压力作用下,焊接处金属产生塑性变形,并挤向工件间缝隙中,继续加热后,开始出现熔化点,并逐渐扩大成所要求的核心尺寸时,切断电流。
钢筋闪光对焊基本要求钢筋闪光对焊是指使用特殊的设备,在钢筋表面产生强光,然后将两根钢筋通过光源接触在一起,当光源熄灭后,钢筋因为高温被融合在了一起,从而实现钢筋对焊。
钢筋闪光对焊依靠高温将钢筋融合在一起,具有速度快,质量好,方便施工等优点。
现场操作在进行钢筋闪光对焊之前,我们需要先进行检查,保证设备正常,在运用钢筋闪光对焊时要注意以下几点:1.设备准备:请器材操作人员对设备的配合进行检查和联系,确保设备正常使用,检查设备是否处于维护期还有万能钳和钢筋的状况。
2.环境气氛要求:钢筋闪光对焊在高温下进行,所以操作时应多注意安全,要保证在现场无爆炸危险性或有其他危险要素的环境里进行。
3.闪光对焊前的准备:闪光对焊前先将物料准备好,并将焊接点处打磨干净,以防焊接时气泡及其他物质影响关键性部位的连接,影响连接质量。
4.灵活周到:在钢筋闪光对焊的过程中,可能出现一些闪光失败的情况,这是正常现象,要保证及时地更换闪光电池。
操作时需要做到灵活周到,以提高闪光对焊的质量。
操作规范在进行钢筋闪光对焊的时候,操作人员应该认真遵守以下的操作规范:1.命令专人负责:在进行钢筋闪光对焊时,需要由一名专人负责指挥,确保操作人员的安全和设备的正常使用。
2.安全防护:在设备及现场安全防护方面应该做好充分的准备,确保操作人员的安全。
3.设备维护:在使用设备前需要进行充分的维护,确保设备处于正常状态。
4.环境清洁:现场要干净整洁,以防止在焊接过程中产生的火花带着灰尘飞散,影响施工效果。
5.材料准备:用于钢筋闪光对焊的钢筋、闪光电池等物料要严格按照规范进行选择和准备。
结论作为一个施工人员,在使用闪光对焊的同时,应该严格执行操作规范,确保对施工现场的安全、工作的稳定、工程的高质量进行有效的管理和实施。
同时要在施工过程中时刻瞭解设备运行状况,随时进行维护和调整,提高工作效率和安全性。
闪光对焊在现代钢筋施工中使用广泛,操作人员要不断学习提高,完善钢筋对焊质量,确保施工质量。
钢筋闪光对焊施工工艺引言钢筋闪光对焊施工工艺是一种常用的焊接方法,广泛应用于建筑、桥梁、道路等工程项目中。
闪光对焊具有焊接速度快、焊接强度高、操作简便等优点,因此得到了广泛的推广和应用。
本文将介绍钢筋闪光对焊施工工艺的基本原理、操作步骤、注意事项等内容。
1. 基本原理钢筋闪光对焊是利用电流通过两根接触钢筋之间的空气间隙产生的电弧放电来实现焊接的方法。
通过电弧放电时产生的高温使钢筋表面达到熔化温度,并施加外力使其形成焊缝。
2. 操作步骤2.1 准备工作在进行钢筋闪光对焊施工工艺之前,需要进行一系列的准备工作,包括:•准备焊接设备:包括闪光对焊机、电源、焊接电极等。
•准备焊接材料:包括焊条、助焊剂等。
•检查焊接环境:确保焊接地点通风良好,无可燃物和易爆物。
2.2 焊接准备在进行钢筋闪光对焊施工工艺之前,需要进行一些焊接准备工作,包括:•清洁钢筋表面:使用刷子等工具清洁钢筋表面的杂质和尘土。
•确定焊接位置:根据设计图纸确定焊接位置,并做好标记。
•调整焊接设备:根据钢筋的直径和长度等参数,调整闪光对焊机的电流和电压等参数。
2.3 进行焊接进行钢筋闪光对焊施工工艺时,按照以下步骤进行:1.将焊条插入焊接电极,并使其与电源连接。
2.将焊条的焊接端对准钢筋焊接位置。
3.按下闪光对焊机的启动按钮,触发电流通过焊接电极,产生电弧放电。
4.在电弧放电时,使焊条与钢筋接触,并施加适当的外力,使钢筋表面达到熔化温度。
5.在钢筋熔化后,保持一定的施压时间,等待焊缝冷却固化。
6.若需要进行多次焊接,依次对各个焊接位置进行施焊,保证焊缝的连续性。
2.4 焊后处理焊接完成后,需要进行焊后处理工作,包括:•焊缝清理:使用钢丝刷等工具清理焊缝表面的碎渣和杂质。
•检查焊缝:检查焊缝的质量和连接情况,确保焊接工艺的可靠性。
•防腐处理:根据需要对焊缝进行防腐处理,延长钢筋的使用寿命。
3. 注意事项在进行钢筋闪光对焊施工工艺时,需要注意以下事项:•安全意识:焊接操作需佩戴防护用品,特别是焊接眼镜和防火服等。
钢筋连接的抽样方法及检验要求1.钢筋闪光对焊连接的抽样方法及检验要求1)钢筋闪光对焊连接的抽样方法在同一班内,由同一焊工按同一焊接参数完成的300个同类型接头作为一批。
一周内连续焊接时,可以累计计算。
一周内累计不足300个接头时,也按一批计算。
取样数量:外观检查,每批抽查10%的接头,并不得少于10个。
力学性能试验包括拉伸试验和弯曲试验,应从每批成品中切取6个试样,3个进行拉伸试验,3个进行弯曲试验。
2)钢筋闪光对焊连接的检验要求外观检查:接头处不得有横向裂纹;与电极接触处的钢筋表面,对于HPB235、HRB335、HRB400钢筋,不得有明显的烧伤;对于RRB400钢筋不得有烧伤;低温对焊时,对于HRB335、HRB400、RRB400钢筋,均不得有烧伤;接头处的弯折,不得大于3°;接头处的钢筋轴线偏移不得大于钢筋直径的0.1倍,同时不得大于2 mm;当有一个接头不符合要求时,应对全部接头进行检查,剔出不合格品。
不合格接头经切除重焊后,可提交二次验收。
拉伸试验:3个试样的抗拉强度均不得低于该级别钢筋的抗拉强度标准值;至少有两个试样断于焊缝之外,并呈塑性断裂。
当检验结果有一个试样的抗拉强度低于规定指标,或有两个试样在焊缝或热影响区发生脆性断裂时,应取双倍数量的试样进行复验。
复验结果,若仍有一个试样的抗拉强度低于规定指标,或有3个试样呈脆性断裂,则该批接头即为不合格品。
弯曲试验:弯曲试验结果中有2个试件发生破断时,应取双倍数量试件进行复验。
复验结果,仍有3个试件发生破断,则该批接头为不合格品。
2.钢筋电弧焊连接的抽样方法及检验要求1)钢筋电弧焊连接的抽样方法电弧焊接头应以一至二楼层中300个同接头形式、同钢筋级别的接头作为一批;不足300个时,仍作为一批。
取样数量:外观检查应全数检查;力学性能试验应从成品中每批随机切取3个接头进行拉伸试验。
2)钢筋电弧焊连接的检验要求外观检查:焊缝表面应平整,不得有凹陷或焊瘤;焊接接头区域不得有裂纹;咬边深度、气孔、夹渣等缺陷允许值及接头尺寸的允许偏差,应符合规定;坡口焊、熔槽帮条焊和窄间隙焊接头的焊缝余高不得大于 3 mm。
钢筋工程施工方案(闪光对焊)一、钢筋工程概况根据结构设计施工图,该工程钢筋分项将做如下安排1、钢筋的选用墙柱梁等的钢筋直径小于等于12的钢筋采用绑扎搭接的方式进行连接,直径大于12的钢筋加工时的连接主要采用闪光对焊,柱梁钢筋绑扎时的连接气压焊连接。
3、后浇带钢筋后浇带部位的构件钢筋拉通不截断,钢筋按垂直后浇带主钢筋截面积的50%配置。
二、钢筋的原材料控制钢筋工程是结构工程质量中的重要一环,首先要严把材质、加工、连接、安装的质量关,施工过程中要跟踪检查,确保钢筋工程的质量。
1、钢筋的进场检查1)进场钢筋应有出厂质量证明书或厂方试验报告单。
2)外观检查:钢筋表面及每捆(盘)钢筋均有标识,钢筋表面不得有裂纹、折痕和锈蚀现象。
3)按现行国家标准的规定抽取试样作力学性能的试验,合格后方可使用。
并作好见证取样送检工作。
2、钢筋的质量控制钢筋质量控制图三、钢筋加工、钢筋焊接和钢筋绑扎搭接1、施工放样依据结构施工图、规范要求、施工方案及有关洽商并综合考虑各种节点的施工,确定弯曲调整值、弯钩增加长度、箍筋调整值等参数,保证下料长度准确。
2、钢筋加工钢筋加工严格按规范操作,严格控制钢筋除锈、调直、切断、成型每道工序,加工成型经验收通过方可使用。
3、钢筋连接1)闪光对焊:闪光对焊机选用UN1-100型。
连续闪光墙钢筋上限直径:Ⅰ级钢20mm ,3级钢18mm。
Ⅰ级钢筋直径22mm及以上,3级钢筋直径20mm及以上采用预热闪光焊式闪光-预热-闪光焊。
注意事项:对焊前应清除钢筋端头约150mm范围的铁锈,污泥等,以免在夹具和钢筋间因接触不良而引起“打火”。
此外,如钢筋端头有弯曲,应予调直或切除。
当调换焊工或更换焊接钢筋的规格和品种时,应先别作对焊试样(不少于2个)进行冷弯试验,合格后,才能成批焊接。
焊接参数应根据钢种特性,气温高度低,实际电压,焊机性能等具体情况由操作人员自行修正。
夹紧钢筋时,应使两钢筋端面的凸出部分相接触,以利均匀加热和保证焊缝与钢筋轴线相垂直,焊接完毕后,应待接头处由白红色变为黑红色才能松开夹具,平稳地取出钢筋,以免引起接头弯曲。
工作行为规范系列
钢筋闪光对焊连接(标准、完整、实用、可修改)
编号:FS-QG-25583钢筋闪光对焊连接
Rebar flash butt welding connection
说明:为规范化、制度化和统一化作业行为,使人员管理工作有章可循,提高工作效率和责任感、归属感,特此编写。
钢筋闪光对焊连接
施工准备
焊接工人应有上岗证方能上岗。
当调换焊工或更换焊接钢筋的规格和品种时,应先制作对焊试件进行冷弯试验,合格后才能成批焊接。
对焊前应清除端头约150mm范围内的铁锈、污泥等,以免夹具和钢筋间因接触不良而引起打火,如钢筋有端头有弯曲,应予以调直或切除。
操作要点:
施焊时采用连续闪光工艺:先闭合一次电路,使两钢筋端面轻微接触,此时端面的间隙中即喷射出火花般熔化的金属微粒――闪光,接着徐徐移动钢筋使两端面仍保持轻微接触,形成连续闪光。
当闪光到预定的长度,使钢筋端头加热
到将近熔点时,就以一定的压力迅速进行顶锻。
先带电顶锻,再无电顶到一定长度,焊接接头即告完成。
焊接时应夹紧钢筋,且使两钢筋端面的凸出部分相接触,以利均匀加热和保证焊缝与钢筋轴线相垂直。
焊接完毕后,应待接头处由红色变为黑色才能松开夹具,平稳地取出钢筋,以免引起接头弯曲。
不同直径的钢筋可以对焊,但其截面比不宜大于1.5。
焊接场地应有防风、防雨措施,以免接头区骤然冷却,发生脆裂。
当气温较低时,接头部位可适当用保温材料覆盖。
焊接接头应在监理的见证取样下,按规范要求进行抽样检验。
对焊缺陷及防止措施
项次
异常现象和缺陷种类
防止措施
1烧化过分剧烈并产生强烈的爆炸声
(1)降低变压器级数
(2)减缓烧化速度
2闪光不稳定
(1)清除电极底部和表面的氧化物
(2)提高变压器级数
(3)加快烧化速度
3接头中有氧化膜、未焊透或夹渣
(1)增加预热程度
(2)加快临近顶锻时的烧化速度
(3)确保带电顶锻过程
(4)加快顶锻速度
(5)增大顶锻压力
4接头中有缩孔
(1)降低变压器级数
(2)避免烧化过程过分强烈
(3)适当增大顶锻留量及顶锻压力5焊缝金属过烧或热影响区过热
(1)减小预热程度
(2)加快烧化速度,缩短焊接时间
(3)避免过多带电顶锻
6接头区域裂纹
(1)检验钢筋的碳、硫、磷含量;如不符合规定时,应更换钢筋
(2)采取低频预热方法,增加预热程度
7钢筋表面微熔及烧伤
(1)清除钢筋被夹紧部位的铁锈和油污
(2)清除电极内表面的氧化物
(3)改进电极槽口形状,增大接触面积
(4)夹紧钢筋
8接头弯折或轴线偏移
(1)正确调整电极位置
(2)修整电极钳口形状,增大接触面积
(3)切除或矫正直钢筋的弯头
质量检验
取样数量
钢筋闪光对焊接头的外观检查,每批抽查10%的接头,并不得少于10个。
钢筋闪光对焊接头的力学性能试验包括拉伸试验和弯
曲试验,应从每批成品中切取6个试样,3个进行拉伸试验,3个进行弯曲试验。
在同一班内,由同一焊工,按同一焊接参数完成的200个同类型接头作为一批。
一周内连续焊接时,可以累计计算。
一周内累计不足200个接头时,也按一批计算。
外观检查
接头处不得有横向裂纹;
与电极接触处的钢筋表面,不得有明显的烧伤;
接头处的弯折,不得大于4度;
接头处的钢筋轴线偏移不得大于钢筋直径的0.1倍,同时不得大于2mm。
拉伸试验
三个试样的抗拉强度均不得低于该级别钢筋的抗拉强度标准值;
至少有两个试样断于焊缝之外,并呈塑性断裂。
弯曲试验
钢筋闪光对焊接头弯曲试验时,应将受压面的金属毛刺和镦粗变形部分去掉,与母材的外表齐平。
弯曲试验的焊缝应处于弯曲的中心点;弯曲至90度时,接头外侧不得出现宽度大于0.15mm的横向裂纹。
请输入您公司的名字
Foonshion Design Co., Ltd。