高三地理第四章地表形态的塑造复习学案 (1)
- 格式:doc
- 大小:429.00 KB
- 文档页数:6
第四章地表形态的塑造(1)课标要求:1运用示意图说明地壳内部物质循环过程;2.结合实例,说明内力作用的能量来源及其表现形式,理解地壳运动是塑造地表形态的主要作用方式;3.以山地为例,了解褶皱、断层的概念,认识褶皱山和断块山的形成和基本形态特征。
【考点一】岩石圈的物质循环读“地壳物质循环简略示意图”,分析回答1~3题。
1、1代表的地壳物质是( )A.岩浆岩 B.沉积岩 C.变质岩 D.岩浆2、2代表的地壳物质是( )A.岩浆岩 B.沉积岩 C.变质岩 D.岩浆3、如果3代表的是沉积岩,则指向3的箭头②、③代表的是( )A.上升冷却凝固 B.外力作用 C.变质作用 D.重熔再生【考点二】内力作用及其表现形式据科学家考察:喜马拉雅山脉原来是一片海洋,按照其上升的速度计算,目前的高度应是20 000多米,但2005年10月9日国家测绘局公布的珠穆朗玛峰高度测量的结果是8 844.43米。
据此完成下列问题。
4.导致喜马拉雅山脉由海洋变为“世界屋脊”的作用是( )A.外力作用 B.内力作用 C.变质作用 D.流水作用5.导致珠穆朗玛峰只有8 844.43米的主要原因是( )A.搬运作用 B.内力作用 C.地壳运动 D.侵蚀作用6.喜马拉雅山脉地区发展演变说明了( )A.内力作用均进行得极其缓慢,不易被人们察觉B.内力作用总的趋势是使地表变得高低不平,外力作用则削高填低C.内力作用先形成高山,然后外力作用再把高山削低D.外力作用起的作用比较小,对山脉的形成不起主要作用【考点三】板块构造读图“全球板块示意图”回答7—8题7.关于板块运动理论的说法正确的是()A.地壳可分为六大板块 B.板块消亡边界经常形成海岭和海岸山脉C.板块“漂浮”在软流层上不断运动 D.板块生长边界经常形成海沟或海洋8.阿尔卑斯山脉位于哪两个板块边界上()A.①②B.②③C.③④D.①②【考点四】内力作用对地貌的影响——山地的形成读“地质构造示意图”,完成9~10题。
本章归纳整合第一节营造地表形态的力量教材P70活动1.从公元79年到公元15世纪,那不勒斯湾海岸处于下沉运动中,判断的依据是三根大理石柱建成时底部的被火山灰覆盖部分看不见了。
2.从公元15世纪到公元18世纪,那不勒斯湾海岸处于上升运动中,判断的依据是三根大理石柱上有被海水长期浸泡和海生动物钻孔的痕迹(图中石柱上的斑点)。
3.那不勒斯湾海岸地壳运动的历史说明地壳运动具有循环往复的特点。
教材P72活动(1)照片中的地貌景观从左向右,分别是流水侵蚀、风力侵蚀、流水堆积的结果。
(2)这些地貌景观分别位于我国的黄土高原地区、西北沙漠地区、西北昆仑山和祁连山山前地带等地。
第二节山地的形成教材P74活动1.乙地是背斜,甲地是向斜。
2.背斜顶部因受到张力,易被侵蚀成谷地,而向斜由于槽部受挤压,不易被侵蚀,反而形成山岭。
3.如果在这时修建一条东西向的地下隧道,应该选择在乙地,因为背斜的岩层走向类似于石拱桥,能保证工程的安全稳定,而且不利于地下水储存,便于施工。
教材P75活动(1)岩层不连续,同时代岩层发生错位和移动。
(2)略。
教材P76活动1.从表4.1分析,铁路的最大限制坡度远远小于公路,说明其对地形的要求较高。
从表4.2分析,山地地区修铁路的工程量和造价均比平原、丘陵地区高。
综合分析来看,在山区修铁路比较困难,而发展公路相对容易些。
2.(1)公路选线时考虑了地形、河流、沼泽等自然因素。
公路在山谷中穿行时,呈“之”字形弯曲,减少陡坡的影响,同时道路尽量避开陡坡面;公路跨越河流时需要修建桥梁;公路避开沼泽地。
(2)山区人口主要集中在山间盆地和河谷地带,公路在选线时要尽可能多地联系居民点,方便人们出行,这说明人口和聚落等人文因素也是公路选线时要考虑的。
第三节河流地貌的发育教材P78活动分析张家界河谷的形成过程,应综合考虑内力、外力的共同影响。
内力作用使地壳发生垂直运动,外力作用使河床不断下切,河谷处在发育的早期阶段。
第四章地表形态的塑造章末整合[学习目标] 1.了解内外力作用的能量来源及表现形式。
2.掌握外力作用,特别是流水作用形成的不同地貌。
3.掌握岩石圈物质循环过程。
4.掌握地质构造类型及其实践意义。
5.运用知识分析山地对交通运输线路布局的影响,分析河流地貌对聚落分布的影响。
专题一利用河流的水系及水文特征判断流域的地形特征1.根据河流流向可判断地势的高低起伏河流总是在重力作用下由地势高的地方流向地势低的地方。
且河流总是沿山谷发育,在等高线地形图中,常根据河流分布判定山谷,然后再确定河流地貌。
2.根据河流的水系特征判定地形类型水系的特征与河流支流的汇入直接相关,而支流的发育与形成受地形限制。
(1)若水系为向心状,该地形为盆地。
(2)若水系为辐射状,该地形为山顶。
3.根据河流的水文特征可判断地理环境特征(1)含沙量大,说明上游地区植被覆盖不好,水土流失严重。
(2)结冰现象,说明该区域冬季气温低于0℃,在我国应分布于秦岭—淮河以北地区。
(3)汛期①若出现两次明显的汛期,一次春汛,一次夏汛,则说明该区河流有季节性积雪融水补给,在我国应分布于东北地区;②若汛期与多雨季一致,则说明该区河流主要受大气降水补给,在我国主要分布在东部季风区,存在非常普遍;③若河流汛期与气温变化一致且流量较小,则在我国主要分布在西北地区,以冰雪融水补给为主。
4.根据河流的河床宽度与横剖面形状可判断地形(1)河床较宽阔,说明该河流经平原地区,以侧蚀和堆积为主,且河道比较弯曲,其横剖面一般呈“U”型。
(2)河流河床深窄,说明该河流向下侵蚀强烈,一般是分布在高山峡谷中的河流,其横剖面一般呈“V”型。
[专题练习1]读图,完成下列问题。
(1)判断G河自N点至M点流经地区的地形类型,并说明判断的理由。
(2)说明G河水量丰富的原因。
(3)指出G河没有形成明显三角洲的原因,并加以分析。
专题二地形对交通运输建设和聚落分布的影响(1)地形对交通运输建设的影响非常显著。
高中地理复习-塑造地表形态教案一、教学目标1. 知识与技能:(1)理解地表形态的分类及特点;(2)掌握内外力作用对地表形态的影响;(3)能够运用地理知识分析实际地表形态变化。
2. 过程与方法:(1)通过观察地图、图片,分析地表形态的特点;(2)运用地理模型,演示地表形态的变化过程;(3)开展小组讨论,探讨地表形态形成的内外力作用。
3. 情感态度价值观:(1)培养学生的地理观察能力和思维能力;(2)培养学生对地理环境的兴趣和保护意识。
二、教学重点与难点1. 教学重点:(1)地表形态的分类及特点;(2)内外力作用对地表形态的影响;(3)地表形态变化的实际案例分析。
2. 教学难点:(1)内外力作用对地表形态影响的深度理解;(2)地表形态变化过程的演示与分析。
三、教学方法1. 观察法:通过地图、图片等引导学生观察地表形态的特点;2. 模型演示法:运用地理模型,直观展示地表形态的变化过程;3. 小组讨论法:分组讨论,分析地表形态形成的内外力作用;4. 案例分析法:选取实际案例,分析地表形态变化的原因。
四、教学准备1. 地图、图片等教学资源;2. 地理模型或沙盘;3. 案例资料。
五、教学过程1. 导入:(1)引导学生回顾地表形态的分类及特点;(2)提问:地表形态是如何形成的?内外力作用对地表形态有哪些影响?2. 新课导入:(1)介绍内外力作用对地表形态的影响;(2)分析地表形态变化的实际案例。
3. 课堂讲解:(1)讲解地表形态的分类及特点;(2)阐述内外力作用对地表形态的影响;(3)示范分析地表形态变化的实际案例。
4. 课堂实践:(1)学生分组讨论,探讨地表形态形成的内外力作用;(2)各组汇报讨论成果;(3)教师点评并总结。
5. 课后作业:(1)复习地表形态的分类及特点;(2)运用地理知识分析实际地表形态变化;6. 课堂小结:总结本节课所学内容,强调地表形态的分类、特点及内外力作用的影响。
7. 课后反思:(1)学生对本节课内容的掌握程度;(2)教学方法的适用性及改进方向;(3)针对学生的反馈,调整教学策略。
地表形态的塑造——揭秘地表形态的成因【课程标准】1.运用地质年代表等资料,简要描述地球的演化过程;2.通过野外观察或运用视频、图像,识别3-4种地貌,描述其景观的主要特点;3.运用示意图,说明岩石圈物质循环过程;4.结合实例,解释内力和外力对地表形态变化的影响,并说明人类活动与地表形态的关系。
【单元学习目标】1.研读文本,说出内外力的能量来源及表现形式。
2.结合实例,解释内力和外力对地表形态变化的影响。
3.列举3—4个实例,说明人类活动与地表形态的关系。
步骤一:地表形态的塑造----自主梳理【学习指导】1.自主梳理,研读课本P69-83、三维设计P68-P80岩石圈与地表形态变化部分,梳理基础落实核心考点。
2.结合【自主研习】中的4个核心问题,落实并初步构建知识体系。
【自主研习】1.填充岩石圈物质循环示意图(三维设计P68)2.地质作用、地质构造和构造地貌三者的区别。
3.内力作用能量来源:表现形式及其影响:4.外力作用能量来源:表现因素作用结果风化作用温度、水、生物使岩石发生崩解、破碎;为其他外力作用创造条件总的趋势是使地表起伏状况趋于作用水、冰川、空气等对地表岩石及其风化产物进行破坏;常使被侵蚀掉的物质离开原地,并在原地形成侵蚀地貌搬运作用风、流水、冰川等移动风化或侵蚀的产物;为堆积地貌的发育输送大量物质作用外力减弱或遇到障碍物被搬运的物质堆积下来表现形式对地表形态的影响水平运动形成绵长的和巨大的垂直运动引起地势的起伏变化和岩浆活动岩浆只有喷出地表才能直接影响地表形态变质作用不能直接塑造地表形态【梳理体系】:勾画关键词,注意箭头的方向。
【自我过关】(2019年新课标全国卷Ⅱ)霍林河发源于大兴安岭,为山前半干旱区及部分半湿润区的平原带来了流水及泥沙。
受上游修建水库和灌溉的影响,山前平原河段多年断流。
断流期间,山前平原上的洼地增多增大。
据此完成1~3题。
1.修建水库前,营造该地区山前平原地表形态的力主要来自A.构造运动B.流水C.冰川 D.风2.断流期间,山前平原上的洼地增多增大是由于A.地面沉降 B.流水侵蚀 C.风力侵蚀D.冻融塌陷3.伴随着洼地增多增大,周边地区可能出现A.水土流失 B.沼泽化 C.土地沙化 D.盐碱化读图文材料,回答下面两题。
高中地理第四章地表形态的塑造4.2 山地的形成导学案新人教版必修1(1)编辑整理:尊敬的读者朋友们:这里是精品文档编辑中心,本文档内容是由我和我的同事精心编辑整理后发布的,发布之前我们对文中内容进行仔细校对,但是难免会有疏漏的地方,但是任然希望(高中地理第四章地表形态的塑造4.2 山地的形成导学案新人教版必修1(1))的内容能够给您的工作和学习带来便利。
同时也真诚的希望收到您的建议和反馈,这将是我们进步的源泉,前进的动力。
本文可编辑可修改,如果觉得对您有帮助请收藏以便随时查阅,最后祝您生活愉快业绩进步,以下为高中地理第四章地表形态的塑造4.2 山地的形成导学案新人教版必修1(1)的全部内容。
4。
2 山地的形成【课标细化】1.了解山岳的三种类型及其典型例子2.掌握背斜和向斜形成的地貌并分析其成因3.理解山岳对交通运输的影响4.掌握地质构造的实践意义【我的预习】看教材73-75页,判断喜马拉雅山、华山、富士山的成因类型。
【我的疑惑】【课堂探究】探究点一山地的成因类型【典型案例1】1。
读图4。
11思考(1)甲、乙分别形成什么地貌,并分析成因(2)假设在这里修建一条东西方向的隧道,如果只考虑背斜和向斜构造,应选择哪里?为什么?(3)如果寻找地下水则水井应在哪里打?试分析原因(4)已发现该地区储存丰富石油,则应在哪里寻找?为什么2.思考,假如你是一位地理爱好者,到野外考察不同的山,怎样区别褶皱山、断块山或火山?(外貌区别、内部构造区别)3。
地球岩石圈共分为哪六大板块?板块的哪些地区多火山和地震的发生,并分析原因。
【迁移案例1】1.读图4.18回答下列问题.(1)A、B、C、D四处,属于背斜的是___________,属于向斜的是___________。
(2)此时,背斜在地貌上是__________,原因是_____________________;向斜在地貌上是_________,原因是_____________________________。
第章地表形态的塑造第一节营造地表形态的力量本节复习脉络考点一| 内力作用对地表形态的影响(对应学生用书第64页)[识记—基础梳理]1.能量来源:主要是地球内部放射性元素衰变产生的热能。
2.表现形式及影响:使地表变得高低不平。
[盲区扫描]1.内力作用对地表形态的影响(1)地壳运动——塑造地表形态的主要内力常形成高原、断块山及盆地和平原等地形成断裂带和褶皱山脉板块相对移动而发生的彼此碰撞或张裂,形成了地球表面的基本地貌。
如下图:图示理解六大板块位置与范围全球岩石圈共分为六大板块,除太平洋板块几乎全是海洋外,其余五大板块既有陆地又有海洋。
如下图:[说明](1)澳大利亚、南亚、阿拉伯半岛、印度半岛、斯里兰卡岛、塔斯马尼亚岛位于印度洋板块。
(2)冰岛——亚欧板块与美洲板块交界处——大西洋“S”形海岭上——生长边界。
(3)新西兰南、北二岛——太平洋板块与印度洋板块交界处——消亡边界。
(4)科迪勒拉山系:海岸山脉和落基山脉为太平洋板块与美洲板块碰撞形成,安第斯山脉为南极洲板块与美洲板块碰撞形成。
[运用—考向对练]⊙考向1主要内力作用形式及影响分析(2016·北京高考)下图示意平顶海山的形成过程。
读图,回答下题。
【导学号:21490054】1.平顶海山( )A.为褶皱山B.由沉积岩构成C.顶部形态由内力作用塑造D.随着板块的移动没入水下D[从图中可以看出在阶段Ⅰ,海山是由岩浆喷发冷却凝结形成,因此该山是由岩浆岩构成的火山,A、B项错误;阶段Ⅰ至阶段Ⅱ火山顶部露出海面部分经外力侵蚀而消失,C项错误;图中显示岩石圈移动过程中该山不断下沉,最后被海洋淹没,形成平顶海山,D项正确。
] [变式训练](教师备用题)上题中的平顶海山,目前最可能出现的海域是( )A.我国南海海域B.几内亚湾海域C.夏威夷群岛所在海域D.澳大利亚西部沿海海域C[从题中信息可知,平顶海山出现的海域应是位于板块交界处。
我国南海海域没有火山存在,非洲的几内亚湾海域以及澳大利亚西部沿海海域都不是板块交界处,而夏威夷群岛是典型的火山岛,目前也比较活跃。
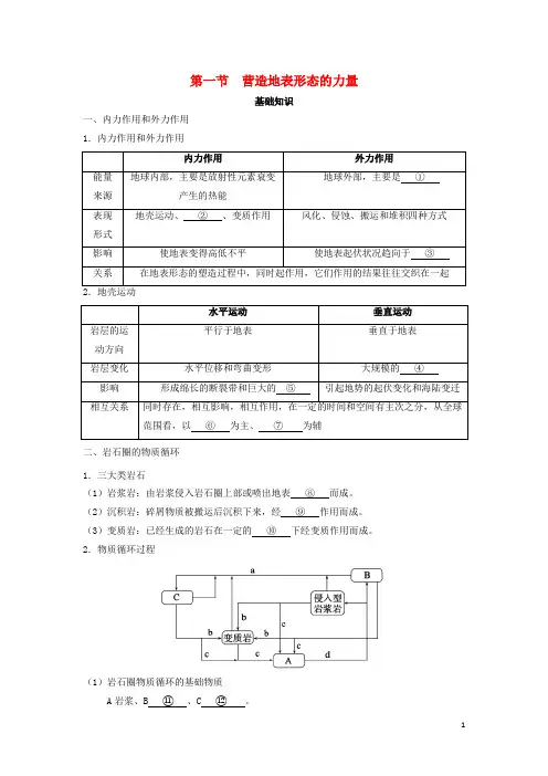
第一节 营造地表形态的力量基础知识一、内力作用和外力作用 1.内力作用和外力作用二、岩石圈的物质循环 1.三大类岩石(1)岩浆岩:由岩浆侵入岩石圈上部或喷出地表 ⑧ 而成。
(2)沉积岩:碎屑物质被搬运后沉积下来,经 ⑨ 作用而成。
(3)变质岩:已经生成的岩石在一定的 ⑩ 下经变质作用而成。
2.物质循环过程(1)岩石圈物质循环的基础物质A 岩浆、B ⑪ 、C ⑫ 。
(2)岩石圈物质循环的循环环节a 外力作用、b ⑬ 、c 重熔再生、d ⑭ 。
重点一 内力作用对地貌的影响 1.能量来源主要是地球内部放射性元素衰变产生的热能。
2.地壳运动的类型及分析判断3.变质作用和岩浆活动的影响变质作用是指岩石在一定温度、压力下发生变质,它不能直接塑造地表形态;岩浆活动是指岩浆侵入岩石圈上部或喷出地表,其激烈显示可以在地表形成火山地貌。
【例1】塞拉比斯神庙位于意大利的那不勒斯海滨,建于古罗马时代。
公元79年,神庙在一场突如其来的灾难中被毁坏,只留下3根大理石柱。
18世纪,神庙遗址重见天日,人们发现大理石柱的3.6米至6.3米高度变得千疮百孔。
如今,石柱的基部浸没在近2米深的海水之中。
结合材料,回答下列问题。
(1)大理岩的母岩是石灰岩,石灰岩在 作用下形成大理岩。
(2)简述公元79年到1955年那不勒斯海岸的地壳变化过程,参考分析范例,指出随后地质时代的地质作用及判断依据。
重点二外力作用对地貌的影响1.能量主要是太阳辐射能。
2.主要表现形式3.对地貌的影响极其分布不同性质的外力作用因其作用过程和强度不同,对地貌的影响和主要分布区也有很大差别,具体分析如下表:【特别提示】各种外力作用之间的关系【例2】读下面四幅地貌图,回答1—2题。
1.主要是由堆积作用形成的地貌是( )A.甲、乙B.乙、丙C.丙、丁D.甲、丁2.对甲、乙、丙、丁四幅图所示地貌的描述,正确的是( )A.甲图地貌是由流水溶蚀作用形成的B.乙图所示地貌在我国新疆分布较典型C.丙图所示地貌为河流三角洲D.丁图地貌主要是由冰川侵蚀造成的重点三岩石圈的物质循环1.岩石圈的物质循环岩石圈的物质在内外力作用下不断运动和变化,从岩浆到形成各种岩石,又到新岩浆的形成,周而复始,构成岩石圈的物质循环过程。
高三地理第一轮复习导学案——地表形态的塑造一、高考考纲1 地表形态变化的内、外力因素;2 地壳的物质循环;3 地表形态对聚落及交通线路分布的影响。
二、重难点区分内外力对地表形态的作用;理解岩石圈物质循环的过程;认识山岳形成的影响因素及过程;分析河流地貌的形成及其对聚落分布和交通线路的影响三、本章知识框架四、考点知识梳理(1)营造地表形态的力量1. 地表形态是指地球表面的起伏状态,又称地形或地貌,是我们可以直接感受到的地球表面特征。
2. 内力作用(对比喜马拉雅山、东非大裂谷、维苏威火山、大西洋等的形成,理解)1. 能量来源于,主要作用于岩石圈;2. 主要表现形式:3. 按地壳运动的方向和性质分类:运动和运动;就全球而言,地壳运动以运动为主,运动为辅。
内力作用在地表形态形成大陆与大洋、山脉、盆地等基本地形,奠定地表形态的基本格局,总的趋势是使得地表趋于高低不平。
例题1:下列几种地质现象中,属于内力作用的是()A 云南路南石林的形成B喜马拉雅山的形成 C 澳大利亚大堡礁的形成D 上海崇明岛的形成E 大西洋的形成F 黄土高原的形成3. 外力作用1. 能量来源于地球外部,主要是和,主要依靠风力、流水、冰川海浪、生物等来实现。
2. 主要表现形式:风化、、搬运和等四种方式;3. 外力作用与地貌外力作用形成的地貌形态分布地区风化作用使地表岩石被破坏,碎屑物残留在地表,形成风化壳(注:土壤是在风化壳基础上演变而来的)普遍(例:花岗岩的球状风化)植物根系撑裂岩石,岩石孔隙水的冻融作用使岩石破裂,岩石受烈日暴晒崩裂等侵蚀作用风力侵蚀风力吹蚀和磨蚀,形成戈壁、风蚀洼地、风蚀柱、风蚀蘑菇、风蚀城堡等干旱、半干旱地区(例:雅丹地貌)流水侵蚀侵蚀使谷底、河床加深加宽,形成V形谷,使坡面破碎,形成沟壑纵横的地表形态。
湿润、半湿润地区(例:长江三峡、黄土高原地表、瀑布)溶蚀形成漏斗、地下暗河、溶洞、石林、峰林等喀斯特地貌,一般地表崎岖,地表水易渗漏。
第二节山地的形成
【教学目标】
【知识与技能】1.通过对比,了解褶皱(背斜、向斜)、断层的概念和基本形态,掌握正确判断背斜和向斜的方法,理解褶皱山、断块山的形成。
2.了解火山的形成、结构和规模;
3.举例说明山地对交通运输的影响。
【过程与方法】1.通过判读相关示意图,分析地质构造的基本类型及其对地表形态的影响。
【情感、态度与价值观】1.让学生应用所学知识解释地形的形成原因,使学生认识到地壳的变迁是
有规律可循的、是可以被认识的。
【预习任务】
1.识记褶皱的概念、褶曲的两种基本形态、六大板块的名称。
2.理解断层的概念。
3.识记火山的构成(参看图4.14)。
4.阅读相关文本,完成下表,区分褶曲的两种基本形态。
褶曲形态岩层新老关系形成地貌
背斜
向斜
5.举例说明山地对交通运输的影响。
【自主检测】
1.山区建设交通线的劣势有()
①成本高②技术难度大
③同样两地间,山区交通线总长度一般比较大④隧道多,工程量大
A.①②③④B.②③④C.①③④ D.①②③
2.下图为“某地地质剖面图”,读图完成下列问题。
(1)图中甲处地质构造名称是_____,地貌名称是_
____。
成山原因是_________________
__。
(2)乙处地质构造顶部岩层缺失的原因是________
___________________________。
(3)丙处地质构造名称是_____,判断的理由是____________。
【落实内容】
褶皱、断层的成因及地表形态板块运动对地表形态的影响火山的形成过程。
高中地理第4章地表形态的塑造第1节营造地表形态的力量学案新人教版必修1第一节营造地表形态的力量学习目标:1.识记内、外力作用的能量来源、表现形式和对地表形态的影响。
2.理解岩石圈物质循环过程。
(重点) 3.运用内、外力作用解释地表形态的变化。
一、内力作用1.能量来源地球内部,放射性元素衰变产生的热能。
2.分类迅速激烈的内力作用和极其缓慢的内力作用。
3.表现形式及影响(1)地壳运动(塑造地表形态的主要方式):基本形式水平运动垂直运动岩层的运动方向平行于地表垂直于地表岩层变化岩层发生水平位移和弯曲变形岩层发生大规模的隆起和凹陷对地表的影响形成绵长的断裂带和巨大的褶皱山脉引起地势的起伏变化和海陆变迁(3)岩浆活动:岩浆只有喷出地表才能直接影响地表形态。
4.对地表形态的影响:使地表变得高低不平,奠定了地表形态的基本格局。
[温馨提示]水平运动和垂直运动是紧密相关的,这两种运动同时存在,相互作用、相互影响,运动结果也往往相互渗透、叠加在一起。
1.概念地球表面的风、流水、冰川、生物等可以引起地表形态的变化。
2.能量来源地球外部,主要是太阳辐射能。
3.表现形式(1)风化作用:是指在温度、水及生物等的影响下,地表或接近地表的岩石,经常发生的崩解和破碎。
(2)侵蚀作用:是指水、冰川、空气等在运动状态下对地表岩石及其风化产物的破坏作用。
(3)搬运作用:是指风化或侵蚀的产物被风、流水、冰川等转移离开原来位置的作用。
(4)堆积作用:是指岩石风化和侵蚀后的产物在外力的搬运途中,由于外力减弱或遇到障碍物,导致物质逐渐沉积的作用。
4.对地表形态的影响使地表起伏状况趋向于平缓。
[特别提醒]地表或接近地表的岩石,在温度、水以及生物等的影响下,发生崩解和破碎等破坏作用,叫作风化作用。
风化作用与风无关,而风力作用则是指风的侵蚀、搬运、堆积等作用,故风化作用与风力作用是两个完全不同的概念。
三、岩石圈的物质循环1.概念地壳物质在内外力作用下不断运动和变化,从岩浆到形成各种岩石,又到新岩浆的产生,这一变化过程就是岩石圈物质循环运动过程,其实质就是三大类岩石的相互转化。
第一节常见地貌类型地貌的观察[课标内容要求]通过野外观察或运用视频、图像,识别3~4种地貌,描述其景观的主要特点。
[学科核心素养][知识体系导图]区域认知:结合区域的地形、水文等地理特征,分析判断不同地区的主要地貌类型与分布规律。
综合思维:结合图文材料,从要素综合和时空综合的角度分析地貌景观的形成原因与形成过程。
地理实践力:运用视频或野外观察地貌景观,能够识别相关地貌并能描述其景观特点。
一、常见地貌类型(1)定义:可溶性岩石在适当条件下,溶于水并被带走,或重新沉淀,在地表和地下形成形态各异的地貌。
(2)我国的主要分布:某某、某某、某某等地。
❶(3)地表喀斯特地貌溶沟呈长条形或网格状,地面上下不平,崎岖难行洼地溶沟进一步开展,可形成面积较大的洼地,底部平坦,是当地重要的农耕区峰丛、峰林洼地边缘残留的岩体,常常呈锥状耸立。
峰林可演变为孤峰,以至残丘(4)地下喀斯特地貌--以溶洞为主①顶部:石钟乳、石幔或石帘。
②底部:石笋。
❷❶我国北方地区降水较少,水文条件与生物条件较差,故喀斯特地貌发育很不充分,很难有大面积喀斯特地貌分布。
❷地表喀斯特地貌主要是流水侵蚀作用形成的;地下喀斯特地貌中的溶洞是流水侵蚀作用形成的,溶洞内的石钟乳、石幔、石帘、石笋等如此是因流水沉积作用形成的。
(1)概念:在干旱地区,以风力为主形成的各种地貌的统称。
(2)分布:①我国主要分布区:西北地区。
②其他地区:多沙的河谷地带、植被稀少的沙质湖岸和海岸。
❸(3)风蚀地貌①成因:风与其携带的沙粒冲击和摩擦岩石形成。
②类型:风蚀柱、风蚀蘑菇、雅丹等。
❹(4)风积地貌--沙丘①成因:由风沙堆积而成。
②常见形态:新月形沙丘--迎风坡缓,背风坡陡。
③危害:流动沙丘会埋没房屋、道路,侵吞农田、牧场等。
(1)定义:海岸在海浪等作用下形成的各种地貌,统称为海岸地貌。
❺(2)主要类型①侵蚀地貌:主要有海蚀崖、海蚀平台、海蚀穴、海蚀拱桥、海蚀柱等。
②堆积地貌:海滩、沙坝等是常见的类型。
第四章地表形态的塑造复习学案
一、章节结构回顾
第一节营造地表形态的力量
第二节山地的形成
第三节河流地貌的发育
二、考点再分析
1、考点一:三大类岩石
岩浆岩:岩浆上升冷却凝固而成。
喷出岩:侵入岩:
沉积岩:裸露于地表的岩石,在外力作用下变成碎屑物,然后又变成岩石。
本质:从一类转化成另一类。
特征:两点(理解)
举例:
变质岩:在地壳内部的岩石,在高温和高压条件下发生作用,形成新的岩石。
本质:从一类转化成另一类。
举例:
2、考点二:地壳内部物质循环的过程
本质:和之间的相互转化过程。
解题关键:紧扣岩浆的位置,注意变式图。
成因特点地表形态实践意义
褶皱岩层受到地壳运动产
生的强大挤压力后,发
生的弯曲变形。
背斜-岩层向
上拱(中心老,
两翼新)。
向斜-岩层向
下弯(中心新,
两翼老)。
正态地形:背斜成山;向斜
成谷倒置地形:背斜顶部受
到张力被侵蚀成谷地;向斜
槽部受挤压岩性坚硬不易
被侵蚀反而成山岭。
背斜储油、
向斜储水;
背斜处建
地下隧道
断层地壳运动产生的强大
压力或张力,使岩层发
生断裂,并沿断裂面发
生明显的错动、位移。
上升岩块(地垒)—成山岭
或高地(华山、庐山、泰山)
下降岩块(地堑)—成谷地
或低地(渭河平原、汾河谷
地)
隧道、水
库选址尽
量要避开
断层;泉
水、湖泊
分布地;
河谷发育
分布区外力作用侵蚀地貌沉积地貌其它主要在湿
润、半湿润
地区流水
沟谷、瀑布、峡谷(V
形谷),黄土高原千
沟万壑的地表形态
冲(洪)积扇、冲积
平原、河口三角洲
(有分选性)
喀斯特地貌
溶蚀作用:
峰林、石林、溶洞。
化学堆积作用:
钟乳石、石柱、石
笋。
干旱地区风力风蚀蘑菇、风蚀洼地沙丘、沙垄、黄土高原形成(有分选性)
高纬度、高海拔地区冰川
U形谷、冰斗、刃脊、
角峰、峡湾
冰碛地貌(不具有分
选性)
5、考点五:地表形态对聚落分布的影响
聚落分布原因
高原地区呈带状,分布于深切河谷两岸狭窄的
河漫滩平原上深切河谷,地势低,气候温暖,河漫滩平原土壤肥沃,水资源丰富
山区分布在洪积扇、冲积扇和河漫滩平原
—上,形成明显的条带状,或分布于
山前,或沿河流两岸
山前的洪积扇、冲积扇和河漫滩平原
地势平坦,地下水或地表水资源十
富,并淤积有肥沃的土壤
三、典型例题
2011届高考第二轮复习课堂练习地表形态的塑造
(2004 江苏)
图4表示的是四种地貌景观。
读图回答7—8题。
7.表示花岗岩地貌景观的是
A.a图B.b图C.c图D.d图
8.a图地貌景观形成的主要外力作用是
A河流沉积作用B.湖泊沉积作用
C冰川侵蚀作用D.流水溶蚀侵蚀作用
(2005 江苏)
5.石灰岩受岩浆烘烤变质形成
A.砂岩B.板岩C.玄武岩D.大理岩
16.汉代以来,塔里木盆地南缘人类生产活动范围沿河流迁移的总趋势是
A .从下游向上游方向迁移B.从上中游向下游方向迁移
C.往返迁移D.向两侧迁移
(2006 江苏)
蒙古高原、黄土高原和华北平原因外力作用在咸固上具有一定的联系。
图12中各字母表示不同的主导外力作用类型,读图回答25-26题
25.下列叙述正确的是
平原区
有的沿河发展,形成沿河聚落带;有
的沿海岸发展,形成沿海岸聚落带
土壤肥沃,水资源丰富,有便捷的内
河航运和海上运输
A.a表示风力侵蚀作用B.b表示风力搬运作用
C.c表示流水溶蚀作用D.d表示流水搬运作用
26.在c过程中,可能发生的地理现象有
A.沙尘暴B.水土流失 C.泥石流D.土地荒漠化
(2007 江苏)
图3 为我国江南园林小景。
读图回答5 一6 题。
5.图中的太湖石是由石灰岩组成,其玲珑剔透独特形态的形成原因是
A.风力侵蚀作用B.岩浆作用
C.流水侵蚀作用D.变质作用
6.江南园林中常用太湖石构景,形成奇峰怪石的山景。
这种山景属于
A.喀斯特地貌景观B.水文地理景观图C.地质地貌景观D.人文景观(2008 江苏)
图1是“护送2008奥运圣火登顶珠峰的大本营”图片,图2是浙江“雁荡胜境”图片。
读图回答第1题。
1.形成珠峰大本营附近碎屑物和雁荡山陡崖峡谷的主要外力作用分别是
A.风力侵蚀、流水堆积B.冰川堆积、流水侵蚀
C.流水堆积、冰川侵蚀D.冰川侵蚀、风力沉积
(2009 江苏)
图3为岩石圈物质循环示意图,图中Ⅰ、Ⅱ、Ⅲ分别代表沉积环境、熔融环境和变质环境,箭头线代表不同的地质过程。
读图回答5~6题。
5.2008北京奥运金牌上镶的昆仑玉和大理岩的形成
过程同属
A.② B.③ C.④ D.⑤
6.古生物进入并成为岩石中化石的地质环境和过程
是
A.I——① B.Ⅱ——③
C.Ⅲ——⑤ D.⑥——I
(2010 江苏)
2010年3月以来,北大西洋极圈附近的冰岛发生大规模火山喷发.火山灰蔓延欧洲航空业蒙受重大损失。
图l为火山喷发图片。
回答l~2题。
1.导致冰岛火山灰蔓延到欧洲上空的气压带和气流是
A.副热带高气压带和西风 B.副极地低气压带和西风
C.副热带高气压带和东北风 D.副极地低气压带和东北风
2.这些蔓延的火山灰物质在地球圈层中迁移的顺序是
A.大气圈→水圈、生物圈→岩石圈
B.岩石圈→大气圈→水圈、生物圈
C.水圈、生物圈→大气圈→岩石啊
D.水圈、生物圈→岩石圈→大气圈
2010年1月,海地发生7.3级地震,几十万人遇难;同年2月.智利发生8.8级地震,数百人丧生。
图3为两次大地震震中位置示意图。
读图回答5题。
5.两次大地震
A.震中都位于太平洋沿岸
B.震中都位于两大板块交界处
C.能量源自地球内部
D.遇难人数的多少取决于震级的大小。